CAISSON COLLECTIF ET TERTIAIRE - CACT-N-ECOWATT - Ventilation Mécanique Contrôlée (VMC) UNELVENT - Notice d'utilisation et mode d'emploi gratuit
Retrouvez gratuitement la notice de l'appareil CAISSON COLLECTIF ET TERTIAIRE - CACT-N-ECOWATT UNELVENT au format PDF.
| Type de produit | Caisson collectif et tertiaire |
| Caractéristiques techniques principales | Conception optimisée pour le confort thermique et la qualité de l'air |
| Alimentation électrique | 230 V / 50 Hz |
| Dimensions approximatives | Variable selon le modèle, consulter la fiche technique |
| Poids | Variable selon le modèle, consulter la fiche technique |
| Compatibilités | Compatible avec divers systèmes de ventilation et de chauffage |
| Fonctions principales | Récupération de chaleur, filtration de l'air, régulation de l'humidité |
| Entretien et nettoyage | Filtres à remplacer régulièrement, nettoyage des surfaces extérieures |
| Pièces détachées et réparabilité | Disponibilité de pièces de rechange, facilité d'accès pour les réparations |
| Sécurité | Conforme aux normes de sécurité en vigueur, protection contre les surcharges |
| Informations générales utiles | Consulter la documentation technique pour l'installation et l'utilisation |
FOIRE AUX QUESTIONS - CAISSON COLLECTIF ET TERTIAIRE - CACT-N-ECOWATT UNELVENT
Questions des utilisateurs sur CAISSON COLLECTIF ET TERTIAIRE - CACT-N-ECOWATT UNELVENT
0 question sur cet appareil. Repondez a celles que vous connaissez ou posez la votre.
Poser une nouvelle question sur cet appareil
Téléchargez la notice de votre Ventilation Mécanique Contrôlée (VMC) au format PDF gratuitement ! Retrouvez votre notice CAISSON COLLECTIF ET TERTIAIRE - CACT-N-ECOWATT - UNELVENT et reprennez votre appareil électronique en main. Sur cette page sont publiés tous les documents nécessaires à l'utilisation de votre appareil CAISSON COLLECTIF ET TERTIAIRE - CACT-N-ECOWATT de la marque UNELVENT.
MODE D'EMPLOI CAISSON COLLECTIF ET TERTIAIRE - CACT-N-ECOWATT UNELVENT
CAISSONS D'EXTRACTION 400^ C 1 / 2 ~h (C4)
Série CACT-N-ECOWATT - Pression régulée

Jusqu'à 40% d'économie d'énergie
Les plus
- Pression constante sur la plage de débits : économie d'énergie jusqu'à 40%
- Réduction du niveau sonore
- Inter de proximité et dépressostat montés de série
- Ensemble moteur monté sur glissière extractible
- Idealement concu pour application hygroscopeable
- Configurations en ligne ou double aspiration
- Installation rapide et étanche (joint Véloduct)
- Installation en combles ou en terrasse
- Alimentation monophasée
Gamme
5 modèles de 2000 à 11500 m3/h
Applications

- VMC en habitat collectif
Autoréglable / Hygróglable / Gaz / Hygro-gaz
Conforme à la NF XP P50-410 ref.
DTU 68-1 et à la Nouvelle
Réglementation Acoustique.

- Ventilation de comport en ERP et locaux tertiaires généraux
Uniquement en ventilation comport, raccorder la sonde PTO. Article CH 29 à 40 du règlement de sécurité du 25 juin 1980.


- Caracteristiques générales
- 400^ C 1 / 2 ~h - Categorie 4
PVCTICMN°05-A-334
Caissons en tôle d'acier galvanisée M0 - Ensemble centrifuge à action double ouïe en tôle d'acier galvanisée (courbe plate)
- Entrainement poulie-courroie (courroie de rechange dans le caisson)
- Alimentation générale en monophasé 230 V
- Moteurs 4 pôles à pattes B3, IP 55, Classe F
- Dépressostat et inter de proximé montés
- Variateur de fréquence : Sortie vers le moteur en triphasé 230 V

Piquages à joints
Véloduct (Classe C)

Interrupteur de proximite cadenassable

Dépressostat régèle en usine à 80 Pa
Désignation

- 1: T = moteur triphasé - Alimentation monophasée
- 2 : Indication du débit maximum : 020 = 2000 m3/h
- 3: ECOWATT = Ventilateur Pression régulée
- 4: Orientation des piquages :
2 = double aspiration - L = flux en ligne
Système ECOWATT
- Principé de fonctionnement

- Adaptation permanente de la vitesse aux besoines réels de l'installation pour limiter la consommation électrique.
La consigne de pression est directement régliable à partir du potentiemètre situé en façade du coffret de régulation afin de caler le point de fonctionnement sur les pertes de charge du réseau. - Le système ECOWATT permet de dévelopir une pression constante dans le réseau quelque soit la variation du débit, sur toute la plage d'utilisation du ventilateur.
- Le fonctionnement est entièrement automatique. Un capteur mesure en permanence la pression du réseau et envoie l'information au variateur de fréquence (photo), qui adapte la vitesse du moteur.
- Montage par 2 vis sur site par panneau l'etal ou supérieur
- Boitier livre cable
Orientations des piquages

Ensemble Moto-ventilateur

Monte sur glissieres extraction laterea rapipe
- Entretien facilité
- Désolidarisé du caisson par plots anti-vibratiles
CAISSONS D'EXTRACTION 400^ C 1/2 h (C4)
Série CACT-N-ECOWATT - Pression régulée
Codification et prix HT
| Double aspiration horizontal et rejet vertical | |
| Référence | Code |
| CACT-N 025 ECOWATT-2 | 230 600 |
| CACT-N 045 ECOWATT-2 | 230 601 |
| CACT-N 055 ECOWATT-2 | 230 602 |
| CACT-N 080 ECOWATT-2 | 230 603 |
| CACT-N 110 ECOWATT-2 | 230 604 |
| Aspiration et refoulement horizontalaux en ligne | |
| Référence | Code |
| CACT-N 025 ECOWATT-L | 230 605 |
| CACT-N 045 ECOWATT-L | 230 606 |
| CACT-N 055 ECOWATT-L | 230 607 |
| CACT-N 080 ECOWATT-L | 230 608 |
| CACT-N 110 ECOWATT-L | 230 609 |
- Caracteristiques techniques
| CACT-N ECOWATT-2 Double aspiration horizontal et rejet vertical | Type | Débit maxi (m3/h) | Ø (mm) | Puisance mateur (kW) | Intensité maxi 230 V (A) | |
| aspiration D2 | rejet D1 | |||||
| D2 D1 D2 | CACT-N 025-2 | 2500 | 355 | 400 | 0,37 | 5,3 |
| CACT-N 045-2 | 4000 | 400 | 450 | 0,75 | 8,9 | |
| CACT-N 055-2 | 5400 | 450 | 560 | 1,10 | 12,1 | |
| CACT-N 080-2 | 8400 | 560 | 630 | 1,50 | 15,8 | |
| CACT-N 110-2 | 11500 | 630 | 710 | 2,20 | 21,9 | |
| CACT-N ECOWATT-L Aspiration et rejet horizontalux en ligne | Type | Débit maxi (m3/h) | Ø (mm) | Puisance mateur (KW) | Intensité maxi 230 V (A) | |
| aspiration D2 | rejet D1 | |||||
| D2 D1 | CACT-N 025-L | 2500 | 400 | 400 | 0,37 | 5,3 |
| CACT-N 045-L | 4000 | 450 | 450 | 0,75 | 8,9 | |
| CACT-N 055-L | 5400 | 560 | 560 | 1,10 | 12,1 | |
| CACT-N 080-L | 8400 | 630 | 630 | 1,50 | 15,8 | |
| CACT-N 110-L | 11500 | 710 | 710 | 2,20 | 21,9 | |
Dans le cas ou le rejet est raccordé, prévoir un raccordement circulaire PAPV.
Accessoires de montage

Sortie s'air
| CACT-N | Référence | Code |
| 025 | APC 400 | 874 637 |
| 045 | APC 450 | 875 066 |
| 055 | APC 560 | 875 068 |
| 080 | APC 630 | 875 069 |
| 110 | APC 710 | 875 070 |

- Manchette souple 400^ C 1 / 2 ~h
| Ø (mm) | Référence | Code |
| 355 | MSF 355 | 975 619 |
| 400 | MSF 400 | 975 620 |
| 450 | MSF 450 | 975 621 |
| 560 | MSF 560 | 975 623 |
| 630 | MSF 630 | 975 624 |
| 710 | MSF 710 | 975 625 |

- Piquage à plat Véloduct si rejet raccordé
| CACT-N | Référence | Code |
| 025 | PAPV 400 | 864 550 |
| 045 | PAPV 450 | 868 237 |
| 055 | PAPV 560 | 868 238 |
| 080 | PAPV 630 | 864 557 |
| 110 | PAPV 710 | 860 326 |

- Choc Isol
| Référence | Code |
| CHOC ISOL (le jeu de 4) | 990 001 |
Accessoires électriques

-
Temporisation sur dépressostat
-
Mateur de secours (non monté)
Nous consulter
| CACT-N | Référence | Code |
| Tout type | TEMPO DEPRESSIONSTAT | 710 016 |

CAISSONS D'EXTRACTION 400^ C 1 / 2 ~h (C4)
Série CACT-N-ECOWATT - Pression régulée

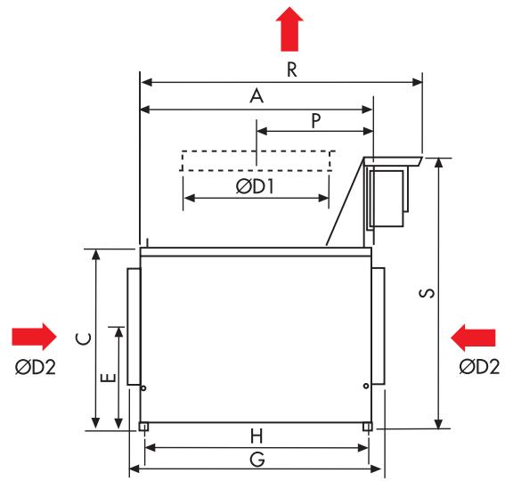
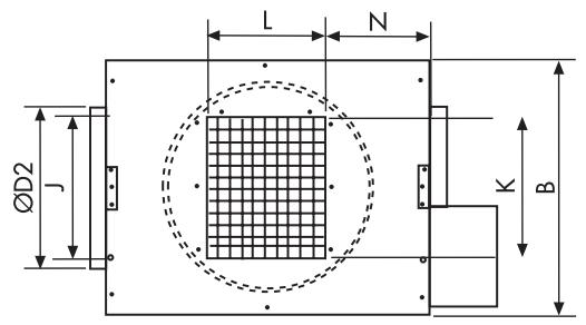
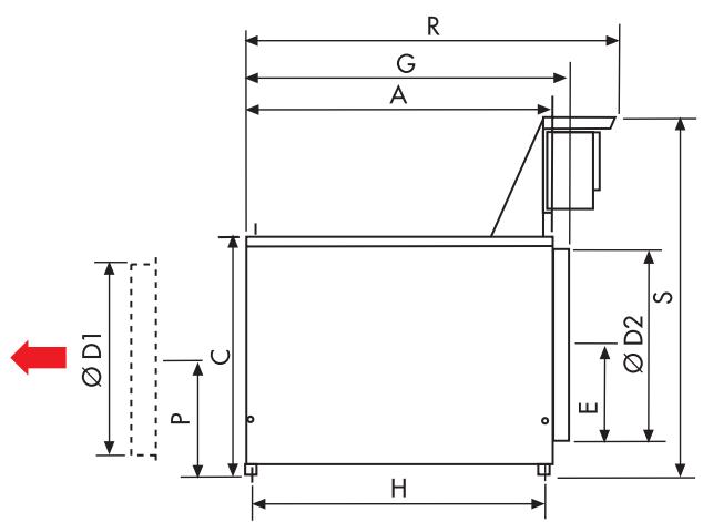
Dimensions (mm)

| Type | Dimensions caisson | Fixations | Poids Kg | Dimensions rej | Variateur | |||||||||||
| A | B | C | ØD2 | E | G | H | J | K | L | N | P | ØD1 | R | S | ||
| CACT-N-025-2 ECOWATT | 750 | 600 | 555 | 355 | 350 | 770 | 718 | 510 | 47 | 290 | 260 | 285 | 425 | 400 | 940 | 905 |
| CACT-N-045-2 ECOWATT | 850 | 630 | 615 | 400 | 380 | 940 | 818 | 250 | 54 | 325 | 290 | 287 | 425 | 450 | 1010 | 965 |
| CACT-N-055-2 ECOWATT | 900 | 710 | 700 | 450 | 400 | 990 | 870 | 300 | 62 | 390 | 327 | 290 | 450 | 560 | 1090 | 1050 |
| CACT-N-080-2 ECOWATT | 1050 | 815 | 800 | 560 | 475 | 1140 | 1120 | 400 | 103 | 470 | 393 | 320 | 525 | 630 | 1240 | 1150 |
| CACT-N-110-2 ECOWATT | 1200 | 925 | 920 | 630 | 475 | 1290 | 1170 | 500 | 129 | 555 | 460 | 340 | 600 | 710 | 1390 | 1270 |


| Type | Dimensions caisson | Fixations | Poids Kg | Dimensions rej | Variateur | |||||||||||
| A | B | C | ØD2 | E | G | H | J | K | L | N | P | ØD1 | R | S | ||
| CACT-N-025-L ECOWATT | 750 | 600 | 555 | 400 | 325 | 793 | 718 | 510 | 47 | 290 | 260 | 135 | 265 | 400 | 940 | 905 |
| CACT-N-045-L ECOWATT | 850 | 630 | 615 | 450 | 365 | 895 | 818 | 250 | 54 | 325 | 290 | 135 | 285 | 450 | 1010 | 965 |
| CACT-N-055-L ECOWATT | 900 | 710 | 700 | 560 | 385 | 945 | 870 | 300 | 62 | 390 | 327 | 145 | 340 | 560 | 1090 | 1050 |
| CACT-N-080-L ECOWATT | 1050 | 815 | 800 | 630 | 450 | 1095 | 1120 | 400 | 103 | 470 | 393 | 135 | 350 | 630 | 1240 | 1150 |
| CACT-N-110-L ECOWATT | 1200 | 925 | 920 | 710 | 500 | 1245 | 1170 | 500 | 129 | 555 | 460 | 150 | 380 | 710 | 1390 | 1270 |
CAISSONS D'EXTRACTION 400^ C 1/2 h (C4)
Série CACT-N-ECOWATT - Pression régulée
Courbes caractéristiques
- Diagrammes valables pour une densité de l'air de 1,2 Kg/m3.
Etablis suivant code d'essais des groupes moto-ventilateurs d'extraction en caissons (Norme NF E51705)
- Exemple de courbes à 130 Pa
Plage de régulation de pression
Niveau de pression acoustique mesured en champs libre hemisphérique sur une surface reflchissante, le micro placé à 4 m de la source sonore. Aspiration raccordée. Lp en dB (A). (Norme NF EN ISO 3746)
Niveau de puissance acoustique rayonnés dans le conduit amont. Lw en dB (A). (Norme NF EN ISO 5136)





Notice Facile