MEB PLUS 20 - Chaudière gaz EUROTERM - Notice d'utilisation et mode d'emploi gratuit
Retrouvez gratuitement la notice de l'appareil MEB PLUS 20 EUROTERM au format PDF.
| Type de produit | Chauffage central à eau chaude |
| Caractéristiques techniques principales | Chaudière à condensation, rendement élevé, compatible avec différents systèmes de chauffage |
| Alimentation électrique | 230 V / 50 Hz |
| Dimensions approximatives | 700 mm x 400 mm x 600 mm |
| Poids | 70 kg |
| Compatibilités | Compatible avec les systèmes de chauffage à radiateurs et au sol |
| Type de batterie | Non applicable |
| Tension | 230 V |
| Puissance | 20 kW |
| Fonctions principales | Chauffage, production d'eau chaude sanitaire |
| Entretien et nettoyage | Vérification annuelle par un professionnel, nettoyage des filtres et des échangeurs |
| Pièces détachées et réparabilité | Disponibilité de pièces détachées, réparabilité facilitée par un accès direct aux composants |
| Sécurité | Système de sécurité intégré, protection contre la surchauffe et les fuites |
| Informations générales utiles | Garantie de 2 ans, installation par un professionnel recommandée |
FOIRE AUX QUESTIONS - MEB PLUS 20 EUROTERM
Questions des utilisateurs sur MEB PLUS 20 EUROTERM
0 question sur cet appareil. Repondez a celles que vous connaissez ou posez la votre.
Poser une nouvelle question sur cet appareil
Téléchargez la notice de votre Chaudière gaz au format PDF gratuitement ! Retrouvez votre notice MEB PLUS 20 - EUROTERM et reprennez votre appareil électronique en main. Sur cette page sont publiés tous les documents nécessaires à l'utilisation de votre appareil MEB PLUS 20 de la marque EUROTERM.
MODE D'EMPLOI MEB PLUS 20 EUROTERM
SOCIETE CERTIFIEE ISO 9002
CHAUDIERE MURALE A GAZ HAUT RENDEMENT - MODULANTE

MEB PLUS 20 - 25 S
NOTICE D'INSTALLATION
ET D'ENTRETIEN
Lire attentivement les instructions contenues dans la presente notice car elles fournissant des informations importantes sur la sécurité, l'installation et l'entretien. Bien conserver cette notice pour toute consultation ultérieure. L'installation doit être prise en charge par un personnel qualifié responsable du respect des normes de sécurité en vigueur.
INDEX
PAGE
NORMES GENERALES 6
DESCRIPTION 7
COMPOSANTS PRINCIPAUX 8
DIMENSIONS mm 9
9
REGLAGE GAZ - INJECTEURS 10
CONNEXIONS ELECTRIQUES - SCHEMAS 11
... pour l'excellent choix.
Nos you remercions de la preference accorded to nos produits. Depuis 1972, EUROTERM est activement presente en Italie et dans le monde avec un réseau capillaire d'Agents et de concessionnaires qui garantissent une presence constante du produit sur le marché. Ce réseau de vente est appuyé par un Service Apre's-Vente "EUROTERM", charge d'un entretien qualifié du produit.
EUROTERM est un des premières compagnies italiennes auxquelles la norme a ete identifie la certification de juste s'charge de la qualite en second lieu internationale
UNI EN ISO 9002

NORMES GENERALES
- Ce livre est partie intégrante et essentielle du produit. Lire attentivement les conseils contenus dans le present livre car ils fournissent des indications importantes sur la sécurité d'installation, l'utilisation et l'entretien. Bien conserver ce livre pour toute consultation ultérieure. L'installation de la chaudière doit être effectuee en conformite avec les normes en vigueur, selon les instructions du fabricant et par un personnel qualifie. Une installation erronee peut provoquer des dommages aux personnes, aux animaux ou aux choses pour lesquels le fabricant ne peut etre retenu responsable.
- Àpres avoir retire le emballages, s'assurer de l'intégrité du contenu. En cas de doute, ne pas utiliser l'appareil et s'adresser au fournisseur. Les éléments composant l'emballage (cage en bois, clous, agrafes, sachets en plastique, polystyrene expansé, etc...) ne doivent pas être laissés à la portée des enfants car ils peuvent constituer une source de danger.
- Cette chaudière sert pour chauffer l'eau à une température inférieure à la température d'ébullition à pression atmosphérique. Elle doit être connectée à une installation de chauffage compatible avec ses performances et sa puissance.
- Cet apparéil ne devra être utilisé que pour l'usage pour lequel il a été expressément concu. Tout autre usage doit être considéré comme incorrect et par conséquent dangereux. Le fabricant ne peut être retenu responsable des dommages éventuels dus à des usages incorrectly et irraisonnables.
TOUTES LES OPERATIONS D'INSTALLATION, D'ENTRETIEN ET DE TRANSFORMATION DE GAZ DOIVENT ETRE EFFECTUEES PAR UN PERSONNEL AGREE ET QUALIFIE.
POUR L'INSTALLATION ET LE BON FONCTIONNEMENT, NOUS RECOMMANDONS L'UTILISATION EXCLUSIVE D'ACCESSOIRES ET DE PIECES DE RECHANGE EUROTERM.
EN CAS D'ODEUR DE GAZ, NE PAS APPUYER SUR LES INTERRUPEURS ELECTRIQUES. OUVRIR LES PORTES ET LES FENETRES. FERMER LES ROBINETS DU GAZ.
INSTALLER LA CHAUDIERE SUR UNE PAROI DONT LA LARGEUR EST DE MEME DIMENSION, OU DE DIMENSION SUPERIEURE A CELLE DE LA CHAUDIERE ELLE-MEME.
DESCRIPTION
Fonctionnement entiement automatique. Le gaz est geré par un tableau électronique avec les caractéristiques suivantes:
- Fonctionnement é modulation continue sur les deux circuits;
- Execution avec la commande de T sur le circuit du chauffage;
- Possibilité de réglage de la puissance de chauffage;
Possibilité de réglage de l'allumage lent; - Fonction de protection contre la légionellose.
Les chaudieres sont équipés de:
- Détector de flux de sécurité;
Thermostat de sécurité totale;
Echangeur fumées à haut rendement;
Ballon a accumulation de 65 I en acier inox pour une abondance d'eau chaude sanitaire
Vanne electrique 3 voies.
Mettent en boite a une distance soient reliées à un commande à distance et E 100 pour la gestion des fonctions.
MEB PLUS 20 S - MEB PLUS 25 S
Modèle équipé de tableau électronique pour l'allumage automatique et le contrôle de la flamme par electrode d'ionisation.
Par mesure de sécurité, l'efficacité de l'électroventilateur est contrôle par un pressostat.
L'évacuation des fumées peut être réalisée essentiellement au moyen de:
tubulure concentrique a celle de l'aspiration de I'air;
tubulre dedoublee, avc tube pour I'evacuation des fumees et tube pour l'aspiration de I'air de combustion.
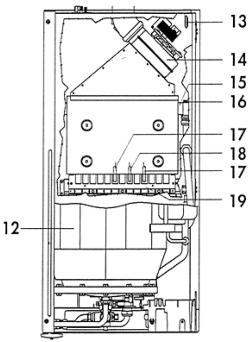
COMPOSANTS PRINCIPAUX



LEGENDE
1 Vase d'expansion e.c.s.
2 Sonde du ballon
3 Vase d'expansion chauffage
4 Sonde refoulement
5 Sonde retour
6 Circulateur
7 Vanne electrique 3 voies
8 Fluxmètre manque d'eau
9 Bobine de modulation
10 Vanne du gaz
11 Groupe e.c.s.
Vanne de sécurité 8 bars
- Regulateur de début 12 l
Vanne de retenue
Filtred'inspection
12 Ballon en acier inox
13 Pressostat des fumées
14 Ventilateur des fumées
15 Echangeur des fumées
16 Thermostat de sécurité totale
17 Elettrodes d'allumage
18 Elettrodes de contrôle
19 Bruleur
20 Thermo-hydrometre
21 Voyant de signalation d'une anomalie
22 Voyant ON/OFF
23 Voyant d'arrêt
24 Potentiometre de réglage de l'eau chaude sanitarie
25 Selecteur fonctions
26 Potentiometre de réglage du chauffage
27 By-Pass automatique

DIMENSIONS mm

CHARACTERISTIQUES TECHNIQUES
| MODELE | Puisance thermique | Puisance thermique minimale | Production eau chaude | Pression d'exercice | Vase d'expansion | Poids | |||||||||
| Foyer | Utile | Foyer | Utile | Produc. Δ 30 °C | Prélevement de pointedans les premières 10 minutes | Capacité duballon | Circ.chauffage max. | Circ.e.c.s.max. | chauffage | e.c.s. | |||||
| kW | kcal/h | kW | kcal/h | kW | kcal/h | kW | kcal/h | l/min | l | l | bar | bar | l | l | |
| MEB PLUS20 S | 26 | 22360 | 23,92 | 20571 | 12,1 | 10406 | 10,5 | 9030 | 11 | 157 | 65 | 3 | 8 | 8 | 2 |
| MEB PLUS25 S | 30,45 | 26187 | 27,8 | 23908 | 14,2 | 12212 | 12,16 | 10458 | 13 | 172 | 65 | 3 | 8 | 8 | 2 |
| Version chaudière: mod. S type C12-C32-C42-C52-C62-C82 Température max. de l'eau 90 °C | |||||||||||||||
| Catégorie: II 2E+3+ B 28/30 mbars - P 37 mbars | |||||||||||||||
CHARACTERISTIQUES DE CIRCULATEUR
Débit/pression disponible à l'installation

MEB PLUS 20 - 25 S
Mise en service détector de flux de sécurité minimum P 1,2 mt.
REGLAGE GAZ - INJECTEURS
Les groupes thermiques quittent l'usine regles et prédisposés pour fonctionner avec du GAZ NATUREL et du GAZ LIQUIDE.
Pour les réglages à effectuer, voir le tableau ci dessous:
| Type de gaz | Pression aux injecteurs mbars | Débit | Injecteurs du brûleur | P.C.I. | |||||
| MEB PLUS 20 S min. | max. | MEB PLUS 25 S min. | max. | MEB PLUS 20 S min. | MEB PLUS 25 S m3/h | MEB PLUS 20 S mm. | MEB PLUS 25 S Φ mm. | kcal/m3 | |
| GAZ NATUREL (G20-20mbar) | 1,8 | 11 | 2,4 | 13 | 2,6 | 3,1 | 1,25 | 1,25 | 8.550 |
| GAZ LIQUIDE B (G30-28/30mbar) | 4,6 | 24,3 | 5,7 | 27,5 | 0,76 | 0,89 | 0,77 | 0,77 | 29.330 |
| GAZ LIQUIDE P (G31-37mbar) | 6,7 | 31,8 | 7,6 | 35 | 1 | 1,17 | 0,77 | 0,77 | 22.360 |
COURBE DE PRESSION AU BRULEUR - PUISSANCE FOURNIE

MEB PLUS 20 S

MEB PLUS 25 S
CONNEXIONS ELECTRIQUES - SCHEMAS
Il faut brancher la chaudiere à un réseau d'alimentation 230 V - 50 Hz monophasé + terre, à l'aide du cable à trois fils en notation, en respectant la polarité LIGNE - NEUTRE.
Le branchement doit etre effectue a l'aide d'un interrupteur bipolaire presentant une ouverture minimale des contacts de 3 mm. En cas de remplacement du cable d'alimentation, utiliser un cable de type "HAR H05 w-F" 3× 1,00mm^2 . (Nos recommendons l'utilisation exclusive d'accessoires et de pieces de rechange EUROTERM).
L'installation doit etre conforme aux NORMES DE SECURITE EN VIGUEUR.
Effectuer une installation de mise à la terre efficace.
| Tension | Fréquence | Puissance absorbée kW | Degré de protection | Bruit dB (A) | |
| V | Hz | MEB PLUS 20 S | MEB PLUS 25 S | IP | MEB PLUS 20 S MEB PLUS 25 S |
| 230 | 50 | 0,150 | 0,153 | 44 | 46 47 |
Pour acceder au tableau électrique où se trouvent la barrette de connexion d'alimentation et le branchement éventuel du thermostat d'ambiance, professionnel comme suit:
Couper la tension de la chaudiere.
- Dévisser les deux vis de la grille de protection (fig. 1).
- Dévisser les quatre vis A de fixation de l'habillage (fig. 2).
Enlever I'habillage (fig. 3).
Pour acceder aux composants electriques et electroniques desser les vis B et attirer le panneau de commande vers I'avant (fig.4).Incliner le panneau vers le bas et desserrer les vis C du couvercle D.






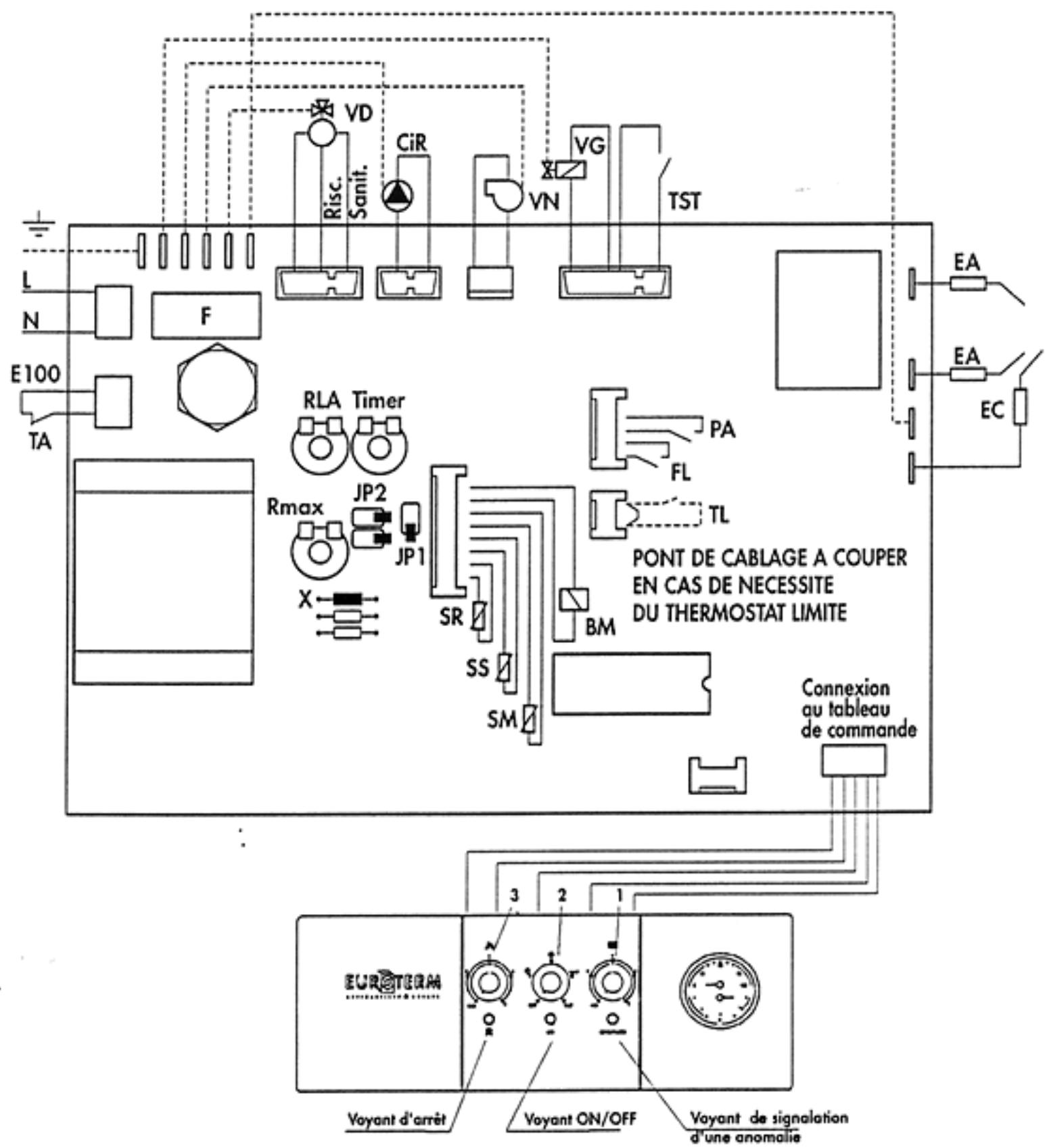
SCHEMA DE MONTAGE
TABLEAU DE COMMANDE
LEGENDE
BM Bobine modulante
CiR Pompe de circulation du chauffage
EA Electrode d'allumage
EC Electrode de contrôle
F Fusible
FL Fluxmetre de sécurité manqued'eau
JP1 Selecteur Methane/GPL
JP2 Selecteur post-circulation
L Ligne 230 V 50 Hz
N Neutre
PA Pressostat fumées
RLA Reglage de l'allumage lent
Rmax. Reglage de la puissance max. de chauffage
SM Sonde refoulement
SR Sonde retour
SS Sonde de I'eau sanitaire
TA Thermostat d'ambiance (facultatif)
TL Thermostat limite (facultatif)
TST Thermostat de sécurité
Timer Réglage timer chaudière
VD Vanne 3 voies
chauffage
VG
VN
X
1
2
3
Vanne du gaz
Ventilateur
Résistance à couper pour bassesTemperatures
Potentiometre du chauffage
Sélecteur: Hors fonction
Eté
Hiver
Réarmement
Test
Potenziometre de I'eau sanitaire
Lors du blocage de la chaudiere, restaurer les conditions de depart en actionnant le selector de fonctions 2 jusqu'à la position de réarmement A (RESET)
- Avec le sélecteur (2) en position "test" la chaudière fonctionne toujours au maximum de la puissance régée sur le gaz de valve
Legende:

Ins

Exclus

JP1

GPL

METHANE

JP2
Resistance R150 interrompué régée au sol 30 / 40^ chauffage
Resistance R150 interrompue tempérale 35/80°C chauffage

RLA
Hausse
Réglage allumage lent

R max
Hausse
Réglage puissance max. de chauffage

Timer
Hausse
Réglage du timer de la chaudière

BRANCHEMENT HYDRAULIQUE
Lorsque les crochets de support sont fixés, enfilier le gabarit de montage et leMETRE contre le mur; en partant des raccords des extrémités montés précédemment sur le gabarit, proceder à la pose de toutes les tuyauteries: tuyau de refoulement de l'installation, de retour de l'installation, d'eau froide, d'eau chaude et, eventuellement aussi, de gaz et d'alimentation de la ligne electrique avec thermostat d'ambiance.
Lorsque les tuyauteries sont installées, on peut dévisser les raccords des extrémités et introduire des bouchons ordinaires fermés pour effectuer l'essay hydraulique de l'installation. Le gabarit peut être enlevé ou non, car après les travaux de finition de la paroi (platre ou carrelage), il sera noyédans le mur; seuls les deux crochets de support et une ouverture en correspondance des raccords restent visibles lorsque le mur est achieve. Placer alors la chaudière sur les deux crochets de support grâce aux trous pratiqués dans la partie postérieure du chassis, la mesure complètement contre le mur. Proceder ensuite au branchement hydraulique.
CONSEILS ET SUGGESTIONS POUR EVITER LA PRESENCE DE VIBRATIONS ET DE BRUIT DANS LES INSTALLATIONS
- Eviter l'emploi de conduites avec des diamètres réduits;
- Eviter l'emploi de coudes à petit rayon et de réductions de sections importantes;
- Nous recommendons d'effectuer un lavage à chaud de l'installation pour éliminer les impuretés provenant des conduites et des radiateurs (en particulier les huiles et les graisses) qui risquent d'endommager la pompe de circulation.
LEGENDE
C Eau chaude 1 / 2^
G Gaz 1 / 2^ · 3 / 4^ (voir robinet en notation)
F Eau d'alimentation de la chaudiere 1 / 2'' (froide)
AE Alimentation electrique
M Refoulement de I'installation 3 / 4^
R Retour de l'installation 3 / 4^
GS Crochets de support 10mm.
N.B.: Prevoir des raccords hydrauliques femelles.

CIRCUIT HYDRAULIQUE

LEGENDE
A Sortie de I'eau chaude sanitaire
B Entrée de I'eau froide
C Gaz
D Retour de l'installation
E Refoulement de I'installation
1 Anode de magnésium
2 Sonde du ballon
3 Ballon
4 Electrodes d'allumage
5 Electrode de contrôle
6 Echangeur
7 Ventilateur
8 Pressostat des fumées
9 Thermomètre
10 Sonde refoulement
11 Thermostat de sécurité totale
12 Sonde retour
13 Bruleur
14 Vase d'expansion
15 Purgeur d'air automatique
16 Circulateur
17 Vanne de sécurité chauffage
18 Fluxmètre manque d'eau
19 Robinet de remplissage
20 Vanne electrique 3 voies
21 Bobine de modulation
22 Vanne du gaz
23 Prise de pression
24 Vanne de sécurité e.c.s.
25 Vanne de non return
26 Vase d'expansion e.c.s.
27 Régulateur de débit
28 Robinet de vidage
INSTALLATION
L'installation ne peut etre realization que par du personnel qualifie.
Elle doit être conforme aux dispositions des lois se rapportant à l'évacuation des produits de la combustion selon les NORMES EN VIGUEUR.
L'évacuation des gaz combustibles doit avoir lieu à l'aide d'un conduit de diamètre non inférieur au diamètre prévu sur la chaudière. Ce conduit sera raccordé à un carneau montant adapté à la puissance de l'installation.
Pour l'adaptation des apparciels d'utilisation aux carneaux montants, respecter ce qui suit:
a) Leur demontage doit etre aise;
b) Ils doivent etre etanches et de materiel resistant aux produits de la combustion et a leurs eventuelles condensations;
c) Ils ne doivent pas avoir de systèmes de réglage (clapet). Proceder à l'élimination de ces systèmes si déjà opérationnels;
d) Ils ne doivent pas se pencher à l'intérieur du carneau montant, mais demeurer avant le plan interne du carneau.
RACCORD GAZ
Respecter les normes en vigueur.
Raccorder la chaudiere à l'aide d'un conduit métallique rigide ou d'un flexible en acier inoxydable à paroi continue de type approvéd. Les conduits métalliques ondulés doivent être disposé de façon à ce que leur longueur, en conditions d'extension maximale, n'excède pas les 2000 mm. Les chaudières sont régées et testées pour le fonctionnement à GAZ NATUREL et GAZ LIQUIDE, de catégorie II 2E+3+ à pression nominale équivalente respectivement à: 25 mbars, 28/30 mbars et 37 mbars.
MISE EN SERVICE DE L'INSTALLATION
Effectuer la purgege d'air.
- Verifier l'absence de fuites de gaz (utiliser une solution savonneuse ou un produit équivalent).
ALLUMAGE
REMPLISSAGE DE L'INSTALLATION
Ouvrir lentement le robinet d'alimentation jusqu'à ce que la pression de l'installation, indiquée sur l'hydromètre, atteigne la valeur de 1,5 bar, puis le referrer. Controler que le bouchon de la vanne d'échéppement d'air automatique, située sur le circulator, soit desserré, et actionner plusieurs fois le circulator pour éliminer l'air present dans le circuit.
ALLUMAGE
Ouvrir le robinet du gaz et tourner le selectiveur dans la position désirée. Le brûleur s'allumera automatiquement. Si l'allumage n'a pas lieu, contrôler que levoyant de mise en sécurité soit allumé et, dans ce cas, tourner le selectiveur sur la position de réarmement RESET pour que la chaudière repête l'opération d'allumage. Régler ensuite la température du chauffage et de l'eau chaude sanitaire comme souhaiée en intervenant sur les selects.
RACCORDEMENT D'EVACUATION DES FUMEES
La chaudière est à combustion en,chambre etanche par rapport au milieu dans lequel elle se trouve. Elle ne nécessite donc aucune ventilation particuliere et peut memeetre installee dans des pieces de patites dimensions, des debarras, des petits ateliers. On peut envisager differentes possibltés d'evacuation des produits de la combustion et d'aspiration de l'air de I'exterieur. Deux types d'évacuation/aspiration de base sont prevus:
- evacuation/aspiration de type concentrique;
- evaporation/aspiration de type dédouble;
Des kits mis au point permettent d'effectuer le raccordement à des conduits concentriques, des conduits d'airation, des cheminées séparées, etc... Certaines solutions possibles sont représentées à la page 17.
1 Concentriques au toit C32
2 Concentriques de la terrasse C32
3 Dedoublees, a conduits séparés C42
4 Concentriques, raccordement a conduits concentriques C42
5 Concentriques, à la paroi externe C12
6 Dedoublees de la terrasse C52
7 Dedoublees a partir d'un conduit individuel C82
8 Dedoublees C62

INSTALLATION DE L'EVACUATION DES FUMEES
CONDUIT CONCENTRIQUE
Installer le coude concentrique en le positionnant dans la direction souhaitee et y enfiler le joint d'etanchete, puis installer le diaphragme approprié (voir tableau ci-dessous).
Installer les tubes d'aspiration et d'évacuation des fumées en respectant les indications du schéma d'installation correspondant. Il fautmaintirleconduitd'évacuationdesfuméeslegerementinclinéversl'extérieur.



CONDUIT DEDOUBLE

Aspiration d'air 80
CONDUIT CONCENTRIQUE CONDUIT DEDOUBLE
Longueur plus de 1 mt.
max. 1 mt. max. 3 mt.
Diaphragme Diophragme 92 mm
087 mm (standard)
Diaphragme Diophragme 92 mm
85 mm (standard)
Diaphrogme 92 mm
(standard)
Diophragme 92 mm
(standard)
MEB PLUS 20S
MEB PLUS 25 S
ONDUIT CONCENTRIQUE 4 mT
Longueur max. CONDUIT CONCENTRIQUE 4 mt
Longueur max. CONDUIT DEDOUBLE
Aspiration + Refoulement) 20 mt MEB PLUS 20 S - 24 mt MEB PLUS 25 S
L'installation d'un coude dans le raccordement de la chaudière à la cheminée cree une perte de pression.
Les valeurs du tableau indiquent une réduction de tubulure linéaire.
INSTALLATION TYPE
Conduit concentrique
MISE EN PLACE
Les chaudières sont équipées de vanne gaz à ouverture rapide. On obtient le réglage du début de gaz nécessaire au moyen d'une bobine modulante à double réglage. Le réglage de l'allumage lent (préreglé à l'usine) est de type électronique et est régliable (pour son optimisation et pour le changement de gaz) au moyen du trimmer RLA situé sur la fiche. Par contre, en agissant sur le trimmer R MAX, on peut régler la puissance thermique nécessaire à l'installation de chauffage. Toutes les chaudières quittent l'usine réglées à 70% de leur puissance maximum de chauffage. En agissant sur le trimmer timer on modifie le temps d'attente pour la remise en service de la chaudière. Tous les réglages doivent être effectuels sur la base des caractéristiques spécifique de l'appareil d'utilisation. Vérifier la pression en entrée et en sortie au moyen des prises de mesure spéciales prévues à cet effet. Lorsque le contrôle est terminé les fermer hermétiquement en utilisant les vis spéciales.
- Tourner le sélecteur des fonctions sur la position TEST. La fonction TEST reste activée pendant 15 min. maximum.
- Alimenter l'opérateur modulant en lui donnant la tension correcte.
- En tournant l'écrou B dans le sens des aiguilles d'une montre (utiliser une clé de 10mm ) la pression en sortie augmente.
Pression minimale vis A (proceder uniquely apres avoir complete le reglage de la pression maximale de sortie):
- Couper l'alimentation de l'opérateur modulant.
- En maintainant l'écrou B bloqué au moyen d'une clé, tourner la vis A dans le sens des aiguilles d'une montre pour augmenter la pression en sortie.
A la fin de réglages:
- Contraler les valeurs de la pression minimale et maximale: ajuster si nécessaire.
- Appliquer le capuchon en plastique C.
- Tourner le sélecteur des fonctions sur la position souhaitation.

REMARQUE: Pour effectuer ce réglage, il faut utiliser un manomètre à colonne d'eau et le brancher à la prise de pression.
ARRET
ARRET PROLONGE
En cas d'arrêt prolongé de la chaudière, fermer le robinet du gaz et couper l'alimentation électrique de l'appareil.
ALLUMAGE/ARRET TEMPORAIRE
Pourmettreles fonctionsde selecteur en position OFF.
REMARQUE: lorsque la chaudière est neue ou après une longue période d'arrêt, la pompe de circulation peut se bloquer; dans ce cas, il faut dévisser le bouchon antérieur et faire tourner, en utilisant un tournevis, l'arbre moteur situé au-dessous.

ENTRETIEN
Afin de conserver au produit ses caractéristiques de fonctionnalité et d'efficacité dans les limites prescrites par la législation et/ou la reglementation en vigueur, il est indispensable de soumettre l'appareil à des contrôles réguliers.
La fréquence des contrôleles dépend des conditions particulières d'installation et d'emploi. Quoi qu'il en soit, un contrôle annuel, effectué par un personnel agréé Euroterm, est préconisé. Il est important de rappeler que ces interventions sont du ressort exclusif d'un personnel en possession des qualités requises par la loi, avec une reconnaissance spécifique dans le domaine de la sécurité, de l'efficacité, de l'hygiene de l'environnement et de la combustion. Ce même personnel devra être au courant des caractéristiques constructives et fonctionnelles de l'appareil afin de garantir un entretien correct de ce dernier.
Dans le cas de travaux ou d'interventions d'entretien sur des structures situées à proximé des conduites de fumée et/ou dans les dispositifs d'évacuation des fumées et de leurs accessoires, éteindre l'appareil et, au terme des interventions, faire vérifier l'efficacité de l'appareil par un personnel qualifié.
IMPORTANT: avant d'entrepreneure toute opération de nettoyage ou d'entretien de l'appareil, intervenir sur l'interrupteur de l'appareil et de l'installation pour couper l'alimentation électrique, puis couper l'alimentation du gaz en fermant le robinet place sur la chaudière. Ceci fait, la typologie des interventions se limite aux opérations suivantes:
- elimination des dépôts d'oxydation eventuels des brûleurs;
- elimination des incrustations eventuelles des échangeurs;
- contrôle des branchements entre les différents morceaux de tube, fumée et air;
nettoyage general des tubes; - contrôle de l'aspect externe de la chaudière;
- contrôle de l'allumage, du coupage et du fonctionnement de l'appareil en phase de production d'eau chaude sanitaire et en phase de chauffage;
controle de l'etanchete des raccords et des conduites de raccordement gaz et eau; - contrôle de la consommation de gaz à la puissance maximale et minimale;
- contrôle de la position de l'électrode d'allumage;
- contrôle de la position de l'électrode de détction;
- contrôle des paramétres de combustion et de rendement;
- contrôle sécurité manque de gaz;
- contrôle sécurité évacuation des produits de la combustion;
- pression de l'installation hydraulique;
efficacité du vase d'expansion; - fonctionnement des thermostats de réglage et de sécurité;
- fonctionnement de la pompe de circulation;
- contrôle de l'absence de fuites, même minimes, de gaz de l'installation et de gaz de combustion du dispositif antirefouleur ou du raccord chaudière-carneau;
Ne pas nettoyer l'appareil et/ou certaines parties de I'appareil en utilisant des substances facilement inflammables (ex.: essence, alcohol, etc....).
Ne pas nettoyer l'habillage, les parties peintes et celles en plastique avec des diluants pour peinture.
Pour le nettoyage de l'habillage, n'utiliser que de I'eau savonneuse.
COMMANDA DISTANCE EUROTERM E 100
A la demande, Euroterm fournit une commande à distance E 100 qui permet de gérer à distance toutes les fonctions de la chaudière. Le code de la commande à distance est 1601 582. Les opérations possibles sont les suivantes:
réglages
- réglage de la température ambiente (16-24°C)
- commutation du fonctionnement ETE ou HIVER
- réglage de la température des radiateurs (35-80°C)
- réglage de la température de l'eau des sanitaires (30-60°C)
affichage
- ↑ température ambiente
- blocage de la chaudière
- fonctions de la chaudière
- messages anomalies
programmation
- programmation quotidienne ou hebdomadaire
choix du mode de fonctionnement automatique ou manuel
A la demande, Euroterm livre une sonde extérieure à relier à la commande à distance E 100 afin de permettre à la chaudière un fonctionnement modulé.
Le code de la sonde est 0904010.
FONCTIONNEMENT AVEC DIFFERENTS TYPES DE GAZ
TRANSFORMATION DU GAZ NATUREL AU GAZ LIQUIDE
Remplacer les injecteurs du brûleur, introduire le diaphragme en respectant le diagramme inclus dans le kit spécial.
Déplacer le pont JP1 situé sur la fiche de modulation de la position GAZ NATUREL à la position B-P.
Proceder ensuite au reglage proprement dit comme indique au paragraphe "REGLAGES", Page 19.
Pour le des injecteurs et la pression du gaz de service, voir tableau ci-dessous:
| Type de gaz | Pression aux injecteurs mbars | Débit | Injecteurs brûleur | P.C.I. | Classe Nox | Diaphragme gaz H | ||||||
| MEB PLUS 20 S | MEB PLUS 25 S | MEB PLUS 20 S | MEB PLUS 25 S | MEB PLUS 20 S | MEB PLUS 25 S | MEB PLUS 20 S | MEB PLUS 25 S | |||||
| min. | max. | min. | max. | m3/h | m3/h | Ø mm. | Ø mm. | kcal/m3 | Ø | Ø | ||
| GAZ NATUREL (G20-20mbar) | 1,8 | 11 | 2,4 | 13 | 2,6 | 3,1 | 1,25 | 1,25 | 8.550 | 2 | - | - |
| GAZ LIQUIDE B (G30-28/30mbar) | 4,6 | 24,3 | 5,7 | 27,5 | 0,76 | 0,89 | 0,77 | 0,77 | 29.330 | 2 | 5,2 | - |
| GAZ LIQUIDE P (G31-37mbar) | 6,7 | 31,8 | 7,6 | 35 | 1 | 1,17 | 0,77 | 0,77 | 22.360 | 2 | 5,2 | - |

COMPOSITION POUR LE FONCTIONNEMENT A GAZ LIQUIDE
ANOMALIES DE FONCTIONNEMENT
| PANNE | CAUSE | REMEDE |
| 1 L'ALLUMAGE N'A PAS LIEU | A. Robinet du gaz ferméB. Bouton-poussoir indiquant la mise en. sécuritéC. Absence de détction de la flammeD. Absence de l'étinelle d'allumageE. Présence d'air dans la tubulureF. Intervention du thermostat de sécuritéG. L'eau ne circule pasH. La température de l'eau de la chaudière est supérieure à la position du thermostat de réglage. | A. Ouvrir le robinet du gazB. Réarmer en appuyant sur le bouton-poussoirC. Inversion phase et neutreD. S'adresser au technicienE. Répéter l'allumageF. Appuyer sur le bouton-poussoir de. réarmementG. Rétablin la pression de la chaudière et contrôle le circulateurH. Mettre le thermostat de réglage sur la température souhaïée |
| 2 EXPLOSIONS LORS DE L'ALLUMAGE | A. Flamme défectueuseB. Débit du gaz insuffisant ou mal régle | A. S'adresser au technicienB. S'adresser au technicien |
| 3 ODEUR DE GAZ | A. Perte dans le circuit des tubulures (externes et internes de la chaudière) | A. Contrôler les tubulures externes. Contrôler les tubulures internes. S'adresser au technicien |
| 4 ODEUR DE GAZ NON BRULES ET MAUVAISE COMBUSTION DU BRULEUR : | A. Conduit de fumée de section ou hauteur avec raccord non approprié à la chaudièreB. Consommation excessive de gaz - La combustion n'est pas parfaitéC. Les petites flammes ont tendance à se détacherD. La flamme a les pointes jaunes | A. Remplacer les parties non conformesB. Régler le débit du gazC. Contrôler et intervenir sur le stabilisateur de pression de la vanne gazD. Vérifier que les conduites d'air et les cônes venturi du brûleur soient propres. En cas de contrôle négatif des points A-B-C-D, s'adresser au technicien |
| 5 LA CHAUDIERÉ PRODUIT DE LA CONDENSATION | A. Conduit de section ou hauteur non appropriée (dimensions excessives)B. La chaudière fonctionne à une température trop BASse | A. Remplacer les parties non conformesB. Régler le thermostat de la chaudière à une température supérieure et contrôler que le raccord du tube d'aspiration/évacuation des fumées fonctionne correctement |
| 6 RADIATEURS FROIDS EN HIVER | A. Le sélecteur des fonctions est sur la position étéB. Thermostat d'ambiance régle trop bas ou défectueuxC. Installation ou radiateurs fermésD. Circulateur bloqué | A. Mettre le sélecteur sur la position hiverB. Régler le thermostat à une température supérieure ou le remplacerC. Contrôler que les vannes de l'installation et les robinets des radiateurs soient ouverts. En cas de contrôle négatif du point C, s'adresser au technicienD. Débloquer en utilisant un tournevis et contrôler l'alimentation électricque |
NOTICE D'UTILISATION
Cherutilisateur...
....Voues venez d'entrez en possession d'un appeareil qui est le fruit d'une etude approfondie et de methodes de fabrication a l'avant-garde, en mesure de garantir un maximum de fiabilité, de suret et d'économie de fonctionnement. Nous yous invitons à dire attentivement le contenu de cette notice pour vous permettre de connaître à fond le fonctionnement de l'appareil. Nos Services Ares-Vente "EUROTERM" sont à votre disposition pour vous garantir un ENTRETIEN DE QUALITE et UNE ASSISTANCE EN TEMPS UTILE
EUROTERM
Pour l'installation et le positionnement de la chaudiere:
RESPECTER SCRUPULEUSEMENT LES NORMES LOCALES EN VIGUEUR.
INDEX
PAGE
NORMES GENERALES 26
NORMES D'UTILISATION 27
CONTROLES ET ENTRETIEN 28
INSTRUCTION D'UTILISATION 29
REGLAGE DE LA TEMPERATURE 31
ANOMALIES DE FONCTIONNEMENT 32
NORMES GENERALES
- Cette notice est partie intégrante et essentielle du produit et devra être conservée avec soin pour d'ultérieures consultations. Lire attentivement les conseils contenus dans la presente notice car ils fournissent des indications importantes sur le fonctionnement du produit, permettant de faire des économies considérables de gestion et d'entretien.
Si l'appareil avait etre vendu ou transfere chez un autre propriete, ou en cas de demenagement et changement d'appartement, s'assurer que la notice d'instructions accompagne I'appareil pour que le nouveau propriete puisse la consulter. - Cet apparéil ne devra être utilisé que pour l'usage pour lequel il a été expressément concu. Tout autre usage doit être considéré comme incorrect et par conséquent dangereux. Le fabricant ne peut être retenu responsable des dommages eventuels dus à des usages incorrectly et irraisonnables.
- Ne pas toucher les parties de la chaudière pouvant se surchauffer pendant le fonctionnement. Ces parties peuvent constituer un danger pour les enfants ou les personnes in expertes.
- Ne pas boucher les grilles d'aspiration ou de dissipation de la chaudière.
- Ne pas mouiller la chaudière avec des giclées d'eau ou d'autres liquides.
N'appuyer aucun objet sur la chaudiere. - Interdire l'utilisation de la chaudière aux enfants ou aux personnes inexpertes.
- Ne pas nettoyer la chaudiere avec des substances inflammables.
- Ne pas laisser de recipients avec des substances inflammables dans la piece de la chaudière.
- En cas de danger de gel, prendre les mesures nécessaires qui, quoi qu'il en soit, ne concernent pas le fabricant de la chaudière.
TOUTES LES OPERATIONS D'INSTALLATION, D'ENTRETIEN ET DE TRANSFORMATION DE GAZ DOIVENT ETRE EFFECTUEES PAR UN PERSONNEL AGREE ET QUALIFIE.
POUR L'INSTALLATION ET LE BON FONCTIONNEMENT, NOUS RECOMMANDONS L'UTILISATION EXCLUSIVE D'ACCESSOIRES ET DE PIECES DE RECHANGE EUROTERM.
EN CAS D'ODEUR DE GAZ, NE PAS APPUYER SUR LES INTERRUPEURS ELECTRIQUES. OUVRIR LES PORTES ET LES FENETRES. FERMER LES ROBINETS DU GAZ.
NORMES D'UTILISATION
- En cas de panne et/ou de mauvais fonctionnement, arrêté l'appareil. Ne pas essayer de le réparer ou d'intervir directement. S'adresser exclusivement à un personnel qualifié. La réparation eventuelle des produits ne sera prise en charge que par un Centre de Service Àpres-Vente "EUROTERM" agréé par le fabricant qui n'utilisa que pieces de rechange originales. Le non-respect des instructions mentionnées plus haut peut compromètre la sécurité de l'appareil. Pour garantir l'efficacité de l'appareil et pour son bon fonctionnement, il est indispensable de se conformer aux instructions du fabricant et de faire effectuer l'entretien périodique de l'appareil par un personnel qualifié.
- Au premier allumage et périodiquement, contrôle sur l'hydrometre la pression hydrique de l'installation et vérifier, lorsque l'installation est froide, que l'indication soit comprise dans les limites prévues par le fabricant: en cas de baisses de pression, s'adresser à un personnel qualifié.
- Apre s ch aque reouverture du robinet du gaz, attendre quelques minutes avant de rallumer la chaudiere.
- Ne pas laisser la chaudière branchée en cas de longue période d'inactivité: dans ce cas, fermer l'alimentation du gaz, électrique et de l'eau en agissant sur les robinets et sur les interrupteurs.
Si vous avez decide de ne plus utiliser l'appareil, il faut rendre inoffensives les parties pouvant constituer une source de danger.
Si vous avez decide d'arreter definitivement la chaudiere, faire efectuer les operations nécessaires par un personnel qualifie, en s'assurant entre autres que les reseaux d'alimentation soient debranchés.
Pour l'alimentation electrique de la chaudiere, il est interdit d'utiliser des adaptateurs, des prises multiples ou des rallonges. Prévoir, par conséquent, l'utilisation d'un interrupteur conforme aux normes de sécurité en vigueur.
L'emploi d'appareils qui utilisent l'énergie électrique implique l'observation de régles fondamentales telles que:
a) ne pas toucher l'appareil avec des parties du corps mouillées ou pieds nus;
b) ne pas tirer les cables electriques;
c) ne pas exposer l'appareil aux agents atmosphériques;
d] interdire l'utilisation de I'appareil aux enfants et aux personnes in expertes.
- En cas de travaux effectuels près du conduit de fumée, éteindre la chaudière: à la fin des travaux, faire contrôler l'efficacité de l'évacuation des fumées par un personnel qualifié.
En cas d'odeur de gaz, ne pas actionner les interrupteurs electriques. Ouvrir les portes et les fenêtres. Fermer les robinets du gaz et s'adresser à un personnel qualifié.
CONTROLES ET ENTRETIEN
Avant de metre la chaudiere en marche, faire controller par un personnel qualifie "EUROTERM"
a) que les données reportées sur la plaque correspondent à celles des reseaux d'alimentation gaz, électricité et eau;
b) que les tuyauteries partant de la chaudiere soient pourvues de gains calorifuges appropriées;
c) le bon fonctionnement du carneau montant;
d) que l'aspiration de l'air et l'évacuation des fumées s'effectuent correctement et en conformité avec les normes en vigueur;
e) que la ération et l'entretien ordinaire soient garantis en cas d'encastrement dans des meubles.
La transformation d'un gaz d'un logement (methane ou B/P) au gaz d'un autre logement, qui peut etre effectue meme si la chaudiere est déjà installee, ne doit etre efectuée que par un personnel qualifie.
- Contrôler que l'installateur ait bien raccordé les évacuations de sécurité de la chaudière et du chauffe-eau à un entonnoir d'évacuation. Dans le cas contraire, en cas d'intervention des soupapes de sécurité, les locaux pourraient être inondés. La responsabilité du fabricant ne pourrait être mise en cause.
Faire contrcler que les tuyauteries de l'installation ne soient pas utilisées comme prise de terre pour d'autres installations: elles ne sont pas appropriees a cet usage et pourraient, entre autres, provoquer en peu de temps de graves dommages aux apparciels concernés.
Faire contrôler par un personnel qualifié "EUROTERM":
a) la tenue interne et externe de I'installation d'adduction du gaz;
b) que le débit du gaz soit celui requis par la puissance de la chaudière;
c) que la chaudiere soit alimentee par le type de gaz pour lequel elle a ete prdisposee;
d) que la pression d'alimentation du gaz soit comprise entre les valeurs indiquées sur la plaque de la chaudière;
e) que l'installation d'adduction du gaz soit de dimension et qu'elle soit équipée de tous les dispositifs de sécurité et de contrôle prévus par les normes en vigueur.
Faire contrcler periodiquement le fonctionnement et l'integrité du conduit d'évacuation des fumées.
Faire contrcler par un personnel qualifie que I'installation electrique soit appropriee a la puissance de I'appareil.
Le cable d'alimentation ne doit pas etre remplace par l'utilisateur; mais exclusivement par un personnel qualifie.
L'appareil n'est sur du point de vue electrique que s'il est correctement branché sur une installation de mise à la terre efficace, effectue en conformite avec les normes de sécurité en vigueur. Il est nécessaire de faire contrcler cette condition de sécurité par un personnel qualifié, car le fabricant n'est pas responsable des dommages eventuels provoqués par une installation non équipée de prise de terre.
IMPORTANT
À la limite toute la d'installation les executions qu'il est nécessaire dans les 15 jours d'appeler le assistance central autorisé EUROTERM de la zone afin d'effectuer la vérification les commence de la chaudière. Elle dicte la vérification qu'il est indispensable pour l'attivazione de la garantie et est complètement libre.
INSTRUCTION D'UTILISATION

TABLEAU DE COMMANDE
Lors du blocage de la chaudiere, restaurer les conditions de depart en actionnant le selector 6 jusqu'à la position de réarmement A (RESET)
1Voyant d'arret
5 Potentiometre de reglage de I'eau chaude sanitarie
2 Voyant ON/OFF
6 Selecteur fonctions
3 Voyant de signalation d'une anomalie
7 Thermo-hydromètre (7a température de l'eau, 7b pression de l'eau)
RETABLISSEMENT DE LA PRESSION DE L'INSTALLATION DE CHAUFFAGE
Contrer periodique la pression de I'eau de I'installation. Laiguille de l'hydrometre (7b) doit indiquer une valeur comprise entre 1 et 1,5 bar. Si la pression est inférieure a 1 bar lorsque I'installation est froide, il est nécessaire de la rétablit comme suit:
- Eteindre la chaudiere en tournant le selecteur 6 en position OFF (ARRET).
- Ouvrir le robinet de replissage situé dans la partie inférieure droite de la chaudière (19 page 15) jusqu'à atteindre les valeurs précités.
- FERMER LE ROBINET UNE FOIS L'OPERATION ACHVEE.
- Remetre le selecteur 6 dans la position voulue.
N.B. Si la pression descend a 0 bar, l'anomalie est signalee par le voyant orange (3).
PURGE DE LA CHAUDIERE
- Mettre la chaudiere hors tension.
- La purger à l'aide du robinet de purgege spécial situé dans la partie inférieure droite de la chaudière (28 page 15).
PROTECTION ANTIGEL
La chaudière est normalement protégée par un système automatique de protection contre le gel mais, en cas d'extinction de l'installation pendant une période de froid intense, il faut ajouter un liquide antigel dans l'eau de l'installation de chauffage ou purger l'installation.
MISE SOUS TENSION DE LA CHAUDIERE
Avant la mise sous tension, vérifier que l'installation est pleine d'eau en contrôle que l'aiguille de l'hydromètre (7b) indique une pression de 1 - 1,5 bar (si elle est inférieure, proceder comme indiqué au Rétabillisement de la pression de l'installation)
- Ouvrir le robinet de gaz en冲动 de la chaudière.
- Mettre la chaudiere sous tension en appuyant sur l'interrupteur en amont de la chaudiere.
- Tourner la manette du selector de fonctions (6) pour selectionner la position ETE ou la position HIVER (voyant vert allumé).
- A chaque demande de chauffage ambient ou de production d'eau chaude, la chaudière s'allume automatiquement.
EXTINCTION DE LA CHAUDIERE
Pour eteindre la chaudiere pendant des periodes de courte durée, deplacer le selecteur de fonctions 6 en position OFF (le voyant vert s'eteint).
En revanche, pour eteindre la chaudiere pendant une pereode prolongee, il est conseillé de couper egalament la tension a l'appareil en appuyant sur l'interrupteur a l'extérieur de la chaudiere et de fermer le robinet de gaz.
DEBLOCAGE DE LA CHAUDIERE
Si le brûleur ne s'allume pas dans les 10 secondes suivant la demande de chaleur, la chaudière "se bloque" et levoyant rouge (1) de signalisation du blocage s'allume.
Pour faire redémarrer la chaudière : attendre 20 secondes, déplacer le/selecteur de fonctions (6) en position reset (A) pour le remettre sur la fonction voulue (ETE ou HIVER). Le voyant rouge s'éteint.
N.B. Au premier allumage et après des périodes d'inactivité prolongée, la chaudière peut se bloquer. Agir comme indiqué ci-dessus pour «la débloquer».
SIGNALISATION DU BLOCAGE DE LA CHAUDIERE
Levoyant rouge (1) signale I'eventuel blocage de la chaudiere:
- lumière fixe : blocage d'au fait que le brûleur ne s'est pas allumé. Débloquer comme indiqué au paragraphe deblocage de la chaudière (Si cet inconvenient se présente fréquemment, demander l'intervention du Centre d'Assistance EUROTERM)
- Clignotement lent: blocage du au déclenchement du thermostat de surchauffe de l'eau. Laisser refroidir et débloquer comme indiqué au paragraphe déblocage de la chaudière (Si cet inconvenient se présente fréquement, demander l'intervention du Centre d'Assistance EUROTERM)
REGLAGE DE LA TEMPERATURE
SELECTEUR DE FONCTIONS
Le selecteur de fonctions 6 a cinq positions :
OFF : chaudiere eteinte, voyant vert (2) eteint (attention : la carte electronique reste de toute façon sous tension)
:chaudiere en position ETE,voyant vert (2) allumé
:chaudiere en position HIVER,voyant vert (2) allumé
reset : position de déblocage de la chaudière
test : chaudière toujours à la puissance maximum. Sert au technicien pour les réglages. Ne doit pas être laxé dans cette position pendant le fonctionnement normal.
POSITION ETE/HIVER
- La chaudière en position HIVER fonctionne à la fois pour le chauffage ambiant et pour le chauffage de l'eau sanitaire.
- Avec la chaudière en position ETE, le chauffage ambient est exclu et la chaudière fonctionne seulement pour chauffer l'eau Sanitaire.
La selection doit être effectuee en intervenant sur la manette du selecteur 6 (ou sur la commande a distance E 100 si installee).
REGLAGE DE LA TEMPERATURE DE L'EAU SANITAIRE
- Sélectionner la température voulue dans le bouilleur à l'aide du potentiamètre 5 (ou sur la commande à distance E 100 si reliée). Lorsque la distribution des 65 litres d'eau contenus dans le bouilleur (à la température selectionnée) s'achève si le prélevement continue, la chaudière fonctionnera en production instantanée jusqu'à la fin du prélevement à une température supérieure de 30/32^ par rapport à celle de l'aqueduc.
NB.: pour éviter toute formation excessive de calcaire, il est conseilé de selectionner des températures moyennes (43 / 45^) pendant l'utilisation quotidienne de l'appareil (ou faire installer un adoucisseur).
ATTENTION : la chaudière a une fonction de protection contre la légionellose quiporte automatiquement la température du bouilleur à 60^ tous les sept jours dans le but d'eviter la formation de cette bacterie.
DEBIT D'EAU CHAUBE SANITAIRE
La chaudière a un limiteur de debit à reglage fixe de 12 litres maximum à la minute (et ce, pour pouvoir maintainir une température d'eau adéquate lorsqu'on continue de prélever de l'eau une fois la distribution de l'accumulation terminée).
REGLAGE DE LA TEMPERATURE DE CHAUFFAGE
Chaudiere reliée à la commande à distance E 100
- Sélectionner la valeur de température que l'eau des radiateurs doit atteindre à l'aide de la commande à distance E 100 (voir le livre d'instructions correspondant).
- Sélectionner la valeur de température ambiente à l'aide de la commande à distance E 100 (voir le livre d'instructions correspondant)
Chaudiere reliée à un thermostat ambiant ou chronothermostat
- Sélectionner la valeur de température que l'eau des radiateurs doit atteindre à l'aide de la manette du potentiomètre chauffage 4.
- Sélectionner la valeur de température ambiente voulue sur le chronothermostat.
N.B. Si les locaux n'atteignent pas la température ambiente régée sur le chronothermostat, selectionner une température plus élevé pour l'eau des radiateurs
Chaudiere n'etant reliée àaucun dispositif de réglage ambient
- Sélectionner la valeur de température que l'eau des radiateurs doit atteindre à l'aide de la manette du potentiomètre chauffage 4.
ANOMALIES DE FONCTIONNEMENT
| PANNE | CAUSE | REMEDE |
| 1 L'ALLUMAGE N'A PAS LIEU | A. Robinet du gaz ferméB. Bouton-poussoir indiquant la mise en sécuritéC. Absence de détction de la flammeD. Absence de l'étincelle d'allumageE. Préstance dans la tubulureF. Intervention du thermostat de sécurité | A. Ouvrir le robinet du gazB. Réarmer en appuyant sur le bouton-poussoirC. S'adresser au technicienD. S'adresser au technicienE. Répéter l'allumageF. Attendre que la température descendé |
| 2 EXPLOSIONS LORS DE L'ALLUMAGE | A. Flamme défectueuseB. Débit du gaz insuffisant ou mal régle | A. S'adresser au technicienB. S'adresser au technicien |
| 3 ODEUR DE GAZ | A. Perte dans le circuit des tubulures (externes et internes de la chaudière) | A. S'adresser au technicien |
| 4 ODEUR DE GAZ NON BRULES ET MAUVAISE COMBUSTION DU BRULEUR | A. Conduit de fumée de section ou hauteur avec raccord non approprié à la chaudièreB. Consommation excessive de gaz - la combustion n'est pas parfaitC. Les petites flammes ont tendance à se détacher ou ont les pointes jaunes | A. S'adresser au technicienB. S'adresser au technicienC. S'adresser au technicien |
| 5 LA CHAUDIERÉ PRODUIT DE LA CONDENSATION | A. Conduit de fumée de section ou hauteur non appropriée (dimensions excessives)B. La chaudière fonctionne à une température trop BASSE | A. S'adresser au technicienB. Régler le thermostat de la chaudière à une température supérieure |
| 6 RADIATEURS FROIDS EN HIVER | A. Le.selecteur des fonctions est sur la position étéB. Thermostat d'ambiance régle trop bas ou défectueuxC. Installation ou radiateurs fermésD. Témoin manque d'eau allumé | A. Mettre le.selecteur sur la position hiverB. Régler le thermostat à une température supérieure ou le remplaçercC. Contrôler que les vannes de l'installation et les robinets des radiateurs soient ouverts. En cas de contrôle négatif du point C, s'adresser au technicienD. S'adresser au technicien |
Notice Facile