PHR6 - Pompe à chaleur TECHNIBEL - Notice d'utilisation et mode d'emploi gratuit
Retrouvez gratuitement la notice de l'appareil PHR6 TECHNIBEL au format PDF.
| Type d'appareil | Pompe à chaleur avec équipement hydraulique |
| Fluide frigorigène | R 410 A |
| Capacité thermique | Non précisé |
| Puissance électrique | Non précisé |
| Alimentation électrique | Non précisé |
| Dimensions (L x H x P) | Non précisé |
| Poids | Non précisé |
| Niveau sonore | Non précisé |
| Type de compresseur | Non précisé |
| Débit hydraulique | Non précisé |
| Température de fonctionnement | Non précisé |
| Utilisation | Chauffage et climatisation |
| Installation | Extérieure |
| Garantie | Non précisé |
| Maintenance | Non précisé |
| Accessoires fournis | Non précisé |
FOIRE AUX QUESTIONS - PHR6 TECHNIBEL
Questions des utilisateurs sur PHR6 TECHNIBEL
0 question sur cet appareil. Repondez a celles que vous connaissez ou posez la votre.
Poser une nouvelle question sur cet appareil
Téléchargez la notice de votre Pompe à chaleur au format PDF gratuitement ! Retrouvez votre notice PHR6 - TECHNIBEL et reprennez votre appareil électronique en main. Sur cette page sont publiés tous les documents nécessaires à l'utilisation de votre appareil PHR6 de la marque TECHNIBEL.
MODE D'EMPLOI PHR6 TECHNIBEL
(Etiquette signalétique)
PHR 6 / 20
PHR 6
PHR 8
PHR 11
PHR 15
PHB 17
PHR 20


Pompe à chaleur avec équipement hydraulique - Fluide réfrigérant R 410 A
1 - Généralités 2
2 - Présentation 3
3 - Mise en place 5
4 - Raccordements 5
5 - Fonctionnement de la régulation électronique "ECH". 7
6 - Accessoires 13
7 - Mise en service 15
8 - Instructions de maintenance 16
9 - Dépannage 16
10-Courbes des circulateurs 17
11 - Courbes de pression 17
12 - Schémas électriques 20
APPAREILS CHARGÉS AU R 410 A
R 410 A
- Le R 410 A est un fluide frigorigène haute pression (+ 50% par rapport au R 22 et au R 407 C).
- Les compresseurs approuvés pour fonctionner avec ce fluide sont spécifiques et précharges d'huile polyolester.
Cette huile, contrairement à l'huile minérale, est très hygroscopique : elle absorbe très rapidement l'humidité de l'air ambient, ce qui peut ALTERer fortement ses capacité lubrifiantes et entraîner, à terme, la destruction du compresseur.
INSTRUCTIONS DE MAINTENANCE
1 - Ne jamais rajouter de l'huile dans l'appareil ; le compresseur est chargé d'une huile spécifique, polyolester (POE), qui ne tolère pas la présence d'autres types d'huiles.
2 - Les instruments utilisés pour :
- la charge,
- la mesure des pressions,
- le tirage au vide,
- la recupération du fluide, doit être compatibles et uniquement utilisés pour le fluide R 410 A.
Nota : les prises de pression du circuit frigorifique sont en 5/16 SAE (1/2 - 20 - UNF)
3 - Dans le cas d'une nouvelle charge :
- La charge doit impératifement être réalisée en phase liquide,
- utiliser une balance et une bouteille de R 410 A à tube plongeur,
- charger le poids de R 410 A suivant la valeur indiquée sur la plaque signalétique de l'appareil (pour les "split system", voir la notice d'installation car la charge doit tener compte de la longueur des liaisons).
4 - En cas de fuite, ne pas compléter la charge : récapérer le fluide restant pour le recyclage et refaire la charge totale. La récapération, le recyclage ou la destruction du fluide, devront se faire en accord avec les lois en vigueur dans le pays concerné.
5 - En cas d'ouverture du circuit frigorifique, il est impératif : - d'éviter au maximum la pénétration de l'air ambient dans le circuit,
- de remplacer ou d'installer un déshydrateur,
- de réaliser le "tirage au vide" à un niveau minimum de 0,3 mbar (statique).
6 - Ne pas décharger le fluide R 410 A dans l'atmosphère. Ce fluide est un gaz fluoré à effet de serre, couvert par le protocole de Kyoto, avec un potentiel de chauffage global (GWP) = 1975 - (Directive CE 842 / 2006).
1 - GÉNÉRALITÉS
1.1 - CONDITIONS GÉNÉRALES DE LIVRAISON
- D'une façon générale, le matériel voyage aux risques et péris du destinataire.
- Celui-ci doit faire immédiatement des réserves écrites auprès du transporteur s'il constate des dommages provoqués au cours du transport.
- Avant toutes interventions sur l'appareil, installation, mise en service, utilisation, maintenance, le personnel en charge de ces opérations devra connaître toutes les instructions et recommandations qui figurent dans cette notice d'installation ainsi que les éléments du dossier technique du projet.
- Le personnel charge de la réception de l'appareil, devra faire un contrôle visuel pourmettre en évidence tout dommage qu'aurait pu subir l'appareil pendant le transport : circuit frigorifique, armoire électrique, chassin et carrosserie.
- L'appareil doit être installé, mis en service, entretenu, dépanné par du personnel qualifié et habilité, conformément aux exigences des directives, des lois, des réglementations en vigueur et suivant les règles de l'art de la profession.
- Pendant les phases d'installation, de dépannage, de maintenance, il est interdit d'utiliser les tuyauteries comme marchepied : sous la contrainte, la tuyauterie pourrait se rompre et le fluide frigorigène pourrait entrainer de graves brûlures.
1.3 - TENSION
- Avant toute opération, vérifier que la tension plaquée sur l'appareil corresponde bien à celle du réseau.
- Avant d'intervenir sur l'installation, vérifier que celle-ci est hors tension et consignée.
1.4 - USAGE
- Cet apparéil est destiné à la climatisation de locaux.
1.5 - CONDITIONS D'UTILISATION
- Voir les caractéristiques techniques, les conditions nominales et les limites de fonctionnement dans la notice technique.
2 - PRÉSENTATION
2.1 - DESCRIPTION
1 - Compresseur hermétique capôt.
2 - Echangeur à eau à plaques.
3 - Echangeur à air plate-fin.
4 - Motoventilateur.
5 - Grille de protection ventilateur.
6 - Coffret electrique.
7 - Clavier afficheur de la régulation électronique.
8 - Circulateur.
9 - Vase d'expansion.

PHR 6 PHR 8
10 - Soupape de sécurité.
11 - Manometre.
12 - Raccord entree d'eau.
13 - Raccord sortie d'eau.
14 - Remplissage / vidange du circuit d'eau.
15 - Purgeur d'air.
16 - Passage des cables électriques.
Matériaux :
-Tuyauterie en cuivre.
- Carrosserie en tôle galvanisée peinte.
- Echangeur à air cuivre/aluminium.
- Echangeur à eau inox.
- Grilles plastique.

PHR 11
PHR 15
PHR 17
PHR 20


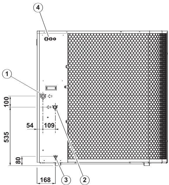
| 1 | Raccordement entrée d'eau 3/4" mâle avec purgeur d'air |
| 2 | Raccordement-sortie d'eau 3/4" mâle |
| 3 | Remplissage / vidange circuit d'eau 1/2" mâle |
| 4 | Passage des câbles électriques |



| 1 | Raccordement entrée d'eau 1" môle avec purgeur d'air |
| 2 | Raccordement-sortie d'eau 1" môle |
| 3 | Remplissage / vidange circuit d'eau 1/2" môle |
| 4 | Passage des câbles électriques |



- Indice de protection de l'appareil: IP 24.
-
Sélectionner l'emplacement de l'appareil en fonction des critères suivants :
-
l'appareil doit être installé à l'extérieur,
- il est interdirit d'installer l'appareil à proximé :
. d'une source de chaleur,
. de matériaux combustibles,
. d'une bouche de reprise d'air d'un batiment adjacent.
- il est nécessaire que l'espace libre autour de l'appareil soit respecté (voir les cotes minimum sur le dessin ci-contre),
- l'installation doit être simple et permettre des interventions d'entretien aisees,
- l'appareil doit être fixé sur un socle en dur et être préserve des risques d'inondation,
- il est important de surelever l'appareil d'environ 100 mm du sol pour faciliter l'évacuation des condensats de la cuve et éviter la prise en glace, ou éventuelles pour raccorder l'évacuation des condensats (voir ci-après),
- utiliser les plots antivibratiles fournis, en veillant à ne pas trop les comprimer lors du serrage des vis de fixation,
- veiller à ne pas diriger le soufflage en direction des fenêtres environnantes,
- veiller à ne pas transmettre le bruit et les vibrations au batiment,
-éviter:
. une trop grande exposition à l'air salin ou à du gaz sulfurique,
. la proximé de ventilateurs d'extraction,
. les projections de boue (pres d'un chemin par exemple),
. les endroits à vent fort contraire à la sortie d'air de l'appareil.

| A (m) * | |
| PHR 6/8 | 0,15 |
| PHR 11/15/17/20 | 0,25 |
-
Cette dimension ne tient pas compte des cas suivants :
-
Installation du filtré hydraulique avec deux vannes d'isolement positionnés droits derrière l'appareil : prévoir 0,30 m.
- Installation d'un coffret réchauffeur derrière l'appareil : prévoir 0,25 m.
EVACUATION DES CONDENSATS
- Si nécessaire, utiliser l'accessoire livre pour le raccordement des condensats.
- La cuve est équipée de 2 troughs d'évacuation (un de chaque côte).
Pour raccorder les condensats,mettre le coude cannelé dans un des trous, selon l'inclinaison de l'appareil ou le cote préfééré, et boucher l'autre trou à l'aide de la cape plastique.
- Dans ce cas, il faut protéger la cuve et la canalisation d'évacuation contre le gel.

4 - RACCORDEMENTS
4.1 - DÉMONTAGE DE L'APPAREIL
- Pour enlever le panneau l'atéral A :
enlever les 3 vis de fixation B,
- descendre le panneau (1) en utilisant la poignée C,
- tirer la partie inférieure du panneau vers soi (2).


4.2 - RACCORDEMENT HYDRAULIQUE
Raccorder les tuyauteries d'eau sur les raccords correspondants. Voir les et le positionnement a la page 4.
- Monter le filtré hydraulique fourni sur l'entrée d'eau. Le raccorder avec 2 vannes d'isolement pour permettre son nettoyage.
- Dans le cas d'utilisation du raccord de replissage / vidange, installer une vanne d'isolement.
NOTE :
Des accessoires "Flexibles de raccordement d'eau" peuvent être utilisés (voir chapitre accessoires).
4.3 - RACCORDEMENT ÉLECTRIQUE
4.3.1 - GÉNÉRALITÉS :
- La tolérance de variation de tension acceptable est de: ± 10% pendant le fonctionnement.
- Les canalisations de raccordement électriques doivent être fixes.
- Utiliser les serre-cables placés derrière l'appareil et amener les fils sous la platine électrique, au niveau des borniers de raccordement.
Appareil de classe 1. - L'installation électrique doit être réalisée en conformité avec les normes et réglementations en vigueur (notamment NF C 15-100 ≈ CEI 364).
4.3.2 - ALIMENTATION GÉNÉRALE
- L'alimentation électrique doit provenir d'un dispositif de protection électrique et de sectionnement (non fourni) en conformité avec les normes et réglementations en viqueur.
- La protection doit être assurée par un disjoncteur bipolaire (non fourni). Voir les calibres dans le tableau des intensités ci-dessous.
Nota :
L'appareil est prévu pour un raccordement sur une alimentation générale avec régime de neutre TT (neutre à la terre), ou TN.S (mise au neutre) selon NF C 15-100.
CABLE D'ALIMENTATION
- Section en 230V/1/50Hz : 3 G 2,5 mm² pour PHR 6.
:3G 4mm^2 pour PHR 8 et 11.
- Section en 400V/3N/50Hz : 5 G 2,5 mm² pour PHR 8 ,11 , 15 , 17 et 5 G4 mm² pour PHR 20.
- Les sections données sont indicatives. Celles-ci doivent etre verifiées et adaptees si besoin est, selon les conditions d'installation et en fonction des normes en vigueur.
- Raccorder suivant les schémas électriques sur le bornier de puissance.
INTENSITÉS ABSORBÉES
| PHR 6230/1/50 | PHR 8230/1/50 | PHR 8400/3N/50 | PHR 11230/1/50 | PHR 11400/3N/50 | PHR 15400/3N/50 | PHR 17400/3N/50 | PHR 20400/3N/50 | |
| Intensité nominale | A | 10 | 14,3 | 6 | 17,4 | 7,4 | 10 | 11 |
| Intensité maxi. | A | 11,5 | 18 | 8 | 23 | 10 | 13 | 14 |
| Intensité de démarrage | A | 29 | 32 | 35 | 36 | 48 | 64 | 74 |
| Calibre de protection | A | 16 | 20 | 12 | 25 | 12 | 16 | 20 |
ATTENTION :
Dans le cas d'une alimentation en triphase, avant la mise en service, s'assurer de l'ordre correct de rotation des phases. En effet, si cet ordre n'est pas respecté, le compresseur tourne à l'envers (et émet un bruit anormal). Pour.Remédier à cela, il suffit d'intervertir 2 phases.
4.3.3 - COMMANDE PAR CONTACTS EXTERIEURS
-
La machine est cablede'usine pour fonctionner en mode chauffage. Il est possible de commander l'appareil à distance en raccordant 2 contacts extérieurs (non fournis) libres de potentiel et de bonne qualite :
-
1 pour le signal Marche/Veille à distance (contact fermé = fonctionnement autorisé, contact ouvert = mise en voille),
-
1 pour l'inversion du mode de fonctionnement (contact fermé = modeCHAuffage, contact ouvert = mode refroidissement).
-
Le signal Marche/Veille se raccorde sur les bornes 1 et 2 du circuit imprimé dans le coffret électrique (enlever le pont existant - voir schéma).
- Le signal d'inversion de mode se raccorde sur les bornes 3 et 4 du circuit imprimé (enlever le pont existant - voir schéma).
- Le cable de raccordement de ces contacts ne doit pas cheminer à proximé de cables de puissance pour éviter les risques de perturbations electromagnétiques.
- Utiliser du cable blindé avec paires torsadées (blindage mis à la terre côte générateur).
- Longueur maxi. du câble: 100 m.
Section mini: 0,5mm^2
ATTENTION :
Le changement de mode (chauffage/refroidissement) ne doit se faire que machine arrêtée.

(*) Pont à enlever
4.3.4 - COMMANDE À DISTANCE
- Voir paragraphe accessoires.
4.3.5 - DIVERS
Report alarmes :
Contact inverseur libre de potentiel (2A résistif - 250 VAC maxi.) à disposition sur le bornier de l'appareil (bornes 5 (commun), 6 et 7 du circuit imprimé) pour signalisation à distance. Voir schéma.
-
En cas d'alarme :
-
contact ouvert entre les bornes 5 et 6,
- contact fermé entre les bornes 5 et 7.
5 - FONCTIONNEMENT DE LA RÉGULATION ÉLECTRONIQUE “ECH”
- Voir schémas électriques en fin de notice.
5.1 - ÉTAT DE LIVRAISON
- La régulation est livrée montée dans la machine et préreglee en usine.
- Tous les raccordements sont effectuels sauf ceux concernant les signaux à disposition ou les options.
5.2 - PRINCIPLE
- Le microprocesseur gère le fonctionnement de la machine et des alarmes s'y rapportant.
Il compare en permanence la température de l'eau mesurée par la sonde SD1 et la valeur de la température de consigne rentrée par l'intermédiaire du clavier.
Chaque demande de fonctionnement élaborée par la régulation est signalée par levoyant (6) (voir ci-après).

Celui-ci clignote si une temporisation de sécurité est en cours. Il passe en allumage permanent lorsque le comprésur fonctionne.
D'usine la sonde SD1 de régulation est placée sur l'entrée d'eau.
- Le régulateur est connecté sur une carte circuit imprimé permettant le câblage des entrées et sorties.
Sur cette carte se trouve :
- le transformateur d'alimentation 12 V,
- le relais du report d'alarme,
- le fusible de protection du circuit 230 V (4 A - 250 V - 5x20 - rapide - pouvoir coupure : 1,5 kA).
5.3 - PRÉSENTATION
5.3.1 - CLAVIER AFFICHEUR
(1) Touche pour :
- Marche / Arret en commande locale,
- accès aux paramètres (en combinaison avec la touche (2)),
- effacement alarme,
- remise à zéro compteur hora.
(2) Touche pour :
- Sélection du mode de fonctionnement (chauffage / refroidissement) en commande locale (fonction activée par paramétrage spécial, voir paragraphe 5.8),
- accès aux paramètres (en combinaison avec la touche (1)).
(3) Afficheur LED.
(4) Voyant mode refroidissement.
(5)Voyant mode chauffage.
(6)Voyant marche compresseur.
(7)Voyant degivrage.
(8)Voyant marche resistance antigel.
(9) Point decimal : en affichage des temps de fonctionnement, indique que la valeur doit etre multipliee par 100.

| Température (°C) | Valeur Ohmique (Ohm) |
| -20 | 67 740 |
| -10 | 42 450 |
| 0 | 27 280 |
| 10 | 17 960 |
| 20 | 12 090 |
| 25 | 10 000 |
| 30 | 8 313 |
| 40 | 5 820 |
| 50 | 4 161 |
| 60 | 3 021 |
| 70 | 2 229 |
5.4 - MODES DE FONCTIONNEMENT
- La machine est cablede'usine pour fonctionner en mode chauffage.
-
Il est possible de commander le basculement du mode de fonctionnement (chauffage / refroidissement) à distance au moyen d'un contact extérieur non fourni raccordé à l'appareil (voir détails au paragraphe 4.3.3):
-
contact ouvert = refroidissement - contact fermé = chauffage.


5.5 - MISE EN SERVICE
L'appareil est configuré d'usine pour une commande à distance par contacts (voir autres possibités au paragraph 4.3.3).
-
Etat initial :
-
la machine est raccordée hydrauliquement et électriquement, et est prête à fonctionner,
- le contact de sélection à distance du mode de fonctionnement est dans la position désirée (chauffage ou refroidissement),
-
le contact de mise en veille à distance est ouvert ( = veille).
-
Mettre l'installation sous tension :
-
l'afficheur s'allume et fait apparaitre la température d'eau (lue par la sonde SD1 de régulation). Les voyants de mode (4) et (5) clignotent pour signaler la mise en voille à distance,
-
la pompe de circulation de l'appareil démarre.
-
Pour démarrer l'appareil :
-
fermer le contact de mise en veille à distance éventuel (hors fourniture) si celui-ci a été raccordé (voir paragraphe 4.3.3),
-
levoyant correspondant au mode sélectionné s'allume alors :
-
voyant (4): Refroidissement,
-
voyant (5): Chauffage.
-
le voyant de signalisation du fonctionnement compresseur (6) s'allume si cela est nécessaire (voir diagramme paragraphe 5.4). Le clignotement signale que le compresseur est en demande mais qu'une temporisation de sécurité est en cours. Ce voyant passé en feu fixe lorsque le compresseur a démarré.
-
Pour arrêtier l'appareil :
-
ouvrir le contact de mise en veille à distance,
- le voyant de signalisation du fonctionnement compresseur (6) s'esteint et les voyants de mode de fonctionnement (4) et (5) clignotent,
-
la pompe de circulation de l'appareil reste en fonctionnement.
-
Arrêt complet :
-
il est possible d'obtenir un arrêt complet de l'appareil avec arrêt de la pompe de circulation en appuyant sur la touche ON/OFF (1) pendant 2 secondes. À ce moment l'afficheur s'éteint, seul le voyant decimal (9) reste allumé. Cet arrêt est prioritaire.
Nota :
L'arrêt de la pompe de circulation est temporisé de 1 minute après l'arrêt du compresseur.
ATTENTION :
il est recommandé d'arrête l'appareil pendant quelques minutes avant d'effectuer un changement de mode de fonctionnement (chauffage <----> refroidissement).

5.6 - PARAMÉTRES - VISUALISATION ET REGLAGES
5.6.1 - GÉNÉRALITES
- L'accès aux paramètres est structuré selon un menu responsable plusieurs niveaux, voir diagramme ci-après. L'appui simultané court (inférieur à 2 secondes) sur les 2 touches "ON/OFF" (1) et "Mode" (2) permet d'avancer vers un niveau supérieur. L'appui simultané long (supérieur à 2 secondes) permet de revenir vers le niveau précédent.


- L'appui sur la touche (1) ou la touche (2) permet de faire defiler les rubriques ("Label") sur un même niveau ou d'incrementer ou déprénter une valeur de paramètre.
5.6.2 - DIAGRAMME D'ACCÉS AUX PARAMÉTRES

(*) Accessible au personnel qualifié uniquement après avoir rentré le mot de passer (par PSS).
Nota 1:
Le passage aux niveaux 1 et supérieurs est signalé par le clignotement des voyants (6), (7), (8).
Nota 2 :
Le retour à l'affichage normal (niveau 0) se fait automatiquement au bout de 5 minutes sans action sur les touches.
5.6.3 - RÉGLAGE DES POINTS DE CONSIGNE
Appuyer simultanement pendant moins de 2 secondes sur les 2 touches (1) et (2), le message "SET" s'affiche.
Appuyer de nouveau sur les 2 touches, de la meme facon le message "Coo" s'affiche. A l'aide de la touche (1) ou (2), afficher le message desirede "HEA" ou "Coo" correspondant à la consigne chauffage ("HEA") ou refroidissement ("Coo").
Appuyer de nouveau simultanement sur les 2 touches pendant moins de 2 secondes. La valeur de la consigne apparait. La modifier alors si besoin avec les touches.
- Appuyer simultanément sur les 2 touches pour valider la valeur de consigne.
Le retour à l'affichage normal se fait par appuis simultanés longs (supérieurs à 2 secondes) sur les 2 touches.
Rappel: régulation sur la température de retard installation.
Note : La configuration et le paramétrage de chaque machine sont faits en usine pour un fonctionnement optimal, dans l'application plancher.
| Code | Paramètres | Réglage pour plancher | Plage réglage |
| HEA | Consigne chauffage | 35°C | 20 à 35°C |
| Coo | Consigne refroidissement | 23°C | 18 à 30°C |
5.6.4 - VISUALISATION DES TEMPERATURES, ALARMES ET COMPTEURS HORAIRES
Accessible directement par le menu, voir diagramme 5.6.2.
- Températures "TP":
Permet de dire les valeurs indiquées par chaque sonde de température :
t01: température entree eau.
t02: température sortie eau.
t03: température échangeur air.
t04: températe air extérieur.
- Alarmes "Err":
Permet d'afficher la liste de toutes les alarmes en cours (faire defiler les messages d'alarme avec les touches (1) et/ou (2)).
- Compteurs horaires "Ohr":
Permet d'afficher les temps de fonctionnement du compresseur ("OH1") et de la pompe de circulation ("OHP"). La remise à zéro d'un compteur se fait par appui prolongé (>2 secondes) sur la touche (1) lorsque la valeur du compteur est affichée.
5.6.5 - ACCÉS AUX PARAMÉTRES TECHNIQUES "PAr"
Réserve au personnel qualifié après avoir renseigné le mot de passer "PSS". Tout mauvais réglage peut entraîner de graves dysfonctionnements.
- Pour cela, dans le menu, aller à la rubrique "PSS". Appuyer brievement et simultanément sur les touches (1) et (2). Le message "----" apparait. Faire apparaitre le mot de passer à l'aide des touches (1) et (2) et le.Valider par appui simultané sur les 2 touches (1) et (2). Il est alors possible d'aller dans la rubrique paramètres "PAr".
ATTENTION :
Après modification d'un ou plusieurs paramètres techniques, il est nécessaire d'effectuer une mise hors tension du régulateur suivi d'une remise sous tension afin de s'assurer d'une réinitialisation du régulateur avec ses nouveaux paramètres.
5.7 - ALARMES
- Lorsqu'une alarme apparait :
- le report d'alarme est activé,
- sur l'afficheur apparait, en clignotant, le code correspondant. Voir tableau,
-
la machine s'arrête eventuèlement (voir tableau ci-après).
-
Remédier au début.
ATTENTION :
Toute intervention doit être faite par du personnel qualifié et experimenté.
- Les alarmes sont normalement à réarmement automatique.
-
Attention : les alarmes : - HP,
-
BP,
- Antigel,
- Débit d'eau,
possèdent un compteur d'événements qui fait passer l'alarme en réarmement manuel si l'alarme est apparue plusieurs fois durant la dernière heures écoulée.
- L'alarme "circuit frigorifique" est à réarmement manuel.
-
Le réarmement des alarmes se fait par un appui bref sur la touche "ON/OFF" (1).
-
Une fois l'alarme disparue :
-
le report d'alarme est désacté,
- l'affichage redevient normal (pas de clignotement),
-
la machine peut redémarrer (si celle-ci était arrêtée).
-
Particularités du relais d'alarme :
-
le contact inverseur libre de potentiel (2 A - 230 Vac maxi.), à disposition sur le bornier de la carte de câblage, provient du relais placé sur cette carte,
- en l'absence d'alarme, le relais est actionné (contacts : 5/6 fermé et 5/7 ouvert),
- en cas d'alarme ou de perte d'alimentation, le relais retombe (contacts : 5/6 ouvert et 5/7 fermé).
TABLEEAU RÉCAPITULATIF DES ALARMES
| Alarme | Code | Temporisation inhibition | Arrêt comprésur | Arrêt ventilateur | Arrêt pompé de circulation | Observations |
| Défaut sonde 1 | E40 | X | X | |||
| Défaut sonde 2 | E06 | X | X | |||
| Défaut sonde 3 | E07 | X | X | |||
| Défaut sonde 4 | E42 | X | X | Marche forçée pompé de circulation | ||
| H.P. | E01 | X | ||||
| B.P. | E02 | 30" au démarrage | X | X | ||
| Antigel (échangeur eau) | E05 | 60" | X | X | A partir de la sonde SD2 (sortie eau). Seuil : 4°C | |
| Débit eau | E41 | 10" en marche30" au démarrage | X | X | XSi passage réarmement manuel | |
| Circuit frigorifique (*) | E44 | 5 min au démarrage+5 min en marche | X | X | Réarmement manuel. Inactive en phase dégivrage. | |
| Maxi. température eau | E46 | 30" | X | A partir de la sonde SD1 (entière eau). Seuil : 60°C | ||
| Erreur configuration | E45 | X | X | X |
(*) L'alarme circuit frigorifique est activée si l'écart de température entre l'entrée et la sortie d'eau (après quelques minutes de fonctionnement du compresseur) est insuffisant (problème de charge de réfrigérant, compresseur triphasé tournant "à l'envers", vanne d'inversion bloquée...).
5.8 -PARTICULARITÉS DE FONCTIONNEMENT
- Réduction du volume d'eau :
- le régulateur possède un algorithme auto-adaptatif qui analyse les temps de fonctionnement du compresseur et peut induire des dérivés du point de consigne en cours (et de l'hystérisis correspondante) en cas de temps de fonctionnement trop court (ceci afin de rallonger les temps de fonctionnement),
- pour des applications spéciales, dans lesquelles le dimensionnement de l'appareil et du circuit sont bien maitrises, il est possible de désactiver cette fonction. Pour cela, dans la rubrique compréseur "CP" du menu de paramétrage,mettre le paramètre C08 à 0.
- Dégivrage (en chauffage uniquement) :
- si la température lue par la sonde SD3 passé en dessous d'un seuil de température de givrage (dépendant de la température extérieure), un compteur de temps est activé. Ce compteur cumule les temps de fonctionnement en condition de givrage. Cét état est signalé par le clignotement du voyant dégivrage (7),
- au bout de 30 minutes de temps cumulé, une opération de dégivrage est lancée (inversion du cycle frigorifique et arrêt de la ventilation) jusqu'à ce que la température lue par la sonde SD3 remonte au-dessus du seuil de température de fin de dégivrage. La phase de dégivrage est signalée par l'allumage (en fixe) duvoyant (7).
Nota :
La ventilation peut redémarrer avant la fin du dégivrage pour prévenir une montée de pression excessive.
Pour des conditions climatiques particulieres, il est possible d'ajuster la valeur du compteur de temps régle d'usine à 30
minutes. Pour cela, dans la rubrique dégivrage "dFr", modifier le paramètre d03.
- Régulation de pression de condensation :
- le régulateur ECH est équipé d'un variateur de tension pour l'alimentation de la ventilation,
- à partir d'une information de température (prise par la sonde SD3 placée sur le condenseur), la régulation fait varier la tension d'alimentation du motoventilateur selon le diagramme ci-contre,
ce système est actif en mode refroidissement.

Commande de la pompe de circulation :
- la pompe est actionnée lorsque l'appareil est en fonctionnement ou en voille ("stand-by"),
- la pompe est arrêtée lorsque l'appareil est complètement arrêté ("OFF"). L'arrêt de la pompe est temporisé de 1 minute après l'arrêt du compresseur. Un dispositif antigel permet de forcer le fonctionnement de la pompe si la température extérieure (sonde SD4) est inférieure à 0^ ,
- un dispositif "anti-collage" force le fonctionnement de la pompe (si celle-ci est arrêtée) pendant 3 secondes toutes les 24 heures.
Commande de la résistance de tracage cuve:
(Accessoire, voir montage au chapitre 6.2).
-
actionnée si la température extérieure (sonde SD4) est inférieure à 0^ C (quel que soit l'état de fonctionnement de l'appareil). Levoyant "résistance" (8) est alors allumé.
-
Sélection du mode de fonctionnement :
-
le régulateur est configuré d'usine pour une commande de l'appareil par 2 contacts extérieurs :
-
Marche / Veille ("stand-by"),
-
Chauffage / Refroidissement.
-
en état de voir, la pompe de circulation continue de fonctionner.
Nota :
Il est possible d'arreter complètement l'appareil (avec arrêt de la pompé de circulation) par action sur la touche ON/OFF (1).
- cette configuration est adaptée aux applications systèmes,
- pour d'autres applications, par modification du paramétrage, il est possible d'avoir les configurations suivantes :
a) Arrêt complet ("OFF") par contact à distance (au lieu de mise en voille, "stand-by").
Dans la rubrique configuration "CnF", passer le paramètre H20 de 7 (veille à distance) à 4 (OFF à distance). En cas d'arrêt complet "OFF" à distance, l'afficheur est étant. Seul le voyant decimal reste allumé en clignotant.
b) Sélection du mode de fonctionnement chauffage / refroidissement par le clavier afficheur.
Dans la rubrique configuration "CnF", passer le paramètre H27 de 1 (seLECTION par contact à distance) à 0 (selection au clavier).
Ce besoin peut etre fait par exemple dans le cas ou on utilise le clavier afficheur a distance 70250055 (Accessoire, voir montage au chapitre 6.4) pour commander l'appareil.
La sélection du mode de fonctionnement se fait alors avec la touche "mode" (2) par appuis successifs selon la série suivante :
--> Veille ("stand-by") ---> refroidissement --->CHAuffage ---> veille --
L'etat de voirie est alors signalé par l'extinction des voyants de mode refroidissement et chauffage.
-
Pré-ventilation :
-
d'une maniere générale, afin demettre l'échangeur à air en condition, la ventilation est toujours démarrée en pleine vitesse quelques secondes avant le compresseur.
-
Temporisations anti-court-cycle :
-
la commande du compresseur possède un système de temporisation afin de respecter :
-
un nombre maximum de démarrages dans l'heure (12),
- un temps minimum d'arrêt (150 secondes).
Vanne d'inversion de cycle :
- La vanne est actionnée en mode refroidissement.
- Voir diagrammes de fonctionnement au chapitre 5.4.
- Les hysteresis en mode refroidissement et en mode chauffage sont régles d'usine à 3k. Il est possible de les modifier. Pour cela, dans la rubrique compresseur "CP", modifier les paramètres C03 (hysteresis refroidissement) et/ou C04 (hysteresis chauffage).
6.1 - FLEXIBLES RACCORDEMENT D'EAU
- Longueur 1 m, isolés, raccordement femelle :
- 0 3/4" code 70600054 pour PHR 6 et 8,
- code 70600055 pour PHR 11, 15, 17 et 20.
6.2 - KIT TRAÇAGE CUVE (si pas monté d'usine)
Code 70200055.
- Cet accessoire est recommendé pour les appareils installés dans des zones à dégivrages féquents.
- Enlever la grille de protection ventilateur (4 vis A).
-
Raccorder les deux fils sur la carte circuit imprimé entre les bornes 47 et 48.
-
Enlever l'hélice (écrou B).
- Placer la résistance dans le fond de la cuve, le plus pres possible de l'échangeur à ailettes.
- Positionner l'extrémité isolée sur le côte gauche et longer l'échangeur jusqu'à derrière la tôle de séparation. Faire une boucle et revenir le long de la tôle de séparation.
- Utiliser la bande adhésive en aluminium pour faire tener la résistance, ou le cas échéant, les clips métalliques soudés dans la cuve.
- Faire passer l'extrémité de la résistance par le passé-fil de la tôle de séparation, avec les fils du ventilateur.
Nota :
Le fil est chauffant sur une longueur de 1,5 m.
- Veiliez à ne pasmettre la partie chauffante en contact avec les fils.
- S'assurer que l'hélice du ventilateur ne risque pas de toucher la résistance.





6.3 - COMMANDE À DISTANCE
Code 70250055.
- C'est la copie exacte des fonctions et affichage que l'on trouve sur la façon du régulateur.
- La seule différence concerne les touches et qui sont séparées des touches "ON/OFF" et "Mode".
- Rappel : l'accès aux paramètres se fait par appui simultané sur les touches “ON/OFF” et “Mode”.
- La commande est prévue pour être installée à l'intérieur de locaux abrités.
Raccordement :
- la commande est livrée avec un connecteur pour raccordement de la liaison au régulateur "ECH",
- pour prolonger la liaison, de longueur maxi.: 100 metres, utiliser du cable blindé à paires torsadées de section minimum de 0.5 mm^2 (blindage à la terre côte appareil).
ATTENTION :
Ne pas faire cheminer ce cable à proximé de cables de puissance. L'intervention ne doit se faire qu'avc l'appareil hors tension et consigné.


6.4 - INTERFACE DE COMMUNICATION RS 485 (protocole MODBUS)
Code 70250056.
- Àprous avoir retire le panneau létral, enlever aussi le panneau avant A (enlever les trois vis de fixation B et tirer le panneau vers le bas).
- Fixer l'interface de communication C sur le côté gauche de la platine électrique.
- Raccorder le cable (fourni) entre l'interface de communication C et le régulateur D.
- Raccorder l'alimentation 230 Vac du module de la maniere suivant avec les fils noir et bleu livrés avec l'accessoire.


- Raccordement du bus de communication et détails protocole : voir dossier technique correspondant.

IMPORTANT
Avont toute intervention sur l'installation, s'assurer de sa mise hors tension et de sa consignation. Toute intervention doit être réalisée par du personnel qualifié et habilité pour ce genre de matériel.
7.1 - S'ASSURER
- Du serrage correct des raccords hydrauliques et du fonctionnement correct du circuit hydraulique :
purge des circuits,
- position des vannes,
- pression hydraulique (1,5 à 3 bar).
- Qu'il n'y ait pas de fuite.
- De la bonne stabilité de la machine.
- De la bonne tenue des fils et cables électriques sur leurs bornes de raccordement. Des bornes mal serrées peuvent provoquer un échauffement du bornier et des dysfonctionnements.
D'uneonne isolation des cables electriques de toutes tranches de toles ou parties metalliques pouvant les blesser. - De la séparation entre les câbles de sonde, de commande et les câbles de puissance.
Du raccordement à la terre. - Qu'il n'y ait plus ni outils ni autres objets étrangers dans la machine.
7.2 - METTRE L'UNITE EN FONCTIONNEMENT
- Mettre l'unité sous tension.
- Metre l'eau en circulation.
- Démarrer l'appareil (voir paragraphe 5).
ATTENTION :
Sur les apparciels en triphase, s'assurer de l'ordre correct de rotation des phases. En effet si cet ordre n'est pas respecté, le comprésseur tourne à l'envers (et émet un bruit anormal). Pour remédier à cela, il suffit d'intervertir 2 phases.
7.3 - CONTROLES A EFFECTUER
- Débit d'eau.
- Le générateur est équipé de prises de pression 1/4 SAE à l'entrée et à la sortie du circulator, pour permettre la mesure de la perte de charge à l'aide d'un manomètre hydraulique. Utiliser les courbes circulateurs au paragraphe 10 pour trouver le débit d'eau.
Nota :
Le débit d'eau du générateur doit être assure en permanence (attention notamment au cas de régulation des unités terminales sur vanne 2 voies).
- Pression du circuit d'eau.
- Pressions du circuit frigorifique.
- Fonctionnement de la régulation.
IMPORTANT :
En cas d'ajout d'antigel (monopropylène glycol), un taux minimum de 15% à 20% est nécessaire pour éviter tout risque de corrosion.
- Le pressostat BP coupe à 0,5 bar.
- Le pressostat HP coupe à 42 bar.
IMPORTANT
- Avant toute intervention sur l'installation, s'assurer de sa mise hors tension et de sa consignation.
- Vérifier également la décharge du condensateur compresseur pour les tensions monophasées.
- Toute intervention doit être réalisée par du personnel qualifié et habilité pour ce genre de matériel.
- Avant toute intervention sur le circuit frigorifique, il est impératif d'arrêtier l'appareil et d'attendre quelques minutes avant la pose de capteurs de température ou de pressions, certains équipements comme le compresseur et les tuyauteries peuvent atteindre des températures supérieures à 100^ et des pressions élevées pouvant entraîner de graves brûlures.
8.1 - ENTRETIEN
Tout matériel doit être entretenu pour conserver ses performances dans le temps. Un défaut d'entretien peut avoir pour effet d'annuler la garantie sur le produit. Les opérations consistent entre autres et suivant les produits, au nettoyage des filtres (air, eau), des échéateurs interieur et extérieur, des carrosseries, au nettoyage et à la protection des bacs de condensats. Le traitement des odeurs et la désinfection des surfaces et volumes de pieces, concurrent égalément à la salubrité de l'air aspiré par les utilisateurs.
-
Effectuer les opérations suivantes au moins une fois par an (la périodicité dépend des conditions d'installation et d'utilisation):
-
contrôle d'étanchéité du circuit frigorifique,
- verification qu'il n'y a pas de traces de corrosion ou de taches d'huile autour des composants frigorifiques,
- contrôle de la composition et de l'etat du fluide caloporteur et vérification qu'il ne contient pas de traces de fluide frigorigène,
- nettoyage des échangeurs,
- contrôle des pieces d'usure,
- contrôle des consignes et points de fonctionnement,
- contrôle des sécurités : vérifier notamment que les pressostats haute et BASSE pression sont raccordés correctement sur le circuit frigorifique et qu'ils coupent le circuit électrique en cas de déclenchement,
- dépoussiérage du coffret électrique,
- verification de la bonne tenue des raccordements électriques,
- verification du raccordement des masses à la terre,
- verification du circuit hydraulique (nettoyage du filtr, qualite de l'eau, purge, debit, pression, etc...).
- vérification du fonctionnement de la soupape de sécurité.
8.2 - ARRÉT GÉNÉRATEUR PENDANT L'HIVER
2 possibilities :
1) Vidange de l'appareil et mise hors tension.
2) Appareil en eau et sous tension : l'appareil étant équipé d'un dispositif antigel forçant le fonctionnement de la pompe de circulation d'eau pour des températures extérieures négatives, il est impératif de s'assurer que l'eau peut circuler dans l'appareil.
9 - DÉPANNAGE
- Toute intervention sur le circuit frigorifique devra se faire suivant les règes de l'art et de sécurité en vigueur dans la profession : récapération du fluide frigorigène, brasse sous azote, etc...
- Toute intervention de brasage devra être réalisée par des braseurs qualifiés.
- Pour les appareils charges avec du R 410 A, voir les instructions spécifiques en début de notice d'installation.
- Cet apparéil possède des équipements sous pression, dont les tuyauteries frigorifiques.
N'utiliser que des pieces d'origine figurant sur la liste des pieces détachées pour le remplacement d'un composant frigorifique défectueux.
- Le remplacement de tuyauteries ne pourra être réalisé qu'avc du tube cuivre conforme à la norme NF EN 12735-1.
-
Détention de fujites, cas de test sous pression :
-
Ne jamais utiliser d'oxygène ou d'air sec, risques d'incendie ou d'explosion.
- Utiliser de l'azote déshydratée ou un mélange d'azote et de réfrigerant indiqué sur la plaque signalétique.
-
Dans le cas d'un apparéil équisé de manomètres, la pression de test ne doit pas dépasser la pression maximum admissible par les manomètres.
-
Tout remplacement par une piece autre que celle d'origine, toutes modifications du circuit frigorifique, tout remplacement du fluide frigorigène par un fluide différent de celui indiqué sur la plaque signalétique, toute utilisation de l'appareil en dehors des limites d'applications figurant dans la documentation, entraîneraient l'annulation du marquage CE conformité à la PED (le cas échéant) qui deviendrait sous la responsabilité de la personne ayant procédé à ces modifications.
- Les informations techniques relatives aux exigences de sécurités des différentes directives appliquées, sont indiquées sur la plaque signalétique de l'appareil et sont reportées sur la 1ère page de cette notice.

PHR 6 / PHR 8
CIRCULATEUR SXM 32 - 55

PHR 11
CIRCULATEUR UPS 25 - 125

PHR 15
CIRCULATEUR SXM 32 - 80

PHR 17 / PHR 20
CIRCULATEUR SXM 32 - 80 OEM
11 - COURBES DE PRESSION
11.1 - FONCTIONNEMENT CHAUD

BASSE PRESSION
PHR 6

HAUTE PRESSION





















BASSE PRESSION
PHR 20

HAUTE PRESSION
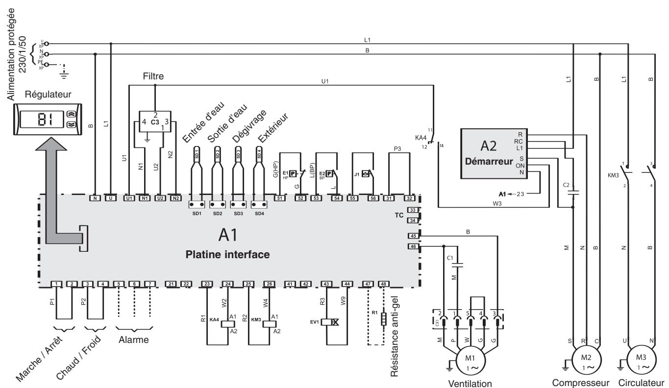
12 - SCHÉMAS ÉLECTRIQUES
| Symboles des composants | |||||
| A1 | Platine interface | E2 | Pressostat basse pression | M2 | Compresseur |
| A2 | Démarreur compresseur | EV1 | Electrovanne | M3 | Circulateur |
| A3 | Variateur de vitesse ventilateur | J1 | Pressostat différentiel d'eau | R1 | Résistance antigel (accessoire) |
| B1 | Régulateur | KA4 | Relais auxiliaire commande compresseur | SD1 | Sonde entrée d'eau |
| C1 | Condensateur de M1 | ||||
| C11 | Condensateur de M11 | KM2 | Contacteur compresseur | SD2 | Sonde sortie d'eau |
| C2 | Condensateur de M2 | KM3 | Contacteur circulateur | SD3 | Sonde de température condensation ou dégivrage |
| C3 | Filtre | M1 | Ventilateur | ||
| E1 | Pressostat haute pression | M11 | Ventilateur | SD4 | Sonde air extérieur |
| Couleurs des fils | |||||
| B | Bleu | L | Violet | R | Rouge |
| G | Gris | P | Rose | W | Blanc |
| M | Marron | N | Noir | ||

SCHEMA ÉLECTRIQUE - PHR 6 / 8 - 230/1/50
10 05 824 - 01

SCHEMA ÉLECTRIQUE - PHR 11 - 230/1/50
10 05 825 - 01


Ventilation 1 Ventilation 2 Compresseur Circulateur
10 05 821 - 00

SCHEMA ÉLECTRIQUE - PHR 20 - 400/3N/50
Par souci d'amélioration constante, nos produits peuvent être modifiés sans préavis.
Notice Facile