MIXA 20 BTS - Chaudière mixte EUROTERM - Notice d'utilisation et mode d'emploi gratuit
Retrouvez gratuitement la notice de l'appareil MIXA 20 BTS EUROTERM au format PDF.
| Intitulé | Valeur / Description |
|---|---|
| Type de produit | Chaudière à condensation murale |
| Caractéristiques techniques principales | Chauffage central et production d'eau chaude sanitaire |
| Alimentation électrique | 230 V |
| Dimensions approximatives | 700 x 400 x 300 mm |
| Poids | 40 kg |
| Compatibilités | Compatible avec systèmes de chauffage existants |
| Tension | 230 V |
| Puissance | 20 kW |
| Fonctions principales | Régulation de la température, production d'eau chaude instantanée |
| Entretien et nettoyage | Vérification annuelle par un professionnel, nettoyage des filtres |
| Pièces détachées et réparabilité | Disponibilité des pièces détachées auprès du fabricant |
| Sécurité | Équipée de dispositifs de sécurité contre la surchauffe et les fuites |
| Informations générales utiles | Installation par un professionnel recommandée, garantie de 2 ans |
FOIRE AUX QUESTIONS - MIXA 20 BTS EUROTERM
Questions des utilisateurs sur MIXA 20 BTS EUROTERM
0 question sur cet appareil. Repondez a celles que vous connaissez ou posez la votre.
Poser une nouvelle question sur cet appareil
Téléchargez la notice de votre Chaudière mixte au format PDF gratuitement ! Retrouvez votre notice MIXA 20 BTS - EUROTERM et reprennez votre appareil électronique en main. Sur cette page sont publiés tous les documents nécessaires à l'utilisation de votre appareil MIXA 20 BTS de la marque EUROTERM.
MODE D'EMPLOI MIXA 20 BTS EUROTERM
SOCIETE CERTIFIEE ISO 9002


NOTICE POUR L'INSTALLATION ET L'ENTRETIEN

MIXA 20 BTS
CHAUDIEREMURALEAGAZ-RENDEMENTELEVE-MODULANTE LIVRER LA"NOTICEPOURL'UTILISATION"AUMONSIEURL'UTILISATEUR
INDEX
NORMES GENERALES 6
DESCRIPTION 7
COMPOSANTS PRINCIPAUX 8
DIMENSIONS mm 9
CHARACTERISTIQUES TECHNIQUES 9
REGLAGE GAZ - INJECTEURS 10
CONNEXIONS ELECTRIQUES - SCHEMAS 11
... pour l'excellent besoin.
Nous vous remercions de la préference accordée à nos produits. Depuis 1972, EUROTERM est activement presente en Italie et dans le monde avec un réseau capillaire d'Agents et de concessionnaires qui garantissent une présence constante du produit sur le marché. Ce réseau de vente est appuyé par un Service Àpres-Vente EUROTERM, charge d'un entretien qualifié du produit.
Pour l'installation et le positionnement de la chaudiere: RESPECTER SCRUPULEUSEMENT LES NORMES LOCALES EN VIGUEUR.
NORMES GENERALES
- Ce livre est partie intégrante et essentielle du produit. Lire attentivement les conseils contenus dans le present livre car ils fournissent des indications importantes sur la sécurité d'installation, l'utilisation et l'entretien. Bien conserver ce livre pour toute consultation ultérieure. L'installation de la chaudière doit être effectuee en conformite avec les normes en vigueur, selon les instructions du fabricant et par un personnel qualifie. Une installation erronee peut provoquer des dommages aux personnes, aux animaux ou aux choses pour lesquels le fabricant ne peut etre retenu responsable.
- Àpres avoir retire les emballages, s'assurer de l'intégrité du contenu. En cas de doule, ne pas utiliser l'appareil et s'adresser au fournisseur. Les éléments composant l'emballage (cage en bois, clous, agrafes, sachets en plastique, polystyrene expansé, etc...) ne doivent pas été laissés à la portée des enfants car ils peuvent constituer une source de danger.
- Cette chaudière sert pour chauffer l'eau à une température inférieure à la température d'ébullition à pression atmosphérique. Elle doit être connectée à une installation de chauffage compatible avec ses performances et sa puissance.
- Cé t appareil ne devra etre utilise que pour I'usage pour lequel il a ete expressement concu. Tout autre usage doit etre considere comme incorrict et par consequent dangereux. Le fabricant ne peut etre retenu responsable des dommages eventuels dus a des usages incorrcets et irraisonnables.
TOUTES LES OPERATIONS D'INSTALLATION, D'ENTRETIEN ET DE TRANSFORMATION DE GAZ DOIVENT ETRE EFFECTUEES PAR UN PERSONNEL AGREE ET QUALIFIE.
POUR L'INSTALLATION ET LE BON FONCTIONNEMENT, NOUS RECOMMANDONS L'UTILISATION EXCLUSIVE D'ACCESSIONS ET DE PIECES DE RECHANGE EUROTERM.
EN CAS D'ODEUR DE GAZ, NE PAS APPUYER SUR LES INTERRUPEURS ELECTRIQUES. OUVRIR LES PORTES ET LES FENETRES. FERMER LES ROBINETS DU GAZ.
INSTALLER LA CHAUDIERE SUR UNE PAROI DONT LA LARGEUR EST DE MEME DIMENSION, OU DE DIMENSION SUPERIEURE A CELLE DE LA CHAUDIERE ELLE-MEME.
DESCRIPTION
Elles ont fonctionnement totalement automatique et la gestion du gaz est confiee a une centrale electronique avec les caractéristiques suivantes:
fonctionnement a modulation continue sur les deux circuits;
- possibilité de regler la puissance de chauffage;
possibilite de regler l'allumage lent.
Les modeles sont equipments avec:
- pressostat contre le manque d'eau;
thermostat de sécurité totale; - échangeur fumées bilhermique à rendement élève;
centrale electronique pour l'allumage automatique et le controle de la flamme par electrode de ionisation.
L'etat de marche du ventilateur électrique est contrôle par un pressostat. La sortie des fumées peut être réalisée par:
tuyauterie concentrique a celui pour l'aspiration de I'air
tuyauterie dedouble avec evacuation/aspiration séparés.
COMPOSANTS PRINCIPAUX


LEGENDE
1 Pressostaf fumee
2 Ventilateur
3 Sonde chauffage
4 Thermostat de securite
5 Echangeur bithermique
6 Bruleur
7 Electrodes d'allumage
8 Electrode de contrôle
9 Purgeur automatique
10 Soupape de sécurité
11 Pressostat manque d'eau
12 Circulateur
13 Robinet de remplissage
14 Electrovanne gaz
15 Bobine de modulation
16 By-pass (optionnel)
17 Indicateur de débit ECS
18 Sonde sanitaire
19 Prise de pression du gaz
20 Vase d'expansion
21 Thermohydrometre
22Voyant anomalies
23 Interrupteur MARCHE / ARRET
24 Voyant de deblocage
25 Potentiometre pour le réglage de l'eau sanitaire
26 Selecteur des fonctions
27 Potentiometre pour le réglage du chauffage
28 Disconnecteur
DIMENSIONS mm


CHARACTERISTIQUES TECHNIQUES
| MODELE | Puisance thermique | Puisance thermique minimale | Raccords | Pression d'exercice BARS | Production eau chaude | Vase d'exp. | Poids | ||||||||||
| Foyer | Utile | Foyer | Utile | Installation | Gaz | Utilisations | Circuit chaudiage bars | Circuit E.C.S. bars | Debit continu ΔT30° | Debit minimum | |||||||
| Depart | Retour | Entree | Sortie | ||||||||||||||
| MIXA 20 BTS | kW | kcal/h | kW | kcal/h | kW | kcal/h | ∅ | ∅ | ∅ | 1/2* | 1/2* | max. | max. | 1./min. | 1./min. | 1. | kg. |
| 25 | 21.500 | 22.75 | 19.565 | 10 | 8600 | 8,31 | 7.145 | 3/4* | 3/4* | 3/4* | 3 | 8 | 11 | 2,5 | 8 | 40 | |
Version chaudiere:mod. 20 BTS typeC12-C32-C42-C52-C62-C82
Temperature max. de l'eau 90°C
Pression nominale du gaz: Gaz naturel 20 mbars
Categore: 12E+3+
B 28/30 mbars - P 37 mbars
CHARACTERISTIQUES DU CIRCULATEUR
Débit/hauteur d'élevation disponible à l'installation

REGLAGE GAZ - INJECTEURS
Les groupes thermiques quittent l'usine regles et predisposés pour fonctionner avec du GAZ NATUREL et GAZ LIQUIDE.
Pour les réglages à effectuer, voir le tableau ci-dessous:
| Type de gaz | Pression aux injecteurs mbars | Débit | Injecteurs du brûleur | P.C.I. | |
| min. | max. | m3/h | Ø mm. | kcal/m3 | |
| GAZ NATUREL (G20-20mbar) | 1,7 | 13,2 | 2,52 | 1,17 | 8.550 |
| GAZ LIQUIDE B (G30-28/30mbar) | 3,5 | 25,5 | 0,73 | 0,75 | 29.330 |
| GAZ LIQUIDE P (G31-37mbar) | 5 | 33,5 | 0,96 | 0,75 | 22.360 |
COURBE DE PRESSION AU BRULEUR - PUISSANCE FOURNIE

- Reglage allumage lent 2.7 mbars GAZ NATUREL 6 mbars GAZ LIQUIDE
CONNEXIONS ELECTRIQUES - SCHEMAS
Il faut brancher la chaudiere à un réseau d'alimentation 230 V - 50 Hz monophasé + terre, à l'aide du cable à trois fils en notation, en respectant la polarite LIGNE - NEUTRE.
Le branchement doit etre effectue a l'aide d'un interrupteur bipolaire presentant une ouverture minimale des contacts de 3 mm. En cas de remplacement du cable d'alimentation, utilise un cable de type "HAR H05 wv-F" 3× 1,00mm^2 . (Nos recommendons l'utilisation exclusive d'accessoires et de pieces de rechange EUROTERM).
L'installation doit etre conforme aux NORMES DE SECURITE EN VIGUEUR.
Effectuer une installation de mise à la terre efficace.
| Tension | Fréquence | Puisance absorbé | Dégré de protection | Bruit |
| V | Hz | KW | IP | dB (A) |
| 230 | 50 | 0,145 | 44 | 46 |
Pour acceder au tableau electrique ou se trouvent la barrette de connexion d'alimentation et le branchement eventuel du thermosat d'ambiance, proceeder comme suit:
Couper la tension de la chaudiere.
Devisser les deux vis de la grille de protection (fig. 1).
Devisser les deux vis de fixation de I'habillage (fig. 2).
Coulisser le panneau vers le haut puis vers soi (fig. 3).
Pour acceder aux composants electriques et electroniques desserer les vis A et attirer le panneau de commande vers I'avant (fig.4).Incliner le panneau vers le bas et desserer les vis B du couvercle C.(fig.5)






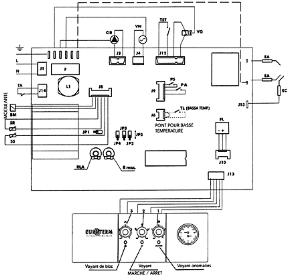
SCHEMA DE MONTAGE
LEGENDE
BM Bobine de modulation
CiR Pompe de circulation du chauffage
EA Electrode d'allumage
EC Electrode de contrôle
F Fusible
FL Debitmetre
JP1 Selecteur Methane/GPL
JP2 Selecteur temp. E.C.S.
JP3 Selecteur post-circulation
JP4 Selecteur de limitation allumage
JP5 Pont a couper pour bassetemperature
L Ligne 230 V 50 Hz
N Neutre
PA Pressostat air
PS Pressostat manque d'eau
RLA Reglage de I'allumage lent
Rmax. Reglage de la puissance max.de chauffage
SR Sonde du chauffage
S Sonde de I'eau sanitaire
TA Thermostat d'ambiance (facultatif)
TL Thermostat limite (facultatif)
TST Thermostat de sécurité
VG Vanne du gaz
VN Ventilateur
1 Potentiometre du chauffage
2 Selecteur: Hors fonction Ete
Hiver
Réarmement
Test
3 Potentiometre de I'eau sanitaire
Lors du blocage de la chaudiere, restaurer les conditions de départ en actionnant le selecteur de fonctions 2 jusqu'à la position de réarmement A.
Legendre



JP1 Insére
GPL -
Exclus GAZ NATUREL

JP2 Inséré
Reglage max. E.C.S. 60°C
Exclus
Regiage max. E.C.S. 50°C

JP3 (post-circulation exclud)
Chauttage
enclonchoe 2,5 min.

Jp4 Timer exclus
Chauffage
Exclus
Timor actif 2,5 min.
Chauftage

Pf 120
Pont de resistance ininterrompu - Temperature 35/80°C chauffage

RLA
Housse
Reglage allumage lent

R max.
Housse
Reglage puissance max. de chauffage

BRANCHEMENT HYDRAULIQUE
Lorsque les crochets de support sont fixés, enfilier le gabarit de montage et le metre contre le mur; en partant des raccords des extremités montés précédement sur le gabarit, procéder à la pose de toutes les tuyauteries: tuyau de refoulement de l'installation, de retard de l'installation, d'eau froide, d'eau chaude et, eventuellement aussi, de gaz et d'alimentation de la ligne électrique avec thermostat d'ambiance.
Lorsque les tuyauteries sont installées, on peut dévisser les raccords des extrémites et introduire des bouchons ordinaires fermes pour effectuer l'essay hydraulique de l'installation. Le gabarit peut être enlevé ou non, car après les travaux de finition de la paroi (platre ou carrelage), il sera noyé dans le mur; seuls les deux crochets de support et une ouverture en correspondance des raccords restent visibles lorsque le mur est acheve. Placer alors la chaudière sur les deux crochets de support grâce aux trous pratiques dans la partie postérieure du chassis, la mesure complètement contre le mur. Proceder ensuite au branchement hydraulique.
LEGENDE
C Eau chaude 0 1/2"
G Gaz 1 / 2^ · 3 / 4^ (voir robinet en dotation)
F Eau d'alimentation de la chaudiere o 1/2" (froide)
AE Alimentation electrique
M Refoulement de I'installation o 3/4"
R Retour de l'installation o 3/4"
GS Crochets de support 10 mm
N.B.: Prevoir des raccords hydrauliques femelles.

CIRCUIT HYDRAULIQUE

LEGENDE
BB Sortie eau chaude sanitaire
7 Indicateur de débit
CC Gaz
8 Pressostat manque d'eau
DD Enrrree eau froide
9 Circulateur
EE Remplissage
10 Bruleur
FF Retour installation
11 Vase d'expansion
GG By-Pass (optionnel)
12 Pressostat fumées
1 Echangeur
13 Ventilateur
2 Bobine de modulation
14 Soupape automatique pour I'event d'air
3 Sonde chauffage
15 Thermostat de sécurité
4 Soupape du gaz
16 Sonde sanitaire
5 Robinet de remplissage
17 Disconnecteur
INSTALLATION
L'installation ne peut etre realisée que par du personnel qualifie.
Elde doit etre conforme aux dispositions des lois se rapportant a I'evacuation des produits de la combustion selon les NORMES EN VIGUEUR.
Levacation des gaz combustibles doit avoir lieu a laide d'un conduit de diametre non inferieur au diametre prevu sur la chaudiere. Ce conduit sera raccorde a un carneau montant adapte a la puissance de l'installation.
Pour l'adaptation des appareils d'utilisation aux carneaux montants, respecter ce qui suit:
a] Leur demontage doitetre aise;
b) Ils doivent ete tanches et de materiel resistant aux produits de la combustion et a leurs eventuelles condensations;
c) Il s ne doit pas avoir de systèmes de réglage (clapet). Proceder à l'élimination de ces systèmes si déjà opérationnels.
d) lIs ne doivent pas se pencher à l'intérieur du carneau montant, mais demeurer avant le plan interne du carneau.
RACCORD GAZ
Respecter les normes en vigueur.
Raccorder la chaudiere à l'aide d'un conduit metallique rigide ou d'un flexible en acier inoxydable à paroi continue de type approuve. Les conduits metalliques ondules doivent être disposé de façon à ce que leur longueur, en conditions d'extension maximaile, n'excede pas les 2000 mm. Les chaudières sont régles et testées pour le fonctionnement à GAZ NATUREL, de catégorie I 2E à pression nominale équivalente respectivement à 25 mbars.
CHARACTERISTIQUES DE L'EAU PRESENTE DANS LA CHAUDIERE
En presence d'eau dure et agressive, Euroterm conseille l'installation d'un doseur proportionnel de polyphosphates (DPO/B) afin d'éliminer les eventuelles incrustations de la chaudière.
LE TRAITEMENT DE L'EAU UTILISEE EST INDISPENSABLE DANS LES CAS SUIVANTS:
A) Installations tres etendues (avec d'importantes quantités d'eau)
B) Frequents imitions d'eau de réintégration dans l'installation.
C) Circuits d'eau chaude sanitaire.
Remplir les conduits d'eau traitée si le vidage partiel ou total de l'installation s'avere nécessaire.

MISE EN SERVICE DE L'INSTALLATION
Effectuer la purgege d'air.
- Verifier l'absence de fuites de gaz (utiliser une solution savonneuse ou un produit équivalent).
ALLUMAGE
REMPLISSAGE DE L'INSTALLATION
Ouvrir lentement le robinet d'alimentation jusqu'à ce que la pression de l'installation, indiquée sur l'hydrometre,atteigne la valeur de 1,5 bar, puis le referrer. Contrer que le bouchon de la vanne d'échéppement d'air automatique, située sur le circulateur, soit desseré, et actionner plusieurs fois le circulator pour éliminer l'air present dans le circuit.
ALLUMAGE
Ouvrir le robinet du gaz et tourner le selecteur dans la position désirée. Le brûleur s'allumera automatiquement. Si l'allumage n'a pas lieu, contrôler que le bouton-pousoir de mise en sécurité soit allume et, dans ce cas, appuyer dessus pour que la chaudière repête l'opération d'allumage. Régler ensuite la température du chauffage et de l'eau chaude sanitaire comme souhaïée en intervenant sur les selectingeurs.
RACCORDEMENT D'EVACUATION DES FUMEES
RACCORDEMENT A LA CHEMINEE
La chaudière est à combustion en chambre étache par rapport au milieu. Elle ne demande donc aucune ventilation particulière et peut être placee meme dans des chromosomes, dedarras, alveoles techniques. Puis il y a plusieurs possibilite pour la decharge des fumees et I'aspiration d'air de I'exterieur.
La chaudiere prévoit deux types de decharge/aspiration.
decharge/aspiration de type concentrique;
decharge/aspiration de type dedouble.
Des kits mis au point permellient d'effectuer le raccordement a des conduits concentriques, des conduits d'airation, des cheminees separées, etc... Certaines solutions possibles sont représentées à la page 18.
DECHARGE/ASPIRATION
1 Concentriques au toit C32
2 Concentriques de la terrasse C32
3 Dedoublees, a conduits séparés C42
4 Concentriques, raccordement a conduits concentriques C42
5 Concentriques, à la paroi externe C12
6 Dedoublees de la terrasse C52
7 Dedoublees a partir d'un conduit individuel C82
8 Dedoublees C62

Pour la mise en place et les distances des raccords de tirage aux fenêtes, portes, etc., respecter les normes en vigueur.
INSTALLATION DE L'EVACUATION DES FUMEES
CONDUIT CONCENTRIQUE
Installer le coude concentrique en le positionnant dans la direction souhaitee et y enfiler le joint d'etanchete, puis installer le diaphragme approprié (voir tableau ci-dessous).
Installer les tubes d'aspiration et d'évacuation des fumées en respectant les indications du schéma d'installation correspondant.
Il faut maintainir le conduit d'évacuation des fumées légarement incléne vers l'extérieur.



CONDUIT DEDOUBLE

CONDUIT CONCENTRIQUE
Max. lung. 0,5 mt.
Diaphragm 89 mm
oIre 0,5 mt. max.3 mt.
Diaphragm 92 mm (standard)
CONDUIT DEDOUBLE
Diaphragme 92 mm (standard)
Longueur max. CONDUIT CONCENTRIQUE 3 m Longueur max. CONDUIT DEDOUBLE (Aspiration + Refoulement) 20 m
L'installation d'un coude dans le raccordement de la chaudiere à la cheminée cree une perte de pression. Les valeurs du tableau indiquent une reduction de tubulure linéaire.
INSTALLATION TYPE
Conduit Concentrique
Evacuation/Aspiration separés
Les chaudières sont équipées de soupape à gaz à ouverture rapide. On obtient le réglage du début de gaz nécessaire au moyen d'une bobine modulante à double réglage. Le réglage de l'allumage lent (préregle à l'usine) est de type electronique et est régable (pour son optimisation et pour le changement de gaz) au moyen du trimmer RLA situé sur la fiche. Par contre, en agissant sur le trimmer R MAX, on peut regler la puissance thermique nécessaire à l'installation de chauffage. Toutes les chaudières quittent de l'usine régles à 70% de leur puissance maximum de chauffage. En étant le pont JP4, on modifie de 2,5 min. Le temps d'atte ne pour la remise en service de la chaudiere. Tous les réglages doivent être effectuels sur la base des caractéristiques spécifiques de l'appareil d'utilisation. Verifier la pression en entree et en sortie au moyen des prises de mesure spéciales prévues à cet effet. Lorsque le contrôle est terminé les fermer hermetiquement en utilisant les vis spéciales.
- Alimenter l'opérateur modulant en lui donnant la tension correcte.
- En tournant l'écrou B dans le sens des aiguilles d'une montre (utiliser une clé de 10 mm) la pression en sortie augmente.
Pression minimale (proceder uniquely apres avoir complete le reglage de la pression maximale de sortie).
Couper l'alimentation de I'opérateur modulant.
- En maintainant l'écrou B bloqué au moyen d'une clé, tourner la vis A dans le sens des aiguilles d'une montre pour augmenter la pression en sortie.
A la fin de réglages:
contrcler les valeurs de la pression minimale et maximale:ajuster si neccessaire.
applique le capuchon en plastique C.

N.B.: Pour effectuer ce réglage, il faut utiliser un manomètre à colonne d'eau et le brancher à la prise de pression.
ARRET
ARRET PROLONGE
En cas d'arrêt prolongé de la chaudière, fermer le robinet du gaz et couper l'alimentation électrique de l'appareil.
ALLUMAGE/ARRET TEMPORAIRE
S'obtient en intervenant:
sur le thermostat d'ambiance
sur le potentiametre de réglage (situé sur le ableau de commande);
Remarque: lorsque la chaudière est neue ou après une longue période d'arrêt, la pompe de circulation peut se bloquer; dans ce cas, il faut dévisser le bouchon antérieur et faire tourner, en utilisant un tournevis, l'arbre moteur situé au-dessous.

ENTRETIEN
Afin de conserver au produit ses caractéristiques de fonctionnalité et d'efficacité dans les limites prescrites par la législation et/ou la reglementation en vigueur, il est indispensable de soumettre l'appareil à des contrôleis réguliers.
La fréquence des contrôleles dépend des conditions particulières d'installation et d'emploi. Quoi qu'il en soit, un contrôle annuel, effectué par un personnel/agree Euroterm.
FONCTIONNEMENT AVEC DIFFERENTS TYPES DE GAZ
TRANSFORMATION DU GAZ NATUREL AU GAZ LIQUIDE
Remplacer les injecteurs du bruleur, introduire le diaphragme en respectant le diagramme inclus dans le kit special.
Deplcer le pont JP1 situé sur la fiche de modulation de la position GAZ NATUREL à la position B-P.
Proceder ensuite au reglage proprement dit comme indique au paragraphe "REGLAGES", Page 20.
Pour le diametre des injecteurs et la pression du gaz d'exercice, voir tableau ci-dessous:
| Type de gaz | Pression aux injecteurs mbars | Débit | Injecteurs brûleur | P.C.I. | (H) | |
| min. | max. | m3/h | Ø mm. | kcal/m3 | Ø | |
| GAZ NATUREL (G20-20mbar) | 1,7 | 13,2 | 2,52 | 1,17 | 8.550 | - |
| GAZ LIQUIDE B (G30-28/30mbar) | 3,5 | 25,5 | 0,73 | 0,75 | 29.330 | 5,9 |
| GAZ LIQUIDE P (G31-37mbar) | 5 | 33,5 | 0,96 | 0,75 | 22.360 | 5,9 |

ANOMALIES DE FONCTIONNEMENT
| PANNE | CAUSE | REMEDE |
| 1 L'ALLUMAGE N'A PAS LIEU | A Robinet du gaz ferméB Bouton-poussoir indiquant la mise en sécuritéC Absence de détention de la flammecD Absence de l'étinçelle d'allumageE Presence d'air dans la tubulureF Intervention du thermostat de sécuritéG L'eau ne circule pasH La température de l'eau de la chaudière est supérieure à la position du thermostat de réglage. | A Ouvrir le robinet du gazB R éarmer en appuyant sur le bouton-poussoirC Inversion phase et neureD S'adresser au technicienE Répéter l'allumageF Appuyer sur le bouton-poussoir de réarmementG Rétablir la pression de la chaudière et contrôle le circulateurH Mettre le thermostat de réglage sur la température souhaitee |
| 2 EXPLOSIONS LORS DE L'ALLUMAGE | A Flamme défectueuseB Débit du gaz insuffisant ou mal régle | A S'adresser au technicienB S'adresser au technicien |
| 3 ODEUR DE GAZ | A Perte dans le circuit des tubulures (externes et internes de la chaudière) | A Contrôler les tubulures externes. Contrôler les tubulures internes.S'adresser au technicien |
| 4 ODEUR DE GAZ NON BRULES ET MAUVAISE COMBUSTION DU BRULEUR | A Conduit de fumée de section ou hauteur avec r'accord non approprié à la chaudièreB Consommation excessive de gaz - La combustion n'est pas parfaitéC Les petites flammes ont tendance à se détacherD La flamme a les pointes jaunes | A Remplacer les parties non conformesB Régler le début du gazC Contrôler et intervenir sur le stabilisateur de pression de la vanne gazD Vérifier que les conduites d'air et les conses venturi du brûleur soient propres.En cas de contrôle négatif des points A-B-C-D, s'adresser au technicien |
| 5 LA CHAUDIEREPRODUIT DE LA CONDENSATION | A Conduit de section ou hauteur non appropriée (dimensions excessives)B La chaudière fonctionne à une température trop basse | A Remplacer les parties non conformesB Régler le thermostat de la chaudière à une température supérieure et contrôler que le raccord du tube d'aspiration/evacuation des fumées fonctionné correctement |
| 6 RADIATEURSFROIDS EN HIVER | A Le selecteur des fonctions est sur la position éteB Thermostat d'ambiance régle trop bas ou défectueuxC Installation ou radiateurs fermésD Circulateur bloqué | A Mettre le selecteur sur la position hiverB Régler le thermostat à une température supérieure ou le remplacerC Contrôler que les vannes de l'installation et les robinets des radiateurs soient ouverts. En cas de contrôle négatif du point C, s'adresser au technicienD Débloquer en utilisant un tournevis et contrôler l'alimentation électrique |
Notice Facile