SKYCRUISER - Scooter MBK - Notice d'utilisation et mode d'emploi gratuit
Retrouvez gratuitement la notice de l'appareil SKYCRUISER MBK au format PDF.
| Type de produit | Scooter MBK SKYCRUISER |
|---|---|
| Caractéristiques techniques principales | Moteur 2 temps, refroidi par air, cylindrée de 50 cm³ |
| Alimentation électrique | Allumage électronique, batterie 12V |
| Dimensions approximatives | Longueur : 1 800 mm, Largeur : 700 mm, Hauteur : 1 050 mm |
| Poids | Poids à vide : 90 kg |
| Compatibilités | Compatible avec les pièces de rechange MBK et Yamaha |
| Type de batterie | Batterie au plomb, 12V |
| Tension | 12 Volts |
| Puissance | Puissance maximale : 2,5 kW à 7 500 tr/min |
| Fonctions principales | Scooter urbain, transport de courte distance, économie de carburant |
| Entretien et nettoyage | Vérification régulière de l'huile, nettoyage du filtre à air, contrôle des freins |
| Pièces détachées et réparabilité | Disponibilité des pièces détachées en concessionnaires agréés |
| Sécurité | Équipements de sécurité recommandés : casque, gants, vêtements réfléchissants |
| Informations générales utiles | Conforme aux normes de sécurité en vigueur, idéal pour les débutants |
FOIRE AUX QUESTIONS - SKYCRUISER MBK
Questions des utilisateurs sur SKYCRUISER MBK
Pour mesurer correctement le niveau d'huile sur votre scooter MBK SKYCRUISER, suivez ces étapes simples :
1. Préparation
- Garez votre scooter sur une surface plane et stable.
- Il est recommandé de vérifier le niveau d'huile lorsque le moteur est froid pour une mesure précise.
2. Localisation du bouchon ou de la jauge de niveau d'huile
Repérez sur le côté du moteur le bouchon de niveau d'huile, souvent identifiable par un symbole en forme de goutte d'huile.
3. Vérification du niveau d'huile
- Dévissez délicatement le bouchon de niveau d'huile.
- Si le bouchon intègre une jauge, essuyez-la avec un chiffon propre, replongez-la sans la revisser complètement, puis retirez-la à nouveau pour lire le niveau d'huile.
- Si c'est un simple orifice, observez directement le niveau d'huile visible à l'intérieur du réservoir. Le niveau doit se situer entre les repères minimum et maximum indiqués.
4. Compléter le niveau si nécessaire
Si le niveau d'huile est inférieur au repère minimum, ajoutez lentement de l'huile adaptée au moteur de votre MBK SKYCRUISER jusqu'à atteindre le niveau recommandé.
5. Finalisation
Revissez soigneusement le bouchon de niveau d'huile pour éviter toute fuite.
Cette vérification régulière garantit un bon fonctionnement et une longue durée de vie de votre scooter.
La pression des pneus est un élément essentiel pour assurer la sécurité, la tenue de route et la longévité des pneus de votre scooter MBK SKYCRUISER.
Pression recommandée des pneus du MBK SKYCRUISER
- Avant : généralement entre 1,5 et 2,0 bars
- Arrière : généralement entre 1,8 et 2,2 bars
Ces valeurs peuvent varier légèrement selon la charge transportée (poids du conducteur et passager) et les conditions de conduite.
Conseils pratiques
- Vérifiez régulièrement la pression des pneus à froid, idéalement avant chaque sortie.
- Utilisez un manomètre précis pour mesurer la pression.
- Adaptez la pression en fonction de la charge : si vous transportez un passager ou des bagages lourds, il peut être nécessaire d'augmenter légèrement la pression arrière.
- Une pression trop basse peut entraîner une usure prématurée et une mauvaise tenue de route, tandis qu'une pression trop élevée peut réduire le confort et l'adhérence.
Pour une information parfaitement adaptée à votre modèle, vous pouvez également vérifier l'étiquette de pression des pneus généralement située sur le cadre du scooter ou à l'intérieur du coffre.
Téléchargez la notice de votre Scooter au format PDF gratuitement ! Retrouvez votre notice SKYCRUISER - MBK et reprennez votre appareil électronique en main. Sur cette page sont publiés tous les documents nécessaires à l'utilisation de votre appareil SKYCRUISER de la marque MBK.
MODE D'EMPLOI SKYCRUISER MBK
-
Presentation 2
-
Caracteristiques 2
Identification 2 -
Motorisation 3
3
Culasse 4
Décompresseur automatique 6
Cylindre / Piston 9
Vilebreguin 10
Transmission 11
1 Systeme de lubrication 13
Système de refroidissement 15
Admission 17
Injection de carburant 18
Echappement 21
B. Partie cycle 22
22
Cadre 23
Suspensions 24
Système de freinage 25
Roues et pneus 26
Reservoir d'essence 26
Selle double 27
Tablier avant 28
Démontage de la face avant 29
Partie electrique 30
Eclairage 30
Système de charge 31
Tableau de bord 32
Pré-cabbage d'alarme 34
Fusibles 35
Localisation des composants électriques 36
Partie Injection 38
Introduction 38
Boitier d'injection ECU 39
Localisation des composants d'injection 40
Schematisation du système d'injection 41
Contrôles physiques de l'ECU et composants d'injection 44
Dutil de diagnostique d'injection 45
Système d'anti-demarrage (Immobilizer) 49
Service information 54
TRANSMISSION
TRANSMISSION FINALE
■ Modification du rapport de transmission finale, lie aux performances moteur accrues et à la dimension de la roue arrête
■ Augmentation de la capacité d'huile de transmission afin d'améliorer son efficacité et longévité capacité totale de 230~cm^3
capacité d'entretien périodique de 210~cm^3 comparé aux 150~cm^3 du YP125 (5XL)
■ Périodicité de changement d'huile de transmission : 1000 kms puis tous les 12000 kms
■ Galets identiques en masse et dimensions à ceux du skyliner (10gr et Ø 20mm)

Important: Respecter le bon positionnement des 2 rondelles coniques
FILTRE DE TRANSMISSION
Le filtré de transmission est de type mousse huilée
■ Référence du filtré de transmission: 1B9 15407 0000
■ Maintenance périodique :
Nettoyer : tous les 6000 kms :
- Nettoyer le filtré de transmission avec du solvant
- Remplacer si endommagé
- Appliquer un film d'huile sur toute la surface (huile spéciale pour filtré à air en mousse)
Changer : tous les 20000 kms
Filtre de transmission de type mousse


EMBRAYAGE
■ Augmentation du diamètre de cloche d'embrayage liée aux performances moteur accrues : 135 mm contre 120 mm pour le YP125 (5XL).
■ Arbre primaire guidé en son extrémité par un roulement positionné dans le carter de transmission : notamment afin de limiter les vibrations et améliorer l'équilibrage global du variateur
Le carter de transmission est monté sur le carter moteur par le biais d'un joint épais, afin de limiter les bruits mécaniques

SYSTEME DE LUBRIFICATION
Le système de lubrification est a carter humide, avec presence d'un filtre à huile (pas de filtre centrifuge inclu dans le vilebrevin comme sur le skyliner)
Périsité du filtre centrifugé
Périodicité de changement d'huile moteur (lorsque le témoin de tableau de bord l'indique): Changement d'huile: 1000
Changement d'huile : 1000 km puis tous les 6000 kms
Changement de filtré à huile : 1000 km puis tous les 6000 kms Important:
Un contrôle du niveau d'huile moteur (et eventuel appoint) est demandé tous les 3000 kms. (fortement conseilé de faire réaliser ce contrôle en concession)
En fonction de l'utilisation et dans un soucis de longévité, il peut être judiciaux de conseiller d'effectuer le changement du filtré à huile à chaque vidange (c'est à dire tous les 6000 kms), voire dans des conditions extrèmes, de réduire la périodicité de vidange moteur à 3000 kms.
Comme précisé dans le carnet de garantie : "L'espacement des révisions ne dispense pas de contrôle ou de faire contrôle par un technicien de la marque le niveau d'huile moteur. Les compléments de niveau sont tout à fait normaux pour le 4 temps."
| Capacité d'huile (cm3) | YP125E (5XL) | YP125R (1B9) |
| Total (filtre inclus) | 1400 | 1600 |
| Vidange périodique sans changement de filtré | 1300 | 1400 |
| Vidange périodique avec changement de filtré | 1500 |

| 1 | Filtre à huile |
| 2 | Crépine |
| 3 | Pompe à huile |
| A | Pompe à huile, côte sortie |
| B | Restricuteur de lubrification du haut moteur |

FILTRE A HUILE
■ Présence d'un filtré à huile de type papier afin d'améliorer l'efficacité de filtration et augmenter de ce fait la périodicité de changement d'huile
■ Référence du filtré à huile : 5YP E3440 0000

REMPLISSAGE ET VIDANGE DE L'HUILE MOTEUR
Le contrôle du niveau d'huile moteur se fait par le biais du bouchon de replissage auquel est intégrée une jauge.
- Ce contrôle doit être effectué bouchon pose et non visse.

La vidange de l'huile moteur se fait au niveau de la vis située sur le carter moteur, à côté du logement de filtré à huile

Pour effacer le témoin de changement d'huile OIL du tableau de bord,mettre le Neiman sur ON,pu maintenir les boutons SET et MODE du compteur appuyés de 2 à 5 secondes. Le témoin s'efface long les boutons sont relachés.
appyyes xun pe 2 botan et 14 NGiman xun on
SYSTEME DE REFROIDISSEMENT
La capacité totale de liquide de refroidissement (y compris le vase d'expansion jusqu'à au repère Full) est de 970 cc
■ Ouverture totale du thermostat à 85^ C (fermeture totale à 72^ C)
■ Indication de la température d'eau au tableau de bord :
la zone rouge commence à 110^
(résistance aux bornes du capteur de température d'eau = 141 ohms)
la position H est atteinte à 120^
(résistance aux bornes du capteur de températe d'eau = 110 ohms)
La ventilateur est alimenté par un relais dont la bobine est pilotée en négatif par le boitier d'injection ECU. Ce boitier pilote ce relais de ventilateur en fonction de l'information qu'il recoit du capteur de température d'eau monté sur la culasse
■ Contrairement au skyliner 5XL qui en possède 3, le skycruiser ne possède qu'un seul point de purge: boulon muni d'un rondelle cuivre au niveau du logement de thermostat.

| A | Bouchon de radiateur |
| B | Radiateur |
| C | Ventilateur |
| D | Vase d'expansion |
| E | Thermostat |
| F | Pompe à eau |
| G | Point de purge |

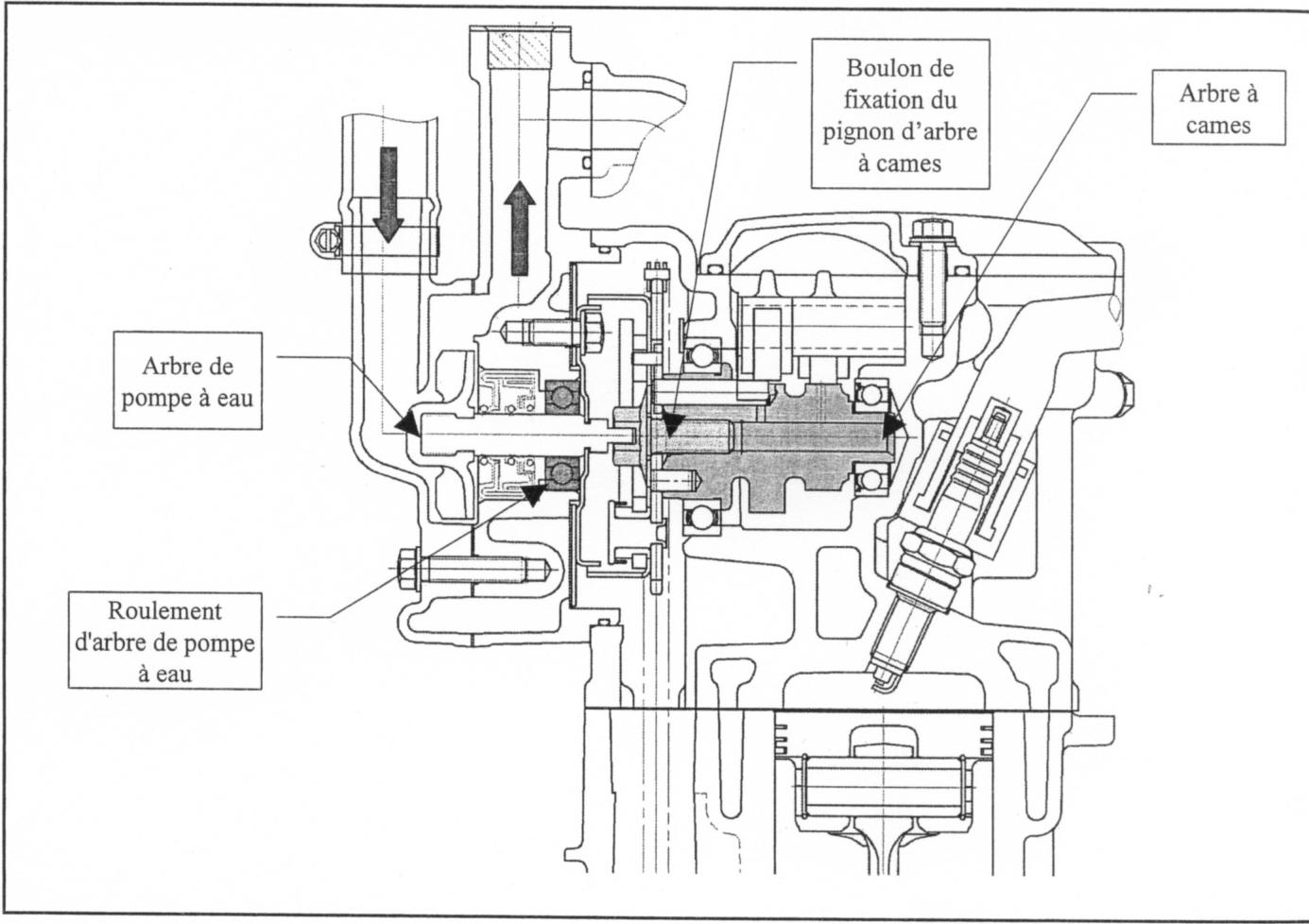
POMPE A EAU
L'arbre de pompe à eau est monté sur roulement (entrainement provenant du boulon de fixation du pignon d'arbre à cames)
L'objet est de réduire les pertes de puissance et les contraintes mécaniques sur l'arbre

ADMISSION
FILTRE A AIR
Le filtré à air est de type papier pré-impréné, notamment pour faciliter les opérations de maintenance
Cartouche
Sans maintenance
Le volume du boitier de filtré à air est de 5.2 litres (contré 3.6 litres pour le YP125 (5XL))
■ Référence de filtré à air : 1B9 14451 0000
Péridicité de remplacement : tous les 20000 kms
Important :
Comme précisé dans le carnet de garantie: " Dans le cas d'une utilisation dans des conditions particulières en terme de climat et temperature, il est nécessaire de modifier le programme d'entretien en réduisant les périodicités.
Les concessionnaires du réseau MBK sont à votre disposition pour vous conseiller."

Cartouche de type papier pré-impréné
INJECTION D'ESSENCE
PRINCIPALES CHARACTERISTIQUES
- Système d'injection de carburant pour augmenter les performances moteur et limiter les émissions polluantes
Système d'injection de carburant sans retour
■ Nouveau corps de papillon AISAN
Injecteur court à 6 trough, monté directement sur la pipe d'admission
■ Régulation par sonde à oxygène, afin de répondre aux normes anti-pollution EU-3
■ Le régulateur de pression, directement monté sur la pompe à carburant est taré (non régable) à 250 kPa
■ L'adaptateur utilisé pour le YP400 permet de contrôler la pression de carburant : 90890-03181
Cet adaptateur est associé au manomètre de référence :
90890-03153

CORPS DE PAPILLON
-
Nouveau corps de papillon de diamètre 28mm , particulièrement compact, équipé d'un TPS (Throttle Position Sensor = Capteur de position de papillon) et d'une unité ISC (Idle Speed Control=contrôle de ralenti)
■ Fabricant et modele : AISAN, 1B9
L'unité I.S.C. gère : -
le régime de ralenti acceléré à froid
- automatiquement le régime de ralenti, moteur chaud, à 1700 tr/min (± 100)

Important :
Ne jamais modifier la position de réglage de la butée de papillon
La position de cette butée de papillon est réglée par le fabricant de corps de papillon AISAN, dans le respect des specifications constructeur.
Dans la mesure où l'unité ISC gère automatiquement le régime de ralenti, tout réglage de cette butée entraînerait une correction immédiate de la part de l'unité ISC.
INJECTEUR
- Injecteur court à 6 trough, directement monté sur la pipe d'admission, afin de s'approcher le plus pres possible du conduit d'admission
Fabricant: AISAN

I.1. PRESENTATION
CHARACTERISTIQUES
Le nouveau SKYCRUISER (YP125R) apporte une dimension sportive à la catégorie des 125cc. Créé pour des utilisateurs qui souhaitent plus qu'un moyen de transport efficace, le Skycruiser met l'accet sur la performance, par le biais du nouveau moteur à injection, mais également de partie cycle, saine et réactive, tout en privilégiant le comport du conducteur et de son passager.
MOTORISATION
■ Moteur monocylindre 4 temps, 125~cm^3 à refroidissement liquide, totalement nouveau
■ Nouvelle culasse SOHC 4 soupapes
Cylindre DiASil associé à un piston en aluminium forge
Système d'injection de carburant sans retour, avec régulation par le biais d'une sonde à oxygène
Répond aux normes anti-pollution Euro 3

PARTIE CYCLE
■ Nouveau style sportif, inspiré du T-Max
Larges roues à 5 bâtons : 15 pouces à l'Ar et 14 pouces à l'Arrière
- Cadre redessiné afin d'améliorer la tenu route et le comport
■ Espace de rangement sous la selle de gracapacité : permet deContaining 2 casques intégraux
Réservoir d'essence de 12.5 litres avec pompe à injection intégrée
PARTIE ELECTRIQUE
■ Nouveau bloc compteur multifonction à écran LCD intégré
Système d'anti-demarrage Immobilizer
IDENTIFICATION
Code modele pour la version 2006:1B92
■ Formedu numero de cadre :
VTLSE 322- (17 caracte

N° de cadre poinconné sur le cadre

Etiquette constructe (entre les ti d'amortisse
■ Form du numero de moteur au pied de l'amortisseur gauche : E384E ----
■ Identification de l'emploi de clé (code à 4 chiffres)
■ Etiquette collée sur la charnière de la selle : code modele + code couleur par une dette
A (code 1011) : Light Grayish Blue Metallic D (LNBMD) : gris clair
B (code 0903) : Black Metallic X (SMX) :
C (code 1010): Bluish Black Metallic 4 (BSM4):
Noir
Bleu foncé

POMPE A CARBURANT
Pompe à carburant Wesco, de type sans retour, immerge dans le réservoir d'essence.
■ Pression de carburant en sortie de pompé = 250kPa
Fabricant:BITRON

SONDE A OXYGENE
■ Utilisation d'une sonde à oxygène (de type dioxyde de zirconium), afin de réaliser la régulation nécessaire à l'obtention de réglages proches des coefficients stochoimétriques et de ce fait répondre à la norme EU-3
Réchauffeur intégré, alimenté par le boîtier d'injection ECU
■ Fabricant : DENSO
■ Conditions nécessaires pour la réalisation de cette régulation :
Température d'eau supérieure à 60^ C
Pas de disfonctionnement des capteurs et actionneurs
Régime de ralenti accéléré (par l'ISC) non actif
■ Le mode de réglage du CO, présente dans le menu de l'outil de diagnostique d'injection n'a aucune'utilité sur ce modele (la sonde régule y compris au ralenti)

ECHAPPEMENT
■ Nouvel échéappement complenant 2 catalyseurs de type nid d'abeille, afin de répondre aux normes anti-pollution EU-3
Tubulure d'échéppement en inox et silencieux en inox et tôle aluminée

1.3. PARTIE CYCLE
PRINCIPALES EVOLUTIONS
■ Nouveau style sportif, inspiré du T-Max
Larges roues à 5 bâtons : 15 pouces à l'Avant et 14 pouces à l'Arrière
■ Cadre redessiné afin d'améliorer la tenue de route et le comport (identique au X-Max 250)
■ Espace de rangement sous la selle de grande capacité, permettant deContainir 2 casques integraux
■ Réservoir d'essence de 12.5 litres avec pompe à injection intégrée
■ Principales caractéristiques de la partie cycle : identiques au X-Max 250, à l'exception de l'empattement
Angle de chasse: 28^
Chasse: 100 mm
Hauteur de selle : 785 mm
Empattement: 1525 mm
Longueur hors tout: 2210 mm
Largeur hors tout : 790 mm
Hauteur hors tout : 1380 mm
Garde au sol : 113 mm

| ITEM | |
| A | Nouvel immobilizer MORIC associé à un contacteur à clé ZADI |
| B | Double optique de phare (ampoule halogène HS1 : 2 x 35/35W ) |
| C | Rangement compact dans le tablier avant |
| D | Nouveau boitier d'injection ECU fabriqué par MORIC |
| E | Fourche de Ø 36 mm avec un débutement de 110 mm |
| F | Disque avant de Ø 267 mm associé à un étrier double pistons |
| G | Roue avant en aluminium de 15 pouces à 5 bâtons (15xMT3.5) : Noire pour Yamaha et Argent pour MBK |
| H | Pneu avant : Michelin 120/70-15 |
| I | Batterie MF : Yuasa YTX9-BS |
| J | Caches de poutre centrale de type T-max |
| LEGENDE | |
| K | Repose pied passager de type rabatable |
| L | Pneu arrêté : Michelin 140/70-14 |
| M | Roue arrêté en-aluminium de 14 pouces à 5 bâtons (14xMT3,75) de couleur Argent |
| N | Disque arrêté de Ø 240 mm |
| P | 2 amortisseurs arrêres régables de débutment de 95mm |
| Q | Espace de rangement sous la selle pouvant accueillir 2 casques intégraux |
| R | Feu arrêté redessiné |
| S | Poignées de maintain en aluminium montées sur silent-blocs |
| T | Cadre redessiné |
| U | Nouveau tableau de bord multi-function |
CADRE
- Cadre ouvert tubulaire afin de parfaire la tenue de route et précision de conduite notamment en virage
- Le moteur est fixé dans le cadre par le biais d'un support associé à 2 biellettes ( comme le Kilibre), ce qui se traduit par une meilleure tenue de route et une plus grande rigidity.
■ Nouvelles poignées de maintien en aluminium, montées sur silent-blocs afin de limiter les sensations de “fourmillements”, particulièrement désagréables pour le passager

Numéro de série frappé sur le tube support de marche pied conducteur coté droit


SUSPENSIONS
FOURCHE
Fourche telscopique de diametre 36~mm pour une plus grande rigidity notamment lors des freinages et une meilleure tenue de route.
■ Fabricant: PAIOLI

SUSPENSION ARRIERE
■ 2 combinés ressort / amortisseur, régibles en pré-contrainte (4 positions de réglage)
■ Position de réglage initial = 1 (position 1 = couple / position 4 = dur)
Fabricant:YUNG HWA

SYSTEME DE FREINAGE
FREIN AVANT
■ Simple disque, monté rigide, de diamètre 267 mm associé à un étrier flottant double piston (Ø 28 mm et Ø 25 mm)
Liquide de frein : DOT 4
Fabricant:GRIMECA
■ Récurrence pieces d'usure : plaquette AV : 1B9-W0045-00
kit axe et agraffe: 1B9-WF592-00


FREIN ARRIERE
Simple disque de frein, monté rigide
Etrier identique au YP125 modulo '05
augmentation du diametre de disque (240 mm contre 190 mm pour le YP125 (5XL))
Liquide de frein : DOT 4
Fabricant: BREMBO
■ Récérences pieces d'usure : plaquette ARR : 5NR-F5811-10
kit axe et agraffe: 5NR-F5919-00

ROUES ET PNEUS
■ Nouvelles jantes larges en aluminium à 5 bâtons, de couleur argent
Fabricant de roue : ZNA
■ Fabricant de pneu : MICHELIN

RESERVOIR D'ESSENCE
■ Réservoir d'essence en résine de 12.5 litres, positionné dans la poutre centrale
(le témoin de réserve au tableau de bord ne s'allume lorsqu'il ne reste environ que 2 litres)
■ Possibilité de replir le réservoir d'essence sans ouvrir la salle
Pompe à injection de type immergee dans le réservoir d'essence


Appuyer et lever

Ouverture facilitée par un ressort
SELL DOUBLE
SELL
■ Nouvelle double selle montée sur vérin pour une question de comport et de manipulation
La selle s'ouvre par le biais du contacteur a clé


ESPACE DE RANGEMENT SOUS LA SELLE
■ Espace de rangement de 47 litres sous la double selle
Rangement pouvant contérer un casque intégral et une sacoche d'ordinateur portable ou deux casques intégraux (dans ce dernier cas, il est nécessaire de respecter le bon positionnement des casques, comme illustré sur le dessin moulé au fond du coffre de casque)
Démontage aisé du coffre de casque (sans la selle qui reste fixée sur son support solidaire du cadre) en retardant uniquement 4 boulons : ceci facilitite de ce fait les interventions de maintenance moteur


TABLIER AVANT
■ Présence d'un petit espace de rangement, verrouillable à clé, dans le tablier avant
■ I presence d'un petit casque en homing a la vieille.
■ Le pre-cablage pour l'installation d'une prise 12V (style allume cigare) est proche du contacteur a cle
(2 connecteurs blancs dans une gaine de protection bleue)
L'alimentation de cette prise doit se faire via un fusible de 3 ampères




Le 2 connecteurs ronds (fils noirs) correspondant au branchement de la LED d'alarme
DEMONTAGE DE LA FACE AVANT
■ Afin d'eviter tout risque de casse en enlevant la face avant (A), ne pas oublier d'enlever les vis cachées (une de chaque côte), utilisées pour maintainir cette face avant sur le repose pied conducteur (F). Pour avoir accès à ces 2 vis, il est d'abord nécessaire d'enlever les caches latéraux (E) de poutré centrale (caches d'apparce T-max)
■ Il est également nécessaire d'oter les 2 petits protecteurs lateraux en plastique noir (C), afin d'enlever les 2 vis, fixant la face avant (A) aux caches lateraux inférieurs (D)
■ Enlever ensuite les autres points de fixation de la face avant, à savoir :
après démontage du petit cache de face avant (B), enlever les deux vis et deux boulons supérieurs, maintainant la face avant au tablier avant
les vis fixant le tablier avant a la face avant (coté conducteur)
les 2 vis fixant le cache radiateur à la face avant (à proximé du tep inférieur de fourche)

Vis cachée
F

Vis cachées

1.2.MOTORISATION
PRINCIPALES EVOLUTIONS
La principale innovation du SKYCRUISER 125 est, bien entendu, son nouveau moteur, particulièrement sophistique pour la catégorie.
De conception entièrement nouvelle, ce moteur bénéficie de l'expérience du groupe Yamaha, en termes d'injection de carburant. Ce savoir-faire permet d'obtenir des performances de haut niveau et un comport de conduite remarquable, tout en repondant aux exigences de la future norme anti-pollution Euro-3, notamment en combinant un échéppement à double catalyse et une régulation par sonde à oxygène.
CHARACTERISTIQUES MOTEUR
■ Monocylindre 4 temps, incliné vers l'avant, à refroidissement liquide
Cylindree: 124.6~cm^3
■ Alésage x Course : 52.0 x 58.6 mm
■ Culasse 4 soupapes SOHC de conception entièrement nouvelle
Système d'injection de carburant sans retour
Répond à la norme anti-pollution EU-3, par le biais d'une double catalyse et d'une sonde à oxygène
Décompresseur automatique directement monté sur l'arbre à cames
Corps de papillon AISAN muni d'un I.S.C. et T.P.S.
Filtre à huile pour augmenter la périodicité de changement d'huile
Embrayage renforcé : diamètre de cloche plus important et roulement d'équilibrage en bout d'arbre primaire

Système d'injection de carburant sans retard
Culbuteurs munis de roulements
Cylindre DiASil associé à un piston en aluminium forge
Sonde O_2
Echappement à double catalyse de type nid d'abeille


I.4. PARTIE ELECTRIQUE
ECLAIRAGE
PHARE
■ Nouveau phare à double optique de type multi-reflecteur
■ Ampoules de phare : 2 x type HS1 12V35/35W (le type H4 est catégoriquement INTERDIT en raison de la diffusion de chaleur beaucoup plus importante)
■ Nouveaux clignotants : ampoules oranges 12V10W associées à des cabochons de type “cristal”

FEU ARRIERE
■ Nouveau feu arrière
■ Ampoule de feu arrêté: 2 x 12V21/5 W
■ Clignotants intégrés au feu arrière : ampoule 12V10W

Clignotants (10W)
Feu arrête/stop (21/5W)

SYSTEME DE CHARGE
ALTERNATEUR
■ Nouvel alternateur à aimants en ferrite
■ Rotor à 11 dents, pour répondre aux specifications du système d'injection
■ Résistances : - Capterur de position de vilebrevin (capterur d'allumage) : 310 Ω ± 20% - Entre 2 phases de charge (entre 2 fils blancs) : 0.35 Ω ± 20%
■ Intensité débitée par l'alternateur au ralenti (à 1700 tr/min): 13 A


BATTERIE MF
■ Batterie MF : YTX9-BS (12V 8Ah (10HR))

TABLEEAUD BORD
INSTRUMENTATION
■ Nouveau tableau de bord, muni d'un écran multi-fonction à cristaux liquides
■ Affichage comfortable en utilisation de nuit
Aucun diagnostique du systeme d'injection, ni de réglage du taux de CO ne peut être réalisé directement au niveau du tableau de bord : il est nécessaire d'utiliser l'outil d'injection
■ Possibilité d'effectuer un diagnosticque rapide du système d'injection en décriptant le code de clignotement de la LED d'avertissement moteur (EFI)
L'analyse du système d'anti-demarrage Immobilizer se fait grâce à sa LED présente sur le tableau de bord (voir partie anti-demarrage)

| LEGENDE | |
| A | LED de position PHARE |
| B | Indication de niveau d'essence |
| C | LED de passage en réserve d'essence |
| D | Bouton MODE |
| E | Ecran multi-fonction à cristaux liquides |
| F | Bouton SET |
| G | LED de système Immobilizer |
| H | Indication de température d'eau |
| I | LED d'advertissement moteur (EFI) |
| J | LED de clignotant (et fonction feuels détresse) |

Apparence de jour

Apparence de nuit
INSTRUMENTATION
■ Indication de température d'eau : résistance entre le fil Vert/Rouge (sur le connecteur du tableau du tableau de bord) et la masse
C(Froid) : >810 Ω
1/2: 318 ± 5
H (Chaud): <110 Ω
Debut de zone rouge: 141 Ω Valeurs théoriques de reference
■ Indication de niveau de carburant : résistance entre le fil Orange/Blanc et le fils Bleu ciel (sur le connecteur du tableau de bord)
E(Vide) : >80 Ω
1/2: 33Ω
F (Plein): <11 Ω
Debut de zone rouge: 70Ω Valeurs théoriques de reference
Valeurs théoriques de reference
- Capteur de température extérieure : entre les 2 fils Marron/Vert
-20° 67.77k
-10° => 42.47 kΩ
0^ 27.28k
10^ 17.96k
20^ 12.09k
30^ 8.313k
40^ 5.827k
50^ 4.16k
Valeurs théoriques de reference
ECRAN A CRISTAUX LIQUIDES

*: signe indiquant que la température est inférieure à 3° (risque de verglas)
indiquant que la température extérieure est négative

Partiel 1
Partiel 2
Trip/Fuel
Indication de passage en réserve (donne le nombre de kilometres effectuels depuis le passage en réserve)

Indication d'huile
(a 1000km puis tous les 6000 kms)

Pour effacer le témoin de changement d'huile OIL,mettre le Neiman sur ON,puis maintainir les boutons SET et MODE appuyés de 2 à 5 secondes. Le témoin s'efface lorsque les boutons sont relachés.
PRE-CABLAGE D'ALARME
■ Pré-câblage d'alarme, permettant également de connecter un contacteur d'ouverture de selle
le connecteur de branchement d'alarme se situe à l'arrête du vehicule, entre les deux deux deux arrières
Le pré-câblage de contacteur de selle (de type magnétique) se situe sous le cache arrêté droit, pres des points de fixation de la poignée passager droite sur le cadre. Les 2 connecteurs mono-fil sont isolés dans une gaine bleue
■ Alarme YMD prévue : YM600 en raison du système d'immobilizer

Vue arriere
2 trous taraudés de fixation de l'alarme

Vue de dessus
2 trous taraudés de fixation de l'alarme

Pré-câblage de contacteur de selle
Pre-câblage de contacteur de selle isolé par la gaine bleue


Location du pré-cablage de la LED d'alarme
Pré-câblage de contacteur de selle dénudé
Branchement de la LED d'alarme (utilisation des connecteurs ronds uniquement)



FUSIBLES

| LEGENDE FUSIBLE | |||
| a | INSTRUMENTATION | 15 A | 38 |
| b | PHARE | 15 A | 39 |
| c | VENTILATEUR | 10 A | 35 |
| d | ECU | 5 A | 34 |
| e | ALLUMAGE | 5 A | 36 |
| f | SAUVEGARDE | 5 A | 37 |
| g | FUSIBLES SECONDAIRES DE RECHANGE | 5 - 10 - 15 A | |
| h | FUSIBLE PRINCIPAL DE RECHANGE | 30 A | |
| i | FUSIBLE PRINCIPAL | 30 A | '' 7 '' |
| Repère de schéma électrique | |||
| LEGENDE | ||
| A | Boitier d'injection ECU | 47 |
| B | Bobine d'allumage | 12 |
| C | Sonde à carburant | 52 |
| D | Pompe à carburant | 51 |
| E | Relais (Relais de béquille latérale) | 17 |
| F | Relais principal d'injection EFI | 20 |
| G | Relais de ventilateur | 22 |
| H | Relais d'éclairage | 30 |
| I | Contacteur à clé | 1 |
| J | Centrale clignotante | 49 |
| K | Boite à fusibles (6) | 34 - 39 |
| L | Capteur d'inclinaison | 40 |
| M | Immobilizer | 48 |

VUE COTE GAUCHE
| LEGENDE | ||
| A | Relais de démarreur (y compris le fusible principal) | 7 |
| B | Batterie | 2 |
| C | Ventilateur | 23 |
| D | Contacteur de béquille latérale | 18 |
| E | Avertisseur sonore | 21 |
| F | Redresseur / Régulateur | 3 |
VUE DE FACE


VUE COTE GUIDON
1.5. PARTIE INJECTION
INTRODUCTION
L'impératif accru d'obtenir deailles performances du moteur et des émissions moins polluantes entraine la nécessité de contrôle plus précisé le ratio Air/Carburant.
Pour répondre à ces besoin, on peut avoir recours à un système d'injection électronique只不过 qu'à un système de carburation classique, orienté autour d'un carburateur.
- Ce système permet d'obtenir en permanence le taux Air/essence optimum (le plus proche possible des coefficients stoechiométriques), grâce à un micro-processeur qui régule le volume d'injection (en jouant sur la durée d'ouverture de l'injecteur) selon les conditions de fonctionnement du moteur définies par des capteurs.
COMPARaison DES SYSTEMES DE CARBURATION
CARBURATEUR
INJECTION
ALIMENTATION
Le carburant est aspièré par dépression créé dans le venturi quand le piston descend
Le circuit d'essence sous pression alimente un injecteur electromagnetique dont l'ouverture est commandee par un boitier electronique (ECU)
DOSAGE
Le dosage est assure par les sections respectives du venturi et du giclur d'essence
Le boitier ECU déterminé le temps d'ouverture de l'injecteur
ADAPTATION DU DOSAGE
Des circuits additionnels de sections differentes assurent le dosage dans des circonstances particulieres
Des capteurs renseignent le boitier ECU sur les conditions de marche particulières du moteur. L'ECU modifie en conséquence le temps d'ouverture de l'injecteur
METHODE DE DIAGNOSTIQUE
■ En raison du nombre important de composants intervenant dans le système d'injection d'essence (capteurs en entrée et actionneurs en sortie), les méthodes de diagnostique différent d'un système traditionnel.
Le bloc d'injection ECU est pourvu en ce sens d'un dispositif de détction de pannes permettant de garantir le bon fonctionnement du système d'injection.
■ Si ce dispositif déetecte une défaillance dans le système, il lance immédiatement une action de substitution, lorsque cela est possible, et prévient le pilote en allumant le témoin d'advertissement de panne présente sur le tableau de bord.
Si une panne est détectée alors que le vehicule roule, le témoin d'advertissement de panne du compteur s'allume et en fonction du type de panne, le vehicule peut continuer de rouler grâce aux actions de substitution.
Si une panne est détectée vehicule à l'arrêt,ès que le démarreur est actionné,le témoin d'avertissement de panne se met à clignoter.
La méthode de diagnostique par le boitier d'injection peut se monrer imprecise ou incomplète et se doit alors d'être validée ou complétée physique (par une recherche de panne conventionnelle).
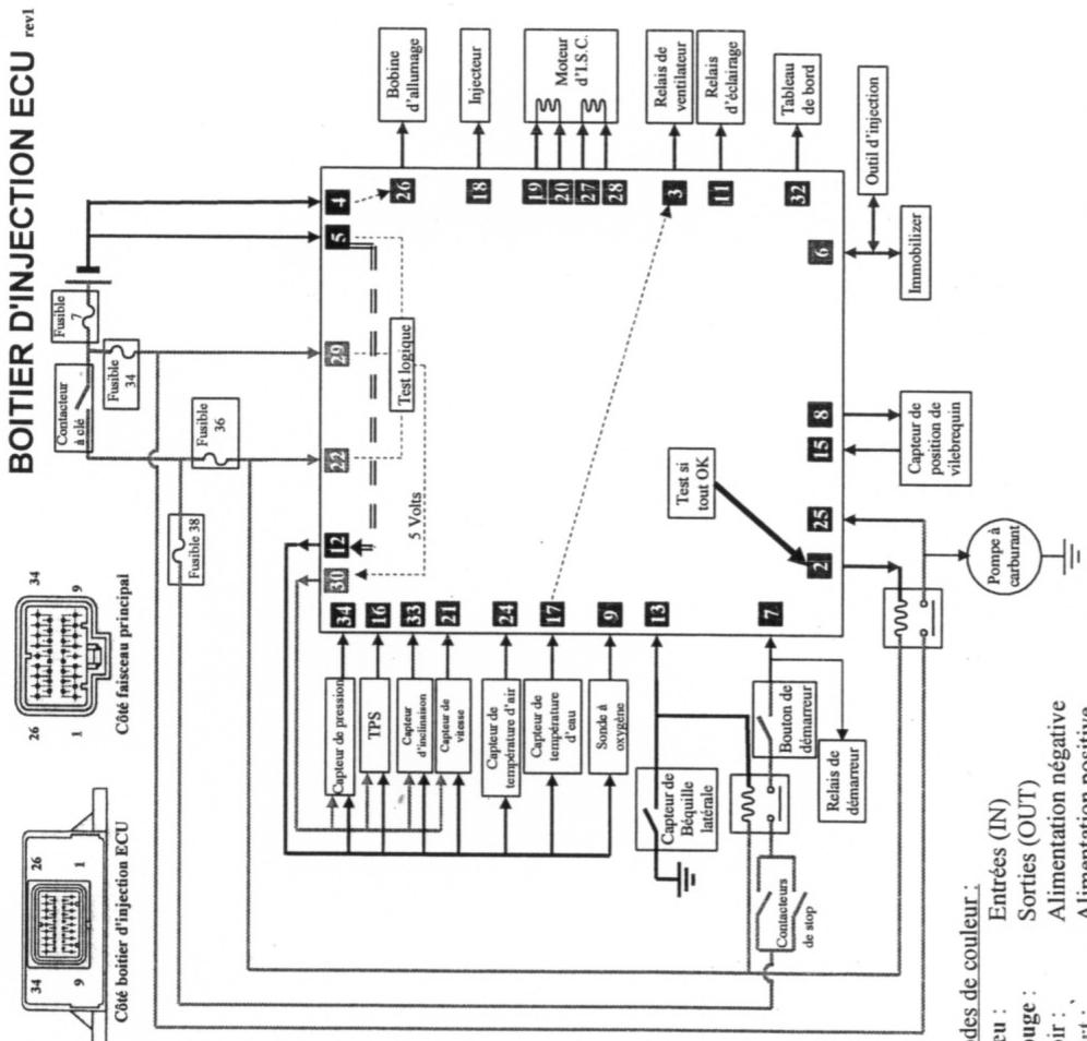
BOITIER D'INJECTION ECU
■ Nouveau boitier d'injection ECU 32 bits, dont les principales fonctions sont :
Gestion de l'injection de carburant
Gestion de l'allumage, de type T.C.I.
Gestion du moteur pas a pas d'I.S.C.
Alimentation négative de la bobine de relais d'éclairage et de relais de ventilateur
Alimentation positive et négative de capteurs d'injection et de la sonde à oxygène
- Accès difficile de l'ECU pour une meilleure protection contre le vol (homologation SRA-France)
■ Fabricant: MORIC

CULASSE
Culasse reddesinée afin d'améliorer le flux air/essence
■ Refroidissement liquide, simple arbre à cames en tête (SOHC) 4 soupapes
Taux de compression : 11.2 : 1
■ Bougie: NGK CPR9EA-9 (référence : 9079Q-30501) / DENSO (référence : 9079Q-03319)
■ Culbuteurs équipés de roulements afin de réduire les pertes par friction au niveau du contact avec les cames

CALAGE DE LA DISTRIBUTION
Le calage de la distribution se fait :
- Pour le haut moteur :
Aligner le "V" moulé dans la culasse avec le trait usiné sur le support de décompresseur automatique

- Pour le vilebreguin :
Oter le bouchon de carter d'alternateur Aligner le "V" moulé dans le carter d'alternateur avec le repere d'allumage present sur l'arête du rotor

LOCALISATION DES COMPOSANTS D'INJECTION


IN (Entree)
1i Capterd'nclinaison (40)
2i Immobilizer (48)
3i Capterur de vitesse (10)
4i Relais principal d'injection EFI (20)
5i Capteur de température d'eau (5)
6i Capteur de bequille laterale (6)
7i Cateur de pression (9)
8i T.P.S. (13)
9i Sonde a oxygène (55)
10i Capteur de température d'air (11)
11i Alternateur: Capteur de position de vilebrequin (2)
OUT (Sortie)
10 Tableau de bord (41)
2o Immobilizer (48)
3o Relais d'éclairage (30)
40 Relais de ventilateur (23)
5o Relais principal d'injection EFI (20)
60 Alternateur: capteur de position de vilebrequin (2)
70 Bobine d'allumage (12)
8oInjecteur (53)
9o Moteur pas a pas d'I.S.C. (54)
Repetes de schemas électrique
SCHEMATISATION DU BOITIER D'INJECTION ECU

Conditions nécessaires :
- Alimentation positive et négative du boitier (pin 4, 5, 22 et 29)
- Si alimentation négative sur la pin 5, l'alimentation négative des composants est possible (pin 12)
- Si l'alimentation négative sur la pin 5 et les alimentations positives (pin 22 et 29) sont presents, alors l'alimentation positive des composants en 5 Volts est possible (pin 30).
- Si tout est OK (alimentation + et - prsentes etaucun défaut détectée par l'ECU sur les composants), la sortie 2 (alimentation - du relais principal EFI) est possible permettant notamment l'alimentation de la pompe à injection


| N° | IN/OUT | Couleur | Identification | Action si fil coupé | Message d'erreur | Mise en route du moteur |
| 1 | ||||||
| 2 | OUT | LG | Alim - relais principal EFI | Pas d'alim de la pompe à carburant | Aucun | Impossible |
| 3 | OUT | GB | Alim - relais ventilateur | Pas d'alim du relais de ventilateur =>faire le diagnostique 51 | Aucun | Possible |
| 4 | IN | B | Alim - de l'ECU | Si défaut aussi sur 5, pas d'alim de pompe à essence | F33 après démarreur | Impossible |
| 5 | IN | BW | Alim - de l'ECU | Si défaut aussi sur 4, pas d'alim de pompe à essence | Immo F56 après démarreur | Impossible |
| 6 | IN/OUT | YL | Comm avec l'Immobilizer | Outil d'injection non alimenté | Immo F53 | Impossible |
| 7 | IN | LW | Bouton de démarreur | RAS (Pas de correction au démarriage) | Aucun | Possible |
| 8 | OUT | WL | Alim - du capteur de position de vilebrequin | F12 après démarreur | Impossible | |
| 9 | IN | GyG | Sonde à oxygène | RAS (Pas de correction de la sonde) | F24 non immédiat | Possible |
| 10 | ||||||
| 11 | OUT | WB | Alim - relais d'éclairage | Pas d'alim du relais d'éclairage =>faire le diagnostique 52 | Possible | |
| 12 | OUT | GyB | Alim - des capteurs FI | Pompe se coupe après 1 seconde | F13/F15/F21/F22/F41 | Impossible |
| 13 | IN | LY | Capteur de béquille | RAS | F19 après démarreur | Impossible |
| 14 | ||||||
| 15 | IN | WR | Retour du capteur de position de vilebrequin | F12 après démarreur | Impossible | |
| 16 | IN | Y | TPS (capteur de position de papillon des gaz) | Un peu plus mou à l'accélération =>cartographie que sur capteur de pression d'admission et papillon totalement ouvert | F15 | Possible sauf si pb avec capteur pression |
| 17 | IN | GR | Capteur de T° d'eau | Affichage -20° sur outil diag injection et ventilateur en marche tout de suite | F21 | Possible |
| 18 | OUT | OrB | Alim - de l'injecteur | F39 après démarreur | Impossible | |
| 19 | OUT | P | Alim 1 du moteur d'ISC | Ralenti haut et instable (2300-2900) | F61 | Possible |
| 20 | OUT | Lg | Alim 2 du moteur d'ISC | Ralenti haut et instable (2300-2900) | F61 | Possible |
| 21 | IN | Gy | Capteur de vitesse | F42 après qq kms | Possible | |
| 22 | IN | RB | Alim + de l'ECU (après contacteur à clé) | Pompe non active + impossible de rentrer dans le mode DIAG (outil FI) | Immo F53 | Impossible |
| 23 | ||||||
| 24 | IN | BrW | Capteur de T° d'air | RAS (Pas de correction liée à la T° air) | F22 | Possible |
| 25 | IN | L | Relais principal EFI | RAS (LED warning compteur s'allume après 20s sans message outil injection) | F43 après Neiman OFF puis ON | Possible |
| 26 | OUT | Or | Alim - bobine allumage | F33 après démarreur | Impossible | |
| 27 | OUT | GyR | Alim 3 du moteur d'ISC | Il faut accélérer pour démarrer et quand on relache, ralenti trop bas (600) => on cale | F61 | Difficile |
| 28 | OUT | Sb | Alim 4 du moteur d'ISC | Il faut accélérer pour démarrer et quand on relache, ralenti trop bas (600) => on cale | F61 | Difficile |
| 29 | IN | RG | Alim + ECU (direct) | Pompe non active + impossible de rentrer dans le mode DIAG (outil FI) | Immo F53 | Impossible |
| 30 | OUT | GyR | Alim + des capteurs FI | F13/F15/F30 | Impossible | |
| 31 | ||||||
| 32 | OUT | YW | Comm avec compteur | Aucun message compteur (LED moteur) et pas d'affichage de vitesse sur compteur | Possible | |
| 33 | IN | YG | Capteur d'inclinaison | Pompe se coupe après 0.5s | F41 après 0.5s | Impossible |
| 34 | IN | PW | Capteur de pression d'air | Réactivité très lente du moteur (surtout si ouverture maxi des gaz) | F13 | Possible sauf si pb avec TPS |
CONTROLES PHYSIQUE ECU et COMPOSANTS INJECTION
| Identification | N° de défaut | DIAG N° | Alim. de 1'ECU | Contrôle au niveau du composant | Contrôle au niveau de l'ECU |
| Capteur de position de vilebrepquin | F12 | No | Entre les bornes du fil Rouge et du fil Blanc entre 248 et 372 ohms | ECU: pin 15 (WR) / pin 8 (WL) entre 248 et 372 ohms | |
| Capteur d'inclinaison | F30 F41 | 08 | S/Vcc S/GND | Entre le fil Jaune/Vert et le Gris/Noir angle <45° => 0,4 à 1,4 Volts angle >45° => 3,7 à 4,4 Volts | ECU: pin 33 (YG) / GND angle <45° => 0,4 à 1,4 Volts |
| T.P.S. | F15 F16 | 01 | S/Vcc S/GND | 1. Entre le fil Gris/Rouge et le fil Gris/Noir Tension d'alimentation du TPS=5 Volts 2. Entre le fil Jaune et le fil Gris/Noir Tension papillon fermé = 0,4 à 0,9 Volts | ECU: pin 16 (Y) / GND Papillon totalement fermé => 0,4 à 0,9 Volts |
| Capteur de pression d'air | F13 F14 | 03 | S/Vcc S/GND | Entre le fil Rose/Blanc et le fil Gris/Noir Neiman sur ON: entre 3,4 et 3,8 Volts | ECU: pin 34 (PW) / GND entre 3,4 et 3,8 Volts |
| Capteur de température d'air | F22 | 05 | S/GND | Entre les bornes du fil Marron/Blanc et Gris/Noir à 20°: entre 2210 et 2690 ohms | ECU: pin 24 (BrW) / GND 20° => de 2210 à 2690 |
| Capteur de température d'eau | F21 | 06 | S/GND | Entre les bornes du fil Vert/Rouge et Gris/Noir à 20°: entre 2320 et 2590 ohms | ECU: pin 17 (GR) / GND 20° => de 2320 à 2590 |
| Capteur de béquille latérale | F19 | 20 | Aux bornes du capteur Capteur ON: continuité Capteur OFF: pas de continuité | ECU: pin 13 (LY) / GND Capteur ON: continuité Capteur OFF: pas de continuité | |
| Capteur de vitesse | F42 | 07 | S/Vcc S/GND | Entre les fils Gris et Gris/Noir 0,6 puis 4,8 Volts en boucle en faisant tourner la roue | ECU: pin 21 (Gy) / GND 0,6 puis 4,8 Volts en boucle en faisant tourner la roue |
| Relais de ventilateur | 51 | Aux bornes des fils Ver/Noir et Rouge/Noir résistance de bobine = 96 ohms | |||
| Relais d'éclairage | 52 | aux bornes des fils Blanc/Noir et Rouge/Jaune résistance de bobine = 96 ohms | |||
| Injecteur | 36 | Aux bornes des fils Orange/Noir et Bleu Résistance de bobine d'injecteur = 12 ohms | |||
| Bobine d'allumage | 30 | Aux bornes des fils Orange et Rouge/Noir Résistance du primaire de bobine = 2.4 ohms | |||
| Relais principal d'injection (EFI) | 50 | Aux bornes des fils Bleu/vert et Rouge/Noir Résistance de bobine = 96 ohms | |||
| I.S.C. | F37 | 54 | 1. Aux bornes des fils Rose et Vert clair Résistance du 1er enroulement =30 ohms 2. Aux bornes des fils Gris/Rouge et Bleu ciel Résistance du 2nd enroulement =30 ohms | ECU: pin 19 (P) / pin 20 (Lg) 30 ohms ECU: pin 27 (GyR) / pin 28 (Sb) 30 ohms | |
| LAN (Communication avec le tableau de bord et | Continuité entre les fils de l'ECU Pin 6 (YL), de l'IMMOBILIZER Pin (YL) et du connecteur de branchement de l'outil d'injection |
OUTIL DE DIAGNOSTIQUE D'INJECTION
Le diagnostique du systeme d'injection se fait par le biais d'un boitier
Le connecteur de branchement de cet outil se situe sous le cache batterie (proche de la batterie et du bouchon de radiateur)
Référence de l'outil d'injection : 90890 - 03182



Note: Le mode de réglage du CO n'est pas utile dans la mesure où ce taux est automatiquement régulé par l'information provenant de la sonde O_2 , dés que le vehicule roule (fonction d'auto-apprentissage)
FONCTIONNEMENT DE L'OUTIL D'INJECTION
L'outil d'injection, de referencia 90890-03182 a pour role d'entrée en communication avec le boitier d'injection ECU et permet en ce sens:
la recherche de pannes
la réalisation de diagnostiques (visualisation de signaux d'entretes et simulation de sorties)
l'affichage du régime moteur et temperture du liquide de refroidissement
Mode normal (=) mode affichage passif):
- Brancher l'outil au connecteur present au niveau du logement de batterie (si vous laissez le contacteur a clé sur OFF, un message apparait sur l'écran "Waiting for connection ..." yoursignalant que l'outil ne peut pas actuellement communiquer avec l'ECU)
- Mettre le contacteur a clé en position ON (la LED verte POWER s'allume signalant la bonne alimentation de l'outil) => Visualisation du régime moteur (0rpm actuellément) et température du liquide de refroidissement.
Après la mise en route du moteur (si possible), le régime moteur affiché augmente (information provenant du capteur de position de vilebrevin)
- Si une panne est actuellément presente sur le vehicule et détectée par le boitier d'injection ECU, il apparait sous la forme :
S/D:code panne La détction d'une erreur entraine l'activation de la LED orange WARNING de l'outil.



FONCTIONNEMENT DE L'OUTIL D'INJECTION
Mode diagnostique de pannes
- Brancher l'outil au connecteur present au niveau du logement de batterie
- Tout en appuyant sur le bouton MODE de l'outil (bouton central),mettre le contacteur a clé en position ON et maintainir le bouton MODE appuyé jusqu'à l'affichage de DIAG à l'écran de l'outil. Vous pouze dés lors relacher le bouton MODE.
- Appuyer brievement sur le bouton MODE afin d'entre dans le menu de diagnostique. On visualise des lors le premier code diagnostique (01 ce qui correspond au capteur de papillon des gaz TPS, cf voir tableau diagnostique) et la valeur actuelle de ce composant (valeur qu'il faut contrcler et valider par rapport au même tableau)


- En appuyant brievement sur le bouton UP (de gauche), vous affichez le code de diagnostique suivant.
- En appuyant brievement sur le bouton DOWN (de droite), vous affichez le code de diagnostique precedent.
REMARQUES
Le code panne 61 permet la visualisation des pannes qui ont ete detectees par lECU mais qui ne le sont plus actuelflement (pannes solutionnées et/ou pannes alatoires non presentes a l'instant present)
Le code 62 représenté la somme des pannes actuellement présentes + celles présentes dans l'histoire (code 61)
Lorsque l'on est positionné sur le code 62, le fait demettre le neiman sur OFF n'efface pas l'histoire de pannes
L'effacement de l'histoire de pannes se fait en se positionnant sur le code 62 puis en
maintenant le bouton MODE appuyé pendant au moins 2 secondes.
Si plus aucune panne n'est presente, le code 62 prend la valeur 00
Après toute résolution de pannes détectées par l'ECU et avant l'essay du vehicule pour validation, il est vivement conseillé de noter la (les) panne(s) actuellement présente(s) (actuelles + historique) et d'effacer l'historique de pannes. Au退还 de l'essay, contrôle à nouveau la présence de pannes actuelles ainsi que l'historique de pannes
TABLEEAUCODESPANNES
| Panne | Intitèle | Symptome | Action de substitution | Démarriage | Conduite |
| 12 | Capteur de position de vilebrecuin | Aucun signal normal n'est reçu en provenance du capteur de position de vilebrecuin | Commande l'arrêt du moteur (injection et allumage) | Impossible | Impossible |
| 13 | Capteur de pression d'air d'admission (circuit ouvert ou court-circuit) | Capteur de pression d'air d'admission : détction d'un circuit ouvert ou d'un court-circuit | Fixe la pression de l'air d'admission à 760 mmHg | Possible | Possible |
| 14 | Capteur de pression d'air d'admission (durite) | Capteur de pression d'air d'admission : problème au niveau de la durite (obstruée ou détached) | Fixe la pression de l'air d'admission à 760 mmHg | Possible | Possible |
| 15 | Capteur de position de papillon des gaz (circuit ouvert ou court-circuit) | Capteur de position de papillon des gaz : détction d'un circuit ouvert ou court-circuit | Fixe la cartographie sur une ouverture totale du papillon des gaz | Possible | Possible |
| 16 | Capteur de position de papillon des gar (bloque) | Capteur de position de papillon des gar : détction d'un blocage | Fixe la cartographie sur une ouverture totale du papillon des gaz | Possible | Possible |
| 19 | Contacteur de béquille latérale (circuit constamment ouvert) | Détection d'une coupure dans le circuit du contacteur de béquille latérale (entree de l'ECU) | Pas de démarrage | Impossible | Impossible |
| 21 | Capteur de T° de liquide de refroidissement (circuit ouvert ou court-circuit) | Capteur de T° de liquide de refroidissement : détction d'un circuit ouvert ou court-circuit | Fixe la T° du liquide de refroidissement à 60° | Possible | Possible |
| 22 | Capteur de T° d'air d'admission (circuit ouvert ou court-circuit) | Capteur de T° d'air d'admission : détction d'un circuit ouvert ou court-circuit | Fixe la T° d'admission à 20° | Possible | Possible |
| 24 | Capteur d'oxygène | Aucun signal normal en provenance du capteur d'oxygène | - | Possible | Possible |
| 30 | Capteur d'inclinaison | Détection d'une inclinaison importante (>45°) du scooter | Coupure de l'injection et allumage | Impossible | Impossible |
| 31 | Capteur d'oxygène (mélange constamment pauvre) | Détection d'un ratio air / essenceavoisinant constamment la limite supérieur (mélange pauvre) | - | Possible | Possible |
| 32 | Capteur d'oxygène (mélange constamment riche) | Détection d'un ratio air / essenceavoisinant constamment la limite inférieur (mélange riche) | - | Possible | Possible |
| 33 | Bobine d'allumage | Circuit ouvert détected au niveau de l'enroulement primaire de la bobine d'allumage | - | Impossible | Impossible |
| 37 | Tiroir du module ISC (gestion de ralenti) bloqué en position totalement ouverte | Régime de ralenti trop élevé | - | Possible | Possible |
| 39 | Injecteur d'essence | Injecteur d essence : détction d'un circuit ouvert ou court-circuit | - | Impossible | Impossible |
| 41 | Capteur d'inclinaison | Capteur d'inclinaison : détction d'un circuit ouvert ou court-circuit | - | Impossible | Impossible |
| 42 | Capteur de vitesse | Aucun signal en provenance du capteur de vitesse | - | Possible | Possible |
| 43 | Tension d'alimentation positive de l'ECU | Alimentation anomale (circuit ouvert) de l'injecteur et de la pompe à essence | Fixe la tension à 12 V | Possible | Possible |
| 44 | EEPROM | Erreur pendant la lecture ou écriteure de l'EEPROM de l'ECU | - | Possible | Possible |
| 46 | Alimentation anomale du système d'injection d'essence | Alimentation anomale (irrégulière) du système d'injection d'essence | Fixe la tension à 12 V | Possible | Possible |
| 50 | Défaillance interne de l'ECU | Défaillance interne de l'ECU | - | Impossible | Impossible |
| 61 | Module ISC (circuit ouvert ou court-circuit) | Module de gestion de ralenti ISC : détction d'un circuit ouvert ou court-circuit | - | Possible | Possible |
Les pannes détectées par le boitier d'injection ECU et que l'on peut contrôler grâce à l'util de diagnostique, peuvent également être visualisées sur le tableau de bord, et plus précisé par la LED d'avertissement de panne moteur, grâce à un formalisme bien précis :
un clignotement long par dizaine puis un clignotement court par unité
exampie: code 37 3 clignotements longspuis7clignotementscourts
Le code panne par la LED d'advertissement de tableau de bord se repete plusieurs fois.
TABLEEAU CODES DIAGNOSTIQUES
| Diagnostique | Intitèle | Description de l'action | Affichage sur l'écran de l'oult(valeur de reference) |
| 01 | T.P.S (capteur de position de papillon) | Affichage de l'angle de papillon- Contrôle papillon totalement fermé- Contrôle papillon totalement ouvert | Position totalement fermée (9~22)Position totalement ouverte (93~106) |
| 03 | Pression d'admission | Pression d'admission d'air- affiche la différence de pression lorsque le démarre entraine le moteur, sans pour celametre en route ce dernier | En actionnant le démarre, la valeur indiquée change |
| 05 | Température d'air | Affiche la température d'air- Contrôle la température dans le boitier de filtre à air | A comparer avec la valeur affichée sur le boitier de contrôle |
| 06 | Température de liquide de refroidissement | Affiche la température de liquide de refroidissement- Contrôle la température de liquide de refroidissement | A comparer avec la valeur affichée sur le boitier de contrôle |
| 07 | Capteur de vitesse | Affiche la valeur cumulée du nombre de pulsations générées lorsque la roue tourne | 0~999(puis reprend à 0 après 999)OK si l'incréération apparait sur le boitier de contrôle |
| 08 | Capteur d'inclinaison | Affiche la tension du capteur d'inclinaison(la limite entre un scooter droit et incliné est donné à 45°) | Droite: 0.4~1.4VInclinée: 3.8~4.2 V |
| 09 | Tension d'alimentation du boitier d'injection (tension batterie) | Environ 12 V | A comparer avec la tension directement mesurée aux bornes de la batterie |
| 20 | Capteur de béquille latérale | Montre que le capteur change d'etat (ON-OFF) si action sur la béquille | Béquille rabattue: ONBéquille déplié: OFF |
| 30 | Bobine d'allumage | Une fois ce diagnostique sélectionné, en appuyant sur le bouton MODE du boitier de contrôle, la bobine d'allumage créé 5 étinçelles (1 par seconde): la LED warning s'allume simultanément 5 fois sur le boitier de contrôle | Contrôler que la bobine d'allumage générale 5 étinçelles (à l'aide d'un éclateur) |
| 36 | Injecteur | Une fois ce diagnostique sélectionné en appuyant sur le bouton MODE du boitier de contrôle, Injecteur est piloté à 5 reprises (1 à chaque seconde): le témoin de warning s'allume simultanément 5 fois sur le boitier de contrôle | Contrôler que le boitier d'injection pilote 5 fois de suite l'injecteur (contrôle sonore et/ou visuel) |
| 50 | Relais principal d'injection(relais EFI) | Une fois ce diagnostique sélectionné, en appuyant sur le bouton MODE du boitier de contrôle, le relais principal d'injection EFI est piloté à 5 reprises (chaque seconde): le témoin de warning s'allume simultanément 5 fois sur le boitier de contrôle | Contrôler que le relais principal fonctionne 5 fois de suite (contrôle sonore) |
| 51 | Relais de ventilateur | Une fois ce diagnostique sélectionné en appuyant sur le bouton MODE du boitier de contrôle, le relais de ventilateur est piloté à 5 reprises chaque seconde: le témoin de warning s'allume simultanément 5 fois sur le boitier de contrôle | Contrôler que le relais de ventilateur fonctionne 5 fois de suite (le ventilateur se met dés lors 5 fois en route) |
| 52 | Relais de phare | Une fois ce diagnostique sélectionné en appuyant sur le bouton MODE du boitier de contrôle, le relais de phare est piloté à 5 reprises chaque seconde: le témoin de warning s'allume simultanément 5 fois sur le boitier de contrôle | Contrôler que le relais d'éclairage fonctionne 5 fois de suite (les ampoules de phare s'allument depuis lors 5 fois) |
| 54 | ISC | Une fois ce diagnostique sélectionné en appuyant sur le bouton MODE du boitier de contrôle, la soupape d'ISC passe en position totallement fermée, puis s'ouvre jusqu'à la position normale lorsque le moteur est mis en route | Le moteur d'ISC vibre lorsque ce diagnostique est actionné |
| 60 | Affichage de codes de défaut EEPROM | Transmet dans la mémoire morte programmable EEPROM les données erronées qui ont été analysées comme étant des définuts. Si de multiples défaillances ont été détectées, des codes différents s'affichtent toutes les 2 secondes (l'affichage de tous les codes se repète en boucle) | 01 Détention de valeur de CO03 Détention de clé de réenregistrement de code (immobilizer)04 Détention de signal de fermeture complète du papillon des gaz00 Apparait lorsqu'il n'y a aucune panne |
| 61 | Affichage de l'historique de code panne | Affiche les codes pannes mis en mémoire dans l'historique des défaillances (= pannes qui ont été solutionnées) | 12~61.00 Apparait lorsqu'il n'y a aucune panne en mémoire |
| 62 | Suppression de l'historique de code panne | Affiche le nombre total de codes qui sont détectés par le dispositif de détraction de pannes et les codes d'erreur de l'historique => codes prêts dans le 61+ pannes actuellément détectées Efface uniquement les codes de l'historique en appuyant sur le bouton MODE du boitier de contrôle d'injection | 00~19.00 Apparait lorsqu'il n'y a aucune panne en mémoire |
| 70 | Nombre de contrôle | Affiche le nombre d'identification de software de l'ECU | 00~255 |
1.6. PARTIE ANTI-DEMARRAGE (IMMOBILIZER)
INTRODUCTION
■ Module Immobilizer intégré au contacteur à clé, afin d'être en phase avec les attentes clients en termes d'anti-demarrage
- Ce système répond à la norme S.R.A.
■ Fabricant : MORIC

PRINCIPLE DE FONCTIONNEMENT
Le système d'anti-demarrage Immobilizer est constitué :
d'un contacteur à clé avec immobilizer et antennes
de clés de contact avec transpondeur
d'un boitier d'injection ECU
Le skycruiser est livre avec 3 clés :
une clé maitre (rouge) indispensable pour l'enregistrement et remplacement de clés
deux clés standards pour une utilisation au quotidien
Le système d'immobilizer contrôle la conformité des clés en utilisant 2 deux de nombre codés ainsi qu'un calcul spécifique
un nombre d'identification ID
un nombre aléatoire (qui change à chaque mise en route du moteur)
le résultat du calcul
- Chaque fois que le contact est mis, le système compare le nombre ID, le nombre aléatoire et le résultat calculé par l'ECU, l'immobilizer et la clé de contact.
Si un de ces nombres ne correspond pas, l'ECU interdit le démarrage du moteur en coupant l'alimentation du circuit d'injection d'essence et l'allumage.
Le boitier ECU ne contient que le numéro d'identification de la clé maitre.
L'immobilizer contient le numero de la clé maitre et peut containir jusqu'à 2 codes de clés standards.
- Dès que le numéro d'identification de la clé maitre est enregistré dans l'ECU et l'immobilizer, ce numéro ne peut plus être changé. L'ensemble ECU, immobilizer et clé maitre est apparié à vie.
Au maximum, 3 codes de clés peuvent être enregistrés simultanément dans l'immobilizer : 1 code de clé maitre et 2 codes de clés standards. Pour enregistrer une clé noire, la clé maitre est indispensable.
Si toutes les clés sont perdues (notamment la clé maitre), il faut remplacer l'ECU, l'immobilizer et le jeu de clé.
ARBRE A CAMES
■ Modification du diagramme de distribution afin d'améliorer le caractère moteur


| YP125E (5XL) | YP125R (1B9) | ||
| Admission | A | 25.195 mm | 25.114 mm |
| B | 30.861 mm | 30.275 mm | |
| Echappement | A | 25.202 mm | 25.171 mm |
| B | 30.861 mm | 30.311 mm | |
| YP125E (5XL) | YP125R (1B9) | ||
| Admission | BTDC | 26° | 29° |
| ABDC | 70° | 59° | |
| Echappement | BBDC | 64° | 64° |
| ATDC | 22° | 24° | |
| Recouvrement | 48° | 53° | |
SOUPAPES D'ADMISSION ET D'ECHAPPEMENT
■ Utilisation de l'inconel (acier à fort taux de nickel) pour les soupapes d'échéppement, notamment pour la tige afin d'améliorer l'efficacité et la longévite.
■ Meilleure précision d'asinage des tiges de soupape d'échéppement par rapport à la celle obtenue avec de l'acier communément utilisé

SOUPAPE D'ADMISSION

SOUPAPE D'ECHAPPEMENT
| YP125E (5XL) | YP125R (1B9) | ||
| Soupapes d'admission | Angle | 24° | 20° |
| Nombre | 1 | 2 | |
| Diamètre | 27 mm | 19.5 mm | |
| Longueur | 91.5 mm | 85.2 mm | |
| Diametre de guide | 4.5 mm | 4.5 mm | |
| Jeu | 0.10 to 0.14 mm | 0.10 to 0.14 mm | |
| Soupapes d'échévement | Angle | 28° | 20° |
| Nombre | 1 | 2 | |
| Diametre | 23 mm | 17 mm | |
| Longueur | 90.4 mm | 84.8 mm | |
| Diametre de guide | 4.5 mm | 4.5 mm | |
| Jeu | 0.16 to 0.20 mm | 0.22 to 0.26 mm | |
PROCEDURE D'ENREGISTREMENT
■ Remplacement de l'immobilizer ou de l'ECU
Ces operations necessitant de posseder la clé maitre d'origine.
A pres installation de la nouvelle piece (ECU ou Immobilizer), metre le Neiman sur ON avec la clé maitre.
Si la LED Immobilizer du tableau de bord s'eteint après une seconde, l'enregistrement a réussi.
Vérifier que le moteur démarre normalement avec la clé maitre
Proceder à l'enregistrement des clés standards.
■ Remplacement de clés standards
L'enregistrement de clés standards est nécessaire :
- lorsqu'une clé a été perdue et doit être remplacée
- suite au remplacement de l'ECU ou de l'immobilizer.
L'immobilizer doit etre en mode veille (neiman sur OFF depuis au moins 30s)
Ce mode veille est signalé par un flash court de la LED Immobilizer du tableau de bord toutes les 2 secondes environ. Attention, le mode veille se coupe après 24 heures d'inactivité du scooter. Si tel est le cas,mettre le Neiman sur ON puis OFF et attendre 30s.
Mentre le Neiman sur ON avec la clé maitre et l'enlever avant 5s
De nouveau avant 5s, introuire une clé standard etmettre le Neiman sur ON pendant une seconde.
Le mode d'enregistrement est alors activé, pour environ 8 secondes, ce qui se traduit par un nouveau type de flash de la LED d'immobilizer du compteur (0.5s LED ON/ 0.5s LED OFF/ 0.5s LED ON, ...)
Remetre le neiman en position OFF et enlever la cléMAINANTEN ENREGRÉE
Si vous avez une deuxieme clé standard à enregistrer, introduire immediatement cette deuxieme clé et tourner le Neiman sur ON. Le mode d'enregistrement s'arrête immediatement (LED d'immobilizer qui s'estint)
Valider la bonne procedure en vous assurant que vous pouvez demarrer correctement le vehicule avec la (les) clés standards.
■ Si une seule clé a été enregistrée, l'enregistrement de la deuxième ne peut se faire ultérieurement. Il est alors nécessaire de recommencer la procédure en entier (programmation des 2 clés standards)
Si une clé a été perdue, faire la procédure d'enregistrement avec la clé restante. Cela aura pour conséquence de prendre la clé perdue inutilisable (communication à faire auprès du client).
REEMPLACEMENT DE PIECES ET REFERENCES SKYCRUISER
Si toutes les clés sont perdues, y compris la clé maitre
Remplacer ECU, Immobilizer, clés, neiman + jeu de serrure accessoires
= > Réferenc du kit: 1B9-WH250-10
La reconnaissance des 3 composants (clé maitre, ECU et Immobilizer) se fera la première fois que l'on mettra le neiman sur ON avec la nouvelle clé maitre
Si une clé est perdue
Recommender une clé standard vierge de tout code
Reforence: 1B9-H2511-19
Programmer la nouvelle clé vierge (et l'ancienne clé noire si encore existante)
Si le boitier d'injection ECU est defectueux
Recommander un ECU vierge
Référence: 1B9-8591A-00
Reprogrammer l'ECU à l'aide de la clé maitre
■ Si l'immobilizer est défectieux
= > Recommander un immobilizer vierge
Référence: 1B9-WH25C-00
= > Reprogrammer l'immobilizer à l'aide de la clé maitre
■ Si l'un des composants du kit d'accessoires est defectueux (serrure de tablier ou bouchon d'essence)
- Si le client accepte d'avoir 2 jours de clé (un pour le nouvel accessoire et un pour le reste), il peut commander séparément l'accessoire d'effectueux
= > Reforence du bouchon: 1B9-WF461-00
Reforence de la serrure: 4MJ-F1780-01
- Si le client ne veut qu'un seul jeu de clé, il doit recommender un kit Neiman complet (2 clés noires + neiman + accessoires) *
Récurrence: 1B9-WH25A-10
Il devra utiliser son ancienne clé maitre (dont le numero d'identification est dans le boitier ECU) pour reprogrammer le nouvel immobilizer et les clés standards. comme cette ancienne clé maitre ne peut pas faire tourner le nouveau neiman (empreinte de clé différente), il faut utiliser la procedure changement de neiman seul (procedure avec interrupteur extérieur). Le seul inconvéniant est que la clé maitre utilisée ne peut pas être utilisée comme clé au quotidien (uniquement pour de la programmation)
Surtout ne pas utiliser la nouvelle clé maitre au risque de devoir changer ensuite le boitier ECU
- Si le client souhaite retrouver une configuration d'origine (un seul jeu avec la clé rouge utilisable), il faut recommander dans ce cas le kit complet (ECU + Immobilizer + Clés + Neiman + jeu de serrure accessoires)
referrer du kit: 1B9-WH250-10
La reconnaissance des 3 composants (clé maitre, ECU et Immobilizer) se fera la première fois que l'on mettra le neiman sur ON avec la nouvelle clé maitre
- ERREURPC = Scan imchiliirei
REEMPLACEMENT DE PIECES + REFERENCE SKYCRUISER (SUITE)
Si le contacteur a clé est défectueux et que la clé maitre est toujours utilisable
Jadis, dans une telle situation, il etait nécessaire de changer un kit complet (y compris l'ECU)
Il est possiblemaintenant de commander uniquement le neiman (livre avec uniquement 2 clés noires:pas de clé maitre rouge) et de procederà l'enregistrement des nouvelles clés vierges par le biais d'une procedure spécifique.
referrer du neiman (+2 clés noires): 1B9-WH25B-10
Le boitier ECU et l'immobilizer qui n'ont pas ete changes ont en memoire le numero d'identification de la clé maitre de l'ancien neiman. Il est donc impératif d'utiliser cette ancienne clé maitre pour programmer les nouvelles clés vierges.
Hors l'empreinte mécanique de la clé étant différente, l'ancienne clé maitre ne peut pas faire tourner le nouveau Neiman.
On simulera donc la mise en position ON puis OFF du neiman par le biais d'un interrupteur extérieur que l'on branchera sur le faisceau principal en lieu et place de la partie électrique du neiman.

Une fois ce montage effectué, procéder comme pour un enregistrement normal de clés (voir procédure de remplacement de clés), à la seule différence que l'on ne fait pas tourner le
neiman mais on bascule l'interrupter en position ON puis OFF.
- Inserrer la clé maitre dans le nouveau neiman
-
Mettre l'interrupteur sur ON puis sur OFF
-
Insérer la première clé noire vierge
-
- Mettre l'interrupteur sur ON puis OFF
- Faire de même pour la seconde clé
- Valider que l'on peutmettre en marche le moteur avec les 2 clés noires
■ Attention : la clé maitre ne peut pas être utilisée au quotidien (mauvaise empreinte) mais doit être gardée précieusement pour toute phase ultérieure de ré-enregistrement


CODESPANNES
■ En cas de problème relatif au système d'anti-demarrage Immobilizer, un code d'erreur peut etre visualise sur l'outil de diagnostique d'injection et par le biais de la LED d'immobilizer au niveau du tableau de bord.
Le formalisme de clignotement de la LED est toujours le même, a savoir :
Formalisme : Un clignotement long par dizaine puis un clignotement court par unité.
■ Les codes d'erreur propres au système d'anti-demarrage immobilizer variant de 51 à 56, on visualisera toujours 5 clignotements longs, seuils les clignotements courts devant être interprétés rigoureusement.
| Code de panne | Pièce | Symptôme | Cause | Action |
| 51 | Unité d'immobilisa-tion | Impossibilité de transmettre le code entre la clé et l'unité d'immobilisation. | 1) Il se trouve à proximé des clés ou des antennes des objets qui interrompent les ondes radio.2) Panne de l'unité d'immobilisa-tion3) Défectuosié de la clé | 1) Tenir aimants, éléments métalliques et autres clés du système d'immobilisation à distance des clés et des antennes.2) Remplacer le contacteur à clé/l'unité d'immobilisation.3) Remplacer la clé. |
| 52 | Unité d'immobilisa-tion | Les codes transmis entre la clé et l'unité d'immobilisa-tion ne correspondent pas. | 1) Signal transmis par un autre transpondeur (échec de la reconnaissance du code après 10 essais consécutifs).2) Signal transmis par une clé standard non enregistrée. | 1) Placer l'unité d'immobilisation à au moins 50 mm du transpondeur d'autres motos.2) Enregister la clé standard. |
| 53 | Unité d'immobilisa-tion | Impossibilité de transmettre le code entre l'ECU et l'unité d'immobilisation. | 1) Brouillage ou fil/câble décon-necté.2) Obstruction par brouillage radio.3) Faisceau de communication déconnecté.4) Panne de l'unité d'immobilisation5) Panne de l'ECU | 1) Contrôler le faisceau de fils et le connecteur.2) Remplacer le contacteur à clé/l'unité d'immobilisation.3) Remplacer l'ECU. |
| 54 | Unité d'immobilisa-tion | Les codes transmis entre l'ECU et l'unité d'immobilisation ne correspondent pas. | 1) Brouillage ou fil/câble décon-necté.2) Obstruction par brouillage radio.3) Panne de l'unité d'immobilisa-tion4) Panne de l'ECU(En cas d'utilisation de pieces provenant d'autres motos, la clé d'enregistrement des codes n'est pas enregistrée dans l'ECU.) | 1) Enregister la clé d'enregistrement des codes.2) Remplacer le contacteur à clé/l'unité d'immobilisation.3) Remplacer l'ECU. |
| 55 | Unité d'immobilisa-tion | Mauvais fonctionnement de l'enregistrement des codes de clés | On a tenté d'enregister deux fois consécutives la même clé standard. | Enregister une nouvelle clé standard. |
| 56 | ECU | Un code non identifié est reçu. | Brouillage ou fil/câble décon-necté. | 1) Contrôler le faisceau de fils et le connecteur.2) Remplacer le contacteur à clé/l'unité d'immobilisation.3) Remplacer l'ECU. |
I.7. SERVICE INFORMATION
IDENTIFICATION DU SCOOTER GEN INFO
FAS00160
RENSEIGNEMENTS GÉNÉRAUX
IDENTIFICATION DU SCOOTER
FAS00170
NUMERO D'IDENTIFICATION DU
VEHICULE
Le numero d'identification du vehicule ① est grave sous le tapis du repose-pieds droit.
ETIQUETTE DE MODELE
L'etiquette de modele 1 est située sous le siège. Les renseignements figurant sur cette etiquette sont nécessaires lors de la commande de pieces de rechange.
| Éléments | Standard | Livre |
| Code du cadre | YP125R 1B91 - 1B92 | — |
| Dimensions | ||
| Longueur hors tout | 2210 mm (87.0 in) | — |
| Largeur hors tout | 790 mm (31.1 in) | — |
| Hauteur hors tout | 1380 mm (54.3 in) | — |
| Hauteur de la selle | 785 mm (30.9 in) | — |
| Empattement | 1545 mm (60.8 in) | — |
| Garde au sol minimum | 113 mm (4.45 in) | — |
| Rayon de braquage minimum | 3650 mm (143.7 in) | — |
| Weight | ||
| Avec hülle et carburant | 166 kg (366 lb) | — |
| Charge maximale (Poids total du pilote, du passager, du chargement et des accessоires) | 189 kg (417 lb) | — |
| SPECIFICATIONS GENÉRALES | SPEC |
SPECIFICATIONS DU MOTEUR SPEC
| Éléments | Standard | Livre |
| Pompe à huile | ||
| Type de pompe à huile | Trochoïdale | *** |
| Jeu en bout rotor intéérieur à rotor extérieur | 0.035 mm (0.0013 in) | 0.14 mm(0.0055 inch) |
| Jeu rotor extérieur à carter de pompe à hulle | 0.13 ~ 0.19 mm(0.0051 ~ 0.0074 in) | |
| Jeu entre logement de pompe à hulle et rotor extérieur | 0.06 ~ 0.11 mm(0.0023 ~ 0.0043 in) | |
| Circuit de refroidissement | ||
| Capacité du radiateur | 0.7 L (0.73 US qt) (0.6 Imp qt) | **** |
| Pression d'ouverture du bouchon de radiateur | 100 ~ 118 kPa(1 ~ 1.18 kg/cm2, 14.2 ~ 16.8 psi) | **** |
| Faisceau de radiateur | ||
| Largeur | 310 mm (12 inch) | **** |
| Hauteur | 120 mm (4.724 inch) | **** |
| Profondeur | 23 mm (0.905 inch) | **** |
| Vase d'expansion | ||
| Capacité | 0.26 L (0.28 US qt) (0.23 Imp qt) | **** |
| Pompe à eau | ||
| Type de pompe à eau | Pompe centrifuge à aspiration unique | **** |
| Rapport de démultiplication | 16/38 (0,5) | **** |
| Température du liquide de refroidissement | 90 ~ 100 °C (194 ~ 212 °F) | **** |
| Type de système de démarrage | Démarreur électrique | **** |
| Injection électronique de carburant | ||
| Type | 1B9 | **** |
| Fabricant | AISAN | **** |
| Bougie | ||
| Modèle (fabricant) x quantité | CPR 9EA-9 x 1 / NGK | **** |
| Écartement des electrodes de bougie | 0.8-0.9 mm (0.031-0.035 in) | **** |
| Culasse | ||
| Volume | 9.9-10.5 cm3 (0.6 ~ 0.64 cu.in) | **** |
| Limits de déformation* | **** | 0.05 mm(0.002 in) |
2-3
SPÉCIFICATIONS DU MOTEUR SPEC
| Éléments | Standard | Livre |
| MateurType de moteurCylindréeDisposition de cylindreAlésage x courseTaux de compressionRégime de ralenti | Refroidissement par liquide,4 temps, double arbre à camesen tête124.66 cm3 (7.61 cu⋅in)Monocyclindre incliné vers l'avant52 x 58.6 mm (2.05 x 2.31 in)11.2:11700 ±100 rpm. | ****** |
| CarburantCarburant recommandéCapacité du réseau voir de carburantQuantité totale | Essence ordinaire sans plombuniquement (Europe)12.5 L (2.75 US gal) (11 Imp.gal) | ****** |
| Huile moteurSystème de graissageHulle recommandée-20 -10 0 10 20 30 40 50 °CSAE 10W-30SAE 10W-40SAE 15W-40SAE 20W-40SAE 20W-50 | Carter humideChoisisir l'huile en se référantau tableau. | ****** |
| Huile moteur recommandée | API Service de classe SE, SF,SG ou supérieures | ****** |
| QuantitéQuantité totaleSans remplacement de l'élementdu filtré à huleAvec remplacement de l'élementdu filtré à hule | 1.6 L (1.70 US qt) (1.41 Imp qt)1.4 L (1.48 US qt) (1.23 Imp qt)1.5 L (1.59 US qt) (1.32 Imp qt) | ****** |
| Huile de transmission finaleTypeQuantité | Huile moteur SAE10W-30de type SE0.21 L (0.22 US qt) (0.18 Imp qt) | ****** |
2-2
6
SPECIFICATIONS DU MOTEUR | SPEC |
| Éléments | Standard | Livre |
| Chaine de distribution | ||
| Modèle/nombre de mallons | SCR-0404 or DID or SV/96 | **** |
| Type de réglage de la tension | Automatique | **** |
| Soupapes, sièges et guides de soupape | ||
| Jeu des soupapes (à frold) | ||
| Admission | 0.1 ~ 0.14 mm (0.0039 ~ 0.0055 in) | **** |
| Échéappement | 0.22 ~ 0.26 mm (0.0086 ~ 0.0120 in) | **** |
| Dimensions des soupapes | ||
| Head Diameter | Face Width | Seat Width |
| Diamètre A de tête de soupape | ||
| Admission | 19.40 ~ 19.60 mm (0.763 ~ 0.771 in) | **** |
| Échéappement | 16.90 ~ 17.10 mm (0.665 ~ 0.673 in) | **** |
| Largeur B de portée de soupape | ||
| Admission | 1.680 ~ 2.120 mm (0.066 ~ 0.083 in) | **** |
| Échéappement | 1.480 ~ 2.190 mm (0.058 ~ 0.086 in) | **** |
| Largeur de sîgue de soupape C | ||
| Admission | 0.34 ~ 0.54 mm (0.013 ~ 0.021 in) | |
| Échéappement | 0.62 ~ 0.75 mm (0.024 ~ 0.029 in) | |
| Épaisseur de rebord de soupape D | ||
| Admission | 0.85 ~ 1.15 mm (0.033 ~ 0.045 in) | **** |
| Échéappement | 0.85 ~ 1.15 mm (0.033 ~ 0.045 in) | **** |
| Diamètre de queue de soupape | ||
| Admission | 4.475 ~ 4.490 mm (0.176 ~ 0.177 in) | |
| Échéappement | 4.475 ~ 4.490 mm (0.176 ~ 0.177 in) | |
| Diamètre intéérieur de guide de soupape | ||
| Admission | 4.5 mm (0.177 in) | 4.07 mm (0.16 in) |
| Échéappement | 4.5 mm (0.177 in) | 4.07 mm (0.16 in) |
| Jeu entre queue et guide de soupape | ||
| Admission | 4.5 ~ 4.55 mm (0.177 ~ 0.179 in) | |
| Échéappement | 4.5 ~ 4.55 mm (0.177 ~ 0.179 in) |
2-5
#
SPEC
SPECIFICATIONS DU MOTEUR
| Éléments | Standard | Livre |
| Arbres à cames | ||
| Type d'entrainment | Transmission par chaîne (droite) | **** |
| Dimensions de creme d'arbre à cames d'admission | ||
| Mesure A | 30.225 ~ 30.325 mm(1.189 ~ 1.193 in) | 30.125 mm(1.186 in) |
| Mesure B | 25.064 ~ 25.164 mm(0.986 ~ 0.99 in) | 24.964 mm(0.982 in) |
| Dimensions de creme d'arbre à cames d'échéppement | ||
| Mesure A | 30.261 ~ 30.361 mm(1.191 ~ 1.195 in) | 30.161 mm(1.187 in) |
| Mesure B | 25.121 ~ 25.221 mm(0.989 ~ 0.992 in) | 25.021 mm(0.985 in) |
| Livre de faux-rond d'arbre à cames | **** | 0.03 mm(0.0012 in) |
2-4
8
SPÉCIFICATIONS DU MOTEUR SPEC
| Éléments | Standard | L imite |
| Cylindre | ||
| Disposition du cylindre | Monocylindre incliné vers l'avant | *** |
| Alésage x course | 52 x 58.6 mm (2.05 x 2.31 in) | *** |
| Taux de compression | 11.2:1 | *** |
| Alésage | 52 - 52.01 (2.047 - 2.048 in) | *** |
| Limite de conicité | **** | 0.03 mm(0.001 in) |
| Piston | ||
| Jeu entre piston et cylindre | 0.04 ~ 0.07mm (0.001 ~ 0.002 in) | |
| Diamètre D | 51.94 ~ 51.96 mm (2.044 ~ 2.045 in) | *** |
| Hauteur H | 5 mm (0.20 in) | *** |
| Alésage d'axe de piston (dans le piston) | ||
| Diamètre | 14.002 ~ 14.013 mm(0.55 ~ 0.551 in) | |
| Décentrage | 1 mm (0.03937 in) | *** |
| Direction du décentrage | Côté admission | *** |
| Axe de piston | ||
| Diamètre extérieur | 13.995 ~ 14 mm (0.55 ~ 0.551 in) | |
| Jeu axe de piston - alésage d'axe de piston | 0.002 ~ 0.018 mm (0 ~ 0.0007 in) | |
| Segments | ||
| Segment de feu | ||
| Type de segment | Cylindrique | *** |
| Dimensions (B x T) | 0.8 x 1.9 mm (0.031 ~ 0.074 in) | *** |
| Écartement des becs (segment monté) | 0.1 ~ 0.25 mm (0.003 ~ 0.009 in) | |
| Jeu létal de segment | 0.001 ~ 0.005 mm (0 ~ 0.0001 in) |
2-7
SPÉCIFICATIONS DU MOTEUR | SPEC
| Éléments | Standard | Livre |
| Faux-rond de queue de soupapeLargeur de siège de soupapeAdmissionÉchéappement | ****0.85 ~ 1.15 mm (0.033 ~ 0.045 in)0.85 ~ 1.15 mm (0.033 ~ 0.045 in) | 0.01 mm(0.0004 in) |
| Ressorts de soupapeLongueur libreAdmissionÉchéappementLongueur monté (soupape fermée)AdmissionÉchéappementPression de ressort comprimé (installé)AdmissionÉchéappementInclinaison de ressort * | ||
| AdmissionÉchéappementSens d'enroulement (vue du dessus)AdmissionÉchéappement | ********Dans le sens des aiguilles d'une montreDans le sens des aiguilles d'une montre | 1.87 mm(0.073 in)1.87 mm(0.073 in)**** |
2-6
10

SPECIFICATIONS DU MOTEUR
| Éléments | Standard | Lemme |
| Embrayage centrifuge automatiqueÉpaisseeur degarniture d'embarayageLongueur libre du ressort de la garnitured'embarayageDiamètre intérieur de cloche d'embarayageLongueur libre de ressort de compressionDiamètre extérieur de galetVitesse d'engagement de l'embarayageVitesse de libération de l'embarayage | 40.5 mm (1.609 in)135 mm (5.314 in)112 mm (4.409 in)10 mm (0.393 in)5200 ~ 5750 r/min2300 ~ 3200 r/min | ****135.1 mm(5.318 in)**** |
| Courrole trapézoidalLargeur de courroie trapézoidal | 22 mm (0.866 in) | |
| TransmissionSystème de réduction primaireTaux de réduction primaireSystème de réduction secondaireTaux de réduction secondaireType d'embrayageType de transmissionCommandeAutomatique à une seule vitesse | Engrenage hélicoidal41 / 14Engrenage hélicoidal44 / 13Sec, centrifuge automatiqueAutomatique à courroletrapézoidalCentrifuge automatique2.645 ~ 0.824 | ************ |
| Type de filtre à airPompe à carburantType de pompemodèle (fabricant)Pression de sortie | À élément humideÉlectriqueBITRON250 kPa (36 psi) (2.5 kgf/cm2) | **** |
| Boitier d'injectionJeu de cable des gaz (à la collerettede la polgnée des gaz) | 4 ~ 6 mm (0.157 ~ 0.236 in) | **** |
2-9
9
SPECIFICATIONS DU MOTEUR SPEC
| Éléments | Standard | Livre |
| Segment d'étanchéité | ||
| Type de segmentDimensions (B x T)Écartement des becs (segment monté)Segment racleur d'huileDimensions (B x T)Écartement des becs (segment monté)Jeu létal de segment | Fuselé0.8 x 2.1 mm (0.031 ~ 0.082 in)0.1 ~ 0.25 mm (0.003 ~ 0.009 in)1.5 x 1.95 mm (0.059 x 0.076 in)0.2 ~ 0.7 mm (0.007 ~ 0.027 in)0.5 mm (0.019 in) | ******** |
| **** | ||
| **** | ||
| **** | ||
| VilbreguinLargeur ALimite de faux-rond CJeu létal de tête de bielle DJeu radial de tête de bielle E | 45.95 ~ 46 mm (1.809 ~ 1.811 in)****0.15 ~ 0.45 mm (0.005 ~ 0.017 in)0.004 ~ 0.014 mm (0 ~ 0.0001 in) | ****0.03 mm(0.0012 in)**** |
2-8

SPEC
CHARACTERISTIQUES DU CHASSIS
| Éléments | Standard | Lemme |
| Pneu arrêté | ||
| Type de pneu | Sans,chambre à air (Tubeless) | **** |
| Taille | 140/70-14 M/C 68P or 68S | **** |
| Modèle | Michelin / Gold Standard | **** |
| Pression de gonflage de pneu (à froid) | ||
| 0~90kg (0~198lb) | 220 kPa (31 psi) (2.2 kgf/cm2) | **** |
| 90~Max kg (198~max lb) | 250 kPa (36 psi) (2.5 kgf/cm2) | **** |
| Conduite à grande vitesse | 250 kPa (36 psi) (2.5 kgf/cm2) | **** |
| Profondeur minimum de sculpture de bande de roulement | **** | 1.6 mm(0.062 in) |
| Frein avant | ||
| Type de frein | Frein monodisque | **** |
| Commande | Main droite | **** |
| Liquide recommandé | DOT 4 | **** |
| Disques de frein | ||
| Diamètre x épaisseur | 267 x 5 mm(10.511 x 0.196 in) | **** |
| Épaisseur minimum | **** | 4.5 mm(0.177 In) |
| Déformation limite | **** | 0.15 mm(0.006 in) |
| Épaisseur de garniture de plaquette de frein * | 4.5 mm (0.177 In) | 0.5 mm(0.019 in) |
| Diamètre intérieur de maître-cylindre | 28 mm and 25 mm(1.102 and 0.984 in) | **** |
| Diamètre intérieur de cylindre d'étrier | 12.7 mm (0.499 In) | **** |
2-11

SPEC
CHARACTERISTIQUES DU CHASSIS
CHARACTERISTIQUES DU CHASSIS
| Éléments | Standard | Livre |
| Cadre | ||
| Type de cadre | Cadre ouvert tubulaire | **** |
| Angle de chasse | 28° | **** |
| Chasse | 100 mm (3.937 in) | **** |
| Roue avant | ||
| Type de roue | Roue coulée | **** |
| Jante | ||
| Taille | 15 x MT3.5 | **** |
| Matériau | Aluminium | **** |
| Débattement de roue | 94 mm (3.701 in) | **** |
| Voile de roue | ||
| Limite de voile radial de roue | **** | 1 mm(0.039 in) |
| Limite de voile latéral de roue | **** | 1 mm(0.039 in) |
| Limite de déformation d'essieu | **** | 0.03 mm(0.0012 in) |
| Roue arrêtere | ||
| Type de roue | Roue coulée | **** |
| Jante | ||
| Taille | 14 x MT3.75 | **** |
| Matériau | Aluminium | **** |
| Débattement de roue | 83 mm (3.267 in) | **** |
| Voile de roue | ||
| Limite de voile radial de roue | **** | 1 mm(0.039 in) |
| Limite de voile latéral de roue | **** | 1 mm(0.039 in) |
| Pneu avant | ||
| Type de pneu | Sans,chambre à air (Tubeless) | **** |
| Taille | 120/70-15 M/C 56P or 56S | **** |
| Modèle | Michelin / Gold Standard | **** |
| Pression de gonflage de pneu (à froid) | ||
| 0 ~ 90 kg (0 ~ 198 lb) | 190 kPa (27 psi) (1.9 kgf/cm2) | **** |
| 90 ~ Max kg (198 ~ max lb) | 210 kPa (30 psi) (2.1 kgf/cm2) | **** |
| Conduite à grande vitesse | 210 kPa (30 psi) (2.1 kgf/cm2) | **** |
| Profondeur minimum de sculpture debande de roulement | **** | 1.6 mm(0.062 in) |
2-10
DECOMPRESSEUR AUTOMATIQUE
PRINCIPLE ET COMPOSITION
■ Le YP125R (Skycruiser 125) possède un système de décompresseur de type centrifuge afin de facilititer le démarrage.
■ Mécanisme de décompresseur, particulièrement compact, monte directement sur l'airé à l'air (non par l'intémédiaire d'une piece rapportée), dont l'action cesse quand le moteur atteint 730 + / - 80 tr/min
730 +/ -80 tr/min
■ Ce système permet l'utilisation d'un moteur de démarreur plus petit (0.32 kW contre 0.4 kW pour le YP125(5XL)), ce qui contribue à la compacité générale du moteur



14
CHARACTERISTIQUES DU CHASSIS
| Éléments | Standard | Livre |
| Direction | ||
| Type de roulement de direction | Roulement oblique et roulement à rouleaux conlques | **** |
| Angle de butée à butée (gauche) | 62° | **** |
| Angle de butée à butée (droite) | 62° | **** |
| Suspension arrière | ||
| Type de suspension | Carter oscillant | **** |
| Type de combiné ressort-amortisseur arrière | Ressort hélicidal/amortisseur hydraulique | **** |
| Course de combiné ressort-amortisseur arrière | 83 mm (3.267 in) | **** |
| Ressort | ||
| Longueur libre | ||
| Longueur monté | 269.5 mm | **** |
| Constante de ressort (K1) | 7.60 N/mm (0.83 kg/mm) | **** |
| Constante de ressort (K2) | 14 N/mm (1.43 kg/mm) | **** |
| Constante de ressort (K3) | 26.39 N/mm (2.69 kg/mm) | **** |
| Course du ressort (K1) | 0 ~ 33.0 mm | **** |
| Course du ressort (K2) | 33.0 ~ 70 mm | **** |
| Constante de ressort (K3) | 70 ~ 95 mm | **** |
| Ressort disponible en option | No | **** |
| Bras oscillant | ||
| Jeu (à l'extrémité du bras oscillant) | ||
| Radial | **** | 1.0 mm (0.04 in) |
| Axial | **** | 1.0 mm (0.04 in) |
2-13
SPEC
CHARACTERISTIQUES DU CHASSIS
| Éléments | Standard | Liminé |
| Frein arrêté | ||
| Type de frein | Frein monodisque | **** |
| Commande | Main gauche | **** |
| Liquide commandé | DOT 4 | **** |
| Disques de frein | ||
| Diamètre x épaissur | 240 x 5 mm (9.448 x 0.196 in) | **** |
| Épaissee minimum | **** | 4.5 mm(0.177 in) |
| Déformation limite | **** | 0.15 mm(0.006 in) |
| Épaissee de garniture de plaquettede frein * | 4.5 mm (0.177 in) | 0.5 mm(0.019 in) |
| Diametre intérieur de maître-cylindre | 32 mm (1.259 in) | **** |
| Diametre intérieur de cylindre d'étier | 11 mm (0.433 in) | **** |
| Suspension avant | ||
| Type de suspension | Fourche téléscopique | **** |
| Type de fourche | Ressort helicoidal/amortisseurhydraulique | **** |
| Débattement de fourche | 94 mm (3.701 in) | **** |
| Ressort | ||
| Longueur libre | ||
| Longueur monté | **** | |
| Constante de dessort (K1) | 10 N/mm (1.02 Kg/mm) | **** |
| Constante de dessort (K2) | 17 N/mm (1.73 Kg/mm) | **** |
| Course du dessort (K1) | 0 - 80 mm | **** |
| Course du dessort (K2) | 80 - 100 mm | **** |
| Diamètre extérieur du tube plongeur | 36 mm (1.417 in) | **** |
| Ressort disponible en optio | No | **** |
| Huile de fourche | ||
| Hulle recommendsée | Hulle de fourche 15Wou équivalente | **** |
| Quantité (chaque bras de fourche) | 205 cm3 | **** |
| Niveau (du sommet du tube plongeur,ce dernier étant comprimé à fond,et sans le dessort de fourche) | 95 mm (3.74 in) | **** |
2-12
16
SPÉCIFICATIONS SYSTème ÉLECTRIQUE SPEC
| Éléments | Standard | Livre |
| Témoin(tension/wattage x quantité) | ||
| Témoin de feu de route | LED x 1 | **** |
| Témoin de clignotant | LED x 2 | **** |
| Témoin d'alerte de panne moteur | LED x 1 | **** |
| Témoin de l'antidémarrage électrique | LED x 1 | **** |
| Système de démarrage électrique | ||
| Type de système | Toujours en prise | **** |
| Démarreur | ||
| Modèle (fabricant) | MORIC TAIWAN LTD. | **** |
| Tension de sortie | 0,32 Kw | **** |
| Pression de ressort | 3,92 - 5,88 N (50 gf) | **** |
| Résistance de l'enroulement d'induit | 0,0378 - 0,0462 Ohmsa 20 °C (68 °F) | **** |
| Résistance de l' isolation | Au-dessus de 1 MΩ at 20 ° C(68 °F) | **** |
| Diamètre du collecteur | 17,6 mm (0,692 in) | 16,6 mm(0,653 in) |
| Relais du démarreur | ||
| Modèle (fabricant) | 2768098-A (JIDECO) | **** |
| Intensité | 180 A | **** |
| Avertisseur | ||
| Type d'avertisseur | De type plat | **** |
| Modèle (fabricant) x quantité | YF-12 (NIKKO) x 1 | **** |
| Intensité maximale | 3 A | **** |
| Performance | 105 - 113 dB/2 m | **** |
| Résistance de bobline | 1,15 - 1,25 Ohms a 20 ° C (68 °F) | **** |
| Relais des clignotants | ||
| Type de relais | Complètement transistorisé | **** |
| Modèle (fabricant) | 018610 (GUILERA) | **** |
| Dispositif d'arrêt automatique incorpore | No | **** |
| Fréquence de clignotement | 70 - 100 cycles/minute | **** |
| Pulsance | 10 W x 10 W + 1,2 W | **** |
2-15
SPÉCIFICATIONS SYSTème ÉLECTRIQUE SPEC
SPÉCIFICATIONS SYSTème ÉLECTRIQUE
| Éléments | Standard | Lemme |
| Tension d'alimentation | 12 V | **** |
| Allumage | ||
| Type d'allumage | Boîtier d'allumage électronique (TCI) | **** |
| Type d'avance à l'allumage | Numérique | **** |
| Résistance/ couleur du capteur de position de villebrequin | 290 ~ 330 Ohms a 20 °C (68 °F) R/W | **** |
| Bobine d'allumage | ||
| Modèle (fabricant) | 2JN (MORIC) | **** |
| Résistance de l'enroulement primaire | 2.2 ~ 2.6 Ohms a 20 °C (68 °F) | **** |
| Résistance de la bobine secondaire | 8.64 ~ 13 Kohms a 20 °C (68 °F) | **** |
| Capuchon de bougie | ||
| Matériau | Résine | **** |
| Résistance | 10.0 kOhms a 20 °C (68 °F) | **** |
| Système de charge | ||
| Type de système | Alternateur avec rotor à azimuthation permanente | **** |
| Modèle (fabricant) | F1B9 (MORIC) | **** |
| Puisance nominale | 12 V / 245 W / 5000 RPM | **** |
| Résistance/ couleur de la bobine de stator | 0.28 ~ 0.42 Ohms a 20 °C (68 °F) W/W | **** |
| Redresseur/régulateur | ||
| Type de régulateur | Semi-conducteur de type court-circuit | **** |
| Modèle (fabricant) | SH650D-11 (SHINDENGEN) | **** |
| Tension régulée à vide | 14.1 ~ 14.9 V | **** |
| Capacité du redresseur | 25 A | **** |
| Tension de claquege | 200 V | **** |
| Batterie | ||
| Type de batterie | YTX9-BS | **** |
| Tension/capacité de la batterie | 12 V/8 Ah | **** |
| Densité | 1320 | **** |
| Fabricant | YUASA | **** |
| Intensité sur 10 heures | 0.8 A | **** |
| Tension minimum en circuit ouvert | 12.8 V ouou plus à 20 °C (68 °F) | **** |
| Phares | ||
| Type de phare | Ampoule halogène | **** |
| Ampôules (tension/wattage x quantité) | ||
| Phare | 12 V 35/35W x 2 | **** |
| Veilleuse | 12 V 5 W x 2 | **** |
| Feu arrière/stop | 12 V 21/5 W x 2 | **** |
| Clignotant | 12 V 10 W x 4 | **** |
| Éclairage de la plaque d'immatriculation | 12 V 5 W x 1 | **** |
| Éclairage des instruments | LED | **** |
2-14
18
CONVERSION TABLE/GENERAL TIGHTENING TORQUE SPECIFICATIONS SPEC
FAS00280 FAS00290 TABLE DE CONVERSION CAPACTERISTQUES
GENRALES DES CO
SERRAGE
Ce tableau spécifique les couples de serrage de la visserie standard possedant un fillet à pas I.S.O. standard. Le couple de serrage d'attaches spécifique figure dans les chaprites individuels. Pour éviter toute déformation, serrer les pièces ayant de nombreuses attaches en suivant un ordre entrecroisié, par étapes progressives, jusqu'à ce que le couple final soit attient. Sauf autrement spécifique, les specifications de couple s'entendant pour des filets propres et secs. Ces éléments doivent être à temperature ambiente.

A: Largeur entre les pans B:Diametre du fillet
| A(étrcrou) | B(vs) | Couple de serragesgénéaux | |
| Nm | m·kg | ||
| 10 mm | 6 mm | 6 | 0.6 |
| 12 mm | 8 mm | 15 | 1.5 |
| 14 mm | 10 mm | 30 | 3.0 |
| 17 mm | 12 mm | 55 | 5.5 |
| 19 mm | 14 mm | 85 | 8.5 |
| 22 mm | 16 mm | 130 | 13.0 |
FAS00280 TABLE DE CONVERSION Toutes les caractéristiques sont données en unités SI et métriques (ingénieur). Le tableau suivant permet la conversion du système métrique au système impérial. Exemple: METRIQUE FACTEUR IMPÉRIAL 水 m m x 0 , 0 3 9 3 7 =in 2 mm x0,03937 =0,08 in
TABLEAU DE CONVERSION
| MÉTRIQUE É IMPÉRIAL | |||
| Système métrique | Facteur de conversion | Système impéral | |
| Couple de serage | m*kgf | 7.233 | ft*lb |
| m*kgf | 86.794 | In*lb | |
| cm*kgf | 0.0723 | ft*lb | |
| cm*kgf | 0.8679 | In*lb | |
| Poids | kg | 2.205 | lb |
| g | 0.03527 | oz | |
| Villesse | km/hr | 0.6214 | mph |
| Distance | km | 0.6214 | mi |
| m | 3.281 | ft | |
| m | 1.094 | yd | |
| cm | 0.3937 | in | |
| mm | 0.03937 | in | |
| Volume/ Capacité | cc (cm3) | 0.03527 | oz (IMP liq.) |
| cc (cm3) | 0.06102 | cu*in | |
| lt (liter) | 0.8799 | qt (IMP liq.) | |
| lt (liter) | 0.2199 | gal (IMP liq.) | |
| Mlsc. | kgf/mm | 55.997 | lb/in |
| kgf/cm2 | 14.2234 | psl (lb/in2) | |
| Centigrade (°C) | 9/5+32 | Fahrenheit (°F) | |
2-17
0
SPEC
SPECIFICATIONS SYSTÉME ÉLECTRIQUE
| Éléments | Standard | Lemme |
| Fusibles (intensité x quantité) | ||
| Fusible principal | 30 A | ...... |
| Fusible de phare | 15 A | ...... |
| Fusible du système de signalisation | 15 A | ...... |
| Fusible d'allumage | 5 A | ...... |
| Fusible du ventilateur de radiateur | 10A | ...... |
| Fusible d'écu | 5 A | ...... |
| Fusible de sauvégarde | 5 A | ...... |
| Fusible de réserve | 30 A | ...... |
| Fusible de réserve | 15 A | ...... |
| Fusible de réserve | 10A | ...... |
| Fusible de réserve | 5 A | ...... |
| Jauge de niveau du carburant | ||
| Modèle (fabricant) | BITRON | ...... |
| Résistance du capteur (rempli) | 3.5 - 32 Ohms | ...... |
| Résistance du capteur (vide) | 70 - 95 Ohms | ...... |
| Relais de coupe-circuit de démarrage | ||
| Modèle (fabricant) | ACM33211 - M05 | ...... |
| Résistance de bobine | 96 Ohms | ...... |
| Moteur de ventilateur | ||
| Modèle (fabricant) | VA32-A101-62A (VENTILATOR SPAL) | ...... |
| Vitesse de rotation | 7500 r.p.m | ...... |
| Capteur de température du liquide de refroidissement | ||
| Modèle (fabricant) | 1797010-0480 (DENSO) | ...... |
| Résistance à 20 °C (68 °F) | 2450 Ohms | ...... |
| Résistance à 80 °C (176 °F) | 318 Ohms | ...... |
| Résistance à 110 °C (230 °F) | 110 Ohms | ...... |
| Capteur de pression d'air admis | ||
| Tension de sortie | 1 ~ 4,2 V | ...... |
| Capteur de température d'air admis | ||
| Modèle (fabricant) | 89424-30030 (ASIAN INDUSTRY CO., LTD.) | ...... |
| Résistance à 20 °C (68 °F) | 2450 Ohms | ...... |
| Résistance à 80 °C (176 °F) | 322 Ohms | ...... |
| Résistance à 110 °C (230 °F) | 117 Ohms | ...... |
| Capteur de vitesse | ||
| Tension de sortie | ...... | |
| Quand le capteur est activé DC | 4.6V | ...... |
| Quand le capteur est désactivé | 0.5V | ...... |
| Capteur de position de papillon des gaz | ||
| Tension/couleur | 4V ± 0,3 / Y/L & B/L | ...... |
| Tension (papillon fermé)/couleur | 0.6V ± 0,3 / Y/L & B/L | ...... |
| Commande de reliénti (ISC) | ||
| Résistance/couleur | 30 Ohms / P/Lg ;30 Ohms / GyR/Sb | ...... |
| Coupe-circuit de sécurité de chute | ||
| Tension | ...... | |
| Moins de 45° | Environ 1 V | ...... |
| Plus de 45° | Environ 4 V | ...... |
2-16
20
COUPLES DE SERRAGE SPEC
COUPLES DE SERRAGE DU CHASSIS
| Éléments | Diamètre de fillet | Couples de serrage | ||
| N*m | m*kg | ft·lb | ||
| Vis de radiateur | M6 | 9,75 | 0,98 | 7,05 |
| Écrous collecteur d'échévement | M8 | 20,00 | 2,00 | 14,47 |
| Vis bride de raccordement tuyau d'échévement / silencieux | M8 | 14,00 | 1,40 | 10,13 |
| Vis silencieux bascule | M10 | 54,00 | 5,40 | 39,06 |
| Protecteur tuyau d'échéancement grand/petit | M6 | 10,00 | 1,00 | 7,23 |
| Enjolivre final tuyau d'échéancement | M6 | 10,00 | 1,00 | 7,23 |
| Axe support du moteur aux biellettes (écrou) | M10 | 31,50 | 3,15 | 22,78 |
| Vis support du moteur au cadre (écrous) | M12 | 58,50 | 5,85 | 42,31 |
| Vis des biellettes au cadre | M10 | 63,50 | 6,35 | 45,93 |
| Bascule arrêté au carter | M10 | 28,00 | 2,80 | 20,25 |
| Amortisseur à la bascule/carter | M8 | 17,50 | 1,75 | 12,66 |
| Amortisseurs au cadre | M10 | 31,50 | 3,15 | 22,78 |
| Vis guide durit au cadre | M6 | 6,00 | 0,60 | 4,34 |
| Vis guide durit à bascule | M6 | 9,75 | 0,98 | 7,05 |
| Fermeture siège | M6 | 9,75 | 0,98 | 7,05 |
| Axe roue arrêté (écrou) | M14 | 135,00 | 13,50 | 97,65 |
| Axe roue avant | M14 | 58,50 | 5,85 | 42,31 |
| Étrier de frein avant à la fourche | M8 | 23,00 | 2,30 | 16,64 |
| Étrier de frein arrêté à la bascule | M8 | 28,00 | 2,80 | 20,25 |
| Disque de frein avant | M6 | 12,00 | 1,20 | 8,68 |
| Disque de frein arrêté | M8 | 23,00 | 2,30 | 16,64 |
| Durit de frein avant / arrêté | M10 | 23,00 | 2,30 | 16,64 |
| VOIR NOTE | ||||
| Écrou supérieur tige de direction (à créneaux) | M25 | 75,00 | 7,50 | 54,25 |
| Écrou inférieur tige de direction (à créneaux) | M25 | 22,00 | 2,20 | 15,91 |
| Écrou support du guidon | M20 | 120,00 | 12,00 | 86,80 |
| Vis support du guidon | M8 | 23,00 | 2,30 | 16,64 |
| Vis support des barres à la fourche | M8 | 21,50 | 2,15 | 15,55 |
| Vis béquille latérale | M10 | 23,00 | 2,30 | 16,64 |
| Écrou béquille latérale | M10 | 40,00 | 4,00 | 28,93 |
| Vis contacteur béquille latérale | M5 | 5,70 | 0,57 | 4,12 |
2-19
b
PPEE
COUPLES DE SERRAGE
COUPLES DE SERRAGE COUPLES DE SERRAGE DU MOTEUR
| Eléments | Diamètre de fillet | Couples de serrage | ||
| N·m | m·kg | ft·lb | ||
| Bougle | M10 | 12,5 | 1,25 | 9,03 |
| Culasse et cylindre | M6 | 10,00 | 1,00 | 7,23 |
| Culasse et cylindre | M8 | 22,00 | 2,20 | 15,91 |
| Couvre-culasse et cylasse | M6 | 10,00 | 1,00 | 7,23 |
| Rotor d'alternateur | M6 | 10,00 | 1,00 | 7,23 |
| Tendeur de chaîne de distribution complet | M6 | 10,00 | 1,00 | 7,23 |
| Couvercle de pompé à eau | M6 | 10,00 | 1,00 | 7,23 |
| Couvercle de pompé à eau | M6 | 10,00 | 1,00 | 7,23 |
| Vis de vidange de liquide de refroidissement | M6 | 10,00 | 1,00 | 7,23 |
| Pompe à hülle complète | M5 | 4,00 | 0,40 | 2,89 |
| Couvercle d'élément de filtré à hülle | M6 | 10,00 | 1,00 | 7,23 |
| Tubulure d'admission et raccord de boîtier d'injection | M6 | 10,00 | 1,00 | 7,23 |
| Injecteur de carburant complet | M6 | 12,00 | 1,20 | 8,67 |
| Captein de pression d'air admis et support | M6 | 8,00 | 0,80 | 5,78 |
| Boîtier de filtré à air | M6 | 10,00 | 1,00 | 7,23 |
| Protection de pot d'échéppement | M6 | 10,00 | 1,00 | 7,23 |
| Cache d'extrémité de pot d'échéppement | M6 | 10,00 | 1,00 | 7,23 |
| Support de cache d'extrémité de pot d'échéppement | M6 | 10,00 | 1,00 | 7,23 |
| Protection de tube d'échéppement | M6 | 10,00 | 1,00 | 7,23 |
| Tube d'échéppement | M8 | 20,00 | 2,00 | 14,46 |
| Support de pot d'échéppement | M10 | 53,00 | 5,30 | 38,32 |
| Carter moteur | M6 | 10,00 | 1,00 | 7,23 |
| Carter moteur | M6 | 10,00 | 1,00 | 7,23 |
| Carter moteur | M6 | 10,00 | 1,00 | 7,23 |
| Vis de vidange d'hülle de transmission finale | M8 | 20,00 | 2,00 | 14,46 |
| Poulie menante | M12 | 55,00 | 5,50 | 39,76 |
| Vis de vidange d'hülle moteur | M12 | 20,00 | 2,00 | 14,46 |
| Embrayage de démarreur | M6 | 13 | 1,3 | 9,4 |
| Bobine de stator | M6 | 10,00 | 1,00 | 7,23 |
| Captein de position de vilebreguin | M6 | 10,00 | 1,00 | 7,23 |
| Démarreur | M6 | 10,00 | 1,00 | 7,23 |
2-18
22
| POINTS DE LUBRIFICATION ET TYPES DE LUBRIFIANT | SPEC |
POINTS DE LUBRIFICATION ET TYPES DE LUBRIFIANT MOTEUR
| Endroit à Lubrifiant | Lubrifiant |
| Lèvres de bague d'étanchéité | —SJT |
| Roulements | —O |
| Joints toriques | —SJT |
| Écrou de culasse | —O |
| Chapeau d'arbre à cames et vis de chapeau d'arbre à cames | —O |
| Maneton de villebrecuin | —O |
| Surface de butée de tête de bielle | —O |
| Surface de butée du vilebrecuin | —O |
| Tourillons de villebrecuin | —O |
| Extrémité de vilebrecuin (côte rotor d'alternateur) | —O |
| Écrou et rondelle de rotor d'alternateur | —O |
| Piston et segments | —O |
| Axe de piston et pied de bielle | —O |
| Bossage des cames | —O |
| Tourillons d'arbre à cames | —O |
| Queues de soupape (admission et échappement) | —O |
| Extrémité de queues de soupape (admission et échappement) | —O |
| Décompresseur (levler, goupille et ressort) | —O |
| Arbres de pompé à huile | —O |
| Joint torque (injecteur de carburant complet) | Huile de silicone |
| Entretoise et joint torque de poule menante | Graisse Shell BT 3® |
| Entretoise et joint torque de poule menée | Graisse Shell BT 3® |
| Colliers de vis de montage du moteur | —SJT |
| Coussinets de tourillon de villebrecuin | —O |
| Arbre et pignon libre d'entrainment du démarreur | —O |
| Pignon d'entrainment du démarreur | —O |
2-21
21
| Éléments | Diamètre de fillet | Couples de serrage | ||
| N·m | m·kg | ft·lb | ||
| Repose-pléd arrière | M8 | 25,00 | 2,50 | 18,08 |
| Vis support avant | M8 | 23,00 | 2,30 | 16,64 |
| Vis de purge (étriers de frein avant et arrière) | M7 | 6,00 | 0,60 | 4,34 |
| Poignées au cadre | M8 | 23,00 | 2,30 | 16,64 |
| Vis de fixation maitre-cylindre de frein avant/arrière | M6 | 6,50 | 0,65 | 4,70 |
| Réserveur de carburant au cadre | M6 | 6,50 | 0,65 | 4,70 |
| Vase d'expansion du liquide de refroidissement | M6 | 6,20 | 0,62 | 4,48 |
| Vis support batterie au cadre | M8 | 23,00 | 2,30 | 16,64 |
| Boulon raccord carburateur | M6 | 10,00 | 1,00 | 7,23 |
N.B.:
1. Serrer l'écrou de direction inférieur au couple de 38 Nm (3,8 m·kg; 27,5 ft·lb) à l'aide d'une clé dynamométrique et d'une clé à ergots, puis le desserrer de 1/4 tour.
2. Serrer l'écrou de direction inférieur au couple de 22 Nm (2,2 m·kg; 15,9 ft·lb) à l'aide d'une clé dynamométrique et d'une clé à ergots.
3. Monter la rondelle en caoutchouc et l'écrou de direction central.
4. Serrer l'écrou de direction central à la main, aligner les fentes des deux écrous de direction, puis monter la rondelle d'arret.
5. Maintenir les écrous de direction inférieur et central, puis serrer l'écrou de direction supérieur à 75 Nm (7,5 m·kg; 54,2 ft·lb) à l'aide d'une clé dynamométrique et de la clé à ergots.
24
| ET TYPES DE LUBRIFIANT | SPEC |
FAS00320 CHASSIS
| Point àGRAisser | Symbole |
| Vis de montage du moteur | LsF |
| Bras oscillant, bague d'étanchéité | LsF |
| Roulements de direction et bague d'étanchéité | LsF |
| Surface intérieure de polgnée des gaz et cables des gaz | LsF |
| Polgnée | RENOCLEAN 120 |
| Polgnée des gaz | RENOCLEAN 120 |
| Bague d'étanchéité de roue avant | LsF |
| Essieu arrière | LsF |
| Support de vérin pneumatique et cadre | LsF |
| Point pivot de la béquille latérale, plèces mobilles métalliques et surface extérieur d'entretôise | LsF |
| Point pivot et plèces mobiles métalliques de la béquille latérale | LsF |
| Point pivot de butée de béquille centrale | LsF |
| Plèces mobiles métalliques de crochet de ressort des béquilles latérale et centrale | LsF |
2-23
| SPEC |
POINTS DE LUBRIFICATION ET TYPES DE LUBRIFIANT
| Endroit à Lubrifiant | Lubrifiant |
| Surface de poussée de l'arbre primaire | - |
| Dentelure d'arbre primaire et d'arbre secondaire | - |
| Cannelure d'arbre primaire | - |
| Roulement d'arbre primaire | - |
| Poulle menante | BEL-RAY assembly lube® |
| Poulie menée | BEL-RAY assembly lube® |
| Lévre de joint de pompé à eau | - |
| Reniflard de carter moteur | LT |
| Reniflard de carter de transmission finale | LT |
| Couvre-culasse (plan de joint du guide de butée) | Agent d'étanchérité n° 1215 |
| Plans de joint du carter moteur | Agent d'étanchérité n° 1215 |
| Couvercle de rotor d'alternateur (plan de joint d'eellet) | Agent d'étanchérité n° 1215 |
2-22
28

SPEC
CHEMINEMENT DES CÂBLES
CHEMINEMENT DES CÂBLES
A VERTISSEMENT
Un cheminement correct des cables et fils est indispensable pour le bon fonctionnement de l'ascotier.
Fiche rapiè de béquille laterale
Fiche l'air de la trésorerie
Fi d injecteur de carburantFiche rique du conture du
Fiche rapié du capteur d'oxygène
Fiche rapié du capteur de pression de l'air
Fl de la commande de talenti (ISC)
Moteur de démarque
Cable de verrouillage de la selle
Cable du capteur de température d'air
La durit à carburant Contrat d'actifs libérations
Contacteur de biquelle laterale Fiche rapide de la pompe a carburant
Contacteur de béguille lattrale

2-26


SPEC
CHEMINEMENT DES CABLES
L Fil de contacteur de bequille laterale
M Batterie N Cithte de rvee (h)
N Cable of Verrouillage de la selle et cable d'acceleration O
Cable de verrouillage de la salle, cable d'ac
ceration and cable of bequille laterale P. A travers le cable de segre de la selle par
1. A travao le cable de serra de la selle par l'orifice du cadre
Q Douteur de bequille laterale R Durte de sortie de radiateur
R Durite de sortie de radiateur
R Durite de sortie de radiateur
A Bloc de commande électronique N Tube de remplissage du radiateur
B Relais de démarre O Durite d'arrêtée de radiateur
C Fil de phare P Tuyau de liquide de refroidissement
D Redresseur/régulateur Q Vase d'expansion
E Avertisseur R Fiche rapide de la plaque d'immatriculation
F Faisceau de fils S Fliche rapide du bloc feu arrêté/stop
G Fiche rapide du capteur de la roue avant T Durite de frein arrêté
avant U Fil du démarre
H Fiche rapide antidémarrage électronique V Bobine d'allumage
I Fiche rapide de contacteur à clé W Coupleur de la pompe à carburant
J Boite à fusibles X Durite de frein arrêté
K Fiche rapide de phare Y Faisceau de fils
L Fil de capteur de vitesse Z Contacteur à clé/antidémarrage électronique
M Durite de frein avant
30
CHEMINEMENT DES CÂBLES SPEC
A Maître-cylindre de frein avant
B Capteur de température extérieur
C Ficherapidesinstruments
D Guidon
E Maitre-cylindre de frein arriere
Fiche rapipe du clignotant avant (gauche)
Elebe rapipe du alliquotant avant (dmiit)
Fiche rapide du cinqnotant avant (Régatoire du lieu de c'Able des gaz
Réglage du Jeu de cable des gaz
Réglage du Jeu de cable des gaz
Aggagde ge jod e cable gaz Polgnane de gaz
Logement de papillon des gaz complet
Durite de frein arrête
Retroviseur
Boc compteurs
Pérotérés
Aftisbureff
Attached Multifactor
Durite de frein avant
Durite de frein arrête
Fil du combiné de cor
Cable d'acceleration
Cable de decélération
Faisceau de fils
W Fil du combiné de contacteurs droit
29
SPEC
CHEMINEMENT DES CABLES
Clé
Outil de fusibles
Boite à fusibles
Heiais de phare Belais du ront de vortiliteraer d'air
Relais du moteur de ventilateur de radiateur Carte bave avoué
Gaeiee boue avant Balele de contacteur de houillo
Relais de contacteur de bequille Belais ECU
Rellais ECO Contacteur à clé/antidémarrage Électropique
Belais de démarreur
Redresseur/regulateur
Fil de capteur de vitess
Durite de frein avant
Relais des clignotants T'blanc
Tablier Beite de regement/ho
Boite de rangement/batterie Avertisseur
A Clé
B Outil de fusibles
C Boite à fusibles
D Relais de phare
E Relais du moteur de ventilateur de radiateur
F Garde-boue avant
G Relais de contacteur de béquille
H Relais ECU
I Contacteur à clé/antidémarrage électronique
J Relais de démarreur
K Redresseur/régulateur
L Fil de capteur de vitesse
M Durite de frein avant
N Relais des clignotants
O Tablier
P Boite de rangement/batterie
Q Avertisseur

2-28
32
SPEC
CHEMINEMENT DES CABLES
H Serrure de selle complete 1
Euter de frein amre J.Durte de frein arriere
K. Bassola amitiro
- Basculare amelie 2. Dusum
L Rode amher
E Polnée
O Couvercle du boitier de filtre a air
E Polgnée
A Cable de verrouillage de la selle
B Selle
C Trousse de réparation
D. A travers le cable de la
10
Tonne du cadre
Capuchon de bougie
Boinde allumage Pompe a carburante
Injecteur (avec durit à carburant)
La dunit à carburant
Bouchon de rôscopie
Garde-boue avant.
Drappe de la nature.
Disque de fini havant Capetre du roue avec
Bouygant
F
Fill de capteur de vites:
Étner de frein avant
A Garde-boue avant
B Disque de frein avant
C Capteur de roue avant
D Roue avant
E Fil de capteur de vitesse
F Etter de frein avant

2-30
la realisation de diagno




Mode diagnostique de pannes (imle moteur en etant dans ce mode)
- Brancher l'otutil au connecteur present au niveau du logement de batterie
- Tout en appuyant sur le bouton MODE de l'outil (bouton central),mettre le contacteur a clé en position ON et maintainir le bouton MODE appuyé
jusqu' a l'affichage de DIAG a I'ecran de I'outil.
Vous pouvez ds lors relacher le bouton MODE. - Anyouer brieu vespert sur la bouton MODE au final du tissier du couloir.
- Appuyer brievement sur le bouton MODE afin d'entre dans le menu de
diagnostique. On visualise alors le premier code diagnostique (01 ce qui correspond au
capteur de papillon des gaz TPS, cf voir tableau diagnostique) et la
valeur actuelle de ce composant (valeur qu'il faut contrcler et valider par
rapport au meme tableau) - En appuyant sur le bouton UP, on visualise le code diagnostique suivant, en appuyant sur DOWN, le code diagnostique precedent
| Capteur de vitesse (10) | Tableau de bord (41) |
| Relais principal d'injection EFI (20) | Immobilizer (48) OUT (Sortie) |
| Capteur de température d'eau (5) | Relais d'éclairage (30) |
| Capteur de béquille latérale (6) | Relais de ventilateur (23) |
| Capteur de pression (9) | Relais principal d'injection EFI (20) |
| T.P.S. (13) | Alternateur: capteur de position de vilebrequin (2) |
| Sonde à oxygène (55) | Bobine d'allumage (12) |
| Capteur de température d'air (11) | Injecteur (53) N° d'identification sur le schéma électrique |
| Alternateur: Capteur de position de vilebrequin (2) | Moteur pas à pas d'I.S.C. (54) |
DECOMPRESSEUR AUTOMATIQUE (FONCTIONNEMENT : PHASE1)
Fonctionnement du décompresseur lors de la mise en route du moteur (moins de 730 + / - 80 tr/min)
- Mise en rotation du moteur par le démarreur
- La force centrifuge appliquée sur le levier de décompresseur est inférieure à celle du ressort de rappel
Le levier de décompresseur reste dans sa position initiale, grâce au ressort de rappel
La camede décompresseur se situe en position A
En raison de ce positionnement, lacame de décompresseur sort de son logement usiné dans l'arbre àcame,etdépasse de ce fait du profil normal decame d'échéppement
- Au milieu du temps de compression, le roulement situé à l'extrémité du culbuteur d'échévement est soulevé par lacame de décompresseur.
- De ce fait, les soupapes d'échéppement s'ouvre légerement laissant ainsi s'échapper de l'air dans la tubulure d'échéppement et réduisant ainsi la pression au sein de la chambre de combustion.

TABLEAU CODES DIAGNOSTIQUES
| Diagnosticsque | Intitulé | Description de l'action | Affichage sur l'écart de l'outil(valeur de reférieance) |
| 01 | T.P.S (capteur de position de papillon) | Affichage de l'angle de papillon- Contrôle papillon totalement féréré- Contrôle papillon totalement ouvert | Position totalement fermée (9~22)Position totalement ouverte (93~106) |
| 03 | Pression d'admission | Pression d'admission d'air- affiche la différence de pression lorsque le démarque entraine le moteur, sans pour cela mettre en route ce dernier | En actionnant le démarque, la valeur indiquée change |
| 05 | Température d'air | Affiche la température d'air- Contrôle la température dans le boîter de filtré à air | A comparer avec la valeur affichée sur le boîter de contrôle |
| 06 | Température de liquide de refroidissement | Affiche la température de liquide de refroidissement- Contrôle la température de liquide de refroidissement | A comparer avec la valeur affichée sur le boîter de contrôle |
| 07 | Captein de vitesse | Affiche la valeur cumulé du nombre de pulsations généres lorsque la roue toume | 0~999(puis repend à 0 après 999)OK si incréération apparait sur le boîter de contrôle |
| 08 | Captein d'inclinaison | Affiche la tension du capteur d'inclinaison(la limite entre un scooter droit et incliné est donné à 45°) | Droite: 0.4~1.4 VIncline: 3.8~4.2 V |
| 09 | Tension d'alimentation du boîter d'injection (tension batterie) | Environ 12 V | A comparer avec la tension directement mesure aux bornes de la batterie |
| 20 | Captein de béquille latérale | Montre que le capteur change d'etat (ON-OFF) si action sur la béquille | Béquille rabattue: ONBéquille dépliée: OFF |
| 30 | Bobine d'allumuge | Une fois ce diagnosticne sélectiènè, en appuyant sur le bouton MODE du boîter de contrôle, la bobine d'allumuge créé 5 étincelles(1 par seconde): la LED warning s'allume simultanément 5 fois sur le boîter de contrôle | Contrôler que la bobine d'allumage génére 5 étincelles(àl'aide d'un éclateur) |
| 36 | Injecteur | Une fois ce diagnosticne sélectiènè en appuyant sur le bouton MODE du boîter de contrôle, l'injecteur est piloté à 5 reprises (1 à chaque seconde): le témoin de warning s'allume simultanément 5 fois sur le boîter de contrôle | Contrôler que le boîter d'injection pilote 5 fois de suite l'injecteur (contrôle sonore et/ou visuel) |
| 50 | Relais principal d'injection(relais EFT) | Une fois ce diagnosticne sélectiènè, en appuyant sur le bouton MODE du boîter de contrôle, le relais principal d'injection EFT est piloté à 5 reprises (chaque seconde): le témoin de warning s'allume simultanément 5 fois sur le boîter de contrôle | Contrôler que le relais principal fonctionne 5 fois de suite (contrôle sonore) |
| 51 | Relais de ventilateur | Une fois ce diagnosticne sélectiènè en appuyant sur le bouton MODE du boîter de contrôle, le relais de ventilateur est piloté à 5 reprises chaque seconde: le témoin de warning s'allume simultanément 5 fois sur le boîter de contrôle | Contrôler que le relais de ventilateur fonctionne 5 fois de suite (le ventilateur se met dés lors 5 fois en route) |
| 52 | Relais de phare | Une fois ce diagnosticne sélectiènè en appuyant sur le bouton MODE du boîter de contrôle, le relais de phare est piloté à 5 reprises chaque seconde: le témoin de warning s'allume simultanément 5 fois sur le boîter de contrôle | Contrôler que le relais d'éclairage fonctionne 5 fois de suite (les ampôules de phare s'allumulent dés lors 5 fois) |
| 54 | ISC | Une fois ce diagnosticne sélectiènè en appuyant sur le bouton MODE du boîter de contrôle, la soupape d'ISC passée en position totalement fermée, puis s'ouvre jusqu'à la position normale lorsque le moteur est mis en route | Le moteur d'ISC vibre lorsque ce diagnosticsque est actionné |
| 60 | Affichage de codes de défaut EEPROM | Transmet dans la mémoire morte programmable EEPROM les données éronnées qui ont été analysées comme étant des définuts.Si de multiples défaillances ont été détectées, des codes différents s'affichant toutes les 2 secondes (affichage de tous les codes se repête en boucle) | 01 Détéction de valeur de CO03 Détéction de clé de rénregistrementde code (immobilizer)04 Détéction de signal de fermeturecomplete du papillon des gaz00 Apparait lorsqu'il n'y a aucune panne |
| 61 | Affichage de l'historique de code panne | Affiche les codes pannes mis en mémoire dans l'historique desdéfaillances (= pannes qui ont été solutionnées) | 12~61.00 Apparait lorsqu'il n'y a aucune panneen mémoire |
| 62 | Suppression de l'historiquede code panne | Affiche le nombre total de codes qui sont détectés par le dispositifde détention de pannes et les codes d'éreur de l'historique => codes prêts dans le 61+ pannes actuellément détectéesEfface uniquement les codes de l'historique en appuyant sur lebouton MODE du boîter de contrôle d'injection | 00~19.00 Apparait lorsqu'il n'y a aucune panneen mémoire |
| 70 | Nombre de contrôle | Affiche le nombre d'identification de software de l'ECU | 00~255 |
Il n'existe pas de diagnóstique permettant de tester la sonde oxygène.
Le code 57 n'a pas d'utilité pour le Skycruiser
Quand les codes diagnostiques 30, 36, 50, 51, 52, 54 et 62 sont selectionnés, le relais principal est excite : on
peut de ce fait entendre fonctionner la pompe à carburant
(il peut être judicieux de la débrancher electriquement parlant).
| Panque | Intérêt | Symptom | Action de substitution | Démurrage | Conduite |
| 12 | Capteur de position de vilebreguin | Aucun signal normal n'est reçu en provenance du capteur de position de vilebreguin | Commande l'ârêt du moteur (injection et allumage) | Impossible | Impossible |
| 13 | Capteur de pression d'air d'admission (circuit ouvert ou court-circuit) | Capteur de pression d'air d'admission : détéction d'un circuit ouvert ou d'un court-circuit | Fixe la pression defair d'admission à 760 mmHg | Possible | Possible |
| 14 | Capteur de pression d'air d'admission (durite) | Capteur de pression d'air d'admission : problème au niveau de la durée (obstruée ou détached) | Fixe la pression defair d'admission à 760 mmHg | Possible | Possible |
| 15 | Capteur de position de papillon des gaz (circuit ouvert ou court-circuit) | Capteur de position de papillon des gaz : détéction d'un circuit ouvert ou court-circuit | Fixe la cartographie sur une ouverture totale du papillon des gaz | Possible | Possible |
| 16 | Capteur de position de papillon des gar (bloque) | Capteur de position de papillon des gar : détéction d'un blocage | Fixe la cartographie sur une ouverture totale du papillon des gaz | Possible | Possible |
| 19 | Contacteur de béquille latrcale (circuit constamment ouvert) | Détction d'une coupree dans le circuit du contacteur de béquille laténa (entree de l'ECU) | Pas de démarrage | Impossible | Impossible |
| 21 | Capteur de T° de liquide de refroidissement (circuit ouvert ou court-circuit) | Capteur de T° de liquide de refroidissement : détéction d'un circuit ouvert ou court-circuit | Fixe la T° du liquide de refroidissement à 60° | Possible | Possible |
| 22 | Capteur de T° d'air d'admission (circuit ouvert ou court-circuit) | Capteur de T° d'air d'admission : détéction d'un circuit ouvert ou court-circuit | Fixe la T° d'admission à 20° | Possible | Possible |
| 24 | Capteur d'oxygène | Aucun signal normal en provenance du capteur d'oxygène | - | Possible | Possible |
| 30 | Capteur d'inclinaison | Détection d'une inclinaison importante (>45°) du scooter | Coupure de l'injection et allumage | Impossible | Impossible |
| 31 | Capteur d'oxygène (mélange constamment pauvre) | Détection d'un matio air / essence avaisinant constamment la limite supérieur (mélange pauvre) | - | Possible | Possible |
| 32 | Capteur d'oxygène (mélange constamment riche) | Détection d'un matio air / essence avaisinant constamment la limite inférieur (mélange riche) | - | Possible | Possible |
| 33 | Bobine d'allumage | Circuit ouvert détecté au niveau de l'enroulement primaire de la bobine d'allumage | - | Impossible | Impossible |
| 37 | Tiroir du module ISC (gestion de malenti) bloqué en position totally ouverte | Régime de malenti trop élevé | - | Possible | Possible |
| 39 | Injecteur d'essence | Injecteur d'essence : détéction d'un circuit ouvert ou court-circuit | - | Impossible | Impossible |
| 41 | Capteur d'inclinaison | Capteur d'inclinaison : détéction d'un circuit ouvert ou court-circuit | - | Impossible | Impossible |
| 42 | Capteur de vitesse | Aucun signal en provenance du capteur de vitesse | - | Possible | Possible |
| 43 | Tension d'alimentation positive de l'ECU | Alimentation anomale (circuit ouvert) de l'injecteur et de la pompe à essence | Fixe la tension à 12 V | Possible | Possible |
| 44 | EEPROM | Erreur pendant la lecture ou écriture de EEPROM de l'ECU | - | Possible | Possible |
| 46 | Alimentation anomale du système d'injection d'essence | Alimentation anomale (irrigulière) du système d'injection d'essence | Fixe la tension à 12 V | Possible | Possible |
| 50 | Défaillance interne de l'ECU | Défaillance interne de l'ECU | - | Impossible | Impossible |
| 61 | Module ISC (circuit ouvert ou court-circuit) | Module de gestion de malenti ISC : détéction d'un circuit ouvert ou court-circuit | - | Possible | Possible |
Les pannes déteées par le boitier d'injection ECU et que l'on peut contröler grâce à l'outil de diagnostique, peuvent également être visualisées sur le tableau de bord, et plus précisément par la LED d'avertissement de panne moteur, grâce à un formalisme bien précis : un clignotement long par dizaine puis un clignotement court par unité
exemple: code 37 3 clignotements longs puis 7 clignotements courts
La méthode de diagnostique par le boitier d'injection peut se montré imprecise ou incomplète et se doit alors d'être validée ou complétée physiquement (par une recherche de panne conventionnelle).
L'adaptateur 90890-03153 permet de contrôle la pression de carburant
Cet adaptateur est associé au manomètre de referencia : 90890-03153

Pression d'essence: 250kPa
DECOMPRESSEUR AUTOMATIQUE (FONCTIONNEMENT : PHASE2)
■ Fonctionnement du décompresseur du ralenti jusqu'àu régime maximum
- Régime moteur supérieur à 730 +/-80 tr/min
- Lefeige motel supereure 2. La force centrifuge appliquee sur le levier de decompresseur est supereure a celle de reessort de rappel
En raison de cette force centrifuge,le levier de décompreseur se met en rotation jusqu'à sa butée extérieure
Lacame de décompresseur tourne dans le sens anti-horaire par ce levier de décompresseur (position B)
- Le culbuteur d'échévement suit le profil de la cave d'échévement : les soupapes d'échévement peuvent de ce fait s'ouvrir normalement
Etape 2
Came de décompresseur (position B)
Levier de décompresseur

E tape 1
Etape 3
Came de décompresseur (position B)
Déplacement de la soupape d'échéppement

CYLINDRE / PISTON
CYLINDRE
Cylindre DiASil (alliage d'aluminium contenant 20% de silice) de type 'open-deck'
■Avantages du cylindre DIASIL par rapport à un cylindre aluminium avec chemise en fonte :
- gain de poids : 30% plus léger
- Meilleur échange thermique (60% de capacité de refroidissement en plus)
- Plus simple à recycler
- Gain de coût
Cylindre entoure par le liquide de refroidissement afin de favoriser l'échange thermique

PISTON
■ Piston allégé en aluminium forge, muni d'un traitement de type triboro au niveau de la jupe (traitement nécessaire car zone de contact Aluminium / Aluminium)
■ 20% plus léger par rapport au piston du YP125 (5XL): seulement 67 gr
Petites rainures au niveau de l'alésage d'axe de piston, afin de réduire les contraintes mécaniques



Notice Facile