Bravia KD65XG8796 - Televisie SONY - Gratis gebruiksaanwijzing en handleiding
Vind de handleiding van het apparaat gratis Bravia KD65XG8796 SONY in PDF-formaat.
Gebruikersvragen over Bravia KD65XG8796 SONY
0 vraag over dit apparaat. Beantwoord die u kent of stel uw eigen vraag.
Stel een nieuwe vraag over dit apparaat
Download de handleiding voor uw Televisie in PDF-formaat gratis! Vind uw handleiding Bravia KD65XG8796 - SONY en neem uw elektronisch apparaat weer in handen. Op deze pagina staan alle documenten die nodig zijn voor het gebruik van uw apparaat. Bravia KD65XG8796 van het merk SONY.
GEBRUIKSAANWIJZING Bravia KD65XG8796 SONY
Installatie-informatie voor de Sony-wandmontagesteun (SU-WL450)
Ondersteunde modellen:
KD-85XG85□□* / 75XG87□□* / 75XG85□□* / 65XG87□□* /
65XG85□□* / 55XG87□□* / 55XG85□□*
* In de werkelijke modelnamen staan in plaats van "☐☐" nummers en/of letters die voor elk model anders zijn.
Aan de klanten
Om het apparaat te beschermen en om veiligheidsredenen raadt Sony u met klem aan de televisie te laten installeren door een Sony-dealer of een erkende installateur. Probeer de installatie niet zelf uit te voeren.
Aan Sony-dealers en installateurs
Let goed op de veiligheid tijdens installatie, periodiek onderhoud en inspectie van dit product.
Voor de installatie van dit product is de nodige expertise vereist, met name om te bepalen of de muur sterk genoeg is om het gewicht van de televisie te dragen. Laat de installatie van dit product aan een muur uitvoeren door een Sony-dealer of een erkende installateur, en let goed op de veiligheid tijdens de installatie. Sony kan niet aansprakelijk worden gesteld voor schade of letsels als gevolg van een onjuiste behandeling of installatie.
Volg voor een veilige en juiste installatie de gebruiksaanwijzing van de wandmontagesteun, de installatiehandleiding van de televisie en de aanwijzingen in deze handleiding.
Veiligheid
Bedankt voor uw aankoop van dit product.
Aan de klanten
Om dit product te kunnen installeren is afdoende deskundigheid nodig. Besteed de installatie uit aan dealers van Sony of aan bevoegde installateurs, en schenk tijdens de installatie speciale aandacht aan de veiligheid. Sony is niet aansprakelijk voor schade of letsel als gevolg van onjuist handelen, een onjuiste installatie of de installatie van een ander product dan het opgegeven product. Uw wettelijke rechten (indien van toepassing) worden niet aangetast.
Aan Sony-dealers
Om dit product te kunnen installeren is afdoende deskundigheid nodig. Lees deze gebruiksaanwijzing aandachtig door zodat u de installatie veilig kunt uitvoeren. Sony is niet aansprakelijk voor schade of letsel als gevolg van onjuist handelen of een onjuiste installatie. Geef deze gebruiksaanwijzing aan de klant nadat het product is geïnstalleerd.
In deze gebruiksaanwijzing wordt beschreven hoe het product moet worden gebruikt en worden belangrijke voorzorgsmaatregelen gegeven die vereist zijn om ongelukken te voorkomen. Lees deze gebruiksaanwijzing aandachtig door en gebruik het product op de juiste manier. Bewaar deze gebruiksaanwijzing voor toekomstig gebruik.
Bij het ontwerpen van producten houdt Sony rekening met de veiligheid. Als de producten onjuist worden gebruikt, kan dit echter ernstige letsels veroorzaken als gevolg van brand, elektrische schokken, omvallen of laten vallen van het product. Houd rekening met de veiligheidsmaatregelen om dergelijke ongevallen te voorkomen.
OPGELET
Opgegeven producten
Deze wandmontagesteun is geschikt voor gebruik met de opgegeven tv's. Voor televisies verwijzen we naar de referentiehandleiding om na te gaan of de wandmontagesteun kan worden gebruikt.
Aan de klanten
WAARSCHUWING
Als u de volgende voorzorgsmaatregelen niet in acht neemt, kan dit leiden tot ernstige verwondingen of zelfs de dood ten gevolge van brand, elektrische schokken of het laten vallen van het product.
Besteed de installatie uit aan bevoegde installateurs en houd kleine kinderen uit de buurt tijdens de installatie.
Als de wandmontagesteun of de tv niet correct wordt geïnstalleerd, kunnen de volgende ongelukken zich voordoen. Zorg ervoor dat de installatie wordt uitgevoerd door bevoegde installateurs.
- De tv kan vallen en ernstige letsels veroorzaken, zoals kneuzingen of breuken.
- Als de muur waaraan de wandmontagesteun wordt bevestigd onstabiel of ongelijk is of niet loodrecht op de vloer staat, kan de steun vallen, met letsels of beschadiging van eigendommen tot gevolg. De muur moet sterk genoeg zijn om ten minste vier keer het gewicht van de tv te dragen. (In de referentiehandleiding van uw televisie vindt u het gewicht van uw televisie.)
- Als de wandmontagesteun niet stevig genoeg aan de muur wordt bevestigd, kan de steun vallen, met letsels of beschadiging van eigendommen tot gevolg.
Als u de tv wilt verplaatsen of van de steun wilt halen, moet u dit werk uitbesteden aan bevoegde installateurs.
Als andere personen dan bevoegde installateurs de tv verplaatsen of van de steun halen, kan de tv vallen, met letsels of beschadiging van eigendommen tot gevolg. Zorg dat tenminste twee personen (tenminste drie personen voor een tv-toestel van 75 inch of groter) de tv dragen of van de steun halen.
Verwijder de schroeven niet nadat de tv aan de steun is bevestigd.
Als u dit wel doet, kan de tv vallen, met letsels of beschadiging van eigendommen tot gevolg.
Breng geen aanpassingen aan de onderdelen van de wandmontagesteun aan.
Als u dit wel doet, kan de wandmontagesteun vallen, met letsels of beschadiging van eigendommen tot gevolg.
Installeer geen andere producten dan het opgegeven product.
Deze wandmontagesteun is alleen geschikt voor gebruik met het opgegeven product. Als u andere producten dan het opgegeven product gaat installeren, kan het vallen of breken, met letsels of beschadiging van eigendommen tot gevolg.
Bevestig geen ander gewicht dan de tv aan de wandmontagesteun. Schud de tv niet van links naar rechts of op en neer.
Als u dit wel doet, kan de tv vallen, met letsels of beschadiging van eigendommen tot gevolg.
Leun niet op en hang niet aan de tv.
Leun niet op en hang niet aan de tv. De tv kan op u vallen en ernstige letsels veroorzaken.
OPGELET
Als er geen rekening wordt gehouden met de volgende voorzorgsmaatregelen, kan dit letsel of beschadiging van eigendommen tot gevolg hebben.
Oefen niet te veel druk uit op het product als u dit reinigt of onderhoudt.
Oefen niet te veel druk uit op de bovenkant van de tv. Als u dit wel doet, kan de tv vallen, met letsels of beschadiging van eigendommen tot gevolg.
Voorzorgsmaatregelen
- Als u de tv langere tijd gebruikt terwijl deze aan de wandmontagesteun is bevestigd, kan de muur achter of boven de tv verkleuren en kan het behang losraken, afhankelijk van het materiaal waarvan de muur is gemaakt.
- Als u de wandmontagesteun verwijdert nadat u deze aan de muur hebt bevestigd, dan blijven de schroefgaten zichtbaar.
- Gebruik de wandmontagesteun niet op plaatsen waar deze wordt blootgesteld aan mechanische trillingen.
De wandmontagesteun installeren
Aan Sony-dealers
WAARSCHUWING
De volgende instructies gelden enkel voor Sony-dealers. Lees zeker de bovenstaande veiligheidsmaatregelen en schenk extra aandacht aan de veiligheid tijdens de installatie, het onderhoud en de controle van dit product.
Installeer de wandmontagesteun niet op een muuroppervlak waarbij de hoeken of de zijkanten van de tv de wand niet raken.
Installeer de wandmontagesteun niet op muuroppervlakken, zoals een pilaar, waarbij de hoeken of de zijkanten van de tv de wand niet raken. Als een persoon of voorwerp tegen een uitstekende hoek of zijkant van de tv botst, kan dit letsels of beschadiging van eigendommen tot gevolg hebben.

Installeer de tv niet boven of onder een airconditioner.
Als de tv voor langere tijd wordt blootgesteld aan waterlekkage of luchtcirculatie van een airconditioner, kan dit brand, elektrische schokken of een storing van de tv tot gevolg hebben.
Bevestig de wandmontagesteun stevig aan de muur volgens de instructies in deze gebruiksaanwijzing.
Als een van de schroeven los zit of valt, kan de wandmontagesteun vallen, met letsels of beschadiging van eigendommen tot gevolg. Gebruik schroeven die geschikt zijn voor het materiaal van de muur en bevestig de steun stevig met vier of meer schroeven van 8 mm diameter (of gelijkwaardig).

Gebruik de bijgeleverde schroeven en montageonderdelen op de juiste manier volgens de instructies in deze gebruiksaanwijzing. Als u andere onderdelen gebruikt, kan de tv vallen, met lichamelijke letsels of beschadiging van de tv tot gevolg.
Zorg ervoor dat u de steun correct monteert volgens de instructies in deze gebruiksaanwijzing.
Als een van de schroeven los zit of valt, kan de tv vallen, met licharnelijke letsels of beschadiging van de tv tot gevolg.
Draai de schroeven stevig vast op de aangegeven plaats.
Als u dit niet doet, kan de tv vallen, met lichamelijke letsels of beschadiging van de tv tot gevolg.
Stel de tv niet bloot aan schokken tijdens de installatie.
Als de tv wordt blootgesteld aan schokken, kan die vallen of breken. Dit kan letsels tot gevolg hebben.
Bevestig de tv aan een vlakke muur die loodrecht op de vloer staat.
Als u dit niet doet, kan de tv vallen, met letsels tot gevolg.
Bundel de kabels goed samen na het installeren van de tv.
Als mensen of voorwerpen blijven haperen aan de kabels, kan dit letsels of beschadiging van de tv tot gevolg hebben.
Zorg ervoor dat het netsnoer en de verbindingskabel niet geklemd raken.
Als het netsnoer of de verbindingskabel geklemd raakt tussen de steun en de muur of als een van beide met kracht gebogen of gedraaid is, kan de interne bedrading worden blootgelegd, waardoor er kortsluiting of een stroomonderbreking kan worden veroorzaakt. Dit kan brand of elektrische schokken tot gevolg hebben.

De schroeven die u nodig hebt om de wandmontagesteun te bevestigen, zijn niet bijgeleverd.
Gebruik voor het bevestigen van de wandmontagesteun schroeven die geschikt zijn voor het materiaal en de structuur van de muur.
Inhoudsopgave
De voorbereidingen treffen voor de installatie....5
De onderdelen controleren 5
De installatieplaats bepalen....6
De voet aan de muur bevestigen....8
De installatie van de tv voorbereiden....9
KD-85/75XG85□□, KD-75XG87□□....9
KD-65/55XG87□□, KD-65/55XG85□□....11
De tv aan de muur bevestigen....13
KD-85/75XG85□□, KD-75XG87□□ ....13
KD-65/55XG87□□, KD-65/55XG85□□....15
De installatie controleren ....18
Extra informatie 18
De tv aan de muur bevestigen
De installatieprocedure verschilt afhankelijk van de tv.
Gebruik de wandmontagesteun SU-WL450 om de televisie aan een muur te bevestigen.
Opmerking
- Bewaar de verwijderde schroeven op een veilige plaats waar kinderen er niet bij kunnen.
De voorbereidingen treffen voor de installatie
- Houd de referentiegids en de installatiehandleiding van de televisie bij de hand vóór de installatie.
- Leg een kruiskopschroevendraaier klaar die geschikt is voor de gebruikte schroeven.
- Bepaal waar u de tv zult installeren.
- Zorg voor vier of meer schroeven met een diameter van 8 mm en een schroef met een diameter van 5 mm of gelijkwaardig (niet bijgeleverd). Gebruik schroeven die geschikt zijn voor het materiaal van de muur.
De onderdelen controleren
Bijgeleverd bij SU-WL450
- Ga na of alle onderdelen bijgeleverd zijn.
A Voet (20) (1) B Kabelschijf (2)![]() | ![]() |
C PSW 6x20 (4) D PSW 4x20 met huls (2)![]() | ![]() |
| E Afstandhouder (20) (2)[IMAGE] | F Riem (1)![]() |
G Huls (20) (M4) (2) H PSW 4x20 (2)![]() | ![]() |
I Voetadapter (2) J![]() | PSW 4x10 (8)![]() |
K Afstandhouder (60) (2)![]() | L PSW 6x50 (2)![]() |
M Huls (M4) (2) N PSW 4x50 (2)![]() | ![]() |
De installatieplaats bepalen
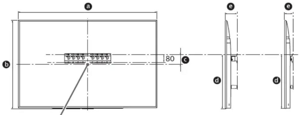
1 Bepaal waar u de tv zult installeren.
Voorzie voldoende ruimte voor de televisie aan de muur en zorg ervoor dat deze minstens vier keer het gewicht van de televisie kan dragen.
Raadpleeg de volgende tabel om de televisie op de wand te installeren. Raadpleeg de referentiehandleiding van uw televisie voor het gewicht van uw televisie.
Standaardmontage Smalle montage

text_image
a b 80 c e d e dMiddelpunt van het beeldscherm
Eenheid: mm
| Modelnaam | Afmetingen beeldscherm | Afstand tot middelpunt beeldscherm | Afstand voor de montage | |||
| a | b | c | d | e | ||
| Standaard- montage | Smalle montage | |||||
| KD-85XG85□□ | 1.909 | 1.097 | 251 | 803 | 142 | 100 |
| KD-75XG87□□KD-75XG85□□ | 1.673 | 963 | 107 | 595 | 116 | |
| KD-65XG87□□KD-65XG85□□ | 1.450 | 836 | 99 | 523 | 115 | 73 |
| KD-55XG87□□KD-55XG85□□ | 1.231 | 713 | 106 | 468 | 115 | |
Opmerking
- De waarden in de tabel kunnen licht afwijken afhankelijk van de installatie.
- Wanneer uw televisie aan een muur is bevestigd, helt de bovenzijde van de televisie licht naar voor.
Zorg zoals hieronder weergegeven voor voldoende ruimte tussen de tv, het plafond en uitstekende delen van de muur.
Eenheid: mm

text_image
300100 100 100- Voor een goede ventilatie en om ophoping van vuil en stof te voorkomen:
— Leg de televisie niet plat op de grond en installeer deze niet ondersteboven, achterstevoren of gedraaid.
— Zet de televisie niet op een plank, tapijt, bed of in een kast.
— Bedek de televisie niet met een doek (bv. een gordijn) of met voorwerpen als kranten enz.
- Installeer de televisie niet zoals hieronder wordt getoond.
De luchtcirculatie is geblokkeerd.

text_image
MuurOpmerking
- Als u de kabels door de muur wilt geleiden, maakt u een opening in de muur om de kabels door te steken voor u aan de installatie begint.
Om te voorkomen dat de kabels geklemd raken, maakt u vooraf een opening in de muur buiten de plaatsen waar de voet (20) Ⓐ, Voetadapter ① en de afstandhouder (20) Ⓔ, afstandhouder (60) Ⓑ gemonteerd worden.
2 Kies de wandmontagestijl. De afstand tussen de achterkant van de tv en de muur kan gekozen worden zoals hieronder aangegeven.
2-a Standaardmontage
2-b Smalle montage
Raadpleeg de tabel in stap 1.
WAARSCHUWING
- Als u kiest voor 2-b, zijn de aansluitingen achteraan slechts beperkt toegankelijk.

text_image
2-a 2-b3 Raadpleeg de onderstaande tabel voor meer informatie over de bevestigingsplaats van de voetadapter. Als u kiest voor 2-b, kunt u deze stap overslaan.
| Modelnaam Plaats van de haak | |
| KD-85XG85□□ | |
| KD-75XG87□□ | a |
| KD-75XG85□□ | |
| KD-65XG87□□ | |
| KD-65XG85□□ | b |
| KD-55XG87□□ | |
| KD-55XG85□□ | |

text_image
a b c d 10 10 10 10 1 10 10 10 10Bevestig de voetadapter Ⓙ met de schroef (PSW 4x10) Ⓙ aan de voet (20) Ⓐ wanneer u kiest voor 2-a.

4 Bepaal de posities van de schroeven voor de installatie van de voet (20) Ⓐ.
Raadpleeg hiervoor de specificaties op pagina 18.
Als u kiest voor 2-a, dient u de posities van de gaten voor de voetadapter ① te gebruiken.
WAARSCHUWING
- De muur waaraan de tv bevestigd zal worden, moet sterk genoeg zijn om ten minste vier keer het gewicht van de tv te dragen (In de referentiehandleiding van uw televisie vindt u het gewicht van uw televisie.).
- Bepaal de sterkte van de muur waarop de tv wordt gemonteerd. Verstevig de muur indien nodig.
De voet aan de muur bevestigen
- Gebruik vier of meer schroeven met een diameter van 8 mm of gelijkwaardig (niet bijgeleverd).
- Bevestig vier schroeven in de gaten van de voetadapter ① met de voet (20) Ⓐ (alleen 2-a).
- Bevestig de voet (20) Ⓐ horizontaal aan de muur.

text_image
2-a ① A
text_image
2-b ADe installatie van de tv voorbereiden
Zie de installatiehandleiding voor installatie van de standaard.
KD-85/75XG85□□, KD-75XG87□□
1 Markeer de plaats van installatie op de wand.
- Gebruik afplakband e.d. (niet bijgeleverd) om de plaats van de tv te markeren in de buurt van de basissteun of basissteunadapter. Gebruik de volgende tabel.

text_image
Middelpunt van het beeldscherm Afplakband (1.000) (300) a b c dEenheid: mm
| Modelnaam | Lengte voormarkering | Afstand totmiddelpuntbeeldscherm | ||
| a | b | c | d | |
| KD-85XG85□□ | 1.909 | 683 | 200 | 251 |
| KD-75XG87□□KD-75XG85□□ | 1.673 | 468 | 200 | 107 |
2 Verwijder de schroeven aan de achterkant van de televisie.

text_image
1×2 2×23 Bevestig de bevestigingsonderdelen voor de wandmontagesteun.
Controleer de bevestigingsstukken door "Bijgeleverd bij SU-WL450" te raadplegen in "De onderdelen controleren" op pagina 5.
Opmerking
- Zorg ervoor dat de bevestigingsonderdelen goed vastgeschroefd zijn.
- Wanneer u een elektrische schroevendraaier gebruikt, moet u de draaikracht instellen op ongeveer 1,5 N·m {15 kgf·cm}.
- Bewaar de gebruikte en ongebruikte onderdelen op een veilige plaats voor toekomstig gebruik. Bewaar deze handleiding zodat u deze in de toekomst kunt raadplegen.
Standaardmontage (2-a)

text_image
Kabelschijf Ⓑ Schroef (+PSW 6 x 20) Ⓔ Afstandhouder (60 mm) Ⓔ Riem Ⓕ Schroef (+PSW 6 x 50) ⒣Smalle montage (2-b)
Opmerking
- Als u dit type montage kiest, kunnen bepaalde aansluitingen aan de achterkant van de tv niet gebruikt worden.

text_image
Kabelschijf Ⓑ Afstandhouser (20 mm) Ⓔ Riem Ⓕ Schroef (+PSW 6 x 20) Ⓒ4 Sluit de nodige kabels aan op de tv.
Zorg ervoor dat alle kabels aangesloten zijn voor u de tv aan de muur bevestigt. Als de tv geïnstalleerd is, kunt u de kabels niet langer aansluiten.
Raadpleeg de referentiehandleiding die bij uw televisie is geleverd.
Opmerking
- Laar de bekabeling in de muur uitvoeren door een erkende installateur.
- Bind de aansluitkabels vóór bevestiging tegen de wand samen, om te voorkomen dat u er op gaat staan.
5 Maak de tafelstandaard los van de televisie.
- Verwijder één zijde van de tafelstandaard tegelijkertijd. Houd de tafelstandaard stevig vast met beide handen terwijl de andere personen de televisie optillen.
KD-85XG85□□

- Herhaal de vorige stap en verwijder de andere zijde van de tafelstandaard.
Opmerking
- Er zijn drie of meer personen nodig om de tafelstandaard te verwijderen.
- Zorg ervoor dat er niet te veel kracht wordt gebruikt bij het verwijderen van de tafelstandaard van de televisie, omdat daardoor het televisietoestel kan vallen en dit kan persoonlijk letsel of fysieke beschadiging van de televisie tot gevolg hebben.
- Wees voorzichtig met de tafelstandaard om schade aan de televisie te voorkomen.
- Wees voorzichtig bij het optillen van de tv als de tafelstandaard gedemonteerd is, omdat de tafelstandaard kan omvallen en dit persoonlijk letsel tot gevolg kan hebben.
- Wees voorzichtig bij het verwijderen van de tafelstandaard van de tv en voorkom dat deze omvalt en het oppervlak waar de tv op staat beschadigt.
KD-65/55XG87□□,
KD-65/55XG85□□
1 Verwijder de schroeven aan de achterkant van de televisie.

text_image
1×2 2×22 Bevestig de bevestigingsonderdelen voor de wandmontagesteun.
Controleer de bevestigingsstukken door "Bijgeleverd bij SU-WL450" te raadplegen in "De onderdelen controleren" op pagina 5.
Opmerking
- Zorg ervoor dat de bevestigingsonderdelen goed vastgeschroefd zijn.
- Wanneer u een elektrische schroevendraaier gebruikt, moet u de draaikracht instellen op ongeveer 1,5 N·m {15 kgf·cm}.
- Bewaar de gebruikte en ongebruikte onderdelen op een veilige plaats voor toekomstig gebruik. Bewaar deze handleiding zodat u deze in de toekomst kunt raadplegen.
Standaardmontage (2-a)

text_image
Kabelschijf Ⓑ Schroef (+PSW 6 x 20) Ⓔ Afstandhouder (60 mm) Ⓔ Riem Ⓕ Schroef (+PSW 6 x 50) ⒲Smalle montage (2-b)
Opmerking
- Als u dit type montage kiest, kunnen bepaalde aansluitingen aan de achterkant van de tv niet gebruikt worden.

text_image
Kabelschijf Ⓑ Afstandhouder (20 mm) Ⓔ Riem Ⓕ Schroef (+PSW 6 x 20) Ⓒ3 Sluit de nodige kabels aan op de tv.
Zorg ervoor dat alle kabels aangesloten zijn voor u de tv aan de muur bevestigt. Als de tv geïnstalleerd is, kunt u de kabels niet langer aansluiten.
Raadpleeg de referentiehandleiding die bij uw televisie is geleverd.
Opmerking
- Laar de bekabeling in de muur uitvoeren door een erkende installateur.
- Bind de aansluitkabels vóór bevestiging tegen de wand samen, om te voorkomen dat u er op gaat staan.
4 Maak de tafelstandaard los van de televisie.
- Verwijder één zijde van de tafelstandaard tegelijkertijd. Houd de tafelstandaard stevig vast met beide handen terwijl de andere personen de televisie optillen.

- Herhaal de vorige stap en verwijder de andere zijde van de tafelstandaard.
Opmerking
- Er zijn drie of meer personen nodig om de tafelstandaard te verwijderen.
- Zorg ervoor dat er niet te veel kracht wordt gebruikt bij het verwijderen van de tafelstandaard van de televisie, omdat daardoor het televisietoestel kan vallen en dit kan persoonlijk letsel of fysieke beschadiging van de televisie tot gevolg hebben.
- Wees voorzichtig met de tafelstandaard om schade aan de televisie te voorkomen.
- Wees voorzichtig bij het optillen van de tv als de tafelstandaard gedemonteerd is, omdat de tafelstandaard kan omvallen en dit persoonlijk letsel tot gevolg kan hebben.
- Wees voorzichtig bij het verwijderen van de tafelstandaard van de tv en voorkom dat deze omvalt en het oppervlak waar de tv op staat beschadigt.
De tv aan de muur bevestigen
KD-85/75XG85□□, KD-75XG87□□
1 Til de tv op.
- De locatie van de kabelschijven Ⓑ voor het bevestigen van de monitor op de voet of voetadapter, kunt u terugvinden in de tabel bij stap 3 onder "De installatieplaats bepalen" op pagina 7.
- Zorg ervoor dat de achterzijde van de tv de voet of voetadapter raakt terwijl u de tv vasthoudt.
Opmerking
- Houd de tv stevig met beide handen vast en zorg dat de riem Ⓕ en de onderzijde van de tv overeenkomen met het afplakband.
- Draag de tv met drie personen en degene die vóór de tv staat, moet de anderen leiden om de positie aan te passen.

- Wees erg voorzichtig met het installeren van de tv op de wand, speciaal voor degene die de tv aan de onderzijde ondersteunt. Het tv-toestel kan vallen en daardoor ernstig persoonlijk letsel of zelfs overlijden tot gevolg hebben.

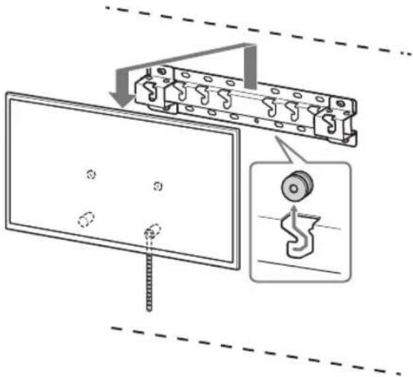
2 Installeer de tv op de voet of voetadapter.
- Schuif de tv voorzichtig omlaag en hang de kabelschijven Ⓑ die bevestigd zijn aan de achterkant van de tv, op de voet of voetadapter. Let hierbij op de vorm van de openingen.
- Controleer na het bevestigen van de tv aan de muur of de kabelschijven Ⓑ stevig verankerd zijn in de voet of voetadapter.
- Laat beide handen langzaam los en zorg ervoor dat de tv niet valt.

- Nadat de tv op de wand is geïnstalleerd, kan het afplakband e.d. van de wand worden verwijderd.

WAARSCHUWING
- Zorg dat tenminste twee personen (tenminste drie personen voor een tv-toestel van 75 inch of groter) de tv vasthouden tijdens het dragen.

3 Voorkom dat de onderkant van de tv gaat bewegen.
- Span de riem Ⓔ goed aan en bevestig deze stevig aan de muur.

text_image
2-a 2-b I F F- Gebruik een schroef met een diameter van 5 mm of gelijkwaardig (niet bijgeleverd).
Opmerking
- Probeer zacht de onderkant van de tv naar u toe te trekken om te controleren dat deze niet kan bewegen. Als de tv nog beweegt, is deze niet correct bevestigd en moet de riem Ⓕ opnieuw vastgemaakt worden.
KD-65/55XG87□□, KD-65/55XG85□□
1 Til de tv op.
- De locatie van de kabelschijven Ⓑ voor het bevestigen van de monitor op de voet of voetadapter kunt u terugvinden in de tabel bij stap 3 onder "De installatieplaats bepalen" op pagina 7.
- Zorg ervoor dat de achterzijde van de tv de voet of voetsteun raakt terwijl u de tv vasthoudt.

• Houd de tv stevig met beide handen vast.
2 Installeer de tv op de voet of voetadapter.
- Schuif de tv voorzichtig omlaag en hand de kabelschijven Ⓑ die bevestigd zijn aan de achterkant van de tv, op de voet of voetadapter. Let hierbij op de vorm van de openingen.
- Controleer na het bevestigen van de tv aan de muur of de kabelschijven Ⓑ stevig verankerd zijn in de voet of voetadapter.
- Laat beide handen langzaam los en zorg ervoor dat de tv niet valt.

- Zorg dat tenminste twee personen (tenminste drie personen voor een tv-toestel van 75 inch of groter) de tv vasthouden tijdens het dragen.

3 Voorkom dat de onderkant van de tv gaat bewegen.
- Span de riem Ⓔ goed aan en bevestig deze stevig aan de muur.

text_image
2-a 2-b F F- Gebruik een schroef met een diameter van 5 mm of gelijkwaardig (niet bijgeleverd).
Opmerking
- Probeer zacht de onderkant van de tv naar u toe te trekken om te controleren dat deze niet kan bewegen. Als de tv nog beweegt, is deze niet correct bevestigd en moet de riem Ⓔ opnieuw vastgemaakt worden.
De installatie controleren
Controleer de volgende punten.
- De kabelschijven Ⓑ zijn stevig verankerd in de voet of voetadapter.
- Het snoer en de kabel zijn niet verstrengeld of gekneld.
- De riem Ⓕ is stevig aangespannen.
WAARSCHUWING
- Een fout aangesloten netsnoer enz. kan door een kortsluiting brand of elektrische schokken veroorzaken. Controleer altijd achteraf de installatie om zeker te zijn dat alles veilig is.
Extra informatie
Voer de hiervoor beschreven installatieprocedure omgekeerd uit om de tv van de muur te verwijderen.

- Zorg dat tenminste twee personen (tenminste drie personen voor een tv-toestel van 75 inch of groter) de tv vasthouden tijdens het verwijderen.
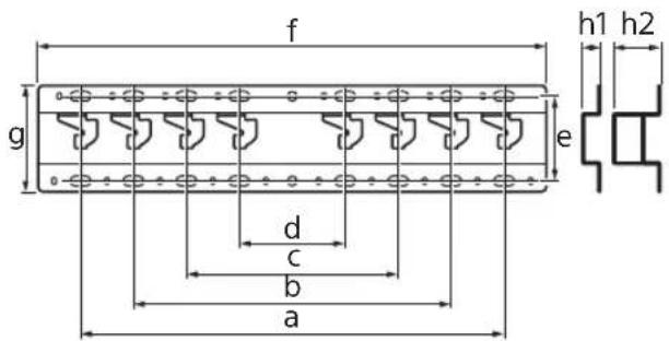
Technische gegevens

text_image
f g e h1 h2 d c b aAfmetingen: (ong.) [mm]
a : 400
b : 300
c : 200
d : 100
e : 80
f : 480
g : 100
h1 : 20 (voor 2-b)
h2 : 60 (voor 2-a)
Gewicht (alleen voet): (ong.) [kg]
0,8
Wijzigingen aan het ontwerp en de technische gegevens zijn voorbehouden zonder kennisgeving.
Skatiet 1. darbības tabulu.
SimpelGids












