KM60 - Ricevitore Hartke - Manuale utente e istruzioni gratuiti
Trova gratuitamente il manuale del dispositivo KM60 Hartke in formato PDF.
Domande degli utenti su KM60 Hartke
0 domanda su questo apparecchio. Rispondi a quelle che conosci o fai la tua.
Fai una nuova domanda su questo apparecchio
Scarica le istruzioni per il tuo Ricevitore in formato PDF gratuitamente! Trova il tuo manuale KM60 - Hartke e riprendi in mano il tuo dispositivo elettronico. In questa pagina sono pubblicati tutti i documenti necessari per l'utilizzo del tuo dispositivo. KM60 del marchio Hartke.
MANUALE UTENTE KM60 Hartke
ATTENZIONE: per ridurre il rischio di incendio o di scariche elettriche, non esponete questo apparecchio a pioggia o umidità. Per ridurre il pericolo di scariche elettriche evitate di rimuoverne il coperchio o il pannello posteriore. Non esistono all'interno dell'apparecchio parti la cui regolazione è a cura dell'utente. Per eventuale assistenza, fate riferimento esclusivamente a personale qualificato. Il fulmine con la punta a freccia all'interno di un triangolo equilatero avvisa l'utente della presenza di "tensioni pericolose" non isolate all'interno dell'apparecchio, tali da costituire un possibile rischio di scariche elettriche dannose per le persone. Il punto esclamativo all'interno di un triangolo equilatero avvisa l'utente della presenza di importanti istruzioni di manutenzione (assistenza) nella documentazione che accompagna il prodotto.
Importanti Istruzioni di Sicurezza
- Prima di usare l'apparecchio, vi preghiamo di leggerne per intero le istruzioni.
- Conservate tali istruzioni per una eventuale consultazione futura.
- Vi preghiamo di rispettare tutte le istruzioni di sicurezza.
- Seguite tutte le istruzioni del costruttore.
- Non usate questo apparecchio vicino ad acqua o umidità.
- Pulite l'apparecchio esclusivamente con un panno asciutto.
- Evitate di ostruire una qualsiasi delle aperture di ventilazione. Posizionatelo seguendo le istruzioni del costruttore.
- Non posizionatelo vicino a sorgenti di calore come radiatori, scambiatori di calore, forni o altri apparecchi (amplificatori compresi) in grado di generare calore.
- Non disattivate la protezione di sicurezza costituita dalla spina polarizzata o dotata di collegamento a terra. Una spina polarizzata è dotata di due spinotti, uno più piccolo ed uno più grande. Una spina dotata di collegamento a terra è dotata di due spinotti più un terzo spinotto di collegamento a terra. Questo terzo spinotto, eventualmente anche più grande, viene fornito per la vostra sicurezza. Se la spina fornita in dotazione non si adatta alla vostra presa, consultate un elettricista per la sostituzione della presa obsoleta.
- Proteggete il cavo di alimentazione in modo che non sia possibile camminarci sopra né piegarlo, con parti colare attenzione alle prese, ai punti di collegamento e al punto in cui esce dall'apparecchio.
- Staccate l'apparecchio dalla alimentazione in caso di temporali o tempeste o se non lo usate per un lungo periodo.
- Per l'assistenza, fate riferimento esclusivamente a personale qualificato. È necessaria l'assistenza se l'apparecchio ha subito un qualsiasi tipo di danno, come danni al cavo o alla spina di alimentazione, nel caso in cui sia stato versato del liquido o siano caduti oggetti al suo interno, sia stato esposto a pioggia o umidità, non funzioni correttamente o sia stato fatto cadere.
Table of Contents
ENGLISH
Introduction....1
Amplificatori per tastiere Hartke KM60 e KM100....38
Caratteristiche 38
Tour guidato - Pannello Frontale....39
Tour guidato - Pannello Posteriore 40
Configurare e utilizzare gli amplificatori per tastiere Hartke KM60 e KM100 ...41
Utilizzare KM60 e KM100 - Setups. 43
Specifiche 50
Introduction
Congratulazioni per aver acquistato KM60 o KM100 Hartke, gli amplificatori per tastiere che rappresentano la soluzione perfetta per ogni tastierista che necessita di un sistema mix/monitor flessibile per la gestione della propria strumentazione. In grado di soddisfare le esigenze di chi desidera un amplificazione d'elevata qualità, KM60 e KM100 riproducono fedelmente il suono e le emozioni dell'esecuzione strumentale. Il modello KM60 raggiunge questo obiettivo grazie ad un sistema capace di erogare 60 watts di potenza, pilotando un driver Hartke 'custom designed' per le basse frequenze da 10", con cono in alluminio combinato ad un tweeter in ceramica, il tutto racchiuso in un cabinet estremamente robusto. Il modello KM100 sprigiona ben 100 watts di incredibile potenza, con un driver Hartke 'custom designed' per le basse frequenze da 12" con cono in alluminio, un driver a compressione da 1" in titanio e dotato di un innovativo cabinet in configurazione kickback, per un potente sistema di monitoraggio professionale a 2-vie full-range.
I musicisti che fanno uso di diverse tastiere e moduli sonori non dovranno impiegare un mixer aggiuntivo, in quanto KM60 e KM100 dispongono di una sezione di missaggio integrata. Il mixer offre un ingresso Mic/Line oltre a tre ingressi aggiuntivi, per un totale di 4-canali, con un ingresso Aux stereo aggiuntivo. Entrambi i modelli KM60 e KM100 sono dotati di un Equalizzatore Grafico a 7-bande col quale è possibile modellare la risposta in frequenza per ottimizzare la sonorità generale, contribuendo a migliorare decisamente l'ascolto sul palco. Dotati di cabinet solidi, robusti e facili da trasportare, gli amplificatori KM60 e KM100 sono monitor affidabili e perfetti per le tue esibizioni, serata dopo serata, concerto dopo concerto.
Sebbene queste unità siano molto semplici da utilizzare, ti suggeriamo di consultare comunque le pagine di questo manuale, per comprendere il modo in cui abbiamo implementato le diverse ed esclusive caratteristiche. In queste pagine troverai le descrizioni dettagliate delle numerose funzioni presenti negli amplificatori per tastiere KM60 e KM100, oltre ad un 'tour guidato' attraverso i pannelli frontale e posteriore delle unità, le istruzioni passo-passo per la configurazione e l'utilizzo, una sezione dettagliata riguardante l'equalizzazione e la compressione, e le specifiche tecniche complete. Inclusa al manuale, troverai anche la cartolina di garanzia - non dimenticare di compilarla ed inviarla per posta, in modo da poter successivamente ottenere il supporto tecnico on-line e ricevere in futuro tutte le informazioni e le novità riguardanti i prodotti Hartke e Samson.
Utilizzando con cura l'unità e fornendo un'adeguata ventilazione, gli amplificatori KM60 o KM100 garantiscono un operatività priva di problemi per molti anni.
Ti raccomandiamo di annotare il numero di serie e la data d'acquisto negli spazi sottostanti; questi dati potranno essere utili come riferimento in futuro.
Numero di serie: ____
Data d'acquisto: ____
Se la tua unità dovesse necessitare di assistenza tecnica, prima di effettuarne l'invio a Samson occorre ottenere il numero di Return Authorization (RA). Senza questo numero, l'unità non sarà accettata.
Per ottenere il numero di Return Authorization prima di spedire l'unità, contatta Samson al numero telefonico 1-800-3SAMSON (1-800-372-6766). Ti preghiamo di conservare l'imballo originale e, se possibile, di utilizzarlo per effettuare l'eventuale spedizione dell'unità.
Amplificatori per tastiere Hartke KM60 e KM100 Caratteristiche

Gli amplificatori Hartke KM60 e KM100 offrono le più innovative caratteristiche relative all'amplificazione per tastiere; eccone alcune delle più importanti:
- Amplificatore per tastiere a quattro canali con mixer e sistema di diffusione a 2-vie.
- Ingresso microfonico e 3 ingressi mono addizionali.
- Il modello KM60 dispone di un'amplificazione di 60 Watts di pura potenza Hartke, mentre il modello KM100 eroga una potenza di 100 Watts, entrambi mediante un sistema interno di altoparlanti a 2-vie.
- Per delle basse frequenze incisive, il KM60 impiega un driver Hartke da 10" 'custom designed' con cono in alluminio, mentre il modello KM100 monta un driver Hartke dello stesso tipo ma di dimensioni maggiori (12"), anch'esso dotato di cono in alluminio.
- Per restituire le alte frequenze del tuo set di tastiere, il modello KM60 impiega un tweeter in ceramica, mentre il KM100 include un driver a compressione da 1" in titanio.
- L'equalizzatore grafico a 7-bande permette di modellare la sonorità generale per il monitoraggio del set di tastiere collegato.
- Il cabinet del modello KM100 è caratterizzato da un innovativo design 'Kickback' che permette di direzionare l'emissione sonora direttamente all'utente.
- Struttura robusta e resistente, che fa dei modelli KM60 e KM100 gli amplificatori perfetti per l'utilizzo 'on the road.
- Estensione della garanzia a tre anni.
Tour guidato - Pannello Frontale

text_image
Hartke 1 2 3 4 5 6 8 97 CHANNEL 1 CHANNEL 2 CHANNEL 3 CHANNEL 4 GRAPHIC EQUALIZER VOLUME KM100 CHINA MEAN CHANNEL 1 CHANNEL 2 CHANNEL 3 CHANNEL 4 GRAPHIC EQUALIZER POWER- Channel 1 MIC IN - Ingresso con connettore XLR per il collegamento al preamplificatore microfonico 'Low-noise' del Channel 1.
- AUX IN/CD - Gli amplificatori KM Series dispongono di un ingresso CD al quale è possibile collegare lettori CD, cassette, mini disk o MP3. Potrai utilizzare questo ingresso per suonare insieme a delle tracce pre-registrate o per imparare nuovi riff musicali dai tuoi dischi preferiti.
- Volume Channel 1 - Manopola per il controllo del livello generale dell'ingresso Channel 1.
- Volume Channel 2 – Manopola per il controllo del livello generale dell'ingresso Channel 2.
- Volume Channel 3 - Manopola per il controllo del livello generale dell'ingresso Channel 3.
- Volume Channel 4 – Manopola per il controllo del livello generale dell'ingresso Channel 4.
- Graphic Equalizer - Questi slider permettono di "disegnare" la risposta tonale del sistema applicando un incremento o un'attenuazione di 12 dB in sette diverse bande di frequenza (100 Hz, 250 Hz, 500 Hz, 1 kHz, 2.5 kHz, 5 kHz, e 10 kHz), che influenzerà il segnale principale in uscita di KM60/KM100. Quando uno slider è impostato nella sua posizione centrale ("0"), la relativa area di frequenza risulterà inalterata (ovvero, sarà 'flat'). Muovendo lo slider verso l'alto (al di sopra dell'impostazione "0", in direzione della posizione "+12"), la relativa area di frequenza verrà incrementata, mentre muovendo lo slider verso il basso (al di sotto dell'impostazione "0", in direzione della posizione "-12"), l'area di frequenza verrà attenuata. Per maggiori informazioni, consulta la sezione "Cenni sull'equalizzazione", alle pagg. 9 - 10 di questo manuale.
- Volume - Manopola per il controllo del volume generale dell'amplificatore KM60/KM100.
- Power - Interruttore che attiva/disattiva KM60/KM100.
Tour guidato - Pannello Posteriore

text_image
A N382 www.hartke.com DESIGNED AND ENGINEERED IN THE UNITED STATES BY HARTKE Hartke 100 WATT KEYBOARD AMPLIFIER SERIAL NUMBER SPEAKER OUT & OVER PROCES KM100 DIRECT OUT C D E GH H GUOEN CHN CH4 CH2 AUX INA CONNESSIONE ALIMENTAZIONE CA - Collega a questa connessione il cavo d'alimentazione standard IEC, fornito in dotazione.
B. Uscita XLR Direct Out - Questo connettore fornisce un segnale bilanciato proveniente dall'uscita del mixer di KM60/KM100, ideale per collegarsi al mixer del sistema PA principale.
C. Ingresso Channel 3 - Connettore jack da 1/4" per il collegamento di sorgenti sonore con livello di linea. Usa questo ingresso per collegare un segnale mono.
D. Ingresso Channel 1 - Connettore jack da 1/4" per il collegamento di sorgenti sonore con livello di linea, come tastiere o drum machine.
E. Ingressi Aux In – Ingressi RCA per il collegamento di sorgenti sonore esterne con livello di linea, come lettori CD, MP3 o schede audio dei computer.
F. FUSE - Fusibile accessibile dall'utente.
G. PHONES - Connettore jack standard stereo da 1/4" che permette il collegamento di qualsiasi cuffia stereo (600 ohms o inferiore). Inserendo un connettore in questo ingresso, l'uscita dell'altoparlante verrà disabilitata, permettendo di poter utilizzare KM60/KM100 come un 'practice amplifier', per esercitarsi indisturbati. Il livello del segnale inviato all'uscita cuffie è determinato dalla manopola Volume—il clip del segnale in cuffie avviene allo stesso punto del clip in uscita all'altoparlante.
AVVERTENZA: Dato che anche il più piccolo amplificatore della serie KM è in grado di generare un livello sonoro estremamente alto nell'uscita cuffie, occorre cominciare ogni operazione con la manopola Volume impostata al minimo, procedendo ad aumentare lentamente il livello. In particolare, il 'clicking' del suono indica una distorsione del segnale in grado di danneggiare le cuffie (e/o le tue orecchie!); quindi, cerca di non raggiungere mai una situazione di questo tipo!
H. Uscita Speaker Out - Connettore jack da 1/4" per il collegamento dell'altoparlante interno (solo KM100).
I. Ingresso Channel 4 - Connettore jack da 1/4" per il collegamento di sorgenti sonore con livello di linea, come tastiere o drum machine.
J. Ingresso Channel 2 - Connettore jack da 1/4" per il collegamento di sorgenti sonore con livello di linea, come tastiere o drum machine.
Configurare e utilizzare gli amplificatori per tastiere Hartke KM60 e KM100
KM60/KM100 - Operazioni di base

text_image
CH 3 CH 1 CH 4 CH2La procedura di configurazione dell'amplificatore per tastiere Hartke KM60/KM100 è semplice e richiede pochi minuti:
- Togliere l'unità dall'imballo (conservandolo per eventuali necessità future di assistenza tecnica) e decidere dove collocare fisicamente l'amplificatore.
Per evitare problemi potenziali di surriscaldamento, assicurarsi che il pannello posteriore non sia ostruito e che ci sia una ventilazione adeguata attorno all'unità. - Collegare il cavo d'alimentazione AC a 3-pin ad una presa di corrente AC. Non attivare ancora l'unità.
- Utilizzare cavi audio standard per strumenti per collegare le tastiere e/o i moduli/drum machine agli ingressi appropriati, presenti nel pannello posteriore. Se si desidera collegare un microfono, utilizzare l'ingresso XLR Channel 1 nel pannello frontale (fare uso di un microfono a bassa impedenza).

text_image
Hartke CH 1 MIC IN AUX IN / CDAVVERTENZA: Gli amplificatori Hartke sono in grado di generare livelli molto elevati. Se alimentati alla massima potenza, possono danneggiare gli altoparlanti, a prescindere dalle loro dimensioni, marca e configurazioni. Occorre prestare molta attenzione cercando di non sollecitare troppo gli altoparlanti collegati, che altrimenti potrebbero danneggiarsi in modo permanente deteriorando le prestazioni dell'intero sistema. Se noti che gli altoparlanti collegati si muovono in modo eccessivo, diminuisci immediatamente il livello del volume, oppure agisci sull'equalizzazione e/o i controlli di compressione, in modo da ridurre la quantità di frequenze sub-armoniche* dal segnale (*frequenze estremamente basse).

text_image
GRAPHIC EQUALIZER 80 160 915 690 1.33k 2.9k 6.3k +12 0 9 140 915 690 1.33k 2.9k 6.3k -12 80 140 915 690 1.33k 2.9k 6.3k -12- Impostare la manopola del Volume generale a "0" (ruotando completamente in senso anti-orario) e regolare il Volume dei canali sul valore "5" (manopola in posizione "ore 12"). Infine, impostare gli slider dell'equalizzatore grafico nella loro posizione intermedia (0dB).

text_image
CHANNEL 1- Premere l'interruttore Power del pannello frontale per attivare l'amplificatore.

text_image
POWERConfigurare e utilizzare gli amplificatori per tastiere Hartke KM60 e KM100
- Regolare il volume della tastiera a 3/4 della gamma e, suonando sulla tastiera, aumentare lentamente il controllo di Volume principale fino a raggiungere il livello desiderato. In caso di distorsione del segnale, anche ad impostazioni non elevate del volume Master dell'amplificatore, diminuire il livello d'uscita delle tastiere (oppure controllare la presenza di eventuali cavi audio difettosi).
- Successivamente, effettua le opportune ottimizzazioni del suono sperimentando con l'equalizzatore grafico di KM60/KM100. Inizia impostando ognuno dei sette slider in posizione centrale ("0" - flat). Quindi, muovi ciascuno slider uno alla volta, suonando sulla tastiera. Per maggiori informazioni, consulta la sezione "Cenni sull'equalizzazione" a pag. 44-45 di questo manuale. Dopo aver individuato un'equalizzazione grafica adeguata alla tua strumentazione e al tuo stile esecutivo, annota ogni impostazione per utilizzi futuri.
Se hai seguito ogni fase della procedura appena descritta e hai ancora delle difficoltà o dei problemi, contatta il Supporto Tecnico Samson
(516-932-1062 / Servizio disponibile dalle 9 alle 17).

-
Gli amplificatori della Serie KM includono un ingresso CD utile per il collegamento di un lettore CD, cassette, mini disk o MP3. Potrai fare uso di questo ingresso per suonare insieme a delle tracce pre-registrate, oppure per imparare nuovi riff musicali dai tuoi dischi preferiti. L'ingresso CD può accogliere qualsiasi sorgente sonora con livello di linea, come una tastiera o una batteria elettronica. Collega il lettore CD o altra apparecchiatura con livello di linea a questo ingresso utilizzando un cavo standard con connettore RCA. Per bilanciare il livello in rapporto al segnale delle tue tastiere, regola il volume d'uscita della sorgente sonora collegata all'ingresso CD; inizia con il volume completamente abbassato, quindi aumenta lenta-mente il livello fino a raggiungere un bilanciamento ottimale con il segnale delle tastiere.
-
Se desideri testare l'uscita cuffia, imposta il controllo Volume al suo livello minimo (ruotando la manopola completamente in senso anti-orario), quindi collega una cuffia stereo standard alla connessione Phones del pannello posteriore. Suonando le tastiere, aumenta lentamente il livello del controllo Volume—il diffusore collegato dovrebbe disabilitarsi e dovresti poter percepire il suono in cuffia.

text_image
AUX IN
text_image
AUX IN / CD 4 5 6 3 7 2 8 1 9 0 10
text_image
PHONESUtilizzare KM60 e KM100 - Setups
Usare l'uscita Direct Out
Gli amplificatori KM60 e KM100 dispongono di un'uscita stereo Direct Out, con connettore XLR bilanciato elettronicamente, utile per inviare il segnale ad una mixing consolle professionale o ad un sistema PA principale, collegandosi ad un ingresso microfonico del mixer. Il segnale invia-to da questa uscita è caratterizzato da una bassa impedenza (100 ohm) ed un livello d'uscita approssimativo compreso tra -30 e -20 dB. L'uscita Direct Out può essere impiegata anche per inviare il segnale ad un amplificatore esterno con una sensibilità d'ingresso di -10 dB.

flowchart
graph TD
A["CE"] --> B["AC/DC"]
B --> C["100 WATT KEYBOARD AMPLIFIER"]
C --> D["KM100"]
D --> E["External Components"]
E --> F["Speaker 1"]
E --> G["Speaker 2"]
KM60/KM100 - Setup Stereo
È possibile utilizzare due unità KM60 o KM100 per realizzare una configurazione stereo. È sufficiente collegare l'uscita Left di una tastiera ad un'unità KM60/KM100 e l'uscita Right alla seconda unità KM60/KM100. Potrai ripetere quest'operazione per un massimo di quattro tastiere o drum machine stereo, facendo uso dei canali 1 - 4 di ciascun amplificatore KM.

Cenni sull'equalizzazione

text_image
GRAPHIC EQUALIZER 89 140 315 430 1.25k 3.5k 4.3k +12 0 6 0 -12 89 160 315 430 1.25k 2.5k 6.3k +12Gli amplificatori per tastiere Hartke KM60 e KM100 mettono a disposizione ampie possibilità di controllo sulla sonorità della strumentazione collegata, grazie ad un'elaborazione audio denominata equalizzazione. Per comprendere il modo in cui agisce questo processore, è importante tenere conto che in natura ogni suono consiste di un'ampia gamma di frequenze, combinate tra loro in modo unico. Questa miscela di frequenze è ciò determina la 'colorazione' tonale del suono. I controlli EQ permettono di alterare il segnale audio esaltando o attenuando delle aree di frequenze specifiche—operando allo stesso modo dei controlli "alti" e "bassi" di un sistema hi-fi, ma con una precisione ben più elevata. Le unità KM60 e KM100 dispongono di uno dei più efficaci strumenti per modellare la sonorità del tuo set di tastiere; il Graphic Equalizer consente un'esaltazione o attenuazione di 12dB su sette bande di frequenze.
L'equalizzatore grafico a 7-bande mette a disposizione sette sliders, ciascuno corrispondente ad una singola banda di frequenza (100 Hz, 250 Hz, 500 Hz, 1 kHz, 2.5 kHz, 5 kHz, e 10 kHz). Questi controlli permettono di "modellare" la risposta tonale dell'unità nel modo desiderato. Quando uno slider è regolato nella sua posizione centrale ("0"), l'equalizzazione su quella particolare banda non avrà luogo. Muovendo lo slider verso l'alto (da "0" a "+12"), quella particolare area di frequenze verrà esaltata; muovendo lo slider verso il basso (da "0" a "-12"), l'area di frequenze verrà attenuata. Le aree di frequenze utilizzate per l'equalizzatore grafico sono state attentamente selezionate in modo da ottenere la massima efficacia sui segnali audio generati dalle tastiere.
Ad esempio, lo slider inferiore (100 Hz) agisce sulle più basse frequenze udibili (infatti, la maggior parte delle persone non è in grado di percepire le frequenze al di sotto dei 20 Hz), mentre i quattro slider superiori agiscono sulle frequenze medio-alte e alte.
Per rendersi conto del modo in cui ciascuno slider dell'equalizzatore grafico influisce sul suono delle tue tastiere, procedi alla regolazione iniziando con tutti gli slider in posizione "flat" (che equivale alla posizione centrale, valore "0").
Cenni sull'equalizzazione
Quindi, procedi alzando o abbassando gli slider uno alla volta, ascoltando attentamente l'effetto di ciascuno. È bene notare che aumentando contemporaneamente allo stesso livello tutti gli slider EQ si otterrà semplicemente un aumento del volume generale; vice versa, diminuendo contemporaneamente dello stesso livello tutti gli slider si otterrà una diminuzione del volume generale. Entrambe queste regolazioni sono da ritenersi irrilevanti (in quanto, è sufficiente agire sul controllo di Volume principale!).
In molti casi, il miglior modo per eseguire l'equalizzazione consiste nel pensare quale area di frequenza occorre attenuare, piuttosto che procedere con l'esaltazione delle bande. Occorre considerare che l'esaltazione di un'area di frequenze influisce anche sul volume generale del segnale; più specificatamente, un'esaltazione esagerata delle basse frequenze è in grado di generare una distorsione che potrebbe addirittura danneggiare l'altoparlante collegato.
L'equalizzazione specifica applicata al segnale delle tue tastiere dipende principalmente dalla tua strumentazione, dal tuo stile esecutivo e dal tuo gusto personale. Tuttavia, è possibile fornire dei suggerimenti generici:
- Per il tipico sound reggae o 'techno bass', aumenta leggermente le basse frequenze attenuando contemporaneamente le alte frequenze (lasciando le frequenze medie 'flat' o leggermente attenuate), come mostra l'illustrazione a destra.
- Per rimuovere la sonorità "chiusa" ed ottenere un suono più "hi-fi", prova ad attenuare le frequenze medie lasciando 'flat' le frequenze alte e basse, come mostra l'illustrazione.
- Per una sonorità brillante e incisiva, aumenta le frequenze alte e medio-alte, come mostra l'illustrazione.
- Dopo aver ottenuto una buona regolazione dell'equalizzatore per un set di strumenti particolare o per un determinato brano musicale, annotalo per utilizzi futuri (è sorprendente quanto sia facile dimenticarsi di questo genere di cose!).
Infine, in fase di sperimentazione dei controlli EQ di KM60 o KM100, non dimenticare che probabilmente anche le tastiere che utilizzi sono dotate di equalizzazione, quindi prova ad agire su entrambi.

bar
| Position | Value | |--------|-------| | 1 | +12 | | 2 | 80 | | 3 | 160 | | 4 | 315 | | 5 | 630 | | 6 | 1.25k | | 7 | 2.5k | | 8 | 6.3k | | 9 | -12 |
bar
| Category | Value | | -------- | ----- | | +12 | 80 | | | 160 | | | 315 | | | 630 | | | 1.25k | | | 2.5k | | | 6.3k | | | -12 |
bar
| Position | Value | |--------|-------| | Top Left | 80 | | Top Right | 160 | | Bottom Left | 315 | | Bottom Right | 630 | | Bottom Right | 1.25k | | Bottom Right | 2.5k | | Bottom Right | 6.3k | | Bottom Right | -12 |Specifications
Nominal Input Level
Mic Input (CH1) -50 dBu.
Line Inputs (CH1 - CH4) -20 dBu.
KM60 Driver Hartke "Special Design" da 10" con
cono in alluminio, 60 watt/4 ohm
Driver Alte Frequenze
KM100 Driver a Compressione da 1"
KM100 Altezza: 47.88 cm (18.85")
Larghezza: 50.17 cm (19.75")
Profondità: 38.48 cm (15.25")
KM60 Altezza: 43.18 cm (17")
Larghezza: 42.09 cm (16.5")
Profondità: 28.30 cm (11.25")
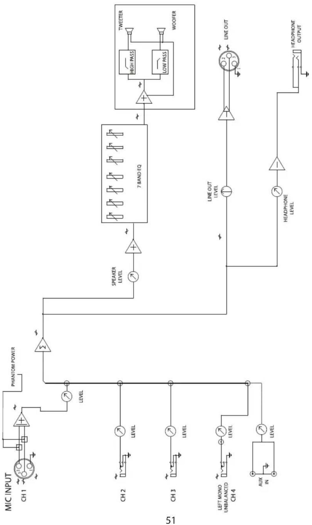
KM60 and KM100 Block Diagram

flowchart
graph TD
A["MIC INPUT"] --> B["CH 1"]
B --> C["+"]
C --> D["PHANTOM POWER"]
D --> E["LEVEL"]
E --> F["7 BAND EQ"]
F --> G["SPEAKER LEVEL"]
G --> H["7 BAND EQ"]
H --> I["High PASS"]
H --> J["Low PASS"]
I --> K["TWEETER"]
J --> L["WOOFER"]
M["51"] --> N["CH 2"]
N --> O["LEVEL"]
O --> P["7 BAND EQ"]
P --> Q["LINE OUT LEVEL"]
Q --> R["LINE OUT"]
R --> S["HEADPHONE LEVEL"]
S --> T["HEADPHONE OUTPUT"]
U["LEFT MONO UNBALANCED CH 4"] --> V["LEVEL"]
V --> W["AUX IN"]
W --> X["LEVEL"]
Notes
Hartke
45 Gilpin Avenue
Hauppauge, New York 11788-8816
Phone: 1-800-3-SAMSON (1-800-372-6766)
Fax: 631-784-2201
www.Hartke.com
ManualeFacile