VENTILATEUR BRUMISATEUR SUR PIED 180 CM - Ventilatore OFRESH - Manuale utente e istruzioni gratuiti
Trova gratuitamente il manuale del dispositivo VENTILATEUR BRUMISATEUR SUR PIED 180 CM OFRESH in formato PDF.
Scarica le istruzioni per il tuo Ventilatore in formato PDF gratuitamente! Trova il tuo manuale VENTILATEUR BRUMISATEUR SUR PIED 180 CM - OFRESH e riprendi in mano il tuo dispositivo elettronico. In questa pagina sono pubblicati tutti i documenti necessari per l'utilizzo del tuo dispositivo. VENTILATEUR BRUMISATEUR SUR PIED 180 CM del marchio OFRESH.
MANUALE UTENTE VENTILATEUR BRUMISATEUR SUR PIED 180 CM OFRESH
Ventilatore nebulizzatore alta velocità 180cm. Ref 071 (500mm)
Manuale di installazione
Grazie per aver acquistato le ventilatore alte prestazioni 180cm O'FRESH. Questo prodotto è adatto per ristoranti, negozi all'aperto, laboratori, fioreria, nei pressi di una piscina, una terrazza, un parco giochi o dove è necessario aggiornare l'aria esterna.
Questi ventilatori sono controllati durante la produzione, e siamo certi che saranno all'altezza delle vostre aspettative.
ATTENZIONE:
- Questo apparecchio non è destinato all'uso da parte di persone (inclusi i bambini) con ridotte capacità fisiche, sensoriali o mentali ridotte. I bambini devono essere sorvegliati per assicurarsi che non giochi con l'apparecchio.
- L'alimentazione è 220-240V, 50Hz. La macchina deve essere collegata a terra.
- Scollegare l'unità prima di riempire il serbatoio o per altre operazioni di manutenzione
- Non versare liquidi all'interno senza prima installare la struttura impermeabile, come il corto circuito del dispositivo.
- Non inserire le mani o altri oggetti nelle prese d'aria sulla piastra o appannamento quando l'unità è in funzione.
- Spegnere immediatamente la macchina e chiamare un elettricista se nota uno qualsiasi dei seguenti: fumo, rumori forti, la fotocamera non funziona.
- Non smontare il ventilatore se non si è qualificati per farlo.
- Spegnere il ventilatore prima di pulire la superficie.
- Non installare la ventola in un luogo dove la temperatura supera i 40 °C.
- Per motivi di sicurezza - non aprire il coperchio della ventola.
CARATTERISTICHE:
- Questa ventola possiede un rivestimento ad alta 180 centimetri epossidica prestazioni che protegge dalla corrosione.
- Nebulizzazione e ventilazione sono indipendenti e dipendenti due diversi motori elettrici. I cuscinetti di alta qualità mantenere stabili le prestazioni, temperature moderate ed a basso rumore in uso continuo.
- Il volume del vapore può essere regolato. La pompa dell'acqua viene arrestato quando l'acqua ha raggiunto un minimo galleggiante.
- Tempo di appannamento fino a 10 ore (a seconda del réglale).
- Le ruote e le maniglie lo rendono facile da spostare fan nebbia
USO:
Vedi sotto per le istruzioni di installazione.
- Aprire il serbatoio dell'acqua, riempire il serbatoio con acqua pulita e chiudere il coperchio.
- Collegare la pompa ventilatore e acqua, quindi collegare l'alimentazione. È possibile anche il livello asjuster nebbia ruotando la manopola sul montante centrale.
- L'interruttore di velocità del ventilatore è il seguente:
'0 'Stop
'1 'A bassa velocità
'2 'Velocità media
Alta velocità '3'
- Nel diagramma denominato "Allegato 2" si vedrà come aprire e piegare le maniglie. Per fare questo, premere il pulsante sulla maniglia per aprire, poi tirare la maniglia.
- Per impostare l'oscillazione, attendere fino alla fermata lame, quindi spegnere l'alimentazione. Vedere lo schema denominato "Allegato 3" per cambiare l'oscillazione.
MANUTENZIONE:
- Se la ventola è al di fuori, tenerlo coperto con un telo di plastica e protetto da polvere e pioggia.
- Per la ventola ha una vita lunga, non dimenticare di sostituire l'olio del cambio, e le altre parti rotanti circa una volta l'anno (ogni 2000 ore)
- Pulire periodicamente il ventilatore e non dimenticare di spegnere l'alimentazione prima!
- Pulire regolarmente la pompa per garantire un funzionamento corretto. Riempire il serbatoio con acqua pulita e pulire il serbatoio dell'acqua di volta in volta
- Quando il ventilatore nebbia non viene utilizzato per un lungo periodo, pulire e coprire con un panno prima di riporlo in asciutto e ventilato
GARANZIA E PROCEDURA DI ASSISTENZA AI CLIENTI:
Tutti i nostri sistemi di nebulizzazione sono garantiti per 1 anno componenti e manodopera. Se il prodotto in questo periodo ha problemi di funzionamento, si prega di seguire la procedura di restituzione qui sotto:
- Prima di ogni altra cosa, chiamare il servizio ai clienti al 0951 634 467
per determinare la causa del problema e la soluzione adatta, contattare il rivenditore locale. - Dopo l'approvazione del tecnico, imballare il sistema di nebulizzazione nella sua confezione originale.
- Fissare la ricevuta originale pacchetto cerchiando la data di acquisto (non si accettano fotocopie) e il nome e l'indirizzo del destinatario.
-Rinviare tutto, a proprie spese, a: 13 rue des Alpes EFYDIS 07300
Tournon, FRANCIA.
- Ci si impegna a riparare o sostituire il vostro sistema di nebulizzazione e tornare a voi a nostre spese al indirizzo citato con il pacchetto
- Ci sarà anche una ricevuta di ritorno, datata e tamponata per rinovare la garanzia.
Se avete domande o commenti, non esitate a scrivere a contact@efydis.fr o contattare 0951 634 467
Avvitare il pilastro sul carrello con le viti M8x25 e dadi M8
Paso 1:
Collega il tubo: Spingere il tubo nel raccordo dell'acqua
Disconnessioni del tubo:
Premere la rondella ed estrarre il tubo dal raccordo
Conexión de
Manguera:
Fase 2: Per il capo della ventola sul pilastro. Bloccare oggetto con viti M6x10. Collegare il potenza con viti M4x10 e spingere il tubo dell'acqua nel raccordo
Fase 3: Collegare il maschio presa nelle prese e avvitare la piastra con le viti M5x12
Fase 4: Inserire il maschio a 2 fili nella presa e posizionare il serbatoio dell'acqua sul carrello
Fase 5: Posizionare la pompa sul fondo del serbatoio, collegare il filo prese jack 3 e 4 alle prese e avvitare la piastra 2 con le viti M5x12
Ajustement de l'oscillation / Regolazione della oscillazione / Ajuste de la oscilación / Oscillation adjustment
Arrière du moteur / Posteriore del motore / Parte posterior del motor / Motor back

text_image
Motor back Réglagle de l'oscillation / Impostare l'oscillazione / Ajuste de la oscilación / Oscillating fixture Trou du bord / Foro del bordo / Agujero del borde / Edge hole Trou du centre / Foro del centro / Agujero del centro / Center hole Raccord / collegamento / conexión / connection Rondelle / rondella / arandela / washer Visse de réglage / viti di regolazione / tornillos de ajuste / adjustment screw《Attachment 3》

text_image
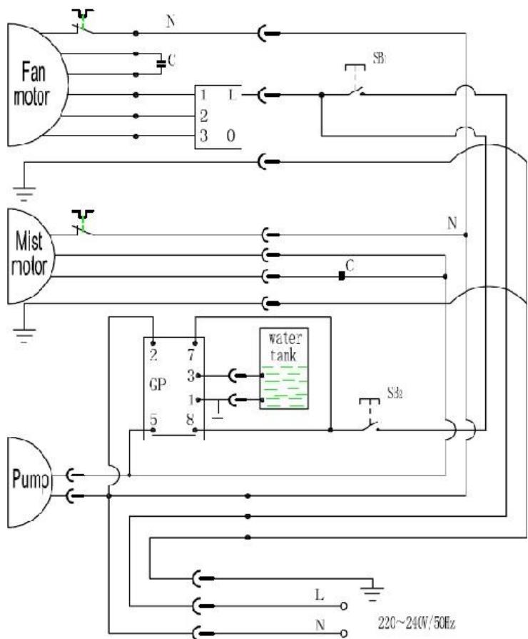
Fan motor N C 1 1 2 3 0 SB Mist motor N C 2 7 GP 3 water tank 5 1 8 S3a Pump L N 220~240V/50HzSchéma électrique / schema elettrico / diagrama de cableado / wiring diagram
Spécifications / specificazioni / especificaciones / specifications
| Model\Spec | Speed 1 | Speed 2 | Speed 3 | Mist Volume (Max) L/h | |||||||||
| Speed r/min | Capacity m3/min | Noise dB | Power W | Speed r/min | Capacity m3/min | Noise dB | Power W | Speed r/min | Capacity m3/min | Noise dB | Power V | ||
| 071 | 105C | 115 | 55 | 140 | 1200 | 138 | 57 | 160 | 1350 | 170 | 58 | 180 | 4 |
ManualeFacile