P569010IND2 - Adaptador de vídeo Tripp Lite - Manual de uso y guía de instrucciones gratis
Encuentra gratis el manual del aparato P569010IND2 Tripp Lite en formato PDF.
Questions des utilisateurs sur P569010IND2 Tripp Lite
0 question sur cet appareil. Repondez a celles que vous connaissez ou posez la votre.
Poser une nouvelle question sur cet appareil
Descarga las instrucciones para tu Adaptador de vídeo en formato PDF gratis! Encuentra tus instrucciones P569010IND2 - Tripp Lite y toma tu dispositivo electrónico nuevamente en la mano. En esta página están publicados todos los documentos necesarios para el uso de su dispositivo. P569010IND2 de la marca Tripp Lite.
MANUAL DE USUARIO P569010IND2 Tripp Lite
Guía de Inicio Rápido
Solutaciones de
Conectividad Industrial
Serie de Modelos: N206-XXX-IND, P569-XXX-IND, U325-XXX-IND, N200P-XXX-IND, N455-XXX-IND, N820-XXX-IND Ver paginga 14 para una lista completa de modelos.
2) Las solicuciones de conectividad industrial de Tripp Lite son compatibles con el estandar IP44 para proteccion contra intrusion de agua en ambos lados, asi como el estandar IP68 para proteccion contra polvo, suciedad y arena invasivos e inmersion en hasta 1.5m de agua por 60 minutes.
Nota: Ciertas combinaciones de produits son necessities para alcantar los estandares IP44 o IP68.
Consulte la sección 4. Combinaciones de Productos para Proteccion IP44 e IP68 para mas informacion. La specifications de proteccion IP68 se basa en la garantia del fabricante.
English 1 • Français 25 • Pycckn 37


1111 W. 35th Street, Chicago, IL 60609, EE. UU. • tripplite.com/support
Copyright © 2021 Tripp Lite. Todos los derechos reservados.
Índice
Lista Completa de Productos para Soluciones de Conectividad 15 Industrial
- Dimensiones de la Caja de Superficie N206-SB01-IND 16
2 Instalacion de Acoplador de Mampara Industrial 17 (N206-BC01-IND, U325-000-IND, P569-000-FF-IND, N455-BC01-IND) - Instalación de Conector Industrial Keystone (N206-KJ01-IND) 19
- Combinaciones de Productos para Proteccion IP44 e IP68 22
Garantia 23
Lista Completa de Productos para Soluciones de Conectividad Industrial
Placas Frontales Industriales
N206-FP01-IND (1 Recorte)
N206-FP02-IND (2 Recortes)
N206-FP04-IND (4 Recortes)
Caja de Instalación Industrial en Superficie
N206-SB01-IND
Acopladores de Conectores y Conectores Keystone
N206-BC01-IND
(Acoplador de Conector Cat5e/6)
N206-KJ01-IND (Conector Keystone)
U325-000-IND (Acoplador USB 3.0)
P569-000-FF-IND (Acoplador HDMI 4K)
N455-BC01-IND
(Acoplador de Fibra Multimodo LC/LC IP68)
Cables Patch Industriales y Cables 4PPoE (90W)
N206-PC03-IND
(Cable Patch Cat5e / Cat6 de 91 cm [3 pies])
N206-PC10-IND
(Cable Patch Cat5e / Cat6 de 3.05 m [10 pies])
N206-PC16-IND
(Cable Patch Cat5e / Cat6 de 4.88 m [16 pies])
N206-PC23-IND
(Cable Patch Cat5e / Cat6 de 7 m [23 pies])
N206-PC33-IND
(Cable Patch Cat5e / Cat6 de 10 m [33 pies])
N206-PC50-IND
(Cable Patch Cat5e / Cat6 de 15.2 m [50 pies])
N200P-003BL-IND
(Cables Cat6 4PPoE de 91.4 cm [3 pies])
N200P-010BL-IND
(Cables Cat6 4PPoE de 3.05 cm [10 pies])
N200P-016BL-IND
(Cables Cat6 4PPoE de 4.88 m [16 pies])
N200P-023BL-IND
(Cables Cat6 4PPoE de 7 m [23 pies])
N200P-033BL-IND
(Cables Cat6 4PPoE de 10 m [33 pies])
Cables Patch Industriales y
Cables 4PPoE (90W) (continuación)
N200P-050BL-IND
(Cables Cat6 4PPoE de 15.2 m [50 pies])
Cables USB 3.0 Industriales
U325-003-IND (Cable USB 3.0 de 91.4 cm [3 pies])
U325-006-IND (Cable USB 3.0 de 1.83 m [6 pies])
U325-010-IND (Cable USB 3.0 de 3.05 m [10 pies])
U325-013-IND (Cable USB 3.0 de 3.96 m [13 pies])
Cables HDMI 4K Industriales
P569-003-IND (Cable HDMI 4K de
91 cm [3 pies], 1 conector resistente al agua)
P569-006-IND (Cable HDMI 4K de
1.83 m [6 pies], 1 conector resistente al agua)
P569-010-IND (Cable HDMI 4K de 3.05 m [10
pies], 1 conector resistente al agua)
P569-012-IND (Cable HDMI 4K de 3.66 m [12 pies], 1 conector resistente al agua)
P569-003-IND2 (Cable HDMI 4K de 91 cm [3 pies], 2 connectores resistentes al agua)
P569-006-IND2 (Cable HDMI 4K de 1.83 m [6 pies], 2 conectores resistentes al agua)
P569-010-IND2 (Cable HDMI 4K de 3.05 m
[10 pies], 2 conectores resistentes al agua)
P569-012-IND2 (Cable HDMI 4K de 3.66 m
[12 pies], 2 conectores resistentes al agua)
Cables Patch Industriales
de Fibra Multimodo Duplex
N820-01M-IND
(Cables Patch de fibra LC/LC de 1 m)
N820-02M-IND
(Cables Patch de fibra LC/LC de 2 m)
N820-05M-IND
(Cables Patch de fibra LC/LC de 5 m)
N820-10M-IND
(Cables Patch de fibra LC/LC de 10 m)
Juego de Ensemble de Cable Impermeable
N206-WK01-IND
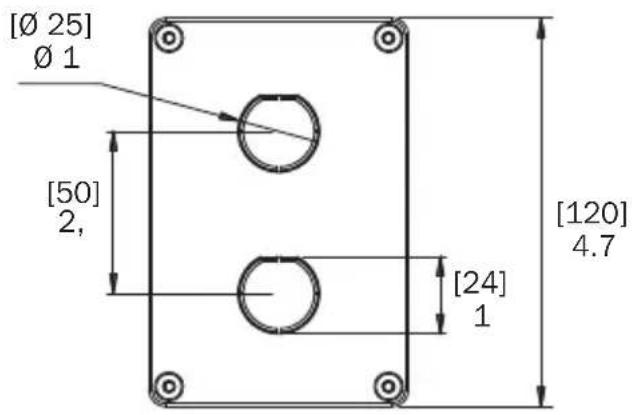
1. Dimensiones de la Caja de Instalacion en Superficie N206-SB01-IND
Dimensiones: [mm] PULGADAS
Recorte para Cable de 0.5" (M16)

Recorte para Tubo Conduit de 1.25" (M32)




2. Instalación de Acoplador de Mampara Industrial (N206-BC01-IND, U325-000-IND, P569-000-FF-IND y N455-BC01-IND)
Note: Temblo enstandisponiblessolutionesdeUSB,HDMIy fibra.Destornilladornoinlido Es possible que se requieran herramentas adiconales para eliminar los recortes.





2. Instalación de Acoplador de Mampara Industrial (N206-BC01-IND, U325-000-IND, P569-000-FF-IND y N455-BC01-IND)

6
7
Para la connexion de acoplamento delantero, pueda usar los cables industriales de la série N206-PCXX-IND, U325-XXX-IND, P569-XXX-IND, N820-XXX-IND o N200P-XXBL-IND. Usted también puede optar por ensambar su propia connexion de cable con el juego de ensamble impermeable N206-WK01-IND.


8


9

3. Instalación de Conector Industrial Keystone (N206-KJ01-IND)
Note: Es possible que se requieran herramrientas adiconiales para eliminar los recortes.




3. Instalación de Conector Industrial Keystone (N206-KJ01-IND)

5
6

7

8
Para la connexion de acoplamento delantero,可以更好 usear los cables industriales de la série N206-PCXX-IND. Usted también可以选择 optar por ensambar su propia connexion de cable con el juego de ensamble impermeable N206-WK01-IND.

N206-WK01-IND
3. Instalación de Conector Industrial Keystone (N206-KJ01-IND)


4. Combinaciones de Productos para Proteccion IP44 e IP68
Note: Para entornos IP68 (sumersion en hasta 1.5 m de agua por 60 Minutes), deben usarse el N206-SB01-IND (no el N206-FPXX-IND). La asignacion IP68 de hasta 1.5 m de agua por hasta 60 Minutes se basa en la garantia del fabricante.
| Placa Frontal | Acopladores de Mampara/ Conectores Keystone | Cables Patch Industriales / Cables USB 3.0 Industriales | Juego de Ensemble de Cable Impermeable | |
| N206-FPXX-IND N206-BC01-IND (Acoplador de Conector) | N206-PCXX-IND (Cable Cat5e/Cat6) | o | N206-WK01-IND | |
| N206-FPXX-IND N206-KJ01-IND (Conectar Keystone) | N206-PCXX-IND (Cable Cat5e/Cat6) | N206-WK01-IND | ||
| N206-FPXX-IND N206-BC01-IND (Acoplador de Conector) | N200P-XXX-IND (Cables Cat6 4PPoE) | N206-WK01-IND | ||
| N206-FPXX-IND U325-000-IND (Acoplador USB 3.0) | U325-XXX-IND (Cable USB 3.0) | |||
| N206-FPXX-IND P569-FF-IND (Acoplador HDMI 4K) | P569-XXX-IND/ P569-XXX-IND2 (Cable HDMI 4K) | |||
| N206-FPXX-IND N455-BC01-IND (Acoplador de Fibra LC/LC) | N820-XXM-IND (Cable de Fibra LC/LC) | |||
| Caja para Instalacion en Superficie | Acopladores de Mampara/ Conectores Keystone | Cables Patch Industriales / Cables USB 3.0 Industriales | O | Juego de Ensemble de Cable Impermeable |
| N206-SB01-IND N206-BC01-IND (Acoplador de Conector) | N206-PCXX-IND (Cable Cat5e/Cat6) | N206-WK01-IND | ||
| N206-SB01-IND N206-KJ01-IND (Conectar Keystone) | N206-PCXX-IND (Cable Cat5e/Cat6) | N206-WK01-IND | ||
| N206-SB01-IND N206-BC01-IND (Acoplador de Conector) | N200P-XXX-IND (Cables Cat6 4PPoE) | N206-WK01-IND | ||
| N206-SB01-IND U325-000-IND (Acoplador USB 3.0) | U325-XXX-IND (Cable USB 3.0) | |||
| N206-SB01-IND P569-FF-IND (Acoplador HDMI 4K) | P569-XXX-IND/ P569-XXX-IND2 (Cable HDMI 4K) | |||
| N206-SB01-IND N455-BC01-IND (Acoplador de Fibra LC/LC) | N820-XXM-IND (Cable de Fibra LC/LC) | |||
Garantía
Garantía limitada de por vida
El vendedor garantiza este producto, si se usa de acuerdo con todas las instrucciones aplicables, de que está libre de defectos en material y mano de obstructa por su vida uyil. Si el producto的结果a defectuoso en material o mano de obstructa bajo de ese periodo, el vendedor reparar o reemplazar a el producto a su entera disreciencia. El serviceo bajo this garantia solo pueda obtenserse por el comprador enviando o embarcando el producto (con todos los cargos de envio o embarque preparados) a: Tripp Lite, 1111 W. 35th Street, Chicago, IL 60609. El vendedor reembolsará los cargos de envio.
Antes de devolverrialquierequipo para reparacion,visite triplite.com/support.
ESTA GARANTÍA NO SE APLICÁ AL DESGASTE NORMAL O A LOS DANOS QUE RESULTEN DE ACCIDENTES, USO INCORRECTO, USO INDEBIDO O NEGLIGENCIA. EL VENDEDOR NO OTORGAR GARANTías EXPRESAS DISTINAS A LA ESTIPULADA EN EL PRESENTE. SALVO EN LA MEDIDA EN QUE LO PROHIBAN LAS LEYES APLICABLES, TODAS LAS GARANTías IMPLICITAS, INCLUYENDO TODAS LAS GARANTías DE COMERCIALIZACION O IDONEIDAD, ESTÁN LIMITADAS EN DURACION AL PERÍODO DE GARANTÍA ESTABLECIDO; ASIMISMO, ESTA GARANTÍA EXCLUYE EXPRESAMENTE TODOS LOS DANOS INCIDENTALES E INDIRECTOS.
(Algunos estados no permiten limitaciones en cuando dura una garantía y algunos Estados no permiten la exclusion de limitación de días incidentales o indirectos, de modo que las limitaciones anteriores peuvent no aplicar para usted.Esta garantía le otorga derechos legales espécíficos y usted pueda tenerthers droits que pueda variar de una jurisdieccion a另一边).
ADVERTENCIA: antes de usar, cada usuario debe tener cuidado al determinar si este dispositivo es adequado o seguro para el uso previsto. Ya que las aplicaciones individuales están susJECTED a gran variación, el fabricante no garantiza laADECUACION de这些dispositivos para una aplicacionspecifica.
Información de Cumplimiento con WEEE por los Clientes y Recicladores de Tripp Lite (Unión Europea)

Conforme a la Directiva de Residuos de Equipos Eléctricos y Electrónicos [WEEE] y regulaciones aplicables, cuando los clients dequieren un equipo eléctrico y electrónico nuevo de Tripp Lite está obligados a:
- Enviar el equipo viejo a reciclaje en una base de uno por uno, senejante por senejante (esto varia de un País a除外)
- Devolver el equipo nuevo para fines de reciclaje una vez que finalmente se convierta en residuo
No se recomienda el uso de este equipo en aplicaciones de soporte de vida en donde razonamente se pueda esperar que la falla de este equipo cause la falla del equipo de soporte de vida o afectar significativamente su seguridad o efectividad.
Tripp Lite tiene una的政治a de mejora continua. Las specifications estan susetas a Cambios sin previo aviso. Las fotografias e ilustraciones peuvent diferir ligeramente de los productos reales.


ExceIe en Manufactura.
ManualFácil