Sabina - Cocina Cola - Manual de uso y guía de instrucciones gratis
Encuentra gratis el manual del aparato Sabina Cola en formato PDF.
Preguntas de los usuarios sobre Sabina Cola
0 pregunta sobre este aparato. Responde a las que conoces o haz la tuya.
Hacer una nueva pregunta sobre este aparato
Descarga las instrucciones para tu Cocina en formato PDF gratis! Encuentra tus instrucciones Sabina - Cola y toma tu dispositivo electrónico nuevamente en la mano. En esta página están publicados todos los documentos necesarios para el uso de su dispositivo. Sabina de la marca Cola.
MANUAL DE USUARIO Sabina Cola
Lea atentamente las instrucciones antes de realizar la instalacion, el uso y el mantenimiento.
El manual es parte integrente del equipo.
La Empresa Cola Srl garantiza sus produits segun las normas actualmente en vigor, excluyendo las piezas expuestos a normal usura.
Para las conditiones de garantia dirijanse al importador o vendedor autorizzato que pueda-agregar el periodo de garantia obligatoria con un periodo suplementar bajo su total y una responsabilidad.
La garantia del producto decae por qualquier incoveniente de rotura o incidente bajo a la falta de respeto o aplicacion de las indicaciones indicadas en el presente manual.
1. AVVERTENZE GENERALI
ADVERTENCIAS GENERALES
1.1 Introduccion
1.2 Uso del manual
1.3 Normas de seguridad
1.4 Descripción技术水平
1.5 Combustible y uso permitted
1.6 Accesorios suministrados
1.7 Normas de referencia
1.8 Placa de identificacion
1.9 Puesta fuera de servicios de la estufa
1.10 Pedido de reparaciones y recambios
2 TRANSPORTE E INSTALLACION
2.1 Embalaje, acarreo, expedeción y transporte
2.2 Lugar de instalación, emplazimiento y prevencion de incendios
2.3 Toma de aire
2.4 Salida de los humos de combustión
2.4.1Tipos de instalación
2.5 Control de la posicion del brasero y del deflector
2.6 Conexión electrica
2.7 Esquema électrique
2.8 Emergencias
3 SEGURIDAD DE LA ESTUFA
3.1 Distancia minima de materiales inflamables
3.2 Dispositivo de seguridad en la calidad de humos
3.3 Seguidad contra sobrepresiones en la camara de combustion
3.4 Sobrecalentamento - termostato de seguidad del deposito de pellets
3.5 Seguidad contra el returno de llama al conductor de alimentacion de pellets
3.6 Dispositivo eletrico de proteccion contra sobrecorrientes
3.7 Seguidad contra la interrupcion de la corriente
3.8 Fallo del ventilador de humos
4 USO DE LA ESTUFA
4.1 Introduccion
4.2 Descripción del panel de mandos
4.3 Encendido
4.3.1 Control antes del encendido
4.3.2 Puesta en marcha
4.4 Funcionamento
4.5 Apagado de la estufa
4.6 Menus
4.6.1 menu 01 - Ajuste ventiladores
4.6.2 menu 02 - Ajuste reloi
4.6.3 menu 03 - Habilitar crono
4.6.4 menu 04 - Elegir idioma
4.6.5 menu 05 - Modo stand-by
4.6.6 menu 06 - Avisador acustico
4.6.7 menu 07 - Carga inicial
4.6.8 menu 08 - Estado de la estufa
4.6.9 menu 09 - Calibrado por parte del的技术o
4.8 Mando a distancia (optional)
4.7.1 Sustitución de la bateria
4.8 Termostato -cronotermostato externo
4.9 Período de inactividad (final de temporada)
5 LIMPIEZA DE LA ESTUFA
5.1 Limpieza del brasero
5.2 Limpieza del cenicero
5.3 Limpieza del vidrio y de las ranuras de circulación de aire
5.4 Limpieza del extractor de humos y de la CAMERA de combustión
5.5 Limpieza del debímetro
5.6 Limpieza de las ceramicas
5.7 Limpieza del tubo de humos - chimenea
6 MANTENIMIENTO
6.2 Introduccion
6.3 Desmontaje del revestimiento
6.4 Componentes internos de la estufa
6.5 Componentes electricos
7 LOCALIZACION DE AVERIAS
7.1 Gestión de las alarmas
8 ANEXOS
8.1 Información sobre el marcado CE
1 ADVERTENCIAS GENERALES
1.1 Introduccion
Estimado Cuestione:
En primer lugar, desamos agradecerle la confianza que nos ha demostrado al adquirir uno de nuestros produits.
Le invitamos a leer y seguir atentamente los consejos dados en este manual de instalacion, uso y mantenimiento para aprovechar al máximo las caracteristicas de este equipo.
Totos los documents relativos a certifications o declaraciones del aparato, en particular la Declaracion de conformidad y la Declaracion de prestaciones, peuvent verse en el situ web de lamarca commercial de pertenencia.
1.2 Uso del manual
El fabricante se reserva el derecho a realizar modificaciones sociales o estéticas de los productos enequalquiermente y sin preaviso.
Las operaciones de instalacion, uso y mantenimiento de la estufa deben cumplir los requisitos expuestos en este manual, asi como las leyes y las normas europeas, naciales, regionales, provinciales y municipales.
Las figuras y medidas, los esquemas yDEMAS informacion tiene solo valor indicativo.
El presentemanualesparteintegrante del producto.En casodeventaocesionaotrapersona,odeinstalacionen otto lugar,debacompanaralequipo para futurasconsultas.
Si el manual se pierde o se dña, Solicite除外 ejemplar al Centro de asistencia técnico autorizzato.
| ! | Este símbolo indica la presencia de un mensaje importante, que requiree especial atencion yuyo incumplimiento能把 causar daños graves a la estuía y a las personas. |
| Los detailles que requireen mayor atencion se destacan mediante el texto en negrita. |
1.3 Normas de seguridad
- Leer este manual antes de realizar operaciones de instalacion, uso y mantenimiento de la estufa.
- Hacer realizar la instalacion, la connexion electrica, la prueba y elostenimiento por un先进技术 autorizzato.
- Conectar la estufa a una chimenea según normas a工程技术 de un terminal inspeccionable. La conexión de varios aparatos a una misma chimenea debe estar autorizada por las normas locales y por el organismo de control de este tipo de sistemas.
- Conectar la estufa a la aspiracion mediante un tubo o toma de aire desde el exterior.
- Conectar la estufa a una toma de corriente homologada de 230V - 50Hz
- Contralar que la instalacion electrica y las tomas de corriente tengan calidad para soportar la absorccion maxima del equipo, indicada en la plac y en este manual.
- Antes de hacerrial的操作ion de mantenimiento,desconectar la estufa de la corriente elctrica ydefer que se enfrie.
- No utiliser liquidos o sustancias inflamables para encender la estufa o reavivar la llama: con la estufa en marcha, losPellets seencienden automatistically.
- Alimentar la estufa exclusivamente con pellets de madera que tengan las caracteristicas descritas en este manual.
- No utiliser la estufa como incinerador de residuos.
- No cerrar en ningún caso las entradas de aire comburette ni las salidas de humos.
- No manipular sustancias fácilmente inflamables o explosivas cerca de la estufa encendida.
- No guitar ni modificar la rejilla de proteccion del deposito de pellets nithersdispositivosde seguidad.
- No utiliser la estufa con la puerta de la cármara de combustión abierta o con el vidrio rajado o roto.
- Durante el funciona, el intenso calor generado por la combustion de los pellets calienta las superficies externas de la estufa, en particular, la puerta de la camera, la manija y el tubo de salute de humos. Evitar el contacto con dichas partes sin una proteccion adecuada.
- Mantener a una distancia prudencial los objetivos inflamables o que no resistan al calor.
- Limpiar correctamente el brasero a cada encendido o recarga de pellets.
- Hacer limpiar el conducto y los deflectores de homo, bajo de la camar a de combustion, por un technician autorizzato.
- Evitar la formación de humano y de material inquemado durante el encendido y el funcionaimiento. Si se acumula mucho pellet sin quemar en el brasero, quitarlomanualmente antes del proximo encendido.
- Advertir a los niños y huéspedes de los peligros anteriorsmente descritos.
- En caso de anomalías de funciona, no reencender la estufa hasta que se haya resuelto la causa del problema.
- Las modificaciones de la estufa o el uso de recambios no originales sin la debida autorizacion puedaponer al usuario en peligro, ante loquel el fabricante queda exento de responsabilidad civil o penal.
- Utilizar solo recambios originales indicados por el fabricante.

El fabricante no asume ninguna responsabilidad por invenrientes, roturas o accidentes debidos a la inobservancia de lasindicacionesdadas en el presente manual.
1.4 Descripción技术水平
La estufa的功能a exclusively con pellets y difunde un calor sano y seguro en el ambiente. Esta provista de sistemas automaticos de control que aseguran un rendimiento termico ideal y una combustion completa. Ademas, los dispositivos de seguridad garantizan un funcionaacion sin riesgos para la estufa y para los usuario. El equipo instalado segun las normas funciona con qualquier condidon climatica exterior.No obstante, en situaciones crticas como viento fuerte o heladas peuvent actuar los dispositivos de segundad que apagan la estufa. La estufa mod. SABINA, con potencia nominal de 12,83 kW, garantiza un volumen maximo calefactable de 293m 3 para viviendas con necessities terma de 35W / m^3 . Este valor suee variar en funciOn del aislamento, del tipo y de la zona climatica, factores que han de tenerse en conta para elegir correctamente el aparato.
| Tipologia Type | Aparatos de calefaction domestica, sin agua, alimentado de pellets de materia Residential space heating appliance without water fired by wood pellets | |
| Marca Trademark | COLA | |
| Modelo Model | SABINA - LA13S00Y | |
| Combustible ** Fuel | Pellets de materia / Wood pellet UNI EN14961-2_classe A1 | |
| Distancia min. segundad posterior - der./izq. - suejo Minimum distance from combustible materials Rear-Right/left side-floor | mm | 200 - 300 - 0 |
| Potenza tTERMica introducida* Heating input | kW | 14,38 - 3,85 |
| Potencia tTERMica nominal* Heating output | kW | 12,83 - 3,66 |
| Potenza tTERMica al agua* Water heating output | kW | - |
| Potenza tTERMica all'aria* Room heating output | kW | 12,83 - 3,66 |
| Rendimiento termico* Efficiency | % | 89,25 - 95,00 |
| Consumo hora */* Fuel consumption | kg/h | 3,04 - 0,81 |
| Emissiones de CO al 13%O2* Emission CO at reference 13% | % mg/m3 | 0,01 - 0,01 164,8 - 79,6 |
| Emissiones de CnHm al 13% O2* Emission CnHm at reference 13% O2 | mg/m3 | 1,9 - 1,4 |
| Emissiones de NOx al 13% O2* Emission NOx at reference 13% O2 | mg/m3 | 99,8 - 91,4 |
| Emissiones de polvo PP al 13% O2* Emission dust PP at reference 13% O2 | mg/m3 | 8 - / |
| Total de emisiones de particulas PPBT al 13% O2* Total dust emission PPBT at ref. 13% O2 | mg/m3 | 8,80 - / |
| Temperatura max agua establecer Set max temp. | °C | - |
| Presión maximal de configuracionmente Max working pressure | bar | - |
| Capacidad de la camera tTERMICA Heating chamble capacity | I | - |
| Capacidad del deposito Pellet stove capacity | kg | 20 |
| Pérdida de energia en lado del agua ΔT 10K Water resistance ΔT 10K | mbar | - |
| Pérdida de energia en lado del agua ΔT 20K Water resistance ΔT 20K | mbar | - |
| Temperatura salute humos* Fume Outlet temperature | °C | 202,5 - 86,7 |
| Caudal de humos* Flue gas flow | g/s | 7,7 - 2,7 |
| Tiro min - max Draught min-max | Pa mbar | 10 - 14 0,10 - 0,14 |
| Tubo de salute de humos Fume Outlet pipe | mm | 80 |
| Alimentación electrónica Electrical power | 230V - 50Hz - 6A | |
| Consumo electrico Rated input power | W | Accensione/Start 420 - Pnom 140 |
| Medidas H x L x P Dimensions H x L x P | mm | 958 x 629 x 527 |
| Peso Weight | kg | 110 |
*a Potencia nominal e reducida / Nominal output and Reduced output
** El Consumo de pellets pueda variegar según el tipo de pellet正常使用 / Pellet consumption can vary according to the type of pellets used.




Medidas de la estufa de pellets SABINA
Leyenda:
A - Rejillas de caso de aire
B - Conexión del cable electrico
C - Aspiración de aire combrente diám. 50 mm
D - Conexión tubo calidad de humos diám. 80 mm
E - Tapa del deposito de pellets

1.5 Combustible y uso permitted
Las estufas de pellets configuran exclusivamente con pellets (pastillas) de differedes maderas conformes a la normal DIN plus 51731, UNE EN 14961-2 o O-Norm M 7135, con las seguides caracterticas:
Poder calorifico: min. 4,8 kWh/kg (4180 kcal/kg)
Densidad: 680-720 kg/m3
Humedad: max. 10% en peso
Diametro: 6 + 0,5mm
Porcentaje de cenizas max. 1,5% en peso
Longitud: min. 6 mm - max. 30 mm
Composicion: 100% madera sin tratar proveniente de la industria de la madera o de postconsumo, sin añadido de agglomerantes y sin corteza, conforme a las normas vigentes.
Embalaje: en sacos de material ecocompatible o biodegradable, o de papel
El deposto de pellets está en la parte posterior de la estufa. La tapa del deposto se encuentra en la parte superior y la energia se efectua manually, solo con la estufa apagada y con cuidado de que los pellets no sobresalgan ni se caigan del deposto.
El uso de pellet con caracteristicasDistinctasal delutilizado poreltecnico duranteelprimerencendidoexigeuna recalibracionde los parametrosde carga.Esta operationnoesta cubierta porla garantia.

- Guarde el pellet en un lugar seco y protegido.
- Para garantizar un funciona regular y eficaz, no colque pellets ni ellos combustiblesmanualmente en el brasero.
- Evite cigar combustibles no aprobados en el deposto.
- No introduzca objetos extraños en el deposito, como recipientes, cajas, bolas o metales.
- El uso de pellet de baja calidad y no aprobado compromete el funcionaimiento del equipo y pueda dararlo, con anulación de la garantía y exención de responsabilidad del fabricante.
1.6 Accesorios suministrados
El suministro incluye:
Cable de alimentacion electrica
Manual de instalación, uso y mantenimiento
Manija para abrir y cerrar la puerta de la camarata.
Mando a distancia
1.7 Normas de referencia
| Norma UNE EN 14785:2006: | Requisitos de Diseño, fabricación,seguidad y prestaciones, instrucciones ymarcado,y respectivos métodos de prueba para la homologación de generadoresde calor alimentados con pellets. |
| Norma UNE EN 60335-1: | Seguidad de aparatos electrodomésticos y similares - parte 1. |
| Norma UNE EN 60335-2-102: | Seguidad de aparatos electrodomésticos y similares - parte 2. |
| Norma UNE EN 55014-1: | Resistencia electromagnética - Requisitos para electrodomésticos,herramrientalelectrías y equipos electricos similares - Parte 1. Emisión de interferencias. |
| Norma UNE EN 55014-2: | Resistencia electromagnética - Requisitos para electrodomésticos,herramrientalelectrías y equipos electricos similares - Parte 2. Inmunidad,Normas de familiede producto. |
| Norma UNE EN 61000-3-2: | Límites de emisión de corrientes armónicas (corriente de entrada ≤ 16 A por fase). |
| Norma UNE EN 61000-3-3: | Limitación de las variociones de tensión y flicker en las redes Públas desuministro de baja tensión para los equipos con corriente nominal ≤ 16 A. |
| Norma UNE EN 62233: | Métodos de medida de los Campos electromagnéticos de electrodomésticos ysimilares en relacion con la exposión humana. |
| Normas DIN plus 51731 - UNE EN 14961 - Ö-Norm M 7135: | Normas sobre las specifications yclasificación del pellet. |
1.8 Placa de identificacion
La plac de identificacion esta en la cara interna de la tapa del deposito de pellets o en la pared posterior de la estufa. En alla se indican los datos caracteristicos de la estufa, como la identificacion del fabricante, el numero de series, el marcado CE, el laboratorio de ensayo y el numero de referencia de la Declaracion de prestaciones.
1.9 Puesta fauna de servicios de la estufa
Cuando decide no utiliser más la estufa, desconectela de la red electrica y vacie el deposito de pellets. Para(deschar la estufa,llevela en un embalaje robusto y precinctado a un centro especializzato en el tratamente de este tipo de equipos, o entrada al vendedor si adquiere una estufaneaueva decharacteristicas similares.
1.10 Pedido de reparaciones y recambios
Para solicitar reparaciones o recambios, contacte con el vendedor del equipo, el importador de zona o el centro de asistencia autorizada más cercano, indicando de modo claro los siguientes datos: modelos de estuía, número de série, Fecha de compra, lista de recambios e información sobre las anomalías observadas.

- Los componentes deben ser reparados por personal autorizzato.
- Antes de realizar cualquier operation, se debe comprobar que la estufa está disconnectada de la electricidad y fria.
- Exija el uso de recambios originales.
2 TRANSPORTE E INSTALLACION
2.1 Embalaje, acarreo, expedition y transporte
La estufa se pueda transporte con su embalaje en una carretilla elevadora, introduciendo las horquillas, de longitud adequada, en las cavidades del palet de madera. Compruebe que los dispositivos realizados para la elevacion y el transporte soporten el peso de la estufa, indicado en la placac de identificacion y en el presente manual.
No pase la energia por sitiños donde la caía pueda representar un peligro.
Abra el embalaje, saque la estufa del palet, controle que esté completa y ubiquela en el lugar elegido.
Se recomienda apoyar la estufa en el suelo, en el lugar de instalacion, con mucho cuidado y evitando golpes. Es indispensable comprobar que el suelo pueda resistir el peso de la estufa; si no es asi, consulte a un technician especializzato. En conformidad con las normas vigentes, la eliminacion y el reciclado del embalaje son responsabilidad del usuario final.
2.2 Lugar de instalación, emplazimiento y prevencion de incendios
El lugar de instalacion deestar suficientemente ventilado para permitir la evacuation de una eventual perdida de humos de combustion.
El equipo está realizado para configurar en ambientes domesticos con temperatura no inferior a 0^
Para evaporar el riesgo de incendio, es necessario proteger del calor y de la radiación del fuego lasestructuras cercanas a la estufa.
Si el suejo es de madera o de other material inflamable, apoye la estufa en paneles de acero o de cristal Templado.
Los paneles deben cubrir, además de la base, un espacio delante de la estufa.
Las vinas o tablas de madera situadas arriba de la estufa o atravesadas por los pasos de humos deben protegerse con arreglo a las normas de instalacion vigentes.
La distancia frontal minima para la proteccion de objectos inflamables es de 1,5 m. En el dibujo seguido se indican las distancias minimas de seguridad respecto a materiales inflamables.

Alrededor de la estufa debe quedar espacio suficiente y de fácil acceso para hacer el mantenimiento periodico. La estufaiene quatre pies regulables para compensar los posibles desniveles del sueo. Para nivelarla, inclinela ligeramente y gire el pie que necesse regulacion.
La estufa se suministra con la sonda de ambiente fjada con una abrazadora a la pared posterior. Se aconseja qutar la abrazadora y ubicar la sonda donde pueda hacer la mejor lecture possible de la temperatura ambiente. Para hacer las medicaciones lejos de la estufa, se aconseja instalar un termostato/cronotermostato de ambiente.

- No instale la estufa en dormitorios, cuartos de bazo ni, en general, en otros ambientes donde ya exista除外 equipo de calefacción sin un flujo de aire independiente.
- Si el sueño es de madera, apoye la estufa en un panel de protección conforme a las normas vigentes.
- Se aconseja tener a mano un dispositivo antiincendios adecuado.
- Este prohibido instalar la estufa en ambientes con atmósfera explosiva.
2.3 Toma de aire
La conexión de aspiración o toma de aire de la estufa se incluena en la parte posterior y es deSECTION circular con diametro de 50 mm.
En el local donde se instale la estufa debe haber una aportacion de aire como minimum suficiente para la combustion. Por este motivo, el aire de combustion necessario para garantizar un funciona adeguedo del equipo se debe aspirar:
del ambiente, con la condidion de que, cerca de la estufa, haya una toma de aire de pared con una superficie libre minima de 100~cm^2 , comunicada con el exterior y protegida por fuera con una rejilla;
mediate conexión directa al exterior, con un tubo de diametro interior minimo de 50 mm y longitud maximizing de 1,5 m provisto de terminal externo antivirusio (codo hacía abajo).
El flujo de aire también se pueda tener de un local contiguo al de instalacion, siempre queicho flujo se realice libremente a工程技术 de aberturas permanentes que comuniquen con el exterior. El local no debe destinarse a garaje, alimentc en materiales combustibles o本次活动os con peligro de incendio.
2.4 Salida de los humos de combustión
La saliva de humos se pueda hacer mediante conexión a un conductor de ventilación traditional o a una chimenea exterior mediante tubo aislado o de doble pared.
El tubo de salute de humos debe tener un tiro minimo de 10 Pa para garantizar la evacuation de los humos incluso durante una errupcion temporal de la energia elctrica.

- Se recomienda al instalador verificar la eficiencia y el estado de la chimenea y la conformidad con las normas locales, nacias y europeas.
- Es necessario utiliser tubos y empalmes certificados con juntas adecuadas que aseguren la estanqueidad.
- En caso de incendio, apague la estufa y llame inmediamente a los bomberos si no consigue apagarlo al primer intento.
- Limpiar como minimo una vez al ano el tubo de salute de humos de la estufa y el conducto de ventilacion/chimenea del edificio.
2.4.1 Tipos de instalaciones
A continuación se detallan las definiciones y los requisitos para realizar la calidad de humos :
CHIMENEA: conduc to vertical que recoge y expulsa a una alta adecuada del sueo los productos de combustion de un solo aparato o, en casos permittidos, de mas de uno.
Requisitos技术和 de la CHIMENEA. Debe: - ser estanca a los productos de combustión y contar con el aislamentonecessary enfunciendelautilización;
- ser lo más vertical posible, con una desviación inferior a 45^ respecto al eje;
- estar suficientemente aislada de materiales inflamables mediante una-camera de aire o aislante;
- tener sección interior preferiblemente circular, constante, libre e independiente;
- en lo possible, tener una CAMERA inspeccionable para la recoleccion de materiales solidos
- y posibles condensados, defaulted de la embocadura del tubo de humos.

TUBO DE SALIDA DE HUMOS: conductor o elemento de conexión entre el
equipo y la chimenea para la evacuacion de los productos de combustion.
Requisitos tecnicos del TUBO DE HUMOS: - no debe atravesar localesdonde no se permita instalar aparatos de combustion;
- está prohibido realizarlo con tubos metálicos flexibles o de fibrocimento;
- está prohibido'utilizar elementos en contrapendiente;
- los tramos horizontales deben tener una pendiente minima de 3 % hacía arriba;
- la longitud del tramo horizontal debe ser lo menor possible y nunca superior a 3 m;
- el número de Cambos de dirección, sin el empalme en T, no debe ser superior a tres;
- para un cambio de direccion de más de 90^ , usar como máximo dos codos cuya longitud en proyección horizontal no sea superior a 2 m;
- el tubo de humos deben tener sección constante y permitir la extracción del hollín.
SOMBRETE: dispositivo montado en la cima de la chimenea que sirve para descargar a la atmósfera los Productos de la combustión.
Requisitos&TecnicosSOMBRERETE: -debe tener seccionequivalentea la de la chimenea;
- la seccion util no debe ser inferior al doble de la seccion interior de la chimenea;
- debe impedir la entrada de lluvia y cuerpos extraños y asegurar la evacuación de los productos de la combustión en cualquier condición atmosférica;
- debe garantizar una adecuada dispersión de los productos de la combustión y estar situado fuera de la zona de refluojo;
- no debe estar provisto de medios mecánicos de aspiración.
-La Salah directa de los productos de la combustion debe hacer en la cuberta del inmueble; esta probidad dirigirla a espacios cerrados aunque carezcan de techo.
-Usar siempre tubo aislado, para evitar:
- si discurre la chimenea por el exterior: evaporar que se enfién los produits de la combustión y no tengamos tiro sufiente,
- si discernre la chimenea por el interior: evitar quemaduras por contacto con la chimenea, y de igual forma evitar que no tengamos tiro suficiente,
-Usar siempre tubos espécíficos de salute de gases para combustibles solidos (como Inox. AISI 316 o Vitrificado en ambas caras),
-Realizar sempre salute de gases a cubierta del edificio tal y como indica la normativa vigente,
- Colocar terminales de chimenea espécíficos, pero no giratorios para registrar que se agarroten por los composión de los gases de combustión de这些 combustibles,
-El diametro requisite de chimenea depende en gran parte de la localidad donte se enquiryre la instalacion:
por la temperatura exterior, la alto, etc.,
Enrialquier caso, siempre se debe consultar con el fabricante de la chimenea qual es el diametro necessario en funciOn de la longitud y figura de cada composicion de chimenea.
-Siempre tener presente el tiro minimum necessario (Pa) indicado en la tabla de caracteristicas sociales, este es el valor necessario que hay que Cumplir para garantizar.
2.5 Control de la posicion del brasero y del deflector
Antes de encender la estufa, es importante controlar que el brasero este en la posicjion correcta y enganchado en las fijaciones. Controlar también que el deflector de humos superior este encajado en su alojamento. La posicjion incorrecta del deflector provoca fallos de functonamento y un ennegrecimiento excessivo del vidrio.

A cada encendido del equipo, controle que el brasero está bien alojado en el portabrasero.
Conecte el cable de alimentacion eletrica por una parte a la toma posterior de la estufa y por la othera a una toma de corriente mural.
La tensión de la red electrónica debe tener el valor que se indica en la plaza de identificación de la estufa y en el apartado de datos技术和os de este manual.
Antes de un periodo de inactividad de la estufa, se recomienda desconectarla de la corriente electrica.

- Compruebe que la instalacion elctrica sea conforme a las normas y este dotada de puesta a tierra e interruptor diferencial.
- El cable de alimentacion no debe tocar nunca el tubo de salute de humos de la estufa.
Se aconseja tener a mano un dispositivo antiincendios adequado. Si se produce un incendidio, proceda del suiviente modo:

- Desconecte inmediamente la estufa de la corriente.
- Apague el fuego con un extintor apropiado.
- Llame rápidamente a los bomberos.
- No intente apagar el fuego con chorros de agua.
3 SEGURIDAD DE LA ESTUFA
3.1 Distancia minima de materiales inflamables
Para evaporar incendios, la estuía se debe instalar a una distancia de seguridad con Respecto arialquier material inflammable, tal como se indica en la tabla技术水平a del manual y en la placde datos del equipo. Preste atencion al tipo de suelo: para materiales delicados e inflamables, se aconseja apoyar la estufa en placas de acero o vidrio Templado (vea el capitulo 2 - Transporte e instalacion). En caso de objetos muy delicados, como muebles, cortinas o sofas, augmentar considerablemente la distancia a la estufa.
3.2 Dispositivo de seguidad en la calidad de humos
Durante el funciona normal, la CAMERA de combustión está en depresión para impeder que las eventuales perdidas de humo salgan al ambiente. Si no se alcanza un cierto valor de vacio, o si la calidad de humos está atascada, el vacuostato detecta la falta de depresión en la CAMERA de combustión o el debímetro detecta la ausencia de flujo de aire comburente. En tal caso, el control electrónico detiene el motor de rotación del sinfin y advierte de la anomía con un mensaje en el panel de mandos: "AL 8 FALTA DEPRES" o "AL 9 TIRO INSUF".
3.3 Seguidad contra sobrepresiones en la CAMERA de combustion
En caso de sobrepresion de los humos en la camera y en los conductos de evacuation, dichos humos se descargan a工程技术 de seguidad situadas sobre el intercambiador de calor. Durante elFunciamento normal, estas valvulas estan cerradas por su propio peso y por la depresion de la camera, y garantizan la estanqueidad ante una eventual calidad de humos.

Controle periodicamente el cierre, el estado general y el funcionaamento de las valvulas.
3.4 Sobrecalentimiento - termostato de seguridad del deposito de pellets

En el conducto de pellets hay una sonda de temperatura conectada a un termostato de seguidad que, en caso de calentamento excessivo (>85^) desactiva automatically la alimentacion del pellet. En este caso, el extractor de humos o los ventiladores siguen functioning para enfiar rapidamente la estufa. La anomalia se indica en el panel de mandos con el mensaje "AL 7 SEGUR TERMICA". Si actua el termostato:
Deje enfiar la estufa al menos 45 Minutes.
Rearme el termostato pulsando el botón situado detrás de la estufa bajo al interruptor, previa extracción de la tapa de seguridad (figura alazo).
Encienda la estufa normalmente.
3.5 Seguidad contra el returno de llama al conductor de alimentacion de pellets
El returno de la llama se impide mediante:
Depresión en la-camera de combustión (apartado 3.2.)
Forma en sifón del conductor de alimentación de pellets
Termostatode seguridadel deposto (apartado 3.4)
3.6 Dispositivo electrico de proteccion contra sobrecorrientes
El equipo está protegado contra sobrecorrientes por uno o más fusibles de 2 A instalados en la alimentación del interruptor general de la estufa, situado en la parte posterior.
3.7 Seguidad contra la interrupción de la corriente electrica
Si el corte de energia es breve, la estufa se vuye a encender automatistically.
Dada laITTLEcantidad de pellets que se queman en el brasero, la interrupcion temporal de la corriente electrica no reduce la seguridad de la estufa y la temperatura del deposito no alcanza values elevados (< 85^) .Durante la errupacion de la corriente可以使 producirse un breve escape de humo al ambiente, que no supone ningun peligro.

Está prohibido alterar los dispositivos de seguridad.
3.8 Fallo del ventilador de extracción de humos
Si, por该如何 motivo, el ventilador de extracion de humos se detiene, el control electrico bloquea instantanamente la entrada de pellets y visualiza el mensaje "AL 4 FALLO - ASPIR".
4 USO DE LA ESTUFA
4.1 Introduccion
La estufa de pellets auna la calidez del fuego de leña a la comodidad del control automatico de la temperatura, con posibiliad de programar el encendido y apagado para toda la semana.
Es possible conectar un termostato o un cronotermostat o externo para medir la temperatura en un puntodistincto de.
quelonde estacolocada la estufa.
Para un uso seguro, se aconteja tener en cuenta las siguientesindicaciones:
- En la prima puesta en marcha se suee sentir mal olor. Airee bien el ambiente, especialmente en el primer encendido.
- Cargue el deposto exclusivamente con pellets. Durante la carga, evite que el saco entre en contacto con las superficies calientes de la estufa.
- No introduzca en el deposito ningún combustible que no sea el pellet indicado en este manual.
- No utilise el equipo para incinerar residuos.
- La estufa deben functionar siempre con la puerta de la camarara cerrada.
- Controle periodicamente las juntas de la puerta de la CAMERA para prevenir filtraciones de aire.
- Para garantizar un rendimientoTERMICO adecuado y un functionamento correcto, limpie el brasero cada vez que carguepellets.
Al primer encendido, es importante no sobrecalantar la estufa sinoacularmente la temperatura, programando temperatas de functionamento bajas (vea el apartado de programacion de la temperatura). - Durante el encendido, el funciona y el apagado, la estufa pueda crujir a causa de las dilatações y contracciónes tírmicas.
4.2 Descripción del panel de mandos
El panel está formado por una pantalla LCD retroiluminada, la tecla de encendido y apagado "P4", la tecla de func tion SET/MENU "P3", las quatre teclas de menu "P1", "P2", "P5" y "P6" y siete SYMBOLos que indican el estado de funciona.

El panel permite encender y apagar la estufa, regularla durante el funciona y ajustar los programas de gestión y mantenimiento.
En la pantalla se visualizan informaciones sobre el estado de funciona de la estufa.
Para acceder a los ),proceda del ),mqo:
- Pulse la tecla SET "P3".
- Pulse las teclas "P5" y "P6" para recorrer los manos.
- Presione una de las teclas de aumento/disminución "P1" o "P2" para ajustar el parámetro deseado.
- Pulse la tecla SET "P3" para confirmar el ajuste.
A través de los menus se pueda Obtener los diversos temas de visualización y hacer los ajustes disponibles según el nivel de acceso.
En la tablasuma se detallan los mandos y los mensajes que aparecen durante la programacion y el ajuste de los parámetros de configuracion.
| tecla descripción modo accesión | ||
| 1 Aumentar temperatura | PROGRAMACION Modifica/aumenta el parámetro selecciónado | |
| TRABAJO/APAGADO | Aumenta la consigna de temperatura del termostato de ambiente. | |
| 2 Reducir temperatura | PROGRAMACION Modifica/aumenta el parámetro selecciónado | |
| TRABAJO/APAGADO | Disminuya la consigna de temperatura del termostato de ambiente | |
| 3 Menú | - Da acceso al MENU | |
| MENÜ Da acceso | al nivel sugiente de submenús | |
| PROGRAMACION | Introduce un valor y pasa a la option de menú sugiente | |
| 4 ON/OFF Desbloqueo | TRABAJO | Presionada durante 2segundos enciende o apaga la estufageneral que está apagada o encendida |
| BLOQUEO | Desbloquea la estufay ladea apagada | |
| MENÜ/PROGRAMACION | Pasa al nivel de menú superior guardando los Cambios | |
| 5 Reducir potencia | TRABAJO/APAGADO | Modifica la potencia suministrada por la estufa |
| MENÜ Pasa a la option de menú sugiente | ||
| PROGRAMACION | Pasa a la option de submenú sugiente guardando los Cambios | |
| 6 Aumentar potencia | TRABAJO/APAGADO | Modifica la velocidad del intercambiador |
| MENÜ Pasa a la option de menú anterior | ||
| PROGRAMACION | Pasa a la option de submenú anterior guardando los Cambios | |
La figura bajo a estas lineas describe el significado de los SYMBOLOS de estado que se visualizan a la izquierda de la pantalla.
La aparciación de cada uno de"These symbolosSEOa la activación del dispositivo correspondiente.
4.3 Encendido
4.3.1 Control antes del encendido

Antes de encender la estufa:
- Asegürese de haber leído y comprendido el manual.
- El deposto debe estargcado de pellets.
- La lácama de combustiónDebe estar limpia.
- Elbrasero debe estcompletamente vacio, sin residuos de combustion y correctamente ubicado en el portabrasero.
- Compruebe el cierre hermético de la puerta de la casa y del cenicero.
- Verifique la connexion del cable électrique y la commutacion a ON/1 del interruptor situado en la parte posterior de la estufa.

- A la primera puesta en marcha, quite de la camar de combustion y del vidrio todos los elementos que se pueda querar (instrucciones, etiqueta).
- Antes de encender la estufa tras una inactividad prolongada,可以更好 ser necessario quitar los restos de pellets que hayan;quedado en el deposito porque este combustible, si se humedece, no es idoneo para la combustion ni asegura una buena limpieza de la camera.
4.3.2 Puesta en marcha
Para encender la estufa, pulse la tecla "P4" durante 3 segundos: en pantalla aparece la indicacion "START".
Esta fase es automatica y está totalmente gestionada por el control electronomico, sin posibiliad de modifier los parametros.

La estufa realiza las diversas fases de puesta en marcha de acuerdo con los niveles y tiempos programados, hasta临港 a la condidion de trabajo si no ha surgido ninguna anomalia o alarma. El proceso es elsiguiente:
| estado duracióndispositivos | condiciones para pagar al estadoCEEjiente | |||||
| encendedor | asp. humos | sinfín | interc. | |||
| APAGADO - OFF OFF | OFF OFF | ON/OFF | ||||
| START - LIMPIEZA IN. | Pr33 OFF | ON | OFF OFF | transcurso tiempo Pr33 | ||
| PRECALENTAMIENTO | Pr34 | ON | ON | OFF | OFF | transcurso tiempo Pr34 |
| PRECARGA PELLETS | Pr40 | ON | ON | ON | OFF | transcurso tiempo Pr40 |
| ESPERA LLAMA | Pr41 | ON | ON | OFF | OFF | transcurso tiempo Pr41 |
| CARGA PELLETS | - | ON | ON | ON | OFF | temperatura humos > Pr13 |
| FUEGO PRESENTE | Pr02 OFF | ON | ON | ON | transcurso tiempo Pr02 | |
| TRABAJO | - OFF | ON | ON ON | temperatura ambiente < consigna temperature - temperatura humos < Pr14 | ||
| TRABAJO MODULA | - OFF | ON | ON ON | temperatura ambiente < consigna temperature - temperatura humos < Pr14 | ||
| LIMPIEZA BRASERO Pr12 | OFF | ON | ON ON | con Frequencia Pr03 | ||
| TRABAJO | - OFF | ON | ON ON | ON/OFF para apagar | ||
| LIMPIEZA FINAL | Pr39 (*) | OFF | ON | OFF | - | (*) Pr39 transcurrre desde elmomento en que T.humos < Pr13 |
Al cabo de un cierto tiempo, si la temperatura de los humos no ha alcanczo el valor minimumo admitido, la estufa activa el estado de alarma.

- Este prohibido utiliser liquidos inflamables para el encendido.
- Si el encendido falla repetidamente, llame al Servicio Técnico COLA
4.4 Funcionamento
Si la PUESTA EN MARCHA termina correctamente, la estufa pasa al modo TRABAJO, que es el de funciona normal.El usuario可以选择 regular la potencia de calefaction entre 1 y 5 mediante las teclas "P5" y "P6".

Además de la potencia, también se pueda regular la temperatura ambiente, directamente en el panel de mandos con las teclas "P1" y "P2": en pantalla aparece la consigna (SET) actual de temperatura. Para la ventilación del aire caliente, la estufa regula automatistically la velocidad en función de la potencia programada.


- Se recomienda controlar el nivel de pellets en el deposito para evaporar que la llama se apague por falta de combustible.
- Antes de cargar pellets, cerciorese de que la estufa está apagada.
- La tapa del deposito de pellets debe estar sempre cerrada, abralla solamente para hacer la carga.
- Guarde los sacos de pellets como minimo a 1,5 m de la estufa.
Cuando la temperatura ambiente alcanza el valor programado o la temperatura de los humos lega al valor máximo especified, en噎a aparece la indicacion "MODULA F" y la estufa activa la modulacion de la llama sin intervencion del usuario. Si la temperatura supera los 280^ aparece la alarma "ALARMA ALTA TMP HUMOS" y la estufa activa el procedimiento de apagado.
Si se activa el modo STAND-BY (espera), la estufa se apaga con un tiempo de retardo después de alcancar la temperatura programada y se reactiva cuando la temperatura ambiente es inferior a un valor Shopsificado.
la estufa activa el procedimiento de apagado
Durante el funciona normal en modo Trabajo, a intervalos preestablecidos se activa el modo "LIMPIEZA BRASERO" durante el tiempo especified.

4.5 Apagado
Para apagar la estufa es suficiente presionar la tecla "P4" durante 2 segundos.
El sinfn se para de inmediato, el extractor de humos funciona a alta velocidad y en pantalla aparece la indicacion "LIMPIEZA FINAL". Los dos motores, de aspiracion de humos y ventilacion de aire, permanecen encendidos hasta que la estufa se enfria lo suficiente.

Al final de la operación, en pantalla aparece la indicación "OFF".
Durante la fase de apagado, no se可以选择 volver a encender la estufa hasta que la temperatura de los humos permanece por debajo de un valor prefijado durante el tiempo programado. En pantalla aparece laindracion "ESPERA REFRIGER".
4.6 Menu
Pulsando la tecla "P3" (SET) se accede al menu, que permite hacer los ajustes por los cuales se registrar el control electrónico.
En la tablasuma se describe la estructura del menu con los ajustes que pueda realizar el usuario.
| Nivel 1 Nivel 2 | Nivel 3 | Nivel 4 | Valor | |
| 01 - Ajuste ventil | Selección el valor | |||
| 02 - Ajuste reloj | 01 - día Día | |||
| 02 - horas Horas | ||||
| 03 - Minutes Minutos | ||||
| 04 - día Día | ||||
| 05 - mes Mes | ||||
| 06 - año Año |
| Nivel 1 Nivel 2 | Nivel 3 | Nivel 4 | Valor | |
| 03 - Ajuste crono | ||||
| 01 - habilita crono | ||||
| 01 - habilita crono | on/off | |||
| 02 - program día | ||||
| 01 - crono día | on/off | |||
| 02 - start 1 día | hora | |||
| 03 - stop 1 día | hora | |||
| 04 - start 2 día | hora | |||
| 05 - stop 2 día | hora | |||
| 03 - program semana | ||||
| 01 - crono semana | on/off | |||
| 02 - start 1 día 下午 | ||||
| 03 - stop 1 día 下午 | ||||
| 04 - lunes prog 1 on/off | ||||
| 05 - martes prog 1 on/off | ||||
| 06 - miércoles prog 1 on/off | ||||
| 07 - jueves prog 1 on/off | ||||
| 08 - viernes prog 1 on/off | ||||
| 09 - sábado prog 1 on/off | ||||
| 10 - domingo prog 1 on/off | ||||
| 11 - start prog 2 hora | ||||
| 12 - stop prog 2 hora | ||||
| 13 - lunes prog 2 on/off | ||||
| 14 - martes prog 2 on/off | ||||
| 15 - miércoles prog 2 on/off | ||||
| 16 - jueves prog 2 on/off | ||||
| 17 - viernes prog 2 on/off | ||||
| 18 - sábado prog 2 on/off | ||||
| 19 - domingo prog 2 on/off | ||||
| 20 - start prog 3 hora | ||||
| 21 - stop prog 3 hora | ||||
| 22 - lunes prog 3 | on/off | |||
| 23 - martes prog 3 on/off | ||||
| 24 - miércoles prog 3 on/off | ||||
| 25 - jueves prog 3 on/off | ||||
| 26 - viernes prog 3 on/off | ||||
| 27 - sábado prog 3 on/off | ||||
| 28 - domingo prog 3 on/off | ||||
| 29 - start prog 4 hora | ||||
| 30 - stop prog 4 hora | ||||
| 31 - lunes prog 4 on/off | ||||
| 32 - martes prog 4 on/off | ||||
| 33 - miércoles prog 4 on/off | ||||
| 34 - jueves prog 4 on/off | ||||
| 35 - viernes prog 4 on/off | ||||
| 36 - sábado prog 4 on/off | ||||
| 37 - domingo prog 4 on/off | ||||
| 04 - program fin | ||||
| 01 - crono fin semantics | on/off | |||
| 02 - start 1 | ||||
| 03 - stop 1 | ||||
| 04 - start 2 | ||||
| 05 - stop 2 | ||||
| 04 - Elegiridioma | ||||
| 01 - italiano | ajuste | |||
| 02 - francés | ajuste | |||
| 03 - ingrés | ajuste | |||
| 04 - alemán | ajuste | |||
| 05 - Modo stand-by | on/off | |||
| 06 - Avis acústico | on/off | |||
| 07 - Carga inicial | ajuste | |||
| 08 - Estado estufa | - |
4.6.1 Menu 01 - Ajuste ventil
La velocidad de los ventiladores se gradúa automatistically según la potencia programada. Si se deseña limitar el flujo de aire caliente, es possible ajustar manualmente la velocidad Tmaxima mediante la optación de menu 01,eligible un valor entre 1 y 5. Por exemple, si se establiece el valor 3, la velocidad de los ventiladores augmenteda automatistically pero sin superar la correspondiente al valor 3.
En la version canalizable, la connexion électrique se indica con la activacion de los dos segmentos (B).
4.6.2 Menu 02 - Ajuste reloi
Antes de utiliser la estufa, se deben indicar la Fecha y hora actuales para que sirvan de referencia para el possible funciona con crono.
El control electrónico funciona con una batería de litio mod. CR2032 de 3 V que asegura al reloj interno una autonomía propia. Si, con la estufa apagada, el reloj no mantiene el horario o al reencendido aparece una série de ceros, llama a un centro de asistencia autorizada para Cambiar la batería.
4.6.3 Menu 03 - Habilita crono
Permite habilitar y deshabilitar todas lasmericanas del cronotermostat.
Con la selección ON se activa la funciona y en pantalla aparece el segmento (D).
Cuando se realiza la programacion diaria, semanal o de Fin demana, en la parte superior的那一cha de la pantalla aparece el segmento (C).
Con el submenu: PROGRAM DIA es possible habilitar, deshabilitar yJKLM asistar las functions del cronotermostat diario. Se puedaaabustar dos fases de functiomento, delimitadas por los horarios fjados de acuerdo con la tablasuma,onde la。,opacion OFF indica al reloj que ignorel mando.
| Selección s | significado values possibles | |
| START1 hora | de activación hora - OFF | |
| STOP1 | hora de desactivación | hora - OFF |
| START2 hora | de activación hora - OFF | |
| STOP2 | hora de desactivación | hora - OFF |

Con el submenu: PROGRAM SEMANA es possible habilitar, deshabilitar yJKLMas. El control seminal se realiza con在哪些 programas independentes que se combinan entre si.
La programacion semanal se pueda activar o desactivar. Si se selecciona OFF en el Campo "horario", el reloj ignora el mando correspondiente.


Realice la programacion con cuidado, evitando superponer las horas de activacion y desactivacion para el mesmo dia en distinctos programas.
| PROGRAMA 1 | |||
| nivel de menu | sección significada valores posibles | ||
| 03-03-02 START PROG 1 hora de activación 下午 - OFF | |||
| 03-03-03 STOP PROG 1 hora de desactivación 下午 - OFF | |||
| 03-03-04 LUN DES PROG 1 | día de referencia | on/off | |
| 03-03-05 MARTES PROG 1 on/off | |||
| 03-03-06 MIERCOLES PROG 1 | on/off | ||
| 03-03-07 JUEVES PROG 1 | on/off | ||
| 03-03-08 VIERNES PROG 1 | on/off | ||
| 03-03-09 SÁBADO PROG 1 on/off | |||
| 03-03-10 DOMINGO PROG 1 | on/off | ||
| PROGRAMA 2 | |||
| nivel de menu | Selección significado valorés posibles | ||
| 03-03-11 START PROG 2 hora de activación ho | a - OFF | ||
| 03-03-12 STOP PROG 2 hora de desactivación | hora - OFF | ||
| 03-03-13 LUNES PROG 2 | día de referencia | on/off | |
| 03-03-14 MARTES PROG 2 on/off | |||
| 03-03-15 MIERCOLES PROG 2 | on/off | ||
| 03-03-16 JUEVES PROG 2 | on/off | ||
| 03-03-17 VIERNES PROG 2 | on/off | ||
| 03-03-18 SÁBADO PROG 2 on/off | |||
| 03-03-19 DOMINGO PROG 2 | on/off | ||
| PROGRAMA 3 | |||
| nivel de menu | Selección significado valores posibles | ||
| 03-03-20 START PROG 3 hora de activación | on hora - OFF | ||
| 03-03-21 STOP PROG 3 hora de desactivación | hora - OFF | ||
| 03-03-22 | LUNES PROG 3 | dia de referencia | on/off |
| 03-03-23 MARTES PROG 3 on/off | |||
| 03-03-24 MIERCOLES PROG 3 | on/off | ||
| 03-03-25 | JUEVES PROG 3 | on/off | |
| 03-03-26 | VIERNES PROG 3 | on/off | |
| 03-03-27 SÁBADO PROG 3 on/off | |||
| 03-03-28 | DOMINGO PROG 3 | on/off | |
| PROGRAMA 4 | |||
| nivel de menú | Selección significado | valores posibles | |
| 03-03-29 | START PROG 4 hora de activación | hora - OFF | |
| 03-03-30 | STOP PROG 4 hora de desactivación | hora - OFF | |
| 03-03-31 | LUN ES PROG 4 | día de referencia | on/off |
| 03-03-32 | MARTES PROG 4 | on/off | |
| 03-03-33 | MIERCOLES PROG 4 | on/off | |
| 03-03-34 | JUEVES PROG 4 | on/off | |
| 03-03-35 | VIERNES PROG 4 | on/off | |
| 03-03-36 | SÁBADO PROG 4 | on/off | |
| 03-03-37 | DOMINGO PROG 4 | on/off | |
Con el submenu: PROGRAM FIN SEMAN es possible habilitar, deshabilitar y ajustar las functions del cronotermostat para el fin demana (sabadoyo domingo).

Antes de activar la programacion para el FIN DE SEMANA se debe desactivar la programacion semanal.
Para evaporar encendidos y apagados indeseados, se debe activar un solo programa por vez.
Desactive el programa diario si desea utilizar el semanal. En este caso, también se aconseja desactivar el programa de fin de/semana.

4.6.4 Menu 04 - Elegir idioma
Permite seleccionar el idioma en que apareceran las informaciones en pantalla, entre los siguientes:
ITALIANO
FRANCÉS
- INGLÉS
- ALEMAN
SPANISH
4.6.5 Menu 05 - Modo stand-by

Si se ajusta en ON, la estufa se apaga automatamente cuando la temperatura ambiente o del agua permanece por encima del valor de consigna (SET) durante un tiempo prefijado.
El reencendido es automatico cuando la temperatura ambiente o del agua se hace inferior a la consigna introducida en la tabla de parámetros (valor de fabrica 2^ ).
Los mandos realizados con el panel de mandos o el mando a distancia son prioritarios respecto a la programacion.
Si este parámetro se ajusta en OFF, la estufa no usa el modo STAND-BY y funciona normalmente,activando la func iON MODULACION cuando la temperatura supera el valor de consigna.
4.6.6 Menu 06 - Avis acustico
Esteajustepermiteactivorodesactivarlesenalizacionacusticadelaestufa.
4.6.7 Menu 07 - Carga inicial
El menu CARGA INICIAL permite efectuar, con la estufa apagada o fría, una precarga de pellets durante 90 segundos. Se inicia con la tecla P1 y se interrupne con la tecla P4.

4.6.8 Menu 08 - Estado estufa
Esta selección permite visualizar el estado actual de la estufa y de los dispositivos connectados a ella. El menu constafa de varias páginas sucesivas.
4.6.9 Menu 09 - Calibrado técnico
Este menu está reservado a los先进技术 autorizados del centro de asistencia de COLA S.r.l.

La modificacion de los parametros技术和 en el menu 09 debe ser efectuada por personal autorizacion. Las modifications por parte de otheras personas peuvent causar graves daños que eximen de todo responsabilidad a COLA S.r.l.
4.7 Mando a distancia
El mando a distancia no permite modifier la programacion sino solo encender/apagar la estufa y regular la potencia y la temperatura.
Transmite las señales mediante un diodo de infrarrojos, por lo which es requisite apuntarlo hacia el receptor instalado en el panel de mandos.
Permite realizar las siguientes operaciones:

L: El piloto se enciende al pulsarrialquier tecla
Tecla P1+P6: Encender-apagar la estufa
Tecla P1: Aumentar la temperatura ambiente
Tecla P6: Aumentar el nivel de potencia
Tecla P5: Disminuir el nivel de potencia
Tecla P2: Disminuir la temperatura ambiente

4.7.1 Sustitución de la bateria
El mando a distancia se suministra sin la bateria de alimentacion. Instale la bateria en la parte inferior del dispositivo, del modo suiviente:
- Abra la tapa situada en la parte posterior del mando a distancia.
- Colque una batería P23GA de 12 V en el alojamento, respetando la polaridad.
- Cierre el mando a distancia.
- Compruebe el funciona.

- No acerque el mando a fuentes de calor directo y evite que se moje.
- Deposites las baterias usadas en un conteditor espécífico.

El equipo se suministra de series con un termostato digital que mide la temperatura ambiente con una sonda y reduce la potencia cuando se alcanza la temperatura programada.
Si desea usar un termostato externo,akra a un先进技术 autorizo y proced del.),该如何 modo:
- Āpague el equipo con el interruptor general situado en la parte posterior y desconecte el cable de la corriente electrica.
- Desmonte el panel lateral para acceder al control electrónico.
- Guiandose por el esquema electrico, conecte los dos cables del termostato a los respectivos bornes TERM de la tarjeta.
- Restablezca el estado normal de la estufa y disfruebe el funcionajo.
A continuación se describe el procedimiento de ajuste:
- termostato除外:ajustar una consigna de temperatura (SET) de 7^
- cronotermostaterno: ajustar una consigna de temperatura (SET) de 7^ y deshabilitar la direccion Crono desde el menu 03-01.
Estos ajustes no modifican la programacion realizada con el menu. La connexion se indica con el encendido del segmento en la barra de estado de la pantalla.

4.9 Período de inactividad (fin de temporada)
Si no realizar la estufa por un tiempo prolongado, o al final de la temporada, proceda delARRYnte modo:
- Descargue todoel pellet del deposito.
- Desconecte la alimentacion electrica y quite el cable del interruptor.
- Limpie esmeradamente y, si es besoinario, haga sustituir las partes dañadas por un先进技术 autorizzato.
Cubra la estufa para protegerla del polvo.
Guardela en un lugar seco, seguro y protegido de los agentes atmoféricos.
5 LIMPIEZA DE LA ESTUFA
La limpieza de la estufa es importante para asegurar el functionamento correcto yatar el ennegrecimiento del vidrio, la combustion incorrecta, el deposito de cenzas e inquemados en el brasero y la disminución de la eficacia semiclassical.
La estufa debe funciona con la puerta de laamera siempre cerrada.
Las juntas de la puerta de la camera deben controlarse periodically para evitar filtraciones de aire. Esto es必需ario porque la camera de combustion y el conductor de descarga de pellets funciona en depresion, y la calidad de humos está ligeramente presurizada.
La limpieza ordinaria debe ser realizada por el usuario como se indica en el manual. Elostenimiento extraordinario debe ser efectuado, al menos una vez al aro, por un Centro de asistencia autorizzato.

- Limpie todas las partes con la estuya Completely fría y desconectada de la red electrica.
- Deseche los residuos de la limpieza según las normas locales vigentes.
- Este prohibidoponer la estufa en marcha sin los revestimientos exteriorores.
- Evite la formación de humano e inquemados durante el encendido y el funcionaimiento.
A continuación se detallan las operaciones de control y mantenimiento necessarias para asegurar el funciona correcto de la estufa.
| Partes / Frecuencia Tipo de limpieza | 1 día limpieza ordinaria | 2-3 días limpieza ordinaria | 1 mes limpieza ordinaria | 2-3 meses limpieza ordinaria | 1 año limpieza extraordinaria: efectuada por el Centro de asistencia技术水平 |
| Brasero | ■ | ||||
| Cenicero - cajón | ■ | ||||
| Vidrio | ■ | ||||
| Intercambiador de humos - deflector | ■ | ■ | |||
| Colector - extractor de humos | ■■ | ||||
| Junta de la puerta - vidrio | ■ | ||||
| Chimenea - tubo de humos | ■ |
5.1 Limpieza del brasero
Extraiga el brasero y quite los residuos de ceniza depositados en la camarva de combustion y en el portabrasero. Para thise puee utilize un aspirador. Ea operacion se debe realize a diario (sobre todo si hay mucho pellet inquemado) para garantizaruna combustion correcta, pueo que el aire necessario para la combustion entra por los orificios del brasero.

Brasero cucio

Brasero limpio

Portabrasero limpio

El brasero se debe apoyar en el portabrasero occupando todo el perimetro y sindefer aberturas pordonde poder pasar el aire.
5.2 Limpieza del cencero
El cincero está bajo del brasero-portabrasero. Para limpiarlo, abra la puerta de la camera y aspire las cenizas y los residuos de la combustion con un aparato adecuado.
Una vez conclusida la limpieza, ciderre la puerta. El cenicero se possible limpiar cada 2 o 3 días según el uso de la estufa.
5.3 Limpieza del vidrio y de las ranuras de circulación de aire
El vidrio se pueda limpar con un paño humedo y un detergente especialico que no sea abrasivo.
Entre el vidrio, el sujetavidrios y la puerta de la camera, en las partes inferior y superior, hayunas ranuras que permiten la circulacion del aire y la limpieza interior del vidrio. Es importante tener limpias estas ranuras, eliminando las acumulaciones de ceniza y polvo. Limpie periodicamente todo el contorno interior del vidrio.
5.4 Limpieza del extractor de humos y de la CAMERA de combustión
Al menos una vez al año se debe limpiar la CAMERA de combustión, eliminando todos los residuos de combustión de los deflectores internos y del recorrodo de los humos. Paraarlo esnecessary qutar la tapa y el frontal superior de la estufa. Saque el intercambiador de hierro fundido, previa extracción de los tornillos de fijacion, y limpie los deflectores y la CAMERA.
Tambien es importante limpiar el extractor de humos, situado bajo de la camera, al cui se accede quitando el cenicero.
Cada 3-4 meses, limpie las paredes internas (aislentes-refractarias) de la camera de combustion con un cepillo y sustituyalas cuando corresponda, ya que se consideran material de desgaste.
Cada 1800 horas de funciona, la estufa activa el mensaje "LLAMAR SERVICE" para indicar que se debe contactar con el centro de asistencia autorizada para realizar el mantenimiento extraordinary, que incluye una limpieza completa y la anulacion deicho mensaje.

Los golpes o forzamenteitos能把 dañar el extractor y Cause un funciona ruidoso; encargue esta operación a personalrialcualificado.
5.5 Limpieza del debímetro
Dentro del tubo de aspiracion hay un debimetro (medidor del flujo de aire combinente) que se debe limpiar cada 3-4
meses con un medio adecuado ( soplo de aire comprimido o escobilla ).
5.6 Limpieza de las ceramicas (en los modelos con revestimiento de este material)
Las ceramicas son de fabricacion artesanal y por ello poder tener微量元素 imperfeeciones superficiales, como micropicaduras o falta de homogeneidad cromática. Limpie las ceramicas con un paño suave y seco, el uso de detergentes puedaponer de manifiesto las imperfeeciones.
5.7 Limpieza del tubo de humos - chimenea
El tubo de humos se debe limpiar como minimum una vez al ano y cuando sea necessario en funcion del uso de la estufa y del tipo de instalacion.
La limpieza consiste en la aspiracion y extracion de residuos de todos los tramos verticales, horizontales y curvos.
desde la estufa hasta la chimenea.
Tambien se aconseja limpar una vez al ano la chimenea para garantizar la evacuation correcta de los humos.

Pararialquier mantenimiento y limpieza de fin de temporada, COLA S.r.l. aconseja llamar a un Centro de asistencia autorizzato, cui personal también controlaré el desgaste de los componentes internos de la estufa.
6 MANTENIMIENTO
6.1 Introduccion
Las operaciones en los componentes internos de la estufa deben ser realizadas por personal del centro de asistencia autorizada.

Antes de cada operación, compruebe que la clavija electrica está desconectada y la estufa está Completely fría.
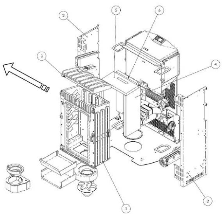
6.2 Desmontaje del revestimiento de acero

Leyenda:
1-Tapa superior de perfiles de alumino extruido
2- Placa frontal de acero inferiores
3- Panel posterior
4-Tapa superior derecha-izquierdo
5- Panel lateral de acero
6-Apoyo rigidez de la tapa
7-Tapa del deposito de pellets
6.3 Componentes internos de la estufa

Legenda:
1-Camara de combustion
2-Soporte lateral derecho -izquierdo
3- Intercambiador de hierro fundido
4-Paredes laterales de vermiculita
5- Deflector superior de vermiculita
6-Pared posterior de vermiculita
Despiece de la CAMERA de combustion y de las partes connectadas de la estufa SABINA
Despieces de:
1- Grupo brasero
2- Grupo extractor de humos
3- Grupo sinfin



Leyenda:
1-Brasero
2- Portabrasero
3- Grupo tubo de aspiración aire comburrente
4- Resistencia electrica
5- Junta posterior portabrasero
6- Junta frontal grupo aspiración
Leyenda:
1-Helice del extractor de humos
2-Junta t érmica
3-Motor del extractor de humos
4-Tubo de salute de humos
Leyenda:
1- Junta deposito-conducto
2-Brida del motorreductor
3-Motorreductor
4-Sinfín
5- Junta para rampa
6-Rampa de caia de pellets
7- Junta camaraca-conducto
8- Conducto de pellets
6.4 Componentes electricos
Legenda:
1 - Extractor de humos
2 - Vacuostato de control y seguridad
3 - Termostato de seguidad
4 - Interruptor ON/OFF con fusibles
5 - Sonda de temperatura ambiente
6 - Sonda de temperatura de humos
7 - Ventilator derecho
8 - Ventilator izquierdo
9 - Ventilator posterior
10-Motorreductor
11-Panel de mando mod. ECO-T con electronica integrada


7 LOCALIZACION DE AVERIAS
7.1 Gestión de las alarmas
La presencia de una alarma se indica con una postal acústica (si está habitada) y un mensaje en el panel de control.
Si se produce una alarma: apague la estufa, soluzione la causa que la ha provocado y encienda la estufa正常使用 como se describe en el presente manual.
A continuación se describes las alarmas que pueda aparecer en el panel de control, con sus causas y SOLUTIONES.
| ALARMAS - MENSAJES | |||
| Indicación | Anomalía Causas posibles | Solutión | |
| AL 1 CORTE DE LUZ | - La estuya no se enciende. | - No hay alimentación electrónica durante el encendido. | - Poner la estuya en OFF con la tecla P4 y repetir el encendido. - Toda other operation de restablecimiento debe ser efectuada por un centro de asistencia autorizada. |
| AL 2 SONDA HUMOS | - Indica un fallo de la sonda de temperatura de los humos. - Se activa el procedimiento de apagado. | - La sonda está averiada. - La sonda está desconnectada de la tarjeta. | - Las operaciones de restablecimiento deben ser efectuadas por un centro de asistencia autorizada. |
| AL 3 ALTA TMP HUMOS | - La sonda de humos detecta una temperatura de los humos superior a 280 °C. - Se activa el procedimiento de apagado. | - El ventilador tangencial está averiado. - No llega alimentación electrónica al ventilador tangencial. - Carga excessiva de pellets. | - Regular el flujo de pellets. - Toda other operation de restablecimiento debe ser efectuada por un centro de asistencia autorizada. |
| AL 4 FALLO - ASPIR | - Indica un fallo del ventilador de aspiración de los humos. - Se activa el procedimiento de apagado. | - El ventilador de los humos está bloqueado. - El sensor de control de velocidad está averiado. - No llega alimentación electrónica al ventilador de | - Las operaciones de restablecimiento deben ser efectuadas por un centro de asistencia autorizada. |
| AL 5 FALLO ENCEND | - Al dar encendido no se produce llama. - Se activa el procedimiento de apagado. | - El depósito de pellets está vacio. - La resistencia electrónica está averiada, suecia o mal ubicada. - Calibración de la carga de pellets incorrecta. | - Verificar la presencia de pellets en el depósito. - Verificar el procedimiento de encendido. - Toda other operation de restablecimiento debe ser efectuada por un centro de asistencia autorizada. |
| AL 6 FALTAN PELLETS | - No entran pellets al brasero. | - El depósito de pellets está vacio. - El motorreductor de carga de pellets de be sentarse. - El motorreductor no carga pellets. | - Verificar la presencia de pellets en el depósito. - Regular el flujo de pellets. - Toda other operation de restablecimiento debe ser efectuada por un centro de asistencia autorizada. |
| AL 7 SEGUR TERMICA | - Señala que ha actuado el termostato de seguridad del conducto del sinfn. - El sistemas se para. | - El termostato de sécurité ha detectado una temperatura superior al limite especificado para el sobrecalentamiento de la parte inferior del depósito y ha Bloqueado el functionamento del motorreductor. | - Localizar laCause del sobrecalentamiento. - Rearmar el termostato de seguidad con el botón correspondiente. |
| Indicación | Anomalía | Causas posibles | Solutución | |
| AL 8 FALTA DEPRES | - En fase de trabajo, la estuya detecta una presión inferior al limite de calibración del vacuostato. - Elsystema se para. | - Laámara de combustión está sucia. - Elconducto de humos está atascado. - La puerta de laámara está abierta. - Las valvulas antiexplosion está abiertas/atascadas. - Elvacuostato está averiado. | - Controlar la limpieza del tubo de humos y de laámara de combustión. - Comprobar el cierre hermético de la puerta. - Comprobar el cierre de las valvulas antiexplosion. - Toda other operation de restablecimiento debe ser efectuada por un centro de asistencia autorizada. | |
| AL 9 TIRO INSUF | - Señala que el flujo de airecomburente está por debajo del limitespecficado. | - Laámara de combustión está sucia. - Elconducto de humos está atascado. - La puerta de laámora está abierta. - Las valvulas antiexplosion está abiertas/atascadas. - Eldebímetro está averiado. | - Controlar la limpieza del tubo de humos y de laámara de combustión. -Comprobar el cierre hermético de la puerta. - Comprobar el cierre de las valvulas antiexplosion. -Toda other operation de restablecimiento debe ser efectuada por un centro de asistencia autorizada. | |
| AL b ERROR TRIACSINF | - Se presenta cuando elmotorreductor funciona más de 60segundos seguidos. - Elsystema se para. | - Elcontrol detecta que el reléde mando del motorreductor está averiado (contactos pegados). | - Las operaciones de restablecimiento deben sereffectuadas por un centro de asistencia autorizada. | |
| ESPERA REFRIGER | - Se presenta cuando la estufase enciende inmediamentedespués de haberla apagado. | - Intento de desbloqueodurante el apagado con laestufacaliente y en fase defenfiamente. | - Eldesbloqueo de laalarmaes possible solo cuando terminalepagado. | |
| FALLO DEBIMET | - Señala que eldebímetro está desconnectado. | - Elcontrol no detecta lacantidad suficiente de airecomburente pero no apaga laestufasino que desactivosalamente eldebímetro. | - Las operaciones de restablecimiento deben sereffectuadas por un centro de asistencia autorizada. | |
| LLAMAR SERVICE | - Señala que la estufahahyperado las 1800 horas defunctionalmente desdelaultima intervención dermatimenimiento. | -Aviso de mantenimientoextraordinario. | - Las operaciones de limpiezmantenimiento extraordinarioy rearme deben ser realizadaspor un centro de asistencia autorizada. |
La Empresa se reserva el derecho a realizar modificaciones sociales o estéticas de los produits enequalquier momento y sin preaviso. Las figuras y medidas,los esquemas y demas informacion tienen solo valor indicativo.

GRUPPO FERROLI
COLA s.r.l. - Viale del Lavoro 7/9 - 37040 Arcole (VR) Italy - Tel. 045.7635780 - 045.6144043
Cod. Fisc. - P.IVA e Iscr. Reg. Impr. 02990180230 - Capitale Sociale Euro 52.000,00 i.v. R.E.A. VR-301021 - Socio Unico
Fax Amministrazione 045.6100317 - Fax Commerciale 045.7639032 - Fax Assistenza 045.7639030 - Fax Logistica 045.6144048
email: info@anselmocola.com - on line: www.colastufe.com
ManualFácil