640I - Pistola rociadora TITAN - Manual de uso y guía de instrucciones gratis
Encuentra gratis el manual del aparato 640I TITAN en formato PDF.
| Tipo de dispositivo | Pistola de pintura sin aire |
| Tecnología | Airless |
| Uso | Profesional |
| Movilidad | Carro con ruedas / Portátil |
| Alimentación | Eléctrica |
| Presión máxima | No especificado |
| Caudal de pintura | No especificado |
| Capacidad del depósito | No especificado |
| Longitud de la manguera | No especificado |
| Peso | No especificado |
| Accesorios incluidos | Carro, manguera, pistola |
| Modelos disponibles | Skid completo, High Rider, Low Rider |
| Área de aplicación | Pintura, recubrimiento |
| Manual de uso | Multilingüe (Inglés, Francés, Español) |
| Fabricación | Estados Unidos |
Preguntas frecuentes - 640I TITAN
Preguntas de los usuarios sobre 640I TITAN
0 pregunta sobre este aparato. Responde a las que conoces o haz la tuya.
Hacer una nueva pregunta sobre este aparato
Descarga las instrucciones para tu Pistola rociadora en formato PDF gratis! Encuentra tus instrucciones 640I - TITAN y toma tu dispositivo electrónico nuevamente en la mano. En esta página están publicados todos los documentos necesarios para el uso de su dispositivo. 640I de la marca TITAN.
MANUAL DE USUARIO 640I TITAN
Precauciones de seguridad 26
Descripción general 28
Funcionamento 28
Configuración 28
Preparación para pintar 28
Pintura 29
Indicadores del control de presión electrónico 29
Procedimiento para aliviar la presión 30
Rociado 30
Tecnica de rociado 30
Práctica 31
Limpieza 31
Mantenimiento 32
Notas generales de reparacion y serviceo 32
Reemplazo de los filtros 32
Reemplazo del motor 32
Reemplazo de los cepillos del motor. 32
Reemplazo de los engranajes 33
Reemplazo del transductor 33
Reemplazo de la valvula de CEBADO/ROCIADO 34
Servicio a la seccion de liquidos 34
SolutiOn de problemas 36
Garantía 37
Listados de piezas 38
Ensamblaje principal 38
Ensamblaje del motor 39
Ensamblaje de la caja de engranajes 40
Enamblaje de la seccion de liquidos 42
Enamblaje del jeu de succion 44
Ensamblaje de la base 44
Ensamblaje del bajo carro 45
Ensamblaje del Carro 46
Tubo sifón (Ensamblaje del Carro) 46
Accesorios 48
Esquemaelectrico 49
Precauciones de seguridad
Este manual contiene informacion que debe leer y comprender antes de usar el equipo. Cuando se encuentre con uno de lossiguientes symbolos, asegurese de observar susindicacionesde seguidad.
ADVERTENCIA
Este Trickbolo indica la existencia de un peligro potencial que.
puede causar lesiones graves o la muerte. Despues del
mismo se incluye informacion de seguidad importante.
PRECAUCION
Este Trickando indica la existencia de un peligro potencial para usted o el equipo. Después del mesmo se incluye información importante que indica la forma de evaporar daños al equipo o la forma de prevenir lesiones menores.
NOTA: los avisos contienen información importante, présteles especial atencion.
ADVERTENCIA
PELIGRO: LESION POR INYECCION - La corriente de pintura de alta presión que produce este equipo pueda perforar la piel y tejidos subyacentes, lo que conducira a lesiones serias y una possible amputation. Consulte de inmediato a un medico.
NO TRATE LAS LESIONES POR INYECCION COMO SI FUERAN SIMPLES CORTADAS! Una inyeccion可以使ducir a una amputacion. Consulte de inmediato a un medico.
El rango de operación máximo de launidad es 3200 PSI/ 221BAR de presión de fluidos.
PARAPREVENIR:
- NO dirija NUNCA la punta de la pistola hacía alguna parte del cuerpo.
- NO permitted NUNCA que alguna parte del cuerpoonga contacto con la corriente del fluido. EVITE tener contacto con corrientes de fluido que salgan de fugas que haya en la manguera.
- NO ponga NUNCA la mano enfrente de la manguera. Los quantes no-ofrecen ninguna proteccion contra lesiones por inyeccion.
- Bloquee SIEMPRE el gatillo de la pistola, apague la bomba de fluido y libero toda la presión antes de dar mantenimiento, limpiar el protector de la boquilla, &,!, la boquilla o dejar desatendido el equipo. La presión no se liberará al apagar el motor. Para liberar la presión, debe girarse la perilla PRIME/SPRAY (cebar/atomizar) hasta la posicion PRIME. Consulte el PROCEDIMIENTO PARA LIBERAR LA PRESION que se describe en este manual.
- Mantenga bajo SIEMPRE el protector de la boquilla,mantñas atomice. El protector de la boquilla ofrece cierta proteccion contra lesiones por inyeccion pero es principalmente un dispositivo de advertencia.
- Quite SIEMPRE la boquilla del atomizador antes de enjuagar o limpar el sistema.
- Puede desarrollarse fugas en la manguera de pintura por causa del desgaste, retorcimientos o el abuso. Una fuga es capaz de inyectar el material en la piel. Cada vez que use la manguera de pintura, inspeccionela antes.
- NO use nunca una pistola de atomizacion que noonga un bloqueador o un protector de gatillo punto y que funciona.
- Todos los accesos deben tener una capacité de 3200 lb/pulg2 / 221BAR o mayor. Esto incluye las boquillas de atomizador, pistolas, extensiones y mangueras.
NOTA PARA EL MÉDICO: La inyección bajo el pieles es una lesión traumática. Es importante que la lesión se trate quirúrgicamente tan antes como sea possible. NO retrase el tratamiento por investigar la toxicidad. La toxicidad es motivo de preocupación con algunos revestimientos que se inyectan directamente en la corriente sanguinea. Es recommendable consultar a un cirujano plástico o reconstructor de manos.
PELIGRO: EXPLOSION O INCENDIO - Los vapeores de solventes y pintura你可以 colocar o incendiarse, causando con este lesiones severas y/o daños en la propidad.
PARAPREVENIR:
- Debe provearse un escape y aire fresco para hacer que el aire que está bajo del aire de atomizacion se mantenga libre de acumulaciones de vapeores inflamables.
- Evite todas las fuentes de ignisión como son las chispas electrostáticas, llamas abiertas, flamas de piloto, objetos calientes, cigarros, y chispas que se generate al conectar y desconectar las extensiones o de apagadores de luz que estén funciona.
- No fume en la zona de trabajo.
- Debe haber un equipo para extinguir incendios permanente y en buena conditiones.
- Coloque la bomba para pintar a un minimo de 1 m (de preferencia más) en una habitaciónAparte, bien ventilada, alejada del objecto que va a pintar o a por lo menos 6 m de dicho objeto, en una zona bien ventilada (utilice una manguera más larga, si es necesario). Los gases inflamables a做什么 son más pesados que el aire. La zona del pisoDebe tener la debida ventilación. La bomba para pintar contiene piezas que forman arcos que emiten chispas y pueda encender los gases.
-
El equipo que se usa, como como los objetivos que estén dentro y alrededor del area de atomizacion, deben connectarse a tierra deforma apropia da para prevenir las descargas electricas y las chispas.
-
Use solamente mangueras para fluidos de alta presión, conductoras o connectadas a tierra, para aplicaciones sin aire. Asegúrese de que la pistola está-connectada a tierra deforma apropiada, mediante conexiones de manguera.
- El cable de alimentaciónDebe enchufarse a un circuito aterrado.
- Siempre enjuague launidad en un recipiente de metal por separado, con presión bajo en la bomba y sin la boquilla. Sostenga la pistola firmamente contra el recipiente paraponerlo a tierra y evaporar chispasmostaticas.
- Siga las advertencias y avisos de seguridad del fabricante de los materiales y solventes.
- Tenga muchísmo cuidado al usar materialesswith el punto de ignaciónsea inferior a 70^ F (21^ C).El punto de ignisión es la temperatura a la cuales poder encenderse los vapeores emanados por un fluido al exponerlos a llamas o chispas.
- El plástico pueda causar chispas estáticas. Nunca fácil que plástico en lasVentanas ni en las puertas del áreadonde va a pintar.Noutiliceplástico para proteger el piso cuando pinte materiales inflamables.
- Cuando enjuague el equipo utilise la presión más bajo possible.
MOTOR DE GAS (SEGUN CORRESPONDA)
Cologne sempre la bomba fuera del edificio, al aire libre. Mantenga todo solvente alejado del escape del motor. Nunca llene el tanque de combustible si el motor está encendido o caliente. La superficie caliente peut encender el combustible derramado. Conecte siempre un conductor de tierra desde la unidad de la bomba a un objeto puesto a tierra, por exemple una tuberia de agua metálica. Consulte el manual del motor para Obtener información completa de seguridad.
PELIGRO: PELIGRO DE EXPLOSION DEBIDO A MATERIALS INCOMPATIBLES - Podría Cause lesiones severas o daños en la propidad.
PARAPREVENIR:
- Noutilice materiales que contengan blanqueador o cloro.
- No use solvents con hidrocarburos halogenados, tales como productos para eliminar el moho, cloruro de metileno y 1,1,1 - tricloroetano. Estos no son compatibles con el aluminio.
- Comuniquese con el proveedor del producto para Obtener informacion de compatibilidad con materiales de aluminio.
PELIGRO: GASES PELIGROSOS - Las pinturas, solventes, insecticidas yotiros materialesuen ser perjudiciales si se inhalan o entran en contacto con el cuerpo. Los gasesuencaur náusea, desmayos o envenenamento graves.
PARAPREVENIR:
- Use una mascarilla respiratoria o careta siempre que exista la posibiliad de que se pueda inhalar vapores. Lea todas las intrusioniones que vengan con la careta para estar seguro de que se vendra la proteccion necesaria contra la inhalacion de vapores dañinos.
- Use gafas protectoras.
- Use ropa de proteccion, segun lo requiera el fabricante del producto.
PELIGRO: GENERAL - Puede causar danios en la propidad o lesiones severas.
PARAPREVENIR:
- Lea todas las instrucciones y advertencias de seguridad antes de hacer funcionalrialquier equipo.
- Desconecte sempre el motor del suministro electrico antes de dar信息服务 al equipo.
-
Observe todos loscottigos locales,estatales y naciones apropiados que rigen las medidas de ventilacion, prevencion de incendios y operation.
-
Los Estandares de Seguidad del Goberno de los Estados Unidos se hanadoptado bajo el Acta de Seguidad y Salud Ocupaciones (OSHA por sus siglas en ingles).Deben consultarse thesestandares, particulamente la parte 1910 de los Estandares Generales y la parte 1926 de los Estandares de la Construccion.
- Utilice únicamente piezas autorizadas por el fabricante. El usuario asume todos los ríesgos y responsabilitárdes si usa piezas que no cumplen con las espécificaciones minimas y dispositivos de seguridad del fabricante de la bomba.
- Antes de usarla cada vez, revise todas las mangueras para ver que no tengan cortadas, fugas, una cubierta desgastada por abrasión o con abolladuras, asi como uniones dañadas o que se hayan movable. Si existiera其中之一, reemplaza la manguera inmediamente. No repare nunca una manguera de pintura. Reemplácela con otra manguera conectada a tierra.
- Todas las mangueras, soportes giratorios, pistolas y accesorios que se usen con esta unidad deben tener una capacidad de presión de 3200 lb/pulg2 / 221 BAR o mayor.
- No atomice en días con viento.
- Use ropa que evite el contacto de la pintura con la piel y el cabello.
Instrucciones para conectar a tierra
Este producto se debe conectar a tierra. En caso de que occurs un corto circuito, la connexion a tierra reduce el riesgo deCHOque eletrico al proportionsar un alambre de escape para la corriente eletrica. Este producto está equipado con un cable queiene un alambre de connexion a tierra con un enchufe de connexion a tierra apropiado. El enchufe se debe enchufar en una toma de corriente que se haya instalado y connectado a tierra debidamente, de acuerdo con todos los@c Rodrigos y estatutos locales.
PELIGRO — Una instalación inapropiada del enchufe de conexión a tierra pueda dar como resultado el que existe un riesgo deCHOque electrico. Si es necessario reparar o reemplazar el cable o el enchufe, no conecte el alambre de conexión a tierra a ninguno de los terminales de hoja planos. El alambre con aislamento que tiene la superficie exterior de color verde con franjas amarillas o sinellas es el alambre de conexión a tierra que debe connectarse al conector de conexión a tierra.
Verifique con un electricista o technique de service calificado si las instrucciones para conectar a tierra no le han quedado Completely claras, o si duda que el producto haya quedado connectado a tierra deforma apropiada. No modifie el enchufe que se proportionsciona. Si el enchufe no entra en la toma de corriente, pidae a un electricista calificado que instale la toma apropiada.

▲PRECAUCION
Use solamente extensiones trifilares que tengan un enchufe de connexion a tierra de 3 hojas y un receptacleulo de triple ranura que acepe el enchufe del producto.
Asegürese de que su extension está en buena conditiones. Cuando use una extension, asegürese de usar una que sea lo suficientemente resistente como para soportar la corriente que descargue su producto. Un cable de un tameno menor Causea una caía de voltage en la linea que dará como resultado una perdida de energia y un sobrecalentalento. Se recomienda usar un cable de calibre 12. Si se utilizes un cable de extension en el exterior,三是 que estar marcado con el sufijo W-A afterwards de la designación del tipo de cable. Por exemple, SJTW-A para indicar que el cable es apropiado para uso en exteriores.
Descripción general
Este rociador sin aire es una herramunta precisa que se utilizes para rociar differsentes temas de materiales. Lea y siga este manual de instrucciones minuciosamente para ver las instrucciones de operación apropriadas, como como también información de mantenimiento y seguridad.

Funcionamento
ADVERTENCIA
Este equipo produce un flujo constante a presiones extremadamente altas. Lea detalladamente las advertencias de la sección Precauciones de seguridad en la parte delantera de este manual antes de operar este equipo.
Configuración
Realice el procedimiento a continuación antes de enchufar el cable de alimentación de una unidad electrica.
- Asegürese de que el juego de succion/tubo de sifón y la manguera de returno estén connectados y asegurados.
- Utilizando una llave, conecte una manguera rociadora sin aire de nylon 1/4 con un长大o minimo de 50 pies (15 metros) a launidad. Apriete para asegurarla.
- Conecte una pistola rociadora sin aire a la manguera rociadora. Utilizando dos llaves (una en la pistola y otra en la manguera), apriete para asegurarlas.
NOTA: Todávia no conecte la punta a la pistola rociadora. Quite la punta si ya está conectada.
ADVERTENCIA
Fijese que todas las mangueras sin aire y las pistolas rociadoras estén connectadas a tierra y que tengan una capacité nominal minima de 3200 psi (220 barios) de presión de fluido.
- Fijese que la perilla de control de presión está en la posición OFF (APAGADO) en la zona negra.
- Fíjese que el interruptor de ON/OFF (ENCENDIDO/APAGADO) está en la posición OFF (APAGADO).
- Llene el recipiente con una cucarada de lubricante de sello de pistón (Piston Lube).
PRECAUCION
Nunca haga funciona lainstitution durante más de 10segundos sin liquido. La operation de estainstitutionsinliquido occasionar un desgaste innecasario de lasempaquetaduras.
- Revise que el servicios electrico sea de 120V, 15 amperios, como微量元素.
- Enchufe el cable de alimentacion en un tomacorriere con connexion a tierra apropiada a una distancia minima de 25 pies del area de rociado.
PRECAUCION
Use siempre un cable de extension de tres conductores, calibre 12 como微量元素, con enchufe connectado a tierra. Nunca retire la tercera pata ni use un adaptor.
Preparación de un rociador nuevo
Si esta unidad es nuevo, se envía con un liquido de prueba en la sección de liquidos para evaporar la corrosión durante el envío y almacenimiento. Este liquido debe retirarse completeness del sistema con alcoholes minerales antes de comenzar a rociar.
PRECAUCION
Mantenga siempre el seguro del gatillo de la pistola rociadora en la posicion Bloqueada cuando prepara el sistema.
- Coloque el tubo de succion en un recipiente de alcoholes minerales con un punto de inflacion de 140^ (60^) o superior.
- Coloque la manguera de returno en un recipiente metálico para desecho.
- Fije la presión al minimo girando la perilla de control de presión al ajuste "Min" en la zonaamarilla.

- Mueva hacía abajo la valvula PRIME/SPRAY (CEBADO/ROCIADO) a la posición PRIME (CEBADO).
- Encienda launidad moviendo el interruptor de ON/OFF (ENCENDIDO/APAGADO) a la posicion ON (ENCENDIDO).
- Deje的功能nal el rociador entre 15 y 20 segundos para eliminar el resto del liquido de prueba a工程技术 de la manguera de returno hacía el recipiente de desecho.
- Prague la unidad moviendo el interruptor de ON/OFF (ENCENDIDO/APAGADO) a la posicion OFF (APAGADO).
Preparación para pintar
Antes de pintar, es importante revisar que el liquido del sistemas sea compatible con la pintura que va a utiliser.
NOTA: Los liquidos y pinturas incompatiblesULDuen causar que se atasquen cerradas las valvulas, lo.
cual peutecasarque se desmonte y limpie la seccion de liquidos del rociador.
PRECAUCION
Mantenga siempre el seguro del gatillo de la pistola rociadora en la posicion bloqueada cuando prepara el sistema.
- Coloque el tubo de succion en un recipiente con el solvente apropiado para el material que se va a rociar (consulte las recomendaciones del fabricante del material). Un solvente adecuado es, por exemple, agua para pintura látex.
- Coloque la manguera de returno en un recipiente metálico para desecho.
- Fije la presión al minimo girando la perilla de control de presión al ajuste "Min" en la zonaamarilla.
- Mueva hacer abajo la valvula
PRIME/SPRAY (CEBADO/ROCIADO) a la posicion PRIME (CEBADO). - Encienda launidad moviendo el interruptor de ON/OFF (ENCENDIDO/APAGADO) a la posicion ON (ENCENDIDO).

- Deje的功能nal el rociador entre 15 y 30 segundos para eliminar el resto del solvente anterior a工程技术 de la manguera de returno hacer el recipiente metalico de desecho.
- Prague la unidad moviendo el interruptor de ON/OFF (ENCENDIDO/APAGADO) a la posicion OFF (APAGADO).
NOTA: Fijese que la pistola rociadora noonga instalada una punta o proteccion de punta.
- Mueva hacía arriba la valvula PRIME/SPRAY (CEBADO/ROCIADO) a la posición SPRAY (ROCIADO).
- Encienda la unidad.
- Desbloquee la pistola girando el seguro del gatillo de la pistola a la posicion liberada.
ADVERTENCIA
Conecte a tierra la pistola apoyándola contra el borde del recipiente de metal cuando elimina el liquido. De lo contrario puede provocar la descarga de electricidad esta, locular a su vez pueda occasionar un incendio

- Apriete el gatillo en el recipiente metalico para(desecho hasta que el solventa uso salga y comience a salir solvente fresco de la pistola.
- Bloquee la pistola girando el seguro del gatillo de la pistola a la posicion bloqueada.
- Deje hacía abajo la pistola yurrenta la presión girando la perilla de control de presión lentamente en el sentido horario hacía la zona verde.
- Revise todo el sistemas en busca de fugas. Si ocurren fugas, siga el "Procedimiento para aliviar la presión antes de averar conectores o mang
- Siga el "Procedimiento para aliviar la presión" de este manual antes decaear de solventa a pintura.
Cologne del gatillo en la posicion de bloqueo.

ADVERTENCIA
No deje de seguir el procedimiento para aliviar la presión cuando apague la unidad por cualquier motivo, inclujo el servicios o ajuste de una pieza del sistema de rociado, cambio o limpieza de las puntas rociadoras o la preparación para la limpieza.
Pintura
- Coloque el tubo de succion en un recipiente de pintura.
-
Coloque la manguera de returno en un recipiente metalico para desecho.
-
Fije la presión al minimo girando la perilla de control de presión al ajuste "Min" en la zonaamarilla.
- Mueva hacer abajo la valvula
PRIME/SPRAY (CEBADO/ROCIADO) a la posicion PRIME (CEBADO). - Encienda launidad moviendo el interruptor de ON/OFF (ENCENDIDO/APAGADO) a la posicion ON (ENCENDIDO).
- Deje funciona el rociador hasta que empiece a partir pintura a工程技术 de la manguera de returno hacía el recipientente metalico de desecho.
- Prague la unidad moviendo el interruptor de ON/OFF (ENCENDIDO/APAGADO) a la posicion OFF (APAGADO).
- Retire la manguera de returno del recipiente para desecho y colóquela en la posición de operación, sobre el recipiente de pintura.
- Mueva hacía arriba la valvula PRIME/SPRAY (CEBADO/ROCIADO) a la posición SPRAY (ROCIADO).
- Encienda la unidad.
- Desbloquee la pistola girando el seguro del gatillo de la pistola a la posicion liberada.

ADVERTENCIA
Conecte a tierra la pistola apoyándola contra el borde del recipiente de metal,msteadas elimina el liquido.De lo contrario pueda provocar la descarga deelectricidad esta, loculara su vezpuede occasionar un incendio.

- Apriete el gatillo en el recipiente metálico para(desecho hasta que todo el aire y el solvente uso salga de la manguera rociadora y comience a salir pintura libremente de la pistola.
- Bloquee la pistola girando el seguro del gatillo de la pistola a la posicion bloqueada.
- Apague la unidad.
- Coloque la proteccion y la punta en la pistola segun se indica en los manuales de las malmas.
ADVERTENCIA

Cologne del gatillo en la
posicion de bloqueo.
POSIBLE PELIGRO DE INYECCION. No rocie sin la proteccion de la punta en su lugar. Nunca apriete el gatillo de la pistola a menos que la punta este en la posicion de rociado o desatasco. Siempre colque el seguro del gatillo de la pistola antes de retiring, reemplazar o limiar la punta.
- Encienda la unidad.
- Aumente la presión girando la perilla de control de presión lentamente en el sentido horario hacía la zona verde y prunebe el patron de rociado en un trozo de cartón. Ajuste la perilla de control de presión hasta que la pistola rocie en forma Completely atomizada. Trate de mantener la perilla de control de presión en el ajuste minimum que mantenga una buena atomización.
NOTA: Si se sube la presión más de lo besoinario para atomizar la pintura causará el desgaste prematuro de la punta y rociará en excesso.
Indicadores del control de presión electrónico
A continuación se presenta una descripción de losindicadores del control de presión electrónico.

Indicador de presión
El indicator de presión muestra la actual presión de configuración del rociador. Tiene tres indicaciones distinctas:amarillo intermitente,amarillo fijo y verde fijo.
Amarillo intermitente
Cuando el indicator de presión está en amarillo intermitente, el rociador está functioningo entre 0 y 200 PSI. El indicator de presión amarillo intermitente significa que:
- El rociador está enchufado y en posicion "ON" (ENCENDIDO)
- El rociador tiene presión decebado (sin presión o con poco presión)
-
Se puedeCambiar de posición la valvula PRIME/SPRAY (CEBADO/ROCIADO) con seguridad
-
Se puedeCambiar o reemplazar la punta rociadora con seguidad (consulte las instrucciones para su reemplazo en el manual de la pistola)
NOTA: Si el indicator de presión comienza a parpadear en amarillo cuando la perilla de control de presión está ajustada a una mayor presión y la valvula PRIME/SPRAY (CEBADO/ROCIADO) está en posicion SPRAY, ya sea la punta rociadora está desgastada, o hay una fuga, o bien el rociador necesita servicios o reparacion.
Amarillo fijo
Cuando el indicator de presión está en amarillo fijo, el rociador está的功能多 entre 200 y 1800 PSI. El indicator de presión amarillo fijo significa que:
- El rociador tiene un ajuste de presión adecuado para el rociado de tintes, lacas, barnices, y diversos-coloredes
- Si el indicator de presión pasa a amarillo bajo cuando la presión está ajustada de talerable que comienza en verde bajo, indica una de las siguientes cosas:
a. Indicador de punta desgastada — cuando se roca con látex o a alta presión aparece el amarillo bajo. Esto significía que la punta está desgastada y se debe reemplazar.
b. Punta demasiado grande — cuando se pone en la pistola una punta demasiado grande para el rociador, el indicator de presión pasado de verde fijo a amarillo fijo.
c. Sección de liquidos desgastada — si aparece un indicator de presión amarillo fijo cuando se usa una punta nueva y la presión está ajustada al máximo, puede sernecessary darle servicios (empaquetaduras desgastadas, pistón desgastado, valvula atascada, etc.).
Verde fijo
Cuando el indicator de presión está en verde fijo, el rociador está的功能化 entre 1800 y 3200 PSI. El indicator Verde fijo significía:
- El rociador tiene el ajuste de presión adecuado para rociar pinturas a base de aceite o de látex
- El rociador está functioning en su máximo rendimiento con un ajuste de alta presión
Indicador de motor en marcha
El indicator de motor en marcha está encendido cuando el motor ha recibido laorden de ponerse en marcha. Este indicator esutilizzato por loscentros de service para SOLUTIONAR problemasde los motores.
Procedimiento para aliviar la presión
ADVERTENCIA
No deje de seguir el procedimiento para aliviar la presión cuando apague la unidad por cualquier motivo, inclujo el servicios o ajuste de una pieza del sistemas de rociado, cambio o limpieza de las puntas rociadoras o la preparación para la limpieza.
- Bloquee la pistola girando el seguro del gatillo de la pistola a la posicion bloqueada.
- Apague launidad moviendo el interruptor de ON/OFF (ENCENDIDO/APAGADO) a la posicion OFF (APAGADO).
- Gire la perilla de control de presión en sentido antihorario a su posición OFF (APAGADO) en la zona negra.
- Desbloquee la pistola girando el seguro del gatillo de la pistola a la posicion liberada.
- Sostengafirmamente la parte metálica de la pistola contra el lado de un recipientemetálico para conectar a tierra la pistola yevitar la acumulación de electricidad estàtica
- Accione el gatillo para aliviar toda presión que haya;quedado en la manguera.

Cologne del gatillo en la
posicion de bloqueo.

- Bloquee la pistola girando el seguro del gatillo de la pistola a la posicion bloqueada.
- Mueva hacía abajo la valvula PRIME/SPRAY (CEBADO/ROCIADO) a la posición PRIME (CEBADO).
Rociado
ADVERTENCIA
POSIBLE PELIGRO DE INYECCION. No rocie sin la proteccion de la punta en su lugar. Nunca apriete el gatillo de la pistola a menos que la punta este en la posicion de rociado o desatasco. Siempre colque el seguro del gatillo de la pistola antes de retiring, reemplazar o limiar la punta.
Técnica de rociado
Cuando se sigan las技术水平a continuacion, se aseguraran resultados profesionales al pintar.
Sostenga la pistola en forma perpendicular a la superficie y siempre a la misma distancia. Dependiendo del tipo de material, superficie o patron de rociado deseado, la pistolaDebe sostenerse a una distancia entre 12 a 14 pulgadas (30 a 35 cm).
Mueva la pistola ya sea horizontal o verticalmente por la superficie a una velocidad constante. Moviendo la pistola a una velocidad constante se conserva material y se obtiene una cobertura pareja. La velocidad de rociado correcta permite aplicar una capa de pintura fresca sin chorrear ni exceeder lacantidad de pintura.
Si se sostiene la pistola más cerca de la superficie se deposita más pintura sobre la superficie y se produce un patron de pintura más angosto. Si se sostiene la pistola más lejos de la superficie se produce una capa más delgada de pintura y un patron de rociado más amplio. Si occurs choreos, correimiento o excesso de pintura, cambie a una punta de rociado con un orificio más(PC). Si hay una calidad insufiente de pintura en la superficie o deseña rociar más rápido,Debe selecciónar una punta con orificio más grande.
Haga una pasada uniforme para rociar. Rocie en forma alternada de izquierda a derecha y viceversa. Comience el movimiento de la pistola antes de presionar el gatillo.

Evite hacer arcos o sostener la pistola en ángulo. Estó causará un aspecto disparajo.

Arco
Pistola en ángulo
La superposicion adequada (solapando el patron de rociado) es algo indispensable para lograr un(PC abado parejo. Superponga cada pasada. Si rocia horizontalmente, apunte al borde inferior de la pasada precedente, de tal modo que se superponga al patron anterior en un 50%
Bordes superpuestos

pasada pasada pasada pasada pasada
Para las esquinas y bordes, separe el centro del patrón de rociado en la esquina o borde y rocie verticalmente deforma que ambas secciones reciban aproximamente la mesmacantidad de pintura

Cuando rocie con una proteccion, sostengalafirmamente contra la superficie. Coloque la pistola levamente en angulo apuntando desdela proteccionhacia la superficie. Este evitará que se fuerc pinta por debajo.
Los arbustos+junto a las casas deben amarrarse hacerships. La tela deqitarse lo mas pronto possible.Las extensiones de pistola Titan son sumamente utiles en estas situaciones.
Deben alejarse o cubirse los objetivos cercanos como automóviles, muebles de terraza, etc. siempre que se encontrar en la cercanía de un trabajo de pintura. Tenga cuidado con otros objetivos circundentes que pueda dañarse con el excesso de rociado.
Práctica
- Revise que la manguera de pintura noonga dobleces y este alejada de objetos con bordes cortantes.
- Gire la perilla de control de presión en sentido antihorario a su posición más baja.
- Gire hacía arriba la valvula PRIME/SPRAY (CEBADO/ROCIADO) a su posición SPRAY (ROCIADO).
- Gire la perilla de control de presión en sentido horario hasta el ajuste más alto. La manguera de pintura se endurecerá a medida que la pintura comience a fluar.
- Libere el seguro del gatillo de la pistola.
- Apriete el gatillo de la pistola rociadora para purgar el aire de la manguera.
- Cuando la pintura llegue a la boquilla, rocie un area de prueba para examinar el patrón de rociado.
- Use el ajuste de presión más bajo Necessary para Obtener un buena patrón de rociado. Si el ajuste de presión está muy alto, el patrón de rociado sera muy liviano. Si la presión esdemasiado baja, apareceránresiduos o la pintura salpicará en excesso en lugar de salir como un rocíoazo.

Buen patron de rociado

Patrón con residuos de pintura
Limpieza
ADVERTENCIA
Instrucciones de limpieza especials para usar con solventes inflamables:
- Siempre lave la pistola rociadora preferiblemente afuera y alejada por lo menos un长大o de manguera de la bomba rociadora.
- Si recoge los solventes lavados en un recipiente metalico de un galón, colóquelo en un recipiente vacío de cinco galones, cuando luego lave los solventes.
- El area debe estar libre de vapores inflamables.
- Siga todas las instrucciones de limpieza.
PRECAUCION
Deben limpiarse el rociador, la manguera y la pistola totalmente après del uso diario. De lo contrario, se permite la acumulación de material, afectando seriamente el rendimiento de la unidad.
ADVERTENCIA
Siempre rocie con la presión minima y sin la boquilla de la pistola al utilizar alcoholes minerales u otros solventes para limpiar el rociador, la manguera o la pistola. La acumulación de electricidad estática peutecrear un incendio o explosión en la presencia de vapeores inflamables.
- Siga el "Procedimiento de alivio de presión" de la sección Operación de este manual.
- Retire la punta de la pistola y la proteccion y limpie con un cepillo usingo el solvente adecuado.
- Coloque el tubo de succion en un recipiente con el solvente adecuado (consulte las recomendaciones del fabricante del material). Un solvente adecuado es, por exemple, el agua para la pintura látex.
- Coloque la manguera de returno en un recipiente metalico para desecho.
-
Mueva hacía abajo la valvula PRIME/SPRAY (CEBADO/ROCIADO) a su posición PRIME (CEBADO).
-
Fije la presión en PulseClean (PULSADOR DE LIMPIEZA) girando la perilla de control de presión a su posición CLEAN (PULSADOR DE LIMPIEZA) en la zona roja.

- Encienda launidad moviendo el interruptor de ON/OFF (ENCENDIDO/APAGADO) a la posicion ON (ENCENDIDO).
- Deje circular el solventa a工程技术 de la unidad y purgue la pintura de la manguera de returno hacer el recipiente metalico para desecho.
- Prague la unidad moviendo el interruptor de ON/OFF (ENCENDIDO/APAGADO) a la posicion OFF (APAGADO).
- Mueva hacía arriba la valvula PRIME/SPRAY (CEBADO/ROCIADO) a su posición SPRAY (ROCIADO).
- Encienda la unidad.
ADVERTENCIA
Conecte a tierra la pistola apoyándola contra el borde del recipiente de metal@msteadimina el liquido. De lo contrario peutevocar la descarga de electricidad estatica loequala su vez pueda occasionar un incendio
- Dispare la pistola en el recipiente metalico para desecho hasta que se haya purgado toda la pintura de la manguera y está saliendo solvente de la pistola.

- Continué awhile el gatillo de la pistola rociadora en el recipientede desecho hasta que el solventa que salga por la pistola estésin pintura.
NOTA: Para el almacenimiento alargeplazo o en temperatas frias, hagaasar alcoholos mineralesa través delsystemacomplete. Para el almacenimiento acerto plazo cuando esté usando pintura latex, hagaasar agua mezclada con Titan Liquid Shield a través del systemacompleto (para ver el numero de pieza, consulte la seccion Accesorios de este manual).
- Siga el "Procedimiento de alivio de presión" de la sección Operación de este manual.
- Desenchufe la unidad y almacénela en un area limpia y seca.
PRECAUCION
No almacene la unidad bajo presión.
Mantenimiento
ADVERTENCIA
Antes de proceder, siga el Procedimiento de alivio de presión presentado anteriormente en este manual. Además, siga todas las otheras advertencias para reducir el riesgo de una lesión por inyección, lesiones por piezas en movimiento oCHOque electrico. Siempre desenchufe el rociador antes de darle servicios!
Notas generales de reparación y servicios
Se necesitan las herramrientas siguientes para reparar el rociador:
Destornillador Phillips
Llave hexagonal de 3/8 de pulgada
Alicates de punta
Llave hexagonal de 5/16 de pulgada
Llaveajustable
Llave hexagonal de 1/4 de pulgada
Mazo de goma
Llave hexagonal de 3/16 de pulgada
Destornillador de paleta
Llave hexagonal de 5/32 de pulgada
- Antes de reparar una parte del rociador, lea minuciosamente las instrucciones, incluidas todas las advertencias.
PRECAUCION
Nunca tire del cable para desconectarlo. Al hacerlo podra soltarse el conector del cable.
- Pruebe su reparacion antes de usar rociador normalmente para verficar que se haya resuelto el problema. Si el rociador no funciona bien, revise el procedimiento de reparacion para determinar si todo se ha realizado en forma correcta. Consulte los cuadros de Solucion de problemas para poder a identificarculos problemas posibles.
- Compruebe que el area de service este bien ventilada en caso de que se esten utilizing solventes durante la limpieza. Al hacer elostenimiento siempre use gafas de proteccion. Puede que se necesse equipo protector adiconal dependiendo del tipo de solvente de limpieza. Siempre pida recomendaciones al proveedor de solventes.
- Si Tieneoras preguntasreferentesal rociador Titan,llame a Titan:
Servicio al cliente (EE.UU.) 1-800-526-5362
Fax 1-800-528-4826
Servicio al cliente (Canada) 1-800-565-8665
Fax 1-905-856-8496
Servicio al cliente (Internacional) 1-201-337-1240
Fax 1-201-405-7449
Reemplazo de los filtros
Filtro de la bomba
- Suelte y retire la caja del filtro con la mano.
- Quite el filtro deslizándolo del resorte del soporte del mesmo.
- Inspeccione el filtro. Según sea la inspeccion, limpie o reemplace el filtro.
- Inspeccione la junta tórica. Según sea la inspeccion, limpie o reemplace la junta tórica.
- Deslice el filtro nuevo o limpio sobre el resorte del soporte del mesmo con el adaptorador en su situ. Empujé el filtro en del centro delbloque de la bomba.
- Deslice la caja del filtro sobre el filtro y atornílèla en el bloque de la bomba hasta que quede firme.
NOTA: La caja del filtro debe apretarsemanualmente, pero revise que quede asentada totalmente en elbloque de la bomba.

- Mueva el seguro del gatillo de la pistola a la posicion liberada.
- Suelte y retire el mango de la pistola.
- Girando en el sentido horario, destornille el filtro de la pistola.
NOTA: Con los roscados hacía la izquierda se debegirar el filtro en el sentido horario para retirarlo.
- Girando en el sentido antihorario, atornille el filtro nuevo o limpio en la pistola.
- Revise que el sello del mango esté en posición y atornille el mango en la pistola hasta que quede firme.
- Mueva el seguro del gatillo de la pistola a la posicion bloqueada.

NOTA: Para ver mayores detalles, informacion deNumeros de pieza y dibujos de montaje a mayor escal, consulte el manual del proprietario de la pistola sin aire profesonal LX-80 II (Num. 313-2069).
Reemplazo del motor
- Desenchufe la unidad.
- Suelte y retire los quatre tornillos de la cubierta del motor.
Quite la cubierta del motor. - Desconecte los alambre negro y rojo provenrientes de la caja de la bomba. Desconecte los alambre negro y rojo de los condensadores. Desconecte los alambre negro y rojo del motor.
- Retire los condensadores de su soporte de montaje.
- Suelte y retire los cuales tornillos de montaje del motor.
- Extraiga el motor de la caja de la bomba.
NOTA: Si el motor no se libera de la caja de la bomba:
- Retire la placacubierta frontal.
-
Usando un mazo de goma, golpeecretuidosamente en la parte frontal delcigüeñal del motor que se extiende a travésde la vara conectora.
-
Una vez retirado el motor, inspeccione para ver si hay daños o desgaste excessivo de los engranajes en la caja de la bomba. Si esnecessary reemplace los engranajes.
- Instale el motor nuevo en la caja de la bomba.
NOTA: Gire manualmente el ventilador del motor hasta que se enganchen los engranajes del inducido con el engranaje en la caja de la bomba.
- Asegure el motor con sus cinco tornillos de montaje.
- Presione los condensadores en su soporte en el motor nuevo.
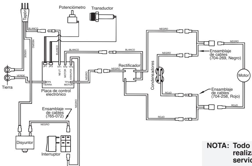
- Vuelva a conectar los alambre (consulte el esquema electrico en la sección de la lista de piezas de este manual).
- Coloque la cubierta del motor. Asegure la cubierta del motor con los cuales tornillos correspondentes.

Reemplazo de los cepillos del motor
Realice este procedimiento usingo el Juego de cepillos del motor N/P 704-276.
- Suelte y retire los quatre tornillos de la cubierta del motor.
Quite la cubierta del motor. - Suelte y retire los dos tornillos de la proteccion. Retire la proteccion.
- Usando un destornillador(PC)que, apalanque para extraer las dos cubiertas plácicas de los cepillos.
- Desconecte los alambre negro y rojo de los cepillos del motor. Retire los cepillos del motor.
- Instale los nuevos cepillos del motor y encaje a presión las cubiertas plácicas de los cepillos.
- Vuelva a conectar los alambre negro y rojo de los cepillos del motor (consulte el esquema electrico en la sección de la lista de piezas de este manual).
- Ponga la proteccion sobre el ventilador del motor. Asegure la proteccion con los dos tornillos correspondentes.
- Coloque la cubierta del motor. Asegure la cubierta del motor con los quatre tornillos correspondentes.
Reemplazo de los engranajes
- Suelte y retire los quatre tornillos de la cubierta del motor.
Quite la cubierta del motor. - Desconecte los alambreiros negro y rojo provenrientes de la caja de la bomba.
- Suelte y retire los cuales tornillos de montaje del motor.
- Extraiga el motor de la caja de la bomba.
NOTA: Si el motor no se libera de la caja de la bomba:
- Retire la placacubierta frontal.
-
Usando un mazo de goma, golpeecretuidosamente en la parte frontal delciguelal del motor que se extiende a travésde la vara conectora.
-
Inspeccione para ver si hay danos o desgaste excessivo en el engranaje del inducido en el extremo del motor. Si este engranaje está Completely desgastado, reemplace el motorcomplete.
- Retire e inspeccione para ver si hay daños o desgaste excessivo en el engranaje de la 2da etapa. Reemplace según sea necesario.
- Retire e inspeccione para ver si hay daños o desgaste excessivo en el ensamblaje de engranaje y cigüñal. Reemplace según sea necesario.
- Vuelva a ensamblar la bomba invirtiendo los pasos anteriores. Durante el reensamblaje, fjese que las arandelas de empujte estén en su lugar.

NOTA: Llene la caja de engranajes con cinco onzas de Lubriplate (N/P 314-171).
Reemplazo del transductor
- Suelte y retire los cuales tornillos de la cubierta frontal. Desmonte la cubierta delantera.
- Detenga el rociador en la parte de abajo de la carrera de tal modo que el pistón está en su posición más baja. Apague y desenchufe el rociador.
ADVERTENCIA
Antes de proceder, siga el Procedimiento de alivio de presión presentado anteriormente en este manual. Además, siga todas las otheras advertencias para reducir el riesgo de una lesión por inyección, lesiones por piezas en movimiento oCHOQUE ELECTRICO. Siempre desenchufe el rociador antes de darle servicios!
-
Incline la bomba hacía antes para ingresar más fácilmente a la sección de liquido.
-
Usando una llave hexagonal de 3/8 de pulgada, suelte y retire los dos tornillos de montaje delbloque de la bomba.
- Baje el bloque de la bomba aproximadamente 1/2 pulgadas de la caja de la bomba para partir bajo el transductor.
- Deslice el bloque de la bomba y la vara del pistón hacía adelante hasta que la vara del pistón quedearía de la ranura en T de la vara conectora.
- Suelte y retire los quatre tornillos de montaje del control de presión electrónico (EPC).
- Eche atrás el EPC para ingresar al enchufe del transductor.
- Desenchufe la connexion del transductor de laubicacion "JP3" de la plac EPC (consulte el esquema electrico en la seccion de la lista de piezas de este manual).
- Usando una lleve hexagonal de 3/8 de pulgada, suele y retire el tornillo de fijación de la parte inferior de la caja de la bomba.
- Extraiga el ensamblaje del transductor por la parte inferior de la caja de la bomba.
- Instale el ensamblaje del transductor nuevo en la caja de la bomba.
- Atornille el tornillo de fijación en la caja de la bomba y apriete firmamente.
- Enchufe la connexion del transductor en laubicacion JP3 de la plac EPC (consulte el esquema electrico en la seccion de la lista de piezas de este manual).
- Vuelva a ensambar la bomba invirtiendo los pasos del 1 al 8.
▲PRECAUCION

Revise que el transductor está alineado correctamente con el agujero en el bloque de la bomba durante el reensamblaje. El alineamento erroneo puede causar daños a la empaquetadura del transductor.
Reemplazo de la valvula de CEBADO/ROCIADO
Usando el juego de reemplazo de la valvula CEBADO/
ROCIADO N/P 700-258 realice el procedimiento a continuación.
- Empujé el pasador de surco fuera del mango de la valvula.
- Retire el mango de la valvula y la base de leva.
- Con una llave, suelte y retire la caja de la valvula.
- Fijese que la empaquetadura está en su situ y atornille la caja de la valvulanea en elbloque de la bomba. Aprietefirmamente conla llave.
- Coloque la base de leva sobre el ensamblaje de la caja de la valvula. Lubrique la base de leva con grasa y alinee la leva con el bloque de la bomba.
- Alinee el agujero del vástago de la valvula con el agujero del mango de la valvula.
- Inserte el pasador de surco en el mango de la valvula y a工程技术 del vástago de la valvula para asegurar el mango de la misma en posicion.

Servicio a la sección de liquidos
Use los procedimientosesionales para dar servicea las valvulas y volver aponer empaquetaduras en la seccion de liquidos. Realice los pasos a continuacionantes de executar todo mantenimiento en la seccion de liquidido.
- Suelte y retire los cuales tornillos de la cubierta frontal. Desmonte la cubierta delantera.
- Detenga el rociador en la parte de abajo de la carrera de tal modo que el pistón está en su posición más baja. Apague y desenchufe el rociador.
ADVERTENCIA
Antes de proceder, siga el Procedimiento de alivio de presión presentado anteriormente en este manual. Además, siga todas las otheras advertencias para reducir el riesgo de una lesión por inyección, lesiones por piezas en movimiento oCHOQUE ELECTRICO. Siempre desenchufe el rociador antes de darle servicios!
- Destornille el ensamblaje de la manguera de returno del bloque de la bomba.
- Retire el soporte de retencion que sostiene el juego de succion en la valvula de pie. Extraiga el juego de succion de la valvula de pie.
- Incline la bomba hacía extras para ingresar más fácilmente a la sección de liquido.
Servicio a las valvulas
El diseño de la sección de liquido de Titan permitte el acceso a la valvula de pie y su asiento como también a la valvula de salute y su asiento sin necessities de desmontar Completely la sección de liquido. Es posible que las valvulas no se asienten correctamente debido a residuos atrapados en el asiento de la valvula de pie o en la valvula de salute. Use las instrucciones a continuaccion para limiar las valvulas e invertir o reemplazar los asientos.

- Con una llave, suelte y retire la caja de la valvula de pie del bloque de la bomba.
- Limpie todo residuo de la caja de la valvula de pie y examine la caja y el asiento de la misma. Si el asiento está dañado, inviertalo orreemplácelo.
- Usando una llave hexagonal de 3/8 de pulgada, suele y retire la caja de la valvula de salute desde la vara del pistón.
NOTA: Siempre de servicios a la valvula de salute con la vara del pistón connectada a la bomba. Esto evitará que gire la vara del pistón durante el desmontaje de la valvula de salute.

- Limpie los residuos y examine la caja de la valvula y el asiento. Si el asiento está dañado, inviertalo o reemplácelo.
- Retire, limpie e inspeccione la jaula superior y la bola superior. gastadas o danadas.
- Vuelva a montar las valvulas invirtiendo los pasos anteriores.
Reemplazo de empaquetaduras de la seccion de liquidos
NOTA: Las empaquetaduras instaladas por la张家 son de color negro. Las empaquetaduras de repuesto del juego de recambio son blancas.
- Quite los ensamblajes de la valvula de pie y de salute usingo los pasos del procedimiento "Servicio de las valvulas" anterior.
- Usando una llave hexagonal de 3/8 de pulgada, suelte y retire los dos tornillos de montaje del bloque de la bomba.
- Baje el bloque de la bomba aproximadamente 1/2 pulgadas de la caja de la bomba.
- Deslice el bloque de la bomba y la vara del pistón hacía adelante ha de la ranura en T
- Deslice lavara del pistón a工程技术 de la parte inferior del bloque de la bomba.
- Suelte y quite la tuerca de retencion y la guía del pistón del bloque de la bomba.
- Retire las empaquetaduras superior e inferior del bloque de la bomba.
- Limpie el bloque de la bomba e instale las empaquetaduras新品as superior e inferior. Consulte la ilustracion a continuacion para ver la orientacion correcta de las empaquetaduras.
Instale la empaquetadura superior con el reborde levantar y la junta tórica apuntando hacía abajo.

Instale las empaquetaduras inferiores con el reborde levantan y la junta tórica apuntando hacía arriba.
- Inspeccione la vara del piston en busca de desgaste y cambiela si es necessario.
- Vuelva a montar el ensamblaje de la valvula de salute en la vara del pistón. Apriete la caja de la valvula de salute con una llave hasta que quede firme.
NOTA: Use la ranura en T de la vara conectora para sostener en su situ lo vara del pistón@mñtras asegura la caja de la valvula de salute.
PRECAUCION
Nunca use una llave en el pistón同樣. Esto podría dañar el pistón y causar fugas.
- Inserte la guía del pistón en la tuerca de retencion. Atornille la tuerca de retencion en el bloque de la bomba hasta que quede firmemanualmente.
- Deslice la herramiento de la guía del pistón (incluida en el juego para reemplazar empaquetaduras) sobre la parte superior de la vara del pistón a工程技术 de la parte inferior del bloque de la bomba. Usando un mazo de goma, golpee la parte inferior de la vara del pistón ligeramente hasta que esta quede en posición dentro del bloque de la bomba.
NOTA: Recubra la herramienta de la guía del pistón y la vara del pistón con-grasa antes de insertarlas en el bloque de la bomba.
- Usando una llave, apriete la tuerca de retencion firmamente.
- Deslice la parte superior de la vara del pistón bajo de la ranura en T en la vara conectora.
- Ponga el bloque de la bomba bajo de la caja de la bomba y empujelo hacía arriba hasta que descanse contra la caja de la bomba.
▲PRECAUCION
Revise que el transductor está alineado correctamente con el agujero en el bloque de la bomba durante el reensamblaje. El alineamento erroneo puede causar daños a la empaquetadura del transductor.
- Instale los tornillos de montaje delbloque de la bomba a工程技术 del bloque de la bomba y bajo de la caja de la bomba. Aprietefirmamente.
- Vuelva a montar el ensamblaje de la valvula de pie en el bloque de la bomba.
- Inserte el dato del ensamblaje del juego de succion bajo el parte inferior de la valvula de pie. Ponga el soporte de retencion en la valvula de pie para asegurar el Conjunto de succion.
- Instale la manguera de returno en elbloque de la bombayaprietefirmamente.
- Ponga la cubierta frontal de la caja de la bomba y asegúrela en posición usingo los quatre tornillos de la cubierta frontal.
- Encienda el rociador siguiendo el procedimiento de la sección "Operación" de este manual y revise si hay fugas.
NOTA: Se ofrece el juego para reemplazar empaquetaduras N/P 730-401. Para obtenerolestimos resultados use todas las piezas suministradas en este jeu.
Solución de problemas
Problema
No funciona la unidad.
No se ceba la unidad.
La unidad no create presión ni la mantiene.
Fuga de fluido en el extremo superior de la seccion de liquidos.
Causa
- Lainstitution no está enchufada.
- Disyuntor disparado.
- Ajuste de presión demasiado bajo (la perilla de control de presión en su ajuste minimo no suministra energia a launidad).
- Conexiones defectuosas o sueltas.
- Temperatura excessiva del motor
- Interruptor ON/OFF defectuoso.
- La valvula PRIME/SPRAY (CEBADO/ROCIADO) está en la posición SPRAY.
- Fuga de aire en el tubo de sifón/juego de succion.
- El filtro de bomba y/o la malla de entrada está obstruido.
- El tubo de sifón/juego de succion está obstruido.
- La punta rociadora está desgastada.
- La punta rociadora es demasiado grande.
- La perilla de control de presión no está debidamente ajustada.
- El filtro de bomba, el filtro de la pistola o la malla de entrada está obstruidos.
- El material fluye desde la manguera de returno cuando la valvula PRIME/SPRAY (CEBADO/ROCIADO) está en la posicion SPRAY.
- Fuga de aire en el tubo de sifón/juego de succion.
- Existe una fuga de fluido externa.
- Existe una fuga en la sección de liquidos interna (las empaquetaduras están desgastados o sucias, las bolas de las valvulas están desgastadas).
- Los asientos de las valvulas estar desgastados
- El motor tiene alimentación pero no gira.
- Las empaquetaduras superiores estan desgastadas.
- La vara del pistón está desgastada.
Solucn
- Enchufe la unidad.
- Reajuste el disyuntor.
- Gire la perilla de control de presión en la direccion de las agujas del reloj para suministrar energia a la unidad y aumento el ajuste de presión.
- Inspecciono o lleve a un centro de service autorizzato por Titan.
- Deje que el motor se enfrie.
-
Reemplace el interruptor ON/OFF.
-
Gire la valvula PRIME/SPRAY (CEBADO/ROCIADO) en la direction de las agujas del reloj hasta la posicion PRIME (CEBADO).
- Compruebe la connexion del tubo de sifón/juego de succion y apriete o vuelva a asegurar la connexion con cinta Teflón.
- Quite el elemento del filtro de bomba y limpielo. Quite la malla de entrada y limpiela.
-
Quite el tubo de sifón/juego de succion y limpielo.
-
Quite la punta rociadora suguiendo las instrucciones suministradas con la pistola rociadora.
- Reemplace la punta rociadora por una punta queonga un orificio más(PC).siguiendo las instrucciones suministradas con la pistola rociadora.
- Gire la perilla de control de presión en la direccion de las agujas del reloj para incrementar el ajuste de presión.
- Quite el elemento del filtro de bomba y limpielo. Quite el filtro de la pistola y limpielo. Quite la malla de entrada y limpiela.
- Limpie o reemplace la valvula PRIME/SPRAY (CEBADO/ROCIADO).
- Compruebe la connexion del tubo de sifón/juego de succion y apriete o vuelva a asegurar la connexion con cinta Teflón.
- Compruebe todas las conexiones en busca de fugas externas. Apriete las conexiones, si fuese besoinio.
- Limpie las valvulas y de servicios a la sección de liquidos siguiendo el procedimiento de "Servicio a la sección de liquidos" de la sección de Mantenimiento de este manual.
- Invierta o reemplace los asientos de las valvulas siguiendo el procedimiento de "Servicio a la seccion de liquidos" de la seccion de Mantenimiento de este manual.
- Lleve launidad a un centro de servicios autorizzato por Titan.
- Vuelva aponer las empaquetaduras suguiendo el procedimiento de "Servicio a la seccion de liquidos" de la section de Mantenimiento de este manual..
- Reemplace el vástago del pistón siguiendo el procedimiento de "Servicio a la sección de liquidos" de la sección de Mantenimiento de este manual.
Solución de problemas
Problema
Presión excessiva en la pistola del rociador.
Causa
- El tipo de manguera rociadora sin aire es erroneo.
- La punta rociadora está desgastada o es demasiado grande.
- Presión excessiva.
Patrón de atomización deficiente.
- La punta rociadora es demasiado grande para el material que se está utilizingando.
-
Ajuste de presión Incorrecto.
-
Paso de liquido insufficiente.
- El material que se está rociando es demasiado viscoso.
Launidad no tiene alimentación.
- El ajuste de la presión esblemado bajo.
- Suministro de tension inadequado.
Solucn
- Reemplace la manguera por una manguera rociadora sin aire con trenzado textile conectada a tierra de 1/4" con un largo minimo de 50 pies (15 metros).
- Reemplace la punta rociadora siguiendo las instrucciones suministradas con la pistola rociadora.
- Gire la perilla de control de presión en el sentido contrario a las agujas del reloj para reducir la presión de rociado.
- Reemplace la punta rociadora con una punta rociadora nuevo o más(PC)seya siguiendo las instrucciones suministradas con la pistola rociadora.
- Gire la perilla de control de presión paraaabstar la presión para Obtener un patrón de rociado adecuado.
- Limpie todas las mallas y filtros.
- Añada solventa al material de acuerdo con las recomendaciones del fabricante.
- Gire la perilla de control de presión en el sentido de las agujas del reloj para augmentar el ajuste de presión.
- Vuelva a conectar la tension de entrada para 120V AC.
Garantía
Titan Tool, Inc., ("Titan") garantiza que en el momento de la entrega al comprador original para su uso ("Usuario final"), el equipo cubierto por esta garantía está exento de defectos en material y fabricación. La obligation de Titan en virtud de esta garantía se limita a sustituir o reparar sin cargo las piezas que; a la entera satisfacción de Titan, demuestren estar defectuosas bajo de venticinco (25) meses antes de la vente al usuario final.Esta garantía correponde solamente cuando la unidad se instala y funciona según las recomendaciones e instruciones de Titan.
Esta garantia no corresponde en el caso de daños o desgaste causados por abrasión, corrosión o uso indebido, negligencia, accidente, instalación errada, sustitución de piezas con componentes que no sean Titan o alteraciones con la unidad de tal modo que se vea afectado el functonamento normal. Las piezas defectuas deben devolverse a un centro deVentas y serviceo autorizo de Titan. Todos los cargos de transporte, incluo la devoluncía a la fabricula, si es necessario,Debe pagarlos previamente el usuario final.El equipo reparado o cambado se devolvera al usuario final con porte prepagado.
NO EXISTEN NINGUNA OTRA GARANTIÁ EXPRESA. TITAN DESCONOCE POR LA PRESENTE TODA OTRA GARANTÍA IMPLICITA INCLUSIVE ENTRE OTRAS, LAS DE COMERCIABILIDAD E IDONEIDAD PARA UN FIN PARTICULAR, EN LA MEDIDA QUE LO PERMITA LA LEY. LA DURACION DE LAS GARANTías IMPLICITAS QUE NO PUEDEN DESCONOCERSE SE LIMITA AL PLAZO ESPECIFICADO EN LA GARANTÍA EXPRESA. EN NINGUN CASO EXCEDERÉA LA RESPONSABILIDAD DE TITAN EL MONTO DEL PRECIO DE COMPRA. LA RESPONSABILIDAD CIVIL POR DANOS Y PERJUICIOS RESULTANTES, FORTUITOS O ESPECIALES BASO TODA GARANTÍA QUESA EXCLUIDA EN LA MEDIDA QUE LO PERMITA LA LEY. TITAN NO OFRECE GARANTÍAS Y DESCONOCE TODA GARANTÍA IMPLICITA DE COMERCIABILIDAD E IDONEIDAD PARA UN FIN PARTICULAR REFERENTE A ACCESORIOS, EQUIPO, MATERIALES O COMPONENTES VENDIDOS PERO NO FABRICADOS POR TITAN. AQUELLOS ARTICULOS VENDIDOS, PERO NO FABRICADOS POR TITAN (COMO LOS MOTORES DE GAS, INTERRUPTORES, MANGUERAS, ETC.) ESTÁN PROTEGIDOS POR LA GARANTÍA DE SU PROPIO FABRICANTE, SI LA HAY. TITAN PROPORCIÑARÁ AL COMPRADOR ASISTENCIA RAZONABLE PARA EFFECTUAR RECLAMOS EN CASO DE INCUMPLIMIENTO DE ESTAS GARANTÍAS.
Patentes
Estos productos estan protegidos por una de las siguientes patentes (U.S.A.).
4,500,119 4,768,929
Las Hojas de Datos de Seguridad (Material Safety Data Sheets - MSDS) se encontrartran disponibles en el situ web de Titan o Ilamando al Servicio al Cliente.
Parts List · Lists de pieces · Lista de pieza
| Articulo | Pieza # | Descripción | Cantidad |
| 1 | 704-364 | Paquete de condensador y rectificador (incluye articulo 21 en la頁a 41) | 1 |
| 2 | 700-681 | Tornillo | 4 |
| 3 | 704-269 | Adaptador en Y (negativo, negro) | 1 |
| 4 | 704-276 | Juego de cepillos (incluye tapas de retencion) | 1 |
| 5 | 704-285 | Protección | 2 |
| 6 | 704-322 | Tornillo de la proteccion | 2 |
| 7 | 704-331 | Empaquetadura | 1 |
| 8 | 704-250 | Ventilador del motor | 1 |
| Articulo | Pieza # | Descripción | Cantidad |
| 9 | 854-915 | Tornillo | 1 |
| 10 | 704-344 | Motor, completo(incluye articutos 1, 5, 6, 8, y 9) | 1 |
| 11 | 704-258 | Adaptador en Y (positivo, rojo) | 1 |
| 12 | 704-272 | Cubierta del motor con etiquetas | 1 |
| 13 | 704-332 | Ojal | 4 |
| 14 | 704-181 | Tornillo | 4 |
| 15 | 770-099 | Amarra (no se muestra) | 1 |
| 16 | 314-991 | Cinta (no se muestra) | 1 |
| Articulo | Pieza # | Descripción | Cantidad |
| 1 | 700-139 | Tornillo | 8 |
| 2 | 704-341 | Cubierta delantera con etiqueta | 1 |
| 3 | 704-173 | Ensamblaje cigüeñal/engranaje | 1 |
| 4 | 704-174 | Arandela de empuje | 1 |
| 5 | 704-176 | Engranaje de 2da etapa | 1 |
| 6 | 704-172 | Caja de la bomba | 1 |
| 7 | 700-735 | Vara conductora | 1 |
| 8 | 700-175 | Tapa | 1 |
| 9 | 700-176 | Sello | 1 |
| 10 | 700-159 | Perilla de control de presión | 1 |
| 11 | 704-303 | Montaje del potenciometro | 1 |
| 12 | 765-063 | Alivio de tensión (base) | 1 |
| 704-369 | Alivio de tensión (bajo carro y carro) | ||
| 13 | 765-054 | Cable de alimentación (base) | 1 |
| 704-370 | Cable de alimentación (bajo carro y carro) |
| Artístico | Pieza # | Descripción | Cantidad |
| 14 | 704-229 | Tornillo | 1 |
| 15 | 704-251 | Ensamblaje del transductor | 1 |
| 16 | 700-158 | Potenciometro | 1 |
| 17 | 704-380 | Interruptor de ENCENDIDO/APAGADO | 1 |
| 18 | 765-327 | Disyuntor | 1 |
| 19 | 710-127 | Tornillo de*fijación | 1 |
| 20 | 704-364 | Paquete de condensador y rectificador (incluye articULO 21) | 1 |
| 21 | 704-323 | Tornillo | 1 |
| 22 | 704-278 | Control de presión electrónicocomplete con cubierta (incluye articulos 23-25) | 1 |
| 23 | 704-279 | Cubierta del diodo emisor de luz | 1 |
| 24 | 704-282 | Tornillo | 1 |
| 25 | 704-281 | Tapón del orificio | 1 |
Fluid Section Assembly · Section des liquides · Ensemblaje de la sección de liquidos
NOTE: When using "HOT" solvents, replace Viton o-ring (item 36) with optional Teflon o-ring (700-897). Install with o-ring tool (700-890).
NOTA: Cuando se uses solventes "CALIENTES", cambie la junta tórica de Viton (articulo 36) por la junta tórica optional de Teflon (700-897). Instale con una herramipta para juntas tóricas (700-890).
Instale la empaquetadura superior con el reborde levantan y la junta tórica apuntando hacía abajo.

Junta tórica
Instale las empaquetaduras inferiores con el reborde levantado y la junta tórica apuntando hacía arriba.
NOTA: Juego de empaquetaduras N/P 730-401 incluye los articulos marcados con un *. Internacional se incluye grasa de empaquetadura N/P 700-203 y herramienta guía de pistón N/P 700-793.
English
| Item | Part # | Description | Quantity |
| 1 | 704-342 | Fluid section (excludes items 24-30) | 1 |
| 765-185 | Fluid section complete (includes filter and PRIME/SPRAY valve assembly) | ||
| 2 | 704-090 | Piston assembly (includes items 10-16) | 1 |
| 3 | 730-508 | Retainer | 1 |
| 4 | 700-587 | Piston guide | 1 |
| 5 | 700-072 | Upper packing with tool | 1 |
| 6 | 227-028 | Pipe plug | 1 |
| 7 | 704-239 | Pump block | 1 |
| 8 | 227-006 | Fitting | 1 |
| 9 | 704-117 | Screw | 2 |
| 10 | 700-601 | Lower packing | 2 |
| 11 | 704-089 | Piston rod | 1 |
| 12 | 762-111 | Upper seal | 1 |
| 13 | 762-135 | Upper cage | 1 |
| 14 | 762-144 | Outlet valve ball | 1 |
| 15 | 762-134 | Outlet valve seat | 1 |
| 16 | 762-057 | O-ring | 1 |
| 17 | 762-073 | Outlet vavle retainer | 1 |
| 18 | 704-289 | Bushing | 1 |
| 19 | 700-821 | Lower seal | 1 |
| 20 | 730-510 | Lower cage | 1 |
| 21 | 762-145 | Foot valve ball | 1 |
| 22 | 762-137 | Foot valve seat | 1 |
| 23 | 762-058 | O-ring | 1 |
| Item | Part # | Description | Quantity |
| 24 | 704-054 | Foot valve housing (skid and low rider models) | 1 |
| 730-511 | Foot valve housing (high rider model) | ||
| 25 | 704-252 | Filter housing | 1 |
| 26 | 730-083 | Filter spring | 1 |
| 27 | 730-067 | Filter | 1 |
| 28 | 702-251 | Adapter | 1 |
| 29 | 757-105 | Filter support spring | 1 |
| 30 | 704-297 | O-ring | 1 |
| 31 | 700-258 | PRIME/SPRAY valve assembly (includes items 31-41) | 1 |
| 32 | 700-537 | Gasket | 1 |
| 33 | 221-012 | O-ring, Viton | 1 |
| 34 | 222-012 | O-ring, Teflon | 1 |
| 35 | 700-246 | Valve housing | 1 |
| 36 | 700-721 | O-ring, Viton | 1 |
| 700-897 | O-ring, Teflon (optional) | 1 | |
| 37 | 700-250 | Valve stem | 1 |
| 38 | 700-244 | Spring | 1 |
| 39 | 700-248 | Valve retainer | 1 |
| 40 | 700-252 | Cam base | 1 |
| 41 | 700-697 | Valve handle | 1 |
| 42 | 700-759 | Groove pin | 1 |
| 43 | 704-273 | Fitting (skid and low rider models) | 1 |
| 44 | 762-202 | Packing tool (not shown) | 1 |
Français
| Articulo | Pieza # | Descripción | Cantidad |
| 1 | 704-342 | Sección de liquido (excluye los articículos 24-30) | 1 |
| 765-185 | Sección de liquido completa (incluye el ensamblaje de filtro y valvula de CEBADO/ROCIADO) | ||
| 2 | 704-090 | Ensamblaje del pistón (incluye articículos 10-16) | 1 |
| 3 | 730-508 | Retén | 1 |
| 4 | 700-587 | Guiá del pistón | 1 |
| 5 | 700-072 | Empaquetadura superior con la herr模板 | 1 |
| 6 | 227-028 | Tapón | 1 |
| 7 | 704-239 | Bloque de la bomba | 1 |
| 8 | 227-006 | Conector | 1 |
| 9 | 704-117 | Tornillo | 2 |
| 10 | 700-601 | Empaquetadura inferior | 2 |
| 11 | 704-089 | Vara del pistón | 1 |
| 12 | 762-111 | Sello superior | 1 |
| 13 | 762-135 | Jaula superior | 1 |
| 14 | 762-144 | Bola de la valvula de salida | 1 |
| 15 | 762-134 | Asiento de la valvula de salute | 1 |
| 16 | 762-057 | Junta tórica | 1 |
| 17 | 762-073 | Retén de la valvula de salute | 1 |
| 18 | 704-289 | Buje | 1 |
| 19 | 700-821 | Sello inferior | 1 |
| 20 | 730-510 | Jaula inferior | 1 |
| 21 | 762-145 | Bola de la valvula de pie | 1 |
| 22 | 762-137 | Asiento de la valvula de pie | 1 |
| 23 | 762-058 | Junta tórica | 1 |
| Articulo | Pieza # | Descripción | Cantidad |
| 24 | 704-054 | Caja de la valvula de pie (base y bajo carro) | 1 |
| 730-511 | Caja de la valvula de pie (carro) | ||
| 25 | 704-252 | Caja del filtro | 1 |
| 26 | 730-083 | Reserte del filtro | 1 |
| 27 | 730-067 | Filtro | 1 |
| 28 | 702-251 | Adaptador | 1 |
| 29 | 757-105 | Reserte del soporte del filtrlo | 1 |
| 30 | 704-297 | Junta tórica | 1 |
| 31 | 700-258 | Ensamblaje de la valvula de CEBADO/ROCIADO (incluye articlos 31 - 41) | 1 |
| 32 | 700-537 | Empaquetadura | 1 |
| 33 | 221-012 | Junta tórica, Viton | 1 |
| 34 | 222-012 | Junta tórica, Teflon | 1 |
| 35 | 700-246 | Caja de la valvula | 1 |
| 36 | 700-721 | Junta tórica, Viton | 1 |
| 700-897 | Junta tórica, Teflon (optional) | 1 | |
| 37 | 700-250 | Vástago de la valvula | 1 |
| 38 | 700-244 | Resorte | 1 |
| 39 | 700-248 | Retén de la valvula | 1 |
| 40 | 700-252 | Base de leva | 1 |
| 41 | 700-697 | Mango de la valvula | 1 |
| 42 | 700-759 | Pasador de suorro | 1 |
| 43 | 704-273 | Conector (base y bajo carro) | 1 |
| 44 | 762-202 | Herramienta para empaquetadas (no se muestra) | 1 |
Suction Set Assembly (skid and low rider models) · Bloc d'aspiration · (support etasse chariot) Ensamblaje del jeu de succion (base y bajo carro) (P/N 704-300)

English
| Articulo | Pieza # | Descripción | Cantidad |
| 1 | 704-263 | Enamblaje del tubo de returno | 1 |
| 2 | 704-121 | Junta tórica | 2 |
| 704-109 | Junta tórica (para solventes calientes, optional) | ||
| 3 | 700-1024 | Cargo | 1 |
| 4 | 704-127 | Sujetador de retencion | 1 |
| 5 | 700-1023 | Manguera de sifón (incluye articutos 2-4 y 7) | 1 |
| 6 | 755-135 | Sujetador | 1 |
| 7 | 700-805 | Malla de entrada | 1 |
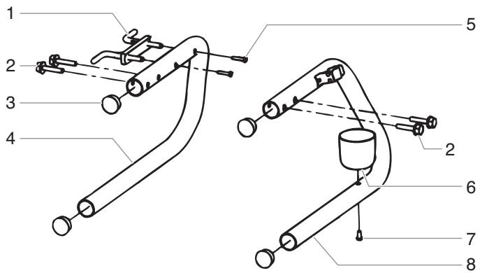
Stand Assembly · Support · Ensamblaje de la base

English
| Item | Part # | Description | Quantity |
| 1 | 700-761 | Cord wrap | 1 |
| 2 | 761-178 | Screw | 4 |
| 3 | 710-199 | Plug | 4 |
| 4 | 704-164 | Leg, left | 1 |
| 5 | 700-642 | Screw | 2 |
| 6 | 700-1041 | Drip cup | 1 |
| 7 | 704-188 | Screw | 1 |
| 8 | 704-156 | Leg, right | 1 |
| 9 | 704-179 | Leg, left, complete (includes items 1, and 3-5) | |
| 10 | 704-178 | Leg, right, complete (includes items 3 and 6-8) |
Français
| Articulo | Pieza # | Descripción | Cantidad |
| 1 | 700-761 | Soporte para envolver el cable electrico...1 | |
| 2 | 761-178 | Tornillo | .4 |
| 3 | 710-199 | Tapón | .4 |
| 4 | 704-164 | Pata, izquierda | .1 |
| 5 | 700-642 | Tornillo | .2 |
| 6 | 700-1041 | Recipiente de goteo | .1 |
| 7 | 704-188 | Tornillo | .1 |
| 8 | 704-156 | Pata, derecha | .1 |
| 9 | 704-179 | Pata, izquierda, completa(incluye articutos 1 y 3-5) | |
| 10 | 704-178 | Pata, derecha, completa(incluye articutos 3 y 6-8) |
Low Rider Assembly · Basse chariot · Ensamblaje del bajo carro (P/N 705-200)

English
| Item | Part # | Description | Quantity |
| 1 | 704-307 | Mounting bracket | 2 |
| 2 | 770-366 | Hex lock nut | 2 |
| 3 | 856-921 | Screw | 4 |
| 4 | 856-002 | Washer | 4 |
| 5 | 704-291 | Roll pin | 2 |
| 6 | 704-356 | Wheel | 2 |
| 7 | 704-355 | Cap | 2 |
| 8 | 704-308 | Frame | 1 |
| 9 | 704-358 | Cap | 2 |
| 10 | 763-549 | Lock nut | 2 |
| 11 | 335-018 | Plug | 2 |
| 12 | 590-508 | Roll pin | 2 |
| 13 | 590-506 | Washer | 2 |
| 14 | 704-188 | Screw | 1 |
| 15 | 773-918 | Screw | 2 |
| 16 | 700-1041 | Drip cup | 1 |
| 17 | 756-091 | Hex head screw | 4 |
| 18 | 755-135 | Clip | 1 |
| 19 | 854-915 | Screw | 2 |
| 20 | 590-504 | Sleeve | 2 |
| 21 | 590-507 | Snap button | 2 |
| 22 | 704-309 | Handle | 1 |
Français
| Articulo | Pieza # | Descripción | Cantidad |
| 1 | 704-266 | Mango | .1 |
| 2 | 590-506 | Rondana | .2 |
| 3 | 590-508 | Pasador de rollo | .2 |
| 4 | 590-504 | Manga de asa | .2 |
| 5 | 856-921 | Tornillo | .4 |
| 6 | 856-002 | Rondana | .4 |
| 7 | 704-291 | Pasador de rollo | .2 |
| 8 | 704-354 | Espaciador | .2 |
| 9 | 704-355 | Tapa | .2 |
| 10 | 702-421 | Carro | .1 |
| 11 | 590-507 | Botón, a presion | .2 |
| 12 | 761-178 | Tornillo | .4 |
| 13 | 710-199 | Tapón | .2 |
| 14 | 704-353 | Rueda | .2 |
| 15 | 335-018 | Tapón | .2 |
| 16 | 704-304 | Gancho del cubo | .1 |
| (no se muestra, no en ensamblaje) | |||
| 17 | 710-033 | Tornillo | |
| (no se muestra, no en ensamblaje) | |||
| 18 | 763-552 | Rondana de seguridad | .2 |
| (no se muestra, no en ensamblaje) |
Siphon Tube Assembly (High Rider) Tube siphon (Chariot) Tubo sifón (Ensamblaje del Carro)

English
| Item | Part # | Description | Quantity |
| 1 | 704-327 | Siphon tube. | 1 |
| 2 | 710-046 | Inlet screen, 10 mesh | 1 |
| 3 | 702-239 | Return tube. | 1 |
Français
| Articulo | Pieza # | Descripción | Cantidad |
| 1 | 704-327 | Tubo sifón | 1 |
| 2 | 710-046 | Malla de entrada, 10 malla | 1 |
| 3 | 702-239 | Tubo de returno | 1 |
Accessories
Airless Tip Selection
Selección de la punta sin aire
Las+puntas se seleccionan por el tameno de orificio y la amplitud de abanico. La seleccion correcta se determina segun la amplitud de abanico necessitiesaria para un trabajo especialico y por el tameno de orificio que suministrará lacantidad de liquido deseada y logrará la atomizacion adecauda.
Para liquidos de viscosidad ligera, generalmente se preferen las puntas con orificios pequeños. Para materiales con más viscosidad, se preferen las puntas con orificios más grandes. Consulte la tabla a continuación.
NOTA: No exceeda el時間 de punta recomendada para el rociador.
La tablasuma indica los tamanos más comunes y los materiales más adecuado para rociar.
| Tamañode punta | Material a rociar | Tipo de filtro |
| .011 – .013 | Lacas y barnices | Filtro de malla 100 |
| .015 – .019 | Pintura a base de aceite y látex | Filtro de malla 30 |
| .021 – .026 | Látex espeso y rellenos | Filtro de malla 60 |
Las amplitudes de abanico entre 8 y 12 pulgadas (20 a 30 cm) son preferibles porque ofrecen más control al rociar y es menos probable que Causeuon obstrucciones.
Protector liquido Liquid Shield
Limpia y proteger los sistemas de rociado contra el oxido, la corrosión y el desgaste prematuro. Ahora con la protección del anticongelante de -25°.
Pieza #
Descripción
314-483...........Botella de 4 onzas
314-482...........Botella de 1 cuarto de galón

Lubricante para pistones Piston Lube
Formulado especialmente paraEARitar que los materiales se adheran a la vara del pistón, loquel es abrasivo para los sellos superiores.El Piston Lube degrada todo material que pueda acumularse en el recipiente y evita que se seque.
Pieza #
Descripción
314-481...........Botella de 4 onzas
314-480...........Botella de 8 onzas

Varios
Part No.
Description
490-012......Acoplamento de manguera, 1 / 4× 1 / 4 de pulgada
730-397.......Fl.de alta presión Medidor
314-171.......Lubriplate, individual de 14 onzas
314-172.......Lubriplate, lata de 6 lb.
700-1037.......Munquera de conducccion a tierra de descargas electrostaticas (ESD)

NOTA: Todo trabajo electrico debe realizarlo un centro de增值服务 autorizzato.
Notes/Nota
Notes/Nota
Specifications
Peso, ensamblaje del carro/
Ensamblaje del bajo carro.....55 lbs. (25,9kg)
Capacidad.Hasta .57 galones.(2,2
litros)por minuto
Presión de pulverización.......Hasta 3200 psi (221 bar)
Tamaño
max. de soportes 0,023
Manguera,
dimisión Tmaxima. 300 ft. (91,4m)
Cable de alimentación,
dimisión Tmaxima. 300 ft. (91,4m)

ManualFácil