SEC 30 - Caldera LAMBORGHINI CALORECLIMA - Manual de uso y guía de instrucciones gratis
Encuentra gratis el manual del aparato SEC 30 LAMBORGHINI CALORECLIMA en formato PDF.
| Tipo de dispositivo | Caldera de alta eficiencia |
| Material del cuerpo | Hierro fundido |
| Combustible | No especificado |
| Potencia térmica | No especificado |
| Tipo de quemador | No especificado |
| Presión máxima | No especificado |
| Eficiencia | Alta eficiencia |
| Dimensiones (An x Pr x Al) | No especificado |
| Peso | No especificado |
| Tipo de control | No especificado |
| Instalación | Montaje mural o suelo |
| Normas | Certificada ISO 9001 |
| Uso | Calefacción central |
| Mantenimiento | Manual incluido |
| Garantía | No especificado |
Preguntas frecuentes - SEC 30 LAMBORGHINI CALORECLIMA
Descarga las instrucciones para tu Caldera en formato PDF gratis! Encuentra tus instrucciones SEC 30 - LAMBORGHINI CALORECLIMA y toma tu dispositivo electrónico nuevamente en la mano. En esta página están publicados todos los documentos necesarios para el uso de su dispositivo. SEC 30 de la marca LAMBORGHINI CALORECLIMA.
MANUAL DE USUARIO SEC 30 LAMBORGHINI CALORECLIMA
Leer atentamente las instrucciones y las advertencias que contiene el presente folleto ya que dan indicaciones importantes relativas a la calidad de la instalacion, al uso y al mantenimiento.
Conservar con cuidado este folleto pararialquier ulterior consulta.
La instalación de ser efectuada por personalrial significado que tendrá la responsabilidad de respetar las normas de seguidad vigilentes.
Las partes del embalaje (bolgas de plástico, espuma de poliestroil, etc...) no hay que dejarlas al alcance de los niños ya que son potecuides fuentes de peligro.
Leer atentamente y conservar los cupones de garantía.
ENGLISH
46
Leer atentamente las instrucciones y las advertencias que contiene el presente folleto ya que dan indicaciones importantes relativas a la calidad de la instalacion, al uso y al mantenimiento.
Conservar con cuidado este folleto pararialquier ulterior consulta.
La instalación de ser efectuada por personalrial significado que tendrá la responsabilidad de respetar las normas de seguidad vigilentes.
Las partes del embalaje (bolgas de plástico, espuma de poliestroil, etc...) no hay que dejarlas al alcance de los niños ya que son potecuides fuentes de peligro.
Leer atentamente y conservar los cupones de garantía.
| ÍNDCICE | PÁGINA |
| NOCIONES GENERALES | 35 |
| DIMENSIONES Y CARACTERÍSTICAS TÉCNICAS | 35 |
| COMPONENTES PRINCIPALES | 37 |
| INSTALACION | 38 |
| CONEXIONES ELECTRICAS - ESQUEMAS | 38 |
| COMPROBACIONES Y CONTROLES | 40 |
| PUESTA EN MARCHA - PARADA | 40 |
| MANTENIMIENTO PERIódico | 40 |
| ACOPLAMIENTO CALDERA - ACUMULADOR | 41 |
| MONTAJE EQUIPO ACOUSTIC COVER | 43 |
| MONTAJE EQUIPO RELOJ PROGRAMADOR | 44 |
Felicitationes...
...por la optima eleccion
La LAMBORGHINI garantiza no solo la calidad del producto sino también la eficencia de su red de asistencia技术水平. Para该如何 necessities dirigirse a laagency LAMBORGHINI mas cercana.
Leer atentamente las instrucciones y las advertencias que contiene el presente folleto ya que danindicaciones importantes relativas a la seguridad de la instalacion, al uso y al mantenimiento.
Conservar con cuidado este folleto pararialquier ulterior consulta.
La instalación de ser efectuada por personalrial综合素质 que tendrá la responsabilidad de respetar las normas de seguidad vigilentes.
Las partes del embalaje (bolsas de plástico, espuma de poliestro1l, etc...) no hay que dejarlas al alcance de los niños ya que son potecionales fuentes de peligro.
Leer atentamente y conservar los cupones de garantía.
GENERAL INSTRUCTIONS
Las calderas de hierro fundido de alto rendimiento SEC han superado los test europeos de homologacion y respetan las normas mas restrictivas por lo que respects la calidad y el rendimiento.

| INDEX | PAGE |
| GENERAL INSTRUCTIONS | 49 |
| DIMENSIONS AND TECHNICAL FEATURES | 49 |
| MAIN COMPONENTS | 51 |
| INSTALLATION | 52 |
| WIRING DIAGRAMS | 52 |
| CHECKS AND CONTROLS | 54 |
| STARTING UP - SWITCHING OFF | 54 |
| PERIODICAL MAINTENANCE | 54 |
| BOILER - CYLINDER COMBINATION | 55 |
| ASSEMBLY OF ACOUSTIC COVER KIT | 57 |
| ASSEMBLY OF PROGRAMMING CLOCK KIT | 58 |
Congratulations…
La série SEC 30 es un generator de calor de alto rendimiento para la calefacción de la casa o industrial, adequado paraFuncionar con quemadores de combustibles liquidos y/o gaseos.
El cuero de la caldera está formado por elementos de hierro fundido, ensamblados con biconos y tirantes de acero, cuando perfil se ha cuidado especialmente con una distribución de las aletas, que permit une alta eficaciaTERMICA y como consecuencia un alto ahorro energetico.
La estética y el total aislamento está asegurados por un elegante panel de manejo, por una capa esmaltada ensamblada a presión y por un revestimiento con lana de vidrio de grueso espesor que reduce al minimum las dispersiones de calor hacía el ambiente.
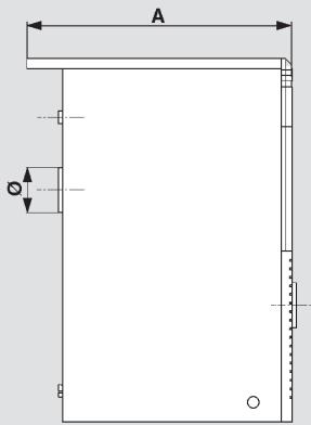
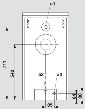
DIMENSIONES



Fig. 1
| SEC 30 | |
| a1 | Ida instalación 1 1/2" |
| a2 | Returno instalación 1 1/2" |
| a3 | Descarga caldera 1/2" |
| A | mm |
| B | mm |
| ∅ | mm |
CHARACTERISTICAS TECNICAS
| SEC 30 | ||
| CAPACIDAD | kW | 30,6 |
| TÉRMICA ÚTIL | kcal/h | 26300 |
| CAPACIDAD | kW | 34,0 |
| TÉRMICA NOMINAL | kcal/h | 29200 |
| CAPACIDAD | kW | 24,3 |
| úTIL REGULABLE HASTA | kcal/h | 20900 |
| N° EL | 3 | |
| CONTENIDO AGUA | lt | 14 |
| LONGITUD CÁM. COMB. | mm | 386 |
| LONGITUD CÁM. COMB. | mm | 260x310 |
| PRESIONES DE UTILIZATION | bar | 4 |
| PÉRD.CARGA CÁM. COMB. | Δp mbar | 0,10 |
| VOLUMEN CÁM. COMB. | lt | 20,15 |
| PÉRDIDAS DE CARGA DE | Δt 10 | 1,8 |
| AGUA | Δt 20 | |
| PESO CUERPO | kg | 105 |
NOTA: - La temperatura maxima de uso del agua de la calefacción de la instalacion es de 90^
- La temperatura minima de uso del agua de la calefaction de la instalacion es de 45^
ENGLISH
GB
Para instalar el reloj programador hay que guitar el tapón del agujero del reloj y usar los 4 tornillos de sujección suministrados con el equipo (Fig. 17). Para realizar las conexiones electricas, unir los contactos 1 y 2 respectivamente a la FASE y al NEUTRO y los contactos del reloj 3 y 5 en series a la linea termostárica (Fig. 18).

PROGRAMACION
Girando el disco programa en sentido horario se pone la hora del día como en un reloj normal. El tiempo que se quiereponersepuedeclassions,ajunrimo de15minutoscadavez (cada leva movable).

bornes de connexion 230V - 50/60 Hz

interruptor 16A-250V~

Fig. 18
El conmutador con palanquita, colocado cerca de las agujas, permite las tres posibilidades siguientes:
1 con la palanquita en la posicón "I" se excluye el funcionaimiento de la caldera para la calefacción;
2 con la palanquita en posicion "O" la caldera se mantiene siempre en functionamento para la calefaction,ccionada por los termostatos de la caldera y por el de ambiente;
3 con la palanquita en una posicion entre "I" y "O", la caldera的功能a automatamente para la calefaction, segun el programa que haya pueso el Nombre con las levas moviles.
COMPONENTES PRINCIPALES


Fig. 2
1 Elemento anterior
2 Elemento intermedio
3 Elemento posterior
4 Bicono
5 Junta chimenea
6 Puertecita portaquemador
7 Aislante puertecita portaquemador
8 Puertecita para la limpieza
9 Aislante puertecita limpieza
10 Grifo de desague
11 Agujeros para los aprietacables
INSTALACION
La instalación de la caldera de ser efectuada sólo por Personal Cualificado, siguiendo las indicaciones del Constructor y Respectando todas las leyes y disponeciones que regulan la materia. Se recomienda deforma particular el respeto de las normas por lo que respects a la calidad asi como las que regularan la construccion y laubicacion de las chimeneas.
EMPALME HIDRAULICO
Hay que realizar el empalme hidráulico de la caldera respetando lasindicaciones que se encontrartran circa de cada junta y las que se encuentran en la figura 1 de este folto. El empalme tiene que realizarse de眼看 que los tubos estén libres de tensiones y es obligatorio montar la valvula de seguidad en el circuito de calefacción, en un punto lo más cerca possible de la caldera, sin que haya entre esta y la valvula ninguna obstruccion u organo de interceptacion.
La caldera no se sugministra con el tanque de expansión; por lo tanto seiene que encargar de acoplárlo el instalador. Con este propósito recordamos que la presión de la instalación, en frío, tiene que estar comprendida entre 0,5 y 1,5 bar.
UNION A LA CHIMENEA
Se recomienda unir la caldera a una buena chimenea, que se haya construido Respectando las leyes vigentes. El conductor entre la caldera y la chimenea tiene que ser de un material adecuado eskaar, que sea resistente a la temperatura y a la corrosion. En los+puntos de juntera se recomienda prestar atencion al sellado y aislar temricamente todo el conductor entre la caldera y la chimenea con el fin de evaporar la formacion de vapor de condensacion.

CONEXIONES ELECTRICAS - ESQUEMAS
Realizar las conexiones de las bombas de circulación del quemador y del eventual termostato ambiente, Respectando las indicaciones de los esquemas adjuntos (Fig. 6/7). Se recomienda interponer entre la red y la caldera un interruptor bipolar, con una abertura de los contactos de al menos 3mm , equipo con fusibles de 5A max.
Utilisen para cada connexion electraca los aprieta cables que se entrega con el equipo.
Se recomienda ahora conectar la caldera a un buena sistemas de tierra.
Lamborghini Calor s.p.a. se exime de toda responsabilidad por los días causados a personas o a cosas, por no haber conectado el aparato a un buena sistemas de tierra.
Nota: El cable del quemador (Pos. 1 Fig. 5) se pueda colocar según la necessities del usuario, a la referencia o a izquierda.


CIRCUITO HIDRAULICO SEC 30 + BVE
DESCRIPCION
B Quemador
CiB Bomba de circulación del accumulator
CiR Bomba de circulación de la calefacción
S Valvula
VE Tanque de expansión
VR Valvula de no returno
VS Valvula de seguidad
ESQUEMA DE PRINCIPIO SEC 30 + BVE
DESCRIPCION
B Quemador
CiB Bomba de circulación del acumulador
CiR Bomba de circulación de la calefaction
EI Interruptor VERANO/ INVIERNO
IG Interruptor general
SB Luz indicadora del bloqueo
SF Luzindicadora delfuncioncimiento
TA Termostato ambiente
TB Termostato del accumulator
TR Termostatode regulación
TS Termostatode seguridad
TP Termostato pecedencia

Fig. 10

Fig. 11
B Quemador
CBr Conexion quemador
CBol Conector hervidor
IG Interruptor general
SB Luz indicadora del bloqueo
SF Luz indicadora del funcionajo
TA Termostato ambiente (eventual)
TR Termostat de regulación
TS Termostatode seguridad
COMPROBACIONES Y CONTROLES
ANTES DE LA PUESTA EN MARCHA INICIAL
Antes de la puesta en marcha inicial, es una buena costumbre controlar que:
a la instalacion este llena a la presion justa y haya salido todo el aire;
b no hayan perdidas de agua o de combustible;
c la alimentacion eletrica sea correcta;
d toda la chimenea se haya realizado correctamente y que no está demasiado cerca de partes inflamables o las atraviese;
e no hayan sustancias inflamables circa de la caldera;
f el quemador sea proportional a la potencia de la caldera;
g las valvulas de intercep tion de agua esten abiertas.
DESPUÉS DE LA PUESTA EN MARCHA INICIAL
Después de la primera puesta en marcha es una buena costumbre controlar que:
el quemador funciona correctamente.
Este control hay que hacerlo con los instrumentosADEducados;
- los termostatos funciona en correctamente;
el agua circule por la instalacion;
- la evacuación de los humos teng a lugar Completely a trovés de la chimenea.
PUESTA EN MARCHA - PARADA
PUESTA EN MARCHA INICIAL
Una vez efectuados los controlles preliminares, se pueda pagar a las siguientes maniobras de encendido:
1abarir la valvula de interceptacion del combustible (si la tiene);
2 regular el termostato de la caldera (Fig. 2) al valor deseado;
3 cerrar el interruptor de la alimentacion eletrica de la caldera y el interruptor encendido/apagado (Fig. 2) colocado en el panel de mandos.
PARADA
Durante breves periodos de detencion es suficiente usar el interruptor encendido/apagado (Fig. 2) colocado en el panel de mandos.
Cuando no se utilise por,lastante tiempo durante el periodo invernal,para evitar daños causados por el hielo,es necessario introducir el anticongelante en la instalacion o vinciarla completeness.
MANTENIMIENTO PERIODICO
El mantenimiento de la caldera tiene que realizarlo el Personal Cualificado.
Es una buena costumbre hacer que controlen la caldera por lo menos una vez al ano, antes de la estación invernal. Dicho controliene que estar dirigido tanto al estado de limpieza de la caldera, como al correcto funciona elFuncimiento de todos sus dispositivos de control y de seguidad asi como al quemador.
Hay que controlar también el estado de todo el conducto de la chimenea.
LIMPIEZA DE LA CALDERA
- Limpiar el interior de la caldera;
- Controller todo el conducto de los humos y si esnecessary, limpiarlo.
Para la limpieza del quemador consultar el correspondiente libro de instructaciones.

ManualFácil