UXT5536AAS - Range hood BAUKNECHT - Free user manual and instructions
Find the device manual for free UXT5536AAS BAUKNECHT in PDF.
Questions des utilisateurs sur UXT5536AAS BAUKNECHT
0 question sur cet appareil. Repondez a celles que vous connaissez ou posez la votre.
Poser une nouvelle question sur cet appareil
Download the instructions for your Range hood in PDF format for free! Find your manual UXT5536AAS - BAUKNECHT and take your electronic device back in hand. On this page are published all the documents necessary for the use of your device. UXT5536AAS by BAUKNECHT.
USER MANUAL UXT5536AAS BAUKNECHT
30" (76.2 CM) AND 36" (91.4 CM) RANGE HOOD
Installation Instructions and Use & Care Guide
HOTTE D'ASPIRATION DE 30'' (76,2 CM) ET 36'' (91,4 CM)
IMPORTANT: READ AND SAVE THESE INSTRUCTIONS.
FOR RESIDENTIAL USE ONLY.
IMPORTANT : LIRE ET CONSERVER CES INSTRUCTIONS.
POUR UTILISATION RÉSIDENTIELLE UNIQUEMENT.
TABLE OF CONTENTS
RANGE HOOD SAFETY 2
INSTALLATION REQUIREMENTS 3
Tools and Parts 3
Location Requirements 4
Venting Requirements 5
Electrical Requirements 6
INSTALLATION INSTRUCTIONS 7
Prepare Location 7
Install Range Hood. 9
Complete Installation 10
RANGE HOOD USE 10
Range Hood Controls 11
RANGE HOOD CARE 11
Cleaning. 11
WIRING DIAGRAM 12
ASSISTANCE OR SERVICE 13
In the U.S.A. 13
In Canada 13
Accessories 13
WARRANTY 14
TABLE DES MATIÈRES
SECURITE DE LA HOTTE DE CUISINIÈRE 15
EXIGENCES D'INSTALLATION 17
Outils et pieces 17
ASSISTANCE OU SERVICE 27
Au Canada. 27
Accessoires 27
GARANTIE 27
RANGE HOOD SAFETY
Your safety and the safety of others are very important.
We have provided many important safety messages in this manual and on your appliance. Always read and obey all safety messages.

This is the safety alert symbol.
This symbol alerts you to potential hazards that can kill or hurt you and others.
All safety messages will follow the safety alert symbol and either the word "DANGER" or "WARNING."
These words mean:
DANGER
You can be killed or seriously injured if you don't immediately follow instructions.
WARNING
You can be killed or seriously injured if you don't follow instructions.
All safety messages will tell you what the potential hazard is, tell you how to reduce the chance of injury, and tell you what can happen if the instructions are not followed.
IMPORTANT SAFETY INSTRUCTIONS
WARNING: TO REDUCE THE RISK OF FIRE, ELECTRIC SHOCK, OR INJURY TO PERSONS, OBSERVE THE FOLLOWING:
- Use this unit only in the manner intended by the manufacturer. If you have questions, contact the manufacturer.
Before servicing or cleaning the unit, switch power off at service panel and lock the service disconnecting means to prevent power from being switched on accidentally. When the service disconnecting means cannot be locked, securely fasten a prominent warning device, such as a tag, to the service panel.
■ Installation work and electrical wiring must be done by qualified person(s) in accordance with all applicable codes and standards, including fire-rated construction. - Do not operate any fan with a damaged cord or plug.
Discard fan or return to an authorized service facility for examination and/or repair. - Sufficient air is needed for proper combustion and exhausting of gases through the flue (chimney) of fuel burning equipment to prevent backdrafting. Follow the heating equipment manufacturer's guideline and safety standards such as those published by the National Fire Protection Association (NFPA), the American Society for Heating, Refrigeration and Air Conditioning Engineers (ASHRAE), and the local code authorities.
- When cutting or drilling into wall or ceiling; do not damage electrical wiring and other utilities.
Ducted fans must always be vented outdoors.
CAUTION: For general ventilating use only. Do not use to exhaust hazardous or explosive materials and vapors.
CAUTION: To reduce risk of fire and to properly exhaust air, be sure to duct air outside - do not vent exhaust air into spaces within walls or ceilings, attics or into crawl spaces, or garages.
WARNING: TO REDUCE THE RISK OF FIRE, USE ONLY METAL DUCTWORK.
WARNING: TO REDUCE THE RISK OF A RANGE TOP GREASE FIRE:
- Never leave surface units unattended at high settings. Boilovers cause smoking and greasy spillovers that may ignite. Heat oils slowly on low or medium settings.
Always turn hood ON when cooking at high heat or when flambeing food (i.e. Crepes Suzette, Cherries Jubilee, Peppercorn Beef Flambé).
Clean ventilating fans frequently. Grease should not be allowed to accumulate on fan or filter. - Use proper pan size. Always use cookware appropriate for the size of the surface element.
WARNING: TO REDUCE THE RISK OF INJURY TO PERSONS IN THE EVENT OF A RANGE TOP GREASE FIRE, OBSERVE THE FOLLOWING:a
SMOTHER FLAMES with a close fitting lid, cookie sheet, or metal tray, then turn off the burner. BE CAREFUL TO PREVENT BURNS. If the flames do not go out immediately, EVACUATE AND CALL THE FIRE DEPARTMENT.
NEVER PICK UP A FLAMING PAN - you may be burned.
DO NOT USE WATER, including wet dishcloths or towels - a violent steam explosion will result.
Use an extinguisher ONLY if:
- You know you have a class ABC extinguisher, and you already know how to operate it.
- The fire is small and contained in the area where it started.
- The fire department is being called.
- You can fight the fire with your back to an exit.
^a Based on "Kitchen Fire Safety Tips" published by NFPA.
■ WARNING: To reduce the risk of fire or electrical shock, do not use this fan with any solid-state speed control device.
READ AND SAVE THESE INSTRUCTIONS
INSTALLATION REQUIREMENTS
Tools and Parts
Gather the required tools and parts before starting installation. Read and follow the instructions provided with any tools listed here.
Tools needed
Drill
1 14 (3.0 cm) drill bit
1/8" (3.0 mm) drill bit for pilot holes
Pencil
Wire stripper or utility knife
Tape measure or ruler
Caulking gun and weatherproof caulking compound
Flat-blade screwdriver
Phillips screwdriver
For vented installations, you also need:
Saber or keyhole saw
Vent clamps
Metal snips
- Compass or 8'' (20.3 cm) circle template
Parts supplied
Remove parts from package. Check that all parts are included.
2 - Metal filters
6 - 4.5 x 13 mm mounting screws
3-4x8mm damper screws
31/4'' × 10'' (8.3 x 25.4 cm) damper/vent connector
4-5x45mm screws
4-8x40mmwallanchors
Recirculating kit
- Charcoal filters for non-vented (recirculating) installations. See the "Assistance or Service" section to order replacement filters.
Parts needed
For vented installations:
314 × 10^n (8.3 x 25.4 cm) or 6^n (15.2 cm) or larger round metal venting
- 6'' (15.2 cm) or larger round damper, if using 6'' (15.2 cm) or larger round vent system
3 14'' × 10'' (8.3 x 25.4 cm) to 6'' (15.2 cm) or larger diameter transition piece if using 6'' (15.2 cm) or larger diameter round vent system.
For cabinets with recessed bottoms:
Two 2'' (5.1 cm) wide filler strips. Length and thickness determined by recess dimensions.
Four flat head wood screws or machine screws with washers and nuts (to attach filler strips).
Location Requirements
IMPORTANT: Observe all governing codes and ordinances.
It is the installer's responsibility to comply with installation clearances specified on the model/serial rating plate. The model/serial rating plate is located inside the range hood on the left wall.
- Range hood location should be away from strong draft areas, such as windows, doors and strong heating vents.
- Cabinet opening dimensions that are shown must be used. Given dimensions provide minimum clearance. Consult the cooktop/range manufacturer installation instructions before making any cutouts.
Grounded electrical outlet is required. See "Electrical Requirements" section.
The hood is factory-set for vented installations. For non-vented (recirculating) installations, the Recirculation Kit is included. See the "Assistance or Service" section to order Replacement Charcoal Filters Part Number W10272068.
All openings in ceiling and wall where range hood will be installed must be sealed.
For Mobile Home Installations
The installation of this range hood must conform to the Manufactured Home Construction Safety Standards, Title 24 CFR, Part 328 (formerly the Federal Standard for Mobile Home Construction and Safety, title 24, HUD, Part 280) or when such standard is not applicable, the standard for Manufactured Home Installation 1982 (Manufactured Home Sites, Communities and Setups) ANSI A225.1/NFPA 501A*, or latest edition, or with local codes.
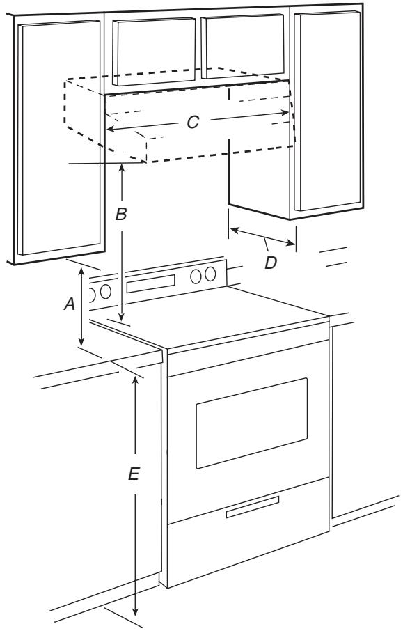
Product Dimensions

Installation Clearances

A. 18'' (45.7 cm) min. clearance - upper cabinet to countertop
B. 24'' (61.0 cm) min. for electric cooking surfaces
27'' (68.6 cm) min. for gas cooking surfaces
30'' (76.2 cm) suggested max. - bottom of range hood to cooking surface
C. 30^ (76.2 cm) or 36^ (91.4 cm) min. cabinet opening width
D. 13'' (33.0 cm) cabinet depth
E. 36^ (91.4 cm) base cabinet height
Venting Requirements
(Vented Models Only)
- Vent system must terminate to the outdoors, except for nonvented (recirculating) installations.
- Do not terminate the vent system in an attic or other enclosed area.
- Do not use a 4'' (10.2 cm) laundry-type wall cap.
Use a 6'' (15.2 cm) or larger round metal vent or a 314'' x 10" (8.3 x 25.4 cm) rectangular metal vent. Rigid metal vent is recommended. Plastic or metal foil vent is not recommended.
The length of vent system and number of elbows should be kept to a minimum to provide efficient performance.
For the most efficient and quiet operation:
Use no more than three 90^ elbows.
Make sure there is a minimum of 24^ (61 cm) of straight vent between the elbows if more than 1 elbow is used.
Do not install 2 elbows together.
Use clamps to seal all joints in the vent system.
The vent system must have a damper. If roof or wall cap has a damper, do not use damper supplied with the range hood.
Use caulking to seal exterior wall or roof opening around the cap.
Cold Weather Installations
An additional back draft damper should be installed to minimize backward cold air flow and a thermal break should be installed to minimize conduction of outside temperatures as part of the vent system. The damper should be on the cold air side of the thermal break.
The break should be as close as possible to where the vent system enters the heated portion of the house.
Makeup Air
Local building codes may require the use of make up air systems when using ventilation systems greater than specified CFM of air movement. The specified CFM varies from locale to locale. Consult your HVAC professional for specific requirements in your area.
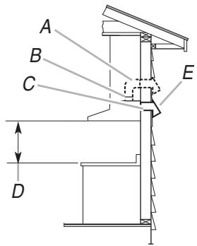
Venting Methods
Vent system can terminate either through the roof or wall. Use 3 14'' × 10'' (8.3 x 25.4 cm) with a maximum vent length of 35 ft (10.7 m) or 6" (15.2 cm) or larger round vent with a maximum length of 50 ft (15.2 m) for vent system.
NOTE: Flexible vent is not recommended. Flexible vent creates back pressure and air turbulence that gently reduces performance.

Roof Venting

Wall Venting
A. 6'' (15.2 cm) or larger round vent or a 3'4''x10'' (8.3 x 25.4 cm) rectangular vent through roof
B. Round vent: use 6'' (15.2 cm) or larger round damper (purchased separately)
C. Round vent: use 3 14 " x 10" (8.3 x 25.4 cm) to 6" (15.2 cm) or larger diameter transition piece (purchased separately)
D. 24^ (61.0 cm) - 30^ (76.2 cm) above electric cooking surface 27^ (68.6 cm) - 30^ (76.2 cm) above gas cooking surface
E. Roof cap
A. 6'' (15.2 cm) or larger round vent or a 3'4'' x 10'' (8.3 x 25.4 cm) rectangular vent through the wall
B. Round vent: use 3 14'' x 10'' (8.3 x 25.4 cm) to 6'' (15.2 cm) or larger diameter transition piece (purchased separately)
C. 3^1/4 x 10" (8.3 x 25.4 cm) through the wall
D. 24^ (61.0 cm)- 30^ (76.2 cm) above electric cooking surface 27^ (68.6 cm)- 30^ (76.2 cm) above gas cooking surface
E. Wall cap
Calculating Vent System Length
To calculate the length of the system you need, add the equivalent feet (meters) for each vent piece used in the system.
6" (15.2 cm) or Larger Round Vent System
| Vent Piece | Round | |
| 45° elbow | 2.5 ft (0.8 m) | |
| 90° elbow | 5.0 ft (1.5 m) | |
| 6" (15.2 cm) or larger wall cap | 0.0 ft (0.0 m) | |
| 3¼" x 10" (8.3 cm x 25.4 cm) to 6" (15.2 cm) or larger | 4.5 ft (1.4 m) | |
| 3¼" x 10" (8.3 cm x 25.4 cm) to 6" (15.2 cm) or larger 90° elbow | 5.0 ft (1.5 m) |
Example vent system

Maximum Recommended Length = 50 ft (15.2 m)
| 1 - 90° elbow | = 5.0 ft (1.5 m) |
| 1 - wall cap | = 0.0 ft (0.0 m) |
| 8 ft (2.4 m) straight | = 8.0 ft (2.4 m) |
Length of 7'' (17.8 cm) system = 13.0 ft (3.9 m)
314'' × 10'' (8.3 cm x 25.4 cm) Vent System
Vent Piece
314'' × 10'' (8.3 cm x 25.4 cm) 5.0 ft
90° elbow (1.5 m)

314'' × 10'' (8.3 cm x 25.4 cm) 12.0 ft flat elbow (3.7 m)

314'' × 10'' (8.3 cm x 25.4 cm) 0.0 ft wall cap (0.0 m)

Example vent system

Maximum Recommended Length = 35 ft (10.7 m)
| 1 - 90° elbow | = 5.0 ft (1.5 m) |
| 8 ft (2.4 m) straight | = 8.0 ft (2.4 m) |
| 1 - wall cap | = 0.0 ft (0.0 m) |
Length of 314'' × 10'' (8.3 cm x 25.4 cm) = 13.0 ft (3.9 m) system
Electrical Requirements
WARNING

Electrical Shock Hazard
Plug into a grounded 3 prong outlet.
Do not remove ground prong.
Do not use an adapter.
Do not use an extension cord.
Failure to follow these instructions can result in death, fire, or electrical shock.
IMPORTANT: The range hood must be electrically grounded in accordance with local codes and ordinances, or in the absence of local codes, with the National Electrical Code, ANSI/NFPA 70 (latest edition) or Canadian Electrical Code, CSA C22.1 No. 0-M91 (latest edition).
If codes permit and a separate ground wire is used, it is recommended that a qualified electrical installer determine that the ground path is adequate.
A copy of the above code standards can be obtained from:
National Fire Protection Association
One Batterymarch Park
Quincy, MA 02269
CSA International
8501 East Pleasant Valley Road
Cleveland, Ohio 44131-5575
A 120 volt, 60 Hz, AC only, 15- or 20-amp, fused electrical circuit is required. A time-delay fuse or circuit breaker is also recommended. It is recommended that a separate circuit serving only this range hood be provided.
This range hood is equipped with a power supply cord having a 3 prong grounding plug.
- To minimize possible shock hazard, the cord must be plugged into a mating, 3 prong, grounding-type outlet, grounded in accordance with local codes and ordinances. If a mating outlet is not available, it is the personal responsibility and obligation of the customer to have the properly grounded outlet installed by a qualified electrician.
- The grounded 3 prong outlet is to be located inside the cabinet above the range hood at a maximum distance of 337/16'' (85.0 cm) from where the power cord exits the hood. See illustration.

GROUNDING INSTRUCTIONS
For a grounded, cord-connected range hood:
This range hood must be grounded. In the event of an electrical short circuit, grounding reduces the risk of electric shock by providing an escape wire for the electric current. This range hood is equipped with a cord having a grounding wire with a grounding plug. The plug must be plugged into an outlet that is properly installed and grounded.
WARNING: Improper grounding can result in a risk of electric shock.
Consult a qualified electrician if the grounding instructions are not completely understood, or if doubt exists as to whether the range hood is properly grounded.
Do not use an extension cord. If the power supply cord is too short, have a qualified electrician install an outlet near the range hood.
SAVE THESE INSTRUCTIONS
INSTALLATION INSTRUCTIONS
Prepare Location
NOTE: For vented installations, it is recommended that the vent system be installed before hood is installed.
Before making cutouts, make sure there is proper clearance within the ceiling or wall for exhaust vent.
- For vented installations, determine which venting method to use: roof or wall.
- Select a flat surface for assembling the range hood. Place covering over that surface.
WARNING
Excessive Weight Hazard
Use two or more people to move and install range hood.
Failure to do so can result in back or other injury.
- Using 2 or more people, lift the range hood and set it upside down onto covered surface.
- If cabinet has recessed bottom, add wood filler strips on each side. Install screws to attach filler strips in locations shown.

Determine Wiring Hole Location
Cut only one 1 14 (3.2 cm) diameter wiring access hole. See Step 2 for wiring hole location instructions.
- Determine and clearly mark a vertical centerline on the wall and cabinet in the area the vent opening will be made.

A. Centerline
2. To wire through top:
Mark a line distance "A" from the left of the centerline on the underside of the cabinet. Mark the point on this line that is 2'' (5.0 cm) from back wall. Drill a 114 (3.0 cm) diameter hole through the cabinet at this point.

A. 12^ (30.5 cm) for 30^ (76.2 cm) models 1214'' (31.1 cm) for 36'' (91.4 cm) models
Style 1 - Cut Openings for 3 14'' x 10'' (8.3 cm x 25.4 cm) Rectangular Vent System
Roof Venting
To make a 4 14'' x 10 12'' (10.8 cm x 26.7 cm) rectangular cutout on the underside of cabinet top and bottom:
- Mark lines 12 (1.2 cm) and 434 (12.1 cm) from the back wall on the centerline of the underside of cabinet.
- Mark lines 5 14 (13.3 cm) to the right and left of the centerline on the underside of cabinet.
- Use saber or keyhole saw to cut a rectangular opening for vent.
- Repeat steps 1-3 for the underside of the top of the cabinet.

*From wall, not cabinet frame
Wall Venting
To make a 312'' x 1012'' (8.9 cm x 26.7 cm) rectangle in the wall:
- Make 2 lines by measuring 38 (9.5 mm) and 38 (9.8 cm) down from underside of cabinet and mark on the centerline on the back wall.
- Mark lines 5 14 (13.3 cm) to the right and left of the centerline on the wall.
- Use saber or keyhole saw to cut a rectangular opening in the wall for the vent.

Style 2 - Cut Openings for 3 14'' × 10'' (8.3 x 25.4 cm) Rectangular Vent to Round Vent Transition
Roof Venting
To make a 4 14'' x 10 12'' (10.8 cm x 26.7 cm) rectangular cutout on the underside of cabinet bottom:
- Mark lines 12 (1.2 cm) and 434 (12.1 cm) from the back wall on the centerline of the underside of cabinet.
-
Mark lines 5 14 (13.3 cm) to the right and left of the centerline on the underside of cabinet.
-
Use saber or keyhole saw to cut a rectangular opening for vent.

*From wall, not cabinet frame
To make a circular vent opening on the underside of the cabinet top:
- Mark a centerline on the underside of the top of cabinet.
- Mark a line 5'' (12.7 cm) from the back wall on the underside of the top of cabinet.
- Use a compass or a circle template to draw a circle with a diameter that is 14 (0.64 cm) larger than the vent.
- Use saber or keyhole saw to cut the circular vent opening.

Install Vent System
- Install vent through the vent opening in upper cabinet or wall. Complete venting system according to the selected venting method. See "Venting Requirements" section.
-
Use caulking to seal exterior wall or roof opening around the cap.
-
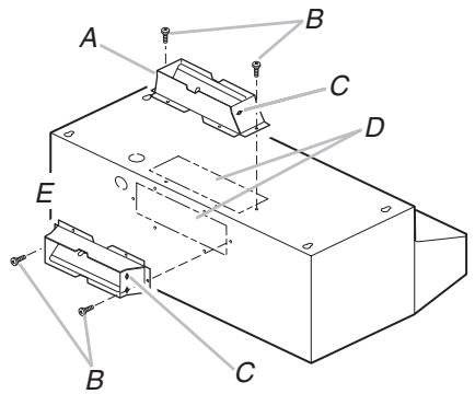
Remove the grease filters. See the "Range Hood Care" section.

- Remove mounting screws and lateral supports.

A. Lateral supports
B. Mounting screws
3. For vented installations:
Depending on your installation, remove either top or rear rectangular vent knockout. If using round vent, remove top rectangular knockout.
NOTE: Do not remove rectangular knockouts if installation of range hood is to be non-venting (recirculating).
Make sure damper pivot is nearest to top/back edge of range hood.
Remove tape from damper flap.
NOTE: The exhaust adaptor/damper can be installed up to 1" (2.5 cm) on either side of the hood center to accommodate off-center ductwork.
If using rectangular vent, attach rectangular damper/vent connectors to the range hood using sheet metal screws.

A. Vertical vent
B. Sheet metal screws
C. Hinge pin
D. Vent knockouts
E. Horizontal vent
If using round vent, attach vent transition piece (purchased separately) to range hood top using sheet metal screws.
NOTE: If the wall cap is directly behind the vent connector, the dampers in the connector and wall cap must not interfere with each other. Remove the vent connector damper if they interfere.
- Lift the range hood up under cabinet and determine final location by centering beneath cabinet. Mark on the underside of cabinet the location of the 4 keyhole mounting slots on the range hood. Set range hood aside on a covered surface.

A. Keyhole slot
- Use 18 (3 mm) drill bit and drill 4 pilot holes as shown.

A. Drill pilot hole
- Install the 4 - #10 x 5 18 '' mounting screws in pilot holes. Leave about 1 / 4 '' (6.4 cm) space between screw heads and cabinet to slide range hood into place.

7. For non-vented (recirculating) installations:
Remove screws and rear support.

A. Rear support
- Remove the blower mounting screws. Push up on the blower to detach the blower from the mounting plate.
Remove the vent knockout from the front mounting plate.

A. Front mounting plate knockout
B. Blower mounting screws
C. Blower
- Rotate the blower and attach to front mounting plate. Install the blower mounting screws.

A. Front mounting plate
B. Blower mounting screws
Install charcoal filters. See the "Range Hood Care" section.
- Using 2 people, lift range hood into final position, feeding electrical wire through wiring opening. Position the range hood so that the large end of the keyhole slots are over the screws. Then push the hood toward the wall so that the screws are in the neck of the slots. Tighten mounting screws to cabinet, making sure mounting screws are in narrow neck of slots.
- Check that damper, if used, rotates up and down freely.
-
Reinstall the rear support.
-
Replace the 2 lateral supports.
- Replace filters. See the "Range Hood Care" section.
WARNING

Electrical Shock Hazard
Plug into a grounded 3 prong outlet.
Do not remove ground prong.
Do not use an adapter.
Do not use an extension cord.
Failure to follow these instructions can result in death, fire, or electrical shock.
- Plug 3-prong power cord into a grounded 3-prong outlet located inside the cabinet above the range hood.
14. For Vented Installations Only:
Connect ventwork to hood. Seal joints with clamps to make secure and airtight.
Complete Installation
- Replace grease filters. See the "Range Hood Care" section.
- Check the operation of the range hood fan and light. See "Range Hood Use" section.
If range hood does not operate, check to see whether a circuit breaker has tripped or a household fuse has blown. Disconnect power and check wiring connections.
NOTE: To get the most efficient use from your new range hood, read the "Range Hood Use" section.
RANGE HOOD USE
The range hood is designed to remove smoke, cooking vapors and odors from the cooktop area. For best results, start the hood before cooking and allow it to operate several minutes after the cooking is complete to clear all smoke and odors from the kitchen.
The hood controls are located on the center of the range hood.

A. Halogen lamp housings
B. Grease filter handle
C. Blower and light controls
D. Grease filter
Range Hood Controls





A. On/Off light button
B. Blower Off button
C. Blower speed minimum button
D. Blower speed medium button
E. Blower speed maximum button
Operating the light
The On/Off light button controls both lights. Press once for On and again for Off.
Operating the blower
The Blower Speed buttons turn the blower on and control the blower speed and sound level for quiet operation. The speed can be changed anytime during fan operation by pressing the desired blower speed button.
The Blower Off button turns the blower Off.
RANGE HOOD CARE
Cleaning
IMPORTANT: Clean the hood and grease filters frequently according to the following instructions. Replace grease filters before operating hood.
Exterior Surfaces:
To avoid damage to the exterior surface, do not use steel wool or soap-filled scouring pads.
Always wipe dry to avoid water marks.
Cleaning Method:
Liquid detergent soap and water, or all-purpose cleanser
Wipe with damp soft cloth or nonabrasive sponge, then rinse with clean water and wipe dry.
Metal Grease Filter:
- Remove each filter by pulling the spring release handle and then pulling down the filter.

A. Spring release handle
- Wash metal filters as needed in dishwasher or hot detergent solution.
- Reinstall the filter by making sure the spring release handles are toward the front. Insert aluminum filter into upper track.
- Push in spring release handle.
- Push up on metal filter and release handle to latch into place.
- Repeat steps 1-5 for the other filter.
Non-Vented (recirculating) Installation Filters:
The charcoal filter is not washable. It should last up to six months with normal use. Replace with Charcoal Filter Kit Number W10272068.
To replace charcoal filter:
- Cover the grill that protects the blower motor with the charcoal filter so that the slots on the filter correspond to the pins on the sides of the motor protection grill.

A. Charcoal filter
B.Pins
C. Blower motor
- Turn the charcoal filter clockwise to lock it.
- Repeat steps 1-2 on the other filter.
Replacing a Halogen Lamp
Turn off the range hood and allow the halogen lamp to cool. To avoid damage or decreasing the life of the new bulb, do not touch bulb with bare fingers. Replace bulb, using tissue or wearing cotton gloves to handle bulb.
If new lamps do not operate, make sure the lamps are inserted correctly before calling service.
- Disconnect power.
- Push up on the lens and turn it counterclockwise.

- Remove the bulb and replace it with a 120-volt, 50-watt maximum halogen bulb with a GU10 base. Turn it clockwise to lock it into place.
- Repeat steps 2-3 for the other bulb if needed.
- Reconnect power.

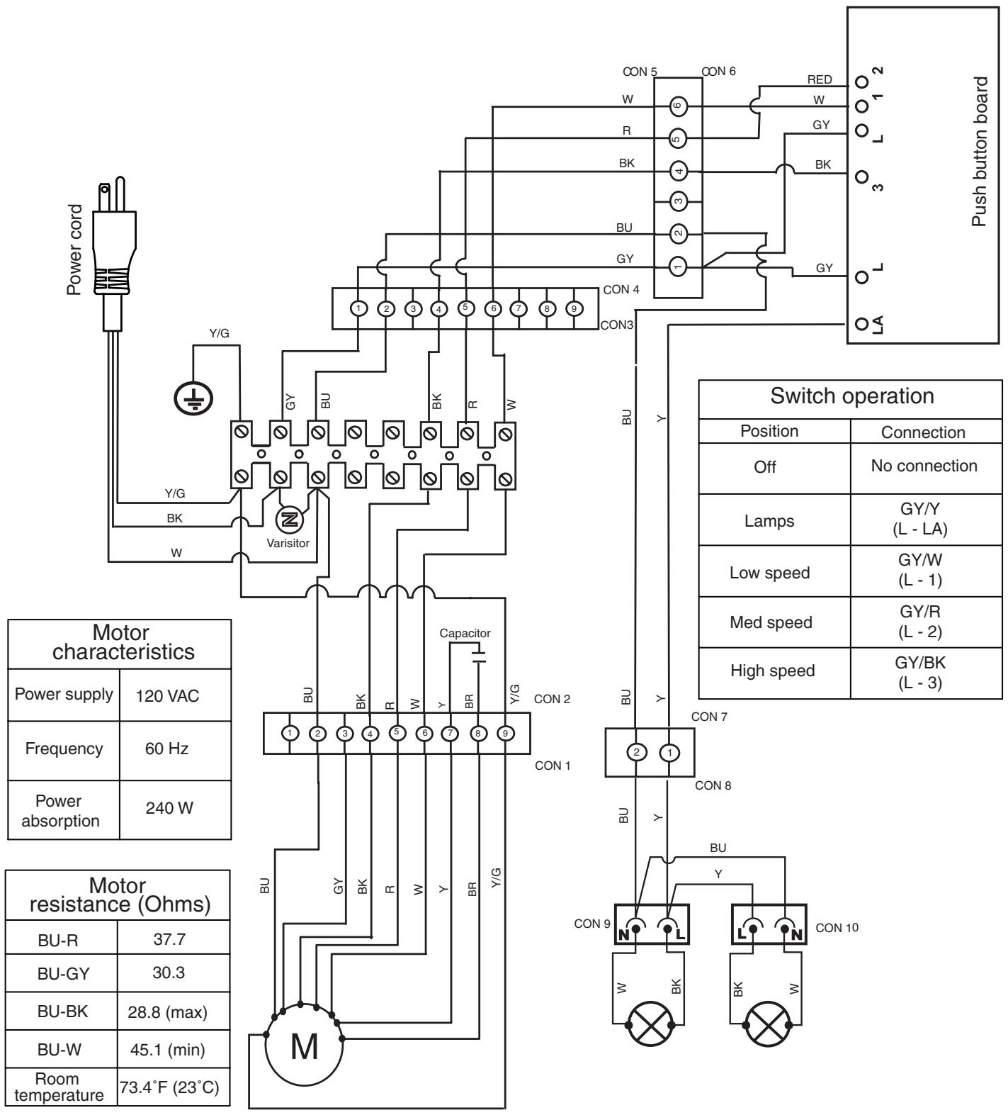
WIRING DIAGRAM
ASSISTANCE OR SERVICE
When calling for assistance or service, please know the purchase date and the complete model and serial number of your appliance. This information will help us to better respond to your request.
If you need replacement parts
If you need to order replacement parts, we recommend that you use only factory specified parts. Factory specified parts will fit right and work right because they are made with the same precision used to build every new appliance. To locate factory specified replacement parts in your area, call us or your nearest designated service center.
In the U.S.A.
Call the Whirlpool Customer eXperience Center toll free: 1-800-253-1301.
Our consultants provide assistance with:
Features and specifications on our full line of appliances.
Installation information.
Use and maintenance procedures.
■ Accessory and repair parts sales.
Specialized customer assistance (Spanish speaking, hearing impaired, limited vision, etc.).
Referrals to local dealers, repair parts distributors and service companies. Whirlpool designated service technicians are trained to fulfill the product warranty and provide after-warranty service, anywhere in the United States.
To locate the Whirlpool designated service company in your area, you can also look in your telephone directory Yellow Pages.
For further assistance
If you need further assistance, you can write to Whirlpool Corporation with any questions or concerns at:
Whirlpool Brand Home Appliances Customer eXperience Center 553 Benson Road Benton Harbor, MI 49022-2692
Please include a daytime phone number in your correspondence.
In Canada
Call the Whirlpool Canada LP Customer eXperience Centre toll free: 1-800-807-6777.
Our consultants provide assistance with:
Features and specifications on our full line of appliances.
Use and maintenance procedures.
■ Accessory and repair parts sales.
- Referrals to local dealers, repair parts distributors, and service companies. Whirlpool Canada LP designated service technicians are trained to fulfill the product warranty and provide after-warranty service, anywhere in Canada.
For further assistance
If you need further assistance, you can write to Whirlpool Canada LP with any questions or concerns at:
Customer eXperience Centre
Whirlpool Canada LP
200 - 6750 Century Ave.
Mississauga, Ontario L5N 0B7
Please include a daytime phone number in your correspondence.
Accessories
Replacement Charcoal Filter Kit (2 Pack of Filters)
(for non-vented installations only)
Order Part Number W10272068
WHIRLPOOL CORPORATION MAJOR APPLIANCE WARRANTY
LIMITED WARRANTY
For one year from the date of purchase, when this major appliance is operated and maintained according to instructions attached to or furnished with the product, Whirlpool Corporation or Whirlpool Canada LP (hereafter "Whirlpool") will pay for Factory Specified Parts and repair labor to correct defects in materials or workmanship. Service must be provided by a Whirlpool designated service company. This limited warranty is valid only in the United States or Canada and applies only when the major appliance is used in the country in which it was purchased. Outside the 50 United States and Canada, this limited warranty does not apply. Proof of original purchase date is required to obtain service under this limited warranty.
ITEMS EXCUSED FROM WARRANTY
This limited warranty does not cover:
- Service calls to correct the installation of your major appliance, to instruct you on how to use your major appliance, to replace or repair house fuses, or to correct house wiring or plumbing.
- Service calls to repair or replace appliance light bulbs, air filters or water filters. Consumable parts are excluded from warranty coverage.
- Repairs when your major appliance is used for other than normal, single-family household use or when it is used in a manner that is contrary to published user or operator instructions and/or installation instructions.
- Damage resulting from accident, alteration, misuse, abuse, fire, flood, acts of God, improper installation, installation not in accordance with electrical or plumbing codes, or use of consumables or cleaning products not approved by Whirlpool.
- Cosmetic damage, including scratches, dents, chips or other damage to the finish of your major appliance, unless such damage results from defects in materials or workmanship and is reported to Whirlpool within 30 days from the date of purchase.
- Any food loss due to refrigerator or freezer product failures.
- Costs associated with the removal from your home of your major appliance for repairs. This major appliance is designed to be repaired in the home and only in-home service is covered by this warranty.
- Repairs to parts or systems resulting from unauthorized modifications made to the appliance.
- Expenses for travel and transportation for product service if your major appliance is located in a remote area where service by an authorized Whirlpool servicer is not available.
- The removal and reinstallation of your major appliance if it is installed in an inaccessible location or is not installed in accordance with published installation instructions.
- Major appliances with original model/serial numbers that have been removed, altered or cannot be easily determined. This warranty is void if the factory applied serial number has been altered or removed from your major appliance.
The cost of repair or replacement under these excluded circumstances shall be borne by the customer.
DISCLAIMER OF IMPLIED WARRANTY; LIMITATION OF REMEDIES
CUSTOMER'S SOLE AND EXCLUSIVE REMEDY UNDER THIS LIMITED WARRANTY SHALL BE PRODUCT REPAIR AS PROVIDED HEREIN. IMPLIED WARRANTYES, INCLUDING WARRANTYES OF MERCHANTABILITY OR FITNESS FOR A PARTICULAR PURPOSE, ARE LIMITED TO ONE YEAR OR THE SHORTEST PERIOD ALLOWED BY LAW. WHIRLPOOL SHALL NOT BE LIABLE FOR INCIDENTAL OR CONSEQUENTIAL DAMAGES. SOME STATES AND PROVINCES DO NOT ALLOW THE EXCLUSION OR LIMITATION OF INCIDENTAL OR CONSEQUENTIAL DAMAGES, OR LIMITATIONS ON THE DURATION OF IMPLIED WARRANTYES OF MERCHANTABILITY OR FITNESS, SO THESE EXCLUSIONS OR LIMITATIONS MAY NOT APPLY TO YOU. THIS WARRANTY GIVES YOU SPECIFIC LEGAL RIGHTS, AND YOU MAY ALSO HAVE OTHER RIGHTS WHICH VARY FROM STATE TO STATE OR PROVINCE TO PROVINCE.
If outside the 50 United States and Canada, contact your authorized Whirlpool dealer to determine if another warranty applies.
If you need service, first see the "Troubleshooting" section of the Use & Care Guide. After checking "Troubleshooting," you may find additional help by checking the "Assistance or Service" section or by calling Whirlpool. In the U.S.A., call 1-800-253-1301. In Canada, call 1-800-807-6777.
Keep this book and your sales slip together for future reference. You must provide proof of purchase or installation date for in-warranty service.
Write down the following information about your major appliance to better help you obtain assistance or service if you ever need it. You will need to know your complete model number and serial number. You can find this information on the model and serial number label located on the product.
Dealer name
Address
Phone number
Model number
Serial number
Purchase date
SECURITE DE LA HOTTE DE CUISINIÈRE
National Fire Protection Association
One Batterymarch Park
Quincy, MA 02269
CSA International
8501 East Pleasant Valley Road
Cleveland, Ohio 44131-5575
EasyManual