Gastroline 12V - Fritteuse Saro - Kostenlose Bedienungsanleitung
Finden Sie kostenlos die Bedienungsanleitung des Geräts Gastroline 12V Saro als PDF.
Benutzerfragen zu Gastroline 12V Saro
0 Frage zu diesem Gerät. Beantworten Sie die, die Sie kennen, oder stellen Sie Ihre eigene.
Eine neue Frage zu diesem Gerät stellen
Laden Sie die Anleitung für Ihr Fritteuse kostenlos im PDF-Format! Finden Sie Ihr Handbuch Gastroline 12V - Saro und nehmen Sie Ihr elektronisches Gerät wieder in die Hand. Auf dieser Seite sind alle Dokumente veröffentlicht, die für die Verwendung Ihres Geräts notwendig sind. Gastroline 12V von der Marke Saro.
BEDIENUNGSANLEITUNG Gastroline 12V Saro
BETRIEBSANLEITUNG FÜR FRITTEUSE
Gastroline 9V/9+9V/12V/12+12V/12VS/12+12VS
OPERATING INSTRUCTIONS FOR DEEP FRYER
Gastroline 9V / 9 + 9V / 12V / 12 + 12V / 12VS / 12 + 12VS
ISTRUZIONI PER L'USO DELLA FRIGGITRICE
Gastroline 9V / 9 + 9V / 12V / 12 + 12V / 12VS / 12 + 12VS
MODE D'EMPLOI DE LA FRITEUSE
Gastroline 9V / 9 + 9V / 12V / 12 + 12V / 12VS / 12 + 12VS

GASTROLINE 12+12VS (172-4055)
Einleitung / introduction 3
Normen und Richtlinien / standards and directives. 3
Wichtiger Hinweis / important information 4
Technische Angaben GASTROLINE 9V / 9+9V / Technical specifications GASTROLINE 9V / 9+9V.5
Technische Angaben GASTROLINE 12V/12+12V/Technical specifications GASTROLINE 12V/12+12V.5
Technische Angaben GASTROLINE 12VS / 12+12VS / Technical specifications GASTROLINE 12VS / 12+12VS.6
Rechte und Pflichten des Herstellers / Rights and obligations of the manufacturer 6
Allgemeine Hinweise / General information 7
Sicherheitshinweise / safety information 8
Installationsanweisungen / installation instructions 9
Gebrauchsanweisung / operating instruction 10
Einschalten / turning on. 10
Ausschalten / turning off 11
Wartung / servicing 12
Funktionsprobleme / functioning problems. 12
Stromaufplan 9V/9+9V/circuit diagram 9V/9+9V 13
Stromaufplan 12V / 12+12V / circuit diagram 12V / 12+12V. 14
Stromaufplan 12VS / 12+12VS / circuit diagram 12VS / 12+12VS 15
Verpackungs-Entsorgung / packaging disposal 16
Geräte-Entsorgung / device disposal 16
CONTENTO / CONTENU
Introduzione / introduction 17
Portata di conseagna / Etendue des fournitures 17
Norme e dirittive / Normes et directives 17
Nota importante / Remarque importante 18
Spiegazione di Simboli / Explication des symboles 18
Data tecnici GASTROLINE 9V/9+9V/Données techniques GASTROLINE 9V/9+9V 19
Data tecnici GASTROLINE 12V/12+12V/Données techniques GASTROLINE 12V/12+12V 19
Data tecnici GASTROLINE 12VS / 12+12VS / Données techniques GASTROLINE 12VS / 12+12VS 20
Dritti e obblighi del fabbricantes / Droits et obligations du fabricant 20
Informazioni generali / Informations generales. 21
istruzioni di sicurezza / consignes de sécurité 22
Istruzioni per Linstallazione / Instructions de montage 23
Istruzioni per Luso / Mode D'employi 24
Accensione/Allumage. 24
Spegnimento / Extinction 25
Manutenzione / Entretien 26
Irregolarità di funzionamento / Problemes de fonctionnements 26
Schema circuitale 9V / 9 + 9V / Schema circuitale 9V / 9 + 9V 27
Schema circuitale 12V / 12 + 12V /Schema circuitale 12V / 12 + 12V 28
Schema circuitale 12VS / 12+12VS / Schema circuitale 12VS / 12+12VS. 29
Smaltimento degli imballaggi / Gestion des emballages. 30
Smaltimento delle Apparecchiature / Recyclage 30
EINLEITUNG
Bevor Sie these Gerät in Betrieb besteht,esen Sie diese Bedienungsanleitung sorgfältig und aufmerksam und beachten Sie die darin gegebenen Hinweise.
In dieser Bedienungsanleitung erhalten Sie Informationen zum Aufbau, zur Einrichtung, zum Betrieb, zur Wartung, zur Reinigung und zur etwaigen Entsorgung deses Gerätes.
These Bedienungsanleitung ist Bestandteil des Gerätes und sollte, für alle Personen, die mit der Installation, dem Betrieb, der Reinigung oder der Wartung these Gerätes zu tun haben, jederzeit zugänglich, in der Nähdes Gerätes, aufbewahrt werden.
Bei der Weiterergabe des Gerätes an Dritte, muss diese Bedienungsanleitung mitgegeben werden.
Abbildungen in dieser Anleitung können vom Original Antikel abweichen. Technische Änderungen am Gerät behalten wir uns vor.
Bei Nichtbeachtung dieser Bedienungsanleitung ist die Sicherheit des Gerätes nicht mehr gewährleistet. Der Hersteller/Händler kann nicht verantwortlich gemacht werden für Schäden, die durch die Nichtbeachtung dieser Bedienungsanleitung entstehen.
INTRODUCTION
Achtung! These Fritteusen weren for den gewerblichen Einsatz entwickelt und gebaut. Sie sind lediglich bestimmt, für die Frittierung von Fritteusengeigneten Lebensmitteln.
- 1 Fritteuse
- 1 Fritteusenkorb bzw 2 Fritteusenkörbe
1 Deckel bzw 2 Deckel - 1 Betriebsanleitung
SCOPE OF DELIVERY
NORMEN UND RICHTLINIEN
Das Gerät entspricht den aktuellen Normen und Richtlinien der EU. Bei Bedarf setzen wir Ihnen die entsprechende Konformitätserklärung zukommen.
STANDARDS AND DIRECTIVES
Die Sicherheitshinweise in dieser Gebrauchsanweisung sind mit entsprechenden Symbolen versehen. Diese weisen auf mögliche Gefahrenhin. Die zugehörigen Informationen sind unbedingt zu lesen und zu beachten!
IMPORTANT INFORMATION
SYMBOLERKLÄRUNG / EXPLANATION OF SYMBOLS

WARNING!
Dieses Symbol kennzeichnet Gefahren, die zu Verletzungen führen können. Halten Sie die angegebenen Hinweise zur Arbeitssicherheit unbedingt eigenen ein und verhalten Sie sich in diesen Fällen besonders vorsichtig.
WARNING!
Dieses Symbol macht auf gefährliche Situatio- onen durch elektrischen Strom aufmerksam. Bei Nichtbeachten der Sicherheitshinweise besteht Verletzungs- oder Lebensgefahr!
WARNING: DANGER DUE TO ELECTRIC CURRENT!
WARNING: HEISSE OBERFLÄCHE! VERBRENNUNGSGEFAHR!
- Einige Komponenten des Suppen- und Thekenkessel werden, während des Betriebes, sehr heißt! Es besteht die Gefahr von Verbrennungen beim Berühren dieser Komponenten.
WARNING: HOT SURFACE! RISK OF BURNING!
TECHNISCHE ANGABEN / TECHNICAL SPECIFICATIONS
| MODELL GASTROLINE 9V GASTROLINE 9+9V | ||
| Bestell Nr. Order No. | 172-4020 172-4025 | |
| Material Gehäuse Housing material | Edelstahl stainless steel | Edelstahl stainless steel |
| Material Friteusenkorb material fryer basket | Edelstahl stainless steel | Edelstahl stainless steel |
| Abmessungen (mm) Dimensions (mm) | B 300 x T 540 x H 310 W 300 x D 540 x H 310 | B 600 x T 540 x H 310 W 600 x D 540 x H 310 |
| Korb (mm) / Basket (mm) | B 185 x T 245 x H 110 W 185xD 245 x H 110 | B 185 x T 245 x H 110 W 185xD 245 x H 110 |
| Anschluss (V / Ph. / Hz. / kW) Connection (V/Ph./Hz./kW) | 400 / 3 / 50 / 6 400 / 3/50 / | 2 x 6 |
| Temperatur: Temperatur: | 0 / +180 °C 0 / +180 °C | |
| Gewicht / weight 14 kg 26 kg | ||
| Volumen (l) / volume (l) 9 2 x 9 | ||
| EAN-Code / EAN-code 4017337 1729 | 86 4017337 172993 | |
Technische Änderungen vorbehalten.
Subject to technical modifications.
Stufenlose Temperatureinstellung
Abgerundetes, herausnehmbares Becken mit Kaltezone
- Herausnehmbare Heizelemente erfolglichen eine problemlose Reinigung
Mit Ablasshahn (Auslauf abnehmbar)
- Sicherheitsthermostat
Technische Änderungen vorbehalten.
Subject to technical modifications.
Stufenlose Temperatureinstellung
Abgerundetes, herausnehmbares Becken mit Kältezone
- Herausnehmbare Heizelemente erhöglicheneine problemlose Reinigung
Mit Ablasshahn (Auslauf abnehmbar)
- Sicherheitsthermostat
TECHNISCHE ANGABEN / TECHNICAL SPECIFICATIONS
| MODELL GASTROLINE 12VS GASTROLINE 12+12VS | ||
| Bestell Nr. Order No. | 172-4050 172-4055 | |
| Material Gehäuse Housing material | Edelstahl stainless steel | Edelstahl stainless steel |
| Material Friteusenkorb material fryer basket | Edelstahl stainless steel | Edelstahl stainless steel |
| Abmessungen (mm) Dimensions (mm) | B 400 x T 700 x H 850 W 400 x D 700 x H 850 | B 800 x T 700 x H 850 W 800 x D 700 x H 850 |
| Korb (mm) / Basket (mm) | B 230 x T 280 x H 120 W 230 x D 280 x H 120 | B 230 x T 280 x H 120 W 230 x D 280 x H 120 |
| Anschluss (V / Ph. / Hz. / kW) Connection (V / Ph. / Hz. / kW) | 400 / 3 / 50 / 9 400 / 3 / 50 | 2 x 9 |
| Temperatur: Temperatur: | 0 / +180 °C 0 / +180 °C | |
| Gewicht / weight 25 kg 59 kg | ||
| Volumen (l) / volume (l) 12 2 x 12 | ||
| EAN-Code / EAN-code 4017337 1730 | 44 4017337 173051 | |
Technische Änderungen vorbehalten.
Stufenlose Temperatureinstellung
Abgerundetes, herausnehmbares Becken mit Kältezone
Herausnehmbare Heizelemente erfolglichen eine problemlose Reinigung
Mit Ablasshahn (Auslauf abnehmbar)
- Sicherheitsthermostat
RECHTE UND PFLICHTEN DES HERSTELLERS
Der Hersteller kann nicht verantwortlich gemacht werden für Schaden, die durch Personen oder Dinge wie folgt verursicht werden:
- Nichtbeachtung dieser Bedienungsanweisung
- Nicht vorgesehene Art des Gebrauchs oder Gebrauch durch nicht geschultes Personal.
- Ungeeignete Aufstellungsplatz.
- Änderungen am Gerät oder Reparaturen von nicht qualifiziertem Personal.
- Gebrauch von Ersatzteilen, die nicht original sind.
Vor der ersten Inbetriebnahme, lessen Sie diese Betriebsanleitung sorgfältig und beachten Sie die darin gegebenen Hinweise.
- Bewahren Sie diese Betriebsanleitung griffbereit, in der Nähe des Gerätes auf.
- Der Hersteller/Handler kann nicht verantwortlich gemacht werden für Schäden, die durch Nichtbeachtung dieser Bedienungsanleitung entstehen.
- Bei Nichtbeachtung dieser Bedienungsanleitung ist die Sicherheit des Gerätes nicht mehr gewährleistet.
- Bei der Weitergabe des Gerätes an Dritte muss diese Bedienungsanleitung mitgegeben werden.
- Dieses Gerät darf nicht von Kindern oder Personen mit eingeschränkten körperlichen, sensorischen oder geistigen Fähigkeiten bedient werden, da diese die Gefahren bei Benutzung von Elektrogeräten und/oder Kühlgeräten nicht erkennen und es zu Unfallen, Branden, Explosionen oder Sachbeschädigungenkommen kann.
- Benutzen Sie das Gerät nicht im Freien bei Regen und nicht in feuchten Räumen.
- Nach dem Auspacken des Gerätes vergewissern Sie sich, dass sich alles in einwandfreiem Zustand befindet. Sollten Sie Beschädigungen entdecken, so schlieben Sie das Gerät nicht an, sondern benachrichtigen Sie ihren Handler.
- Prufen Sie, ob alle, im Lieferumfang angegebenen Komponenten,vorhanden sind.Solle dem nicht so sein, benachrichtigen Sie ihren Handler.
- Beachten Sie, dass alle Bestandteile der Verpackung (Plastikbeutel, Karton, Styroporteile, usw.) Kinder gefährden können und deshalb nicht in deren Nähel gelagert werden dürfen.
- Stellen Sie das Gerät an einem trockenen und ausreichend belufteten Ort auf.
- Dieses Gerätarf nur für das Backen von Speisen in Öl verwendet werden.
Das Gerät ist unter einer Absaugkappe aufzustellen, deren Merkmale mit den Normen UNI-CIG 7129 und 8723 übereinstimmen.
- Der Hersteller haftet nicht für:
-
Eventuelle Schäden, die auf Nichtbeachten der Installation-und Gebrauchsanweisung oder auf einen unsachgemäßigen Gebrauch des Gerätes zurückzuführen sind.
-
Eventuelle Ungenauigkeiten in thisem Heft, die auf Übersetzungs-und/oder Druckfehlern berufen. Der Hersteller behält sich dasrecht vor, für erforderlich gehaltene Abänderungen an dem Gerät vorzunehmen, ohne daß die grundlegenden Eigenschaften beeinträchtigt werden.
GENERAL INFORMATION
Das Gerät ist nur zum frittieren von Lebensmitteln bestimmt. Missbrauchlicher Einsatz kann zu Schäden führen und zum Verlust der Garantie.
Niemals Fett und Ole mischen, die Fritteuse konnte überschäumen. Auch das Mischen verschiedener Ölund Fettsorten unterinander ist gefährlich!
- Beachten Sie die für den Einsatzbereich geltenden Unfallverhütungsvorschriften und die allgemeinen Sicherheitsbestimmungen.
- Sorgen Sie für einen sicheren Stand auf einem trockenen, dem Gewicht des Gerätes entsprechend ausreichenden, rutschfesten Untergrund.
- Stellen Sie das Gerät nicht auf eine heiße Oberfläche.
- Bevor Sie das Gerät bewegen, ziehen Sie den Netzstecker.
- Versetzen Sie das Gerät niemals, wenn es eingeschaltet ist.
- Achten Sie darauf, dass das Gerät beim Bewegen nicht kippt. Dies könnte zu Verletzungen führen wenn heiβes Fett oder Öl ausläuft.
- Lassen Sie das Netzkabel nicht über scharfe Kanten hangen und halten Sie es fern von bereits Gegenständen und offen den Flammen.
- Beschädigen oder modifizieren Sie das Netzkabel nicht,ziehen Sie nicht daran, belasten, verbiegen oder quetschen Sie es nicht, verdrehen Sie es nicht und rolten Sie es nicht auf.
- Schützen Sie das Gerät vor Feuchtigkeit.
- Reinigen Sie das Gerät nicht mit einem offenen Wasserstrahl.
- Während des Betriebs kann die Oberfläche des Gerätes geben werden. Stellen Sie deshalb nichts auf das Gerät.
- Sollte das Gerät Feuer fangen, versuchen Sie auf keinen Fall die Flammen mit Wasser zu Löschen. Ersticken Sie die Flammen mit einem feuchten Tuch.
- Bewegen Sie das Gerät nicht, wenn das Fett flüssig/heiß ist.
- Befüllen Sie den Korb außerhalb der Fritteuse, um Spritzer zu vermeiden.
- Benutzen Sie zum Frittieren immer den Frittierkorb.
- Niemals Fett und Öl mischen, die Fritteuse konnte über-schäumen. Auch das Mischen verschiedener Öl- und-Fettsorten unterinander ist gefährlich!
Fugen Sie dem Öl niemals Wasser hinzu! - Verwenden Sie zum Betrieb des Gerätes nur die davon vorgesehenen Original Teile.
- Keine Bedienung des Gerätes durch Kinder oder Personen mit eingeschränkten körperlichen, sensorischen oder geistigen Fähigkeiten; oder Mangel an Erfahrung und/oder Wissen. Diese Personen können die Gefahren bei der Benutzung von Elektrogeräten und/oder Geräten, welche Hitze erzeugen, nicht erkennen und es kann zu Unfallen, Verbrennungen oder Sachsbeschädigung kommt.
- Öle konnen bei Überhitzung brennen. Seien Sie vorsichtig! Vergessen Sie nicht, das Gerät nach dem Betrieb auszuschalten!
In folgenden Fällen muss das Gerät vom Netz getrennt-sein: a) vor jeder Reinigung b) wenn Sie es nicht benutzen - Um das Gerät vom Stromnetz zu trennen,ziehen Sie den Netzstecker.
- Ziehen Sie das Netzkabel immer nur am Netzstecker aus der Steckdose.
- Fassen Sie das Gerät, das Kabel oder den Stecker nie mit feuchten Händen an.
- Benutzen Sie keine Veränderungskabel und Adapter.
- Im Falle einer Störung oder Fehlfunktion, schalten Sie das Gerät aus undziehen Sie den Stecker aus der Steckdose. Benachrichtigen Sie ihren Handler. Er wird die Reparaturmit Originalersatzteilen ausführten.
SAFETY INFORMATION
INSTALLATIONSANWEISUNGEN
Das Typenschild ist an der Geräterückseite angebracht (fig. 1).
Struktur aus Edelstahl, abbaubar. Betriebsthermostat, Sicherheitsthermostat, Ein/Aus-Leuchtschalter, Kontrolleuche, Olablass mit hersausziehbarem Becken oder mittels Ablasshahn.
Die Schutzfolie entfern.
ELEKTRISCHE SICHERHEITSVORSCHRIFTEN
Es sind die nachstehenden Vorschriften zu befolgen:
übereinstimmung zwischen Netzspannung und der auf dem technischen Schild angegebenen Spannung.
Anschluss an ein Äquipotentialsystem. Der Stromanschluss hat von kompetenfen Fachmannern gemäß der CEI-NORMEN zu erfolgen. Das Stromkabel muß derart positioniert werden, daß es an keinem Punkt eine um über 50^ über der Raumtemperatur liegende Temperatur erreicht.
Vor dem Anschluss ist sicherzustellen, daß die für den Anschluss verwendete Steckdose oder Schalter auch bei installmentem Gerät leicht zugänglich sind.
DER HERSTELLER UBERNIMMT KEINE HAFTUNG, WENN DIESE UNFALLVERHUTUNGSVOR SCHRIFTEN NICT BEFOLGT WERDEN.
INSTALLATION INSTRUCTIONS
GEBRAUCHSANWEISUNGEN
Das Gerät ist für den gemeinschaftlichen Gebrauch bestimmt und damit nur von Personal bedient werden, welche mit dem Betrieb des Gerätes vertraut ist.
Vor dem ersten Einschalten des Gerätes ist das Becken und der Korb sorgfältig zu reinigen, um Industriebetrückstände zu entfern.
Den herausziehbaren Kopf der Maschine korrekt positionieren. Der Stift muß derart in den Kopf eingesetzt sein, daß er auf deninnen angebrachten Betriebsmikroschalter drückt (C Fig. 2).
Öl in das Becken gissen, bis der durch die Bezugskerben am Becken angezeigte Stand erreicht ist. Der Ölstandarf in keinem Fall unter die Minimalstand-Markierung absinken, da sonst Brandgefahr besteht.
Wir raten davon ab, altes Öl zu wiederzuverwenden, da ich bei längerem Einsatz die Temperatur reduziert, bei der sich das Öl entzündet und die Tendenz zu plötzlichem Sieden zuminmt. Auch besonderss voluminöse oder nicht abgetropfte Speisen können ein plötzliches Sieden des Ölswirken. Respektieren Sie die Kapazität der in der technischen Datentabelle dargestellt Trommel.
Falls Fett verwendet wird, ist diese zu schmelzen, bevor es in das Becken gegeben wird.
Stellen Sie vor dem Entleeren sicher, dass das Öl kalt ist und betätigten Sie dann den Entleerungshebel.
EINSCHALTEN
Den Stecker in die Steckdose stecken.
Den Schalter auf Position (1) stellen( fig.3, D); Der Schalter leuchtet auf (fig.3, E).
FT16C, FT216SC: Den Schalter auf Position 4,8 or 12 Kw stellen( fig.3, D); Der Schalter leuchtet auf ( fig.3, E).
FT25SC, FT225SC: Den Schalter auf Position 6,12 or 18 Kw stellen( fig.3, D ); Der Schalter leuchtet auf ( fig.3, E ).
Den Thermostat (fig.3, G) drehen, bis die gewunschte Temperatur eingestellt ist. Die Kontrolleuchte schaltet sich ein und schaltet sich aus, sobald die eingestellte Temperatur erreicht ist (fig.3, F).
AnthisemPunkistdasGerateinsatzbereit.
Die zu frittierenden Lebensmittel müssen gut getrocknet sein, bevor sie in das Öl eingetaucht werden. Wenn ein gefrorenes Produkt verwendet wird, fullen Sie das Gestell nur bis zur Hälfte seiner Kapazität und tauchen Sie es sehr langsam in das Öl ein.
OPERATING INSTRUCTIONS
Den Thermostat (E Fig. 3) auf 0^ stellen.
Den Schalter (D Fig. 3) auf „0" stellen und kontrollieren, daß beim beide Kontrolleuchten ausgeschaltet sind.
ACHTUNG: Wenn der Netzstecker nicht gezogen wird, ist das Gerät weiterhin stromversorgt.
TURNING OFF
Nach dem Frittieren die im Öl schwimmenden Stücke entfern.
Nach mehreren Backvorgängen ist das kalte Öl zu filtrieren und das Becken ist mit freiem Wasser und Reinigungsmittel zu saubern. Auf die gleiche Weise sind auch die Heizwiderstände zu reinigen, wobe aufzupassen ist, daß die Thermostatkugel nicht beschädigt wird.
Der kopf mit den Bedienvorrichtungen muß immer mit einen feuchten Tuch gereinigt werden. DEN KOPF AUF KEINEN FALL DIREKT MIT WASSER ODER EINEM WASSERSTRAHL ODER MIT KORRODIERenden STOFFEN REINIGEN.
Tauchen Sie die elektrischen Teile des Gerätes nicht ganzt oder teilweise in Wasser ein. Es gibt Teile des Gerätes, die während der Reinigungsrarbeiten trennbar sind.
FUNKTIONSPROBLEME
Überprüfen Sie Folgenden:
-
Dass die Netzspannung eingeschaltet ist.
-
Dass der Stift (B Abb.2) weil in den Kopf eingeführt ist.
-
Dass sich der Sicherheitsthermostat (G Abb.4) in der richtigen Position befindet (roter Stift nicht abgesenkt). Der Sicherheitsthermostat tritt in Aktion, wenn die Temperatur des Öl aufgrund der Nichtfunktion des Arbeitssthermostaten 230^ überschreitet (E Abb.3).
Wenn der Sicherheitsthermostat wiederholt zum Einsatz kommt, wenden Sie sich an einen qualifizierten Techniker. Verlangen Sie bei der Wartung immer die Verwendung von Original-Ersatzteilen.
SERVICING
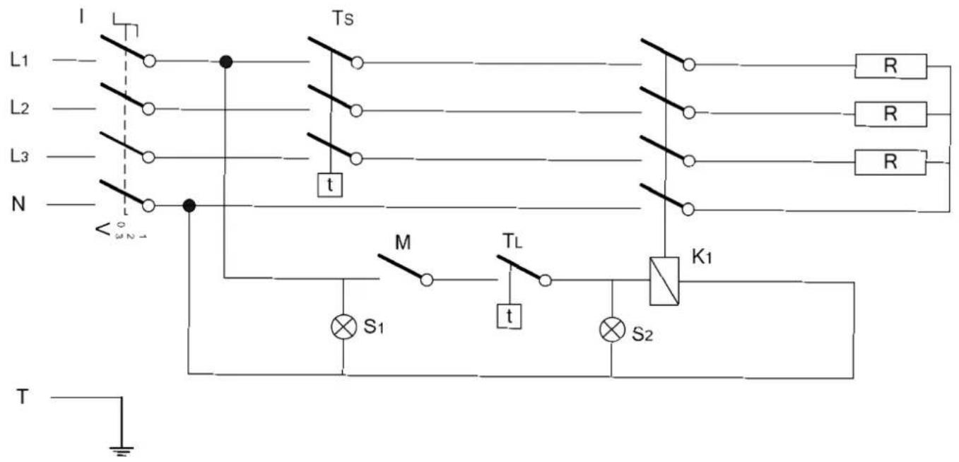
GASTROLINE 12V/12+12V

| BEZEICHNUNG NAME | |
| Schalter Switches | |
| Schütz Contactor | |
| Regulierthermostat Control thermostat | |
| Sicherheitsthermostat Safety thermostat | |
| Microschalter Microswitch | |
| Kontrollampe Spannungvorhanden (grün) Power indicator lamp (green) | |
| Kontrollampe Betrieb (orange) Operation indicator lamp (orange) | |
| Widerstand Resistance |
STROMLAUFPLAN / CIRCUIT DIAGRAM
GASTROLINE 12VS/12+12VS

| BEZEICHNUNG NAME | |
| Schalter Switches | |
| Schütz Contactor | |
| Regulierthermostat Control thermostat | |
| Sicherheitsthermostat Safety thermostat | |
| Microschalter Microswitch | |
| Kontrollampe Spannungvorhanden (grün) Power indicator lamp (green) | |
| Kontrollampe Betrieb (orange) Operation indicator lamp (orange) | |
| Widerstand Resistance |
VERPACKUNGS-ENTSORGUNG

Die Verpackungsmaterialienitte entsprechend trennen und den zuständigen Sammelstellen zur Wiederverwertung und zur Umweltschohnung zufahren.
GERÄTE-ENTSORGUNG

Hat das Gerä einmal ausgedient, dann entsorgen Sie dieses ordnungsgemäß an einer Sammelstelle für Elektrogeräte. Elektrogeräte gehoren nicht in den Hausmüll.
Über Adressen und Öffnungszteiten von Sammelstellen informiert Sie ihre zuständige Verwaltung. Nur so ist sichergestellt, dass Altgeräte fachgerecht entsorgt und verwertet werden. Vielen Dank!
PACKAGING DISPOSAL
Hergestellt in Italien. für / Made in italy for
SARO Gastro-Products GmbH
Sandbahn 6, 46446 Emmerich am Rhein, Germany
Tel. +49(0)2822 9258-0
Fax +49(0)2822 18192
E-Mail info@saro.de
Web: www.saro.de
INTRODUZIONE
GASTROLINE 12V/12+12V

| DESIGNAZIONE DÉSIGNATION | |
| Interruttore Interrupteur | |
| Teleruttore Contactor | |
| Termostato di regolazione Thermostat de reglage | |
| Termostato di sicurezza Thermostat de suretè | |
| Microinterruptatore Microinterrupteur | |
| Lampada presenza tensione (verde) Tessoin de présence tension (vert) | |
| Lampada funzionamento (arancione) Tessoin de fonctionnement (orange) | |
| Resistenza Resistance |
SCHEMA CIRCUITALE / SCHEMA ÉLECTRIQUE
GASTROLINE 12VS/12+12VS

| DESIGNAZIONE DÉSIGNATION | |
| Interruttore Interrupteur | |
| Teleruttore Contactor | |
| Termostato di regolazione Thermostat de reglage | |
| Termostato di sicurezza Thermostat de suretè | |
| Microinterruptatore Microinterrupteur | |
| Lampada presenza tensione (verde) T èmoin de présence tension (vert) | |
| Lampada funzionamento (arancione) T èmoin de fonctionnement (orange) | |
| Resistenza Resistance |
EinfachAnleitung