Vega BC45 - Pfanne HARVIA - Kostenlose Bedienungsanleitung
Finden Sie kostenlos die Bedienungsanleitung des Geräts Vega BC45 HARVIA als PDF.
Benutzerfragen zu Vega BC45 HARVIA
0 Frage zu diesem Gerät. Beantworten Sie die, die Sie kennen, oder stellen Sie Ihre eigene.
Eine neue Frage zu diesem Gerät stellen
Laden Sie die Anleitung für Ihr Pfanne kostenlos im PDF-Format! Finden Sie Ihr Handbuch Vega BC45 - HARVIA und nehmen Sie Ihr elektronisches Gerät wieder in die Hand. Auf dieser Seite sind alle Dokumente veröffentlicht, die für die Verwendung Ihres Geräts notwendig sind. Vega BC45 von der Marke HARVIA.
BEDIENUNGSANLEITUNG Vega BC45 HARVIA
DE: Der Überhitzungsschutz des Geräts kann auch bei Temperaturen unter -5^ / 23^ (Lagerung, Transport, Umgebung) auslösen. Bringen Sie das Gerät vor der Installation in eine warme Umgebung. Der Überhitzungsschutz kann bei einer Gerättemperatur von ca. 18 ^ C / 64^ zurückgesetzt werden. Vor Verwendung des Geräts muss der Überhitzungsschutz zurückgesetzt werden. Siehe Betriebsanleitung > Zurücksetzen des Überhitzungsschutzes.
These Montage- und Gebrauchsanleitungrichtet sich an den Besitzer der Sauna oder an die für die Pflege der Sauna verantwortliche Person, sowie an den für die Montage des Saunaofens zuständigen Elektromonteur. Wenn der Saunaofen montiert ist, wird diese Montage- und Gebrauchsanleitung an den Besitzer der Sauna oder die für die Pflege der Sauna verantwortliche Person übergeben. Lesen Sie vor Inbetriebnahme des Ofens die Bedienungsanleitung sorgfältig durch.
Der Ofen dient zum Erwärmen von Saunakabinen auf Saunattemperatur. Die Verwendung zu anderen Zwecken ist verboten.
Wir beglückwünschen Sie zu Ihrer洵 Wahl!
Garantie:
Die Garantiezeit fur in Familiensaunen verwendete Saunaöfen und Steuergeräte beträgt zwei (2) Jahre.
Die Garantiezeit fur Saunafoen und Steuergeräte, die in öffentlichen Saunen in Privatgebäuden verwendet werden, beträgt ein (1) Jahr.
Die Garantie deckt keine Defekte ab, die durch fehlerhafte Installation und Verwendung oder Missachtung der Wartungsanweisungen entstanden sind.
Die Garantie kommt nicht fur Schaden auf, die durch Verwendung anderer als vom Werk empfohlener Saunaofensteine entstehen.
INHALT
- BEDIENUNGSANLEITUNG 21
1.1. Aufschichten der Saunaofensteine 21
1.1.1.Wartung 21
1.2. Erhitzen der Saunakabine 22
1.3.Benutzung des Ofens 22
1.3.1. Ofen ein 22
1.3.2. Vorwahrzeit (zeitgesteuertes Einsatz) 22
1.3.3. Ofen aus 22
1.3.4. Einstellen der Temperatur 23
1.4.Aufguss 23
1.5.AnleitungenzumSaunen 23
1.6.Warnings 24
1.6.1. Symbol Beschreibung 24
1.7.Storungen 24
2.SAUNAKABINE 26
2.1. Struktur der Saunakabine 26
2.1.1. Schwärzung der Saunawände 26
2.2.Beluftung der Saunakabine 27
2.3. Leistungsabgabe des Ofens 27
2.4.Hygiene der Saunakabine 27
- INSTALLATIONSANLEITUNG 28
3.1.Vor der Montage 28
3.2.Befestigung des Saunaofens an der Wand 29
3.3.Elektroanschlisse 29
3.3.1. Isolationswiderstand des Elektrosaunaofens...30
3.4. Anschluß des Steuergerätes und der Führer (BC-E)...30
3.4.1. Geeignete Steuergeraten 30
3.5. Zurückstellen des Überhitzungsschutzes 31
4.ERSATZTEILE 96
JaHHa HnCTpyKuHnNo yctAHOBKe n3KcnJyatauHn npedHa3HaueHa dIra BlaJeIbua caHybl N6o OTBETcBeHHoro 3a Hee Iuca, a TaKxE dJIa 3JeKtpnKa, ocUseCTBIAIOUeO NOkLIOUeHne KameHKn. PocIe 3aBepWeHH yCTaHOBN 3Ta HnCTpyKuHn DOJXHa 6bIb nepeDahA BlaJeIbuy cayHb IIIN IuY, OTBETCTBeHHOMy 3a ee 3KcnJyatauHIO. TuaTeIbHO m3yHTe HnCTpyKuHn No 3KcnJyatauHn nepeD TeM, KaK Nolb-3OBaTbCn KameHKoN.
Kaemenka pa3pa6oTaHa IIn HaPeBa napnKn cayHbI Do Heo6xOdomo IIn npaehn TemnepaTpybl. Ee 3a- npeaaetcnaonlb30BabTB NIObIx dpynx ceJnx.
Bnaoradapm Bac 3a BB6op Haew kamehkn!
RapaHTn:
- TapaHTnHbI cPOk dIy KaMeHOK nIyIbTOB ynpaBHeHH, IcNoJIb3yEmbIX B DoMaUHnx (6bIToBbIX) CayHax - 12 MecraueB.
- TapaHTnHbI cPOk IJIa KAmEHOK n NylbTOB ynpabLeHH, IcNoJIb3YeMbIX B O6UeCTBeHHbIX (KOMMepuecknx) Cayhax - 3 Mecra.
- TapaHTn He pacnpoctpaHReTc H a HenCnpaBHOCTn, BbI3BaHHbIe HapyuWeHem HhctpyKuNN NOyCTAHOBKe n 3KcnnyatauNN.
- TapaHTnHaPacnpoctpaHareTcHaHeNCpabHOCTH, BbI3BaHHbIe NcNoJIb3OBaHHem KaMHe, He OTBeUaUxpeKOMeHdaunm N3rOToBHTeJKAmeHKn.
OrnabJeHne
1. INHCTPYKUN NO 33
1.1.YklaKa KamHei 33
1.1.1.3aMeHa KaMHei 33
1.2.HarpeB napnilbHn 34
1.3.IcnoIb3ObaHneKaMeHKn 34
1.3.1.BKIOUeHne KaMeHKn 34
1.3.2.YcTaHOBka BpeMeHH 3aepKKN BKIOueHn
(OTNoxehHoeBKNIOueHne) 34
1.3.3.BbIKIOueHHe KaMeHKn 34
1.3.4.YctahOBka TemnepaTypbl 35
1.4. Nap BCayHe 35
1.5.PykoBoCTBaKnapeHIO 35
1.6.Mepb npedocTopoxHoctn 36
1.6.1.YcNoBhIe 06o3HaueHnra. 36
1.7.Bo3MoXHbIe HeuCnpaBHOCTn 36
1.8. RapaHTnra, cpoK cnJx6bl 37
1.8.1.Гаразня 37
1.8.2.Cpok cnyx6bl 37
2. NAPINbH 38
2.1.YcTpoIcTBo NOMEUeHnCayHbI 38
2.1.1. IontemheHne cTeH cayhbl 38
2.2.BeHTnlaIyI NOMEueHnCayHbI 39
2.3.MouhoctbKaMeHKn 39
2.4.TnueHa cayhbl 39
3.ИHCTPyKUЯ NO YCTAHOBKE 40
3.1.IpepeyucTahOBkoI 40
3.2.KpenneHnKeKameHKn K cTeHe 41
3.3. Θлжкгромотх 41
3.3.1.CoppoTINBLeHHe N30JauuN 3JIeKTpokaMeHKn 43
3.4.YctahOBka nyIbTa ynpaBHeHn DaTmKOB (BC-E) 43
3.4.1.PekomeHdyeMbI nyIbTby ynpabJeHnra 43
IyIbTbI ynpaBHeHn CaMbIX NocJeDnHex MoJeN ppeCTaBHeHbI
Ha Hauem caTe www.harvia.com. 43
3.5.C6poc 3aunTb ot nepepeBa 44
4.3ANACHBIEYACTN 96
1. INSTRUCTIONS FOR USE 1. BEDIENUNGSANLEITUNG
1.1. Aufschnitten der Saunaofensteine
Die Schichtung der Ofensteine hat eine große Auswirkung auf die Effizienz des Ofens (Abb. 1).
Wichtige Informationen zu Saunaofenstein:
Die Steine sollten einen Durchmesser von 5-10 cm haben.
- Verwenden Sie nur spurze Saunastine mit rauer Oberfläche, die für die Verwendung in Saunaöfen vorgesehen sind. Geeignete Gesteinsarten sind Peridodit, Olivin-Dolerit und Olivin.
- Im Saunaofen sollenen weder leichte poröse „Steine" aus Keramik noch weiche Specksteine verwendet werden. Sie absorbieren beim Erhitzen nicht genügend Wärme, was zu einer Beschädigung der Heizelemente führen kann.
Die Steine sollenen vor dem Aufschnitten von Steinstaub befrei werden.
Beachten Sie beim Platzieren der Steine Folgendes:
- Lassen Sie die Steine nicht einfach in den Ofen fallen.
- Vermeiden Sie ein Verkeilen von Steinen zwischen den Heizelementen.
- Schichten Sie die Steine in lockerer Anordnung, so dass Luft zwischen ihren hindurchströmen kann.
- Schichten Sie die Steine so aufeinander, dass sie nicht gegen die Heizelemente drucken.
- Schichten Sie die Steine oben auf dem Ofen nicht zu einem hohen Stapel auf.
- In der Steinkammer oder in der Höhe des Saunaofens führen sich keine Gegenstände oder Geräte befinden, die die Menge oder die Richtung des durch den Saunaofen führenden Luftstroms ändern.



Figure 1. Piling of the sauna stones
Abbildung 1. Aufschichtung der Saunaofensteine
1.1.1. Maintenance
Aufgrund der großen Wärmeänderungen werden die Saunastine sprende und brüchig. Die Steine sollen mindestensomal jährlich neu aufgeschickt werden, bei regelmäßigem Gebrauch offen. Bei dieser Gelegenheit entfernen Sieitte auch Staub und Gesteinssplitter aus dem unteren Teil des Saunaofens und ersetzen beschädigte Steine. Hierdurch bleibt die Heizleistung des Ofens optimal, und das Risiko der Überhitzung wird vermieden.
1.2. Erhitzen der Saunakabine
Beim ersten Erwärmen sondern sich von Saunaofen und Steinen Gerüche ab. Um diese zu beseitigen, muss die Saunakabine gründlich geluftet werden.
Bei einer für die Saunakabine angemessenen Ofenleistung ist eine isolierte Sauna innerhalb von einer Stunde auf die erforderliche Saunattemperatur aufgeheizt (2.3.). Die Saunaofensteine erwärmen sich gewöhnlicherweise in derselben Zeit auf Aufgussttemperatur wie die Saunakabine. Die passende Temperatur in der Saunakabine beträgt etwa 65 bis 80^ .
1.3. Benutzung des Ofens
Bitte überprüfen Sie, bevor Sie den Ofen anschalten, dass keine Gegenstände auf dem Ofen oder in unmittelbarer Höhe des Ofens liegen. 1.6
Die Ofenmodelle BC45, BC60, BC80 und BC90 sind mit einer Zeitschaltuhr und einem Thermostat ausgestattet. Die Zeitschaltuhr regelt die Einschaltzeit des Ofens und das Thermostat die Temperatur. 1.3.1一 1.3.4
Die Ofenmodelle BC45E, BC60E, BC80E und BC90E werden mit einem separaten Steuergerat bedient. Beachten Sie die mitgelieferte Bedienungsanleitung der Steuerung.
1.3.1. Ofen ein

Stellen Sie den Schalter der Zeitschaltuhr in den Abschnitt "ein" (Abschnitt A in Abb. 2, 0-4 Stunden). Der Ofen beginnnt sofort zu heizen.

Figure 2. Timer switch
Abbildung 2. Schalter der Zeitschaltuhr
Figure 3. Thermostat switch
Abbildung 3. Thermostatschalter
1.3.2. Vorwahrzeit (zeitgesteuertes Einsatz)

Stellen Sie den Schalter der Zeitschaltuhr in den Abschnitt "Vorwahr" (Abschnitt B in Abb. 2, 0-8 Stunden). Der Ofen beginnnt zu heizen, wenn die Zeitschaltuhr den
Schalter zusück in den Abschnitt "ein" gedreht hat. Danach bleibt der Ofen etwas vier Stunden lang an.
Beispiel: Sie möchten drei Stunden lang spazieren gehen und danach ein Saunabadephmen. Stellen Sie den Schalter der Zeitschaltuhr in den Abschnitt "Vorwahl" auf Nummer 2.
Die Zeitschaltuhr beginnnt zu laufen. Nach zwei Stunden beginnnt der Ofen zu heizen. Da es etwa eine Stunde dauert, bis die Sauna erhitzt ist, wird sie nach etwas drei Stunden für das Saunabad bereits sein, also dann, wenn Sie von ihrem Spaziergang zusückkehren.
1.3.3. Ofen aus

Der Ofen wird ausgeschelt, wenn die Zeitschaltuhr den Schalter zusück auf null gestreht hat. Sie können den Ofen jederzeit selbst ausschalten, indem Sie den Schalter
Table 1. Water quality requirements
Table 1. Anforderungen an die Wasserqualität
| Water property Wassereigenschaft | Effect Wirkung | Recommendation Empfehlung |
| Humus concentration Humus gehalt | Colour, taste, precipitates Farbe, Geschmack, Ablagerungen | <12 mg/l |
| Iron concentration Eisengehalt | Colour, odour, taste, precipitates Farbe, Geruch, Geschmack, Ablagerungen | <0,2 mg/l |
| Hardness: most important substances are manganese (Mn) and lime, i.e. calcium (Ca). Wasserhärte: Die wichtigsten Stoffe sind Mangan (Mn) und Kalk, d.h. Kalzium (Ca). | Precipitates Ablagerungen | Mn: <0,05 mg/l Ca: <100 mg/l |
| Chlorinated water Gechlortes Wasser | Health risk Gesundheitsschädlich | Forbidden to use Darf nicht verwendet werden |
| Seawater Salzwasser | Rapid corrosion Rasche Korrosion | Forbidden to use Darf nicht verwendet werden |
der Zeitschaltuhr auf null stellen.
Schalten Sie den Ofen nach dem Saunabad aus. Manchmal ist es ratsam, den Ofen noch eine Weile weiter laufen zu halten, um die Holzteile der Sauna richtig trocknen zu halten.
ACHTUNG! Vergewissern Sie sich stets, dass der Ofen ausgeschelt ist und nicht mehr heizt, wenn die Zeitschaltuhr den Schalter zusück auf null gedreht hat.
1.3.4. Einstellen der Temperatur
Zweck des Thermostats (Abb. 3) ist es, die Temperatur in der Saunakabine auf der gewünschten Höhe zu halten. Durch Ausprobieren können Sie ermitteln, welche Einstellung für Sie am besten geeignet ist.
Beginnen Sie mit der hochsten Einstellung. Wenn die Temperatur während des Saunabades zu hoch ansteigt, drehen Sie den Schalter ein Stück gegen den Uhrzeigersinn. Beachten Sie, dass im oberen Temperaturbereich auch keine Änderungen die Temperatur in der Sauna betrachtlich beeinflussen.
1.4. Aufguss
Die Saunaluft trocknet bei Erwärzung aus, daß sollte zur Erlangung einer angenehmen Luftfeuchigkeit auf die freißen Steine des Saunaofens Wasser gegosen werden. Die Auswirkungen von Hitze und Dampf sind von Menschen zu Menschen unterschiedlich - durch Ausprobieren finden Sie die Temperatur- und Luftfeuchtgkeitswerte, die für Sie am besten geeignet sind.
ACHTUNG! Die Kapazität der Saunakelle sollte hochstens 0,2 I betragen. Auf die Steine sollenn keine größeren Wassermengen auf einmal gegossen werden, da beim Verdampfen sonst kochend heißes Wasser auf die Badenden spritzen konnte. Achten Sie auch daraufuf, daß Sie kein Wasser auf die Steine gießen, wenn sich jegmand in deren Nähe befindet. Der heiße Dampf könnte Brandwunden verursachen.
ACHTUNG! Als Aufgusswasser sollte nur Wasser verwendet werden, das die Qualitätsvorschriften für Haushaltswasser erfüllt (Tabelle 1). Im Aufgusswasser)dürfen nur für diesen Zweck ausgewiesene Duftstoffe verwendet werden. Befolgen Sie die Anweisungen auf der Packung.
1.5. Anleitungen zum Saunen
- Waschen Sie sich vor dem Saunen.
- Bleiben Sie in der Sauna, solange Sie es als angenehm empfinden.
Vergessen Sie jeglichen Stress, und entspannen Sie sich.
ENDE
- Check that the fuses to the heater are in good condition.
- Check that the connection cable is connected (P3.3.).
- Turn the timer switch to the "on" section (1.3.1.).
- Turn the thermostat to a higher setting (1.3.4.).
-
Check that the overheat protector has not gone off. The timer works but the heater does not heat. (3.5.)
-
Zu gute Saunamanieren gehört, daß Sie Rücksicht auf die anderen Badendennehmen, indem Sie diese nicht mit unnöttig larmigem Benehmen stären.
- Verjagen Sie die anderen auch nicht mit zuvielen Aufgüssen.
- Lassen Sie ihre erhitzte Haut zwischen durch abkühlen. Falls Sie gesund sind, und die Mochlichkeit dazu besteht, gehen Sie auch schwinnen.
- Waschen Sie sich nach dem Saunen.
- Ruhen Sie sich aus, bis Sie sich ausgegliedchen führn. Trinken Sie klares Wasser oder einen Softdrink, um ihren Flüssigkeitshaushalt zu stabilisieren.
1.6. Warnungen
- Ein langer Aufenthalt in einer—heßen Sauna führt zum Ansteigen der Körpertemperatur, was gefährlich sein kann.
- Achtung vor dem bereits Saunaofen. Die Steine sowie das Gehäuse werden sehr heißt und konnen die Haut verbrennen.
- Halten Sie Kinder vom Ofen fern.
- Kinder, Gehbehinderte, Kranke und Schwache)dürfen in der Sauna nicht alleingelassen werden.
- Gesundheitliche Einschränkungen bezogen auf das Saunen müssen mit dem Arzt besprochen werden.
- Über das Saunen von Kleinkindern sollen Sie sich in der Mutterberatungsstelle beraten halten.
- Gehen Sie nicht in die Sauna, wenn Sie unter dem Einfluss von Narkotika (Alkohol, Medikamenten, Drogen usw.) stehen.
Schlafen Sie nie in einer erhitzten Sauna. - Meer- und feuchtes Klima können die Metall-oberflächen des Saunaofens rosten halten.
- Benutzen Sie die Sauna wegen der Brandge-fahr nicht zum Kleider- oder Wäschetrocknen, außer dem konnen die Elektrogeräte durch die hohe Feuchtigkeit beschädigt werden.
1.6.1. Symbol Beschreibung.

Benutzerhandbuchesen.

Nicht bedecken.
1.7. Störungen
Achtung! Alle Wartungsmaßnahmen müssen von qualifiziertem technischem Personal durchgeführt werden.
Der Ofen wärmt nicht.
- Vergewissern Sie sich, dass die Sicherungen des Ofens in gutem Zustand sind.
- Überprüfen Sie, ob das Anschlusskabel eingesteckt ist (3.3.).
- Stellen Sie den Schalter der Zeitschaltuhr in den Abschnitt "ein" (1.3.1.).
- Stellen Sie das Thermostat auf eine höhere Einstellung (1.3.4.).
- Überprüfen Sie, ob der Überhitzungsschutz ausgelost wurde. Die Zeitschaltuhr lauft, aber der Ofen warmt nicht. (3.5.)
Die Saunakabine erhitzt sich zu langsam. Das auf die Saunaofensteine geworfene Wasser kühlt die Steine schnell ab.
- Vergewissern Sie sich, dass die Sicherungen des Ofens in gutem Zustand sind.
- Vergewissern Sie sich, dass bei eingeschaltelem Ofen alle Heizelemente gluben.
- Stellen Sie das Thermostat auf eine höhere Einstellung (1.3.4.).
- Überprüfen Sie, ob die Ofenleistung ausreichend ist (2.3.).
- Überprüfen Sie die Saunaofensteine (1.1.). Eine zu feste Stapelung der Steine, das Absetzen der Steine mit der Zeit und falsche Steinsorten können den Luftstrom durch den Ofen behindern, was zu einer verminderten Heizleistung führt.
- Vergewissern Sie sich, dass die Belüftung der Saunakabine korrekt eingerichtet wurde (2.2.).
Die Saunakabine erwartt sich Schnell, aber die Temperatur der Steine ist unzureichend. Das auf die Steine geworfene Wasser lauft durch.
- Überprüfen Sie, ob die Ofenleistung nicht zu hoch ist (2.3.).
- Vergewissern Sie sich, dass die Belüftung der Saunakabine korrekt eingerichtet wurde (2.2.).
Die Saunakabine erhitzt sich ungleichmäßig.
- Vergewissern Sie sich, dass der Ofen in der richtigen Höhe angebracht wurde. Der Ofen kann die Sauna am besten erhitzen, wenn er 100 mm über dem Boden angebracht wird. Die maximale Montagehöhe beträgt 200 mm. (3.2.)
Panele und andere Materialien geben dem Ofen werden Schnell schwarz.
- Überprüfen Sie, ob die Anforderungen für Sicherheitsabstände eingehalten werden (3.1.).
-
Überprüfen Sie die Saunaofensteine (1.1.). Eine zu feste Stapelung der Steine, das Absetzen der Steine mit der Zeit und falsche Steinsorten können den Luftstrom durch den Ofen behindern, was zu einer Überhitzung der umliegenden Materialien führen kann.
-
Siehe auch Abschnitt 2.1.1.
Der Ofen gibt Gerüche ab.
- Siehe Abschnitt 1.2.
- Ein heißer Ofen kann Gerüche in der Luft verstarken, die jedoch nicht durch die Sauna oder den Ofen selbst verursacht wurden. Beispiele: Farbe, Klebstoff, Öl, Würzmittel.
Der Ofen verursacht Gerausche.
- BC: Die Zeitschaltuhr ist ein mechanisches Gerät und verursachtDMAEHH, wenn sie normal funktioniert. Ertont das Ticken, obwohl der Ofen nicht eingeschatet ist, untersuchen Sie die Anschlasse der Zeitschaltuhr.
- Plötzliche Knall-Geräutsche entstehen manchmal durch Steine, die aufgrund der Hitze platzen.
Die Ausdehnung der Ofenteile wegen der Hitze kann bei der Erwärung des Ofens Gerausche verursachen.
2. SAUNA ROOM 2. SAUNAKABINE
2.1. Sauna Room Structure 2.1. Struktur der Saunakabine

Figure 4. Abbildung 4.
A. Isolierwolle, Stärke 50-100 mm. Die Saunakabine muss sorgfältig isoliert werden, damit der Ofen nicht zu viel Leistung erbringen muss.
B. Feuchtigkeitsschutz, z.B. Aluminiumpapier. Die glänzende Seite des Papiers muss zur Sauna zeigen. Nähte mit Aluminiumband abdichten.
C. Etwa 10 mm Luft zwischen Feuchtigkeitschutz und Tafelung (Empfehlung).
D. Leichtes, 12-16 mm starkes Täfelbrett. Vor Beginn der Täfelung elektrische Verkabelung und für Ofen und Bänke benötigte Verstärkungen in den Wänden überprüfen.
E. Etwa 3 mm Luft zwischen Wand und Deckentäfelung.
F. Die Hohe der Sauna ist normalerweise 2100-2300 mm. Die Mindesthohe hangt vom Ofen ab (siehe Tabelle 2). Der Abstand zwischen oberer Bank und Decke sollte hochstens 1200 mm betragen.
G. Bodenabdeckungen aus Keramik und dunkle Zementschlamme verwenden. Aus den Saunsteinen entweichende Partikel und Verunreinigungen im Wasser konnen sensible Böden verfarben oder beschädigen.
ACHTUNG! Fragen Sie die Behörden, welcher Teil der feuerfesten Wand isoliert werden kann. Rauchfänge, die benutzt werden, dürfen nicht isoliert werden.
ACHTUNG! Leichte, direkt an Wand oder Decke angebrachte Schutzabdeckungen sind ein Brandrisiko.
2.1.1. Schwärzung der Saunawände
Es ist ganz normal, wenn sich die Holzoberflächen einer Sauna mit der Zeit verfüllen. Die Schwärzung wird beschleunigt durch
- Sonnenlicht
- Hitze des Ofens
Tafelungsschutz an den Wänden (mit geringem Hitzewiderstand) - Feinpartikel, die aus den zerfallenden Saunastevinen in die Luft entweichen.
2.2. Sauna Room Ventilation
2.2. Belüftung der Saunakabine
Die Saunaluft sollte sechsmal pro Stunde ausgelaucht werden. Abb. 5 zeigt verschiedene Optionen der Saunabeluftung.

Figure 5. Abbildung 5.
A. Luftzufuhr. Bei mechanischer Entlüftung Luftzufuhr über dem Ofen anbringen. Bei Schwerkraftentlüftung Luftzufuhr unter oder neben dem Ofen anbringen. Der Durchmesser des Luftzufuhrrohres muss 50-100 mm betragen.
BC-E: Luftzufuhr nicht so anbringen, dass sie den Temperaturfühler abkühlt (zur Anbringung des Temperaturfühlers siehe Installationsanweisungen des Steuergerats)!
B. Entlüftung. Entlüftung in Bodennähe anbringen, soweitweg vom Ofenwie möglich.Der Durchmesser des Entlüftungsrohres solle doppeltsogroßseinwie bei der Luftzufuhr.
C. Optionale Lüftung zum Trocknen (während Heizung und Bad geschlossen). Die Sauna kann auch durch die offene Tur getrocknet werden.
D. Wenn die Entlüftung im Waschraum liegt, muss die Lücke unter der Saunatur mindestens 100mm betragen. Mechanische Entlüftung ist Pflicht.
2.3. Leistungsabgabe des Ofens
Wenn Wand und Decke vertäfelt und ausreichend isoliert sind, richtet sich die Leistungsabgabe des Ofens nach dem Volumen der Sauna. Nicht isolierte Wände (Stein, Glasbausteine, Glas, Beton, Kacheln) erhöhen die benötigte Ofenleistung. Jeder Quadratmeter nicht isolierten Wand entspricht 1,2m^3 mehr Saunavolumen. Eine 10m^3 große Saunakabine mit Glastür z.B. entspricht in der Leistungsabgabe einer 12m^3 großen Sauna. Bei Balkenwänden Saunavolumen mit 1,5 multiplizieren. Korrekte Leistungsabgabe des Ofens aus Tabelle 2 wahlen.
2.4. Hygiene der Saunakabine
Liegetücher benutzen, um die Bänke vor Schweiz zu schützen.
Bänke, Wände und Boden der Sauna mindestens alle sechs Monate waschen. Bürste und Saunereinigungsmittel verwenden.
Staub und Schmutz vom Ofen mit feuchtem Tuch abwischen. Kalkablagerungen am Ofen mit 10% Zitronensäure entfern den und spulen.
3.1. Before Installation
3.1. Vor der Montage
Bevor Sie den Saunaofen installmenten,lesen Sie die Montageanleitung und überprüfen Sie folgende Dinge:
- Ist der zu montierende Saunaofen in Leistung und Typ passend für die Saunakabine? Die Rauminhaltswerte in Tabelle 2 darüber weiter über noch untersritten werden.
- Ist die Netzspannung für den Saunaofen geeignet?
- Der Montageort des Ofens erfüllt die in Abbildung 6 und Tabelle 2 angegebenen Sicherheitsmindestabstände.
- Zurückstellen des Überhitzungsschutzes
These Abstände müssen unbedingt eingehalten werden, da ein Abweichen Brandgefahr verursacht. In einer Sauna davon nur ein Saunaofen installiert werden.
| Heater Ofen | Out- put Leis- tung | Sauna room Saunakabine | Electrical connections Elektroanschlussüsse | |||||
| Cubic vol. Rauminhalt | Height Höhe | 400 V 3N~230 V 1N~ Connecting cable Anschlusskabel | Fuse Sicherung | Connecting cable Anschlusskabel | Fuse Sicherung | To sensor (BC-E) An Fühler (BC-E) | ||
| Model and dimensions/ Modell und Maße | ||||||||
| Width/Breite • BC 480 mm • BC-E 450 mm Depth/Tiefe 310 mm Height/Höhe 540 mm Weight/Gewicht 11 kg Stones/Steine max. 20 kg | kW | 2.3. min. m³ | max. m³ mm | See fig. 8. The measurements apply to the connecting cable only! Siehe Abbildung 8. Die Messungen beziehen sich ausschließlich auf das Anschlusskabel! | ||||
| A mm² | ||||||||
| BC45/BC45E | 4,5 | 3 | 6 | 1900 | 5 x 1,5 | 3 x 10 | 3 x 2,5 | 1 x 20 |
| BC60/BC60E | 6,0 | 5 | 8 | 1900 | 5 x 1,5 | 3 x 10 | 3 x 2,5 | 1 x 35 |
| BC80/BC80E | 8,0 | 7 | 12 | 1900 | 5 x 2,5 | 3 x 16 | 3 x 6 | 1 x 35 |
| BC90/BC90E | 9,0 | 8 | 14 | 1900 | 5 x 2,5 | 3 x 16 | 3 x 10 | 1 x 50 |
Table 2. Montageinformationen
Figure 6. Safety distances (all dimensions in millimeters)
Abbildung 6. Sicherheitsmindestabstände (alle Abmessungen in Millimetern)
| The heater can be mounted in a recess with a minimum height of 1900 millimetres. Der Saunaofen kann in einer Wandnische angebracht werden, deren Höhe min. 1900 mm beträgt. A BC min. 150 max. 500 | |||
| A min. from side to wall, upper platform or rail von der Seitenfläche zur Wand, zur oberen Bank oder zum oberen Geländer | B min. | C min. from front surface to upper platform or rail von der Vorderfläche zur oberen Bank oder zum oberen Geländer | |
| BC45/BC45E | 35 | 20 | 35 |
| BC60/BC60E | 50 | 30 | 50 |
| BC80/BC80E | 100 | 30 | 80 |
| BC90/BC90E | 120 | 40 | 100 |

1.3.4.2.



Figure 7. Fastening the heater on a wall (all dimensions in millimeters) Abbildung 7. Befestigung des Saunaofens an der Wand (alle Abmessungen in Millimetern)
3.2. Befestigung des Saunaofens an der Wand Siehe Abbildung 7.
- Beide Schutzpappen vor der Montage entfernen!
- Befestigen Sie das Montagegestell mit den dazu gelieferten Schraubenander Wand.ACHTUNG!An den Stellen, an denen die Befestigungsschrauben angebracht werden, muss sich hinter den Paneelen als Stütze z.B. ein Brett befinden, in dem die Schrauben fest sitzen. Falls sich hinter den Paneelen keine Bretter befinden, konnen diese auch vor den Paneelen angebracht werden.
- Der Saunaofen kann zur Bedienung durch Rechts- oder Linkshänder unterschiedlich an der Wand montiert werden. Versichere, dass die Befestigungs-Ösen richtig darauf vorgesehene Aufhängung sitzen.
- Heben Sie den Saunaofen so auf das Gestell an der Wand, daß die Befestigungshaken unter am Gestell hinter den Rand des Saunaofenrumpfes kommt. Schrauben Sie den oberen Rand des Saunaofens am Montagegestell fest.
3.3. Elektroanschluss
Der Anschluss des Saunaofens an das Stromnetz darf nur von einem zugelassenen Elektromonteur unter Beachtung der gultigen Vorschriften ausgeführrt werden.
-
Der Saunaofen wird halbfest an die Klemmdose (Abb. 8: A) an der Saunawand befestigt. Die Klemmdose muß spritzwasserfest sein und darüber hochtens 500 mm über dem Fußboden angebracht werden.
-
Als Anschlusskabel (Abb. 8: B) wird ein Gummikabel vom Typ H07RN-F oder ein entsprechendes Kabel verwendent. ACHTUNG! PVC-isolierte Kabel)dürfen wegen ihrer schlechten Hitzebestandigkeit nicht als Anschlusskabel des Saunaofens verwendet werden.
- Falls der Anschluss oder die Montagekabel höher als in 1000 mm Höhe über dem Boden in die Sauna oder die Saunawände , *
sie belastet mindestens eine Temperatur von 170^ aushalten (z.B. SSJ). Elektrogeräte, die hoher als 1000 mm vom Saunaboden angebracht werden, müssen für den Gebrauch bei 125^ Umgebungstemperatur zugelassen sein (Vermerk T125).
Die BC-Saunaöfen sind zusammen zum Netzanschluss mit einer Klemme (P) ausgestattet, welche die Möglichkeit zur Steuerung der Elektroheziehung bietet (Abb. 10). Der Ofen übernimmt mit dem Einschalten die Spanningsregelung.Das Steuerungskabel für die Elektroheziehung wird direkt zur Klemmdose des Saunaofens gelegt und von Dort aus durch ein Gummikabel der gleichen Stärke weiter zur Reihenklemme des Saunaofens geleitet. Wird das zweite Kabelloch nicht verwendet muss die Zugentlastung abgedeckt sein.
- Achten Sie beim Schlieben des Deckels des Anschlusskastens darauf, dass sich der Deckel vollständig verschreiben. Wenn der Deckel nicht richtig sitzt, kann Wasser in den Anschlusskasten laufen. Abbildung 8.
3.3.1. Isolationswiderstand des Elektrosaunaofens
Bei der Endkontrolle der Elektroinstallationen kann bei der Messung des Isolationswiderstandes ein "Leck" auftreten, was darauf zurückzuführen ist, daß Feuchtigkeit aus der Luft in das Isolationsmaterial der Heizwiderstände eingetreten ist (bei Lagerung und Transport). Die Feuchtigkeit entweicht aus den Widerständen nach zwei Erwärmenungen.
Schalten Sie den Netzstrom des Elektrosaunaofens nicht über den Fehlerstromschutzschalter ein!
3.4. Anschluß des Steuergerätes und der Führer (BC-E)
In Verbindung mit dem Steuergerät werden genaure Anweisungen zu dessen Befestigung an der Wand gegeben. Der Temperaturfuhler wird an der Saunawand oberhalb des Saunaofens, 100mm unterhalb der Decke auf der Achse in Breitenrichtung des Saunaofens angefracht. Abbildung 6.
Luftzufuhr nicht so anbringen, dass sie den Temperaturfuhler abkühlt. Abbildung 5.
3.4.1. Geeignete Steuergeräten
Harvia Griffin CG170
Harvia C150
Harvia Xenio CX170
Harvia C90
Schauen Sie nach den geeigneten Steuergeräten auf unsere Websites www.harvia.com.


Figure 8. Closing the cover of the connection box (all dimensions in millimeters) Abbildung 8. Das Verschreiben des Anschlusskastens (alle Abmessungen in Millimetern)
A. Junction box
B. Connecting cable
A. Klemmdose
B. Anschlußkabel
ENDE
3.5. Resetting the Overheat Protector
B: Der Rücksetzungsknopf befindet sich im Anschlussgehause des Ofens. Nur eine zu Elektroinstallationen befugte Personarf diese Arbeit ausführten.

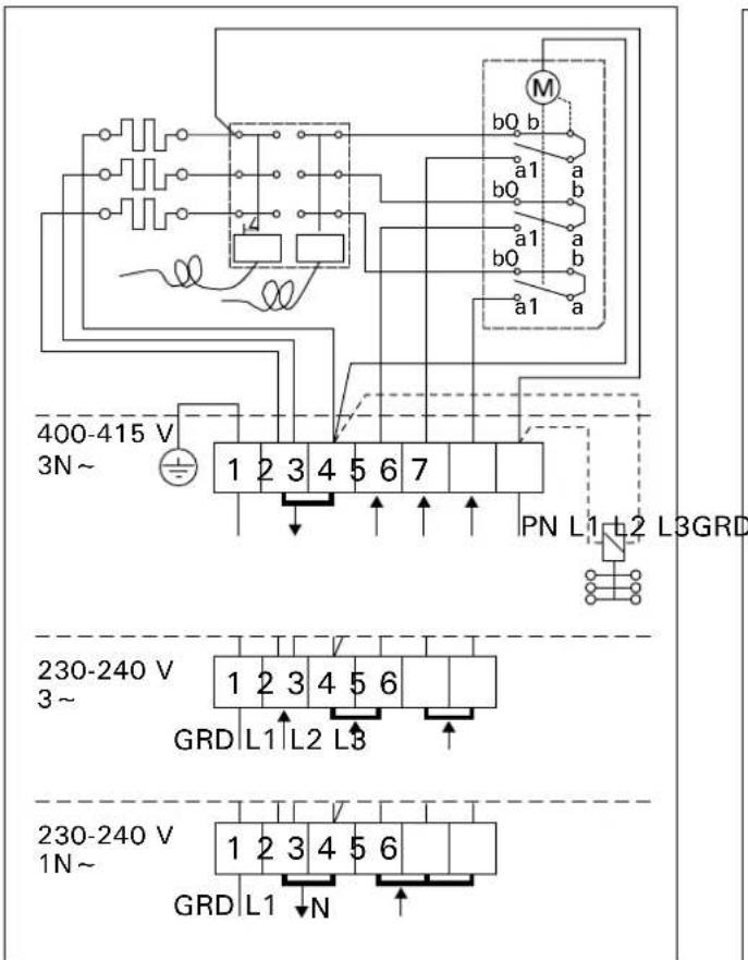
Figure 10. Electrical connections of BC heater Abbildung 10. Elektroanschluss des Saunaofens BC

Figure 12. BC90 Electrical connections Abbildung 12. BC90 Elektroanschluss

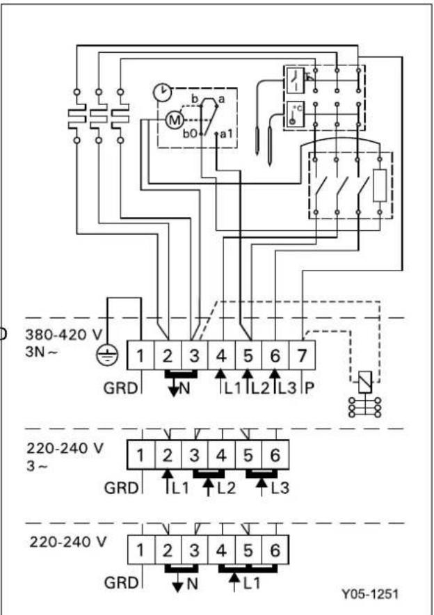
Figure 11. Electrical connections of BC-E heater Abbildung 11. Elektroanschlüsse des Saunaofens BC-E
1. INHCTPYKUNI NO 3KCNJYATAUIN
1.1. YknaKa KaMnei
PpabnIbna yKJaKa KamHe IMeet 6oIbwoe 3HaueHne IJIa 3ΦΦeKTnBHO pa6Otbi KameHKn (pnc.1).
Baxhna HΦopmaun o KaMHex dJa cayhbl:
-ДиamEtКamHHe HeДолжEH npeBbIwA Tb 5-10cm.
Pa3peuaeTcA nCnOJIb3OBaTb TOnbKO yrIobAtbIe KOJIOtBle KaMHN, CneuaJIbHO npeHa3HaYeHHBe IIN cNoJIb3OBaHnB KamaHKe. IOnxOJaUIMn rOpHbIMn NopOJaMn ABJIAOTc nepuDToNT, OINBnH-DoJePnt N OINBnH.
3anpeaetcncnoB3oBaTb B KaMeHKe IerKne, nopNCtBe KepaMueeCKne «KaMHN», a TaKxemeRKMn ropweHbI KameHb. 3TN MaTePnaJIbI He NOrloucaOT dOCTaTOUHOE KOINueCTBO TEnIO-TbI npHarpeBaHH. IVX NCNoB3OBAHne MOXET npHBecTHK NOBpeXDeHHO HaraPeBaTeJbHbIX 3JIeMeHTOB.
- IpepeyKJaIaIKoB KaMeHky Heo6xOIMo OuHCTnTb KaMHN OT IIJIIN.
06paTHTe BHMaHHe npy yKJaDke KaMHei:
He 6pocaiTe kAmHn B neyb.
3aPpeaaetcBKNHNBaTb KaMHn MeJy HArpeBaTeNbHbIMN 3JIeMeHTaMn.
Pa3mecnte KaMHn CBO6oHNO IJIa oBcepeHnIuKyJLIMM MeKdy HMM BO3dyxa.
KAMHN DOnJXHbI ONnPaTbCg Dpyr Ha Dpyra, a He Ha HArpeBaTeJIbHbIe 3JeMeHTbl.
KamHn He OJXhbl Opa3OBBiBaTb HaI HarpeBaTeNb HbIMN 3JeMeHTaMn BICOKyIO rpydy.
B npoctpaHCTBe Iy KaMHe n B6Iu3n KaMeHKn He OJXKnbl pa3MeUaTbC npEpmTebl, 3aTpynHIOuue NpKnyLauIO Bo3Dyxa Uepe3 KaMeHKy.
1. KASUTUSJUHISED
1.1. Kerisekivide Iadumine
1.6.1. Verklaring symbolen.

De oven warmt nicht op.
3.3. Elektrische verbindungen
3.4.1. Geschekte besturingen
Harvia Griffin CG170
Harvia C150
Harvia Xenio CX170
Harvia C90
Bekijk de{niewste modellen besturingen op once website www.harvia.com.

Figure 10. Raccordements electriques du poèle (BC)
Figuur 10. Elektrische aansluitingen (BC)

Figure 11. Raccordements electriques du poèle (BC-E)
Figuur 11. Elektrische aansluitingen (BC-E)

Figure 12. Raccordements electriques du poèle BC90
Figuur 12. Elektrische aansluitingen BC90
Es durren ausschlieBlich die Ersatzteile des Herstellers verwendet werden.
Mbl peKomeHdyem HcNoJb30BaTb TOLbKO opnHaJIbHbIe 3aNaChbIe YaCTN.
EinfachAnleitung