BX45 - Elektrische Sauna HARVIA - Kostenlose Bedienungsanleitung
Finden Sie kostenlos die Bedienungsanleitung des Geräts BX45 HARVIA als PDF.
Benutzerfragen zu BX45 HARVIA
0 Frage zu diesem Gerät. Beantworten Sie die, die Sie kennen, oder stellen Sie Ihre eigene.
Eine neue Frage zu diesem Gerät stellen
Laden Sie die Anleitung für Ihr Elektrische Sauna kostenlos im PDF-Format! Finden Sie Ihr Handbuch BX45 - HARVIA und nehmen Sie Ihr elektronisches Gerät wieder in die Hand. Auf dieser Seite sind alle Dokumente veröffentlicht, die für die Verwendung Ihres Geräts notwendig sind. BX45 von der Marke HARVIA.
BEDIENUNGSANLEITUNG BX45 HARVIA
EN Instructions for Installation and Use of Electric Sauna Heater
DE Gebrauchs- und Montageanleitung des Elektrosaunaofens

BX

BX-E
These Montage- und Gebrauchsanleitung richtet sich an den Besitzer der Sauna oder an die für die Pflege der Sauna verantwortliche Person, sowie an den für die Montage des Saunaofens zuständigen Elektromonteur. Wenn der Saunaofen montiert ist, wird diese Montage- und Gebrauchsanleitung an den Besitzer der Sauna oder die für die Pflege der Sauna verantwortliche Person übergeben. Lesen Sie vor Inbetriebnahme des Ofens die Bedienungsanleitung sorgfältig durch.
Der Ofen dient zum Erwärmen von Saunakabinen auf Saunattemperatur. Die Verwendung zu anderen Zwecken ist verboten. Saunaöfen, die über ein CE-Symbol verfügbar, erfüllen alle Bestimmungen für Saunaanlagen. Die entsprechenden Behörden kontrollieren, ob diese Bestimmungen eingehalten werden.
Wir beglückwünschen Sie zu ihrer eigenen Wahl!
Garantie:
Die Garantiezeit für in Familiensaunen verwendete Saunaöfen und Steuergeräte beträgt zwei (2) Jahre.
Die Garantiezeit für Saunaöfen und Steuergeräte, die in öffentlichen Saunen in Privatgebäuden verwendet werden, beträgt ein (1) Jahr.
Die Garantie deckt keine Defekte ab, die durch fehlerhafte Installation und Verwendung oder Missachtung der Wartungsanweisungen entstanden sind.
Die Garantie kommt nicht für Schäden auf, die durch Verwendung anderer als vom Werk empfohlener Saunaofensteine entstehen.
INHALT
- BEDIENUNGSANLEITUNG 3
1.1. Aufschnitten der Saunaofensteine 3
1.1.1.Wartung 3
1.2. Erhitzen der Saunakabine 4
1.3.Benutzung des Ofens 4
1.3.1. Ofen ein 4
1.3.2. Vorwahrzeit (zeitgesteuertes Einsatz) 4
1.3.3.Ofen aus.. 5
1.3.4. Einstellen der Temperatur 5
1.4.Aufguss 5
1.5. Anleitungen zum Saunen 6
1.6.Warnings.. 6
1.7.Storungen 6
2.SAUNAKABINE 8
2.1. Struktur der Saunakabine 8
2.1.1. Schwärzung der Saunawände 8
2.2.Belüftung der Saunakabine 9
2.3. Leistungsabgabe des Ofens 9
2.4.Hygiene der Saunakabine 9
- INSTALLATIONSANLEITUNG 10
3.1.Vor der Montage 10
3.2. Befestigung des Saunaofens an der Wand 11
3.3.Elektroverschlusse 11
3.3.1. Isolationswiderstand des Elektrosaunaofens... 12
3.4. Anschluß des Steuergerätes und der Führer (BX-E)..12
3.5. Zurückstellen der Überhitzungsschutzes 13
4.ERSATZTEILE 15
1. INSTRUCTIONS FOR USE
1. BEDIENUNGSCANLEITUNG
1.1. Aufschnitt der Saunaofensteine
Die Schichtung der Ofensteine hat eine große Auswirkung auf die Effizienz des Ofens (Abb. 1).
Wichtige Informationen zu Saunaofenstein:
Die Steine sollen einen Durchmesser von 5-10 cm haben.
- Verwenden Sie nur spitze Saunastine mit rauer Oberfläche, die für die Verwendung in Saunaöfen vorgesehen sind. Geeignete Gesteinsarten sind Peridodit, Olivin-Dolerit und Olivin.
- Im Saunaofen sollenen[weder leichte poröse „Steine“ aus Keramik noch weiche Specksteine verwendet werden. Sie absorbieren beim Erhitzen nicht genügend Wärme, was zu einer Beschädigung der Heizelemente führen kann.
Die Steine sollen den dem Aufschichten von Steinstaub befind werden.
Beachten Sie beim Platzieren der Steine Folgendes:
- Lassen Sie die Steine nicht einfach in den Ofen fallen.
- Vermeiden Sie ein Verkeilen von Steinen zwischen den Heizelementen.
- Schichten Sie die Steine in lockerer Anordnung, so dass Luft zwischen ihren hindurchströmen kann.
- Schichten Sie die Steine so aufeinander, dass sie nicht gegen die Heizelemente drücken.
- Schichten Sie die Steine oben auf dem Ofen nicht zu einem hohen Stapel auf.
- In der Steinkammer oder in der Nähe des Saunaofens dürfen sich keine Gegenstände oder Geräte befinden, die die Menge oder die Richtung des durch den Saunaofen führenden Luftstromsändern.


Figure 1. Piling of the sauna stones
Abbildung 1. Aufschichtung der Saunaofensteine
1.1.1. Maintenance
Aufgrund der großen Wärmeänderungen werden die Saunasteine sprende und brüchig. Die Steine sollen mindestens einmal jährlich neu aufgeschickt werden, bei regelmäßigem Gebrauch offen. Bei dieser Gelegenheit entfern den Sieitte auch Staub und Gesteinssplitter aus dem unteren Teil des Saunaofens und ersetzen beschädigte Steine. Hierdurch bleibt die Heizleistung des Ofens optimal, und das Risiko der Überhitzung wird vermieden.
1.2. Erhitzen der Saunakabine
Beim ersten Erwärmen sondern sich von Saunaofen und Steinen Gerüche ab. Um diese zu beseitigen, muss die Saunakabine gründlich geluftet werden.
Bei einer für die Saunakabine angemessenen Ofen-leistung ist eine isolierte Sauna innerhalb von einer Stunde auf die erforderliche Saunattemperatur aufgeheizt (2.3.). Die Saunaofensteine erwärmen sich gewöhnlicherweise in derselben Zeit auf Aufgussttemperatur wie die Saunakabine. Die passende Temperatur in der Saunakabine beträgt etwa 65 bis 80^
1.3. Benutzung des Ofens
Bitte überprüfen Sie, bevor Sie den Ofen anschalten, dass keine Gegenstände auf dem Ofen oder in unmittelbarer Höhe des Ofens liegen. 1.6
Die Ofenmodelle BX45, BX60 und BX80 sind mit einer Zeitschaltuhr und einem Thermostat ausgestellt. Die Zeitschaltuhr regelt die Einschaltzeit des Ofens und das Thermostat die Temperatur. 1.3.1 -1.3.4.
Die Ofenmodelle BX45E, BX60E, BX80E und BX90E werden mit einem separaten Steuergerät bedient. Beachten Sie die mitgelieferte Bedienungsanleitung der Steuerung.

1.3.1. Heater On

Stellen Sie den Schalter der Zeitschaltuhr in den Abschnitt "ein" (Abschnitt A in Abb. 2, 0-4 Stunden). Der Ofen beginnnt sofort zu heizen.
1.3.2. Vorwahrzeit (zeitgesteuertes Einsatz)
Stellen Sie den Schalter der Zeitschaltuhr in den Abschnitt "Vorwahr" (Abschnitt B in Abb. 2, 0-8 Stunden). Der Ofen beginnnt zu heizen, wenn die Zeitschaltuhr den
Schalter zusück in den Abschnitt "ein" gedreht hat. Danach bleibt der Ofen etwas vier Stunden lang an.
Beispiel: Sie möchten drei Stunden lang spazieren gehen und danach ein Saunabad gehen. Stellen Sie den Schalter der Zeitschaltuhr in den Abschnitt "Vorwahl" auf Nummer 2.
Die Zeitschaltuhr beginnnt zu laufen. Nach zwei Stunden beginnnt der Ofen zu heizen. Da es etwa eine Stunde dauert, bis die Sauna erhitz ist, wird sie nach etwas drei Stunden für das Saunabad bereit sein, also dann, wenn Sie von ihrem Spaziergang zurückkehren.
1.3.3. Heater Off

Der Ofen wird ausgeschelt, wenn die Zeitschaltuhr den Schalter zusück auf null gedreht hat. Sie konnen den Ofen jederzeit selbst ausschalten, indem Sie den
Schalter der Zeitschaltuhr auf null stellen.
Schalten Sie den Ofen nach dem Saunabad aus. Manchmal ist es ratsam, den Ofen noch eine Weile weiter laufen zu halten, um die Holzteile der Sauna richtig trocknen zu halten.
ACHTUNG! Vergewissern Sie sich stets, dass der Ofen ausgeschaltet ist und nicht mehr heizt, wenn die Zeitschaltuhr den Schalter zusück auf null gestreht hat.
1.3.4. Einstellen der Temperatur
Zweck des Thermostats (Abb. 3) ist es, die Temperatur in der Saunakabine auf der gewünschten Höhe zu halten. Durch Ausprobieren können Sie ermitteln, welche Einstellung für Sie am besten geeignet ist.
Beginnen Sie mit der hochsten Einstellung. Wenn die Temperatur während des Saunabades zu hoch ansteigt, drehen Sie den Schalter ein Stück gegen den Uhrzeigersinn. Beachten Sie, dass im oberen Temperaturbereich auch keine Änderungen die Temperatur in der Sauna betrachtlich beeinflussen.
1.4. Aufguss
Die Saunaluft trocknet bei Erwärzung aus, daß sollte zur Erlangung einer angenehmen Luftfeuchtigkeit auf die bereits Steine des Saunaofens Wasser gegossen werden. Die Auswirkungen von Hitze und Dampf sind von Menschen zu Menschen unterschiedlich - durch Ausprobieren finden Sie die Temperaturund Luftfeuchtingigkeitswerte, die für Sie am besten geeignet sind.
ACHTUNG! Die Kapazität der Saunakelle sollte hochstens 0,2 I betragen. Auf die Steine sollen den keine größeren Wassermengen auf einmal gegessen werden, da beim Verdampfen sonst kochend heißes Wasser auf die Badenden spritzen konnte. Achten Sie auch daraufuf, daß Sie kein Wasser auf die Steine gießen, wenn sich jemand in deren Höhe befindet. Der heiße Dampf könnte Brandwunden verursachen.
ACHTUNG! Als Aufgusswasser sollte nur Wasser verwendet werden, das die Qualitätsvorschriften für Haushaltswasser erfüllt (Tabelle 1). Im Aufgusswasser)dürfen nur für diesen Zweck ausgewiesene Duftstoffe verwendet werden. Befolgen Sie die Anweisungen auf der Packung.
Table 1. Water quality requirements
Tabelle 1. Anforderungen an die Wasserqualität
| Water property Wassereigenschaft | Effect Wirkung | Recommendation Empfehlung |
| Humus concentration Humus gehalt | Colour, taste, precipitates Farbe, Geschmack, Ablagerungen | <12 mg/l |
| Iron concentration Eisen gehalt | Colour, odour, taste, precipitates Farbe, Geruch, Geschmack, Ablagerungen | <0,2 mg/l |
| Hardness: most important substances are manganese (Mn) and lime, i.e. calcium (Ca). Wasserhärte: Die wichtigsten Stoffe sind Mangan (Mn) und Kalk, d.h. Kalzium (Ca). | Precipitates Ablagerungen | Mn: <0,05 mg/l Ca: <100 mg/l |
| Chlorinated water Gechlortes Wasser | Health risk Gesundheitsschädlich | Forbidden to use Darf nicht verwendet werden |
| Seawater Salzwasser | Rapid corrosion Rasche Korrosion | Forbidden to use Darf nicht verwendet werden |
1.5. Anleitungen zum Saunen
Waschen Sie sich vor dem Saunen.
- Bleiben Sie in der Sauna, solange Sie es als angenehm empfinden.
Vergessen Sie jeglichen Stress, und entsprechen Sie sich.
- Zuuiten Saunamanieren gehen, daß Sie Rücksicht auf die anderen Badendennehmen, indem Sie diese nicht mitunnötg lärmigem Benehmen stären.
- Verjagen Sie die anderen auch nicht mit zuvielen Aufgüssen.
- Lassen Sie ihre erhitzte Haut zwischen durch abkühlen. Falls Sie gesund sind, und die Mochlichkeit dazu besteht, gehen Sie auch schwinnen.
- Waschen Sie sich nach dem Saunen.
- Ruhen Sie sich aus, bis Sie sich ausgegliedchen führten. Trinken Sie klares Wasser oder einen Softdrink, um ihren Flüssigkeitshaushalt zu stabilisieren.
1.6. Warnungen
- Ein langer Aufenthalt in einerHEYen Sauna fuhrt zum Ansteigen der Körpertemperatur, was gefährlich sein kann.
- Achtung vor dem bereits Saunaofen. Die Steine sowie das Gehäuse werden sehr bereits und konnen die Haut verbrennen.
- Halten Sie Kinder vom Ofen fern.
- Kinder, Gehbehinderte, Kranke und Schwache)dürfen in der Sauna nicht alleingelassen werden.
- Gesundheitliche Einschränkungen bezogen auf das Saunen müssen mit dem Arzt besprochen werden.
- Über das Saunen von Kleinkindern sollenn Sie sich in der Mutterberatungsstelle beraten setzen.
- Gehen Sie nicht in die Sauna, wenn Sie unter dem Einfluss von Narkotika (Alkohol, Medikamenten, Drogen usw.) stehen.
Schlafen Sie nie in einer erhitzten Sauna. - Meer- und feuchtes Klima können die Metalloberflächen des Saunaofens rosten halten.
- Benutzen Sie die Sauna wegen der Brandgefahr nicht zum Kleider- oder Wäschetrocknen, außer dem konnen die Elektrogeräte durch die hohe Feuchtigkeit beschädigt werden.
1.7. Störungen
Achtung! Alle Wartungsmaßnahmen müssen von qualifiziertem technischen Personal durchgeführt werden.
Der Ofen wärmt nicht.
- Vergewissern Sie sich, dass die Sicherungen des Ofens in gutem Zustand sind.
- Überprüfen Sie, ob das Anschlusskabel eingesteckt ist (3.3.).
- Stellen Sie den Schalter der Zeitschaltuhr in den Abschnitt "ein" (1.3.1.).
- Stellen Sie das Thermostat auf eine höhere Einstellung (1.3.4.).
- Überprüfen Sie, ob der Überhitzungsschutz ausgelöst wurde. Die Zeitschaltuhr lauft, aber der Ofen warmt nicht. (3.5.)
Die Saunakabine erhitzt sich zu langsam. Das auf die Saunaofensteine geworfene Wasser kühlt die Steine schnell ab.
condition.
- BX: The timer is a mechanical device and it makes a ticking sound when it is functioning normally. If the timer ticks even when the heater is switched off, check the timer's wiring.
- Occasional bangs are most likely caused by stones cracking due to heat.
-
The thermal expansion of heater parts can cause noises when the heater warms up.
-
Vergewissern Sie sich, dass die Sicherungen des Ofens in gutem Zustand sind.
Vergewissern Sie sich, dass bei eingeschalteten Ofen alle Heizelemente gluben. - Stellen Sie das Thermostat auf eine höhere Einstellung (1.3.4.).
- Überprüfen Sie, ob die Ofenleistung ausreichend ist (2.3.).
- Überprüfen Sie die Saunaofensteine (1.1.). Eine zu feste Stapelung der Steine, das Absetzen der Steine mit der Zeit und falsche Steinsorten können den Luftstrom durch den Ofen befindern, was zu einer verminderten Heizleistung führt.
- Vergewissern Sie sich, dass die Belüftung der Saunakabine korrekt eingerichtet wurde (▶2.2.).
Die Saunakabine erwartt sich schnell, aber die Temperatur der Steine ist unzureichend. Das auf die Steine geworfene Wasser lauft durch.
- Stellen Sie das Thermostat auf eine niedrigere Einstellung (1.3.4.).
- Überprüfen Sie, ob die Ofenleistung nicht zu hoch ist (2.3.).
- Vergewissern Sie sich, dass die Belüftung der Saunakabine korrekt eingerichtet wurde (2.2.).
Die Saunakabine erhitzt sich ungleichmäßig.
- Vergewissern Sie sich, dass der Ofen in der richtigen Höhe angebracht wurde. Der Ofen kann die Sauna am besten erhitzen, wenn er 100mm über dem Boden angebracht wird. Die maximale Montagehöhe beträgt 200mm . (3.2.)
Panele und andere Materialien geben dem Ofen werden schnell schwarc.
- Überprüfen Sie, ob die Anforderungen für Sicherheitsabstände eingehalten werden (3.1.).
- Überprüfen Sie die Saunaofensteine (1.1.). Eine zu feste Stapelung der Steine, das Absetzen der Steine mit der Zeit und falsche Steinsorten können den Luftstrom durch den Ofen befindern, was zu einer Überhitzung der umliegenden Materialien führen kann.
- Siehe-auch Abschnitt 2.1.1.
Der Ofen gibt Gerüche ab.
- Siehe Abschnitt 1.2.
- Ein heißer Ofen kann Gerüche in der Luft verständären, die jeder nicht durch die Sauna oder den Ofen selbst verursacht wurden. Beispiele: Farbe, Klebstoff, Öl, Würzmittel.
Der Ofen verursacht Gerausche.
- BX: Die Zeitschaltuhr ist ein mechanisches Gerät und verursacht davon ein tickendes Gerausch, wenn sie normal Funktioniert. Ertont das Ticken, bzwohl der Ofen nicht eingeschaltet ist, untersuchen Sie die Anschlüsse der Zeitschaltuhr.
- Plötzliche Knall-Geräusche entstehen manchmal durch Steine, die aufgrund der Hitze platzen.
- Die Ausdehnung der Ofenteile wegen der Hitze kann bei der Erwärung des Ofens Gerausche verursachen.
2. SAUNA ROOM
2. SAUNAKABINE
2.1. Sauna Room Structure
2.1. Struktur der Saunakabine

Figure 4. Abbildung 4.
A. Isolierwolle, Stärke 50-100 mm. Die Saunakabine muss sorgfältig isoliert werden, damit der Ofen nicht zu viel Leistung erbringen muss.
B. Feuchtigkeitsschutz, z.B. Aluminiumpapier. Die glänzende Seite des Papiers muss zur Sauna zeigen. Nähte mit Aluminiumband abdichen.
C. Etwa 10 mm Luft zwischen Feuchtigkeitschutz und Täfelung (Empfehlung).
D. Leichtes, 12-16 mm starkes Täfelbrett. Vor Beginn der Täfelung elektrische Verkabelung und für Ofen und Bänke benötigte Verstärkungen in den Wänden überprüfen.
E. Etwa 3 mm Luft zwischen Wand und Deckentäfelung.
F. Die Höhe der Sauna ist normalerweise 2100-2300 mm. Die Mindesthöhe hängt vom Ofen ab (siehe Tabelle 2). Der Abstand zwischen oberer Bank und Decke sollte hochstens 1200 mm betragen.
G. Bodenabdeckungen aus Keramik und dunkle Zementschlamme verwenden. Aus den Saunastinen entweichende Partikel und Verunreinigungen im Wasser konnen sensible Böden verfarben oder beschädigen.
ACHTUNG! Fragen Sie die Behörden, welche Teril der feuerfesten Wand isoliert werden kann. Rauchfänge, die benutzt werden, dürfen nicht isoliert werden.
ACHTUNG! Leichte, direkt an Wand oder Decke angebrachte Schutzabdeckungen sind ein Brandrisiko.
2.1.1. Schwärzung der Saunawände
Esistganznormal,wellnischdieHolzoberflächen einerSauna mit derZeitverfürben.Dieschwärzung wird beschleunigt durch
- Sonnenlicht
- Hitze des Ofens
- Täfelungsschutz an den Wänden (mit geringem Hitzewiderstand)
- Feinpartikel, die aus den zerfallenden Saunsteinen in die Luft entweichen.
2.2. Sauna Room Ventilation
2.2. Belüftung der Saunakabine
Die Saunaluft sollte sechsmal pro Stunde ausgetauscht werden. Abb. 5 zeigt verschiedene Optionen der Saunabeluftung.

Figure 5. Abbildung 5.
A. Luftzufahr. Bei mechanischer Entlüftung Luftzufahr über dem Ofen anbringen. Bei Schwerkraftentlüftung Luftzufahr unter oder neben dem Ofen anbringen. Der Durchmesser des Luftzufuhrrohres muss 50-100 mm betragen. BX-E: Luftzufahr nicht so anbringen, dass sie den Temperaturfühler abkühlt (zur Anbringung des Temperaturfühlers siehe Installationsanweisungen des Steuergeräts)!
B. Entlüftung. Entlüftung in Bodennähe anbringen, so welt weg vom Ofen wie möglich. Der Durchmesser des Entlüftungsrohres sollte doppelt so groß sein wie bei der Luftzufuhr.
C. Optionale Lüftung zum Trocknen (während Heizing und Bad geschlossen). Die Sauna kann auch durch die offene Tur getrocknet werden.
D. Wenn die Entlüftung im Waschraum liegt, muss die Lücke unter der Saunatur mindestens 100mm betragen. Mechanische Entlüftung ist Pflicht.
2.3. Leistungsabgabe des Ofens
Wenn Wand und Decke vertäfelt und ausreichend isoliert sind, richtet sich die Leistungsabgabe des Ofens nach dem Volumen der Sauna. Nicht isolierte Wände (Stein, Glasbausteine, Glas, Beton, Kacheln) erhöhen die benötigte Ofenleistung. Jeder Quadratmeter nicht isolierter Wand entspricht 1,2m^3 mehr Saunavolumen. Eine 10m^3 große Saunakabine mit Glastür z.B. entspricht in der Leistungsabgabe einer 12m^3 großen Sauna. Bei Balkenwänden Saunavolumen mit 1,5 multiplizieren. Korrekte Leistungsabgabe des Ofens aus Tabelle 2 wahren.
2.4. Hygiene der Saunakabine
Liegetücher benutzen, um die Bänke vor Schweiz zu schützen.
Bänke, Wände und Boden der Sauna mindestens alle sechs Monate waschen. Bürste und Saunereinigungsmittel verwenden.
Staub und Schmutz vom Ofen mit feuchtem Tuch abwischen. Kalkablagerungen am Ofen mit 10% Zitronensäure entfernen und spülen.
3. INSTRUCTIONS FOR INSTALLATION
3.1. Before Installation
3. INSTALLATIONSANLEITUNG
3.1. Vor der Montage
Bevor Sie den Saunaofen installieren,lesen Sie die Montageanleitung und überprüfen Sie folgende Dinge:
- Ist der zu montierende Saunaofen in Leistung und Typ passend für die Saunakabine? Die Rauminhaltswerte in Tabelle 2)dürfen weder über noch untersritten werden.
- Ist die Netzspannung für den Saunaofen geeignet?
- Der Montageort des Ofens erfüllt die in Abbildung 6 und Tabelle 2 angegebenen Sicherheitsmindestabstände.
These Abstände müssen unbedingt eingehalten werden, da ein Abweichen Brandgefahr verursacht. In einer Saunaarf nur ein Saunaofen installiert werden.
| Heater Ofen | Output Leistung | Sauna room Saunakabine | Electrical connections Elektroanschlussüsse | ||||||
| Model and dimensions/ Modell und Maße | Cubic vol. Rauminhalt | Height Höhe | 400 V 3N~ Connecting cable Anschlusskabel | Fuse Sicherung | 230 V 1N~ Connecting cable Anschlusskabel | Fuse Sicherung | To sensor (BX-E) An Fühler (BX-E) | ||
| Width/Breite • BX 500 mm • BX-E 470 mm Depth/Tiefe340 mm Height/Höhe 510 mm Weight/Gewicht 11 kg Stones/Steine max. 25 kg | kW | 2.3. min. m³ | max. m³ | min. mm | See fig. 7. The measurements apply to the connection cable only! Siehe Abbildung 7. Die Messungen beziehen sich ausschließlich auf das Anschlusskabel! | mm² | |||
| BX45/BX45E | 4,5 | 3 | 6 | 1900 | 5 x 1,5 | 3 x 10 | 3 x 2,5 | 1 x 20 | 4 x 0,25 |
| BX60/BX60E | 6,0 | 5 | 8 | 1900 | 5 x 1,5 | 3 x 10 | 3 x 2,5 | 1 x 35 | 4 x 0,25 |
| BX80/BX80E | 8,0 | 7 | 12 | 1900 | 5 x 2,5 | 3 x 16 | 3 x 6 | 1 x 35 | 4 x 0,25 |
| BX90E | 9,0 | 8 | 14 | 1900 | 5 x 2,5 | 3 x 16 | 3 x 10 | 1 x 50 | 4 x 0,25 |
Tabelle 2. Montageinformationen
Figure 6. Safety distances (all dimensions in millimeters)
Abbildung 6. Sicherheitsmindestabstände (alle Abmessungen in Millimetern)
| The heater can be mounted in a recess with a minimum height of 1900 millimetres. Der Saunaofen kann in einer Wandnische angebracht werden, deren Höhe min. 1900 mm beträgt. | |||
| A min. from side to wall, upper platform or rail von der Seitenfläche zur Wand, zur oberen Bank oder zum oberen Geländer | B min. | C min. from front surface to upper platform or rail von der Vorderfläche zur oberen Bank oder zum oberen Geländer | |
| BX45/BX45E | 35 | 20 | 35 |
| BX60/BX60E | 50 | 30 | 50 |
| BX80/BX80E | 100 | 30 | 80 |
| BX90E | 120 | 40 | 100 |
3.2. Befestigung des Saunaofens an der Wand Siehe Abbildung 7.
- Befestigen Sie das Montagegestell mit den dazu geleiferten Schrauben an der Wand. ACHTUNG! An den Stellen, an denen die Befestigungsschrauben angebracht werden, muss sich hinter den Paneelen als Stütze z.B. ein Brett befinden, in dem die Schrauben fest sitzen. Falls sich hinter den Paneelen keine Bretter befinden, konnen diese auch vor den Paneelen angebracht werden.
- Achten Sie beim Schließen des Deckels des Anschlusskastens darauf, dass sich der Deckel vollständig verschließt. Wenn der Deckel nicht richtig sitzt, kann Wasser in den Anschlusskasten laufen.
- Der Saunaofen kann zur Bedienung durch Rechts- oder Linkshänder unterschiedlich an der Wand montiert werden.
- Heben Sie den Saunaofen so auf das Gestell an der Wand, daß die Befestigungshaken unter am Gestell hinter den Rand des Saunaofenrumpfes kommt. Schrauben Sie den oberen Rand des Saunaofens am Montagegestell fest.

| TYPE | X min. |
| BX45/BX45E | 145 |
| BX60/BX60E | 160 |
| BX80/BX80E | 210 |
| BX90E | 220 |



A. Junction box
B. Connection cable
A. Klemmdose
B. Anschlusskabel

Figure 7. Fastening the heater on a wall (all dimensions in millimeters) Abbildung 7. Befestigung des Saunaofens an der Wand (alle Abmessungen in Millimetern)
3.3. Elektroanschluss
Der Anschluss des Saunaofens an das Stromnetz davon von einem zugelassenen Elektromonteur unter Beachtung der gultigen Vorschriften ausgeführrt werden.
- Der Saunaofen wird halbfest an die Klemmdose (Abb. 7: A) an der Saunawand befestigt. Die Klemmdose muß spritzwasserfest sein und darüber hochstens 500 mm über dem Fußboden angebracht werden.
- Als Anschlusskabel (Abb. 7: B) wird ein Gummikabel vom Typ H07RN-F oder ein entsprechendes Kabel verwendet. ACHTUNG! PVC-isolierte Kabel dürfen wegen ihrer schlechten Hitzebestandigkeit nicht als Anschlusskabel des Saunaofens verwendet werden.
- Falls der Anschluss oder die Montagekabel höher als in 1000mm Höhe über dem Boden in die Sauna oder die Saunawände*Müssen sie belastet mindestens eine Temperatur von 170^ aushalten (z.B. SSJ).Elektrogerate, die höher als 1000mm vom Saunaboden angebracht werden,müssen fur den Gebrauch bei 125^ Umgebungstemperatur zugelassen sein (Vermerk T125).
Die BX-Saunaöfen sind zusätzlich zum Netzanschluss mit einer Klemme (P) ausgestattet, welche die Möglichkeit zur Steuerung der Elektroheziehung bietet (Abb. 10). Der Ofen übernimmt mit dem Einschalten die Spanningsregelung. Das Steuerungskabel für die Elektroheziehung wird direkt zur Klemmdose des Saunaofens gelegt und von Dort aus durch ein Gummikabel der gleichen Stärke weiter zur Reihenklemme des Saunaofens geleitet.
3.3.1. Isolationswiderstand des Elektrosaunaofens Bei der Endkontrolle der Elektroinstallationen kann bei der Messung des Isolationswiderstandes ein "Leck" auftreten, was darauf zureckzuführn ist, daß Feuchtigkeit aus der Luft in das Isolationsmaterial der Heizwiderstände eingetretten ist (bei Lagerung und Transport). Die Feuchtigkeit entweicht aus den Widerständen nach zwei Erwärmenungen.
Schalten Sie den Netzstrom des Elektrosaunaofens nicht über den Fehlerstromschutzschalter ein!
3.4. Anschluß des Steuergerätes und der Führer (BX-E)
In Verbindung mit dem Steuergerät werden genaue re Anweisungen zu dessen Befestigung an der Wand gegeben. Der Temperaturfuhler wird an der Saunawand oberhalb des Saunaofens, 100mm unterhalb der Decke auf der Achse in Breitenrichtung des Saunaofens angefracht. Abbildung 6.
Luftzufuhr nicht so anbringen, dass sie den Temperaturfühler abkühlt. Abbildung 5.
3.5. Resetting the Overheat Protector
3.5. Zurückstellen der Überhitzungsschutzes
Wenn die Temperatur in der Saunakabine gefährlich stark ansteigt, unterbricht der Überhitzungsschutz die Stromzufuhr zum Ofen permanent. Der Überhitzungsschutz kann nach Abkühlen des Ofens zurückgesetzt werden.
BX
Der Rücksetzungsknopf befindet sich im Anschlussgehause des Ofens (Abb. 8). Nur eine zu Elektroinstallationen befugte Personarf diese Arbeit ausführren.
Vor Betätigung des Knopfes muß die Ursache der Fehlfunktion festgestellt werden:
- Sind die Steine im Saunaofen verkeilt oder sprende?
- War der Saunaofen lange angeschaltet und wurde nicht benutzt?
- Ist der Thermostatfuhler an einem falschen Platz oder defekt?
- War der Saunaofen starken Stößen ausgesetzt?
BX-E
Siehen Sie Gebrauchs- und Montageanleitung des Steuergeräts.

Figure 8. Reset button for overheat protector Abbildung 8. Rucksetzknopf des Überhitzungsschutze

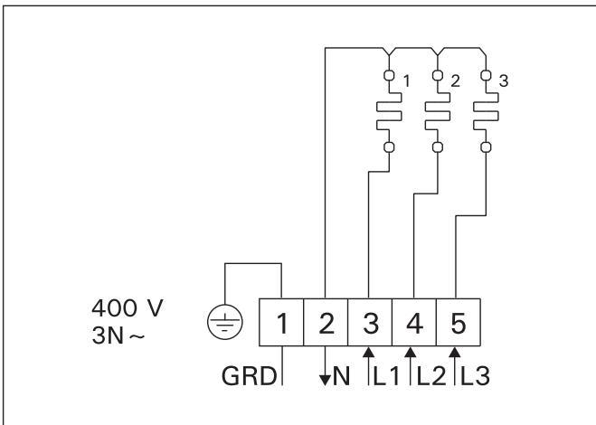
Figure 9. Electrical connections of BX heater Abbildung 9. Elektroanschlüsse des Saunaofens BX
Abbildung 11a. 3-phasiger Elektroanschlüsse das Steuergerät C150 und des Saunaofens BX-E

Figure 10. Electrical connections of BX-E heater Abbildung 10. Elektroanschlüsse des Saunaofens BX-E
Abbildung 11b. 3-phasiger Elektroanschlüsse das Steuergerät C90 und des Saunaofens BX-E

EinfachAnleitung