HC90N - ACEC - Kostenlose Bedienungsanleitung
Finden Sie kostenlos die Bedienungsanleitung des Geräts HC90N ACEC als PDF.
Benutzerfragen zu HC90N ACEC
0 Frage zu diesem Gerät. Beantworten Sie die, die Sie kennen, oder stellen Sie Ihre eigene.
Eine neue Frage zu diesem Gerät stellen
Laden Sie die Anleitung für Ihr kostenlos im PDF-Format! Finden Sie Ihr Handbuch HC90N - ACEC und nehmen Sie Ihr elektronisches Gerät wieder in die Hand. Auf dieser Seite sind alle Dokumente veröffentlicht, die für die Verwendung Ihres Geräts notwendig sind. HC90N von der Marke ACEC.
BEDIENUNGSANLEITUNG HC90N ACEC
BEDIENUNGSCANLEITUNG 14
HINWEIS! 14
NETZANSCHLUSS 14
ZUBEHOR 15
MONTAGEHINWEISE 15
BETRIEB 16
WARTUNG 17
GEBRUIK 18
AANWIJZINGEN! 18
ELEKTRISCHE AANSLUITING 18
ONDERDELEN 18
INSTALLATIE 19
WERKING 20
ONDERHOUD 20
USO 21
ADVERTENCIAS! 21
CONEXION DEL CABLE DE ALIMENTACION A LA RED 21
COMPONENTES 21
INSTALACION 22
FUNCTIONAMENTO 23
MANTENIMIENTO 23
UTILISATION
EN 60355-2-31 (CEI 61-92/91)
EN 61000-3-2/95
EN 55104/95
COMPOSANTS
Dieses Gerat ist sowohl für den Abluftbetrieb als auch für den Umluftbetrieb (Filterversion) geeignet. Die Abmessungen, die in den Zeichnungen dieser Bedienungsanleitung angegeben sind, beziehen sich auf zwei verschiedene Haubenmodelle. Daher ist es äußertst wichtig, daß Sie die richtige Zeichnung zugrunde legen, bevor Sie die Installation ausführten.
HINWEIS!
- Der Mindestabstand zwischen Kochfeld und Metallfilter an der Unterseite ihrer Dunstabzugshaube muß 650 mm betragen.
- Die Dunsthaube muß kein genau nach den Anweisungen der Bedienungsanleitung installiert werden.
- Falls in dem Raum, in dem sich die Haube befindet, gleichzeitig eine offene Feuerstelle vorhanden ist, (z.B. ein Gas-Durchlaufferhitzer, ein Kohleherd, ein offener Kamin) muß in jedem Fall der Luftstrom durch ein hermetisch abgeschlossenes Rohr nach draußen abgeführt werden.
- Falls ein offene Feuerstelle im gleichen Raum betrieben wird, muß für ausreichende Luftzuführ von außen in den Raum gesorgt werden.
- Wenn die Dunsthaube zusammen mit solchen zuvor beschriebenen Geräten, die nicht mit Strom gespeist werden, in Betrieb ist, darauf der Unterdruck keinesfalls 0,4 mbar überschreiben, damit das Rücksaugen der Feuerstättenabgase in den Raum vermieden wird.
- Das Abluftrohr der Haube darf keinesfalls an eine Entlüftungsleitung oder Ventilation angeschlossen werden.
Niemals eine große Flamme bei eingeschalteter Dunsthaube unbedeckt setzen.
Wichtig: niemals unter dem Gerät flambieren.
NETZANSCHLUSS
Achtung: doppelte Isolierung! Nicht an Erdung anschließen!
Bevor Sie die Haube ans Netz anschlieben, ist sicherzustellen, dass die Netzspannung den Anschlußwerten auf dem Typenschild im Inneren der Haube entspricht. Beim Anschluß der Dunsthaube an das Wechselstromnetz ist ein zweipoliger Schalter mit einem Öffnungsweg von wichtens 3 mm für jeder Pol zwischenzuschalten.
Angewandte Normen :
EN 60355-1/88 CEI 61-50/89
EN 60335-2-31 CEI 61-92/91
CEI EN 55014/94
CEI EN 61000-3-2/95
CEI EN 61000-3-3/95
EN 55104/95
ZUBEHÖR
- 2 Wandhalterungen (C) (je nach Ausführung evtl. auch nur eine Wandhalterung für oben)
- 1 Unterlegscheibe (D)
- 1 Abluftstutzen (E)
- 1 gestufte Verbindungsflansche Durchmesser 120 mm auf 150 mm (G)
- 1 Deflektor (H)
- 2 Kohlefilter (L)(Optional, müssen für Umluftbetrieb selbst beschafft werden)





MONTAGEHINWEISE
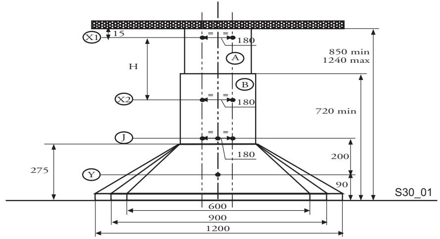
Die Haube muss mittig über dem Kochfeld installiert werden. Der Mindetsabstand zwischen Kochfeld und Fettfilter an der Unterseite der Haube muss mindestens 650~mm betragen. Die Installation verläuft wie folgt :
- 1) Zeichnen Sie zuerst eine lotrechte Linie von ungebähr 950 mm Länge von der Mitte des Kochfeldes zur Wand hinauf. Rechts und links, jeweils in 90 mm Abstand parallel zu dieser Linie, zeichnen Sie dann zwei weitere lotrechte Linien, ca. 950 mm lang in Richtung Decke
- Zeichnen Sie nun vier waagerechte Linien wie in Abb.1 dargestellt
- Sie erhalten so die Position der Bohrlicher.
- 2) Bohren sie acht Löcher mit 8mm Durchmesser in den Punkten X1, X2, J, Y. Stecken Sie die Wand-Dübel in die vorgebohrten Löcher gemäß Abb. 2 und vergewissern Sie sich, daß die beiden Wandhalter angebracht sind, einzel wie in der Zeichnung dargestellt.
- 3) Schrauben Sie die Wandhalter (C) mit den beiden passenden Schrauben in den Lächern X1 und X2, Abb.2, fest.
- 4) Bringen Sie die Unterlegscheibe an der Wand unter der Schraube im Punkt Y, Abb.2 mit dem Rücksprung zur Wand an.
- 5) Bringen Sie die Haube so an der Wand an, daß das Loch für die Befestigungsschraube genau über der Unterlegscheibe liegt und schrauben Sie die beiden mitgelieferten Schrauben in die Bohrlocher J1 und J2, wie in Abb. 3.
- Um unbeabsichtiges Aushängen der Haube zu vermeiden, verriegeln Sie die Haube mit der zusätzlichen Befestigungsschraube J3.
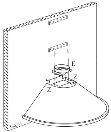
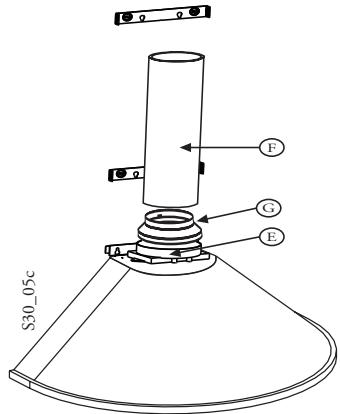
- 6) Verbinden Sie den Flansch E mit dem rechteckigen Querschnitt des Luftaustritte der Haube und schrauben Sie die beiden mitgelieferten 2,9 mm Schrauben fest. (Abb. 4) (Je nach Ausführung kann der Flansch (E) auch bereits am Gerät vormontiert sein.) Installation für Abluft- und Umluftbetrieb:
a) Abluftbetrieb:
Wenn die Haube im Abluftbetrieb arbeitet, wird die verbrauchte Luft durch die Haube und den Fettfilter gesogen und dann durch ein Abluftrohr (gehört nicht zum Lieferumfang der Haube) nach drauen abgeführt. Wenn die Luft nach drauen abgeführt werden soll, muß ein Verbindungsflansch von 150 /120 mm (G) auf dem Abluftstutzen (E)
angebracht werden, wie Abb.5 zeigt. Das Abluftrohr muß einen Mindest-Durchmesser von 120 mm haben und aus feuerbeständigem Material bestehen. Soltte man ein flexibles Rohr verwenden, (Achtung: schlechter Wirkungsgrad) ist darauf zu achten, daß das Rohr "straff" und unter Vermeidung von engen Umlenkungen verlegt wird, da diese die Absaugleistung extrem verringern.
WICHTIG: Das Rohr im Innern des Kaminsarf nicht großer als 120 mm Durchmesser sein, da es sonst eine einwandfrei Installation des Kamins beeinträchtigen kann. Das Abluftrohrarf nicht an andere Entlüftungsrohre angeschlossen werden.
b) Umluftbetrieb (mit Kohlefilter)
Beim Umluftbetrieb wird die abgesaugte Luft durch die Metallfettfilter und dann durch die Kohlefilter (Option: Kohlefilter mussen im Fachhandel passend zur Haube beschafft werden) geführt, Dort gereinigt und wieder durch die Umluftöffnungen in die Kuche bzw. Rückgeführt.
Beider Umluftausfuhrung muß der Deflektor (H) wie in Abb.6.
Befestigen Sie die beiden Kohlefilter, (Im Zubehorhandel zu beschaffen) indem Sie diese zentral links und rechts am Motorhalter (M) positionieren und durch Drehung im Uhrzeigersinn befestigen, Abb. 7.
Warning :
Nicht gereinigte Fettfilter und nicht regelmäßig ausgetauschte Kohlefilter stellen Brandgefahr dar.
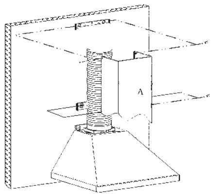
Installation des Kamins:
Befestigen Sie das obere Teil (A) an der Halterung (C) und sichern Sie es nun mit den beiden beiliegenden, selbstschneidenden Schrauben von 2,9 mm, Abb. 8. (oder 4)
Der senkrechte Abstand zwischen den beiden Bohrlochern X1 und X2 (sofern eine zweite Wandhalterung (C) vorgesehen ist) ist durch die Höhe des oberen Kaminteiles (A) festgelegt.
Um das untere Kaminteil (B) zu befestigen, müssen die beiden Seitenwangen möglich auseinanderergebogen und sodann über das untere Ende des oberen Kaminteils gestülpt werden, wie in Abb. 9.
BETRIEB
Die Dunsthaube ist, je nach Modellart, mit verschiedene Schiebeschaltern oder Drucktasten an der Haubenfront ausgestattet, mit denen die Arbeitsflächenbeleuchting und die Motorgeschwindigkeit geschaltet werden.
1) Schiebeschaltung
Ein Schalter schaltet die Beleuchtung ein.
Ein Schalter steuert die drei Gebläsestufen.
Eine Kontrollampe zeigt den Motorbetrieb an.
2) Drucktastenschaltung
Ein Schalter schaltet die Beleuchtung ein
Ein Schalter schaltet den Motor ein und aus ( niedrigste Stufe).
Ein Schalter schaltet die mittlere Stufe ein.
Ein Schalter schaltet die höchste Stufe ein.
Die rote Kontrollampe zeigt an, wenn der Motor eingeschaltet ist.
3) Geschwindigkeitsstufen
1 / niedrig bei Benutzung einer Kochplatte
2 / mittel beim Gebrauch bis zu vier Kochplatten
3 / hoch beim Braten oder bei starkem Kochdunst
WARTUNG
N.B. Vor sãmtlichen Wartungs- und Reparaturarbeiten bzw. vor Auswechseln der Lampen muss die Stromzufuhr zum Gerät unterbrochen werden.
- Beleuchtung
Die Beleuchtung besteht aus zwei Lampen zu 40W. Beim Austausch einer Lampe ist wie folgt vorzugehen (Abb.10): einen der Stifte an der Lampenabdeckungsseite entfernen. Dann das Glas auf die Seite ohne Stift schieben, bis das gegenüberliegende Ende frei liegt und etwas senken. Die Lampen austauschen und die Glasabdeckung in umgekehrter Reihenfolge wieder montieren.
2.Filter
Je nach Einsatzhäufigkeit müssen die Metallfettfilter in angebrachten Zeitabständen (maximal alle 2 Monate) demontiert und mit warmem Seifenwasser bzw. im Geschirrspüler gereinigt und trocken wieder montiert werden (Aktivkohlefilter)dürfen keinesfalls gewaschen werden, sondern sind alle 2 Monate auszuwechseln).
- Pflege
Zur Außenreinigung der Haube ein mit Alkohol oder zweckentsprechenden, handelsüblichen Reinigungsmitteln angefeuchtetes Tuch verwenden. Scheuermittel sind zu vermeiden.
WICHTIG: Offene Flammen schädigen die Filter; deshalb wird davon abgeraten, Gaskochstellen ohne Kochtopbrennen zu halten. Die Maßnahmen zur Reinigung der Haube bzw. der Filter und das Auswechseln der Filter haben verbindlich gemäß unseren Vorschriften und in regelmäßigen Zeitabständen zu erfolgen, um Brandgefahr zu vermeiden.
ACHTUNG: Die Herstellerfirma übernimmt keine Haftung für Schäden, die durch unterlassene Wartung des Fettfilters (alle zwei Monate auswassen), unterlassenes Auswechseln des Aktivkohlefilters und Nichtbeachtung der obengenannten Anleitungen zur Montage und zum Elektronanschluss entstehen.

1

2

4


3
5

6

7

8

9

10

1


4


5

6

7

8

9

10
CE
Dieses Gerät entspricht den europäischen Niederspannungsrichtlinien 73/23/EWG zur elektrischen Sicherheit, den europäischen Richtlinien 89/336/EWG zur elektromagnetischen Verträglichkeit und den Richtlinien 93/68/EWG zur CE-Kennzeichnung
EinfachAnleitung