PAWDHWM300A - Wassererhitzer PANASONIC - Kostenlose Bedienungsanleitung
Finden Sie kostenlos die Bedienungsanleitung des Geräts PAWDHWM300A PANASONIC als PDF.
Benutzerfragen zu PAWDHWM300A PANASONIC
0 Frage zu diesem Gerät. Beantworten Sie die, die Sie kennen, oder stellen Sie Ihre eigene.
Eine neue Frage zu diesem Gerät stellen
Laden Sie die Anleitung für Ihr Wassererhitzer kostenlos im PDF-Format! Finden Sie Ihr Handbuch PAWDHWM300A - PANASONIC und nehmen Sie Ihr elektronisches Gerät wieder in die Hand. Auf dieser Seite sind alle Dokumente veröffentlicht, die für die Verwendung Ihres Geräts notwendig sind. PAWDHWM300A von der Marke PANASONIC.
BEDIENUNGSANLEITUNG PAWDHWM300A PANASONIC
Kindern ab 8 Jahren, Ältere und Personen, die aufgrund ihrer beschränkten physischen, sensorischen, geistigen Fähigkeiten, ihrer Unerfahrenheit oder Unkenntnis nicht in der Lage sind, das Gerät sicher zu benutzen, und die möglichen Gefahren nicht verstehen, dürfen das Gerät nicht ohne Aufsicht oder Anweisung benutzen.
Kinder sollenen mit dem Gerät nicht spielen.
Kinder sollen das Gerät nicht ohne Aufsicht von Erwachsenen reinigen oder warten.
Die Wärmepumpearf nur in senkrechter Lage transportiert werden,ausnahmsweisefarf sie um 35^ in jeder Richtung geneigt werden.Passen Sie auf,dass beim Transport das Gehause und einzelne vitale Teile nicht beschadigt werden.
Die Wärmepumpe ist nicht für Räume geeignet, in denen sich korrosive oder explosive Stoffe befinden.
An Schluss der Wärmepumpe an das elektrische Netzwerk muss im Einklang mit allen elektrischen Standards ausgährt werden. Zwischen der Wärmepumpe und dem Netzwerk muss eine Anlage für die Trennung von Polen im Einklang mit den nationalen Vorschriften eingebaut werden.
Die WärmepumpearfichtimBetriebsein,wnimWarmwasserspeicherkein Wasserist.DerAggregatkanndaber beschädigtwerden!
Die Installation des Gerätesarf nur im Einklang mit den gultigen Vorschriften und der Einleitungen des Herstellers von einem fachlich kompetenten Monteur ausgefuhrt werden.
Beim geschlossenen Drucksystem muss am Zulaufrohr unbedingt ein Sicherheitsventil mit einem Nominaldruck von 1 MPa (10 bar), das den Druckanstieg im Kessel um mehr als 0,1 MPa (1 bar) über den Nominaldruck verhindert, angebracht werden.
Aus dem Ablauf des Sicherheitsventils kann Wasser tropfeln, deswegen muss der Ablauf zum atmophärischen Druck geöffnet sein.
Ablauf des Sicherheitsventils muss in der Richtung nach unter in einem Bereich ohne Erfrierungsgefahr installiert werden.
Die einwandfrei Funktion des Sicherheitsventils mussen Sie regelmäßig kontrollieren und nach Bedarf Kalk entfern und eine eventuelle Blockade des Ventils beseitigen.
Zwischen die Wärmepumpe und das Sicherheitsventil damit kein Abschlussventil angebracht werden, weil dadurch die Funktion des Sicherheitsventils verhindert werden wurde!
Elemente der elektronischen Steurungseinheit stehen unter Spannung auch nach dem Ausschalten der Wärmpumpem mit dem Feld für die Ausschaltung (9).
Fur den Fall eines Ausfalls des Thermostats hat die Wärmpumpe eine zusätzliche Wärmesicherung, aber in thisem Fall kann das Wasser in der Wärmpumpe im Einklang mit den Sicherheitsstandards bis zu 130^ erhitzt werden. Bei der Installation der Wasserleitung muss darauf geachtet werden, dass solche Temperaturen auch möglich sind.
! Wenn die Wärmepumpe von der Wasserleitung getrennt wird, muss wegen der Einfrierungsgefahr das Wasser aus der Wärmepumpe ausgelassen werden.
Das Wasser wird durch das Einflussrohr des Kessels ausgelassen. Dafur soll zwischen das Sicherheitsventil und das Einflussrohr ein besonderer Teil oder ein Ablassventil angebracht werden.
Bitte, versuchen Sie nimals einen Schaden selbst zu beseitigen, sondern rufen Sie unseren nachsten befugten Kundendienst an.
An Schluss der Wärmpumpe an die Rohrleitung der Dunstabzugshaube oder der Luftabfuhr aus mehreren kleineren Wohneinheiten oder Apartments ist nicht erlaubt.
Falls die Temperatur der zusätzlichen Wärmequelle bei der Wasserzirkulation durch den Wärmeübertrager absinkt, kann es zu einer unkontrollierten Wärmeentnahme aus dem Warmwasserspeicher kommt. Beim Anschluss an andere Wärmequellen ist die richtige Ausführung der Temperaturregulierung der zusätzlichen Wärmequelle notwendig.
Beim Anschluss an die Solarempfänger als die äußere Wärmequelle muss das Aggregat der Wärmepumpe ausgeschaltet werden, sonst kann die Kombination von beiden Quellen das Sanitärwasser überhitzen, was einen zu hohen Druck verursachen kann.
Zirkulationsleitung verursacht zusätzliche Wärmeverluste im Warmwasserspeicher.
Unsere Produkte haben nur umweltfreundliche und unschädliche Bestandteile, die nach der letzten Lebensphase des Gerätes einfach demontiert und wiederverwendet werden können. Mit der Wiederverwendung von Materialen verringern wir die Menge von Abfall und den Bedarf an neuen Grundmaterialen (z. B. Metall), bei denen Herstellung viel Energie gebraucht und Schadstoffausstoße verursacht werden. Damit reduzieren wir den Verbrauch natürlicher Ressourcen, weil alte Plastik- und Metallteile wiederverwendet werden können.
Für mehr Informationen über die Entsorgung des Produktes wenden Sie sichitte an die zuständige städtische Stelle für Abfallentsorgung oder an das Geschäft, in dem Sie Ihr Gerät gekauft haben.
Sehr geehrter Kunde, wir danken Ihnen, dass Sie unser Produkt erworben haben. VOR DER INSTALLATION UND DEM GEBRAUCH DES WARMWASSERSPEICHERS MIT WÄRMEPUMPE LESEN SIE BITTE DIESE GEBRAUCHSANWEISUNG AUFMERKSAM DURCH.
Der Warmwasserspeicher mit Wärmpumpe ist nach gültigen Standards, die dem Hersteller die Anwendung des CE Zeichens erlauben, hergestellt. Die wesentlichen technischen Eigenschaften sind auf dem Produktsschild an dem hinteren oberen Teil des Gehäuses des Gerätes angegeben.
Der Warmwasserspeicher mit Wärmpumpearf nur von einem Fachmann angeschlüssen werden. Eingriffe in das Gerät wegen Reparaturen, Wassersteinbeseitigung, Überprüfung oder Austausch der Korrosionsschutzanode durren nur von einem zuständigen Installateur durchgefuhrt werden. Die Anleitungen fur die Handhabung im Fall eines Fehlers und fur den sicheren Gebrauch ihrer Wärmpumpe sind streng zu beachten.
Bewahren Sie diese Gebrauchsanweisung auf einer leicht zugänglichen Stelle auf, sodass Sie sie im Zweifelfall bei dem Betrieb oder Wartung schnell finden können.
Installation- und Gebrauchsanweisungen sind auch auf unserer Internetseite www.aircon.panasonic.eu auf einzelnen Seiten der Rubriken Service oder Kundendienst erhältlich.
Für gelegentliche Wartungsarbeiten können Sie jederzeit den befugten Kundendienst anrufen. Wir stehen Ohnen mit allen unseren Erfahrungen zur Verfugung.
Der Wärmwasserspeicher mit Wärmpumpe erhögt auch die Anwendung von anderen Wärmequellen, wie:
Zentralheizungskessel,
- Sonnenenergie,
Elektrhoeizkörper.
BETRIEBSBEECH
These Wärmepumpen werden hauptsächlich zur Erwärung von Nutzwasser im Haushalt und für andere Verbraucher geeignet, wo der Tagesverbrauch von Warmwasser (50 °C) nicht über 400 bis 700 l beträgt. Die Temperatur des Gerätes sollte so eingestellt sein, dass sie dem tatsächlichen Bedarf entspricht - empfohlen werden Temperaturen zwischen 45 und 55^ . Höhere Temperaturen sind nicht empfohlen, weil damit die Wirksamkeit schlechter und die Heizzeiten länger bzw. die Anzahl von Betriebsstunden größter wird. Da die Wärmepumpe beim Betrieb den Raum abkühlt, ist die Nutzbarkeit der Wärmepumpe zweifach (Wassererwärung und Raumkürlung). Der Betrieb der Wärmepumpe ist vollig automatisch.
Das Gerät muss an das Sanitärwasserleitungsnetz angeschlüssen werden. Für den Betrieb braucht das Gerät elektrische Energie. Die Luftabnahme und die Luftzufuhr kann auch aus einem bzw. in einen Nebenraum ausgeführrt werden. Für eine einfachere Kontrolle und für die Wechselung der Magnesiumanode empfehlen wir Ihnen genug Raum über dem Gerät frei zu halten (Bild 4). Eine andere Anwendungsweise, die nicht in der Gebrauchsanweisung stehen, ist nicht erlaubt. Das Gerät ist nicht für Räume geeignet, in denen sich korrosive oder explosive Stoffe befinden.
Der Hersteller übernimmt keine Haftung für Schaden wegen einer ungeeigneten Montage oder Anwendung, die nicht im Einklang mit den Anweisungen des Herstellers für die Montage oder Anwendung ist.
Die Gebrauchsanweisung ist ein Bestandteil des Gerätes und muss den Kunden übergeben werden. Anwendungshinweiseitte sorgfältig lessen, weil darüber wichtige Informationen fur eine sichere Montage, Anwendung und Wartung enthalten sind. Bewahren Sie.
these Bedienungsanleitungen fur später auf.
Die Bezeichnung der Wärmepumpe befindet sich auf dem Produktschild am hinteren oberen Teil des Gehäuses des Gerätes.
Nach dem Sie die Verpackung öffnen, überprüfen Sie den Inhalt. Im Zweifelfall kontaktieren Sie ihren Lieferanten. Einzelne Teile der Verpackung (Zwingen, Plastikfolien, expandierter Polystyrol usw.), die eine potenzielle Gefahrquelle darstellen, nicht in Reichweite von Kindern oder in die Umwelt ablegen.
Die Wärmepumpe ist nicht für Räume geeignet, in denen sich korrosive oder explosive Stoffe befinden.
Die Wärmepumpearfurin senkrechter Lage transportiert werden,ausnahmsweisefarssum 35^ ineJed Richtunggeneigtwerden.PassenSieauf,dassbeimTransportdasGehauseundeinzelnvitaleTeile nicht beschadigtwerden.
LAGERUNG UND TRANSPORT
Die Wärmepumpearf nur in senkrechter Lage in einem trockenen und sauberen Raum gelagert werden.
| Typ | PAW-DHWM200A | PAW-DHWM300A | PAW-DHWM300AE | |
| Anwendungsprofil | L | XL | XL | |
| Energieeffizienzklasse | A | A | A | |
| Energieeffizienz bei Erwärung von Wasser in ηwh1) | % | 124 | 135,6 | 134,4 |
| Jährlicher Energieverbrauch1) | kWh | 821 | 1235 | 1247 |
| Täglicher Energieverbrauch1) | kWh | 3,891 | 5,722 | 5,785 |
| Einstellung der Thermostat des Thermostats | °C | 55 | 55 | 55 |
| Lautstärke in Innenräumen3) | dB (A) | 59/58 | 59/58 | 59/58 |
| Smart-Wert | 0 | 0 | 0 | |
| Volumen | I | 208,0 | 295,0 | 276,0 |
| Mischwasser bei 40°C und V402) | I | 265 | 395 | 368 |
| Mögliche Sicherheitsmaßnahmen(Montage, Installation, Wartung) | Nach dem Druckanschluss ist die Anwendung von Sicherheitsventilnotwendig. | |||
| Technische Eigenschaften | ||||
| Erwärungszeit A15 / W10-55 24) | h:min | 5:17 | 8:05 | 8:00 |
| Erwärungszeit A7 / W10-555) | h:min | 6:10 | 9:40 | 9:39 |
| Energieverbrauch bei dem Emissionszyklus A15 / W10-554) | kWh | 3,95 | 5,65 | 5,75 |
| Energieverbrauch bei dem Emissionszyklus A7 / W10-555) | kWh | 4,05 | 5,77 | 5,96 |
| COPDHw A15/W10-554) | 3,07 | 3,39 | 3,38 | |
| COPDHw A7/W10-555) | 3,00 | 3,33 | 3,30 | |
| Leistung in Ruhezustand5) | W | 28 | 18 | 20 |
| Kühmittel | R134a | R134a | R134a | |
| Menge des Kühmittels | g | 1100 | 1100 | 1100 |
| Arbeitsbereich | °C | -7 ÷ 35 | -7 ÷ 35 | -7 ÷ 35 |
| Luftstrombereich | m3/h | 220-450 | 220-450 | 220-450 |
| Druckabfall bei 330 m3/h (60%) | Pa | 100 | 100 | 100 |
| Elektrische Eigenschaften | ||||
| Nennleistung des Kompressors | W | 490 | 490 | 490 |
| Leistung der Heizkorper | W | 2000 | 2000 | 2000 |
| Maximalle Anschlussleistung ohne/mit Heizkorper | W | 490/2490 | 490/2490 | 490/2490 |
| Spannung | V/Hz | 230/50 | 230/50 | 230/50 |
| Elektrische Sicherung | A | 16 | 16 | 16 |
| Feuchtigkeitsschutzgrad | IP24 | IP24 | IP24 | |
| Wasserbehälter | ||||
| Korrosionsschutz des Kessels | Emailliert / Magnesiumschaftsanode | |||
| Nenndruck | MPa | 1,0 | 1,0 | 1,0 |
| Höchste Wassertemperatur der Wärmpumpere | °C | 65 | 65 | 65 |
| Höchste Wassertemperatur des el. Heizkorpers | °C | 75 | 75 | 75 |
| AnschlussgröBe | ||||
| Höhe (gesamt) | mm | 1540 | 1960 | 1960 |
| Breite | mm | 670 | 670 | 670 |
| Tiefe | mm | 690 | 690 | 690 |
| Anschlüsse an die Wasserleitung | G1 | G1 | G1 | |
| Dimension der Luftanschlüsse | mm | Ø160 | Ø160 | Ø160 |
| Beheizte Flächwe Wü-unten | / | / | 2,7 | |
| Beheizte Flächwe Wü-oben | m2 | / | / | / |
| Anschlüsse des WÜ | - | - | G1 | |
| Netto/Brutto/Masse mit Wasser | kg | 149/157/365 | 164/172/459 | 207/215/480 |
| Temperatur des Heizmediums im WÜ | °C | / | / | 5 ÷ 95 |
| TransportgröBe | ||||
| GröBe des Pakets | mm | 800x800x1765 | 800x800x2155 | 800x800x2155 |
1) Direktive 812/2013, 814/2013, EN16147:2011
2) nach EN16147:2011
3) nach EN12102:2013 (60% Geschwindigkeit des Ventilators - Kanalsystem / 40% Geschwindigkeit des Ventilators - Raumluft)
4) Temperatur der Eingangsluft 15^ , 74% Luftfeuchtigkeit, Wassertemperatur von 10 bis 55 °C nach EN16147:2011
5) Temperatur der Eingangsluft 7^ , 89% Luftfeuchtigkeit, Wassertemperatur von 10 bis 55 °C nach EN16147:2011



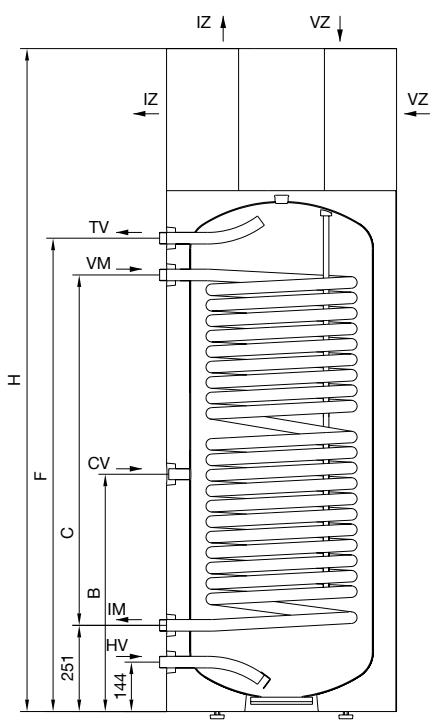
BEGRIFFSERKLÄRUNG
PT Wärmeübertrager
HV Kaltwasserzufuhr (blaue Rosette)
IM Medienausgang PT (schwarze Rosette)
CV Umlaufleitung (schwarze Rosette)
VM Medieneingang PT (schwarze Rosette)
TV Warmwasserablauf (rote Rosette)
J1 Fuhlerkanal
J2 Fuhlerkanal
VZ Lufteingang
IZ Luftausgang
| PAW-DHWM200A | PAW-DHWM300A | PAW-DHWM300AE | |
| A (mm) | 1170 | 1560 | 1560 |
| B (mm) | 580 | 690 | 690 |
| C (mm) | / | / | 1020 |
| F (mm) | 975 | 1375 | 1375 |
| H (mm) | 1540 | 1930 | 1930 |
| I (mm) | 615 | 840 | 840 |
| J1 (mm) | / | / | 790 |
| J2 (mm) | / | / | 1300 |
| HV | G1 | G1 | G 1 |
| IM | / | / | G 1 |
| CV | G3/4 | G3/4 | G3/4 |
| VM | / | / | G 1 |
| TV | G 1 | G 1 | G 1 |
Bild 1: Anschluss- und Montagegroße des Behalters [mm]
INSTALLATION DER TEMPERATURFÜHLER FÜR EXTERNE WÄRMEQUellen
Auf der linken Seite des Warmwasserspeichers wurden Kanäle angelegt (J1, J2), in die Temperaturfuhler zur Regelung der Systemverbindung des Speichers mit externen Wärmequellen eingesetzt werden konnen. Maximaler Durchmesser des Führlers beträgt 8 mm. Länge des Führlerkanals beträgt 180 mm.
Der Temperaturfuhler wird in den Kanal eingesetzt und fixiert:
- Wenn Sie den Temperaturfuhler hoher anbringen als empfohlen, reagiert der Wärmeregler Schneller, die Betriebszeiten der Umlaufpumpe werden kürzer und der Unterschied zwischen der Wassertemperatur im Speicher und dem Wärmekorper nach Abschalten des Wärmereglers wird größter, weswegen die Menge kleiner und die Temperatur des Wassers im Speicher niedriger wird.
- Wenn Sie den Temperaturfuhler niedriger einsetzen als empfohlen, werden die Betriebszeiten der Umlaufpumpe länger und der Unterschied zwischen Heizkörpers temperatur und der im Speicher vorherrschenden Temperatur niedriger, weswegen die Menge größter und die Temperatur des Wassers im Heizkorper*höher wird.
INSTALLATION DES WARMWASSERSPEICHERS MIT WÄRMEPUMPE
Der Warmwasserspeicher mit Wärmpumpe kann mit Raumluft oder gesteuerter Luft eingesetzt werden.
Um einen Unterdruck im Gebäude zu vermeiden muss in die Räume genug frische Luft zugeführrt werden. Die gewünschte Stufe des Luftflusses für ein Wohngebäude beträgt 0,5. Das bedeutet, dass dieGPCe Luftmenge im Gebäude alle 2 Stunden gewechselt wird.
BETRIEB MIT RAUMLUFT
Beim Betrieb mit Raumluft wird zum Erwärmen des Nutzwassers nur die Energie der Luft aus dem Raum eingesetzt. Der Warmwasserspeicher mit der Wärmpumpe kann in einem trockenen Raum, wo keine Frostgefahr besteht, falls möglich in der Höhe von anderen Wärmequellen, mit Temperaturen von 7 bis 35^ und minimaler Groß von 20m^3 aufgestellt werden. Im Allgemeinen empfehlen wir einen ausreichend großen und luftigen Raum mit einer Temperatur zwischen 15^ in 25^ , was die optimalen Betriebsbedingungen für die Wärmpumpe ermöglich. Bei der Auswahl des Raumes zur Aufstellung des Warmwasserspeichers mit Wärmpumpe ist kein den oben genannten Hinweisen auch besondersena durch zu achten, dass der ausgewählte Raum staubfrei ist, weil der Staub besonderss schädigend auf die Funktion der Wärmpumpe wirkt. Weil es beim Betrieb mit Raumluft zu keinen Druckabfall kommt, kann es durchaus sinnvoll sein, die Geschwindigkeit des Ventilators von den eingestellten 60% auf 40% umzustellen (sehen Sie auch folgende Kapitel), um den Lärn zu mindern.
Der Warmwasserspeicher mit Wärmpumpe erhöglich verschiedene Variationen der Ein- und Ausgangsöffnungen (Bild 2).
Für die Raumluft ist die Beste Variante mit seitlichen Anschlüssen für die Zu- und Abfuhr der Luft, damit die Luft so weniger wie möglich vermischt wird.




Bild 2: Verschiedene Variationen der Ein- und Ausgangsöffnung
BETRIEB MIT GESTEUERTER LUFT
Beim Betrieb mit gesteuerter Luft führt die Wärmpumpe die Luft aus anderen Räumen über das Rohrsystem ein und aus. Die Rohrleitung soll ausreichend wärmeisoliert werden, sodass es zu keiner Kondensatbildung kommt. Bei der Luftaufnahme von außen ist der Außenteil entsprechend mit einem Gitter zu decken, sodass keine größeren Staubteilchen oder Schnee in das Geräte eindringen. Um eine konstante und wirkungsvolle Leistung der Wärmpumpe zu gewährleisten, konnen Sie Richtungsklappen installieren. Sie nehem den Luft aus dem Raum oder von außen auf und führen sie dann wieder zurück in den Raum oder nach außen. Die Mindesttemperatur der aufgenommenen Luft soll immer der Produktspezifikation entsprechen (sehen Sie die Tabelle mit technischen Eigenschaften).

Bild 3: Betrieb mit gesteuerter Luft
BESTIMMUNG VON DRUCKABFALL BEIM ROHRLEITUNGSSYSTEM DER LUFTZUUFUHR BZW. -ABFUHR
Die Wärmepumpe ermöglich verschiedene Variationen der Rohranschlüsse für die Ein- und Ausgangsluft. Es empfeht sich solche Anschlüsse zu verwenden, die die einfache Verbindung des Gerätes mit dem Kanalsystem ermögen. Beim Planen des Rohrkanalsystems für die Luftzufahr bzw. -abfuhr in die oder aus der Wärmepumpe ist die aerodynamische Charakteristik des Ventilators der Wärmepumpe von entscheidender Bedeutung, Denn diese zeigt den verfügbaren Verlust des statischen Drucks. Die im Diagramm gezeigte aerodynamische Charakteristik ist als Druckabfall in Abhängigkeit vom Luftdurchfluss darestellt. Der Arbeitspunkt des Ventilators der Wärmepumpe befindet sich bei 100 Pa des statischen Drucks bzw. beim Luftdurchfluss von 330~m^3 /h . Der noch annehmbare Abfall des statischen Drucks in der Luftrohrleitung ist bei unseren Wärmepumpen p = 100 Pa. Falls die Ausrechnungen höhere Druckabfälle aneigen, kann die Geschwindigkeit des Ventilators erhöht werden. Die erhöhte Geschwindigkeit ist effektiv bis 80% , nach thisem Wert wird der Luftdurchfluss nicht groBer, nur der Larm, deswegen empfehlen wir diese Werte nicht.
Das Diagramm zeigt die folgenden Bereiche an:
- Hocheffektiver Bereich - großer Luftdurchfluss (über 300m^3/h ) mitkleineren Druckabfällen (Montage ohne oder mit kurzen Kanälen) und der Einstellung des Ventilators bei 60 oder 80% .
- Arbeitsgebiet - mittelgroßer Luftdurchfluss (zwischen 200 und 300m^3/h ) mit der Einstellung des Ventilators bei 40% minimalen Druckabfällen oder bei der Einstellung 60 bis 80% und Druckabfällen zwischen 50 und 300 Pa.
- Erweiterter Bereich erfasst eine breitere Vielfalt von Einstellungen und hohen Druckabflänen. Diese Bereich darf nur benutzt werden, wenn die Lufttemperatur über 20^ beträgt. Wenn das nicht der Fall ist, wird die Effektivität schlechter.

Bild. 4: Aerodynamische Charakteristik des Ventilators der Wärmpumper
Die Werte des gesamten Abfalls des statischen Drucks werden durch das Addieren von Verlusten einzeln im Luftrohrleitungssystem eingebauten Elemente berechnet. Die Werte des Abfalls des statischen Drucks einzeln Elemente (Abfall des statischen Drucks der Elemente beziehen sich auf einen Innendurchmesser von 150 mm) sind in der Tabelle angezeigt.






Bild 5: Darstellung der Grundelemente für die Luftzufahr bzw. -abfuhr
Einzelne Elemente und deren Druckabfall
| Element | Statistischer Druckabfall |
| a) Bogen 90° | 5 Pa |
| b) Bogen 45° | 3 Pa |
| c) Flexibles Rohr | 5 Pa/m |
| d) Spirorohr | 3 Pa/m |
| e) Sauggitter | 25 Pa |
| f) Dachöffnung für die Abluft | 10 Pa |
Die Berechnungen der Druckabfälle sind nur informativ. Für eine genaue Berechnung des Luftflusses muss eine detailierte Charakteristik der eingebauten Elemente vorgelegt werden oder Sie wenden sich an ihren Projektanten. Nach der Ausführung soll der Durchfluss auch gemessen werden. Die Gesamtverluste des statischen Drucks werden durch das Addieren von Verlusten einzelner im Luftrohrleitungssystem eingebauten Elemente berechnet. Der empfohlene Nominalbetrieb ist bei einem gesamten Druckabfall von ca. 100 Pa. Bei einem kleineren Durchfluss fallen die COP-Werte.
Beispiel einer Berechnung
| Zahl der Elemente | Δp (Pa) | ΣΔp (Pa) | |
| Bogen 90° | 4 | 5 | 20 |
| Flexibles Rohr | 8 | 5 Pa/m | 35 |
| Sauggitter | 1 | 25 | 25 |
| Dachöffnung für die Abluft | 1 | 10 | 10 |
| Zusammen | 100 |

Anschluss der Wärmepumpe an die Rohrleitung der Dunstabzugshaube oder der Luftabfuhr aus mehreren kleineren Wohneinheiten oder Apartments ist nicht erlaubt.
Beim Betrieb der Wärmpumpe kommt es im Aggregat zur Kondensatbildung. Das anfallende Kondensat ist durch das flexible Abflussrohr 016 mm an der Rückenseite der Wärmpumpe abzuleiten. Die Menge des Kondensats hangt von der Lufttemperatur und der Luftfeuchtigkeit ab.

Bild 6: Anschluss an die Wasserleitung - Ableitung des Kondensats
Zur Lärm- und Vibrationsminderung des eingebauten Ventilators sind die folgenden Masnahmen zu berücksichtigten, damit die Nachbarräume (Schlafräume, Wohnräume) nicht durch die Betriebsgeräusche und Vibrationen, die durch die Wände übertragen werden, gestört werden:
- Einbau von flexiblen Verbindungen für die hydraulischen Anschlüsse
- Einbau des flexiblen Rohrs für die Rohrleitung der Ab-/Zuluft
- Schwingungsisolierung für die Wandöffnungen
- Schalldämpfer für Ab-/Zuluft
- Rohrleitungen für Ab-/Zuluft mit Schwingungssolatoren befestigen
- Schwingungsisolierung des Bodens
- Anwendung von Stellfußen.
ANSCHLUSS AN DIE WASSERLEITUNG
Der Anschluss an die Wasserleitung erfolgt durch die markierten Anschlüsse aus dem vorherigen Kapitel.
Aus Sicherheitsgründen ist am Zulaufrohr unbedingt ein Sicherheitsventil anzubringen, das den Druckanstieg im Kessel um mehr als 0,1 MPa (1 bar) über Nominaldruck verhindert. Der Ablauf aus dem Sicherheitsventil muss zum atmospharischen Druck geöffnet sein. Die einwandfrei Funktion des Sicherheitsventils müssen Sie regelmäßig kontrollieren und nach Bedarf Kalk entfernen und eine eventuelle Blockade des Ventils beseitigen. Bei der Kontrolle müssen Sie den Ablauf aus dem Sicherheitsventil offen (mit einem Hebel oder einer Schraubenmutter - abhängig von dem Typ) und darauf muss aus der Ausgangsdüse des Ventils Wasser rausfließen, was bedeutet, dass das Ventil einwandfrei ist. Beim Erwärmen des Wassers steigt der Wasserdruck im Kessel bis zu der am Sicherheitsventil eingestellen Grenze. Da das Wasser nicht zurück ins Leitungssystem kann, konnen Wassertröpfchen aus der Ablauföffnung des Sicherheitsventils austreten. Das Tropf Wasser wird über einen Auffang, der unter dem Sicherheitsventil anzubringen ist, in das Abflusssystem geleitet. Das Abflussrohr, das sich unterhalb des Ventilablaufs befindet, ist geradlinig nach unten und in frostfreier Umgebung anzubringen.
Gibt es wegen einer unsachgemäß ausgeführten Installation keine Möglichkeit, das tropfende Wasser aus dem Sicherheitsventil in den Ablauf zu leiten, kann man das Tropfeln vermeiden, indem ein Expansionsbehälter am Zulaufrohr des Warmwasserbereiters eingebaut wird. Das Volumen des Expansionsbehalters beträgt mindestens 5% des Speichervolumens.
Der Warmwasserspeicher kann ohne Reduktionsventil an das Hauswasserleitungssystem angeschlüssen werden, wenn der Druck im System niedriger als der vorgeschriebene Druck auf dem Produktsschild ist. Soltte dies nicht der Fall sein, muss ein Druckreduktionsventil eingebaut werden, damit der Druck beim Wasserzulauf in den Warmwasserbehälter den Nennwert nicht übersteigt.

Bild 7: Geschlossener (Druck-)System
BEGRIFFSERKLÄRUNG
1 Abspervertil
2 Druckreduktionsventil
3 Sicherheits-Sperrventil
4 Expansionsbehälter
5 Ablassventil
6 Flexibles Rohr
H Kaltwasser
T Warmwasser

Die Wärmepumpearfichtim Betriebsein,wen im Warmwasserspeicherkein Wasserist.DerAggregatkanndabei beschadigtwerden!
ANSCHLUSS AN ANDERE WÄRMEQUellen
Der Warmwasserspeicher mit Wärmpumpe erhögt die Aufbereitung von Sanitärwasser über ein oder zwei Wärmetauscher mit entsprechenden Energiequellen (z. B. Zentralheizung, Sonnenenergie usw.).
Verbindungsmöglichkeiten mit entsprechenden Wärmequellen zeigen die unteren Skizzen an.

Bild 8: Anschluss an andere Wärmequellen

Falls die Temperatur der zusätzlichen Wärmequelle bei der Wasserzirkulation durch den Wärmeübertrager absinkt, kann es zu einer unkontrollierten Wärmeentnahme aus dem Warmwasserspeicher kommt. Beim Anschluss an die anderen Wärmequellen ist die richtige Ausführung der Temperaturregulierung der zusätzlichen Wärmequelle notwendig.

Beim Anschluss an die Solarempfänger als die äußere Wärmequelle muss das Aggregat der Wärmepumpe ausgeschaltet werden, sonst kann die Kombination von beiden Quellen das Sanitärwasser überhitzen, was einen zu hohen Druck verursachen kann.

Zirkulationsleitung verursacht zusätzliche Wärmeverluste im Warmwasserspeicher.
ANSCHLUSS AN DAS STROMVERSORGUNGSNETZ
Fur den Anschluss des Warmwasserspeichers mit Wärmpumpe brauchen Sie eine Steckdose, die fur eine Belastung von 16 A geeignet ist.
Der Anschluss der Wärmepumpe an das Stromversorgungsznet ist im Einklang mit den Standards für die Stromversorgung durchzuführen. Zwischen der Wärmepumpe und dem Netzwerk muss eine Anlage für die Trennung von Polen des Stromversorgungsznetes im Einklang mit den nationalen Installationsvorschriften eingebaut werden.

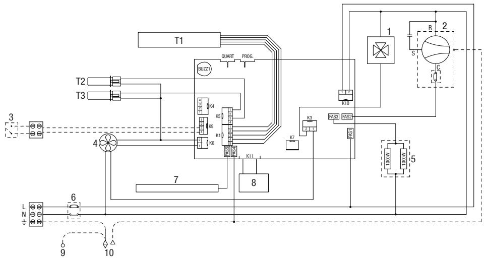
Bild 9: Elektroschaltbild
ZEICHENERKLÄRUNG
T1 Schalteiste
T2 Temperaturfuhler - Kessel
T3 Temperaturfuhler - Umgebung
1 4-Wege-Ventil
2 Kompressor
3 PV-Funktion
4 Ventilator
5 Heizkörper (2 x 1000W)
6 Wärmesicherung
7 Mg-Anode
8 LCD-Bildschirm
9 Erdung des Gehäuses (Beim Metallgehause)
10 Erdung des Kessels
Die Wärmepumpe wird mit dem LCD-Bildschirm mit einer berührungsempfindlichen Oberfläche (Bild 10) gesteuert. Wenn Sie den Bildschirm berühren, erleucht et er. Danach werden die Steuerungsfelder am Bildschirm aktiv.
Nach dem Anschluss der Wärmpumpe an das elektrische Spannungssnetz und die Wasserleitung und nachdem es mit Wasser besteht wurde, ist das Gerät Funktionsbereit. Die Wärmpumpe erwartet das Wasser von 10^ - 65^ . Von 65^ - 75^ wird das Wasser mit dem elektrischen Heizkörper erwartet.

Bild 10: Steuerungsbildschirm
ZEICHENERKLÄRUNG
1 Anzeige der PV-Funktion
2 Einsatzung der Belüfung / des Ersatzregimes
3 Anzeige des Ersatzregimes
4 Anzeige von Funktionstörungen, Eingang zum Service-Menu
5 Anzeige und Einstellung von Temperatur in ^ C
6 Einschaltung und Einstellung des Urlaub-Programms
7 Anzeige des Wochentages (1. Montag, ..., 7. SO)
8 Reduzierung des Wertes
9 Ein-/Ausschaltung der Wärmepumpe
10 Erhöhung des Wertes
11 Einsatzung und Einstellung der Zeit-Programme
12 Anzeige und Einstellung der Zeit
13 Einschaltung der TURBO-Erwärnung
14 Anzeige der Operation des Heizkörpers
15 Einschaltung des höchsten Temperaturniveauaus
16 Anzeige der Operation des Kompressors
17 Anzeige der Operation der Antilegionellenfunktion
18 Anzeige der Menge von Warmwasser
19 Anzeige für Enteisung
20 Anzeige der Operation des Ventilators
Ein-/Ausschaltung der Wärmpumper
- Für die Einschaltung der Wärmpumpe drücken Sie das Symbol in Feld 9.
Zuerst wird der Ventilator eingeschaltet, der 1 Minute lang lauft (Symbol 20 wird angezeigt). Wenn die Temperatur der Eingangsluft geeignet ist, wird noch der Kompressor eingeschaltet und die Wärmpumpe Funktioniert im Normalregime (Symbole 16 und 20 werden angezeigt). Die Wärmpumpe ist eingeschaltet, Bildschirm ist nicht erleuchtet.
Nach 60 Sekunden nach der letzten Betätigung des Bildschirms wird die Beleuchtung ausgeschelt, was auf die Funktion der Wärmpumpe keinen Einfluss hat. Wenn Sie den Bildschirm berühren, erleuchtet er wieder.
Für die Einschaltung bei niedrigeren Temperaturesieren Sie "Operation bei niedrigen Temperatures".
- Mit einem längeren Druck auf das Feld 9 wird die Wärmpumpe ausgeschaltet.
- Das Gerät ist ausgeschaltet, am Bildschirm wird nur Feld 9 angezeigt. (Wenn Sie die Wärmepumpe für eine längerere Zeit ausschalten, halten Sie das Wasser ausfliesen, damit es nicht erfrieren kann).
Schutz beim Stromausfall
Im Fall eines Stromausfalls bleiben die Einstellungen ein paar Stunden gespeichert.
Nach der Wiedereinschaltung Funktioniert die Wärmepumpe in demselben Regime als vor dem Stromausfall.
Operation bei niedrigen Temperaturen
Zuerst wird der Ventilator eingeschaltet, der 1 Minute lang lauft (Symbol 20 wird angezeigt). Wenn die Temperatur der Eingangsluft unter -7^ liegt, wird der Ventilator ausgeschaltet. Für die Erwärung des Sanitärwassers wird der Heizkörper eingeschaltet. Die Wärmpumpe Funktioniert in dem Reserveregime (Symbol 14 wird angezeigt). Die Möglichkeit einer Umschaltung zum Normalregime wird zyklisch überprüft. Wenn die Temperatur der Eingangsluft über -7^ liegt, schaltet die Wärmpumpe zum Normalregime um (Symbole 16 und 20 werden angezeigt). Der Heizkörper wird ausgeschaltet. Wärmpumpe ist eingeschaltet, Bildschirm ist nicht erleuchtet.
Bei niedrigen Temperatures wird bei Bedarf der Entfrostung-Zyklus des Verdampfers gestartet. Am Bildschirm wird Symbol 19 angezeigt. Felder 2, 4, 6, 11, 13 und 15 sind nicht aktiv. Entfrostung tauert so lange, bis die Bedingungen fur eine normale Operation der Wärmpumpe erreicht sind. Nach einer erfolgreichen Entfrostung schaltet die Wärmpumpe zum Normalregime um (Symbole 16 und 20 werden angezeigt).
Wenn die Entfrostung nicht erfolgreich ist, meldet der Kontroller einen Fehler. Feld 4 am Bildschirm fängt an zu blinken und Warnsignale werden ausgelöst. Im Feld 12 wird das Fehler E247 angezeigt und die Wärmpumpe schaltet automatisch auf die Erwärung mit dem Heizkörper um. Auf dem Bildschirm wird Symbol 14 angezeigt. Die Anzeige des Fehlercodes kann jederzeit gelöscht werden mit einem Druck auf Feld 4. Im Feld 12 wird wieder die Zeit angezeigt.
Einstellung der Zeit und des Wochentages
- Drücken und halten Sie Feld 12 bis im Feld 7 die blinkende Nummer des Wochentages angezeigt wird.
- Mit Feldern + und - stellen Sie den Wochentag ein (1.. Montag, ..., 7.. Sonntag).
- Drücken Sie noch mal auf Feld 12 (eine blinkende Anzeige von Stunden wird angezeigt).
- Mit Feldern + und - stellen Sie die Stunden ein (mit einem längeren Druck auf + oder - gehen die Auswahl schneller).
- Drücken Sie noch mal auf Feld 12.
- Eine blinkende Anzeige von Minuten wird angezeigt.
- Mit Feldern + und - stellen Sie die Minuten ein (mit einem längeren Druck auf + oder - gehen die Auswahl schneller).
- Drücken Sie noch mal auf Feld 12, um die Einstellungen zu speichern, oder warten Sie bis Feld 12 aufhört zu blinken.

Bild 11: Einstellung der Temperatur, Einschaltung der TURBO- und HOT-Funktion
Einstellung der Temperatur
- Drücken Sie auf Feld 5 (die blinkende Temperaturanzeige erscheint).
- Mit Feldern + und - stellen Sie die Temperatur zwischen 10 und 75^ C an - die voreingestellte Temperatur ist 55^ C .
- Drücken Sie noch mal auf Feld 5, um die Einstellungen zu speichern, oder warten Sie bis Feld 5 aufhört zu blinken. Nach ein paar Sekunden wird die aktuelle Temperatur angezeigt. Die empfohlene Temperatureinstellung für einen normalen Betrieb bei minimalen Anforderungen ist zwischen 45 und 55^ . Höhere Temperatures sind nicht empfohlen, weil damit die Effektivität (COP) schlechter und die Erwärmmungszeiten länger werden bzw. die Gesamtnummer der Betriebsstunden wirdHigher.
- Bei einem Stromausfall bleibt die letzte Einstellung gespeichert.
Einschaltung der TURBO-Funktion
- Falls Sie in einer kurzen Zeit mehr warmes Wasser brauchen, als es die Wärmepumpe normalerweise erwärmen kann, drücken Sie auf Feld 13 um die TURBO-Funktion einzuschalten. So werden gleichzeitig die Wärmepumpe und der elektrische Heizkörper aktiviert. Am Bildschirm werden Symbole 14, 16 und 20 angezeigt. Wenn die Temperatur 55^ erreicht wird, schaltet die Wärmepumpe die TURBO-Funktion aus und gehen zurück zu den vorherigen Einstellungen.
Einschaltung der HOT-Funktion
- Falls Sie das Wasser auf die maximale Temperatur von 75^ erwärmen wollen, drücken Sie auf Feld 15. Die Wärmpumpe erwärmt das Wasser bis 55^ . Am Bildschirm werden Symbole 16 und 20 angezeigt. Wenn die Temperatur im Kessel 55^ erreicht, wird der Heizkörper eingeschaltet, der das Wasser dann bis 75^ erwärt. AM Bildschirm wird Symbol 14 angezeigt. Wenn die Temperatur 75^ erreicht wird, schaltet die Wärmpumpe die HOT-Funktion aus und gehen zurück zu den vorherigen Einstellungen.
Anzeige der Menge von Warmwasser in der Wärmpumpe
Feld 18 zeigt die folgenden Symbole an:
- -kein warmes Wasser
- Kleinere Menge von Warmwasser
- [-] - größere Menge von Warmwasser
Einstellung des Urlaub-Programms
Im Urlaub-Programm stellen Sie die Anzahl von Tagen an (maximal 100), in denen die Wärmpumpe nur die Mindesttemperatur des Wassers aufrechterhalt (ungebung 10^ ).
- Drücken und halten Sie Feld 6 (Felder 5 und 6 fangen an zu blinken).
- Mit Feldern + und - stellen Sie die Urlaubstage ein, die im Feld 5 angezeigt werden.
- Drücken Sie noch mal auf Feld 6, um die Einstellungen zu speichern, oder warten Sie bis Feld 6 aufhört zu blinken.
- Falls Sie die Einstellung O eintragen, dann übergeht die Wärmpumpen nach der Bestätigung in die Normalfunktion, Feld 6 wird nicht mehr erleuchtet.
- Nachdem die eingestellen Urlabstage vergehen, Goes die Wärmpumpe darüber zu den vorherigen Einstellungen, Feld 6 wird nicht mehr erleucht.
Einstellung des Zeitprogramms
Be dem Zeitprogramm stellen Sie die Zeiten der Ein- und Ausschaltungen der Wärmpumpe ein. Bei jeder Kombination von Zeitintervallen konnen bis drei Zeitperioden eingestellt werden, in denen die Wärmpumpe das Wasser nicht erwärt.
a) Einstellung der Zeitperioden
- Drücken und halten Sie Feld 11 (Felder 7 und 11 fangen an zu blinken).
-
Mit Feldern + und - wahlen Sie eine von drei möglichen Kombinationen des Zeitprogramms:
-
Zeitprogramm für dieGPCe (imFeld 7blinkendie Nummern von1bis7),
- Zeitprogramm für die Perioden von Montag bis Freitag und von Samstag bis Sonntag (im Feld 7 blinken die Nummern 1 bis 5 und dann die Nummern 6 und 7),
-
Zeitprogramm für einzelne Tage (im Feld 7 blinken einzelne Nummern von 1 bis 7).
-
Für die Einstellung der Zeit drücken Sie Feld 12.
- Im Feld 5 wird „1OF“ angezeigt, Feld 12 blinkt.
- Mit Feldern + und - stellen Sie die Zeit der Ausschaltung der Wärmpumpe ein.
- Drücken Sie noch mal auf Feld 12.
- Im Feld 5 wird „1ON" angezeigt, Feld 12 blinkt.
- Mit Feldern + und - stellen Sie die Zeit der Einschaltung der Wärmepumpe ein.
- Wenn Sie dann noch mal auf Feld 12 drücken, können Sie nach dem oben beschriebenen Vorgang auch die zweite und die dritte Periode einstellen.
- Drücken Sie noch mal auf Feld 12, um die Einstellungen zu speichern, oder warten Sie bis Feld 6 aufhört zu blinken. Drücken Sie noch mal auf Feld 12.
b) Ein- und Ausschalten des Timers
- Drücken Sie auf Feld 11, um das eingestellte Zeitprogramm zu aktivieren.
- Die Wärmepumpe erwart das Wasser in den ON-Perioden (bis zu der eingestellen Temperatur) und wird in den OFF-Perioden ausgeschaltet.
- Drücken Sie noch mal auf Feld 11 um das Zeitprogramm zu deaktivieren.

Bild 12: Zeitperiodes
Einstellungen des Ventilators
Wenn der Druckabfall eingestellt ist, wahlen Sie die Funktion des Ventilators. Damit stellen Sie die Geschwindigkeit des Ventilators ein. Die entsprechende Funktion wahren Sie mithilfe des Diagramms (Bild 12), das die aerodynamischen Eigenschaften des Ventilators in Abhängigkeit von dem Luftfluss und dem Druckabfall in der Rohrleitung anzeigt.
Larm
Mit hohenen aerodynamischen Eigenschaften wird auch der Larm großer. Bei aerodynamischen Eigenschaften zwischen 80% und 100% ist ein erhöhtes Lärnniveau wahrzunehmen.
Struktur der Serviceniveauaus
Bild 13 zeigt die Struktur der Einteilung der Serviceniveauaus.

Bild 13: Struktur der Einteilung der Serviceniveau
Zugang zum Serviceniveau
- Drücken und halten Sie Feld 4 am Bildschirm (Bild 14), um die Serviceregime-Funktion einzuschalten.
- Der Zugangsmenu mit der Innschrift „Code" erscheint im Feld CLOCK, für die Eintragung des Codes (Felder FN1, FN2, FN3, FN4, FN5 und FN6 dieren Nummern 1, 2, 3, 4, 5, 6 für die Eintragung des Codes).

Bild 14: Felder auf dem Bildschirm
- Wenn 10 s kein Feld gedrückt wird, wechselt die Wärmepumpe automatisch zurück zum vorherigen Modus.
- Wenn ein falscher Code eingetragen wird, wird das Eingangsmenu automatisch geschlossen.
- Nachdem der richtige Code eingetragen wird, zeigt sich der ersten Parameter an, wobei die rechte Nummer die Nummer des Parameters und die linke Nummer der Wert des Parameters ist.
- Der erstige Parameter :00 ist die Version des Programmcodes und ist nur informativ.
- Wenn Sie auf die rechte Nummer drücken (das Feld CLOCK auf dem Bild 14),kommen Sie zum nachsten Parameter.
Montageniveau (Code 1166)
- Nachdem der richtige Code eingetragen wird, werden die folgenden Parameter zugänglich:
:00 Version des Programmncodes
:21 Einstellung der Geschwindigkeit des Ventilators 20, 25, ..., 95, 100
:27 Einstellung fur niedrige Temperatur YES/NO
:34 Einstellung der PV-Funktion YES/NO
:40 Einstellung der Luftung YES/NO
Einstellung der Geschwindigkeit des Ventilators (Parameter :21)
Wahlen Sie Parameter :21, mit Feldern (+) und (-) und stellen Sie die Geschwindigkeit des Ventilators ein (20-100%). Auf der linken Seite (Feld 5) wird der Wert der Einstellung angezeigt. Nachdem die Geschwindigkeit eingestellt ist, warten Sie, bis die Einstellung automatisch gespeichert wird, oder drucken Sie auf Feld 4.
Einstellung des Regimes für niedrige Temperatoren (Parameter :27)
Wahlen Sie Parameter :27, mit Feldern (+) und (-) und wahlen Sie das Temperaturregime der Wärmpumpe, abhängig von der Ausführung der Wärmpumpe.
Das Regime für niedrige Temperaturen kann nur gewählt werden, wenn die Wärmepumpe das ermöglich!****
Auf der linken Seite (Feld TEMP) wird die Einstellung angezeigt:
Yes - Ausführung der Wärmpumpe, Temperaturregime bis -7^ , System mit 4-Wege-Ventil
No - Ausführung der Wärmepumpe, Temperaturregime bis 7^ , System ohne 4-Wege-Ventil
Einstellung der PV-Funktion (Fotovoltaik) (Parameter :34)
Yes - Funktion ist aktiviert
No - Funktion ist deaktiviert
Einstellung der Luftung (Parameter :40)
Yes - Funktion ist aktiviert
No - Funktion ist deaktiviert
Antilegionellenfungtion
- Nur aktiv, wenn die Wärmepumpe lauft. Wenn aktiv, wird Symbol 17 angezeigt.
- Automatische Einschaltung: nach Bedarf um 24:00h, alle 14 Tage der Aktivität der Wärmpumpe.
Die Antilegionellenfunktion kann auch manuell mit einem Druck auf Feld 15 eingeschaltet werden.
Luftung
- Einschaltung der Funktion mit einem kurzen Druck auf Feld 2. Die Funktion wird nach 30 Minuten automatisch ausgeschelt.
- Wenn Sie das Feld noch mal kurz drücken, wird die Funktion ausgeschaltet.
- Wenn Sie die Wärmepumpe mit dem Knopf on/off ausschalten, wird auch die Funktion ausgeschelt.
- Falls es zu einem Stromausfall kommt, wird die Luftungsfungtion danach wieder fortgesetzt, bis der ganze Zyklus von 30 Minuten abläuft.
- Bei einem Fehler wird die Funktion ausgeschaltet.
-
Die Luftungsfunktion kann nicht eingeschaltet werden:
-
Wenn es zu einem Fehler kommt;
- Wenn die Antilegionellenfunktion aktiv ist;
- Wahrend der Entfrostung.
- Symbol 2 ist aktiv und wird angezeigt.
Reserveregime
- Einschaltung der Funktion mit einem längeren Druck auf Feld 2.
- Beim Reserveregime werden Heizkörper eingesetzt. Das Reserveregime wird eingeschaltet, wenn es zu einem Fehler des Aggregates kommt. Die Heizkorper erwärmen das Wasser bis zu der eingeselten Temperatur.
Die Funktion wird mit einem erneuten längeren Druck auf Feld 2 ausgeschaltet. - Symbol 3 wird angezeigt.
- Falls das Reserveregime eingeschaltet wird, muss sofort der Kundendienst kontaktiert werden.
Standanzeige
Antilegionellenfunktion:
- Funktion eingeschaltet - Kontrollfeld 17 wird angezeigt
- Funktion ausgeschaltet - Kontrollfeld 17 wird nicht angezeigt
Elektrischer Heizkörper:
Heizkörper eingeschaltet - Kontrollfeld 14 wird angezeigt
Heizkörper ausgeschaltet - Kontrollfeld 14 wird nicht angezeigt
Wärmepumpe:
- Wärmepumpe erwärmt das Wasser - Kontrollfeld 16 wird angezeigt
- Wärmepumpe erwärt nicht das Wasser - Kontrollfeld 16 wird nicht angezeigt
Ein-/Ausschaltung:
- Wärmepumpe ist eingeschaltet - Neben Kontrollfeld 9 werden auch andere Felder angezeigt
- Wärmepumpe ist ausgeschaltet - Nur Feld 9 wird angezeigt
Entfrostung:
- Funktion ist eingeschaltet - Kontrollfeld 19 wird angezeigt
- Funktion ist ausgeschaltet - Kontrollfeld 19 wird nicht angezeigt
Ein-/Ausschaltung des Ventilators:
- Ventiltor ist aktiv - Kontrollfeld 20 wird angezeigt
- Ventilator ist nicht aktiv - Kontrollfeld 20 wird nicht angezeigt
Einschaltung der Luftung (kurzer Druck auf Feld 2):
- Luftung ist eingeschaltet - Kontrollfeld 2 wird angezeigt
Einschaltung des Reserveregimes (längerer Druck auf Feld 2):
- Reserveregime ist eingeschaltet - Kontrollfeld 3 wird angezeigt
- Reserveregime ist ausgeschaltet - Kontrollfeld 3 wird nicht angezeigt
PV-FUNKTION (PHOTOVOLTAIC)
- Im Fall eines spannungsfreien Kontakts zwischen Klammer 1 und 2 ist die PV-Funktion aktiv (Bild 17).
- Im Fall eines spannungsfreien Kontakts zwischen Klammer 1 und 2 wird auf dem Bildschirm Feld 1 angezeigt.
- Für die Schliebung des spannungsfreien Kontakts muss mit der Fotovoltaik 800W elektrischer Leistung gewährleistet werden.
- Standardmäßig ist die Funktion nicht aktiv.
- Die Funktion kann in dem Montagemenü mit der Einstellung von Parameter 34 aktiviert werden.
- These Funktion hat Priorität vor dem Zeitprogramm!
- Die Funktion hat keinen Einfluss auf die Sicherheitseinschaltung.
- Bei der aktiven Antilegionellenfunktion wird die Antilegionellenfunktion ausgeführrt unbeachtet des Zustands des Kontakts.
Wirkung der Funktion (wenn die Funktion aktiv ist):
- Der Kontakt ist hergestellt und der Betrieb der Wärmpumpe wird erlaubt. Die Wärmpumpe erwart das Wasser bis zu der Maximaltemperatur der Wärmpumpe (sehen Sie die technische Tabelle). Der Heizkörper wird nicht aktiviert.
- Der Kontakt ist nicht hergestellt und der Betrieb der Wärmpumpe wird erlaubt. Die Wärmpumpe erwärmt das Wasser bis 40^ .
Öffnung des EPP-Servicedeckels
- An der unteren Seiteziehen und entfernen wir den kürzeren Teil des EPP-Servicedeckels.
- An der unteren Seiteziehen und entfernen wir den längeren Teil des EPP-Servicedeckels.
Anbringung in umgekehrter Reihenfolge.
Modelle PAW-DHWM200A
Sehen Sie Punkt 2, die bei Modellen PAW-DHWM300 angeführst ist.

Bild 15: Öffnung des EPP-Servicedeckels
Anschluss des PV-Moduls (Fotovoltaik)
Die Verbindung zwischen dem PV-Modul und der Wärmpumpe kann nur von einem dazu spezialisierten Experten durchgeführt werden. Auf der Rückseite der Wärmpumpe, unter der Seilverbindung, befindet sich der Anschluss für die PV-Funktion. Die Position des Anschlusses wird im Bild 16 dargestellt. Für den Anschluss benutzen Sie eine Seilverbindung mit Leitern von mindestens 0,5mm^2 Querschnitt (H05VV-F 2G 0,5 mm²) und mit einem maximalen Außendurchmesser von 10 mm. Der EPP-Servicedeckel muss damit entfern werden (sehen Sie das vorherige Kapitel).

Bild 16: Position des Anschlusses für die PV-Funktion (Fotovoltaik)
Verbinden Sie die Seilverbindung mit der Reihenklemme unter der Steuereinheit. Der Anschluss ist mit „PV" markiert. Benutzen Sie Positionen 1 und 2.

Bild 17: Anschluss des PV-Moduls (Fotovoltaik)
GEBRAUCH UND WARTUNG
Nach dem der Warmwasserspeicher mit Wärmpumpe an das Wassersystem sowie auch an die anderen Heizungssquellen angeschlossen wurde, ist er funktionsbereit. Falls die Gefahr besteht, dass das Wasser im Warmwasserspeicher erfrieren könnte, ist das Wasser aus dem Speicher zu entleeren. Dafür öffnen Sie den Heißwasser-Hahn an einer der Mischbatterien des Warmwasserspeichers. Das Wasser ist durch das dazu vorgesehene Auslassventil am Eingangsrohr zu entleeren.
Das Gehäuse des Warmwasserspeichers reinigen Sie mit einer milden Waschmittelösung. Verwenden Sie keine Verdünnings- und grobe Reinigungsmittel. Wenn die Wärmpumpe Staub ausgesetzt ist, können die Lamellen des Verdampfers ziemlich schnell verstopf werden, was sich nachteilig auf den Betrieb der Wärmpumpe auswirkt.
Durch regelmäßige Kontrollen werden eine einwandfrei Funktion und eine lange Lebensdauer Ihres Warmwasserspeichers mit Wärmpumpe gewährleistet. Die Garantie gegen Durchrostung des Kessels ist nur gültig, wenn die vorgeschrieben den Kontrollen von gebrauchten Schutzanoden durchgeführt wurden. Der Zeitraum zwischen einzelnen Kontrollen darf nicht länger als 36 Monate sein. Die Kontrollen müssen von einem bevollmächtigten Kundendienst durchgeführt und auf dem Garantieschein des Gerätes markiert werden. Bei der Prüfung sind die Abnutzungsveränderungen der Antikorrosionsschutzanode zu kontrollieren und bei Bedarf der Wasserstein zu entfernen, der sich je nach der Qualität, Menge und Temperatur des gebrauchten Wasser im Warmwasserspeicherinneren ansammelt. Der Kundendienst wird Ohnen nach der Kontrolle und hinsichtlich des festgestelltten Zustands auch den Termin für die{nachste Kontrolle empfehlen.
Trotz der sorgfälligen Herstellung und Kontrolle kann es beim Betrieb der Wärmpumpe zu Störungen kommt, die von einem Kundendienst-Fachmann beseitigt werden müssen.
Bevor Sie aber den Kundendienst anrufen, überprüfen Sie Folgendes:
- Ist die Stromversorgung in Ordnung?
- Gibt es Hindernisse für die austretende Luft (Eis am Verdampfer)?
- Ist die Umgebungstemperatur zu niedrig (Eis am Verdampfer)?
- Hört man den Betrieb des Kompressors und des Ventilators?
!Bitte, versuchen Sie niemals einen Schaden des Warmwasserspeichers oder der Wärmpumpe selbst zu beseitigen, sondern rufen Sie den nachsten Kundendienst an.

Abbildung 18: Explosionszeichnung
| Position | Ident.-Nr. | Bezeichnung | Menge | Gültigkeit |
| 1 | 458697 | Heizgerät 1000W | 2 | |
| 2 | 496134 | Dichtung 100/60X3 | 1 | |
| 5 | 506660 | Thermosicherung | 1 | |
| 6 | 543154 | Mg-Anode D26 | 1 | |
| 13 | 524462 | Flansch des Heizgerätes | 1 | |
| 27 | 765011 | Dichtung 180/114x3 | 1 | |
| 28 | 321732 | Abfūllventil | 2 | |
| 51 | 512464 | Rosette D80/D31X20 RD | 1 | |
| 52 | 512465 | Rosette D80/D31X20 BU | 1 | |
| 53 | 512463 | Rosette D80/D31X20 BK | 1 | PAW-DHWM200A PAW-DHWM300A |
| 53 | 512463 | Rosette D80/D31X20 BK | 3 | PAW-DHWM300AE |
| 62 | 765083 | Reguliereinheit M12x71 | 4 | |
| 69 | 407206 | Kompressor | 1 | |
| 69 | 519943 | Kompressor | 1 | |
| 88 | 419383 | Sicherung für das Motor | 1 | |
| 73 | 496119 | Verdampfer | 1 | |
| 73 | 496131 | Verdampfer | 1 | |
| 78 | 364934 | Entfeuchter 30 g | 1 | |
| 79 | 409396 | Kondensator 15mF | 1 | |
| 95 | 405088 | Elektronik | 1 | |
| 105 | 496009 | Ventilator | 1 | |
| 107 | 506710 | Temperaturfühler | 1 | |
| 111 | 531227 | Sensorleiste 200L | 1 | PAW-DHWM200A |
| 111 | 506529 | Sensorleiste 300L | 1 | PAW-DHWM300A PAW-DHWM300AE |
| 119 | 440608 | Thermo-Expansionsventil TUB-R134 | 1 | |
| 123 | 496006 | Deckel - vorne | 1 | |
| 124 | 496007 | Deckel - hintern | 1 | |
| 126 | 392462 | 4-Wege-Umschaltventil | 1 | |
| 127 | 451725 | Einwegventil | 1 | |
| 128 | 443882 | Spule des 4-Wege-Umschaltventils | 1 | |
| 138 | 535754 | Mantel 200 | 1 | PAW-DHWM200A |
| 138 | 517236 | Mantel 300 | 1 | PAW-DHWM300A |
| 138 | 517237 | Mantel 300-1 | 1 | PAW-DHWM300AE |
| 139 | 518197 | Deckel für die Elektronik | 1 | |
| 140 | 517324 | Folie für das Bildschirm | 1 | |
| 141 | 523139 | Deckel für den Servicekanal 200 | 1 | |
| 142 | 496135 | Deckel für den Servicekanal 300 | 1 | PAW-DHWM300A PAW-DHWM300AE |
Trotz der sorgfälligen Herstellung und Kontrolle kann es beim Betrieb der Wärmepumpe zu Störungen kommt, die von einem Kundendienst-Fachmann beseitigt werden müssen.
Fehleranzeige
- Bei einem Fehler des Gerätes werden akustische Signale ausgelöst und Feld 4 fängt an zu blinken. Wenn Sie auf Feld 4 drücken, wird im Feld 12 die Nummer des Fehlers angezeigt.
| Fehler | Beschreibung | Lösung |
| E004 | ·Einfrierung. Das Wasser in der Wärmpumpe ist kälter als 5°C | ·Kundendienst anrufen. |
| E005 | ·Überhitzung (Temperatur > 75°C, Ausfall des elektronischen Regulators). | ·Die Wärmpumpe aus der Steckdose ausstecken, Kundendienst anrufen. |
| E006 | ·Fehler der Mg-Anode. | ·Kundendienst anrufen (Wärmpumpe Funktioniert normal). |
| E007 | ·Fehler der Volumen-/Temperaturfühler. | ·Kundendienst anrufen. |
| E042 | ·Fehler der Antilegionellenfung. | ·Drücken Sie auf Feld 4 um den Fehler zu löschen. |
| E247 | ·Fehler bei der Entfrostung. | ·Automatische Einschaltung des elektrischen Heizkörpers. Nach dem Löschen des Fehlers Funktioniert das Aggregat wieder normal. |
| E361 | ·Fehler des Außenluftführlers | ·Kundendienst anrufen (automatische Einschaltung des elektrischen Heizkörpers). |
| E363 | ·Fehler des Entfrostungsfühlers. | ·Kundendienst anrufen (automatische Einschaltung des elektrischen Heizkörpers). |
WIR BEHALTEN UNS DAS RECHT VOR, ÄNDERUNGEN DURCHZUFühREN, DIE AUF DIE FUNKTIATIONALität DES GERÄTES KEINEN EINFLUSS HABEN.
Die Bedienungsanleitung ist auch auf unserer Internetseite erhältlich: www.aircon.panasonic.eu.
EinfachAnleitung