VG271UP - Monitor ACER - Manual de utilização gratuito
Encontre gratuitamente o manual do aparelho VG271UP ACER em formato PDF.
Baixe as instruções para o seu Monitor em formato PDF gratuitamente! Encontre o seu manual VG271UP - ACER e retome o controlo do seu dispositivo eletrónico. Nesta página estão publicados todos os documentos necessários para a utilização do seu dispositivo. VG271UP da marca ACER.
MANUAL DE UTILIZADOR VG271UP ACER
Instruções de segurança importantes
Leia atentamente as instruções que se seguem.
-
Para limpar o érá do monitor LCD: certificque-se de que o monitor tem a potência eletrica necessária para funcional com a alimentação de CA disponible na sua localização.
-
Desligue o monitor LCD e retire o cabo de alimentacao da corrente.
- Pulverize uma solucao de limpeza nao-solvente num pano e limpe cuidadosamente o ecra.
NUNCA PULVERIZAR OU DEITAR LIQUIDO DIRETAMENTE NO ECRÁ OU TAMPA. -
NÃO USAR PRODutos DE LIMPEZA COM AMONÍACO OU À BASE DE ÁLCOOL NO ECRA LCD OU NA TAMPA.
Acer no se responsabiliza por danos resultantes do uso de produits de limpeza com amonico ou a base de alcool. -
Nao colque o monitor LCD perto de uma janela. Expor o monitor a chuva, humidade ou luz solar pode provocar danos graves no mesmo.
- Não exerça pressão sobre o eira LCD. A pressão excessiva pode provocar danos permanentes no eira.
- Não remove a tampa nem tente efetuar reparações esta unidade por sua conta. Apenas um técnico autorizzato deve efetuar reparações de qualquer tipo.
- Guarde o monitor LCD numa divisao com uma temperatura entre os -20 e os 60^ (-4 a 140 F). Guardar o monitor LCD numa divisao foraarethinelvalo de temperatura poidovocar danos permanentes.
-
Perante qualquer um das situações abaixo, desligue de imediato o monitor da alimentação e contacte um técnico autorizzato:
-
O cabo de sinal Monitor para PC está desgastado ou danificado.
- Derrame de liquidos no monitor LCD ou o monitor está exposto a chuva.
Monitor LCD ou tampa danificados.
Instalar o monitor na base
- Retire o monitor da embalagem.
- Instale o apoio na base. (disponivel para modelos selecionados)
- Rode para a direita de forma a encaixar. Certifique-se de que a base está encaixaada no suporte. (disponível para modelos selecionados)
- Fixe a base no suporte apertando o parafuso com uma patilha ou uma moeda adequada. (disponível para modelos selecionados)
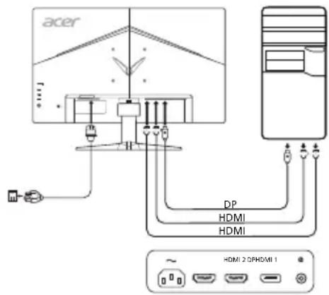
Ligar o monitor a um computador
- Desligue o monitor e desligue o cabo de alimentacao do seu computador.
- 2-1 Ligue o cabo DP (apenas nos modelos com entrada DP)
a. Certifique-se de que o monitor e o computations está desligados.
b. Ligue uma extremidade do cabo DP à parte posterior do monitor e a outra à porta do computador.
2-2 Ligue o cabo HDMI (apenas nos modelos com entrada HDMI)
a. Certifique-se de que o monitor e o computador está desligados.
b. Ligue o cabo HDMI ao computador.
- Introduza o cabo de alimentacao do monitor na porta de alimentacao situada na parte posterior do mesmo.
- Ligue os cabos de alimentacao do computador e do monitor a uma tomadora eletrica nas proximidades.

Controles externos
| NúmeroltemDescrição | ||
| 1 | Botão/indicador de alimentação | Liga/desliga o monitor. Azul indica alimentação ligada. Àmbar indica modo de espera/poupança enerética. |
| 2 | Tecla de atalho 1, 2 botões | Prima para ativar a função da tecla de atalho definida pelo utilizador. |
| 3 Botão Input Prima para alternar entre entradas. | ||
| 4 Botão Navi/OK | Prima para ativar o menu OSD. Em seguida, utilize-o como tecla direcional para的选择ar a função desejada. Prima-o novamente para aceitar a seleção. | |

Regulamentoções e avisos de segurarça
Aviso da FCC
Este dispositivo foi testado e considera-se estar em conformidade com os limites estabelecidos para um disposito digital de Classe B, estando de acordo com a secção 15 das normas da FCC. Estes limites foram concebidos para.Oferecer uma proteção razoavel contra interferências indesejáveis numa instalação residencial. Este equipamento gera,utiliza e pode emitir radiofrequencies e, se não for instalado e utilizesdo acordo com as instruções, pode causar interferências nocivas nas comunicações por rádio. No entanto, não existe qualquer garantia de que a interferência não ocorro numa instalação particular. Se este dispositivo provocar interferências nocivas na receção de rádio ou teileisao, facto que pode determinar ligando e desligando o disposito, recomenda-se que o Utilizador corrija as mesmas, recorreindo a uma ou mais das segunte medidas:
Reorientar ou reposicionar a antenna recetora.
- Aumentar a distancia entre o dispositivo e o recetor.
- Ligar o dispositorio a uma tomada de parede num circuito不同类型 daquele ao qual o recetor está ligado.
- Consultar o fornecedor ou um专业技术o de rado/televisao experiente para obter ajuda.
Declaração de conformidade da CE
Pelo presente documento, a Acer Inc.DECLARE que este monitor LCD se encontra em conformidade com os requisitos essenciais e outras disposicaoes relevantes da Diretiva relativa a EMC (Compatible Eletromagnetica) 2014/30/UE, da Diretiva para Equipamentos de Baixa Tensao 2014/35/UE, da Diretiva relativa a RoHS (Restricao de Certas Substancias Perigosas) 2011/65/UE e da Diretiva 2009/125/CE com vista a estabelecer um quadro de referencia para a definicao dos requisitos de ecodesign para produits relacionados com o consumo energetico.
Aviso:
Para evacitar danIFICar o monitor, não o levante pela base.
Aviso: cabos blindados
É obligatório de estabelecer todas as ligações àculos dispositivos informáticos atraves de cabos blindados, de forma a manter a conformidade com as regulamenteções da EMC.
Aviso: dispositivos periféricos
So pode ligar periféricos (dispositivos de entrada/saida, terminais, impressoras, etc.) certificados em conformidade com os limites da Classe B a este equipamento. É provavel que a utilizesçao com periféricos não-certificados provoque interferências na receção de rádio e televisão.
Atença
Quaisquer alteracoes ou modificações que não sejam expressamente aprovasadas pelo fabricante podem anular a autoridade do utilizesador, concedida pela FCC (Federal Communications Commission - Comissao Federal de Conunicações), no que respeita àutilização deste produits.
Condições deestrutura
Este dispositivo está em conformidade com a Parte 15 das normas de FCC. O Functionamento está sujeito às两大 condições que se seguem: (1) este dispositivo não pode provocar interferências nocivas e (2) este dispositivo tem de aceitar quando interferências recebidas, incluindo interferências que possam provocar um-functionamento indesejado.
Eliminação de resíduos de equipamentos por parte de utilizesparticas na União Europeia
Este simbolo no produto ou na respetiva embalagem indica que não pode eliminar este produto com o seu restante lixo dométrico. Em vez disso, é da sua responsabilité eliminating resíduos de equipamentos entrega-os num punto de recolha designado com vista à reciclagem de resíduos de equipamentos electrolyticos e eletrónicos. A recolha e a reciclagem emeparado dos seuresíduosde equipamentos aquando da eliminaçãoajudaconservar os recursos naturais. Alémdisso,serve como garantia de que a reciclagem feita de forma a proteger a saude humana e o ambiente. Para mais informações sobre onde podeentar os seuresíduosde equipamentos para reciclagem,contacte o seu municipalo,os serviços municipalizados de recolha de resíduos de equipamentos ou a loja ondecomprou o produits.
ESPECIFICACOES
| Painel LCD | Sistema de半导ção LCD | TFT a cores | |
| Tamanho 27"W (69 cm) | |||
| Distência entre pixeis 0,233 mm (H) x 0,233 mm (V) | |||
| Luminosidade | Nativa: 350 cd/m2; Modelo HDR400: 400 cd/m2(maximo) | ||
| Contraste 10000000:1 no max. (ACM) | |||
| Ángulo visivel 178° (H) 178° (V) (CR=10) | |||
| Tempo de resposa 1 ms (VRB) | |||
| Tipo de painel IPS (comatação de planos) | |||
| Frequência horizontal 3 - 222 KHz | |||
| Frequência vertical 56 - 44 Hz | |||
| Cores do ecran 1,07 mil milhões de cores | |||
| Frequência de pontos 600 MHz | |||
| Resolução máximo 2560 x 1440 a 144 Hz | |||
| Plug & Play VESA DDCCI/DDC2B | |||
| Classe de eficiência energetica | A | ||
| *Consumo enerétrico anual | 42 (kWh) (nos modelos com entrada HDMI) | ||
| Consumo enerétrico (a 200 cd/m2) | Ligado | 30 W (hilabitual) | |
| Modo de espera | 0,45 W (hilabitual) | ||
| Desligado | 0,30 W (hilabitual) | ||
| Conetor de entrada | HDMI (apenas nos modelos com entrada HDMI)DP (apenas nos modelos com entrada DP) | ||
| Sinal de entrada de video | HDMI (apenas nos modelos com entrada HDMI) (optional)DP (apenas nos modelos com entrada DP) (optional) | ||
| Columna | 2 W x 2 (optional) | ||
| Tamanho máximo do ecran | Horizontal: 596,74 mmVertical: 335,66 mm | ||
| Alimentação | 100 - 240 V, 50/60 Hz | ||
| Considerações ambientais | Temperatura de funcaoamento: 0 a 40 °CTemperatura de armazenamento: -20 a 60 °CHumida de funcaoamento: 20 a 80% | ||
| Dimensões | 611,6 (L) x 453,0 (A) x 240,1 (P) mm | ||
| Peso (liquido) | 4,73 kg (liquido) | ||
| Especificações de mecanismos | Inclinação: -5° a +20°Rotação: nãoAjuste da alterations: nãoArticulation: nãoApoio amovivel: sim | ||
| Controllos externos | Comutador/botões | Botão de alimentacaoTeça de atalho 1Teça de atalho 2 | InputMenu/Navi/OK |
| Funções | ContrasteLuminosidadeIntensif. pretoLuz azulACMSuper nitidezHDRGammagammaTemp. CorModosEspace de corModo esc. cinzaSatur. 6 eixosTonalid. 6 eixosVolumeSem somOver DriveFreeSyncVRB | Latência ultrabaixaPonto de miraNum freq atualizIdiomaTempo limite OSDTransparênciaBloquear OSDEntradaFonte AutoFormato DPModo PanorâmicoPIP/PBPAtribuição tecla atalhoDDC/CINil, preto HDMIModo inico rapi.Informações do ecranRepor todas definiçõesSair | |
| Todas as espécicasoes estáu sujeitas a alteracoes sem征求意见 prívio. | |||
Pode encontrarManuale ootra documentao sobre o seu produto Acer no website de suorte oficial da Acer.
*o consumo energetico anual e calculado utilizing o consumo energetico habitual quatro horas por dia, 365 días por ano.
KpaTKoe pyKOBoIDCTBO nOJIb3OBaTeJЯ JKK-MOnHTopa Acer
BaxKbIe HNCTpykCmIO TeXHKe 6e3oNaCHOCTn
BHHMaTeJIbHO npoHTnTe cIeMyUoUne HnCTpyKuIN.
-
YTo6bI OuHCTHTb JKK-MOHHTOp: Y6eJNTecb, YTO pauchetHaer MOUHOCTb MOHTOPa NOxOJT dIpa6oTb OT 3JeKTPocETn nepemEHOROTOKA B BaWEM perNoHe.
-
BbIKHOnHTe KK-MoHHTop n OTCoeDHHTe WHyp NITaHnO TcETN.
PacbIInTe Ha TpRnKy OunuHouu npactBOp, He coepkaun pacTBOpnten, nocTopoKHO npoTpe 3kpaH.
3APPEUAAETCA PA35Pb13IIBATb IIN IPOJNBATb JIOBbie XNIKOCTH HENOCPEICTBEHHO HA 3KPAH NIK KOPNYC.
-ДЛЯЧИСТКИЖК-ДИССПЕОЛКОПИСАСЕПUMЕНЙТEHNKAKNEЧИCTAUNICECPEDCTBAHA OCHOBE HAIATbIPHOFOOJIN3TNUBOBOCINPTA.
KOMnHaAcer He 6yTeOTBeaTa3a NOBpeXDeHn, BbI3BaHHbIe PpIMHeHMe JIO6bIX YNCTaNX CpeDCTB Ha OCHOBe HAaTbIPHOrO INI 3TNIOBOrO CNPTa. -
He pa3meaTe KK-MOHHTOP pAOM C OKHOM. DoKb, BnaxHOCTb IN CONHeHHbCET MOrY T cepBe3HO NOBpeNTb MOHHTOp.
3.He daBHTe Ha KK-3KpaH. Ype3MepHoe DaBHeHne MoXeT npNBecTu K HeYCTpaHMOMy NOBpeJdeHIO DcNJIeER. - He cHmMaTe KpbIiKy u He NbTaIteCb peMOHTnpoBaT yCTPOIcTBo camOCToTeIbHO. Texo6cnyKuBaHne IIO6oro poJa doJxeh PPOBOIDNTyONHOMOeHHbI TeXHNUeCKN CNEUAAJICT.
- XpaHnTe KK-MOHITOP B NOMEUeHN PnTempeNAType oT-20o Do 60oC. XpaHHeNe KK-MOHITOPa npTempeNAType 3a npeJenamn 3TOrO DmnaIa3OHa MoKeT pINBeCTn K HeyCTpaHIMOMy NOBpeKJeHIO.
- B IIO6OM n3 cIeIyHOUIx CIIyuaEB HEmEINHHe OTKIIOHTe MOHITOp OT CETn IN BbI3OBITE yNOIHOMOeHHORo TEXHueCKORO cIeUaIInCTa:
CnHaHbHk Ka6eB MoHToP-PIK n3HoWeH nn NobpeXdeH.
HaKK-MOHITOp 6bIa npoJNTa KIOKcTb, INI OH IONaI NOI DOxkb.
-KK-MOHHTOp nnn KOpnyc noBpeXeH.
Instruções de segurança importantes
Leia as instruções a seguir atentamente.
-
Para limpar aanela do monitor LCD: Verifique se a classificação do monitor permite que ele sera conectado à fonte de alimentação CA disponible na sua localidade.
-
Desligue o monitor LCD e desconnecte o cabo de alimentacao da tomada.
- Borrife uma solucao de limpeza sem solventes em um pao e limpe aanela com cuidado.
- NUNCA BORRIFE NEM DESPEJE QUALQUER TIPO DE LIQUIDO DIRETAMENTE NA TELA OU NAS DEMAINS PARTES DO MONITOR.
-
NAO USE PRODutos À BASE DE AMONÍACO OU ÁLCOOL NO VISOR OU NAS DEMAIS PARTES DO MONITOR LCD.
Acer nao sera responsavel por danos resultantes do uso de soluções de limpeza à base de amoniaco ou alcool. -
Nao colque o monitor LCD proximo a janelas. A exposicao do monitor a chuva, umidade ou luz solar pode causar danos graves ao aparelho.
-
Nao applique pressao aanelaLCD.A pressao em excesso pode causar danos permanentes ao visor.
- Não remova a tampa nem tente fazer a manutenção da unidade. Todos os temas de manutenção devem ser realizados por um专业技术o autorizado.
- O monitor LCD delve permanecer em ambientes com temperatura entre -20 e 60^ (-4 e 140^ ). Não seguir esta recomendação pode fazer danos permanentes ao aparecido.
-
Desconecte o monitor da tomada imeditamente e entre em conta com um technician autorizo em qualquer um destes casos:
-
O cabo de sinal que connecta o monitor ao PC está desgastado ou fou danificado.
- Houve derramamento de liquido no monitor LCD ou o monitor foi exposto à chuva.
- O monitor LCD — ou autres partes do aparelho — está danificado.
Como fixar o monitor na base
- Remova o monitor da embalagem.
- Encaixe o suporte do monitor na base (somente em algunos modelos).
- Gire no sentido horários para travar. Verifique se a base e o suporte está travados (sente em outros modelos).
- Fixe o suporte na base com um parafuso using a lingueta integrada ou uma chavetapropria para isso (samente em algois modelos).
Como conectar o monitor a um computations
- Desligue o monitor e desconecte o cabo de alimentacao do computador da tomada.
- 2-1 Conectar o cabo DP (somente nos modelos com entrada DP)
a. Verifique se o monitor e o computador está desligados.
b. Conecte uma extremidade do cabo DP à parte posterior do monitor e a outra extremidade à porta do computador.
2-2 Conecte o cabo HDMI (somente nos modelos com entrada HDMI)
a. Verifique se o monitor e o computador está desligados.
b. Conecte o cabo HDMI ao computations.
- Insira o cabo de alimentacao do monitor na porta de alimentacao na parte posterior do aparelho.
- Conecte os cabos de alimentacao do computador e do monitor a uma tomada eletrica.


Controles externos
| N°ItemDescrição | ||
| 1 | Botão/indicador ON/OFF | Liga/desligo o monitor. A cor azul indica que o aparecido está ligado. A cor àsbar indica que o aparecido está no modo de espera/economia de energia. |
| 2 | Atalho 1, 2 botões | Pressione para ativar a funciona de atalho definindo pelo usoário. |
| 3 | Botão de entrada Aperte | para trocar os input sources. |
| 4 | Botão Navi/OK | Pressione para ativar o menu OSD e, em seguida, utilize-o como uma tecla direcional para sublinhar a funciona desejada. Pressione-o novamente para fazer a seleção. |

Regulamentos e avisos de segurarca
Aviso da FCC
Esse dispositivo foi testado e está em conformidade com os limites de dispositivos digitais da Classe B, de acordo com a Parte 15 das normas da FCC. Esses limites foram estabelecidos para proporcionar a protecao adequada contra interferencia em instalacoes residenciais. Esse dispositivo gera, usa e pode irradiar energia de radiofrequencia. Se nao for instalado e uso de acordo com as instruções, o aparecido pode provoc interferencia em comunicações de radio.
No entanto, não ha garantias de que não havara interferência em determinadas instalações. Se o dispositivo causar interferência na receção de rádio ou televisão — o que é possível verificar desligando e religando o dispositivo —, o usuario deve dormir uma ou mais das medidas a seguir para tentar solucionar o problema:
Mude a posicao da antenna receptora.
- Distancie o dispositivo do receptor.
- Conecte o disposito a outa tomada, de modo que o aparelho e o receptor sejam conectados a circuitos differentes.
- Consulte o revendedor ou um专业技术o em rado/televisione experiente para obter ajuda.
Declaração de conformidade CE
Por meio这是我 instrumento, a Acer Inc. declares que o monitor LCD em questiono está em conformidade com os requisitos basicos e outras disposicaoes pertinentes da Diretiva CEM 2014/30/EU, da Diretiva de baixa tensao 2014/35/EU, da Diretiva RoHS 2011/65/EU e da Diretiva 2009/125/EC para acriacao de una estrutura que estabeleca os requisitos de concepcao ecologica para produits que utilizez energia eletrica.
Aviso:
Para evacitar danos ao monitor, nao levante o monitorPGA sua base.
Aviso: Cabos blindados
Todas as conexoes comculosdispositives de computacao devem uscar cabos blindados para manter a conformidade com as regulamentoaoes de compatibilidade eletromagnetica.
Aviso: Dispositivos periféricos
Somente periféricos (dispositivos de entrada/saida, terminais, impressoras etc.) certificados e em conformidade com os limites da Classe B poder ser connectados a esse equipamento. O uso de dispositivos periféricos não certificados pode causar interferência na receção de sinais de radio e televisão.
Cuido
As alteracoes ou Mudicoacoes que nao sejam expressamente aprovadas pelo fabricante podem revogar o direito deutilizarao do produits,que e assegurado pela Federal Communications Commission.
Condições deestrutura
Esse dispositivo está em conformidade com a Parte 15 das normas da FCC. A operacao está sujeita a estas两大 condições: (1) o dispositivo não pode causar interferencia e (2) o dispositivo deve aceitar qualer interferencia recebida, inclusive interferencia que possa causar operacao indesejada.
Aviso: Usários no Canadá
Esse aparelho digital de Classe B está em conformidade com a norma canadense ICES-003.
Descarte de équipamentos nas residências dos sistemas na União Europeia

O*simbolo ao lado, presente no produits ou na sua embalagem, indica que esse produit nao deve ser descartado no lixo domestico comum. Em vez disso, é sua responsabilitadede escarar o equipamento adequadamente, levando-o a um punto de coleta para reciclagem do equipamento eletrico e eletrônico. A coleta seleita e reciclagem do equipamento no momento do descarte ajudara a conservar recursos naturais e garantir que ele sera reciclado para proteger a saude humana e o meio ambiente. Para obter mais informacoes sobre pontos de coleta de equipments para reciclagem, entre em contato com a prefeitura da sua cidade, com o service de coleta domestica ou com o estabelecimento em que o produits foia adquirido.
ESPECIFICAZO
| Painel LCD | Sistema Tecnológico LCD | TFT a cores |
| Tamanho 27"W (69 cm) | ||
| Densidade dos pixels | 0,233 mm (H) x 0,233 mm (V) | |
| Brilho | Nativo: 350 cd/m2; modo HDR400: 400 cd/m2 (pico) | |
| Contraste max. de 100.00 | 00.000:1 (ACM) | |
| Ángulo de visualização 1° 78° (H) e 178° (V) (CR = 10) | ||
| Tempo de respossta 1 ms | (VRB) | |
| Tipo de painel In-Plane Switching | ||
| Frequência H 31 - 222 KHz | ||
| Frequência V 56 - 144 Hz | ||
| Cores do visor 1,07b (profunda de cores) | ||
| Frequência de pontos 600 MHz | ||
| Resolução máximo 2560 x 1440 a 144 Hz | ||
| Plug&Play VESA DDCCI/DDC2B | ||
| Classe de eficiência energia A | ||
| *Consumo de energia anual | 42 kWh (modelo com entrada HDMI) | |
| Consumo de energia (até 200 nits) | Ligado | 30 W (tipico) |
| Hibernação | 0,45 W (tipico) | |
| Desligado | 0,30 W (tipico) | |
| Conector de entrada | HDMI (somens nos modelos com entrada HDMI)DP (somens nos modelos com entrada DP) | |
| Sinal de entrada de video | HDMI (somens nos modelos com entrada HDMI) (optional)DP (somens nos modelos com entrada DP) (optional) | |
| Alto-falantes | 2 W x 2 (optional) | |
| Tamanho maior daanela | Horizontal: 596,74 mmVertical: 335,66 mm | |
| Fonte de alimentação 100-240 V, 50/60 Hz | ||
| Condições do ambiente | Temperatura de funzonamento: de 0 a 40 °CTemperatura de armazenamento: de -20 a 60 °CUmidade operacional: de 20 a 80% | |
| Dimensoes | 611,6 (L) x 453,0 (A) x 240,1 (P) mm | |
| Peso (liquido) | 4,73 kg (liquido) | |
| Especificações do mecanismo | Inclinação: de -5 a +20°Rotação: NãoAjuste de alta: NãoGiro: NãoSuporte separavel: Sim | |
| Controles externos | Botões | Botão ON/OFFAtalho 1Atalho 2EntradeMenu/Navi/OK |
| Funções | ContrasteBrilhoAumento de PretoLuz azulACMSuper NitidezHDRGammatemp. de corModosEspaço de CorModo Esc.CinzaSatur.6-eixosMatiz 6-eixosVolumeMudoOver DriveFreeSyncVRB | |
| Todas as espécicasoes estáu sujeitas a alterações sem sentido prévio. | ||
Encontre manuels e autres documentos para seu produit Acer no site de suporte da Acer.
*O consumo de energia anual e calculado com base no consumo de energia normal por 4 horas por dia, 365 dias por ano.
KopoTkn noci6nK 3 BnKOpncTaHnPK-MoHiTopa Acer
BaxJIbIz3axOJ6e3neKei
YBaXHo npoHTaTe noaHani dani iHctpyKuii.
- YnueHnE kpaHa PK-MoHITopa: nepeBipTe, nM MoHITop npn3NaUeHo nIy po6Ot N B Mepexi 3MiHHoro cTpyMy, IIO y Baui MiCueBOcTi.
BIMKHIb PK-MOHITOp Ta BiD'cHnAte Ka6eJIb KINBHeHHa.
- P03nHITb Hepo3uHHH 3aci6 dIJIyUHeHHHa rAHTpky iKypaTHO NOHCTiB ekpaH.
HIKOJIHPO3NIIIOHTAHEIPOINBAITEPIINHYE3IOCEPEDhBOHAEKPAHABOKOPNUC.
-ДЯ KOPNYCY ABO PK-DINCJIER HE BVKOPNUCTOByNE OUCHNIK HA OCHOBI AMIAKY ABO CINPTY.
- Acer He Hece BiIDIOBIAIbHOCTI 3a N0UKOJKeHHYepe3 3AcTOCyBAHnOuCHNkIB, OIO MICTaB aMIaK a6o CnPT.
- He cTaBTe PK-MoHiTop 6iHa BkHa. DOnu, BoNOra a6o CoHryH iPomEHI MoKyTb CnIbHo NOnKoDHTn Ioro.
3.He TnCHiB Ha PK-ekpaH. HAdMpHm TnCK MoKe noWkoDHTn DnCnJeN
4. He 3HImaTe KpuuKy Ta He o6cnyroByte ue npncptiim camoctiHb. Byd-kae o6cnyroByBaHHMaBnKOHyBaTH ynoBHObaKeHH nceuaianct.
5. 36epiraTe PK-MOHITOp y kIMHati 3a Temnepatypn BiD -20° Do 60°C. 36epirAHnPK-MOHITopa 3a IHoI TeMnepaTpyn, HIX Z, MoKe cnpuHHHTno noUKoJKeHHJ.
6. HeraHIO BID'cHaIe MoHITop BiE eNEKTpOmepeXi Ta BIKnUte YIOBHOBaXeHOrO CneuaJIicTa 3a OINCAHNHX HIXKHe OcbTaNH.
- Ka6enb nepeaui ciunhanib BiM MoHITopa Do KOMNIOTepa 3HocnBcA a6o noKoJKeHH.
Ha PK-MoHITop po3nJaac piDHa abo nToPannB doU. - PK-MOHITop a6o Kopnyc noWkoJKeHo.
Produto: Monitor LCD
Declaração de Conformidade
Nos,
Acer Incorporated
Designação comercial:
ACER
Numero do Modelo:
VG271U
Número SKU:
VG271U XXXXX;
(x = 0 - 9, a - z, A - Z, ou espaço em branco)
Nós, Acer Incorporated, sob)nossa inteira responsabilité, que o produit acima descririto está conforme alegislaço de harmonização relevante da Uniao, e que a Diretiva infra, e seguentes normas harmonizadase/ou outras normas relevantes foram aplicadas:
Diretiva CEM: 2014/30/UE
EN55032:2012/AC:2013 Classe B
EN55024:2010
EN55032:2015/AC:2016 Classe B
EN61000-3-3:2013
EN61000-3-2:2014 Classe D
Diretiva LVD: 2014/35/UE
EN60950-1:2006/A11:2009/A1:2010/A12:2011/A2:2013
Diretiva RSP: 2011/65/UE
EN50581:2012
Notice-Facile