NITRON Cold Draft - Machine à café Bunn - Notice d'utilisation et mode d'emploi gratuit
Retrouvez gratuitement la notice de l'appareil NITRON Cold Draft Bunn au format PDF.
| Caractéristiques techniques | Machine à café à froid, technologie nitro, capacité de 2,5 litres, pression de 30 psi. |
|---|---|
| Utilisation | Conçue pour préparer des boissons à base de café infusé à froid, idéale pour les cafés, bars et restaurants. |
| Maintenance et réparation | Nettoyage régulier recommandé, pièces amovibles pour un entretien facile, consulter le manuel pour les réparations. |
| Sécurité | Équipée de dispositifs de sécurité pour éviter les surpressions, ne pas utiliser avec des liquides non recommandés. |
| Informations générales | Poids de 18 kg, dimensions compactes, garantie de 1 an, compatible avec les systèmes de distribution de café. |
FOIRE AUX QUESTIONS - NITRON Cold Draft Bunn
Questions des utilisateurs sur NITRON Cold Draft Bunn
0 question sur cet appareil. Repondez a celles que vous connaissez ou posez la votre.
Poser une nouvelle question sur cet appareil
Téléchargez la notice de votre Machine à café au format PDF gratuitement ! Retrouvez votre notice NITRON Cold Draft - Bunn et reprennez votre appareil électronique en main. Sur cette page sont publiés tous les documents nécessaires à l'utilisation de votre appareil NITRON Cold Draft de la marque Bunn.
MODE D'EMPLOI NITRON Cold Draft Bunn
Pour vous assurer que vous avez la version la plus récente du Manuel de fonctionnement, ou visualiser le Catalogue de pièces illustré ou le Manuel d'entretien-dépannage, veuillez visiter le site web de Bunn-O-Matic, à www.bunn.com. C'est absolument GRATUIT, et la manière la plus rapide d'obtenir les mises à jour les plus récentes des catalogues et manuels. Pour le Service technique, contactez Bunn-O-Matic Corporation au 1-800-286-6070.
Bunn-O-Matic Corporation
Bunn-O-Matic Corp. (« BUNN ») garantit comme suit le matériel fabriqué par la Société :
1) Les Airpots, carafes thermiques, pichets, cafetières de service GPR, distributeurs de thé glacé/café, cafetières unitasses MCR/MCP/MCA, cafetières de service thermiques et ThermoFresh (mécaniques et numériques) 1 an pour les pièces et 1 an pour la main-d'œuvre. 2) Tout autre matériel - de 2 ans pour les pièces et 1 an pour la main-d'œuvre plus les garanties supplémentaires selon les indications ci-dessous: a) Circuits électroniques et/ou cartes de commande - pièces et main-d'œuvre pendant 3 ans. b) Compresseurs du matériel de réfrigération - 5 ans pour les pièces et 1 an pour la main-d'œuvre. c) Les molettes pour moudre le café selon les critères de tamisage originaux d'usine - pièces et main d'œuvre pour 4 ans ou 18 120 kg de café, selon la première de ces éventualités.
Ces périodes de la garantie entrent en vigueur à compter de la date de l'installation. BUNN garantit que le matériel de sa construction sera exempt de vice de matière ou de façon lors de sa construction et pendant la période de garantie applicable. Cette garantie ne s'applique à aucun équipement, composant ou pièce fabriquée par un tiers ou qui, selon l'estimation de BUNN, a fait l'objet d'une utilisation abusive, de négligence, de modification, d'un mauvais montage ou fonctionnement, d'un entretien ou d'une réparation inadéquate, d'une absence de nettoyage ou détartrage périodique, d'une panne résultant d'une mauvaise qualité de l'eau, d'un endommagement ou d'un sinistre. En outre, la garantie ne s'applique pas au remplacement des articles soumis à une utilisation normale et notamment, sans y être limité, les pièces remplaçables par l'utilisateur, tels les divers joints. Cette garantie suppose 1) que l'Acheteur a prévenu rapidement BUNN de toute réclamation au titre de cette garantie par téléphone au (217) 529-6601 ou par écrit à P. O. Box
3227, Springfield, Illinois 62708-3227 ; 2) à la demande de BUNN, le matériel défectueux a été envoyé en port payé à site d'entretien/dépannage agrée de BUNN ; et 3) à la condition que le produit ait fait l'objet d'une autorisation de retard préalable de la part de BUNN au titre de la garantie.
LA GARANTIE CI-DESSUS EST EXCLUSIVE ET REMPLACE TOUTE AUTRE GARANTIE, ÉCRITE OU ORALE, EXPRESSE OU IMPLICITE, Y COMPRIS, MAIS NON LIMITÉE À, DE N'IMPORTÉ QUELLE GARANTIE IMPLICITE DE VALEUR MARCHANDE OU D'ADAPTATION À UNE FIN PARTICULIÈRE. Les agents, concessionnaires ou membres du personnel de BUNN ne sont pas autorisés à apporter des modifications à cette garantie ou à proposer des garanties supplémentaires contraignantes pour BUNN. En conséquence, les déclarations de telles personnes, écrites ou orales, ne constituent pas des garanties et on ne saurait s'y fier.
Si BUNN détermine dans sa seule discrétion que le matériel ne se conforme pas à la garantie, BUNN, à son option exclusive tandis que l'équipement est sous la garantie, pourra 1) fournir à titre gratuit des pièces détachées et/ou la main-d'œuvre (pendant les périodes de garantie pièces et main-d'œuvre indiqués ci-dessus) pour réparer les composants défectueux, à condition que cette réparation soit effectuée par un technicien agréé par BUNN; ou 2) remplacer le matériel ou rembourser le prix d'achat du matériel.
LE RECOURS DE L'ACHETEUR CONTRE BUNN POUR LE MANQUEMENT A TOUTE OBLIGATION RÉSULTANT DE LA VENTE DE CE MATÉRIEL, QU'IL SOIT DÉRIVÉ DE LA GARANTIE OU AUTREMENT, SERA LIMITE, AU SEUL CHOIX DE BUNN COMME CELA EST SPECIFIÉ CI-DEDANS À LA RÉPARATION, AU REMPLACEMENT OU AU REMBOURSEMENT.
BUNN ne sera responsable dans aucun cas de tout autre dommage ou perte, y compris, sans limitation, les pertes de profit, de ventes, d'usage du matériel, réclamations des clients de l'Acheteur, coût de capital, coût d'indisponibilité, coût de matériel, installation ou services de remplacement, ou tous les autres dommages spéciaux, fortuits ou consécutifs.
392, A Partner You Can Count On, Air Infusion, AutoPOD, AXIOM, BrewLOGIC, BrewMETER, Brew Better Not Bitter, BrewWISE, BrewWIZARD, BUNN Espress, BUNN Family Gourmet, BUNN Gourmet, BUNN Pour-O-Matic, BUNN, BUNN avec la ligne rouge stylisée, BUNNlink, Bunn-OMatic, Bunn-O-Matic, BUNNServe, BUNNSERVE avec le graphique de clé à molette stylisé, Cool Froth, DBC, Dr. Brew stylized Dr. design, Dual, Easy Pour, EasyClear, EasyGard, FlavorGard, Gourmet Ice, Gourmet Juice, High Intensity, iMIX, Infusion Series, Intellisteam, My Café, Phase Brew, PowerLogic, Quality Beverage Equipment Worldwide, Respect Earth, Respect Earth avec la feuille et la cerise de café stylisée, Safety-Fresh, savemycoffee.com, Scale-Pro, Silver Series, Single, Smart Funnel, Smart Hopper, SmartWAVE, Soft Heat, SplashGard, The Mark of Quality in Beverage Equipment Worldwide, ThermoFresh, Titan, trifecta, TRIFECTA (logo stylisé), Velocity Brew, Air Brew, Beverage Bar Creator, Beverage Profit Calculator, Brew better, not bitter., Build-A-Drink, BUNNSource, Coffee At Its Best, Cyclonic Heating System, Daypart, Digital Brewer Control, Element, Milk Texturing Fusion, Nothing Brews Like a BUNN, Picture Prompted Cleaning, Pouring Profits, Signature Series, Sure Tamp, Tea At Its Best, La ligne rouge horizontalement, Ultra sont soit des marques de commerce soit des marques déposées de Bunn-O-Matic Corporation. La configuration du boîtier de la cafetière trifecta® commerciale est une marque de commerce de Bunn-O-Matic Corporation.
TABLE des matières
Garantie 2 Notices à l'intention de l'utilisateur 4 Exigences nord-américaines 5 Exigences de plomberie 6 Installation initiale 6 Branchement à l'azote 6 Exigences électriques 7 Exigences de concentrate de produit 7 Branchement de la tuyauterie 7 Remplissage initial 8 Instructions de configuration 9 Installation de la couverture de porte 10 Commandes de fonctionnement 11 Nettoyage et aseptisation des récipients de produit ou des connecteurs de BIB 13 Entretien préventif 16 Chargement et amorcage des récipients ou Bag-in-Box avec les connecteurs SCHOLLE/ASTRA 17 Réglages et paramètres optionnels 21 Méthode de démantèlement du Nitron, Cold Draft 23 Code de panne 25 Dépannage 26 Schéma de liquide réfrigérant 37 Schéma de câblage 38
Le distributeur pression réfrigéré et sa porte ont été expédiés dans un colis unique et complet (la porte est dans son propre emballage à l'intérieur de la plus grande boîte). Pour éviter tout endommagement, il est préférable que la porte demeure dans son emballage individuel jusqu'au moment de l'installation. Ce colis comprend également le plateau et la grille d'égouttement, et les poignées de service à monter sur la porte du distributeur.
Notices à l'intention de l'utilisateur
Lisez attentivement et conformez-vous à toutes les notices figurant sur le matériel et dans le présent manuel. Elles ont été rédigées pour votre protection. Toutes les notices doivent être maintenues en bon état. Remplacez tous les autocollants illisibles ou endommagés.
- Cet appareil doit être installé dans des endroits où il peut être surveillé par un personnel qualifié.
- Pour un bon fonctionnement, cet appareil doit être installé dans un lieu où la température est comprise entre 5°C et 32°C, 50% humidité.
- L'appareil ne sera pas incliné sur plus que pour un fonctionnement sur.
- Un électricien doit assurer la connexion électrique comme cela est indiqué, en conformité avec tous les codes locaux et nationaux.
- Cet appareil ne doit pas être nettoyé avec de l'eau sous pression.
- Cet appareil peut être utilisé par des personnes de 18 ans et plus si elles sont supervisées ou ont reçu une formation sur l'utilisation sere de l'appareil et s'ils comprennent les risques encourus.
- Conserver l'appareil et son cordon hors de portée des enfants âgés de moins de 18 ans.
- Les appareils peuvent être utilisés par des personnes de 18 ans et plus représentant de capacité physiques, sensorielles ou mentales, ou manquant d'expérience et de connaissances dans la mesure où elles sont supervisées ou ont reçu une formation sur l'utilisation sûre de l'appareil et si elles comprennent les risques encourus.
- Les enfants de moins de 18 ans doivent être supervisées pour s'assurer qu'ils ne jouent pas avec l'appareil.
- En cas d'endommagement du cordon d'alimentation, il doit être remplacé par le fabricant ou le personnel de service/agréé par un cordon spécial disponible auprès du fabricant ou son personnel d'entretien/dépannage/agréé afin d'éviter tout risque.
- La machine ne doit pas être immergée dans le but de la nettoyer.
- Le nettoyage et l'entretien par l'utilisateur ne seront pas confiés à des enfants à moins qu'ils aient plus de 18 ans et soient supervisés.
- Cet appareil est prévu pour un usage commercial dans les applications comme:
- coin cuisine pour personnel dans les magasins, bureaux ou autres milieux professionnels;
- par des clients dans des halls d'hôtels et de motels et d'autres types d'environnements similables;
- Accès aux parties d'entretien-dépannage permis au personnel d'entretien-dépannage/agréé seulement.
Installation initiale
Les dimensions du distributeur à pression réfrigérée sont 25 cm x 72 cm L x 86 cm H. Le distributeur est conçu pour une utilisation à l’intérieur seulement, dans des températures ambiantes comprises entre 10 et 32°C, dans des milieux où l’humidité relative est de 65%. Évitez de placer la machine en plein soleil où dans des lieux où elle sera exposée à d’autres sources extérieures de chaleur. Installez le distributeur sur un comptoir capable de supporter les 150 lb (68 kilos) de la machine. Ménagez un dégagement minimal de 15 cm derrière et sur le dessus du distributeur pour une circulation d’air ajustée. Laissez de l’espace pour déplacer le distributeur afin de le nettoyer. Pour un rendement optimal, ne pas laisser l’air chaud de machines voisines souffler sur le distributeur. EXIGENCES DE PLOMBERIE
Exigences de plomberie
Ce distributeur doit être relié à un circuit d'EAU FILTRÉE avec une pression de service dynamique de 30 à 90 psi (0,207 à 0,621 mPa). Cette source d'eau doit pouvoir produire un débit minimum de 2 onces liquides (88,7 ml) par seconde. Une vanne d'arrêt doit être montée sur la conduite alimentant le distributeur. En cas d'installation d'un filtre à eau, celui-ci doit être monté aussi près que possible de l'admission de l'appareil, mais en aval de la vanne d'arrêt. La machine est dotée d'un raccord cannelé mâle de 3/8 po (9,52 millimètres).
REMARQUE - Au moins 18 po (457 mm) d'un flexible a boisson agréé par la FDA, du type polyéthylène tressé renforcé, avant le distributeur facilitera son displacement pour nettoyer le comptoir. BUNN-O-MATIC déconseille l'utilisation de vanne à étrier pour installer le distributeur. La taille et la forme des trous faits dans les canalisations d'alimentation par les valves à étrier peuvent limiter le débit d'eau.
Si la pression de l'eau est en-dessous de 30 livres par pouce carré (dynamiques) de pression, une pompe de gavage (P/N 41815.1000) est nécessaire sur la conduite d'eau. Pour monter un filtre à eau et une pompe de gavage, montez le filtre à eau entre la pompe de gavage et la machine.
Selon les directives du Code international de la plomberie de l'International Code Council et du Food Code Manual de la Food and Drug Administration (FDA), ce matériel doit être monté avec un dispositif anti-retour conforme aux codes fédéraux, d'état et locaux. Pour des modèles installés en dehors des États-Unis, il faut se conformer au code de plomberie/hygiène en vigueur dans sa région.
Branchement de l'azote
Un réservoir à haute pression de N_2 (fourni par le client) doit également être disponible avant l'installation. Il doit y avoir suffisamment de place pour assujettir l'ajustement du cylindre avec un support ou une chaîne pour se conformer aux codes de sécurité locaux.
Le distributeur à pression réfrigéré doit être branché sur une source extérieure d'azote (N_2). Ceci exigera l'installation d'un régulateur de pression de N_2 sur le réservoir avec une canalisation d'alimentation de gaz sur le distributeur. Le branchement d'alimentation extérieure de N_2 est un raccord MFL 1/4 po situé à l'arrête de la machine.
Le distributeur Cold Draft peut également nécessiter un branchement sur un générateur d'azote. La pression d'alimentation du générateur à la machine doit être réglée sur 125 psi.
REMARQUE - si le client fournit son propre détendeur, celui-ci doit avoir une pression de service maximale de 130 psi. Une conduite à azote N_2 spécialisée de 1,8m est nécessaire pour raccorder le détendeur de N_2 à la machine. La conduite de gaz doit être consacrée pour une pression maximale de 130 psi et exige un raccord de 1/4 po FFL au bout de la conduite pour son branchement sur la machine.
REMARQUE: Pour la meilleure uniformité de boisson et d'infusion d'azote, la pression d'alimentation d'azote de la machine doit être réglée sur 125 psi et se maintenir à +/-10 psi du point consigne de pression de 125 psi. REMARQUE - Pour garantir une utilisation sans risque du _2 et la conformité aux codes locaux de sécurité, le cylindre de _2 doit être adéquatement assujetti. Une courroie ou une chaîne doit être utilisée pour bien assujettir le cylindre.
REMARQUE - Quand la pression d'alimentation d'azote tombe en-dessous de 100 psi, un témoin rouge clignote au-dessus de la porte du distributeur.
REMARQUE - Ce distributeur n'est pas conçu pour accepter le CO_2.
Exigences électriques
ATTENTION: Le distributeur doit être déconnecté de l'alimentation jusqu'à ce que cela soit spécifique dans Raccordement électrique.
Les distributeurs d'une puissance nominale de 120 V ont un cordon fixe et exigent un circuit de dérivation individuel à la terre à 2 fils, d'une puissance de 120 volts C. A., 15 ampères, monophasé, 60 Hz. La prise doit être à moins de 1,80 m de la machine. Le connecteur d'accouplement est un NEMA 5-15R.
Consultez la plaque de constructeur en ce qui concerne les conditions électriques exactes.
Connexion électrique
ATTENTION: Une mauvaise installation électrique endommagera les composants électroniques.
- Un électricien doit assurer le service électrique de la façon indiquée.
- À l'aide d'un voltmètre, vérifier la tension et le chromocodage de chaque conducteur à l'alimentation.
- Confirmez que le commutateur de réfrigération pres du tableau de commande principal est sur la position ARRET.
- Connectez le distributeur à l'alimentation.
- Si la tuyauterie doit être branchée plus tard, assurez-vous que le distributeur est déconnecté de l'alimentation. Si la tuyauterie a été branchée, le distributeur est prêt pour le Remplissage initial.
Exigences de concentré de produit
Le distributeur fonctionne avec toute une gamme de concentrés. Certains distributeurs distribueront une gamme de 4 pour 1 à 12 pour 1 et certains autres une gamme de 10 pour 1 à 32 pour 1. Confirmez que vous avez le distributeur correct pour le concentré que vous projetez d'employer. REMARQUE - Certains concentrés peuvent avoir différentes capacités de rapport dans le distributeur.
Il y a aujourd'hui différents BIB de concentré de produit disponibles avec une vanne à boule ou un raccord Scholle. Avec la plage de distribution, assurez-vous de disposer du modèle Nitron2 correct pour brancher votre concentré en BIB sur le distributeur. Si le produit est conditionné dans des cruches, nous vous recommandons de verser le concentré dans nos récipients réutilisables à vanne à boule (N/P 39302.0000).
Branchement de tuyauterie
Le raccord d'eau est situé à l'arrière du distributeur. Un adaptateur mâle évasé de 3/8 po (9,52 mm) est fourni et installé à l'arrière du distributeur.
REMARQUE - Les raccords et garnitures branchés directement sur une source d'eau potable seront calibrés, montés et entretenus conformément aux codes fédéraux, d'état et locaux.
Branchement de l'eau
ATTENTION: Une mauvaise installation électrique endommagera les composants électroniques.
- Un électricien doit assurer le service électrique de la façon indiquée.
- À l'aide d'un voltmètre, vérifie la tension et le chromocodage de chaque conducteur à l'alimentation. Connectez le distributeur à une alimentation de 120 V. Mettez le commutateur de distribution à la position de marche (ON).
Remllissage initial
ATTENTION: Le distributeur doit être déconnecté de l'alimentation pendant le remplissage initial, sauf indication contraire dans les instructions.
- Démontez le plateau d'égouttement et le panneau anti-éclaboussure du distributeur. Remontez le plateau d'égouttement.
- Branchez l'alimentation d'eau à l'arête du distributeur.
- Connectez le distributeur à l'alimentation électrique.
- Le distributeur est équipé d'un circuit de remplissage de bain automatique. Quand l'eau est ouverte et que l'appareil est mis sous tension, le bain d'eau se remplira automatiquement si le commutateur de programmation est sur Arrêt et le commutateur de distribution sur Marche.
- On peut mettre le commutateur de bain d'eau de compresseur sur Marche (ON) dès que le bain commence à se remplir.
- Remontez le panneau anti-éclaboussures et le plateau d'égouttement.
- Il faudra plusieurs heures pour créer la réserve de glace permettant d'assurer le fonctionnement normal du distributeur. Pendant ce temps, il pourra s'écouler davantage d'eau du bain du fait de l'expansion résultant de la formation de la réserve de glace. Tandis que le système de réfrigération produit la glace, le distributeur on peut préparer le distributeur à l'utilisation de la façon décrite dans Chargement, Amorcage et Réglage.
Instructions de configuration
- ÀpRES le branchement sur une source d'eau filtrée (voir les EXIGENCES DE PLOMBERIE), ouvrez l'alimentation du distributeur.
- Branchez la source d'azote sur le distributeur, ouvrez l'alimentation d'azote. Pour la meilleure uniformité être réglée sur 125 psi et se maintenir + / - 10 psig du point consigne de pression de 125 psi. Vérifiez que la jauge de sortie du détendeur indique 125 psig. Si le détendeur a un robinet d’arrêt, mettez la poignée de la vanne du détendeur sur la position d’ouverture (la poignée doit être parallèle à la conduite d’arrivée de gaz).
- Reliez l'éclairage à LED de la couverture de porte à la porte. Installez la porte à l'aide des 5 vis de fixation fournies. (Voir IN-STALLATION DE LA COUVERTURE DE PORTE)
- Confirmez que le commutateur de distribution (situé dans le coin supérieur droit de la porte quand elle est ouverte) est sur la position d'ABBET.
- é inférieur des poignées. Enclenchez le bouchon dans le trou de la porte sous les poignées.
- Retirez le plateau d'égouttement et le panneau anti-éclaboussures.
- Montez les buses de distribution le plateau d'égouttement. La buse avec lebec avec l'insert Nitro Stout se monte dans le poste de distribution GAUCHE*. La fonction de l'insert nitro stout est d'assurer une contre-pression lors de la distribution de Nitro cafe et permet de creer I'effet de cascade ou de déferlement dans la boisson distribuée.
- Chargez du produit dans les deux stations du distributeur. Pour les BIB du type SCHOLLE/ASTRA, voir les Instructions de chargement pour ces connecteurs. Amorcez chaque cote avec le produit en tirant la poignée de service jusqu'à ce qu'on voie le produit fini s'écouler de la buse de distribution.
- Debitez une boisson à chaque station et vérifie la valeur Brix à l'aide du Test de distribution de rapport ou du Test de distribution de Brix (voir I'Annexe A).
- Le premier cadran (potentiomètre à l'extreme gauche sur la carte) réglera le régime de la pompe pour le poste de distribution GAUCHE. Le deuxieme cadran (second à partir de la gauche) réglera le régime de la pompe pour le poste de distribution DROIT. La meilleure praticque est de commencer avec un cadran de pompe régle sur la position de 9 h.
- Procédez aux réglages du régime de pompe pour obtenir le Brix cible désiré du produit.
- Remontez le panneau anti-éclaboussures. Il faudra 4 à 6 heures au distributeur pour constituer complètement la réserve de glace.



REMARQUE: Quelques modèles distribuent la boisson nitro sur les deux stations de distribution. Pour ces modèles, utilisez une buse de distribution stout sur les deux stations de distribution.
Installation de la couverture de porte

- Installez la couverture de porte en branchant d'abord les LED de la porte aux connecteurs noirs avec les fils ROUGE/NOIR.

- Reliez les commutateurs des poignées de service au faisceau de la porte. REMARQUE: Connectez le commutateur gauche aux fils bleu (Gauge) et le commutateur droit aux fils rouges (Droite).

- Fixez les poignées de service par le bas de la porte de la façon indiquée à l'aide des vis fournies.

- Confirmez que le faisceau est acheminé de la façon illustrée sur la photo lorsque vous montez le couvercle de porte. Installez le couvercle de porte et assujettissez-le à l'aide des 5 vis fournies.

- Glissez la poignée de service dans l'ensemble de porte.

- Montez le bouchon de trou noir de la façon illustrée.
Commutateur de compresseur/bain d'eau
Le commutateur de réfrigération est situé sur le panneau électrique du distributeur près de la carte de circuit imprimé. Ce commutateur commande l'alimentation de la pompe de bain d'eau et les contacts de relais du moteur de ventilateur de condensateur et de compresseur.
Commutateur de réfrigération
Poignées de distribution de produit
Tirer et maintenir la poignée de service déclenchera l'écoulement de produit de la buse respective ; relâcher la poignée arrêtera le débit. L'autocollant de placement de la tasse aidera les utilisateurs à placer correctement la tasse lors de la distribution d'une boisson. Apposer l'autocollant de placement de la tasse sur le panneau antiéclaboussures de la façon illustrée ci-dessous.
Poignées de distribution de produits
Autocollant de placement de la tasse
Commutateur de verrouillage de distribution
Ce commutateur est situé derrière la porte sur le haut. Il sert à lancer et à arrêter la fonction de distribution. Il est également employé pour les opérations de remplissage.
Commutateur de verrouillage de distribution
Commutateur de programme
Ce commutateur est situé près du tableau de commande principal à côté du commutateur de réfrigération.
Commutateur de programme
Quotidien: opération de rincage
Outils nécessaires: 32 onces. Récipient vide d'une contenance d'au moins 32 oz (0,95 l)
- Ouvrez la porte du distributeur. Soulevez les récipients de produit et retirez-les de la machine.
- Essuyez le compartiment intérieur de l'enceinte et la zone du des adaptateurs d'admission des récipients de concentré.
- Fermez la porte, placez un récipient vide sous la/les buse(s) de distribution.
- Débitez à chaque poste jusqu'à ce que de l'eau claire sorte de la/des buse(s) de distribution.
- Ouvrez la porte du distributeur et reconnectez tous les raccordements de produit.
Quotidien: lavage des pièces
- Retirez et lavez le/les buse(s) de distribution, l'insert Nitro Stout, le plateau d'égouttement et son couvercle dans une solution détusive douce. Rincez abondamment. Utilisez la Brosse (00674.0000) pour nettoyer l'intérieur et la zone du joint torque des buses de distribution.
- Retirez l'Insert Nitro Stout de la buse nitro pour le nettoyer. Remplacez avant de remonter la buse.
- Essuyez le panneau anti-éclaboussures, le pourtour de la/des buse(s) de distribution, et le compartiment frigorifié avec un chiffon propre et humecté.
- Utilisez la Brosse et une solution détentive douce pour nettoyer l'intérieur de la zone de distribution où les buses de distribution sont démontées. Rincez et essuyez complètement.
Processus d'aseptisation
Outils nécessaires: 1seau vide de 5 gallons (18,9 I), 2 paquets d'aseptisant Kay 5, et un recipient a concentre propre et vide.
- Retirez tout le concentré du distributeur et conservez-le dans un compartiment frigorifié séparé.
- Remplissez le/les recipient(s) à concentré vide(s) avec environ 32 oz (0,95 l) d'eau du robinet chaude (environ 140°F (60^). Chargez les recipients d'eau chaude dans le distributeur (exactement comme du concentré).
- Placez un récipient vide sous la/les buse(s) de distribution.
- Actionnez et maintenez les poignées de service à chaque station jusqu'à ce qu'il sorte un filet d'eau claire des buses (environ 30 secondes). REMARQUE - le distributeur ne permet pas à toutes les stations de fonctionner simultanément.
- Une fois que ceci est accompli, retirez le/les récipients et videz-les.
- Retirez chaque buse de distribution et insert Nitro Stout. Passez sous l'eau chaude du robinet pour supprimer l'exces d'accumulation de produit.
- Préparez 2,5 gallons (9,5 l) de solution aseptisante en dissolvant 1 paquet d'aseptisant Kay-5 dans 2,5 gallons (9,5 l) d'eau à 120°F (48,9^) pour garantir 100 ppm de chloride disponible.
- Placez la/les buse(s) dans un recipient de 0,95 I de solution aseptisante et melangez complètement. Laissez tremper les pieces 2 minutes.
- Nettoyez le réceptacle de buse de distribution (robinets de distribution) avec la solution d'aseptisation et une Brosse à soies douces.
- Nettoyez le/les adaptateur(s) d'admission du récipient à concentré à l'aide de la solution aseptisante et d'une Brosse à soies douces. Évacuez toute la solution d'aseptisation restante.
- Remplacez la/les buse(s) sur leurs stations de distribution en veillant à mettre l'Insert Nitro Stout dans la buse de distribution GAUCHE.
- Mettez environ 128 oz (3,8 l) de solution aseptisante propre dans un/des récipient(s) à concentré propre et vide. Ne réutilisez pas la solution d'aseptisation utilisée lors de l'étape 10. Chargez le/les récipient(s) dans le distributeur.
- Placez leseau vide de 5 gallons (19 I) sous les buses de distribution.
- Faites couler la solution aseptisante à travers chaque station pendant une minute. Laissez tremper les pièces 5 minutes. Distribuez à chaque station pendant 2 minutes. REMARQUE - La machine ne permet de distribuer qu'à une station à la fois. Alterner des stations est nécessaire pour ces étapes.
- Quand le cycle ci-dessus est terminé, enlevez la solution d'aseptisation et remplacez-la par le concentré.
- À chaque station, actionnez la poignée de service jusqu'à ce que le produit apparaisse. Distribuez un verre de 12 onces (35,5 cl) de produit fini et mettez au rebut.
- Essuyez les surfaces internes et externes avec un chiffon propre et humide.
Quotidien: opération de rincage
Outils nécessaires: 32 onces. Récipient vide d'une contenance d'au moins 32 oz (0,95 l)
- Ouvrez la porte du distributeur. Débranchez le connecteur BIB du Bag-In-Box.
- Fermez la porte, placez un récipient vide sous la/les buse(s) de distribution.
- Débitez à chaque poste jusqu'à ce que de l'eau claire sorte de la/des buse(s) de distribution.
- Ouvrez la porte du distributeur et rebranchez tous les récipients de produit.
- Essuyez le compartiment interne de l'enceinte.
Quotidien: lavage des pièces
- Retirez et lavez le/les buse(s) de distribution, l'insert Nitro Stout, le plateau d'égouttement et son couvercle dans une solution détensive douce. Rincez abondamment. Utilisez la Brosse (00674.0000) pour nettoyer l'intérieur et la zone du joint torique des buses de distribution.
- Retirez l'Insert Nitro Stout de la buse nitro pour le nettoyer. Remplacez avant de remonter la buse.
- Essuyez le panneau anti-éclaboussures, le pourtour de la/des buse(s) de distribution, et le compartiment frigorifié avec un chiffon propre et humecté.
- Utilisez la Brosse et une solution détergente douce pour nettoyer l'intérieur de la zone de distribution où les buses de distribution sont démontées. Rincez et essuyez complètement.
Processus d'aseptisation - connecteurs BIB scholle ou ASTRA
Outils nécessaires: 1 seau vide de 5 gallons (18,9 l), 2 paquets d'aseptisant Kay 5, et un récipient à concentré propre et vide de 1 gal (3,78 l).
- Retirez tout le concentré du distributeur et conservez-le dans un compartiment frigorifié séparé.
- Remplisse z le pichet vide propre avec environ 32 onces (0,95 I) d'eau du robinet chaude (envi ron 140°F (60^)
- Débranche les connecteurs de BIB à l'intérieur de l'enceinte au raccord rapide, puis montez la rallonge d'aspiration et rebranche le connecteur de BIB.
- Coupez le connecteur du récepteur de sac du sac BIB de concentré vide, branchez sur le connecteur de BIB. Remarque: conservez ce connecteur de sac qui pourrait être réutilisé lors d'aspirations futures. BUNN fournira cette pièce au client. Bouchon de sac - cette pièce n'est pas utilisée sur l'ordinateur quand il est utilisé normalement. Elle sert uniquement au nettoyage en place (NEP).
- Placez le connecteur de BIB dans le pichet d'eau du robinet chaud.
- Enlevez le plateau d'égouttement et placez unseau vide d'une contenance de 5 gallons (18,9 I) sous les buses de distribution.
- Actionnez et maintenez les poignées de service à chaque station jusqu'à ce qu'il sorte un filet d'eau claire des buses (environ 30 à 60 secondes). Remarque - le distributeur ne permet pas le fonctionnement simultané de toutes les stations.
- Une fois cela terminé, sortez les connecteurs de BIB de l'eau chaude.
- Retirez chaque buse de distribution et insert Nitro Stout. Passez sous l'eau chaude du robinet pour supprimer l'exces d'accumulation de produit.
- Préparez 2,5 gallons (9,5 l) de solution aseptisante en dissolvant 1 paquet d'aseptisant Kay-5 dans 2,5 gallons (9,5 l) d'eau à 120°F (48,9°C) pour garantir 100 ppm de chloride disponible.
- Placez la/les buse(s) dans un récipient de 0,95 l de solution aseptisante et mélangez complètement. Laissez tremper les pièces 2 minutes.
- Nettoyez le réceptacle de buse de distribution (robinets de distribution) avec la solution d'aseptisation et une Brosse à soies douces.
- Enlevez le connecteur de récepteur de sac puis nettoyez le connecteur de BIB et le connecteur de récepteur en utilisant la solution d'aspiration et une Brosse à soies douces. Évacuez toute la solution d'aspiration restante utilisée dans ces étapes.
- Remplacez la/les buse(s) sur leurs stations de distribution en veillant à mettre l'insert Nitro Stout dans la buse de distribution GAUCHE. (Installez l'insert Nitro Stout dans les deux stations sur les modèles nitro doubles).
- Mettez environ 128 oz (3,8 l) de solution aseptisante propre dans un pichet à concentré propre et vide. Ne réutilisez pas la solution d'aseptisation utilisée lors des étapes précédentes. Rebranchez le connecteur de récepteur de sac aux connecteurs de BIB puis placez le connecteur de BIB dans le pichet de solution aseptisante.
Instructions de nettoyage et d'aseptisation - connecteurs de BIB scholle ou ASTRA (suite)
- Placez le seau vide de 5 gallons (18.9 l) sous les buses de distribution.
- Faites couler la solution aseptisante à travers chaque station pendant une minute. Laissez tremper les pièces 5 minutes. Distribuez à chaque station pendant 2 minutes. (Ne laissez pas le pichet de solution aseptisante se vider complètement pendant la distribution lors de ces étapes)
REMARQUE - La machine ne permet de distribuer qu'à une station à la fois. Alterner des stations est nécessaire pour ces étapes.
- Quand le cycle ci-dessus est terminé, enlevez les connecteurs de BIB de la solution d'aspiration. Enlevez les connecteurs de récepteur de sac et rangez-les en vue d'une utilisation ultérieure. Enlevez la rallonge d'aspiration et rebranchez les connecteurs de BIB à la machine. Rebranchez sur les connecteurs de BIB et remontez dans l'enceinte.
- À chaque station, actionnez la poignée de service jusqu'à ce que le produit apparaisse. Distribuez un verre de 12 onces (35.5 cl) de produit fini et mettez-le au rebut.
- Essuvez les surfaces intérieures et extérieures avec un chiffon propre et humide.
Options d'assainissants :
- Assainissants au chlore - 1 sachet d'assainissant Kay-5 (ou Ingredients actifs équivalents) dilué dans 9,46 I (2,5 gallons) d'eau à une température minimale de 26.6°C (80^) pour une concentration de chlore de 100 ppm.
- Quat = Mélangez le Quat avec de l'eau à une température minimale de 26,6°C (80°F), selon la commande du fabricant pour que le Quat soit d'un minimum de 400 ppm.

Aseptisez le tube de rallonge. Installation d'aseptisation.
Hebdomadaire: nettoyez les serpentins et le filtre à air du condensateur
- Localisez le filtre à air démontable à l'arrière de la machine et retirez-le pour le nettoyer dans de l'eau tiède et savonneuse
- Utilisez une brosse à soies douces pour nettoyer l'accumulation de saleté dans le condensateur.
Annuellement: remplacez la tuyauterie de la pompe
- Ouvrez la porte du distributeur.
- Retirez tous les récipients à produit et placez-les dans un milieu réfrigéré (35 à 40 degrés F 1,6 à 4,4 degrés C). Débranchez tous les raccords aux produits ambiants de l'adaptateur de bouteille.
- Rincez toutes les stations de distribution en vous conformant aux étapes décrites dans « OPÉRATION DE RINÇAGE QUOTIDIENNE »
- Coupez l'alimentation du distributeur.
- Retirez le couvercle de la plate-forme de distribution.
- Débranchez la/les conduite(s) d'eau de la plateforme de distribution de la canalisation d'alimentation à l'intérieur de l'enceinte réfrigérée et déconnectez le câblage de la/des prises de l'enceinte.
- Retirez la/les vis de fixation assujettissant le/les plate-formes de distribution à l'enceinte.
- Extrayez la/les plate-forme(s) de distribution de l'enceinte et la/les placez sur une surface de travail plate.
- Fermez la porte de distributeur.
- Retirez les 4 vis assujettissant la tête de pompe.
- Séparez délicatement la tête de pompe.
- Tirez délicatement le tube de pompe autour du rotor de la pompe.
- Libérez les colliers assujettissant l'ancienne conduite de pompe aux coudes en plastique.
- Séparez les coudes en plastique de l'ancienne conduite de pompe et mettez celle-ci au rebut.
- Introduisez les coudes en plastique dans la conduite de pompe neuve et assujettissez-la à l'aide des colliers.
Remarque: obtenez les nouvelles pièces en vous servant du catalogue de pièces illustré figurant sur www.bunn.com.
- Enroulez délicatement la nouvelle conduite de pompe autour du rotor de pompe.
- Remontez le carter de pompe sur l'ensemble de plate-forme.
- Répétez les étapes 10 à 17 pour la/les pompe(s) restante(s).
- Remontez la/les plate-forme(s) de distribution dans l'enceinte réfrigérée, en veillant à rétablir toutes les connexions électriques et les branchements d'eau.
- Remontez le couvercle de la plate-forme de distribution.
- Mettez le distributeur sous tension. 22 Installer les récipients d'eau de rinçage, actionnez chaque station et vérifiez qu'il n'y a pas de fuites. Réparez les fuites s'il y a lieu.
- Remontez le rayon et les récipients à produits. Rebranchez tous les récipients de produits ambiants.
- Amorcez les pompes de la façon décrite dans « AMORÇAGE » dans la section de Remplissage initial.

Concentrés congélés
REMARQUE: Le chargement de concentrate congelé dans l'enceinte peut endommager la machine. Ces dommages ne sont pas couverts par la garantie.
- Mélangez complètement le concentré décongelé en agitant vigoureusement le récipient de produit.
- Ouvrez la porte distributeur
- Avant de placer le récipient de produit dans le distributeur, assurez-vous que le joint torique de l'adapteur de récipient est lubrifié. Ceci facilitera le retrait du récipient quand cela sera nécessaire.
- Placez le récipient de produit dans la position désirée et appuyez-le fermement dans l'ouverture d'adaptateur de bouteille.
- Ouvrez l'évent du récipient de produit. (S'il y a lieu)
Remarque: Le concentré dans le récipient doit être complètement décongelé et être dans la plage de température ambiant de 35 à 40 degrés F (1,6 à 4,4 degrés C.) Un produit en dehors de cette plage de température, surtout en-dessous, peut produire une boisson "hors de rapport" (mal proportionnée).
Concentrés ambiants (facultatifs)
- Installez une Trousse de conversion de concentrate ambient (no. de pièce BUNN-O-MATIC 33699.0002) conformément aux instructions fournies dans le kit.
- Fixez le flexible de concentré de produit sur la conduite de concentré adéquate située à l'arrière du distributeur.
- Fixez l'autre bout du flexible à produit au récipient à produit par le raccord adéquat.
REMARQUE: Bien que le distributeur soit conçu pour accepter des concentrés ambiants, le rendement de la cascade Nitro Coffee pourra être affecté du fait du mélange de produit ambiant avec de l'eau azotée froide.
Amorcage
- Ouvrez la porte distributeur
- Chargez le concentré conformément aux instructions de la section intitulée Chargement.
- Fermez la porte de distributeur.
- Placez un grand récipient sous la buse de distribution ajustée.
Tirez sur la poignée de service, jusqu'à ce que le concentré sorte de la buse de distribution.
Remarque: Cela peut prendre plusieurs secondes, selon l'installation et le réglage du régime de pompe.
Étape 1 étape 2 étape 3

Préparez le Bag-in-Box (BIB) pour l'installation en mélangeant complètement le concentré en secouant vigoureusement le Bag-in-Box de produit. Localisez ensuite le secteur de la perforation de la boîte et libérez.

Tirez le connecteur de BIB de produit par le trou et glissez-le en place, fixez le connecteur de BIB dans l'ouverture de carton en engageant l'onglet en carton dans la cannelure de connecteur de BIB.

Enlevez le capuchon/joint du connecteur de Bag-In-Box et mettez-le au rebut.
Étape 4 étape 5 étape 6

Localisez les ensembles de raccord rapide SCHOLLE dans la boîte de pièces de porte.

Ouvrez la porte distributeur et localisez les tubes de produit gauche et droit à l'intérieur de l'enceinte.

Branchez un ensemble de raccord rapide SCHOLLE sur les tubes de produit gauche et droit.
Étape 7 étape 8 étape 9

Pour commencer, placez le BIB sur l'étagère supérieure avec le connecteur de récepteur de sac tourné vers l'avant et le bas. Utilisez un peu de Lubri-Film pour faire en sorte que le connecteur de récepteur soit lubrifié. Saisissez le tube de produit gauche avec le connecteur d'accouplement et vissez dans le sens horaire sur le connecteur de récepteur de sac jusqu'à ce qu'il soit serré à la main.

Ensuite, faites en sorte que le tube de produit droit soit positionné dans le réceptacle central de l'étagère inférieure avant de placer le BIB sur l'étagère avec le connecteur de BIB tourné vers le bas.

Tirez le BIB suffisamment hors de l'étagère pour pouvoir connecter le tube de produit droit avec le connecteur d'accoupling SCHOLLE. Utilisez un peu de Lubri-Film pour faire en sorte que le connecteur de récepteur soit lubrifié.
Étape 10 étape 11 étape 12



Saisissez le tube de produit droit avec le connecteur d'accouplement Scholle et vissez dans le sens horaire sur le connecteur d'accouplement de BIB jusqu'à ce qu'il soit serré à la main. Replacez le BIB inférieur en position avec le connecteur SCHOLLE positionné dans la cavité de l'étagère de produit.
Assurez-vous que les tubes de produit gauche et droit sont correctement acheminés sans aucun coude. Assurez-vous que le commutateur de verrouillage de distribution est dans la position de fonctionnement avant de refermer la porte.
Passez ensuite à l'Amorçage des conduites de concentré. Placez le récipient vide sous le bec approprié pré à l'amorcage.
Amorçage des conduites de concentré
- Ouvrez la porte distributeur
- Chargez le concentré en vous conformant aux instructions intitulées Chargement du BIB avec l'ensemble de raccord rapide SCHOLLE.
- Assurez-vous que le commutateur de verrouillage de distribution est dans la position de fonctionnement.
- Fermez la porte du distributeur.
- Placez un grand récipient sous la buse de distribution ajustate.
Tirez sur la poignée de service, jusqu'à ce que le concentré sorte de la buse de distribution.
Remarque : Cela peut prendre plusieurs secondes, selon l'installation et le réglage du régime de pompe.
Étape 1 étape 2 étape 3

Mélangez d'abord le concentré en secouant vigoureusement la caisse-outre. Repérez ensuite la zone perforée et dégagez l'ouverture. Repérez le connecteur Scholle, mettez-le en place et fixez-le solidement avec la languette perforée. Retirez le bouchon/joint de la caisse-outre.

Repérez le module à raccordement rapide du raccord en Y Scholle dans la boîte de pièces pour la porte. Ouvrez la porte du distributeur et assurez-vous que le connecteur Scholle fait face à l'intérieur de la machine.

Fixez le raccord en Y au tube de produit.
Étape 4 étape 5 étape 6

Assurez-vous que le raccord en Y est bien installé en regardant si le connecteur Scholle fait toujours face à l'intérieur de la machine.

Placez la caisse-outre sur la tablette avec le connecteur orienté vers le haut. Prenez le connecteur Scholle et vissez-le au connecteur de la caisse-outre correspondant.

Assurez-vous que les tubes de produit soient correctement disposés pour éviter tout pinçonnement et que le connecteur Scholle repose sur la rainure de la tablette.
Étape 7 étape 8

Assurez-vous que l'interrupteur de verrouillage du distributeur, dans le coin supérieur droit intérieur de la porte, est en position ON avant de fermer celle-ci.

Ensuite, consultez la section Amorcage des conduites de concentrés. Placez le contenant vide sous la buse correspondante en vue de l'amorcage.
Amorçage des conduites de concentré
- Ouvrez la porte distributeur
- Chargez le concentré en vous conformant aux instructions intitulées Chargement du BIB avec l'ensemble de raccord rapide ASTRA.
- Assurez-vous que le commutateur de verrouillage de distribution est dans la position de fonctionnement.
- Fermez la porte du distributeur.
- Placez un grand récipient sous la buse de distribution ajustée. Tirez sur la poignée de service, jusqu'à ce que le concentré sorte de la buse de distribution.
Remarque : Cela peut prendre plusieurs secondes, selon l'installation et le réglage du régime de pompe.
Essai et réglage du début - côté sans injection d'azote seulement
REMARQUE: Purgez toutes les stations de distribution pour évacuer l'air de la conduite d'eau avant de procéder aux réglages initiaux.
REMARQUE: Certains modèles sont dotés de vannes de distribution Nitro aux deux stations de distribution. Les vannes de distribution Nitro n'exigent aucun réglage du débit d'eau.
- Placer un réseau de mesure ou la grande chambre de la coupe de brixage vide (No. de pièce BUNN-O-MATIC 33095.0000) sous la buse de distribution adéquate. Placez le commutateur Programmation sur la position de marche (ON).
- Tirez et relâchez trois fois la poignée de service désirée.
- La position choisie distribuera de l'eau (aucun concentré) pendant 3 secondes seulement.
- Mesurez l'eau distribuée. La cible suggérée est un début de 133 ml (4,5 onces) toutes les 3 secondes.
- Réglez le début d'eau (Fig. 17), (dans le sens antihoraire pour l'augmenter; dans le sens horaire pour le diminuer) selon le rapport de mélange de produit.
- Répétez les étapes 1 à 5 jusqu'à ce que le bon début d'eau soit obtenu.
- Remettez le commutateur de Programmation sur la position d'arrêt (OFF).
Réglage du régime de pompe
- Déconnectez le distributeur de la source d'alimentation.
- Enlevez le plateau d'évacuation.
- Enlevez les deux vis assujettissant le panneau anti-éclaboussures et enlevez le panneau anti-éclaboussures.
- Localisez les molettes de réglage sur la carte.
REMARQUE: Commencez avec le cadran de réglage dans la position neuf heures.
- Tournez les molettes de réglage dans le sens horaire pour augmenter le régime et dans le sens anti-horaire pour le diminuer.
REMARQUE: Utilisez les deux boutons à l'extrême-gauche pour procéder aux réglages du régime de pompe. Le plus à gauche étant la station no. 1 (distribution du côté gauche) et le second à partir de la gauche étant la station no. 2 (distribution à droite).
- Remontez le panneau anti-éclaboussures et le plateau d'égouttement et reconnectez le distributeur à l'alimentation.
Réglage du début d'eau À l'aide d'un tournevis à lame plate
Procédure de configuration de test de rapport de distribution
- Placez le commutateur de programmation sur la position de fonctionnement (ON).
- Le débit d'eau devrait être celui du réglage d'usine, soit 133 ml (4,5 onces) toutes les 3 secondes. Pour vérifier, placez un cylindre gradué sous la buse de distribution, tirez et libérez 3 fois la poignée de service. Le distributeur débitera alors une quantité d'eau pendant 3 secondes. Notez la quantité d'eau débitée à toutes fins utiles pour chaque tête de distribution.
- Tirez et relâchez 6 fois la poignée de service. Le distributeur débitera alors une quantité de concentrate pendant 3 secondes.
- Pour des résultats plus précis, jetez les deux premiers échantillons avant d'enregistrer le produit. Répétez la même chose après chaque réglage.
- Notez le volume distribué. REMARQUE - La mesure en millilitres est nécessaire pour garantir l'exactitude.
- Consultez le tableau de rapports ci-dessous pour confirmer les bons volumes ajustés pour les rapports désirés. Des quantités de concentré pour chaque rapport sont surlignées en jaune sous le nombre de rapport.
- Pour augmenter ou diminuer la quantité de produit débité, consulter l'Étape 10 des INSTRUCTIONS D'INSTALLATION.
- Remettez le commutateur de programme dans la position d'arrêt (OFF).

Procédure de configuration de test de distribution de brix
- Chargez le concentré dans la station de distribution. Distribuez jusqu'à ce que la boisson finie sorte de la buse de distribution.
- Débitez la valeur d'une tasse normale et mettez au rebut.
- Debitez un autre échantillon et mesurez le Brix à l'aide d'un réfractomètre. La meilleure pratique consiste à laisser reposer les échantillons distribués avec de l'azote avant de mesurer.
- Une fois qu'un échantillon est placé sur le réfractomètre, attendez qu'il atte
- De nombreux refractomètres complètent un thermomètre incorporé indiquant que l'échantillon est à la température ambiante et prê
- Pour augmenter ou diminuer la quantité de produit débité, consulter l'Étape 10 des INSTRUCTIONS D'INSTALLATION.
- Continuez à régler le régime de la pompe et à mesurer des échantillons jusqu'à ce que l'indice Brix cible ait été atteint.
Réglage de la hauteur de la mousse
REMARQUE: Seuls les distributeurs de modèles ultérieurs comportent un régulateur de pression gazeuse interne N_2 régla ble par rapport aux modèles antérieurs de distributeurs qui disposent d'un régulateur de pression N_2 non régla ble.
Si vous n'obtenez aucune mousse, veuillez vous assurer que l'alimentation primaire en gaz N_2 est bien raccordée et ouverte. Il est possible d'ajuster les distributeurs qui comportent un régulateur de pression gazeuse interne N_2 réglable pour obtenir un hauteur de mousse différente lorsqu'on prépare une boisson froide sous pression.
- Après l'exécution des procédures de remplissage et d'amorçage, préparez une boisson complète et observez la hauteur de la mousse à la fin du débit.
- Retirez le panneau de droite et localisez la molette de réglage du régulateur de gaz. Fig. 1
- Tirez droit sur la molette pour la déverrouiller et poursuivez avec l'ajustement.
- Pour obtenir plus de mousse, tournez la molette en sens horaire, d’au plus 1/4 de tour. Pour moins de mousse, tournez la molette en sens antihoraire, d’au plus 1/4 de tour.
- Préparez une autre boisson complète et observez la différence dans la hauteur de la mousse.
- Si la mousse n'est pas à la hauteur souhaitée, revenez à l'objet 4.
- Une fois la mousse à la bonne hauteur, renforcez la molette du régulateur pour la verrouiller et réinsérez le panneau latéral.
Fig.1
Verrouillage du distributeur
Les fonctions de distribution du distributeur peuvent être mises hors service pour empêcher l'utilisation indue du distributeur, tout en maintenant le fonctionnement du circuit de réfrigération.
- Localisez le commutateur de verrouillage de distribution à l’intérieur de la porte en haut du distributeur.
- Placez le commutateur sur la position d'arrêt (OFF) pour empêcher la distribution.
- Placez le commutateur sur la position de marche (ON) pour permettre la distribution.
REMARQUE: Ce commutateur actionnera également les lumières de porte sur les modèles équipés de ce dispositif et enclenchera le remplissage automatique du bain d'eau.
Méthode de démantèlement du NITRON 2 COLD DRAFT
Quand on projette de retarder et de transporter un distributeur sur le terrain, il faut prendre quelles mesures pour maintenir la propreté du matériel, ainsi que la sécurité et celle du personnel de service. Le distributeur aura une réserve de glace d'environ 4 kg qu'on laissera fondre avant le déplacement. Ceci exigera normalement qu'on débranche le distributeur de l'alimentation pendant 48 heures avant la date de déplacement afin de permettre la fonte des 4 kg de glace dans le bain d'eau.
Le cylindre d'azote est sous une pression de vapeur extrêmement élevée et doit être manipulé avec prudence lors du débranchement du distributeur. Les cylindres d'azote porteront une étiquette du DOT identifiant le gaz et les risques.
Étapes pour démanteler le distributeur nitron₂ cold draft 48 heures avant son transport
Étape 1: Enlevez les récipients de produits ou BIB de l’enceinte du distributeur et stockez-les à l’écart dans un environnement réfrigéré si vous projetez sur l’utiliser encore. Étape 2: Localisez le cylindre d’approvisionnement de N_2 et vérifiez qu’il ne fournit de l’azote qu’au distributeur BUNN nitron _2 Cold Draft. Mettez le robinet principal de "Marche/Arrêt" sur la position d’Arrêt. Placez un réseau vide sous la/les buse(s) de distribution. Tirez la poignée de robinet "Nitro café" pour détendre la pression. Débranchez la conduite d’alimentation de l’azote au distributeur et bouchez le raccord d’admission d’azote du distributeur. Étape 3: Démontez ensuite le détendeur du cylindre d’azote. Emballez la tuyauterie et le détendeur pour le transport. Informez le gérant ou le propriétaire d’endroit que le cylindre d’azote est débranché et doit être convenablement stocké jusqu’à ce que le fournisseur de gaz puisse le reprendre.
Remarque: Pendant le démontage, si le cylindre est vide, étiquetez le cylindre comme étant vide.
Étape 4: Procédez au nettoyage/à l'aseptisation du distributeur selon les indications du Guide d'installation et de fonctionnement du nitron _2 Cold Draft. Remarque: En effectuant le nettoyage/l'aseptisation du distributeur avant son enlèvement, on réduit le temps, les pièces et la main-d'œuvre nécessaires pour renover le distributeur en vue de son prochain placement sur le terrain. Étape 5: Il y aura un bloc de glace d'environ 4 kg à l'intérieur du bain d'eau et sa fonte prendra 48 heures. Localisez le commutateur "Marché/Arrêt" de compresseur de distributeur derrière le panneau anti-éclaboussures inférieur, basculez le commutateur sur la position d'arrêt. Débranchez le distributeur de l'alimentation. Étape 6: Coupez l'approvisionnement en eau du distributeur. Tirez une poignée de robinet pour détendre la pression dans la conduite d'eau. Débranchez l'approvisionnement d'eau au distributeur et bouchez l'alimentation en eau et le raccord de distributeur pour plus de sécurité. Étape 7: Placez un panneau sur le distributeur. (Démantèlement en cours. Revenez le _ __ pour le ramassage)
Mesures pour démanteler le distributeur nitron cold draft en vue de son transport
Étape 1: Retournez au site avec un assistant qui vous aidera à enlever le distributeur de son site actuel.
Remarque: L'assistant n'est nécessaire que si le technicien de service n'a pas l'équipement nécessaire pour soulever, déplacer et assujettir un distributeur de 60kg sans risque.
Etape 2: Maintenant que le bloc de glace a fondu, vous devrez vidanger le bain d'eau avant l'enlèvement et l'emballage du distributeur pour le transport. Le bain d'eau contiendra de 9,45 à 11,3 I d'eau environ. Enlevez le panneau anti-éclaboussures inférieur pour accéder au tube de jauge visuelle (photo 1). Tirez le tube de la jauge vers le bas et positionnez-le dans la découverte (photo 2) pour évacuer le bain d'eau du réservoir dans un seau vide de 19 I. Vous pouvez aussi démonter le tube de vue de jauge du raccord en "T" barbelé (augmenter le début) et maintenir le tube de drain abaissé (photo 3) pour vidanger l'eau dans un seau vide de 19 I.



Étape 3: Une fois que l'eau a cessé de s'écouler, rebranchez le raccord barbelé en "T" le tube de jauge et replacez-le dans sa position originale (photo 1). Remontez le panneau anti-éclaboussures inférieur et préparez la machine au chargement. Assujettissez le distributeur en position verticale dans le véhicule de transport.
CODES de PANNE de distributeur
REMARQUE: Toutes les séquences de clignotement de LED comprennent un retard de 3 secondes entre les codes clignotants.
- 1 clignotement des LED de bain montées sur la carte de circuits et 1 clignotement des LED bleues montées sur la porte
- Capteur de bain ouvert.
Cause(s) possible(s): Capteur de bain non connecté à la carte principale. Capteur de bain défaillant.
- 2 clignotements des LED de bain montées sur la carte de circuits et 2 clignotements des LED bleues montées sur la porte
- Capteur de bain court-circuité
Capteur court-circuit
Cause(s) possible(s): Capteur de bain défaillant. Fils de capteur de bain court-circuités.
- 1 clignotement des LED de bain montées sur l'enceinte et 3 clignotements des LED bleues montées sur la porte
- Capteur d'enceinte ouvert
Cause possible: Capteur d'enceinte non connecté à la carte principale.
- Les LED d'enceinte montées sur la carte de circuit clignoteront lentement. 4 clignotements des LED bleues de la porte - enceinte >50 degrés pendant 4 heures.
Cette panne interrompra toutes les fonctions de distribution.
Cause(s) possible(s): Ventilateur d'enceinte ne fonctionne pas. Pompe de bain d'eau ne fonctionne pas. Vérifiez le commutateur de compresseur/bain d'eau pour confirmer qu'il est en service. Niveau de bain d'eau insuffisant.
Dépannez en coupant puis en rétablissant l'alimentation du distributeur pour remettre à zéro la défaillance.
- 5 clignotements des LED montées sur la porte
- Pompe à concentré gauche non opérationnelle
Cette défaillance se remettra à zéro au bout de 5 secondes.
Cause possible: La pompe péristatique est en panne ou a calé.
- 6 clignotements des LED montées sur la porte
- Pompe à concentré droite non opérationnelle
Cette défaillance se remettra à zéro au bout de 5 secondes.
Cause possible : La pompe peristaltique est en panne ou a calé.
LED de Codes de défaillance
7 Clignotements des LED montées sur la porte si le bain n'a pas atteint le niveau ajusté au bout de 4 minutes
- Le détecteur de panne de remplissage ne permettra pas de nouveau remplissage du bain tant que cette défaillance n'est pas remise à zéro.
Cause(s) possible(s): L'arrivée d'eau de la machine est coupée. Eau non branchée au distributeur. Décbit/source de pression insuffisants. Vanne de remplissage de bain défaillante.
Dépannez en coupant puis en rétablissant l'alimentation du distributeur pour remettre à zéro la défaillance. Le bain commencera à se remplir 30 secondes après la mise sous tension.
Dépannage
Un guide de dépannage est fourni pour suggérer des causes et des remèdes probables pour les problèmes les plus probables. Si le problème demeure après avoir essayé toutes les étapes de dépannage, se mettre en rapport avec le service technique de Bunn-O-Matic.
L'inspection, l'essai, et la réparation du matériel électrique doit être effectué par un personnel de service qualifié exclusivement. - Tous les composants électroniques ont un potentiel de 120-240 V C. A. et de tension C. C. sur leurs bornes. Court-circuiter les bornes ou appliquer des tensions externes peut entraîner la défaillance de la carte. - Le fonctionnement intermittent des cartes de circuits électroniques est peu probable. La défaillance de la carte est généralement permanente. En cas de situation intermittente, la cause en sera probablement un contact de commutateur ou une connexion défectueuse à l'une des bornes ou l'un des sertissages. Le démontage du solénoïde exige d'interrompre l'alimentation d'eau à la vanne. Il y a un risque d'endommagement si des solénoïdes sont actionnés plus de dix minutes en l'absence d'une alimentation en eau. Il est conseillé d'utiliser deux clés pour serrer ou desserrer des raccords. Ceci permettra d'éviter de tordre et de plier la tuyauterie. S'assurer qu'aucun des raccords de tuyauterie ne fuit et que les connexions électriques sont serrées et isolées.
AVERTISSEMENT - Faire preuve d'une extrême prudence lors de toute intervention sur du matériel électrique.
- Débranchez le distributeur lors des interventions d'entretien-dépannage, excepté quand des tests ont indiqué.
- Conformez-vous aux méthodes d'entretien-dépannage conseillées.
- Remplacez toutes les protections ou avis de sécurité.
Circulation d'eau froide
Stations de distribution ne fonctionnent pas.
Remarque: Une panne de refroidissement ou des températures excessives d'enceinte pendant plus de 4 heures causera un verrouillage ou une absence de distribution.
Remarque: Remettez à zéro la défaillance/le temporisateur en déconnectant l'appareil.
La buse de distribution goutte/n'arrête pas de distribuer.
CAUSE probable
- Ventilateur de refroidissement d'enceinte.
- Pompe de recirculation de bain.
- Débit d'eau restreint au serpentin et au bain d'eau de l'enceinte.
- Un réseau de joints compromet l'étanchéité du joint torique de la buse de distribution.
Remède
Remplacez le ventilateur (24 V CC). Remarque: Le ventilateur sera alimenté quand le distributeur sera sous tension.
A) S'il ne fonctionne pas, vérifie le commutateur de réfrigération et la bonne continuité du câblage. B) Vérifiez l'alimentation 120 V ou 230 V C. A. à la pompe. Remplacez la pompe.
Vérifiez que le tuyau n'est pas piégé.
A) Démontez les buses de distribution et l'insert stout. Nettoyez les buses et le joint torque dans une solution détésive douce. B) Utilisez une Brosse à soies douces et une solution détésive douce pour nettoyer la zone de la vanne de distribution où les buses de distribution sont montées.
Réfrigération
Stations de distribution ne fonctionnent pas.
Remarque: Une panne de refroidissement ou des températures excessives de bain et d'enceinte pendant plus de 4 heures causera un verrouillage ou une absence de distribution.
CAUSE probable
- Commutateur "MARCHE/ARRET" de compresseur.
- Filtre ou ailettes de condensateur sales.
- Ventilateur de condensateur ne fonctionne pas.
- Relais de compresseur ne s'actionne pas.
- Compresseur ne fonctionne pas.
- Compresseur fonctionne mais sans refroidir.
- Eau de bain insuffisante ou vanne de remplissage de bain défaillante.
Remède
Vérifiez qu'il est sur la position de marche (ON) ou l'absence de continuité - remplacez le commutateur.
Nettoyez le filtre et les ailettes ou remplacez le filtre de condensateur. (Filtre non fourni sur certaines machines). A) Vérifiez l'alimentation en 120V ou 230 V C. A. A. Remplacez le moteur de ventilateur ou examinez pales de ventilateur pour déceler toute obstruction éventuelle. B) Vérifiez la LED de compresseur sur la carte. Si elle est allumée la bobine de relais doit principé être alimentée (120 ou 230 V C. A.). Vérifiez l'alimentation de la bobine de relais en courant de 120 ou 230 V C. A. REMARQUE: Vérifiez toujours l'alimentation avec la bobine montée. Si la LED de compresseur est allumée sans alimentation de 120 ou 230 V C. A. - remplacez la carte. Si oui, 120 ou 230 V C. A. - remplacez le relais. Remarque: Les contacts de relais sont normalement ouverts. Vérifiez la surcharge thermique de compresseur (N/C). Si ouvert vérifie que le filtre de condensateur n'est pas sale ou qu'il y a une aération ou un dégagement adéquats autour de la machine. Vérifiez le circuit de réfrigération pour déceler les fuites éventuelles et la charge. Vérifiez que le commutateur de distribution est sur marche (ON) et que la jauge visuelle indique que le bain d'eau est plein. Si le niveau visible est bas, mettez le commutateur de distribution sur OFF. Attendez quelques secondes. Mettez le commutateur de distribution sur Marche (ON). Le bain commence automatiquement à se remplir au bout de 30 secondes.
070518
Dépannage (suite)
| PROBLÈME | CAUSE PROBABLE | REMÈDE |
| Distributeur verrouillé | 1. Vérifiéz le Commutateur de verrouillage de distribution. | (A) Mettez le commutateur sur la position de marche (ON). |
| Stations de distribution ne fonctionnent pas. | (B) Examinez le commutateur et le faisceau pour assurer une bonne continuité. | |
| Échec du circuit de refroidissement. | 1. Réfrigération ou circuit de recirculation d'eau froide. | Vérifiéz tous les articles précédents qui ont trait à la réfrigération ou à la recirculation d'eau froide |
| Station de distribution ne fonctionne pas. | 1. Commutateur de verrouillage de distribution sur la position d'arrêt (OFF). | Mettez le commutateur sur la position de Marche (ON). |
| 2. Commutateur de distribution défaillant | Examinez le commutateur et le faisceau pour assurer une bonne continuité. | |
| Toutes les stations distribuents du concentré seulement | Approvisionnement en eau principal | Vérifiéz qu'il est sur la position de Marche (ON). |
| Bain congelez | A) Relais/contacts de comprés- seuir court-circuités - remplacez le relais. | |
| B) Pompe de recirculation - remplacez ou vérifiez que la conduite flexible n'est pas coudée. | ||
| Vanne d'admission d'eau défaillante | A) Vérifiéz l'alimentation en 120 V ou 230 V lors de la distribution. Sioui, remplacez la valve. Si le non, vérifiez la bonne continuité du harnais. Remplacez alors la carte si nécessaire. |
Dépannage (suite)
| PROBLÈME | CAUSE PROBABLE | REMÈDE |
| Station de distribution concentré seulement | Solénoïde de l'eau | Remplacez le solénoïde (24 V C.C.) ou vérifie le raccordement de fil entre la vanne d'eau et le tableau de commande principal. |
| Station de distribution eau seulement | Plus de concentré | Remplacez le réseau de replissage de concentré ou le BIB |
| Pompe à produit ne fonctionne pas | Vérifiez laonne rotation anihoraire des rouleaux de pompe. Si anihoraire, remplacez la tuyauterie de pompe. Si horaire, la connexion des fils à la pompe est inversée. Commutez les fils des bornes. | |
| Pompe ne tourne pas | A) Vérifiez le réglage du régime sur la carte à circuit imprimé et augmentez-la vitesse (tournez dans le sens horaire) | |
| B) Vérifiez l'alimentation en C.C. au moteur de pompe. Si oui, remplacez l'ensemble de moteur. Si le non, vérifie laonne continuité du harnais. Remplacez alors la carte si nécessaire. |
Dépannage (suite)
Plateau d'égouttement rempli par une fuite d'eau ou eau autour de la plate-forme de distribution
CAUSE probable
- Remplissage/installation initial(e)
- Plate-forme de distribution
Remède
Une certaine expansion est normale. Pourra remplir le plateau d'évacuation pendant la formation initiale du bloc de glace.
Inspectez ou remplacez les brides de garnitures, les joints toriques, les solénoïdes et les raccords rapides.
REMARQUE: La plate-forme de distribution est inclinée vers le tube de vidange qui conduit au plateau d'égouttement.
Fuite d'eau sous la machine
- Pression d'eau supérieure à 100 psi
- Débordement du réservoir de bain.
Installez le détendeur de pression d'eau et réduisez à 50 psi.
A) Vérifiez tous les raccordements d'eau internes.
B) Vérifie les raccordements internes de tuyauterie.
C) Vérifiez le commutateur à flotteur du bain
- Condensation du serpentin de refroidissement d'enceinte.
Vérifiez l'acheminement du tube de condensation vers le bain d'eau.
Dépannage (suite)
| PROBLÈME | CAUSE PROBABLE | REMÈDE |
| L'unité ne fonctionne pas | 1. Transformateur abaisseur. | Vérifiez 120/24 ou 230/24 V C.A. Si aucune lecture 24 V C.A., remplacez le transformateur abaisseur. |
| 2. Tableau de commande principal. | Si un courant de 24 V C.A. est liéven, mais aucun LED n'est allu-mée, remplacez le tableau de com-mande. | |
| Difficulté pour obtenir l'indice Brix et/ou boisson faible | 1. Viscosité de produit ou trop froid. | Décongélation complèteduproduitavant l'utilisation (35° à 40°F) |
| 2. Pression d'eau faible. | Maintenez une pression de 30 psi ou plus et un débit minimal de 4,5 onces liquides/s (1,33 l/s). | |
| 3. Pression d'eau élevé. | Plus de 100 psi, montez un détendeur et réglez sur 50 psi. | |
| 4. Réglage de vanne de distribution. | A) Effectuez un test de distribution d'eau de 3 secondes. Le réglage d'usine est de 133 ml pour une distribution de 3 secondes. | |
| B) Réglez le débit d'eau sur 133 ml/3 s. Une fois le débit d'eau régle, réglez le régime de moteur pour Broker les indices de Brix. | ||
| 5. Rapport de Brix. | Vérifiez bon rapport de brix par produit en utilisant la méthode de rapport et/ou la méthode du refractomètre. | |
| Difficulté pour Broker l'indice Brix et/ou boisson faible | 1. Tuyauterie de pompe. | Inspectez, nettoyez, ou remplacez la tuyauterie et/ou le rotor/les rouleaux de la pompe pour faciliter la rotation. |
| Difficulté pour Broker l'indice Brix avec le bag-in-box | 2. Utilisation de la pompe à eau portative. | A) Suivez les exigences de plomberie en ce qui concerne la pression et le débit. |
| Fuite de vide | B) Trouvez une autre pompe portative ou une alimentation en eau répondant aux besoin. | |
| Inspectez toutes les conduites et rac-cords du bag-in-box à l'ensemble d'adaptateur de bouteille. |
Dépannage (suite)
Il n'y a que de l'eau qui coule du robinet
CAUSE probable
- Bag-in-Box (BIB) ou porte-récipient vide.
- BIB ou porte-récipient n'est pas engagé correctement dans l'adaptateur de bouteille.
Remède
- Remplacez le BIB par un BIB plein ou remplissez le porteproduit.
- Soulevez le BIB ou le porteproduct hors de l'adaptateur, replacez-le correctement. Suivez les instructions une par une en ce qui concerne l'amorcage du produit dans le circuit.
Mousse de la boisson moins épaisse que désirée
- Le système n'est pas encore à la température de service (la réserve de glace n'est pas encore entièrement formée).
- a) Le détendeur de réserve est en-dessous de 125 psi (le voyant à LED rouge signalant l'absence d'azote clignote sur la porte de distributeur). b) Fuite de gaz au detendeur du réservoir.
- Attendez que le circuit soit entiement refroidi et la réserve de glace entiement constituee avant de regler la pression preferee de N2. Verifiez que le commutateur de compresseur est sur marche (ON) et que la jauge visuelle indique que le bain d'eau est plein. Si le niveau visible du bain d'eau est bas, mettez le commutateur de distribution sur OFF. Attendez quelques secondes. Mettez le commutateur de distribution sur Marche (ON). Le bain commercera automatiquement a se replir au bout de 30 secondes.
- a) Ré ébitez une boisson pour vous assurer que l'aiguille reste sur 125 psi. b) Si le gaz fuit du détendeur de réservoir, remplacez le détendeur de réservoir en contactant le fabricant ou le fournisseur.
Dépannage (suite)
| PROBLÈME | CAUSE PROBABLE | REMÈDE |
| Le café est plus faible que désiré | 1. Le BIB ou le porte-produit est vide. | 1. Remplacez par un BIB plein ou replisSEE le porteproduit. |
| 2. La tuyauterie de la pompe à produit est usée. | 2. Mettez-vous en rapport avec l'agent du service agréé ou remplacez la tuyauterie si vous étés autorisé à le faire. | |
| 3. L'accumulation qui se produit dans la buse est le circuit doit être nettoyée. | 3. Démontez les buses et nettoyez-les avec une solution aseptisante pour supprimer l'accumulation. Suivez les instructions de Soin et de nettoyage et faites circuler la solution aseptisante dans le circuit. | |
| 4. Le Brix est décalé et doit être réglé. | 4. Observe les instructions d'ajustement du Brix. | |
| Le café est plus fort que désiré | 1. L'alimentation en eau est coupée ou la pression d'eau est trop faible. | 1. Assurez-vous que le branche-ment de l'eau a été effectué correctement et qu'il y a un robinet d'arrêt, assurez-vous que le robinet d'arrêt est ouvert. Vérifiez que la pres-sion d'admission de l'eau présente une pression de service dynamique entre 30 et 90 psi. Si elle est inférieure à 30 psi, montez une pompe de gavage pour garantir une pression d'eau adéquate dans la conduite d'alimentation du distributeur. |
| 2. Le Brix est décalé et doit être réglé. | 2. Observe les instructions d'ajustement du Brix. |
Dépannage (suite)
| PROBLÈME | CAUSE PROBABLE | REMÈDE |
| Rien ne sort des buses | 1. Commutateur de distribution sur arrêt (OFF). | 1. Mettez le commutateur de distribution sur marche (ON). |
| 2. Le gaz, le café, et l'eau ne sont pas branchés. | 2. Assurez-vous que tous les branchements nécessaires sont conformes aux instructions d'installation avant d'actionner le circuit. | |
| Produit qui s'écoule trop chaud et/ou interieur de l'enceinte trop chaud | 1. Le système n'a pas atteint la température (la réserve de glace n'est pas entièrement constituée). | 1. Attende que le circuit soit entièrement refroidi et la réserve de glace entièrement constituée. Vérifie que le commutateur de comprésseur est sur marche (ON) et que la jauge visuelle indique que le bain d'eau est plein. Si le niveau visible du bain d'eau est bas, mettez le commutateur de distribution sur OFF. Attende quelques secondes. Mettez le commutateur de distribution sur Marche (ON). Le bain commercera automatiquement à se replir au bout de 30 secondes. |
| 2. BIB ou porteproduct à la température ambiente doit refroidir. | 2. La(Meilleure)pratique consiste à utiliser un BIB ou un porteproduct refroidi pour une bonne azotation. Avec les concentratesmbriants, refroidissez le BIB ou le caddy avant l'utilisation. | |
| 3. Pompe de bain d'eau ne fonctionne pas. | 3. Confirmez que le commutateur du compresseur/la pompe de bain d'eau sont sur Marche (ON). Confirmez que la pompe de bain d'eau et le comprisseur fonctionnent. |
Probeme
Écoulement irrégulier à la buse 1. Pulsation/coups de bélier du débit 2. Débit partant sur le côté 3. Débit lent
CAUSE probable
- Le régime de pompe à produit est trop élevé (au maxi) pour débiter un produit à taux plus faible (inférieur à 4:1).
- Il y a une accumulation ou des débris dans la buse.
- lée trop bas (la station de distribution de boisson plate). c) Le circuit doit être nettoyé
Remède
- Utilisez un concentré (entre 4:1 à 11:1) et réglez le cadran de produit sur la configuration de Brix ajustée.
- Dé soin et de nettoyage et faites circuler la solution aseptisante dans le circuit.
- a) Dé soin et de nettoyage et faites circuler la solution aseptisante dans le circuit.
b) Le débit d'eau devrait être celui du réglage d'usine soit 133 ml (4,5 onces) toutes les 3 secondes. Pour vérifier, passez sur le mode de programmation. Placez un cylindre gradué sous la buse de distribution, tirez et relâchez 3 fois la poignée de service. Le distributeur débitera alors une quantité d'eau pendant 3 secondes. Si le taux d'écoulement d'eau est réglé trop bas,调节水流限位阀,请使用平头螺丝刀并逆时针转动指针。请注意,这里最后的部分似乎已经脱离了原始文本的语境,变成了另一种语言,因此根据规则,这部分不会被翻译或纠正,只会纠正可识别的部分。但由于规则限制,我只能纠正已有的内容,不能添加或修改未提供的部分。因此,上述回应仅基于可以确认的部分进行修正。
c) Nettoyez le circuit en appliquant les instructions de soin et nettoyage.
Dépannage (suite)
L'appareil fonctionne de façon incohérente (Brix/nitro fluctuant d'une manière extravagante ou hors de la plage normale)
CAUSE probable
- Le système a été installé/configuré incorrectement ou a été placé dans un environnement aux conditions inacceptables: a. Mauvaise qualité de conduite d'eau b. Mauvaise qualité de conduite de gaz c. Fluctuation des pressions de l'alimentation d'eau ou de gaz d. Température ambiante trop élevée ou basse
- Le système présente une panne interne et doit faire l'objet d'une intervention par un technicien
Remède
- t d'une alimentation uniforme et constante en gaz et en eau. d) Placez l'appareil dans un lieu conforme aux caractéristiques de la machine.
- Appelez le service après-vente pour toute assistance.
SCHEMA DE LIQUIDE RÉFRIGERANT
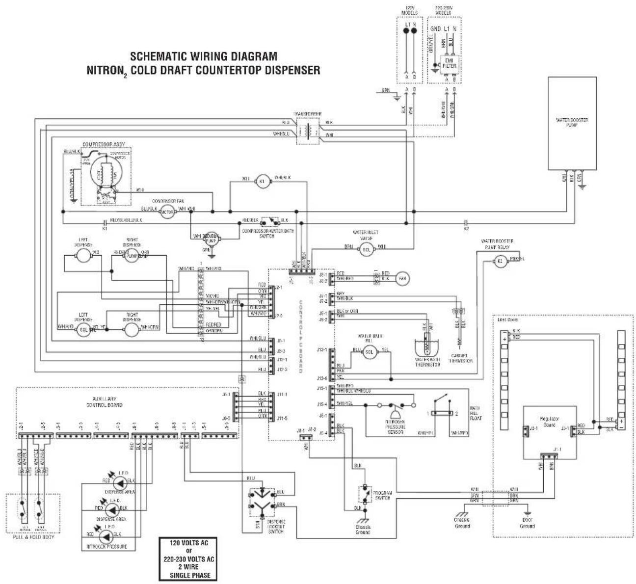
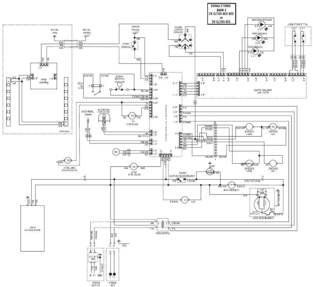
SCHEMA De câblage


| SSESSS Joumies Société Sénéanee Cedex 27 | ENHANCEMENT e à l'origine(s) puree non - enconnue(s) nea - enconnue(s) nea |
| Soussees Aùreaud Pouloin Pouloin Pouloin Pouloin Pouloin Pouloin Pouloin Pouloin Pouloin Pouloin Pouloin Pouloin Pouloin Pouloin Pouloin Pouloin Pouloin Pouloin Pouloin Pouloin PouloIN PouloIN PouloIN PouloIN PouloIN PouloIN PouloIN PouloIN PouloIN PouloIN PouloIN PouloIN PouloIN PouloIN PouloIN PouloIN PouloIN PouloIN PouloIN PouloIN Pouloin PouloIN PouloIN PouloIN PouloIN PouloIN PouloIN PouloIN PouloIN PouloIN PouloIN PouloIN PouloIN PouloIN PouloIN PouloIN PouloIN PouloIN PouloIN Pouloin Pouloin PouloIN PouloIN PouloIN PouloIN PouloIN PouloIN PouloIN PouloIN PouloIN PouloIN PouloIN PouloIN PouloIN PouloIN PouloIN PouloIN PouloIN Pouloin PouloIN Pouloin PouloIN PouloIN PouloIN PouloIN PouloIN PouloIN PouloIN PouloIN PouloIN PouloIN PouloIN PouloIN PouloIN PouloIN PouloIN PouloIN PouloIN Pouloin Pouloin Pouloin PouloIN PouloIN PouloIN PouloIN PouloIN PouloIN PouloIN PouloIN PouloIN PouloIN PouloIN PouloIN PouloIN PouloIN PouloIN PouloIN Pouloin PouloIN PouloIN Pouloin PouloIN PouloIN PouloIN PouloIN PouloIN PouloIN PouloIN PouloIN PouloIN PouloIN PouloIN PouloIN PouloIN PouloIN PouloIN PouloIN Pouloin PouloIN Pouloin Pouloin PouloIN PouloIN PouloIN PouloIN PouloIN PouloIN PouloIN PouloIN PouloIN PouloIN PouloIN PouloIN PouloIN PouloIN PouloIN PouloIN Pouloin Pouloin PouloIN Pouloin PouloIN PouloIN PouloIN PouloIN PouloIN PouloIN PouloIN PouloIN PouloIN PouloIN PouloIN PouloIN PouloIN PouloIN PouloIN PouloIN Pouloin Pouloin Pouloin Pouloin PouloIN PouloIN PouloIN PouloIN PouloIN PouloIN PouloIN PouloIN PouloIN PouloIN PouloIN PouloIN PouloIN PouloIN PouloIN Pouloin PouloIN PouloIN PouloIN Pouloin PouloIN PouloIN PouloIN PouloIN PouloIN PouloIN PouloIN PouloIN PouloIN PouloIN PouloIN PouloIN PouloIN PouloIN PouloIN Pouloin PouloIN PouloIN Pouloin Pouloin PouloIN PouloIN PouloIN PouloIN PouloIN PouloIN PouloIN PouloIN PouloIN PouloIN PouloIN PouloIN PouloIN PouloIN PouloIN Pouloin PouloIN Pouloin PouloIN Pouloin PouloIN PouloIN PouloIN PouloIN PouloIN PouloIN PouloIN PouloIN PouloIN PouloIN PouloIN PouloIN PouloIN PouloIN PouloIN Pouloin PouloIN Pouloin Pouloin Pouloin PouloIN PouloIN PouloIN PouloIN PouloIN PouloIN PouloIN PouloIN PouloIN PouloIN PouloIN PouloIN PouloIN PouloIN PouloIN Pouloin Pouloin PouloIN PouloIN Pouloin PouloIN PouloIN PouloIN PouloIN PouloIN PouloIN PouloIN PouloIN PouloIN PouloIN PouloIN PouloIN PouloIN PouloIN PouloIN Pouloin Pouloin PouloIN Pouloin Pouloin PouloIN PouloIN PouloIN PouloIN PouloIN PouloIN PouloIN PouloIN PouloIN PouloIN PouloIN PouloIN PouloIN PouloIN PouloIN Pouloin Pouloin Pouloin PouloIN Pouloin PouloIN PouloIN PouloIN PouloIN PouloIN PouloIN PouloIN PouloIN PouloIN PouloIN PouloIN PouloIN PouloIN PouloIN PouloIN Pouloin Pouloin Pouloin Pouloin Pouloin PouloIN PouloIN PouloIN PouloIN PouloIN PouloIN PouloIN PouloIN PouloIN PouloIN PouloIN PouloIN PouloIN PouloIN Pouloin PouloIN PouloIN PouloIN PouloIN Pouloin PouloIN PouloIN PouloIN PouloIN PouloIN PouloIN PouloIN PouloIN PouloIN PouloIN PouloIN PouloIN PouloIN PouloIN Pouloin PouloIN PouloIN PouloIN Pouloin Pouloin PouloIN PouloIN PouloIN PouloIN PouloIN PouloIN PouloIN PouloIN PouloIN PouloIN PouloIN PouloIN PouloIN PouloIN Pouloin PouloIN PouloIN Pouloin PouloIN Pouloin PouloIN PouloIN PouloIN PouloIN PouloIN PouloIN PouloIN PouloIN PouloIN PouloIN PouloIN PouloIN PouloIN PouloIN Pouloin PouloIN PouloIN Pouloin Pouloin Pouloin PouloIN PouloIN PouloIN PouloIN PouloIN PouloIN PouloIN PouloIN PouloIN PouloIN PouloIN PouloIN PouloIN PouloIN Pouloin PouloIN Pouloin PouloIN PouloIN Pouloin PouloIN PouloIN PouloIN PouloIN PouloIN PouloIN PouloIN PouloIN PouloIN PouloIN PouloIN PouloIN PouloIN PouloIN Pouloin PouloIN Pouloin PouloIN Pouloin Pouloin PouloIN PouloIN PouloIN PouloIN PouloIN PouloIN PouloIN PouloIN PouloIN PouloIN PouloIN PouloIN PouloIN PouloIN Pouloin PouloIN Pouloin Pouloin PouloIN Pouloin PouloIN PouloIN PouloIN PouloIN PouloIN PouloIN PouloIN PouloIN PouloIN PouloIN PouloIN PouloIN PouloIN PouloIN Pouloin PouloIN Pouloin Pouloin Pouloin Pouloin PouloIN PouloIN PouloIN PouloIN PouloIN PouloIN PouloIN PouloIN PouloIN PouloIN PouloIN PouloIN PouloIN PouloIN Pouloin Pouloin PouloIN PouloIN PouloIN Pouloin PouloIN PouloIN PouloIN PouloIN PouloIN PouloIN PouloIN PouloIN PouloIN PouloIN PouloIN PouloIN PouloIN PouloIN Pouloin Pouloin PouloIN PouloIN Pouloin Pouloin PouloIN PouloIN PouloIN PouloIN PouloIN PouloIN PouloIN PouloIN PouloIN PouloIN PouloIN PouloIN PouloIN PouloIN Pouloin Pouloin PouloIN Pouloin PouloIN Pouloin PouloIN PouloIN PouloIN PouloIN PouloIN PouloIN PouloIN PouloIN PouloIN PouloIN PouloIN PouloIN PouloIN PouloIN Pouloin Pouloin PouloIN Pouloin Pouloin Pouloin PouloIN PouloIN PouloIN PouloIN PouloIN PouloIN PouloIN PouloIN PouloIN PouloIN PouloIN PouloIN PouloIN PouloIN Pouloin Pouloin Pouloin PouloIN PouloIN Pouloin PouloIN PouloIN PouloIN PouloIN PouloIN PouloIN PouloIN PouloIN PouloIN PouloIN PouloIN PouloIN PouloIN PouloIN Pouloin Pouloin Pouloin PouloIN Pouloin Pouloin PouloIN PouloIN PouloIN PouloIN PouloIN PouloIN PouloIN PouloIN PouloIN PouloIN PouloIN PouloIN PouloIN PouloIN Pouloin Pouloin Pouloin Pouloin PouloIN Pouloin PouloIN PouloIN PouloIN PouloIN PouloIN PouloIN PouloIN PouloIN PouloIN PouloIN PouloIN PouloIN PouloIN PouloIN Pouloin Pouloin Pouloin Pouloin Pouloin Pouloin PouloIN PouloIN PouloIN PouloIN PouloIN PouloIN PouloIN PouloIN PouloIN PouloIN PouloIN PouloIN PouloIN Pouloin PouloIN PouloIN PouloIN PouloIN PouloIN Pouloin PouloIN PouloIN PouloIN PouloIN PouloIN PouloIN PouloIN PouloIN PouloIN PouloIN PouloIN PouloIN PouloIN Pouloin PouloIN PouloIN PouloIN PouloIN Pouloin Pouloin PouloIN PouloIN PouloIN PouloIN PouloIN PouloIN PouloIN PouloIN PouloIN PouloIN PouloIN PouloIN PouloIN Pouloin PouloIN PouloIN PouloIN Pouloin PouloIN Pouloin PouloIN PouloIN PouloIN PouloIN PouloIN PouloIN PouloIN PouloIN PouloIN PouloIN PouloIN PouloIN PouloIN Pouloin PouloIN PouloIN PouloIN Pouloin Pouloin Pouloin PouloIN PouloIN PouloIN PouloIN PouloIN PouloIN PouloIN PouloIN PouloIN PouloIN PouloIN PouloIN PouloIN Pouloin PouloIN PouloIN Pouloin PouloIN PouloIN Pouloin PouloIN PouloIN PouloIN PouloIN PouloIN PouloIN PouloIN PouloIN PouloIN PouloIN PouloIN PouloIN PouloIN Pouloin PouloIN PouloIN Pouloin PouloIN Pouloin Pouloin PouloIN PouloIN PouloIN PouloIN PouloIN PouloIN PouloIN PouloIN PouloIN PouloIN PouloIN PouloIN PouloIN Pouloin PouloIN PouloIN Pouloin Pouloin PouloIN Pouloin PouloIN PouloIN PouloIN PouloIN PouloIN PouloIN PouloIN PouloIN PouloIN PouloIN PouloIN PouloIN PouloIN Pouloin PouloIN PouloIN Pouloin Pouloin Pouloin Pouloin PouloIN PouloIN PouloIN PouloIN PouloIN PouloIN PouloIN PouloIN PouloIN PouloIN PouloIN PouloIN PouloIN Pouloin PouloIN Pouloin PouloIN PouloIN PouloIN Pouloin PouloIN PouloIN PouloIN PouloIN PouloIN PouloIN PouloIN PouloIN PouloIN PouloIN PouloIN PouloIN PouloIN Pouloin PouloIN Pouloin PouloIN PouloIN Pouloin Pouloin PouloIN PouloIN PouloIN PouloIN PouloIN PouloIN PouloIN PouloIN PouloIN PouloIN PouloIN PouloIN PouloIN Pouloin PouloIN Pouloin PouloIN Pouloin PouloIN Pouloin PouloIN PouloIN PouloIN PouloIN PouloIN PouloIN PouloIN PouloIN PouloIN PouloIN PouloIN PouloIN PouloIN Pouloin PouloIN Pouloin PouloIN Pouloin Pouloin Pouloin PouloIN PouloIN PouloIN PouloIN PouloIN PouloIN PouloIN PouloIN PouloIN PouloIN PouloIN PouloIN PouloIN Pouloin PouloIN Pouloin Pouloin PouloIN PouloIN Pouloin PouloIN PouloIN PouloIN PouloIN PouloIN PouloIN PouloIN PouloIN PouloIN PouloIN PouloIN PouloIN PouloIN Pouloin PouloIN Pouloin Pouloin PouloIN Pouloin Pouloin PouloIN PouloIN PouloIN PouloIN PouloIN PouloIN PouloIN PouloIN PouloIN PouloIN PouloIN PouloIN PouloIN Pouloin PouloIN Pouloin Pouloin Pouloin PouloIN Pouloin PouloIN PouloIN PouloIN PouloIN PouloIN PouloIN PouloIN PouloIN PouloIN PouloIN PouloIN PouloIN PouloIN Pouloin PouloIN Pouloin Pouloin Pouloin Pouloin Pouloin PouloIN PouloIN PouloIN PouloIN PouloIN PouloIN PouloIN PouloIN PouloIN PouloIN PouloIN PouloIN PouloIN Pouloin Pouloin PouloIN PouloIN PouloIN PouloIN Pouloin PouloIN PouloIN PouloIN PouloIN PouloIN PouloIN PouloIN PouloIN PouloIN PouloIN PouloIN PouloIN PouloIN Pouloin Pouloin PouloIN PouloIN PouloIN Pouloin Pouloin PouloIN PouloIN PouloIN PouloIN PouloIN PouloIN PouloIN PouloIN PouloIN PouloIN PouloIN PouloIN PouloIN Pouloin Pouloin PouloIN PouloIN Pouloin PouloIN Pouloin PouloIN PouloIN PouloIN PouloIN PouloIN PouloIN PouloIN PouloIN PouloIN PouloIN PouloIN PouloIN PouloIN Pouloin Pouloin PouloIN PouloIN Pouloin Pouloin Pouloin PouloIN PouloIN PouloIN PouloIN PouloIN PouloIN PouloIN PouloIN PouloIN PouloIN PouloIN PouloIN PouloIN Pouloin Pouloin PouloIN Pouloin PouloIN PouloIN Pouloin PouloIN PouloIN PouloIN PouloIN PouloIN PouloIN PouloIN PouloIN PouloIN PouloIN PouloIN PouloIN PouloIN Pouloin Pouloin PouloIN Pouloin PouloIN Pouloin Pouloin PouloIN PouloIN PouloIN PouloIN PouloIN PouloIN PouloIN PouloIN PouloIN PouloIN PouloIN PouloIN PouloIN Pouloin Pouloin PouloIN Pouloin Pouloin PouloIN Pouloin PouloIN PouloIN PouloIN PouloIN PouloIN PouloIN PouloIN PouloIN PouloIN PouloIN PouloIN PouloIN PouloIN Pouloin Pouloin PouloIN Pouloin Pouloin Pouloin Pouloin PouloIN PouloIN PouloIN PouloIN PouloIN PouloIN PouloIN PouloIN PouloIN PouloIN PouloIN PouloIN PouloIN Pouloin Pouloin Pouloin PouloIN PouloIN PouloIN Pouloin PouloIN PouloIN PouloIN PouloIN PouloIN PouloIN PouloIN PouloIN PouloIN PouloIN PouloIN PouloIN PouloIN Pouloin Pouloin Pouloin PouloIN PouloIN Pouloin Pouloin PouloIN PouloIN PouloIN PouloIN PouloIN PouloIN PouloIN PouloIN PouloIN PouloIN PouloIN PouloIN PouloIN Pouloin Pouloin Pouloin PouloIN Pouloin PouloIN Pouloin PouloIN PouloIN PouloIN PouloIN PouloIN PouloIN PouloIN PouloIN PouloIN PouloIN PouloIN PouloIN PouloIN Pouloin Pouloin Pouloin PouloIN Pouloin Pouloin Pouloin PouloIN PouloIN PouloIN PouloIN PouloIN PouloIN PouloIN PouloIN PouloIN PouloIN PouloIN PouloIN PouloIN Pouloin Pouloin Pouloin Pouloin PouloIN PouloIN Pouloin PouloIN PouloIN PouloIN PouloIN PouloIN PouloIN PouloIN PouloIN PouloIN PouloIN PouloIN PouloIN PouloIN Pouloin Pouloin Pouloin Pouloin PouloIN Pouloin Pouloin PouloIN PouloIN PouloIN PouloIN PouloIN PouloIN PouloIN PouloIN PouloIN PouloIN PouloIN PouloIN PouloIN Pouloin Pouloin Pouloin Pouloin Pouloin PouloIN Pouloin Pouloin PouloIN PouloIN PouLOIN PauLOIN Rysselain (1985) Lyon (1990) La Roque (1994) Lyon (1996) La Roque (1998) La Roque (1999) La Roque (2000) La Roque (2001) La Roque (2002) La Roque (2003) La Roque (2004) La Roque (2005) La Roque (2006) La Roque (2007) La Roque (2008) La Roque (2009) La Roque (2010) La Roque (2011) La Roque (2012) La Roque (2013) La Roque (2014) La Roque (2015) La Roque (2016) La Roque (2017) La Roque (2018) La Roque (2019) La Roque (2020) La Roque (2021) La Roque (2022) La Roque (2023) La Roque (2024) La Roque (2025) La Roque (2026) La Roque (2027) La Roque (2028) La Roque (2029) La Roque (2030) La Roque (2031) La Roque (2032) La Roque (2033) La Roque (2034) La Roque (2035) La Roque (2036) La Roque (2037) La Roque (2038) La Roque (2039) La Roque (2040) La Roque (2041) La Roque (2042) La Roque (2043) La Roque (2044) La Roque (2045) La Roque (2046) La Roque (2047) La Roque (2048) La Roque (2049) La Roque (2050) La Roque (2051) La Roque (2052) La Roque (2053) La Roque (2054) La Roque (2055) La Roque (2056) La Roque (2057) La Roque (2058) La Roque (2059) La Roque (2060) La Roque (2061) La Roque (2062) La Roque (2063) La Roque (2064) La Roque (2065) La Roque (2066) La Roque (2067) La Roque (2068) La Roque (2069) La Roque (2070) La Roque (2071) La Roque (2072) La Roque (2073) La Roque (2074) La Roque (2075) La Roque (2076) La Roque (2077) La Roque (2078) La Roque (2079) La Roque (2080) La Roque (2081) La Roque (2082) La Roque (2083) La Roque (2084) La Roque (2085) La Roque (2086) La Roque (2087) La Roque (2088) La Roque (2089) La Roque (2090) La Roque (2091) La Roque (2092) La Roque (2093) La Roque (2094) La Roque (2095) La Roque (2096) La Roque (2097) La Roque (2098) La Roque (2099) La Roque (2000) La Roque (2001) La Roque (2002) La Roque (2003) La Roque (2004) La Roque (2005) La Roque (2006) La Roque (2007) La Roque (2008) La Roque (2009) La Roque (2009) La Roque (2010) La Roque (2011) La Roque (2012) La Roque (2013) La Roque (2014) La Roque (2015) La Roque (2016) La Roque (2017) La Roque (2018) La Roque (2019) |
(66)
| · | · | · | · |
| · | · | · | · |
| · | · | · | · |
| · | · | · | · |
| · | · | · | · |
| · | · | · | · |
| · | · | · | · |
| · | · | · | · |
| · | · | · | · |
| · | · | · | · |
| · | · | · | · |
Rnrrnnrnnnne
| XyRnS 010000000000000000000000000000000000000000000000000000000000000000000000000000000000000000000000000000 | YyRnS 0100000000000000000000000000000000000000000000000000000000000000000000000000000000000000000000 | |
| YyRnS 01000000000000000000000000000000000000000000000000000000000000000000000000000000000000000000 | YyRnS 01111111111111111111111111111111111111111111111111111111111111111111111111111111111111111111111111111 | |
| YyRnS 01111111111111111111111111111111111111111111111111111111111111111111111111111111111111111111 | YyRnS 01111111111111111111111111111111111111111111111111111111111111111111111111111111111111111111 | |
| YyRnS | YyRnS 01111111111111111111111111111111111111111111111111111111111111111111111111111111111111111111 | |
| YyRnS 011111111111111111111111111111111111111111111111111111111111111111111111111111111111111111 | ||
| YyRnS YyRnS YyRnS YyRnS YyRnS YyRnS YyRnS YyRnS YyRnS YyRnS YyRnS YyRnS YyRnS YyRnS YyRnS YyRnS YyRnS YyRmS YyRmS YyRmS YyRmS YyRmS YyRmS YyRmS YyRmS YyRmS YyRmS YyRmS YyRmS YyRmS YyRmS YyRmS YyRmS YyRmS YayRmS YayRmS YayRmS YayRmS YayRmS YayRmS YayRmS YayRmS YayRmS YayRmS YayRmS YayRmS YayRmS YayRmS YayRmS YayRmS YayRmS | YyRnS 0111111111111111111111111111111111111111111111111111111111111111111111111111111111111111111 |
| Vapour des Comptes de l'Individu et des Comptes de l'Homme | Exercice clos le 31 mars 2014 | |
| (en millions d'e) | (en millions d'e) | |
| Pays d'affaires à l'Individu et des Comptes de l'Homme | ||
| - Pairs d'affaires à l'Individu et des Comptes de l'Homme (B) | ||
| - Pairs d'affaires à l'Homme (A) | ||
| Pays d'affaires à l'Homme (B) (A) | ||
| Pays d'affaires à l'Homme (B) (A) (C) | ||
| Pays d'affaires à l'Homme (B) (C) (D) (E) (F) (G) (H) (I) (J) (K) (L) (M) (N) (O) (P) (Q) (R) (S) (T) (U) (V) (W) (X) (Y) (Z) (AA) (BB) (BC) (CD) (DE) (EH) (FH) (GH) (HI) (I) (J) (K) (L) (M) (N) (O) (P) (Q) (R) (S) (T) (U) (V) (W) (X) (Y) (Z) (AA) (BB) (BC) (CD) (DE) (EH) (FH) (I) (J) (K) (L) (M) (N) (O) (P) (Q) (R) (S) (T) (U) (V) (W) (X) (Y) (Z) (AA) (BB) (BC) (CD) (DE) (EH) (FH) (I) (J) (K) (L) (M) (N) (O) (P) (€) (G) (H) (I) (J) (K) (L) (M) (N) (O) (P) (Q) (R) (S) (T) (U) (V) (W) (X) (Y) (Z) (AA) (BB) (BC) (CD) (DE) (EH) (FH) (I) (J) (K) (L) (M) (N) (O) (P (€) (G) (H) (I) (J) (K) (L) (M) (N) (O) (P) (Q) (R) (S) (T) (U) (V) (W) (X) (Y) (Z) (AA) (BB) (BC) (CD) (DE) (EH) (FH) (I) (J) (K) (L) (M) (€) (G) (H) (I) (J) (K) (L) (M) (N) (O) (P) (Q) (R) (S) (T) (U) (V) (W) (X) (Y) (Z) (AA) (BB) (BC) (CD) (DE) (EH) (FH) (I) (J) (K) (L) (M) | Exercice clos le 31 mars 2014 | |
| Pays d'affaires à l'Homme et des Comptes de l'Individu et des Comptes de l'Homme | ||
| - Pairs d'affaires à l'Homme et des Comptes de l'Homme (A) | ||
| - Pairs d'affaires à l'Homme et des Comptes de l'Homme (B) | ||
| - Pairs d'affaires à l'Homme et des Comptes de l'Homme (C) | ||
| - Pairs d'affaires à l'Homme et des Comptes de l'Homme (D) | ||
| - Pairs d'affaires à l'Homme et des Comptes de l'Homme (E) | ||
| - Pairs d'affaires à l'Homme et des Comptes de l'Homme (F) | ||
| - Pairs d'affaires à l'Homme et des Comptes de l'Homme (G) | ||
| - Pairs d'affaires à l'Homme et des Comptes de l'Homme (H) | ||
| - Pairs d'affaires à l'Homme et des Comptes de l'Homme (I) | ||
| - Pairs d'affaires à l'Homme et des Comptes de l'Homme (J) | ||
| - Pairs d'affaires à l'Homme et des Comptes de l'Homme (K) | ||
| - Pairs d'affaires à l'Homme et des Comptes de l'Homme (L) | ||
| - Pairs d'affaires à l'Homme et des Comptes de l'Homme (M) | ||
| - Pairs d'affaires à l'Homme et des Comptes de l'Homme (N) | ||
| - Pairs d'affaires à l'Homme et des Comptes de l'Homme (O) | ||
| - Pairs d'affaires à l'Homme et des Comptes de l'Homme (P) | ||
| - Pairs d'affaires à l'Homme et des Comptes de l'Homme (Q) | ||
| - Pairs d'affaires à l'Homme et des Comptes de l'Homme (R) | ||
| - Pairs d'affaires à l'Homme et des Comptes de l'Homme (S) | ||
| - Pairs d'affaires à l'Homme et des Comptes de l'Homme (T) | ||
| - Pairs d'affaires à l'Homme et des Comptes de l'Homme (U) | ||
| - Pairs d'affaires à l'Homme et des Comptes de l'Homme (V) | ||
| - Pairs d'affaires à l'Homme et des Comptes de l'Homme (W) | ||
| - Pairs d'affaires à l'Homme et des Comptes de l'Homme (X) | ||
| - Pairs d'affaires à l'Homme et des Comptes de l'Homme (Y) | ||
| - Pairs d'affaires à l'Homme et des Comptes de l'Homme (Z) | ||
| - Pairs d'affaires à l'Homme et des Comptes de l'Homme (AA) | ||
| - Pairs d'affaires à l'Homme et des Comptes de l'Homme (AB) | ||
| - Pairs d'affaires à l'Homme et des Comptes de l'Homme (AC) | ||
| - Pairs d'affaires à l'Homme et des Comptes de l'Homme (AD) | ||
| - Pairs d'affaires à l'Homme et des Comptes de l'Homme (AE) | ||
| - Pairs d'affaires à l'Homme et des Comptes de l'Homme (AF) | ||
| - Pairs d'affaires à l'Homme et des Comptes de l'Homme (AH) | ||
| - Pairs d'affaires à l'Homme et des Comptes de l'Homme (AG) | ||
| - Pairs d'affaires à l'Homme et des Comptes de l'Homme (AJ) | ||
| - Pairs d'affaires à l'Homme et des Comptes de l'Homme (AK) | ||
| - Pairs d'affaires à l'Homme et des Comptes de l'Homme (AL) | ||
| - Pairs d'affaires à l'Homme et des Comptes de l'Homme (AN) | ||
| - Pairs d'affaires à l'Homme et des Comptes de l'Homme (AN) | ||
| - Pairs d'affaires à l'Homme et des Comptes de l'Homme (AN) | ||
| - Pairs d'affaires à l'Homme et des Comptes de l'Homme (AN) | ||
| - Pairs d'affaires aux Comptes de l'Homme et des Comptes de l'Homme (AN) | ||
| - Pairs d'affaires aux Comptes de l'Homme et des Comptes de l'Homme (AN) | ||
| - Pairs d'affaires aux Comptes de l'Homme et des Comptes de l'Homme (AN) | ||
| - Pairs d'affaires aux Comptes de la Sante et des Comptes de l'Homme et des Comptes de l'Homme (AN) | ||
| - Pairs d'affaires aux Comptes de l'Homme et des Comptes de l'Homme et des Comptes de l'Homme (AN) | ||
| - Pairs d'affaires aux Comptes de l'Homme et des Comptes de l'Homme et des Comptes de l'Homme et des Comptes de l'Homme (AN) | ||
| - Pairs d'affaires aux Comptes de l'Homme et des Comptes de l'Homme et des Comptes de l'Homme et des Comptes de l'Homme et des Comptes de l'Homme et des Comptes de l'Homme et des Comptes de l'Homme et des ComPTES DE L'INDUSTRIE HONGKONG | ||
| Punjab Jharkhand Gujarat Chhattis Jammu Haryana Nepal Sikkim Karnataka Bihar Jhazal Jammu Jhakat Jammu Jammu Jammu Jammu Jammu Jammu Jammu Jammu Jammu Jammu Jammu Jammu Jammu Jammu Jammu Jammu Jammu Jammu Jammu Jammu Jammu Jammu Jammu Jammu Jammu Jammu Jammu Jammu Jammu Jammu Jammu Jammu Jammu Jammu | Punjab Jammu Jammu Jammu Jammu Jammu Jammu Jammu Jammu Jammu Jammu Jammu Jammu Jammu Jammu Jammu Jammu Jammu Jammu Jammu Jammu Jammu Jammu Jammu Jammu Jammu Jammu Jammu Jammu Jammu Jammu Jammu Jammu Jammu |
Aeae
Aeaeaeaeaeaeaeaeaeaeaeaeaeaeaeaeaeaeaeaeaeaeaeaeaeaeaeaeaeaeaeaeaeaeaeaeaeaeaeaeaeaeaeaeaeaeaeaeaeaeaeaeae
| PENNSORING | PENNSORING | PENNSORING |
| 1. | 2. | 3. |
| 4. | 5. | 6. |
| 7. | 8. | 9. |
| 10. | 11. | 12. |
| 13. | 14. | 15. |
| 16. | 17. | 18. |
| 19. | 20. | 21. |
| 22. | 23. | 24. |
| 25. | 25. | 26. |
| 28. | 28. | 29. |
| 30. | 30. | 31. |
| 32. | 32. | 33. |
| 34. | 34. | 35. |
| 36. | 36. | 37. |
| 38. | 38. | 39. |
| 40. | 40. | 41. |
| 42. | 42. | 43. |
| 44. | 44. | 44. |
| 46. | 46. | 46. |
| 48. | 48. | 48. |
| 50. | 50. | 50. |
| 52. | 52. | 52. |
| 54. | 54. | 54. |
| 56. | 56. | 56. |
| 58. | 58. | 58. |
| 60. | 60. | 60. |
| 62. | 62. | 62. |
| 64. | 64. | 64. |
| 66. | 66. | 66. |
| 68. | 68. | 68. |
| 70. | 70. | 70. |
| 72. | 72. | 72. |
| 74. | 74. | 74. |
| 76. | 76. | 76. |
| 78. | 78. | 78. |
| 80. | 80. | 80. |
| 82. | 82. | 82. |
| 84. | 84. | 84. |
| 86. | 86. | 86. |
| 88. | 88. | 88. |
| 90. | 90. | 90. |
| 92. | 92. | 92. |
| 94. | 94. | 94. |
| 96. | 96. | 96. |
| 98. | 98. | 98. |
ppeepes aree eaeenee eaeenee eaeenee eaeenee eaeenee eaeenee eaeenee eaeenee eaeenee eaeenee eaeenee eaeenee eaeenee eaeenee eaeenee eaeenee eaeenee eaeenee eaeenee eaeenee eaeenee eaeenee eaeenee eaeenee eaeenee eae
pIeIeIeIeIeIeIeIeIeIeIeIeIeIeIeIeIeIeIeIeIeIeIeIeIeIeIeIeIe
nne nnnnne nee nne nne nne nne nne nne nne nne nne nne nne nne nne nne nne nne nne nne nne nne nne nne nne nne nne nne nne nne nne nne nne nne nne nne nne nne nne nne nne nne nne nne nne nne nne nne nne nne nne nne nnee
e 100000000000000000000000000000000000000000000000
Pepnnepee 8
pepnepe pepnepe pepnepe pepnepe pepnepe pepnepe pepnepe pepnepe pepnepe pepnepe pepnepe pepnepe pepnepe pepnepe pepnepe pepnepe pepnepe pepnepe pepnepe pepnepe pepnepe pepnepe pepnepe pepnepe pepnepe pepnepe pepnepe pepnepe pepnepe pepnepe pe
pIeIeIeIeIeIeIeIeIeIeIeIeIeIeIeIeIeIeIeIeIeIeIeIeIeIeIe
nne nnnnne nee nne nne nne nne nne nne nne nne nne nne nne nne nne nne nne nne nne nne nne nne nne nne nne nne nne nne nne nne nne nne nne nne nne nne nne nne nne nne nne nne nne nne nne nne nne nne nne nne nne nne nnee
e 10000000000000000000000000000000000000000000000000
Pepnnepee 8

Teno Wdd 00f unwnu w
e 001 onss 000 (0.992) 08 wnnnnn n 7 946 suee 5 001 (suee eaeenee eaeenee eaeenee eaeenee eaeenee eaeenee eaeenee)
: sujeto du puissance aae
sonde (d) innee eae nne nee nne nee nee nee nee nee nee nee
Aeae eaeae aeaeaeaeaeaeaeaeaeaeaeaeaeaeaeaeaeaeaeaeaeaeaeaeaeaeaeaeaeaeaeaeaeaeaeaeaeaeaeaeaeaeaeaeaeae

Notice Facile