T51T190BML - Tondeuse à gazon OOGARDEN - Notice d'utilisation et mode d'emploi gratuit
Retrouvez gratuitement la notice de l'appareil T51T190BML OOGARDEN au format PDF.
| Caractéristiques techniques | Tondeuse à gazon OOGARDEN T51T190BML |
|---|---|
| Type de moteur | Moteur thermique 4 temps |
| Largeur de coupe | 51 cm |
| Hauteur de coupe | Réglable de 25 à 75 mm |
| Capacité du bac de ramassage | 60 litres |
| Poids | Environ 35 kg |
| Utilisation | Idéale pour les jardins de taille moyenne à grande |
| Maintenance | Vérifier régulièrement l'huile moteur, nettoyer le filtre à air et affûter les lames |
| Sécurité | Utiliser des gants et des lunettes de protection, ne pas utiliser sous la pluie |
| Informations générales | Garantie de 2 ans, pièces de rechange disponibles |
FOIRE AUX QUESTIONS - T51T190BML OOGARDEN
Questions des utilisateurs sur T51T190BML OOGARDEN
0 question sur cet appareil. Repondez a celles que vous connaissez ou posez la votre.
Poser une nouvelle question sur cet appareil
Téléchargez la notice de votre Tondeuse à gazon au format PDF gratuitement ! Retrouvez votre notice T51T190BML - OOGARDEN et reprennez votre appareil électronique en main. Sur cette page sont publiés tous les documents nécessaires à l'utilisation de votre appareil T51T190BML de la marque OOGARDEN.
MODE D'EMPLOI T51T190BML OOGARDEN
Tondeuse Thermique T51T-190BML
Tondeuse 0383-0004

Consulter ce manuel avant utilisation. A conserver pour tout besoin ultérieur.
DECLARATION DE CONFORMITE
DECLARATION UE DE CONFORMITE
Nous, OOGarden - 15B rue de la Résistance, 01 500 Ambérieu en Bugey - France, certifions par la presente que la machine spécifiée ci-après répond de par sa conception et son type de construction ainsi que de par la version que nous avons mis sur le marché aux prescriptions fondamentales stipulées en matière de sécurité et d'hygiene par les directives européennes en vigueur.
Toute modification apportee à la machine sans notre accord rend cette déclaration invalide.
Désignation Produit : Tondeuse à gazon à essence T51T- 190BML
Type:WR65319ABK
Référence OOGarden:0383-0004
N° de série : WR65319ABK 2016.0001-xxxxx
Directives européennes en vigueur :
2006/42/CEE - 2004/108/CEE - 2006/95/CEE
2000/14/CEE Modifiee par 2005/88/CEE
2010/26/CEE
Normes harmonisées appliquées :
EN ISO 5395-1:2013
EN ISO 5395-2:2013
EN ISO 14982:2009
EN ISO 13857:2008
Caracteristiques techniques (dosser technique aupres de sav@oogardencom) :
Puisssance nominale
2,52 kW
Largeur de coupe
50,6 cm
LpA (pression acoustique)
81,9 dB (A)
Incertitude de mesure (K)
3 dB (A)
LWA (puissance acoustique garantie)
98 dB (A)
Incertitude des valeurs déclarées (K)
1,5 m/s²
Fait à : Ambérieu en Bugey, le 06/01/2016
Signataires et responsable de la documentation technique autorisé :
Olivier Courty - Responsible Qualite Produits SAV
OOGarden, 158 rue de la résistance 01 500 Ambérieu en Bugey - FRANCE
Nombre de série
Reporter le n° de Série dans la cadre ci-dessous :

Table des Matieres
INTRODUCTION 2

I. PRISE EN MAIN 3
- Consignes de sécurité et environnement 3
- Descriptif du produit 8
- Guide de montage 9

II. NOTICE D'UTILISATION ET DE MAINTENANCE 13
- Consignes d'utilisation 13
- Entretien et maintenance 17

III. SUPPORT TECHNIQUE 21
1.Problèmes et Solutions 21
2. Service Apre-S-Vente et Garanties 22
3. Caracteristiques techniques 23
INTRODUCTION
Cet apparéil, appelé tondeuse à gazon à essence à conducteur à pied, est conçu pour couper et ramasser le gazon dans le cadre d'une utilisation sur terrains privés. Cet apparéil n'est pas conçu pour une utilisation professionnelle.
La coupe est assurée par une lame rotative horizontalie actionnee par un moteur thermique a essence. Le fonctionnement de cette tondeuse est assured par la presence d'un conducteur a pied se trouvant derriere la machine par rapport au sens de depacement. Le conducteur dispose de commandes, sur le guidon de prehension de la machine, lui permettant de metre en route et d'arreter l'appareil. Cette position, eoignee de I'organe de coupe et du moteur, place le conducteur a distance de securierte des principaux risques de blessures. La rotation de la lame se coupe dans les quelques secondes qui suive nla commande d'arrêt par le conducteur, alsia cette machine ne peut pas fonctionner sans la presence du conducteur a pied.
Cette tondeuse vous permet de couper l'herbe de 4 façons :
- Avec bac de ramassage, sans obturateur mulching et sans deflecteur d'éjection laterale : l'herbe coupée est récapurée dans le bac de ramassage à l'arrête de la machine,
- Sans bac de ramassage, sans obturateur mulching et sans déflecteur d'éjection latérale : l'herbe coupée est laissée à l'arrête de la machine,
- Sans bac de ramassage, avec obturateur mulching et sans deflecteur d'éjection laterale : l'herbe finement broyée nourrit le gazon.
- Sans bac de ramassage, sans obturateur mulching et avec déflecteur d'éjection latérale : l'herbe coupée est éjectée sur le côte de la machine




Cette tondeuse ne doit pas etre utiliseré :
- Dans le cadre d'un usage professionnel,
- Pour un usage agricole,
- Pour effectuer des travaux de débroussaillage,
Pour ramasser des feuilles ou des détritus, - Pour couper d'autres types de végétaux hors herbe et gazon,
Pour taller une haie,
- Sur des terrains non herbeux,
- Pour transporter des personnes (notamment des enfants) ou des animaux
Aplusieurs,
- Pour remorquer ou pousser d'autres objets.
I. PRISE EN MAIN
1. CONSIGNES DE SECURITE ET ENVIRONNEMENT
LE NON-RESPECT DES AVERTISSEMENTS DE CE MANUEL PEUT ENGENDRER DES BLESSURES TRES GRAVES ET/OU ENDOMMAGER L'APPAREIL.
Pour facilititer la compréhension des consignes de sécurité, les symboles suivants sont utilisés dans ce manuel :

Ce symbole 'AVENTISSEMENTS' indique les actions ou comportement pouvant conduire à une situation dangereuse ou à être en contact d'organes dangereux qui peuvent engendrer des blessures très graves,

Ce symbole 'ATTENTION' indique les points importants pouvant conduire à la dépréciation de votre apparéil si vous ne les respectez pas.
Description des symboles présents sur la machine :
| Lire le manuel d'instructions | |
| Ne laisser personne d'autre à proximé de la machine, risque de projection | |
| Attention aux mains et aux pieds de l'opérateur pour éviter toute blessure | |
| Fumées toxiques, ne pas utiliser à l'intérieur | |
| Le carburant est inflammable, tener éloigné des flammes Ne pas ajouter de carburant lors du fonctionnement de la machine | |
| Pour toute opération sur le moteur ou la lame, arrêter le moteur et débrancher le cable de la bougie, puis se reporter au manuel d'instructions | |
| Attention, certains composants de la machine sont très chauds | |
| Pour une sécurité optimale, porter un casque anti-bruit, des lunettes et un masque | |
| Attention! Ajouter de l'essence avant la première utilisation Toujours vérifier le niveau de carburant sur un terrain plat | |
| Attention! Ajouter de l'huile 4 temps avant la première utilisation Toujours vérifier le niveau d'huile sur terrain plat | |
| OFF | Relâcher la barre d'actionnement-frein moteur pour arrêter la rotation de la lame |
| Tirer la barre de traction du moteur pour faire avancer la tondeuse | |
| START | Régime de fonctionnement du moteur de la machine du plus lent au plus rapide |
| DANGER | Zone de Danger. Conserver les mains et pieds à distance de cette zone |
| 98 | En fonctionnement continu, cette machine émet un niveau sonore. Le niveau de puissance acoustique garantiet est de 98 dB |


CONSIGNES AVANT Toute UTILISATION

- Lire attentivement le manuel d'instructions avant toute utilisation,
- Ne laisser personne utiliser la tondeuse sans avoir lu au préalable le manuel d'instructions,
- Ne jamais laisser des enfants utiliser leur tondeuse,
- Ménoriser la signification de tous les symboles présents sur la tondeuse,
- Ne pas utiliser la tondeuse en cas de fatigue, en cas de consommation de médicaments pouvant rendre somnolent ou pouvant engendrer des malaises, en cas de consommation de drogues, d'alcool ou de substances dangereuses pouvant ALTERER les réflexes et la capacité de contrôle,
- Le conducteur de la machine est responsable des accidents et imprévus qui pourrait arriver. Il faut donc être particulièrement vigilant à l'entourage lors d'une'utilisation de la tondeuse ou de la réalisation des opérations de maintenance ou de nettoyage sur celle-ci.

Manipulation de l'essence
- Cet apparéil fonctionne avec de l'essence sans plomb 95. Conserver l'essence dans un récipient adapté à cet usage,
- Lors d'un plein d'essence de la tondeuse, il faut impérativement se trouver à l'extérieur et éloigné de toute source d'inflammation (notamment, il est strictement interdit de fumer à proxime lors de la manipulation de l'essence),
- Ne jamais effectuer le plein de la tondeuse ou un appoint d'essence lorsque le moteur est allumé ou encore chaud,
- Ne jamais enlever le bouchon du réservoir d'essence lorsque le moteur est en marche ou encore chaud,
- Utiliser un entonnoir pour verser l'essence dans le réservoir de la tondeuse. Si de l'essence coule en dehors du réservoir, déplacer la tondeuse avant de la dette en route,
- Remplir le réserve à carburant en laissant un espace d'au moins 1 cm sous la base du col du goulot,
- Veiller à bien referrer le réserve à essence et votre réseau avant de démarrer votre tondeuse.
AVANT DE DEMARRER VOTRE TONDEUSE

- Tout d'abord, s'assurer du bon état de la lame de coupe et de la fixation sur le bloc moteur. Si la vis de serrage de la lame est endommagée, procéder à son changement avant l'utilisation de la tondeuse.
- Puis s'assurer que les leviers de commande de la tondeuse ne sont pas bloqués et reviennent bien dans leur position initiale lorsqu'ils sont reliachés, notamment le levier d'actionnement-frein moteur de la machine (arrêt de la rotation de la lame de coupe),
- Veiller à ce que tous les systèmes de protection soient bien montés et fixés sur la tondeuse (bac de ramassage, protection d'éjection laterale et/ou arrière),
- Porter des chaussures fermées et des pantalons longs. Ne jamais tondre pieds nus
ou avec des chaussures ouvertes,
- Eviter de porter des bijoux qui peuvent s'accrocher dans la machine, s'attacher les cheveux et ne pas porter de vêtements amples ou des cravates,
- Pour se protégger du bruit de l'appareil, porter un casque anti-bruit ou des bouchons anti-bruit,
- Inspector le terrain à tandre pour s'assurer qu'il n'y a pas de risque de projection pendant la tonte (cailloux, branches, objets, os, fils et ficelles, ...)
PENDANT LA TONTE

- Il est impératif de démarrer la tondeuse dans un espace aéré et non confiné. L'accumulation des gaz d'échéppement et notamment du monoxyde de carbone est très dangereuse dans un local fermé.
- Demarrer la tondeuse sur une surface plane dégagée de hautees herbes; ne jamais incliner la tondeuse au moment du démarrage de celle-ci,
- Ne jamais utiliser la tondeuse lorsque de jeunes enfants ou des animaux domestiques se trouvent à proximé,
- Tondre uniquement à la lumière du jour ou avec une luzière artificielle de bonne qualité et dans tous les cas avec une parfaite visibilité,
- Ne jamais approcher les mains ou les pieds du carter de toute lorsque le moteur est en marche,
- Eviter de tondre de l'herbe mouillée. Ne pas tondre sous la pluie ou par temps orageux. En cas de risque de foudre, arrêter immédiatement la tondeuse et se mettre à l'abri avec votre apparéil,
- Porter une attention importante à la nature du terrain et notamment à la présence de trous et d'objets cachant la visibilité,
- Anticiper la présence de talus et fossés pour éviter de glisser ou de se laisser entrainer par la tondeuse,
- S'assurer dans les pentes et faire attention de ne pas glisser,
- Dans les pentes, tandre dans le sens transversal, ne jamais tandre en montant ou en descendant. Etre particulièrement vigilant lors des changements de direction en cas de tonte en pente,
- Ne pas tondre dans les pentes trop raides (pentes supérieures à 15^ ou 27% )
- Etre très prudent lors d'une marche arrêté ou lorsque la machine est tirée vers le conducteur; notamment, s'assurer qu'il n'y a pas d'obstacles ou de trous derrière le conducteur,
- Se déplacer avec la tondeuse en veillant à respecter la vitesse de l'appareil. Ne pas se déplacer plus rapidement, ne pas courir,
- Pour traverser des zones sans herbe ou franchir des obstacles, il faut impératifement couper la rotation de la lame en relâchant la commande,
- Ne jamais soulever ou porter une tondeuse dont le moteur est en marche,
- Pour intervenir sous le carter de coupe, impératifement arrêté le moteur et débrancher la bougie avant d'incliner la tondeuse,
- Ne pas toucher les parties du moteur pendant la tonte, même une fois que le moteur
est arrêté, sous peine de brûlures. Attendre que le moteur ait refroidi.
- Si les organes de protection sont endommagés (bac de ramassage, protection des éjections laterales ou arrières, carter de la lame de coupe), impératifement arrêter le moteur et changer les pieces endommagées avant de reprendre la tonte,
- Arrête la rotation de la lame avant de régler la hauteur de coupe ou enlever le bac de ramassage pour le vider,
- Ne pas modifier les réglages du moteur de la tondeuse, ne pas utiliser l'appareil en surrégime et ne pas forcer le moteur en cas d'obstacle,
- Il est strictement interdit de modifier la tondeuse et notamment de supprimer ou rendre inopérantes les sécurités,
- En cas d'obstacle, couper le moteur et s'assurer que tous les organes de protection sont intacts et qu'aucun objet n'empeche la lame de toumer,
- Dans le cas où la tondeuse est utilisée en bordure de route, tener compte de la circulation et du traffic et être extrémement prudent avant de traverser une voie empruntée par des automobilistes,
- ATTENTION, le niveau de bruit et de vibrations indiqués sur ce manuel sont des valeurs maximales dans la cadre de l'utilisation de la tondeuse. L'absence d'entretien ou l'utilisation de composants non approvés par le fabricant (exemple d'une lame de coupe mal équilibrée) peut entraîner des vibrations supplémentaires, un niveau sonore dépassant la valeur indiquée et une déterioration prématurée de l'équipement,
- Réduire le régime du moteur avant son arrêt.
PROTECTION DE L'ENVIRONNEMENT
- Cette tondeuse a ete livree dans un emballage garantissant sa non-deterieration pendant le transport. Ne pas jeter l'emballage sans s'assurer du bon fonctionnement de sua reappeil et qu'aucun accessoire n'a ete oublie dans ce dernier. Recycler cet emballage ou le déposer dans un centre de recyclage ou de tri de déchets,
- L'huile de vidange ne doit pas etre jetee dans la nature ou avec les ordures menagere. L'huile, l'essence et tous les chiffons souillés par ces produits doivent etre apportes dans un centre de recyclage ou de tri des déchets,
- En fin de vie du produit, ne pas le jeter n'importe où. Confier cet apparéil à un centre de récepération/agréé.
2.DESCRIPTIF DU PRODUIT

- Moteur
- Poignée de réglage centralisé de hauteur de coupe
- Guidon inférieur
- Barre actionnement-frein moteur
- Barre actionnement traction
- Guidon supérieur
- Bac de ramassage
-
Carter lame de coupe
-
Lanceur manuel
-
Filtre à air
- Bouchon replissage huiie
- Bouchon replissage essence
- Branchement bougie
- Deflecteur ejection laterale
- Levier du régime moteur
3. GUIDE DE MONTAGE
Lire ces instructions et ce manuel dans leur intégrality avant d'essayer d'assembler ou de mettre en marche cette tondeuse.

ATTENTION: La tondeuse est vendue sans huile et essence dans le moteur. Cette tondeuse a ete assemblee et testee a l'usine de production.
Attention de ne pas plier les câbles lorsque la poignée est dépliee.
ENLEVER LA TONDEUSE DU CARTON
Faire rouler la tondeuse hors du carton et vérifier le carton consciencieusement pour ne pas perdre d'eventuelles pieces détachées supplémentaires.
Cette tondeuse a gazon a ete livree preete a l'emploi.
MONTER LA TONDEUSE
IMPORTANT : Déplier les poignées avec précaution afin de ne pas pincer ou de ne pas abimer les cables de contrôle.
- Dévisser la vis papillon du support du guidon sur le carter de la tondeuse,

- Assemblier le guidon inférieur sur le support du carter et fixer la vis sur le point de fixation inférieur,

- Assemblier la vis papillon sur le point de fixation supérieur,

- Déplier le guidon supérieur dans l'axe du guidon inférieur et visser la vis papillon pour solidariser les 2 guidons,


POSITIONNEMENT DU BAC DE RAMASSAGE

AVERTISSEMENT! Bien s'assurer que le moteur ne fonctionne pas.

-
Lever le capot de protection arrière,
-
Localiser les deux crochets prévus pour receivevoir la partie supérieure du bac de ramassage,

- Positionner le bac de ramassage pour que la partie supérieure s'insere dans les deux crochets et que la partie inférieure repose sur le carter de la tondeuse,


-
Refermer le capot de protection arrêté,
-
Pour-retirer le bac de ramassage, bien s'assurer que le moteur est coupé, soulever le capot de protection arrrière et soulever le bac de ramassage pour que celui-ci se dégage des crochets de fixation.

POSITIONNEMENT DE L'OBTURATEUR

AVERTISSEMENT! Bien s'assurer que le moteur ne fonctionne pas
Lever le panneau de protection arriere et inserer l'obturator mulching fourni.

POSITIONNEMENT DU DÉFLECTEUR D'ÉJECTION LATERALE

AVERTISSEMENT! Bien s'assurer que le moteur ne fonctionne pas
Pour utiliser le déflecteur d'éjection latérale, monter au préalable l'obturateur mulching
- Soulever la protection latérale et insérer le déflecteur d'éjection latérale


II. NOTICE D'UTILISATION ET DE MAINTENANCE
1. CONSIGNES D'UTILISATION
FONCTIONNEMENT DU MOTEUR
Pour faire demarrer la tondeuse, maintainir la barre d'actionnement-frein moteur contre le guidon et tirer sur le cordon/la poignee de demarrage en meme temps.
Presser la barre de contrôle d'avancement pour enclencher la marche avant de la tondeuse.
REGIME DU MOTEUR
Le régime du moteur peut être ajusté par l'intermédiaire du levier sur le guidon supérieur.
Pour une(Meilleure qualite de coupe,toujours tondre avecle levier des gaz en position «MAXLorsque la lame tourne a la vitesse maximale predefinie, elle creeune fortae action de ventilateur qui soulee et coupe I'herbe plus efficacement.
Pour arrêté le moteur, positionner le levier de régime moteur sur la position «MIN»(puis relâcher la barre d'actionnement-frein moteur.

Possibilité de régler la hauteur de coupe en actionnant la commande centralisée.
Augmenter la hauteur de coupe en tirant le levier vers le guidon.

Abaisser la hauteur de coupe en poussant le levier vers l'avant de la tondeuse.
La position moyenne est la position recommandee pour la plupart des pelouses.
AJOUTER L'HUILE AVANT DE METTRE LE MOTEUR EN MARCHE
Se reporter au manuel d'instructions du moteur.
Avant chaque utilisation, le niveau d'huile doit être contrôle et si nécessaire il doit être remis à niveau avec de l'huile de moteur 4 temps, spéciale motoculture de type SAE 10W/30. Capacité maxi 600 ml.

ATTENTION: Cette tondeuse est livrée sans huile de moteur.

ATTENTION: Ne jamais replir l'huile au-delà de la limite sinon le silencieux fumera fortement au démarrage
- S'assurer que la tondeuse est à plat,
- Enlever la jauge d'huile et faire le replissage (600 ml),
- Remetre la jauge et vérifier le niveau.

ATTENTION :
- Vérifier le niveau d'huile avant chaque utilisation. Ajouter de l'huile si nécessaire. Ne jamais dépasser la limite maxi,
- Changer l'huile toutes les 25 heures d'utilisation ou à chaque saisson. Changer l'huile plus souvent si'utilisation dans des conditions poussièresuses.
ESSENCE
Se reporter au manuel d'instructions du moteur.
- Ne jamais dépasser la limite maxi d'essence. Utiliser de l'essence sans plomb (95 + additif). Ne pas mélanger d'huile à l'essence. Ne pas stocker votre carburant plus de 6 mois, au-delà il sera inutilisable,
- Ne pas utiliser d'essence contenant du methanol.

ATTENTION : toujours nettoyer si du carburant a eté renversé.

ATTENTION : Toujours vider le réserve d'essence avant de stocker la machine plus de 6 mois sans utilisation afin d'éviter tout problème.
Vider le réserve d'essence en faisant tourner le moteur jusqu'à ce qu'il soit vide de carburant. Utiliser du carburant frais pour la prochaineaison.

ATTENTION : Ne jamais utiliser de produits d'entretien pour moteur ou pour carburateur dans le réservoir d'essence sinon des dommages permanents pourraient apparaitre.
DÉMARRAGE DU MOTEUR
Pourmettre en marche le moteur,tout d'abord s assurer que la bougie est bien en place,et qu'il y a suffisamment de carburant et d'huile.
NOTE: En raison d'un revêtement de protection sur le moteur, il se peut qu'il y ait un peu de fumée durant les premières utilisations de la machine. Ce phénomène est normal.
- Tirer et maintainir la barre d'actionnement-frein moteur en contact avec le guidon supérieur et tirer sur le lanceur manuel.

ATTENTION: Ne pas laisser la corde de démarrage revenir brusquement.

ARRET DU MOTEUR
- Pour arrêté le moteur, ramener le levier du régime moteur sur la position «MIN» ( ) et relâcher la barre d'actionnement-frein moteur.

AVERTISSEMENT! La lame continua a tourner quelques secondes après l'arrêt du moteur. Déconnecter la bougie si la tondeuse doit rester sans surveillance.
CONSEILS POUR ASSURER UNE BONNE QUALITE DE TONTE
- Sous certaines conditions, par exemple quand l'herbe est très haute, il sera nécessaire d'augmenter la hauteur de coupe afin de réduire l'effort et d'éviter de faire chauffer le moteur. Il sera peut-être nécessaire de faire un second passage sur l'herbe à couper.
- Pour une coupe extrémement dense, réduire la hauteur de coupe.
- Les pores du bac de ramassage en tissu peuvent se replir de saletés et de poussière au fil des utilisations. Le bac de ramassage récapurèra moins d'herbe. Afin d'éviter cela, nettoyer régulièrement le bac de ramassage avec de l'eau claire et laisser sécher à l'air avant utilisation.
- Enlever tout résidu d'herbe ou de poussière déposés sur le capot de la tondeuse. Ceci facilititera la circulation d'air du moteur et prolongera sa durée de vie.
- Ne tondre l'herbe que sur 1/3 de sa hauteur à chaque fois. Une coupe trop courte entraine des arrachements et des éclaircissements,
- Par temps chaud, ne pas hesiter à relever la hauteur de coupe pour que la pelouse ne s'assée pas trop vite,
- Tondre en ligne droite, chaque ligne recoupant légèrement la précédente et entrelacer les passages pour obtenir une coupe homogène,
D'une tonte a une autre, ne pas tondre de la meme facon et changer les sens de coupe.
2. ENTRETIEN ET MAINTENANCE
APRES LA TONTE - NETTOYAGE

- Avant toute opération de nettoyage ou de maintenance, couper le moteur et débrancher le cable de la bougie,
-
Ne pas utiliser d'appareil haute pression pour nettoyer la tondeuse,
-
Nettoyer soigneusement la machine après chaque coupe. Enlever les débris d'herbe et la boue accumulés à l'intérieur du chassis pour éviter qu'ils sechont, ce qui rendrait le prochain démarrage plus difficile.
- Si la peinture venait à partir à l'intérieur du chassin, en raison de l'action abrasive de l'herbe, utiliser rapidement une peinture antirouille pour éviter la corrosion du métal.
- Nettoyer une à deux fois par an l'intérieur de la machine (transmission, courroies, etc.) avec une sufflette ou une Brosse.
- Une fois par an, nettoyer l'intérieur des roues. Retirer l'herbe et les saletés des roues d'engrenage et des jantes avec une soufflette ou une brosse.
APRES LA TONTE - MAINTENANCE ET STOCKAGE

- Avant toute opération de nettoyage ou de maintenance, couper le moteur et débrancher le cable de la bougie,
- Laisser le moteur refroidir avant de ranger la tondeuse,
- Stocker la tondeuse dans un endroit inaccessible aux enfants,
- Ne pas stocker la tondeuse avec de l'essence dans le réservoir dans un lieu ou les vapeurs d'essence pourraient atteindre une flamme ou un étincelle,
- Nettoyer la tondeuse avant stockage pour limiter les risques d'incendie, notamment débarrasser le moteur, le silencieux d'échévement, le compartment de la batterie et la zone d'entrepassage de l'essence des résidus d'herbe, des feuilles et excès de graisse,
- Ne pas stocker le bac de ramassage avec de l'herbe à l'intérieur,
- Contrôler qu'il n'y a pas de fuite d'essence ou d'huile avant stockage,
- Effectuer toutes les opérations de vidange d'essence à l'extérieur des locaux et lorsque le moteur est froid,
- Utiliser uniquement les équipements et les composants approuvés par le fabricant de la machine.
- Porter des vêtements appropriés et des gants pour éviter de vous blesser lors des opérations de nettoyage et d'entretien de votre tondeuse,
- Ne jamais utiliser une tondeuse si certaines pieces sont usées ou endommagées. Les pieces endommagées ne doivent pas être réparées. S'adresser au service après-Vente OOGarden pour obtenir les pieces de rechange d'origine vous garantissant une conformité et une sécurité absolue,
- Pour toute opération de réglage et d'entretien non décrites dans ce manuel, s'adresser au service après-vente OOGarden,
-
Vérifier que tous les écrous sont bien serrés et notamment s'assurer que les écrous de maintien de la lame de coupe ne sont pas endommagés et sont correctement visés,
-
Pour manipuler la lame de coupe, porter des gants pour éviter de vous couper,
- L'affutage de la lame de coupe et son équilibrage doivent être réalisés par un professionnel,
- Vérifier entre chaque toute que les éléments de protection d'éjection (bac de ramassage, protection d'éjection latérale et arrêté) ne sont pas endommages. Si c'est le cas, les changer avant la prochaine'utilisation.

Débrancher la bougie avant d'effectuer toute opération d'entretien et de maintenance.
Utiliser des gants pour manipuler la lame de coupe.
CHANGEMENT DES LAMES
Vider le réservoir de carburant avant d'enlever la lame.
Utiliser une clé de douille de 17.
Voussoupiezcommander une nouvelle lame aupres du service après-vente OOGarden sous la referece:0383-0007
- Pour remplacer la lame, defaire la vis centrale,
- Retirer les écrous entre la lame et le support de lame,
- Retirer la lame et le support de lame en veillant de ne pas déloger la piece métallique insérée dans l'axe du moteur,
- Nettoyer l'axe de la lame,
- Insérer le support de lame et la nouvelle lame, visser les écrous entre la lame et le support de lame,
- Visser l'écrou central de la lame en assurant un couple de serrage compris entre 50 et 59 Nm.

CHANGEMENT DE L'HUILE
Réaliser le changement d'huile sur un sol plat et horizontal en s'assurant, au préalable, que le réservoir à essence est pratiquement vide.
- Demarrer la tondeuse et laisser tourner le moteur quelques instants afin que l'huile soit moins visqueuse au moment de la vidange,
- Arrête le moteur de la tondeuse et débrancher le cable de la bougie et le tener à l'écart de la bougie,
- Enlever le bouchon de remplissage d'huile et incliner la tondeuse pour que l'huile s'écoule par le conduit de remplissage. Utiliser un réseau pour recuperer l'huile usage,
- Une fois l'huile usagée écoulée, redresser la tondeuse et replir avec de l'huile neue de type SAE 10W/30 (environ 0.6 L) en voirant à ne pas dépasser la limite supérieure (maxi),
- Revisser la jauge.
LA BOUGIE
Se reporter au manuel d'instructions du moteur pour l'entretien de la bougie.
Une fois que le moteur a refroidi, enlever la bougie avec la clé fournie et la nettoyer avec unerosse métallique.
En utilisant une jauge d'épaissieur, assurer un espace de 0,75 mm entre les electrodes.


Remetre la bougie en faisant attention de ne pas trop serrer.
LE FILTRE À AIR
Se reporter au manuel d'instructions du moteur pour l'entretien du filtré à air.
Enlever le couvercle du filtre à air en appuyant sur les clips supérieurs et retarder l'élement de filtre éponge.
Pour éviter que les objets tombent dans l'entrée d'air, replacer le couvercle du filtre à air.
TABLEAU DE SYNTHÉSE DES OPÉRATIONS DE MAINTENANCE
| Cycle de maintenance régulière | Avant chaque utilisation | 1er mois ou après les 5 premières heures d'utilisation | Tous les ans ou après 25 h | Tous les 2 ans ou 250 h | |
| A exéçuter à chaque intervalle de mois ou d'heure | |||||
| Huile moteur | Vérification | X | |||
| Remplacement | X | X | |||
| Filtre à air | Vérification | X | |||
| Remplacement | X | ||||
| Bougie | Vérification / Ajustement | X | |||
| Remplacement | X | ||||
| Garniture frei moteur | Vérification | X | |||
| Carter de coupe Nettoyage | X | ||||
| Réservoir carburant et filtre à air | Nettoyage | X | |||
APRES LA TONTE - TRANSPORT

- Porter des gants lors de la manipulation de la tondeuse pour le transport,
- S'assurer que le transport n'engendre pas de fuite d'essence ou d'huile,
- Se faire aider pour porter la tondeuse,
- Fixer correctement la tondeuse pour éviter qu'elle ne rouge pendant le transport.
III. SUPPORT TECHNIQUE
| LE MOTEUR NE DEMARRE PAS | CAUSES POSSIBLES SOLUTIONS | |
| 1. Vérifier le carburant | Manque de carburant Ajouter du carburant | |
| Mauvais carburant, machine stockée non vidangée, réapprovisionnement avec du mauvais carburant | Vidanger le réservoir et le carburateur, et remètre du carburant frais | |
| 2. Enlever et inspector la bougie d'allumage | Bougie défectueuse, encrassée, ou entraxe electrode insufficient | Remplacer la bougie d'allumage |
| Bougie d'allumage humide avec du carburant (moteur noyé) | Sécher et réinstaller la bougie | |
| 3. Actionner le bouton d'amortage. | Moteur froid Appuyer sur le bouton d'amortage | |
| 4. Prendre contact avec un mécanien spécialiste | Filtre à essence obstrué, défaut de fonctionnement du carburateur, défaut de fonctionnement d'allumage, valve coincée... | Remplacer ou réparer. |
| LE MOTEUR MANQUE DE PUISSANCE | CAUSES POSSIBLES | SOLUTIONS |
| 1. Vérifier le filtré à air | Éléments de filtré à air obstrués | Nettoyer ou replacer les éléments du filtré |
| 2. Vérifier le carburant | Mauvais carburant, machine stockée non vidangée, réapprovisionnement avec du mauvais carburant | Vidanger le réservoir de carburant et le carburateur, remetre du carburant frais |
| 3. Prendre contact avec un mécanicien spécialiste | Filtre à air obstrué, défaut de fonctionnement du carburateur, défaut de fonctionnement d'allumage, valve coincée... | Remplacer ou réparer. |
2. SERVICE APRÉS-VENTE ET GARANTIES
Pour tout problème technique et pour obtenir des pieces détachées, contacter le Service Àpres-Vente aux coordonnées suivantes :
SAV OOGarden :
- Par mail: sav@oogarden.com ou via le formulaire sur notre site www.oogarden.com,
- Par courrier : SAV OOGarden, 924 rue de la Outarde, ZA en Beauvoir, 01500 Château Gaillard.
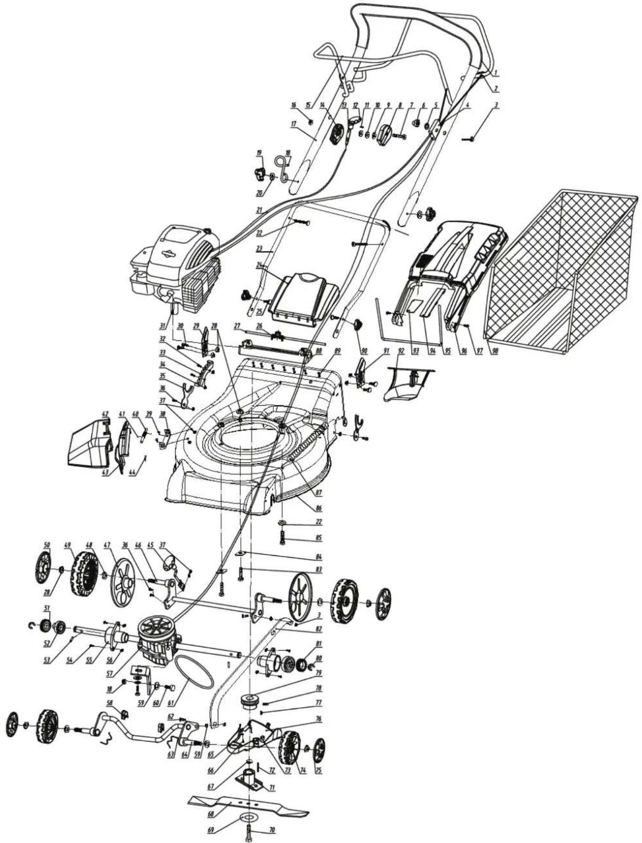
Avant toute demande de pieces détaches, se munir de cette notice pour indiquer le numéro de la piece concernée (voir schéma p.23).

ATTENTION: Ne pas modifier l'appareil. Toute modification de l'appareil entraine la suppression de la garantie.
La garantie ne couvre pas :
- Les cas de non-respect des conditions d'utilisation, d'entretien, de maintenance et de stockage décrites dans ce manuel d'instructions,
- Une utilisation anormale de la machine,
- Des dommages induits par des chocs reçus par la machine,
- L'usure normale des pieces détachées (lame de coupe, support de lame, câbles, protecteurs, filtre à air, ...),
L'utilisation de pieces détaches non fournies par le service après-vente OOGarden, - Un dysfonctionnement à la suite d'une modification de l'appareil.
3. CARACTERISTIQUES TECHNIQUES
Vue éclatée du produit et numérotation des pieces

DONNÉES TECHNIQUES
| Puisance nominale moteur 2,52 kW | |
| Vitesse moteur au régime maximal d'utilisation (fréquence de rotation) 2700 tr/min | |
| Masse de la machine, réservoirs vides et configuration normale de fonctionnement 33,5 kg | |
| Largeur de coupe 50,6 cm | |
| Niveau de pression acoustique d'émission pondéré A ou équivalent au poste de l'opérateur, déterminé conformément à l'ISO 5395-1 :2013, annexe F | 81,9 dB (A) |
| Avec incertitude de mesurage 3 dB (A) | |
| Niveau de puissance acoustique pondéré A, déterminé conformément à l'ISO 5395-1 :2013, Annexe F | 95,5 dB (A) |
| Avec l'incertitude de mesurage 1,91 dB (A) | |
| Niveau de puissance acoustique garanti 98 dB (A) | |
| Pour les vibrations main-bras, valeur totale équivalente la plus élevé des vibrations pour chaque mancheron ou position de la main, déterminée conformément à l'ISO 5395-1 :2013, Annexe G | 5,14 m/s2 |
| Avec l'incertitude des valeurs déclarées 1,5 m/s2 | |
| Type Huile SAE 10W/30 | |
| Hauteur Lame de coupe ajustable (7 positions) | 30 – 80 mm |
| Capacité Bac de ramassage | 60 L |
| Capacité Réservoir Essence | 1 L |
| Capacité Réservoir Huile | 0,6 L |
Tondeuse thermique T51T-190BML
N° de modèle : WR65319ABK
Référence OOGarden: 0383-0004
Publication N°MU-FR.0383-0004 Révision A, date : 08 janvier 2016
Mode d'emploi d'origine
N° de série : WR65319ABK 2016.0001-xxxx

Déclaration CE conforme à la directive européenne 2006/42/EC et aux normes EN ISO 5395-1 et 5395-2
Produit importé par OOGARDEN FRANCE
FR-01500AMBERIEUENBUGEY
Notice Facile