130i - Vélo d'appartement Schwinn - Notice d'utilisation et mode d'emploi gratuit
Retrouvez gratuitement la notice de l'appareil 130i Schwinn au format PDF.
| Caractéristiques techniques | Vélo d'appartement Schwinn 130i, résistance magnétique, 16 niveaux de résistance, écran LCD, capteurs de fréquence cardiaque, 22 programmes d'entraînement. |
|---|---|
| Utilisation | Conçu pour un usage domestique, idéal pour les entraînements cardio, la perte de poids et l'amélioration de l'endurance. |
| Maintenance et réparation | Vérifier régulièrement les connexions électriques, nettoyer le cadre et les pièces mobiles, lubrifier la chaîne si nécessaire. |
| Sécurité | Utiliser sur une surface plane, s'assurer que le vélo est correctement assemblé, ne pas dépasser la capacité de poids recommandée. |
| Informations générales | Poids maximum utilisateur : 136 kg, dimensions : 130 x 60 x 150 cm, garantie limitée de 2 ans sur le cadre. |
FOIRE AUX QUESTIONS - 130i Schwinn
Questions des utilisateurs sur 130i Schwinn
0 question sur cet appareil. Repondez a celles que vous connaissez ou posez la votre.
Poser une nouvelle question sur cet appareil
Téléchargez la notice de votre Vélo d'appartement au format PDF gratuitement ! Retrouvez votre notice 130i - Schwinn et reprennez votre appareil électronique en main. Sur cette page sont publiés tous les documents nécessaires à l'utilisation de votre appareil 130i de la marque Schwinn.
MODE D'EMPLOI 130i Schwinn
Précautions de sécurité - Assemblage 3
Etiquettes de mise en garde / Numéro de série 4
Descriptif 4
Avant l'assemblage 5
Pièces 6
Visserie 7
Outils 7
Assemblage 8
Mise à niveau du velo 14
Déplacement du velo 14
Précautions de sécurité - Propriété 15
Charactéristiques 16
Charactéristiques de la console 17
Fréquence cardiaque par contact 20
Fonctionnement 22
Réglages 22
Paramétrage initial 22
Programme Quick Start (démarragerapide)/manuel 23
Profils utiliseur 23
Programmes Profil 25
Pause ou arrêt 27
Résultats 27
Statistiques de suivi des objectifs 28
Mode Paramétrage de la console 30
Entretien 31
Dépannage 33
Pour valider la prise en charge de la garantie, conservez votre preuve d'achat originale et enregistrez les informations suivantes :
Nombre de série
Date d'achat
Pour enregistrer la garantie de votre produit, contactez notre distributeur local.
Pour tout problème ou question quant à votre machine, contactez votre distributeur local Schwinn.
Pour couver notre distributeur local, consultez : www.nautilusinternational.com
Nautilus, Inc., www.NautilusInc.com - Service clients: technics@nautilus.com | Nautilus, Inc., 18225 NE Riverside Parkway, Portland, OR 97230 USA | Imprimé en Chine | © 2013 Nautilus, Inc. | © indique les marques détenues par Nautilus, Inc. aux États-Unis. Ces marques peuvent être enregistrées dans d'autres pays ou encore protégées par le droit commun. MyFitnessPal® est une marque déposée qui pourrait à sa société

Ce logo indique un danger potentiel pouvant engendrer des blessures graves, voire la mort.
Veuillez suivre les recommendations ci-après :

Lisez les étiquettes de mise en garde apposées sur la machine.
Prénez connaissance des instructions d'assemblage.
- Eloignez les tiers et les enfants de l'équipment lors de son assemblage.
- Ne connectez pas le bloc d'alimentation à la machine sans y avoir été invité.
- N'assemblez pas la machine à l'extérieur ou dans un environnement humide.
- Effectuez l'assemblage dans un espace de travail approprié, loin du passage des tiers.
- Certains composants sont lourds ou difficiles à manier. Demandez l'aide d'une deuxième personne pour leur assemblage. Ne réalise pas seul des opérations qui demandent l'intervention de deux personnes.
- Installez cette machine sur une surface plane, horizontale et solide.
- Ne modifiez pas l'assemblage ni les fonctionnalités de la machine. Vous pourriez en effet comprometter la sécurité et annuler ainsi la garantie de votre machine.
- N'utilise que des pieces de rechange et de la visserie Nautilus. La non utilisation de pieces de rechange d'origine peut occasionner des risques pour les utilisateurs, empêcher le fonctionnement correct de la machine ou en annuler la garantie.
N'utilisez pas la machine avant d'avoir terminé son assemblage et son inspection, afin de garantir des performances correctes et en accord avec le manuel.
Lisez la totalité du manuel fourni avec la machine avant son utilisation. Conservez ce manuel pour referrer future. - Suivez les instructions de montage dans l'ordre où elles vous sont données. Un montage incorrect peut en effet engendrer des blessures ou un mauvais fonctionnement de la machine.
- Cette machine contient des aimants. Les champs magnétiques peuvent interférer avec l'utilisation normale de certains appareils Médicaux à proximé. Il est possible que les utilisateurs se trouvent à proximé des aimants durant l'assemblage, l'entretien et/ou l'utilisation de la machine. Il est impératif de consulter un médecin avant d'utiliser cette machine si vous portez un dispositif Médical tel qu'un pacemaker. Référez-vous à la section Étiquettes de mise en garde et numéro de série afin de déterminer l'emplacement des aimants.
ETIQUETTES DE MISE EN GARDE ET NUMERO DE SÉRIE

MISE EN GARDE!
- Lisez les étiquettes de mise en garde apposées sur la machine.
-Eloignez les enfants de la machine. - Ce produit n'est pas destiné aux enfants de moins de 14 ans.
- Avant toute utilisation, reféréz-vous au manuel d'utilisation.
- Cette machine peut occasionally des blessures graves, voir la mort, si elle n'est pas utilisée avec la plus grande précaution.
- Le poids maximal de l'utilisateur est de 136 kg (300 lb).
- Remplacez les étiquettes (Attention, Danger, Mise en garde) si ces dernières sont endommagées, ilisibles ou manquantes.
-La fréquence cardiaque affichée est une approximation et ne doit être utilisée qu'à titre d'information seulement.
Poids maximal de I'utilisateur: 136 kg (300 lb)
Surface totale (encombrement au sol) de I'appareil: 5670~cm^2
Poids de I'appareil: 26,5 kg
Alimentation :
Tension en fonctionnement : 220V - 240V CA, 50Hz Courant en fonctionnement : 0,4 A
Normes :
Adaptateur de courant alternatif: Conforme aux normes CE.


Ct 20957 16

Cette machine NE DOIT PAS est mise au rebut avec les déchets menagers, mais recyclée de la manière appropriée. Pour une mise au rebut appropriée, suivez les méthodes indiquées par les déchetteries.
Avant l'assemblage
Choisissez l'endetroit ou vous aliez installer et faire fonctionner toute machine. Pour un fonctionnement sur, il doit s'agir d'une surface plane et solide. Prévoyez une zone d'entraînement d'au moins 2,3 m x 1,8 m (90" x 70").
Conseils de base pour l'assemblage
Lors de l'assemblage de la machine, veuillez respecter ces consignes élémentaires :
- Avant tout assemblage, veilles à生存 et à comprendre les Précautions de sécurité.
- Rassembliez toutes les pieces nécessaires à chaque étape d'assemblage.
- A l'aide des clés recommandées, tournez les boulons et les écrous vers la droite (sens horaire) pour serrer, et vers la gauche (sens anti-horaire) pour desserrer, sauf indication contraire.
- Pour fixer 2 pieces, soulevez légèrement et visez à travers les trouès de boulon afin d'insérer plus facilement le boulon dans les trouès.
- L'assemblage peut supposer la participation de 2 personnes.


| Pièce | Quantité | Description Pièce Quantité | Description | |||
| 1 1 | Châssis 9 | Tube de selle | ||||
| 2 1 | Stabilisateur | ur avant 10 1 Molette d'ajustement | ||||
| 3 1 | Stabilisateur | ur arrêté 11 1 Selle | ||||
| 4 1 | Capot supérieur | eur 12 1 Pédale gauche (L) | ||||
| 5 1 | Joint du tube | be 13 1 Pédale droite (R) | ||||
| 6 | 1 | Tube de la console (avec montant du guidon) | 14 | 1 | Porte-bouteille | |
| 7 1 | Poignées | 15 1 Adaptateur | CA | |||
| 8 | 1 | Console | 16 | 1 | Cache du montant du guidon |
Remarque: le cable media est dans le sac.





| Pièce | Quantité | Description |
| A 4 | Vis hexagonale à tête ronde M8 x 25 | |
| B 5 | Rondelle de frein M8 | |
| C 4 | Rondelle d'appui courbée M8 | |
| D 1 | Rondelle plate M8 | |
| E 1 | Poignée en T | |
Outils
Inclus

6 mm

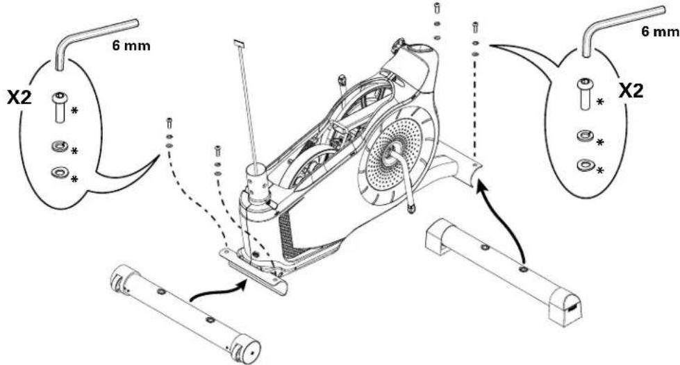
1. Arrimez les stabilisateurs au chassin
Remarque: la visserie(*) est pre-installée sur les stabilisateurs et ne se trouve donc pas dans le kit. Assurez-vous que les roulettes situées sur le stabilisateur avant soient orientées vers l'avant et que l'autocollant Schwinn® sur le stabilisateur arrêté soit orienté vers l'extérieur de la machine.

2. Installé le tube de la console, le joint du tube et le capot supérieur sur l'assemblage principal
AVERTISSEMENT: vérifie que le connecteur de cable de la console (a) ne tombe pas dans le tube. Alignez les clips des connecteurs de cable et vérifie que les connecteurs sont bien verrouillés. Ne pincez pas le cable de la console. Vérifie que les ontlets du capot supérieur s'enclenchent dans l'assemblage principal.

3. Installez les poignées sur le tube de la console
AVERTISSEMENT: ne pincez pas les cables. Placez le guidon (7) dans le crochet (6a), ajustez le guidon selon l'angle de votrechioix, puis installez la poignee en T (E) dans les orifices. A I'aide du cable situé dans le guidon, passez le cable de fréquence cardiaque (7a) par l'encoche (6c) sous le guidon, puis faites-les remonter vers le tube. Serrez complètement la poignée en T pour maintainir le guidon en position. Replacez le cache (16) sur le montant du guidon.

4. Installes la console sur le tube
Remarque: otez les vis pré-installées(*) à l'arrête de la console avant de connecter les cables.
AVERTISSEMENT: ne pincez pas les câbles.


5. Installee le tube de selle sur le chassinis
AVERTISSEMENT: Vérifiez que la molette d'ajustement est bien engagée sur le tube de selle. Ne reglez pas le tube de selle au-dessus de la marque STOP indiquée sur le tube.

6. Arrímez la selle au tube
AVERTISSEMENT: vérifie que la selle est bien droite. Serrez les écrous (11b) sur le crochet de selle (11a) pour maintainir la selle en position.

7.Installez les pédales
Remarque: la pedale gauche a un filetage inversé. Vérifie que chaque pedale est arrimée du bon côté. L'orientation s'effectue à partir de la position assise sur le velo. La pedale droite est marquée d'un R (Right) et la gauche d'un L (Left).

8.Installez le portebouteille
Remarque : la visserie(*) est pre-installée sur le tube de la console et ne se trouve donc pas dans le kit.

9. Connectez l'adaptateur CA

Veuillez inspecter vaire machine afin de you assurer que la viserie est correctement assemblée et arrimée.
Notez le numero de série dans l'espace pourvu à cet effet en début de ce manuel.

N'utilisez pas la machine et ne la mettez pas en service avant d'avoir terminé son assemblage et son inspection, afin de garantir des performances correctes et en accord avec le manuel d'utilisation.
AVANT DE COMMENCER
Mise à niveau du velo
Les patins reglables sont places de part et d'autre du stabilisateur arrere. Tournez la molette de sorte a ajuster le pied du stabilisateur. Verifiez que la machine est a niveau et bien stable avant de vous entrainer.

Déplacement du velo
Pour déplacer le vélo droit, faites basculer les poignées vers vous tout en poussant le vélo. Poussez la machine jusqu'à l'emplacement souhaité.
AVERTISSEMENT: déplacez la machine avec le plus grand soin. Tout mouvement brusque pourrait affecter le fonctionnement de l'ordinateur.


Ce logo indique un danger potentiel pouvant engendrer des blessures graves, voire la mort.
Avant d'utiliser cette machine, veuillez suivre les recommendations ci-après :

Prenoz reconnaissance du manuel dans sa totalité. Conserve ce manuel pour reférence future.
Lisez les étiquettes de mise en garde apposées sur la machine. Si les étiquettes se décollent, deviennentIllisibles ou disparaisent,contactez your distributeur local qui you en fournir de nouvelles.
- Les enfants ne doivent pas etre laisses sans surveillance sur ou a proximite de la machine. Les pieces mobiles et les fonctionnalités de la machine peuvent representer un danger pour les plus jeunes.
- Ce produit n'est pas destiné aux enfants de moins de 14 ans.
- Consultez un médecin avant de commenceraire entrainement. Arrêtez l'exercice si vous ressentez l'un des signes suivants : douleur ou gène thoracique, essoufflement. Consultez un médecin avant de reprene r l'entrainement. Les données calculées ou mesurées par l'ordinateur sont purement indicatives.
- Avant chaque utilisation, inspectez la machine de sorte à repérer tout signe d'usure ou d'endommagement. N'utilise pas votre machine si cette dernière n'est pas en parfait état. Portez une attention toute particulière à la salle, aux pédales et au pédalier. Contactez votre distributeur local pour toute information relative à la réparation.
- Poids maximal de l'utilisateur : 136 kg (300 lb). Les personnes dont le poids est supérieur ne doivent pas utiliser la machine.
- Cét équipement est destiné à un usage privé uniquement.
- Ne portez pas de vêtements trop lâches ni de bijoux. Cette machine est pourvue de parties mobiles. Ne placez pas vos doigs ni d'objets qualconques dans les pieces mobiles de la machine.
- Installez et faites fonctionner cette machine sur une surface plane et solide.
- Stabilisez les pédales avant de vous positionner sur ces dernières. Soyez toujours prudent lorsque vous montez et descendez de ma machine.
- Débranche toute source d'alimentation avant d'effectuer des opérations d'entretien.
N'tilisez pas la machine a l'extérieur ou dans un environnement humide. Assurez-vous que les pedales sont tous propres et seches. - Prévoyez un espace de 0,6 m environ (24") tout autour de la machine. Il s'agit de la distance de sécurité recommendée pour acceder à la machine et passer à proximé. Cet espace permet également à l'utilisateur de descendre dans des situations d'urgence. Demandez à votre entourage de ne pas s'approcher de la machine quand vous utilisez cette dernière.
- Evitez de vous entrainer de manière excessive. Respectez les instructions détaillées dans ce manuel.
Veillez a bien regler le matériel ajustable. Assurez-vous que ce dernier ne heures pas l'utiliser. - S'entraîner sur cette machine suppose coordination et équilibre. Prévoyez que des modifications de la vitesse et de la résistance sont possibles en cours d'entrainment. Veillez à éviter toute perte d'équilibre, cause éventuelle de blessures.
- Cette machine n'est pas destinée aux personnes (enfants y compris) représentant des capacités physiques, sensorielles ou mentalles réduites, ou encore un manque d'expérience ou de connaissance, sauf si un tiers responsable de leur sécurité les supervise ou leur apporte les instructions nécessaires au fonctionnement de la machine.

| A Consoile J Connecteur d'alimentation | ||
| B Poinnées K Porte-bouteille | ||
| C Selle ajustable L Entrée MP3 | ||
| D Molette d'ajustement M Port USB | ||
| E Pédales N Capteurs de fréquence cardiaque par contact | ||
| F Stabilisateurs O Hauts-parleurs | ||
| G Patins réglables P Ventilateur | ||
| H Volant d'inertie totalement encastré Q Support médias | ||
| I Roulettes de transport R Câble Média |
MISE EN GARDE! Les apparciels de mesure de la fréquence cardiaque peuvent être imprecis. Un entrainment trop intense peut entraîner des blessures graves, voir la mort. En cas de malaise, arrêtez immédiatement.
\section*{Caracteristiques de la console}
La console fournit des informations importantes sur l'entrainment et permet de contrcler les niveaux de resistance pendant que vous you entrainez. La console est pourvue de Iecran Schwinn Dual Track ^m avec boutons de controle tactiles permettant de naviguer au sein des programmes d'exercice.

Descriptif du pavé numérique
Bouton d'augmentation de la résistance (▲) - Permet d'augmenter le niveau de résistance de l'entrainment
Bouton de diminution de la résistance (▼) - Permet de diminuier le niveau de résistance de l'entrainment
Bouton QUICK START (démarrage rapide) - Permet de commencer un entrainement en démarrage rapide
Boutons PROGRAMS (programmes) - Permettent de selectionner une categorie et un programme d'entrainment
Bouton PAUSE/END (pause/bin) - Permet de mettre en pause un entrainement en cours et demettre fin a un entrainement en pause, ou encore de returner à l'écran précédent
Bouton GOAL TRACK (suivi des objectifs) - Permet d'afficher la synthese d'un entrainment et les nouvelles étapes atteintes en fonction d'un profil utilisateur sélectionné
Bouton Augmenter(▲) - Permet d'augmenter une valeur (âge, durée, distance ou calories) ou de se déplacer au sein des options
Bouton Gauche (▲) - Permet d'afficher diverses valeurs d'entrainment durant un entrainment et de se déplacer au sein des options
Bouton OK - Permit de commencer un programme, de confirmer des informations ou de reprendre un entrainment en pause
Bouton Droite () - Permet d'afficher diverses valeurs d'entrainment durant un entrainment et de se déplacer au sein des options
Bouton Diminuer () - Permet de diminuer une valeur (age, durée, distance ou calories) ou de se déplacer au sein des options
Bouton VENTILATEUR - Permet de contrôle le ventilateur à trois vitesses
Boutons rapide de niveau de résistance - Permettent de passer rapidement des niveaux de résistance au paramétrage durant un entrainment
Indicateurs lumineux de nouvelles etapes atteintes - Les indicateurs s'activent quand le résultat d'un entrainement est consulté.
Ecran Schwinn Dual TrackTM
Données de l'écran supérieur

Ecran du programme
L'écran du programme affiche des informations destinées à l'utilisateur et la zone d'affichage à points indique le profil de la course selon le programme. Chaque colonne du profil affiche un intervalle (segment d'entrainment). Plus la colonne est haute, plus la résistance est élevée. La colonne qui clignote matérielise l'intervalle parcouru.
Ecran de l'intensité
L'écran de l'intensité affiche le niveau de travail en fonction du niveau de résistance.
Ecran de la zone de fréquence cardiaque
L'écran de la zone de fréquence cardiaque affiche la valeur actuelle correspondant à l'utilisateur, dans la portion correspondante. Ces différentes zones peuvent servir de guide afin de cibler une zone d'entrainment en particulier (anaérobie, aérobie, brûlage des graisses).

Consultez un medecin avant de commencer un programme d'entraînement. Arrêtez l'exercice si vous ressentez l'un des signes suivants : douleur ou gène thoracique, essoufflement. Consultez un medecin avant de reprendre l'entraînement. La fréquence cardiaque affichée peut être imprecise et ne doit être utilisée qu'à titre d'information seulement.
Remarque: si aucune fréquence cardiaque n'est détectée, aucune donnée ne s'affiche.
Ecran des objectifs
L'écran des objectifs affiche le type d'objetif sélectionné (distance, durée ou calories), la valeur atteinte et le pourcentage atteint de l'objetif.
Ecran de l'utilisateur
L'écran de l'utilisateur affiche le profil utilisateur sélectionné.
Ecran des nouvelles étapes atteintes
L'écran des nouvelles étapes atteintes s'active quand un objectif d'entrainment est atteint ou qu'une nouvelle étape est atteinte par rapport aux entrainements précédents. La console félicite l'utilisateur et l'informe des nouvelles étapes atteintes, tout en émettant un son festif.
Données de l'écran inférieur

L'écran inférieur affiche les valeurs de l'entrainment. Il peut être paramétré en fonction de chaque utilisateur. Rêférez-vous pour cela à la section Modifier le profil utilisé de ce manuel.
Vitesse
Le champ SPEED (vitesse) affiche la vitesse de la machine en miles par heures (mph) ou kilomètre par heures (km/h).
Durée
Le champ TIME (durée) affiche la durée totale de l'entrainment, la durée moyenne du profil utilisateur ou la durée de fonctionnement totale de la machine.
Remarque : si un entrainement en demarrage rapide dure plus de 99 minutes et 59 secondes (99:59), les unités du champ TIME (durée) s'affichent alors en heures et en minutes (exemple : 1 heures, 40 minutes).
Distance
Le champ DISTANCE indique la mesure de la distance (en miles ou km) pendant l'entraînement.
Remarque: pour passer aux unités de mesure impériales ou métriques, veuillez vous référer à la section Mode Paramétrage de la console de ce manuel.
Niveau
Le champ LEVEL (niveau) affiche le niveau de résistance de l'entrainment.
Tours par minute
Le champ RPM (tours par minute) affiche le nombre de tours par minute effectués par les pédales.
Fréquence cardiaque (pouls)
Le champ HEART RATE (frequence cardioque) affiche le nombre de battements par minute (BPM) capte par le moniteur de frequence cardiaque. Quand un signal de frequence cardiaque est reçu par la console, l'icone clignote.

Consultez unmedicine avant de commencer un programme d'entrainment. Arretez l'exercice si vous ressentez l'un des signes suivants : douleur ou gène thoracique, essoufflement. Consultez un medicine avant de reprendre l'entrainment. La fréquence cardiaque affichée peut être imprecise et ne doit être utilisée qu'a titre d'information seulement.
Calories
Le champ Calories affiche une estimation du nombre de calories brûlées durant l'exercice.
Capeurs de fréquence cardiaque par contact
Les capteurs de fréquence cardiaque par contact transmettent à la console les signaux correspondant à votre fréquence cardiaque. Il s'agit des parties en acier inoxydable situées sur les poignées. Pour les activer, placez les mains confortablement dessus. Vos mains doivent être en contact avec le haut et le bas des capteurs à la fois. Tenez les poignées fermement, sans toutefois les serrer. Vos deux mains doivent être en contact avec les capteurs pour que la console puisse détecter votre pouls. Quand la console détecte quatre signaux de battements stables, leur fréquence cardiaque s'affiche.
Une fois que la console a detecté votre fréquence cardiaque, ne rougez pas les mains des capteurs pendant 10 ou 15 secondes. La console valde alors leur fréquence cardiaque. Les facteurs influençant la capacité des capteurs à détecter la fréquence cardiaque sont les suivants :
- Les mouvements des muscles de la partie supérieure du corps (y compris des bras) produit un signal électrique (artéfact musculaire) interferant avec la détction de la fréquence cardiaque. Le mouvement, même léger, des mains sur les capteurs peut également produit des interférences.
- Les calosités et les crèmes constituent une couche isolante qui inhibe la force du signal.
- En outre, les signaux generés par certaines personnes ne sont pas assez forts pour etre détectés par les capteurs.
- La proximé d'autres machines électroniques peut aussi générer des interférences.
La détction de la fréquence cardiaque par contact peut se limiter à la marche ou à un jogging lent du fait des artéfacts musculaires extrêmes et du mouvement des mains généra par un style de course comfortable. Si le signal de votre fréquence cardiaque semble erratique après sa validation, essuyez-vous les mains et le capteur, puis réessayez.
Calcul de la fréquence cardiaque
La fréquence cardiaque maximum diminuè généralement avec l'âge, de 220 battements par minute (BPM) dans l'enfance à 160 pulsations/minute à 60 ans. Cette diminution est habituèlement linéaire, avec une diminution d'environ un battement par minute chaque année. On ne dispose d'aucune preuve solide indiquant que l'entrainement influence la diminution de la fréquence cardiaque maximum. Des individus ayant le même âge peuvent avoir des fréquences cardiaques maximum différentes. La détermination de cette valeur est plus précise avec un test d'effort只想 qu'avoc une formule en fonction de l'âge.
La fréquence cardiaque au repos est influencée par l'entrainment d'endurance. L'adulte moyen a une fréquence cardiaque au repos d'environ 72 BPM alors que les couleurs très entrainés peuvent avoir une fréquence cardiaque au repos de 40 BPM ou inférieure.
Le tableau des fréquences cardiaques donne une estimation de la zone de fréquence cardiaque efficace pour brûler des graisses et améliorer votre système cardiovascularaire. Voitre condition physique varie. Par conséquent, cette zone de fréquence cardiaque particulière pourrait être inférieure ou supérieure de plusieurs battements à ce qui est indiqué.
La meilleure manière de brûler des graisses pendant l'entraînement est de commencer à une allure lente puis d'augmenter progressivement l'intensité jusqu'à atteindre une fréquence cardiaque se situant entre 50 et 70 % de votre fréquence cardiaque maximum. Continue à cette allure, en maintainant votre fréquence cardiaque dans la zone cible pendant plus de 20 minutes. Vous brûlerez d'autant plus deGRAISS que vous resterez plus longtemps dans la fréquence cardiaque cible.
Ce graphique constitue un guide succinct qui indique une fréquence cardiaque cible en fonction de l'âge. comme indiqué plus haut, votre fréquence cible optimale peut être plus élevé ou plus BASSE. Consultez un médecin pour déterminer votre zone de fréquence cardiaque cible personnelle.
Remarque: comme pour tout programme de fitness, vous devez soigneusement évaluer si vous pouvez augmenter leur intensité ou leur endurance.

FREQUENCY CARDIAQUE CIBLE PERMETTANT DE BRULER DES GRAISSES
Age
Fréquence cardiaque maximale
Zone de fréquence cardiaque cible (restez à l'intérieur de cette plage pour un brûlage optimal des-graisses)

FONCTIONNEMENT
Quels vêtements porter ?
Portez des chaussures de sport à semelles en caoutchouc. Portez des vêtements appropriés à l'entrainment, qui vous permettent de vous pouvoir librement.
Aquelle fréquence s'entrainer?

Consultez unmedicine avant de commencer un programme d'entraientement. Arretez l'exercice si vous ressentez I'un des signes suivants : douleur ou gene thoracique, essoufflement. Consultez un medicine avant de reprendre I'entrainement. Les données calculées ou mesurées par I'ordinateur sont purement indicatives. La fréquence cardiaque affichée sur la console est une approximation et ne doit être utilisée qu'a titre d'information seulement.
- 30 minutes à raison de 3 fois par semaine.
- Planifiez vos entrainements à l'avance et essayez de vous tener à votre employe du temps.
Réglage de la selle
Ajustez correctement la salle afin d'optimiser votre entrainment et votre comfort, tout en minimisant les risques de blessure.
- Placez l'avant du pied sur la pedale la plus avant. Le genou doit etre légerement plie.
- Si la jambe est trop tendue ou que votre pied ne touche pas la pédale, abaissez la selle. Si le genou est trop pié, remontez la selle.
Descendez du velo avant d'ajuster la selle.
Pour cela, desserrez la molette d'ajustement sur le tube de selle. Ajustez la selle à la hauteur de votrechoix. Relâchez la molette, de sorte que la broche s'enclenche dans l'un des orifices du tube. Vérifiez qu'elle est bien engagée, puis reisserrez la molette.
Ne reglez pas le tube de selle au-dessus de la marque STOP indiquee sur le tube.
Position du pied/Réglage de la bride
Les pédaires munies de sangles permettent de sécuriser le mouvement des pieds.
- Posez l'avant du pied sur chacune des pédales.
- Faites tourner les pédales jusqu'à ce que vous puissiez en atteindre une.
- Attachez la sangle sur la chaussure.
- Recommencez avec l'autre pied.
Pointez les orteils et les genoux vers l'avant afin d'obtenir une efficacité de pédalage maximale. Les brides peuvent être laissées en position pour les séances d'entrainment suivantes.


Mode Actif/Inactif
La console pass en mode Actif/Inactif si elle est branchee a une source d'alimentation et que vous appuyez sur l'un de ses boutons ou si elle recoit un signal du capteur RPM lorsque vous pédalez.
Mode Veille automatique
Si la console ne recoit pas de commande au bout de 5 minutes environ, elle passse automatiquement en veille. L'écran LCD est étant en mode Veille.
Remarque: la console n'est pas poursue de bouton On/Off.
Paramétrage initial
Durant le paramétrage initial, vous étes invite à régler la date, l'heure et vos unités préférentes.
- Date: Appuyez sur les boutons Augmenter/Diminuer pour ajuster la valeur active (qui clignote). Appuyez sur les boutons Droite/Gauche pour avoir un autre segment correspondant à la valeur active (mois/jour/année).
-
Appuyez sur OK pour valider.
-
Durée: Appuyez sur les boutons Augmenter/Diminuer pour ajuster la valeur active (qui clignote). Appuyez sur les boutons Droite/Gauche pour désirir un autre segment correspondant à la valeur active (heure/minute/AM ou PM).
- Appuyez sur OK pour valider.
- Unités de mesure : Appuyez sur les boutons Augmenter/Diminuer pour passer des miles (système impérial) aux kilomètres (système métrique).
- Appuyez sur OK pour valider. La console revient à l'écran du mode Actif/Inactif.
Remarque : pour ajuster ces sélections, consultez la section Mode Paramétrage de la console.
Programme Quick Start (démarrage rapide) manuel
Le programme Quick Start (démarrage rapide) manuel permet de commencer un entrainment sans devoir saisir aucune information.
Durant un entrainment manuel, chaque colonne materialise une période de 2 minutes. La colonne active avance ainsi toutes les deux minutes. Si l'entrainment dure plus de 30 minutes, la colonne active se fixe sur la derniere colonne de droite et fait defiler les colonnes precedentes hors champ.
- Asseyez-vous.
- Appuyez sur le bouton Augmenter/Diminuer pour selectionner le profil utilisateur de votrechioix. Si aucun profil utilisateur n'est parametré, sélectionnez-en un qui ne contienne pas de données personalisées (valeurs par défaut seulement).
- Appuyez sur le bouton QUICK START (démarrage rapide) pour lancer le programme manuel.
- Pour modifier le niveau de résistance, appuyez sur les boutons Augmenter/Diminuer. L'intervalle actif et les suivants sont paramétrés en fonction du nouveau niveau. La résistance manuelle par défaut est de 4. La durée est comptée à partir de 00:00.
Remarque: si un entrainement manuel dure plus de 99 minutes et 59 secondes (99:59), les unités du champ TIME (durée) s'affichent alors en heures et en minutes (exampie : 1 heures, 40 minutes).
- Quand you've terminé, arrêtez de pédaler et appuyez sur le bouton PAUSE/END (pause/arêt) pourmettre l'entrainment en pause. Appuyez une nouvelle fois sur PAUSE/END (pause/arêt) pourmettre fin à l'entrainment.
Remarque : les résultats de l'entraînement sont enregistrés dans le profil utilisateur actif.
Profilsutilisateur
La console permet d'enregistrer et utiliser 2 profils utilisateur. Ces derniers enregistrrent automatiquement le résultat de chaque entrainment et permettent de consulter les données correspondantes.
Le profil utilisateur enregistre les données suivantes :
- Nom—jusqu'à 10 caractères
Age - Poids
- Taille
- Sexe
Valeurs d'entraînement préférentes
Selection d'un profil utilisateur
Chaque entrainement est sauvegardé dans un profil utilisateur. Veillez à selectionner le bon profil avant de commencer à vous entrainer. Le dernier utilisateur s'était entrainé est l'utiliser par défaut.
Les profils utilisateur ont des valeurs par défaut jusqu'à ce qu'ils soient personalisés. Assurez-vous d'inclure des valeurs de calories et de fréquences cardiaques précises dans le profil utilisateur à personnaliser.
A partir de l'écran du mode Actif, appuyez sur les boutons Augmenter(▲) ou Diminuer(▼) pour sélectionner un profil utilisateur. La console affiche le nom et l'icone du profil utilisateur.
Modification du profil utiliser
- A partir de l'écran du mode Actif, appuyez sur les boutons Augmenter(▲) ou Diminuer(▼) pour sélectionner un profil utilisateur.
- Appuyez sur OK pour selectionner le profil utilisateur.
- L'écran de la console affiche l'invite EDIT (modifier) et le nom du profil utilisateur actif. Appuyez sur OK pour lancer l'options Modifier le profil.
Pour sortir de l'option Modifier le profil utilisateur, appuyez sur le bouton PAUSE/END (pause/fin). La console retourne à l'écran du mode Actif.
- L'écran de la console affiche l'invite NAME (nom) et le nom du profil utilisateur actif.
Remarque: avant la première modification, le champ de nom est vide. Le nom des profils utilisateur est limite à 10
caracteres.
Le segment actif clignote. A l'aide des boutons Augmenter/Diminuer, deplacez-vous parmi les lettres de l'alphabet.
L'espace se touve entre le A et le Z. Parametrez chaque segment à l'aide des boutons Gauche(«) ou Droite(«) permettant de passer d'un segment à l'autre.
Appuyez sur OK pour valider le nom affché.
- Pour modifier les autres données utilisé (EDIT AGE-modifier l'âge, EDIT WEIGHT-modifier le poids, EDIT HEIGHT-modifier la talle, EDIT GENDER-modifier le sexe), aidez-vous des boutons Augmenter/Diminuer pour effectuer les réglages, puis validez chaque entrée en appuyant sur OK.
- L'écran de la console affiche l'invite SCAN (analyse). Cette option contrôle l'affichage des valeurs durant l'entrainment. Paramètre OFF : l'utilisateur doit appuyer sur les boutons DROITE ou GAUCHE pour afficher les diverses valeurs d'entrainment. Paramètre ON : la console affiche automatiquement les diverses valeurs d'entrainment toutes les 6 secondes.
Le paramètre par défaut est OFF.
Appuyez sur OK pour définiir le type d'affichage des valeurs d'entrainment.
- L'écran de la console affiche l'invite EDIT LOWER DISPLAY (modifier l'écran inférieur). Cette option permet de personnaliser les valeurs d'entraînement affichées durant un entraînement.
L'écran inférieur affiche toutes les valeurs d'entrainment. La valeur active clignote. L'écran supérieur affiche le paramètre de valeur active : ON ou OFF. Appuyez sur les boutons Augmenter(▲) ou Diminuer(▼) pour masquer la valeur d'entrainment active, puis appuyez sur les boutons Gauche ou Droite pour changer la valeur.
Remarque: pour afficher une valeur d'entrainment masquée, recommencez la procedure et choisissez la valeur ON sur l'écran supérieur.
Une fois I'ecran inférieur paramétré, appuyez sur OK.

- La console returne à l'écran du mode Actif avec l'utilisateur sélectionné.
Réinitialisation d'un profil utilisateur
- A partir de l'écran du mode Actif, appuyez sur les boutons Augmenter(▲) ou Diminuer(▼) pour sélectionner un profilutilisateur.
-
Appuyez sur OK pour selectionner le profil utilisateur.
-
L'écran de la console affiche l'invite EDIT (modifier) et le nom du profil utilisateur actif. Appuyez sur les boutons Augmenter(▲) ou Diminuer(▼) pour modifier l'invite.
Remarque: pour sortir de l'option Modifier le profil utilisateur, appuyez sur le bouton PAUSE/END (pause/fin). La console retourne à l'écran du mode Actif.
- L'écran de la console affiche l'invite RESET (réinitialiser) et le nom du profil utilisateur actif. Appuyez sur OK pour lancer l'options Réinitialiser le profil.
- La console confirme à partir la requête de réinitialisation du profil utiliser (par défaut, la sélection est Non). Appuyez sur les boutons Augmenter(▲) ou Diminuer(▼) pour modifier l'invite.
- Appuyez sur OK pour faire votrechoix.
- La console affiche l'écran du mode Actif.
Changement du niveau de résistance
Appuyez sur les boutons d'augmentation (▲) ou de diminution de la résistance(▼) pour modifier le niveau de résistance à tout moment durant un programme d'entrainment. Pour modifierrapidement le niveau de résistance, appuyez sur le bouton rapide de niveau de résistance de votrechoix. La console ajuste le niveau de résistance selectionné.
Programmes Profil
Ces programmes permettent d'automatiser les divers niveaux de résistance et d'entrainment. Les programmes Profil sont organisés en catégories (Fun Rides, Mountains et Challenges).
Remarque: l'utiliser peut consulter l'ensemble des catégories et les développper pour voir le contenu de chacune.

FUN RIDES


MOUNTAINS

Pyramids



CHALLENGES


Interval

Profil et objectifs
La console permet de selectionner le programme Profil et le type d'objectif de votre entrainement (distance, durée ou calories) et de parameter la valeur d'objectif.
- Asseyez-vous.
- Appuyez sur les boutons Augmenter(▲) ou Diminuer(▼) pour selectionner le profil utilisateur de votrechioix.
- Appuyez sur le bouton Programs (programmes).
- Appuyez sur les boutons Gauche(«) ou Droite(«) pour sélectionner une catégorie d'entrainment.
- Appuyez sur les boutons Augmenter(▲) ou Diminuer(▼) pour sélectionnner un entrainement par profil, puis appuyez sur OK.
- Appuyez sur les boutons Augmenter(▲) ou Diminuer(▼) pour sélectionner un type d'objectif (distance, durée ou calories), puis appuyez sur OK.
- Appuyez sur les boutons Augmenter(▲) ou Diminuer(▼) pour ajuster la valeur d'entrainment.
- Appuyez sur OK pour commencer l'entrainment en fonction de votre objectif. La valeur GOAL (objectif) compte à rebours à mesure que la valeur du pourcentage effectue augmente.
Remarque: durant un entrainement en objectif Calories, chaque colonne correspond à une période de 2 minutes. La colonne active avance ainsi toutes les deux minutes. Si l'entrainment dure plus de 30 minutes, la colonne active se fixe sur la dernière colonne de droite et fait defiler les colonnes précédentes hors champ.
Programme Test de fitness
Le test de fitness évalué la progression de votre condition physique en mesurant l'évolution des watts produits à une certaine fréquence cardiaque. A mesure que vous progressez, votre puissance augmente pour la même fréquence cardiaque donnée.
Remarque :pour fonctionner correctement, la console doit pouvoir dire les informations de fréquence cardiaque provenant des capteurs ou du moniteur de fréquence cardiaque.
Le programme Test de fitness se lance depuis la catégorie FEEDBACK (suivi). Vous estes tout d'abord invite a selectionner un niveau de condition physique-Debutant (BEG-Beginner) ou avancé (ADV-Advanced). La console utilise les valeurs d'age et de poids du profil utiliseur selectionnafin de calculer le Fitness Score.
CommencezVoteentrainementtouentenantlescapteurdesfrequencecardiaque.Quandletestdemarre,l'intensite augmentelegerement.PlusI'entrainementdevientdifficile,pluslafrequencecardiaqueaugmente.L'intensiteaugmente automatiquementusqu'a cequevoitréquencecardiaqueatteigne lazone de test.Cettezone,calculée demaniere individuelle,correspondanta 75% environde lafrequencecardiaquemaximale duprofilutilisateur.Unefoisa lazone de test atteinte,lambda machine stabiliseI'intensitependant3minutes,pourqueyoupuissiezatteindreune conditionstable,durant laquellevoitréquencecardiaquesestabilise.)Ala findes3minutes,laconsole mesurevoitréquencecardiaqueetla puissance.Cesdonnées,aisinqvotraegeetrotpoids,sontcompiléespourdeterminervoitrésFitnessScore.
Remarque: cette Fitness Score ne peut etre comparé qu'a vos scores precedents et non a ceux d'autres profils utiliseur.
Vouss pourrez ainsi suivev vos progrs.
Programmes d'entraînement Heart Rate Control (HRC) (contrôle de la fréquence cardiaque)
Les programmes Heart Rate Control (HRC) (contrôle de la fréquence cardiaque) vous permettent de paramétre un objectif de fréquence cardiaque de votre entrainment. Le programme contrôle vous fréquence cardiaque exprime en battements par minute (BPM) à partir des capteurs de fréquence cardiaque situés sur la machine et ajuste l'entrainment de sorte que votre fréquence cardiaque reste dans la zone sélectionnée.
Remarque: pour fonctionner correctement, la console doit pouvoir dire les informations de fréquence cardiaque provenant des capteurs, destinées au programme HRC (contrôle de la fréquence cardiaque).
Les programmes Target Heart Rate (fréquence cardiaque cible) utilise l'âge et d'autres informations utilisateur pour paramétrer les valeurs de la zone de fréquence cardiaque de l'entrainment. L'écran de la console affiche ensuite des invites permettant le paramétrage de l'entrainment :
-
Sélectionnez le niveau d'entrainment de contrôle de la fréquence cardiaque : BEGINNER (BEG-Beginner) ou ADVANCED (ADV-Advanced), puis appuyez sur OK.
-
Appuyez sur les boutons Augmenter(▲) ou Diminuer(▼) pour selectionner le pourcentage de la fréquence cardiaque maximale: 50-60%, 60-70%, 70-80%, 80-90%.

Consultez unmedicineanvantde commencerun entrainement dans la zone de frquencecardiaque 80-90%.
- Appuyez sur les boutons Augmenter(▲) ou Diminuer(▼) pour selectionner un type d'objectif, puis cliquez sur OK.
- Appuyez sur les boutons Augmenter(▲) ou Diminuer(▼) pour selectionner la valeur d'objectif de l'entrainment.
Remarque : laissez Your frquence cardiaque atteindre la zone souhaitee lorsque you definissez I'objectif.
- Appuyez sur OK pour commencer l'entraînement.
Changement de programme durant l'entrainement
La console permet de lancer un autre programme au cours d'un entrainment.
- A partir d'un entrainmente actif, appuyez sur PROGRAMS (programmes).
- Appuyez sur les boutons Augmenter(▲) ou Diminuer(▼) pour selectionner un programme d'entraînement, puis appuyez sur OK.
- Appuyez sur les boutons Augmenter(▲) ou Diminuer(▼) pour selectionner un type d'objectif, puis cliquez sur OK.
- Appuyez sur les boutons Augmenter(▲) ou Diminuer(▼) pour sélectionner la valeur de l'entrainment.
- Appuyez sur OK pour arrêté l'entrainment en cours et en commencer un autre.
Les valeurs d'entraînement sont sauvégardées dans le profil utilisateur.
Pause ou arrêt
La console se met en mode Pause si l'utilisateur arrête de pédaler et appuie sur PAUSE/END (pause/bin) durant un entrainment, ou encore si aucun signal RPM n'est détecté pendant 5 secondes (l'utilisateur ne pédale pas). La console fait défilier une série de messages toutes les 4 secondes :
- WORKOUT PAUSED (exercice en pause)
PEDAL TO CONTINUE (pedalez pour continuer) - velo / STRIDE TO CONTINUE (actionnez les pêdaes pour continuer) elliptique - PUSH END TO STOP (appuyez sur END [fin] pour arrête)
Durant un entrainment en pause, les boutons Augmenter/Diminuer permettent de faire defiler manuellement les canaux de résultats.
- Arretez de pédaler et appuyez sur le bouton PAUSE/END (pause/arret) pourmettre en pause votre entrainement.
- Pour continuer votre entrainement, appuyez sur OK ou commencez a pédaler.
Pour arreter l'entraintement, appuyez sur le bouton PAUSE/END (pause/arrêt). La consoleonne en mode Results/Cool Down (résultats/récapération).
Mode Results/Cool Down (résultats/récapération)
Après l'entrainment, l'écran GOAL (objectif) affiche 03:00 et commence le compte à rebours. Durant la période de récapération, la console affiche les résultats de l'entrainment. Tous les entrainements, excepté le programme Quick Start (démarrage rapide) disposent d'une période de 3 minutes de récapération.
L'écran LCD affiche les valeurs d'entraînement en cours sous forme de trois canaux :
a.) TIME (total) [durée totale], DISTANCE (total) [distance totale] et CALORIES (total) [calories totales]
b.) SPEED (average) [vitesse moyenne], RPM (average) [tour par minute moyens] et HEART RATE (average) [fréquence cardioque moyenne]
c.) TIME (average) [durée moyenne], LEVEL (average) [niveau moyen] et CALORIES (average) [calories moyennes].
Appuyez sur les boutons Gauche(«) ou Droite(«) pour vous déplacer d'un canal à l'autre.
Durant la période de récapération, le niveau de résistance s'ajuste à un tiers du niveau moyen de l'entrainment. Le niveau de résistance de récapération s'ajuste à l'aide des boutons Augmenter/Diminuer la résistance, bien que la console n'affiche pas la valeur.
Appuyez sur PAUSE/END (pause/arret) pour arreter la période Résultats/Récupération et revenir au mode Actif. Si aucun signal RPM ou de fréquence cardiaque n'est détecté, la console passé automatiquement en mode Veille.
Statistiques GOAL TRACK (du suivi des objectifs et des nouvelles étapes atteintes)
Les statistiques de chaque entrainement sont enregistrées dans le profil utilisateur correspondant.
La console Schwinn Dual Track" affiche les statistiques du suivi des objectifs sur l'écran inférieur sous forme de trois canaux :
a.) TIME (total) [durée totale], DISTANCE (total) [distance totale] et CALORIES (total) [calories totales]
b.) SPEED (average) [vitesse moyenne], RPM (average) [tour par minute moyens] et HEART RATE (average) [fréquence cardioque moyenne]
c.) TIME (average) [durée moyenne], DISTANCE (average) [distance moyenne] ou LEVEL (average) [niveau moyen] * et CALORIES (average) [calories moyennes].
- Si les statistiques de suivi des objectifs concernant un entrainment unique, la valeur LEVEL (average) [niveau moyen] s'affiche. Si les statistiques de suivi des objectifs combinent plusieurs entrainements, la valeur DISTANCE (average) [distance moyenne] s'affiche.
Pour afficher les statistiques de suivi des objectifs d'un profil utilisateur :
- A partir de l'écran du mode Actif, appuyez sur les boutons Augmenter(▲) ou Diminuer(▼) pour sélectionner un profilutilisateur.
- Appuyez sur le bouton GOAL TRACK (suivi des objectifs). La console affiche les valeurs LAST WORKOUT (dernier entrainment) et active l'indicateur lumineux des nouvelles étapes atteintes correspondant.
Remarque: les statistiques de suivi des objectifs peuvent etre consultees meme durant I'entrainement. Appuyez sur GOAL TRACK (suivi des objectifs) afin d'afficher les valeurs LAST WORKOUT (dernier entrainement). Les valeurs de l'entrainement en cours sont masquées, à l'exception de la valeur GOAL (objectif). Appuyez de nouveau sur GOAL TRACK (suivi des objectifs) pour revenir a I'écran Actif.
- Appuyez sur le bouton Augmenter (▲) pour consulter les statistiques de suivi des objectifs suivantes, LAST 7 DAYS (7 derniers jours). La console affiche les calories brûlées sur l'écran (50 calories par segment) durant les 7 derniers jours, avec les totaux des valeurs d'entrainment. Appuyez sur les boutons Gauche (▲) ou Droite (▲) pour vous déplacer d'un canal à l'autre.
- Appuyez sur le bouton Augmenter (▲) pour afficher la valeur BM (Body Mass Index) [indice de masse corporelle]. La console affiche la valeur BM (indice de masse corporelle) dans les parametres utilisateur. Verifiez les huit valeurs de votre profil utilisateur, ainsi que la valeur de poids.
LIMC (indice de masse corporelle) permet de déterminer le taux de graisse corporelle et les risques potentiels pour la santé. Le tableau ci-après repertorie la classification des IMC :
| Insuffisance pondérale | Inférieur à 18.5 |
| Normal 18.5 – 24.9 | |
| Surpoids 25.0 – 29.9 | |
| Obésité Supérieur à 30.0 |
Remarque: le programme peut surestimer le taux deGRAisse dans le corps des athletes et autres personnes tres musclées. Il peut en outre sous-estimer ce taux chez les personnes agees et celles qui ont perdu de la masse musculaire.

Contactez vous médecin pour plus d'informations sur l'IMC et le poids appropriés pour vous. Les données calculées ou mesurées par l'ordinateur sont purement indicatives.
- Appuyez sur le bouton Augmenter (▲) pour consulter les statistiques SAVE TO USB - OK? (enregistrer sur la clé USB. OK ?). Appuyez sur OK. L'invite ARE YOU SURE? - NO (êtes-vous sur ? Non) s'affiche. Appuyez sur l' invite Augmenter (▲) pour afficher Oui et appuyez sur OK. La console affiche l'invite INSERT USB (insérer USB). Insérez une clé USB dans le port USB. La console enregistre les statistiques sur la clé USB.
La console affiche alors SAVING (sauvegarde), puis REMOVE USB (ótez la clé USB).
Remarque: appuyez sur le bouton PAUSE/END pour sortir de l'invite SAVING (sauegarde).
- Appuyez sur le bouton Augmenter (▲) pour consulter les statistiques CLEAR WORKOUT DATA -OK? (effacer les données d'entrainment - OK ?). Appuyez sur OK. L'invite ARE YOU SURE? - NO (êtes-vous sur ? Non) s'affiche. Appuyez sur le bouton Augmenter (▲) pour afficher l'invite "ARE YOU SURE? - YES (êtes-vous sur ? Oui), puis appuyez sur OK. Les entrainements utilisateur ont été réinitialisés.
- Appuyez sur GOAL TRACK (suivi des objectif) pour revenir à l'écran Actif.
Consultez le site www.SchwinnConnect.com pour creer un profil en ligne, telecharger les résultats de vos entrainements à l'aide d'une clé USB, puis consulter vos progrès dans le temps.
www.SchwinnConnect.com fonctionne également avec MyFitnessPal. Appuyez sur le bouton Link to MyFitnessPal (lier à MyFitnessPal) pour consulter les résultats de vos entrainements avec votre profil MyFitnessPal existant.
Le mode Paramétrage de la console permet d'entrée la date et l'heure, les unités de mesure (imperiales ou métriques), modifier le type de machine, contrôler les paramètres de son (on/off), ou encore consulter les statistiques d'entretien (journal d'erreur et heures de fonctionnement - pour les techniciens de service).
- Maintenez enforcé le bouton PAUSE/END (pause/arrêt) et le bouton Droite pendant 3 secondes en mode Actif pour entrer dans le mode Paramétrage de la console.
Remarque: appuyez sur PAUSE/END (pause/arrêt) pour sortir du mode Paramétrage de la console et revenir à l'écran du mode Actif. - L'écran de la console affiche la date avec le paramétrage actif. Pour le modifier, appuyez sur les boutons Augmenter/Diminuer pour ajuster la valeur active (qui clignote). Appuyez sur les boutons Droite/Gauche pour désir un autre segment correspondant à la valeur active (mois/jour/année).
- Appuyez sur OK pour valider.
- L'écran de la console affiche l'heure avec le paramétrage actif. Appuyez sur les boutons Augmenter/Diminuer pour ajuster la valeur active (qui clignote). Appuyez sur les boutons Droite/Gauche pour désir un autre segment correspondant à la valeur active (heure/minute/AM ou PM).
- Appuyez sur OK pour valider.
- L'écran de la console affiche les unités avec le paramétrage actif. Pour le modifier, appuyez sur OK pour lancer l'option des unités. Appuyez sur les boutons Augmenter/Diminuer pour passer des miles (système impérial) aux kilomètres (système métrique).
Remarque: si les unités sont modifiées quand les statistiques utilisateur contiennent des données, les statistiques utilisent les nouvelles unités.
- Appuyez sur OK pour valider.
- L'écran de la console affiche le type de machine avec le paramétrage actif. Appuyez sur les boutons Augmenter/Diminuer pour passer de BIKE (velo) à ELLIPTICAL (elliptique).
- Appuyez sur OK pour valider.
- L'écran de la console affiche les paramètres de son avec le paramétrage actif. Appuyez sur les boutons Augmenter/Diminuer pour passer de ON à OFF.
- Appuyez sur OK pour valider.
- L'écran de la console affiche les heures totales de fonctionnement (TOTAL RUN HOURS) de la machine.
- Pour l'invite suivante, appuyez sur le bouton OK.
- L'écran de la console affiche l'invite de la version logicielle.
- Pour l'invite suivante, appuyez sur le bouton OK.
- La console affiche l'écran du mode Actif.
Lisez l'ensemble des instructions d'entretien avant de commencer toute tache de réparation. Certaines tâches nécessitant la collaboration d'un tiers.

L'appareil doit être régulément inspecté en vue de la détction de tout signe d'endommagement ou d'usure.
L'entretien régulier de la machine est de la responsabilité de son propriété. Les composants usés, endommages ou desserrés doivent immédiatement être réparés ou replacés. Utilisez exclusivement les pieces fournies par le fabricant.
DANGER
Afin de réduire le risque de chic électrique, débranchez toujours le cordon d'alimentation, puis attende 5 minutes avant toute opération de nettoyage, d'entretien et de réparation de cette machine.
Chaque jour :
Avant chaque utilisation, vérifie que chaque composant est correctement fixé, non endommagé ni use.
N'utilisez votre apparéil qu'après avoir vérifié les éléments suivants: Réparez ou remplacez toute piece des les premiers signes d'usure ou d'endommagement. A l'aide d'un chiffon humide, nettoyez la sueur de votre machine et de la console après chaque utilisation.
Remarque: évitez les accumulations d'humidité sur la console.
Une fois par semaine :
Otez les poussières et la saleté de la machine. Vérifiez le bon fonctionnement de la glissière de la selle. En cas de nécessité, appliquez une fine couche de lubrifiant au silicone.
Remarque: n'utilise pas de produits à base de pétrôle.
Tous les mois ou au bout de 20
Vérifiez le pédalier et resserrez-le si nécessaire. Assurez-vous que tous les boulons et vis sont serrés. Serrez-les si nécessaire.
heures d'utilisation :
AVERTISSEMENT: ne nettoyez pas la machine avec un solvant à base de pétrle ni un nettoyant automobile. Evitez les accumulations d'humidité sur la console.

Pieces d'entretien
| A Console L Câbles de fréquence | cardiaque | W Volant d'inertie | |
| B Tube de la console M Capteurs de fréquence | cardiaque par contact | X Assemblage du frein | |
| C Pédales N Selle Y Capteur RPM (tours par minute) | |||
| D Manivelle O Tube de selle | Z Aimant du capteur de vitesse | ||
| E Capot gauche | P | Molette d'ajustement | AA Servo-moteur |
| F Connecteur fémelle | Q | Capot du tube de selle | BB Courroie d'entrainment |
| G Capot droit | R | Porte-bouteille | CC Poulie pour courroie |
| H Capot supérieur | S | Stabilisateur arrêté | DD Cache du montant du guidon |
| I Joint du tube | T | Patins régibles | EE Poignée en T |
| J Câble des données | U Stabilisateur avant | ||
| K Poignées V | Roulettes de transport | ||
| Condition/Problème Éléments à vérifier Solution | ||
| Pas d'affichage/affichage partiel/l'unité ne s'allume pas | Vérifier la prise murale Vérifier | que l'unité est branchée dans une prise murale qui fonctionne. |
| Vérifier la connexion sur la console | La connexion doit être sécurisée et non endommagée. Remplacer l'adaptateur ou la connexion de l'unité si ces derniers sont endommagés. | |
| Vérifier l'intégrité du cable des données | Tous les fils du cable doivent être intacts. Si l'un d'entre eux est coupé ou pince, le remplaçer. | |
| Vérifier les connexions/ l'orientation du cable des données | Vérifier que le cable est connecté de manière sure et orienté correctement. Le petit taquet sur le connecteur doit s'aligner et s'enclencher correctement. | |
| Vérifier tout dommage de la console | Vérifier tout signe visuel de craquelure ou de dommage. Remplacer la console si cette dernière est endommagée. | |
| Ecran de la console Si la console | sole n'affiche que des informations partielles et que les connexions sont correctes, remplacer la console. | |
| Si les étapes ci-dessus ne résolvent pas le problème, contacter votre distributeur local pour toute assistance. | ||
| L'unité fonctionne mais la fréquence cardiaque par contact ne s'affiche pas | Connexion du cable de fréquence cardiaque à la console | Vérifier que le cable est correctement branché à la console. |
| Poinnée à capteur Vérifier que les mains sont centrées sur les capteurs de fréquence cardiaque. Les mains doivent rester immobiles et exercer une pression relativement égale de chaque côté. | ||
| Mains sèches ou calleuses Le fonctionnement des capteurs peut être défectueux si l'utilisateur a des mains sèches ou calleuses. Une crème pour electrode conductrice (crème de fréquence cardiaque) peut améliorer la conductivité. Vous pourrez vous en procurar en ligne ou dans certains grands magasins spécialisés dans les articles Médicaux ou de fitness. | ||
| Guidon Si les tests ne mettent en lumière aucun autre problème, remplacer les poignées. | ||
| La console affiche le code d'erreur E2. | Vérifier l'intégrité du cable des données | Tous les fils du cable doivent être intacts. Si l'un d'entre eux est coupé ou pince, remplacer le cable. |
| Vérifier les connexions/ l'orientation du cable des données | Vérifier que le cable est connecté de manière sure et orienté correctement. Le petit taquet sur le connecteur doit s'aligner et s'enclencher correctement. | |
| Electronic de la console S | les tests ne révolut pas d'autre problème, contacter votre distributeur local pour toute assistance. | |
| Pas d'affichage de la vitesse/des tours par minute, la console affiche le code d'erreur Please Pedal (veuillez pédaler) | Vérifier l'intégrité du cable des données | Tous les fils du cable doivent être intacts. Si l'un d'entre eux est coupé ou pince, remplacer le cable. |
| Vérifier les connexions/ l'orientation du cable des données | Vérifier que le cable est connecté de manière sure et orienté correctement. Le petit taquet sur le connecteur doit s'aligner et s'enCLENCHER CORRECTMENT. | |
| Vérifier la position de l'aimant (ôter pour cela le capot) | L'aimant doit être en place sur la poulie. | |
| Vérifier le capteur de vitesse (ôter pour cela le capot) | Le capteur de vitesse doit être aligné avec l'aimant et connecté au cable des données. Réaligner le capteur, le cas échéant. Remplacer si le capteur ou de fil de connexion est endommagé. | |
| La console s'éteint (passe en mode Veille) durant sonutilisation | Vérifier la prise murale Vérifier | que l'unité est branchée dans une prise murale qui fonctionne. |
| Vérifier la connexion sur la console | La connexion doit être sécurisée et non endommagée. Remplacer l'adaptateur ou la connexion de l'unité si ces derniers sont endommagés. | |
| Vérifier l'intégrité du cable des données | Tous les fils du cable doivent être intacts. Si l'un d'entre eux est coupé ou pince, remplancer le cable. | |
| Vérifier les connexions/ l'orientation du cable des données | Vérifier que le cable est connecté de manière sure et orienté correctement. Le petit taquet sur le connecteur doit s'aligner et s'enclencher correctement. | |
| Réinitialiser la machine Débrancher l'unité de la prise électrique pendant 3 minutes. Reconnecter l'unité. | ||
| Vérifier la position de l'aimant (ôter pour cela le capot) | L'aimant doit être en place sur la poulie. | |
| Vérifier le capteur de vitesse (ôter pour cela le capot) | Le capteur de vitesse doit être aligné avec l'aimant et connecté au cable des données. Réaligner le capteur, le cas échéant. Remplacer si le captur ou de fil de connexion est endommagé. | |
| L'unité rouge/n'est pas à niveau | Vérifier l'ajustement des patins régiables | Ajuster les patins régiables. |
| Vérifier la surface sur laquelle l'unité est posée | Les patins régiables peuvent ne pas suffire si la surface est extrémement inégale. Déplacer le vélo sur une zone plane. | |
| Les pédales sont lâches/le pédalage est difficile | Vérifier la connexion pédales/manivelle | Les pédales doivent être correctement arrimées à la manivelle. Vérifier que le filetage n'est pas inversé. |
| Le pédalage est bruyant Vérifier la connexion pédales/manivelle | Oter les pédales, puis les ré-arrimer. | |
| Le tube de selle rouge Vérifier la broche Vérifier que la broche d'ajustement est bien enclenchée dans l'un des orifices du tube de selle. | Vérifiez que la molette est bien serrée. | |
| Vérifiez que la molette est bien serrée. | ||



Notice Facile