WSP 2410 F - Chauffage AEG - Notice d'utilisation et mode d'emploi gratuit
Retrouvez gratuitement la notice de l'appareil WSP 2410 F AEG au format PDF.
| Intitulé | Description |
|---|---|
| Type d'appareil | Contrôle climatique |
| Capacité de déshumidification | 24 litres par jour |
| Surface recommandée | Jusqu'à 100 m² |
| Niveau sonore | 45 dB |
| Dimensions (L x l x H) | 380 x 300 x 600 mm |
| Poids | 15 kg |
| Fonctionnalités supplémentaires | Détection d'humidité, arrêt automatique, réservoir d'eau amovible |
| Consommation énergétique | 320 W |
| Température de fonctionnement | 5 à 35 °C |
| Entretien | Nettoyage régulier du filtre, vidange du réservoir |
| Mesures de sécurité | Protection contre le surchauffe, arrêt automatique en cas de réservoir plein |
| Garantie | 2 ans |
FOIRE AUX QUESTIONS - WSP 2410 F AEG
Questions des utilisateurs sur WSP 2410 F AEG
0 question sur cet appareil. Repondez a celles que vous connaissez ou posez la votre.
Poser une nouvelle question sur cet appareil
Téléchargez la notice de votre Chauffage au format PDF gratuitement ! Retrouvez votre notice WSP 2410 F - AEG et reprennez votre appareil électronique en main. Sur cette page sont publiés tous les documents nécessaires à l'utilisation de votre appareil WSP 2410 F de la marque AEG.
MODE D'EMPLOI WSP 2410 F AEG
Accumulateurs de chaleur
Série d'appareils plats
Notice d'utilisation et de montage
WSP 1210 F, WSP 1810 F, WSP 2410 F, WSP 3010 F, WSP 3610 F, WSP 4210 F, WSP 4810 F
Warmteaccumulator
platte serie
1. Notice d'utilisation
A l'intention de l'utilisateur
1.1 Description de l'appareil ____ 39
1.2 Commande 39
1.3 Consignes de sécurité ____ 40
1.4 Entrelien et maintenance 40 1.5 Passive importants 41
Que faire si ... ? 41
2. Notice de montage
A l'intention de l'installateur
2.1 Caractéristiques techniques ____ 42
2.2 Description de l'appareil ____ 44
2.3 Consignes et reglementations ____ 46 3.4 Cite de montre
2.4 Site de montage 48 2.5 Montains de l'annonnil 47
2.5 Montage de l'appareil 47 2.6 Première mise en service 51
2.7 Réparation, modification de l'appareil 51
2.8 Remise à l'utilisateur ____ 51
3. Environnement et recyclage 54
2
English
Table of Contents
Voor de installateur
Für den Installateur

text_image
78,5 B A 26 546 50 (6 x) 166
| 8h-Heizkörper | |||||
| Anschlussvarianten Modell | 1100 % | 291,6 % | 383,3 % | 475 % | 5100 % |
| WSP 1210 F | 1,2 | 1,1 | 1,0 | 0,9 | 1,2 |
| WSP 1810 F | 1,8 | 1,65 | 1,5 | 1,35 | 1,8 |
| WSP 2410 F | 2,4 | 2,2 | 2,0 | 1,8 | - |
| WSP 3010 F | 3,0 | 2,75 | 2,5 | 2,25 | - |
| WSP 3610 F | 3,6 | 3,3 | 3,0 | 2,7 | - |
| WSP 4210 F | 4,2 | 3,85 | 3,5 | 3,15 | - |
| WSP 4810 F | 4,8 | 4,4 | 4,0 | 3,6 | - |
1. Notice d'utilisation
1.1 Description de l'appareil
Les accumulateurs de chaleur permettent d'emmagasiner la chaleur produite par le courant électrique au cours des plages horaires à tarif réduit (en fonction de l'opérateur énergétique, la plupart du temps pendant la nuit). Cette chaleur est ensuite restituée sous forme d'air chaud par le biais d'une soufflante ou, dans une moindre mesure, par la surface de l'appareil en fonction de la température souhaitée.
1.2 Commande
L'appareil est commandé à partir du panneau de commande (1) situé sur la paroi latérale droite (ill. 1).
1.2.1 Accumulation de chaleur
Le niveau d'accumulation de la chaleur (charge) est choisi à l'aide du sélecteur (ill. 17).
Il faut ici faire la distinction entre le fonctionnement des accumulateurs de chaleur avec ou sans module de gestion centralisée de la charge en fonction des conditions atmosphériques (se trouve au bas de l'appareil).
En l'absence d'un module de gestion centralisée de la charge en fonction des conditions atmosphériques (mode manuel, ill. 18), régler le sélecteur comme suit :
1 = période de transition (printemps/été) - correspond à env. 1/3 de la charge totale
2 = hiver doux - correspond à env. 2/3 de la charge totale
3 = hiver - correspond à la charge totale
Après une courte période de familiarisation, vous trouverez facilement le réglage qui vous convient.
Avec un module de gestion centralisée de la charge en fonction des conditions atmosphériques (mode automatique), le sélecteur doit se trouver en position 3. C'est alors le module de gestion de la charge en fonction des conditions atmosphériques qui veillera à la charge appropriée.
Toutefois, la présence de ce module de gestion de la charge n'empêche pas le recours à l'adaptation manuelle au moyen du sélecteur pour assurer un réglage modulé des accumulateurs de chaleur individuels.
Tenir compte ici de la notice d'utilisation et de montage du module de gestion de la charge ou de l'unité de commande centralisée.
1.2.2 Emission de chaleur
L'émission de chaleur (décharge) est réglée par un thermostat d'ambiance AEG (accessoire en option) mural ou intégré à l'appareil.
Régler la température souhaitée au thermostat d'ambiance qui, à son tour, module automatiquement l'émission de chaleur par le biais de la soufflante, de manière à établir une température constante.
Les jours de grand froid, il est conseillé de laisser fonctionner le thermostat d'ambiance en cas d'une absence prolongée de manière à maintenir la température de la pièce à env. 10 °C et à protéger ainsi le bâtiment ou la pièce contre le refroidissement (hors-gel).
1.3 Consignes de sécurité

L'appareil ne doit pas
- être exposé à la poussière, aux produits chimiques, aux gaz ou aux vapeurs présentant un risque d'incendie ou d'explosion ;
- se trouver à proximité immédiate de conduites ou de récipients contenant des produits inflammables ou explosifs ;
- être utilisé à une distance inférieure aux distances minimales imposées par rapport aux objets proches.
- Le montage (installation électrique) ainsi que la première mise en service et la maintenance de cet appareil doivent être effectués par un spécialiste agréé conformément aux présentes instructions.
- Il ne faut en aucun cas utiliser l'appareil lorsque des travaux de pose, de ponçage, de vitrification, de nettoyage à l'essence ou d'entretien (aérosol, encaustique) des sols ou similaires sont effectués dans la même pièce.
Avant la charge, veiller à aérer convenablement la pièce.
- Les surfaces du corps de l'appareil ainsi que la grille de sortie d'air peuvent atteindre des températures supérieures à 80 °C. C'est pourquoi il est interdit de poser sur l'appareil ou à proximité immédiate des objets combustibles, inflammables ou isolants pas plus que des tissus, que ce soit du linge, des couvertures, du papier, des récipients remplis d'encaustique ou d'essence, des bombes aérosol ou similaires. Ne jamais faire sécher de linge sur l'appareil. Risque d'incendie !
- Pour les objets de toute nature comme par ex. les meubles, rideaux et textiles ou autres matières inflammables ou non, veiller à respecter les distances minimales suivantes (ill. 2) par rapport à l'appareil, notamment à la grille de sortie d'air :
par rapport à la grille de sortie d'air ⇒ 500 mm par rapport à la paroi latérale droite (espace de montage) ⇒ 100 mm par rapport à la paroi latérale gauche ⇒ 70 mm par rapport à la paroi latérale gauche ⇒ 70 mm par rapport à la paroi latérale gauche lorsque 2 accumulateurs se trouvent l'un à côté de l'autre ⇒ 100 mm par rapport au capot (ex. rebord de fenêtre) ⇒ 40 mm par rapport au capot (rideaux, voilages, matériaux inflammables) ⇒ 100 mm L'air chaud doit pouvoir être évacué sans encombre (ill. 19)!
- Dans les locaux à usage professionnel (hôtels, résidences de vacances, écoles, etc.), apposer l'autocollant joint à la présente notice d'utilisation et de montage « Ne rien poser ou appuyer contre cet appareil » de manière bien visible sur le capot de l'appareil.
1.4 Entretien et maintenance
S'il apparaît de légères taches brunâtres à la surface de l'appareil, les faire disparaître le plus rapidement possible à l'aide d'un chiffon humide.
Attendre que l'appareil soit froid pour le nettoyer avec un produit d'entretien d'usage courant. Ne pas utiliser de produits abrasifs.
Ne pas introduire de produit en bombe aérosol dans les fentes d'aération.
Faire vérifier tous les deux ans le canal d'air situé derrière la grille de sortie d'air (5) par un spécialiste. Cet endroit est susceptible de s'encrasser légèrement.
Il est conseillé de profiter de la maintenance régulière pour faire vérifier les organes de contrôle et de réglage. Les organes de sécurité, de contrôle et de réglage ainsi que l'ensemble du système de gestion de la charge et de la décharge doivent être vérifiés par un spécialiste au plus tard 10 ans après la première mise en service.
1.4.1 Nettoyage du filtre (ill. 3)
Le filtre (7) de la grille d'entrée d'air (6) doit être nettoyé régulièrement pour que la décharge de l'accumulateur de chaleur puisse se faire sans problème.
Par contre, si le filtre est encrassé, les ventilateurs s'arrêtent.
Pour nettoyer le filtre, procéder comme suit :
- pousser légèrement la grille de sortie d'air (6) des deux côtés vers le bas, faire basculer sa partie supérieure vers le haut et la retirer ;
- séparer le filtre de la grille avec un tournevis par ex. et le nettoyer avec une brosse, un aspirateur ou similaire ;
replacer le filtre dans la grille et l'insérer dans les encoches ;
- placer la partie inférieure de la grille d'entrée d'air en biais sur les encoches situées sur le fond de l'appareil et l'insérer sous la grille de sortie d'air en poussant légèrement (ill. 16).
1.5 Remarque importante

Conserver avec soin cette notice pour pouvoir la remettre, le cas échéant, au nouveau propriétaire. La mettre à disposition du spécialiste chargé d'effectuer l'entretien de l'appareil.
Que faire si ... ?
| A l'intention de l'utilisateur | A l'intention du spécialiste | |
| • l'accumulateur ne se réchauffe pas | Vérifier si ...... le sélecteur est en position 3. ... les fusibles correspondant logés dans le boîtier à fusibles sont défectueux ou si l'interrupteur de protection contre les courants de court-circuit est intervenu.Remédier à ce problème !Si l'accumulateur n'est pas encore chaud le lendemain, appeler un spécialiste. | Vérifier si ...... la commande du disjoncteur des éléments chauffants fonctionne convenablement. ... les bornesL1/L2/L3 sont sous tension. ... le limiteur de température (F1) s'est déclenché.![]() |
| • la température du corps de l'accumulateur est anormalement élevée même en cas de température extérieure douce. | Vérifier si ...... la soufflante est activée par le thermostat d'ambiance.Dans le cas contraire, faire appel à un spécialiste.... le filtre de la grille d'entrée d'air est bouché.Remédier à ce problème selon le point 1.4.1 ! | Vérifier si ...... le thermostat d'ambiance est activé et si la borne LE est sous tension. ... les soufflantes tournent. ... le régulateur de température (N5, voir page 3, ill. 1) de la sortie d'air est hors circuit. ... le signal de commande Z1 du module de gestion de la charge a été reçu à la borne A1/Z1 de l'accumulateur. |
2. Notice de montage
2.1 Caractéristiques techniques

text_image
B 85 165 197 21 546 89 X 89 70 83 Ø 9mmL'installation et le raccordement électrique doivent être effectués par un spécialiste conformément aux présentes instructions de montage.
| WSP1210 F | WSP1810 F | WSP2410 F | WSP3010 F | WSP3610 F | WSP4210 F | WSP4810 F | |
| Largeur « l » mm | 580 | 741 | 902 | 1063 | 1224 | 1385 | 1546 |
| Poids(avec les pierres) kg | 73,5 | 106 | 137,5 | 169 | 201 | 232,5 | 264,5 |
| Distance « X »(fixation au sol) mm | 402 | 563 | 724 | 885 | 1046 | 1207 | 1368 |
| Distance « A »(fixation murale page 10) mm | 337,5 | 498,5 | 659,5 | 820,5 | 981,5 | 1142,5 | 1303,5 |
| Raccordement | * | * | 3/N/PE ~ 50 Hz 400 V | ||||
| Puissance kW | 1,2 | 1,8 | 2,4 | 3,0 | 3,6 | 4,2 | 4,8 |
| Charge de mesure kWh | 9,6 | 14,4 | 19,2 | 24,0 | 28,8 | 33,6 | 38,4 |
| Charge maxi. PH kWh | 10,8 | 16,2 | 20,7 | 25,9 | 31,3 | 38,8 | 43,8 |
| Pierres d'accumulation | |||||||
| Nbre de paquets (pierres) Unité | 6 (12) | 9 (18) | 12 (24) | 15 (30) | 18 (36) | 21 (42) | 24 (48) |
| Poids des pierres kg | 50 | 76 | 101 | 126 | 151 | 176 | 202 |
| Chauffage auxiliaire (accessoire en option) | |||||||
| Puissance kW | 0,35 | 0,5 | 0,8 | 1,0 | 1,2 | 1,5 | 1,7 |
* WSP 1210 F et WSP 1810 F peut aussi être branché avec 1/N/PE \~ 50 Hz 230 V

text_image
78,5 B A 26 546 50 (6 x) 166
text_image
a Montage au sol Montage abonicht portante nulle a b Murs à force portante limitée a b Murs à force portante suffisante
1 Panneau de commande
2 Capot
3 Paroi latérale droite
4 Paroi avant
5 Grille de sortie d'air
6 Grille d'entrée d'air
7 Filtre
8 Paroi avant interne
9 Pierres d'accumulation
10 Tôle de recouvrement
11 Isolation thermique
12 Isolation thermique du fond
13 Buse
14 Canal d'air
15 Passe-câble
16 Canaux de circulation de l'air
17 Elément chauffant
18 Soufflante
19 Régulateur de température - Décharge (N5)
20 Régulateur de température - Charge (N4)
21 Limiteur de température (F1)
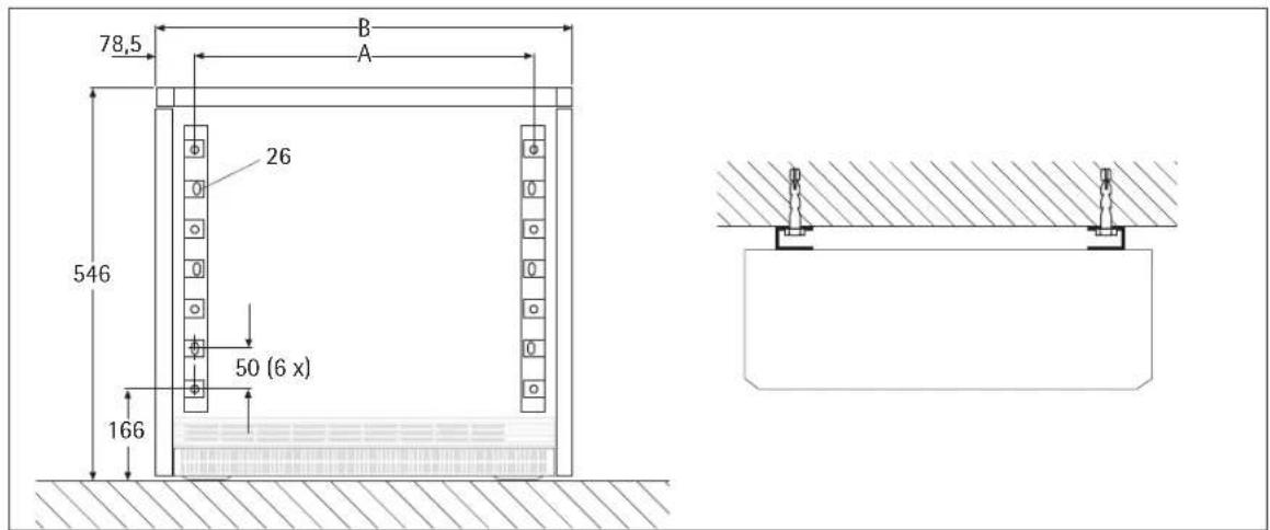
26 Fixation murale
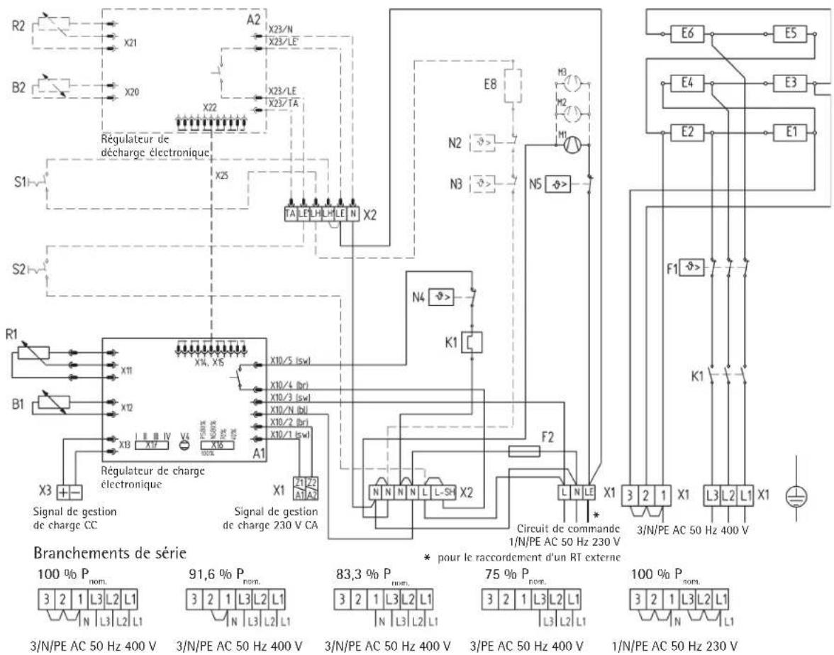
A1: Régulateur électronique de charge (page 12)
V4: Témoin de fonctionnement/dysfonctionnement
X16 Adaptation du signal de commande en 4 étapes
X17 Réducteur du niveau de charge en 4 étapes
2.2.1. Fonctionnement
Les pierres d'accumulation sont réchauffées par les éléments chauffants placés entre les rangées de pierres. La charge est réglée en continu à l'aide du régulateur de charge (sélecteur, ill. 17) Le démarrage et la durée de la charge sont déterminés par l'opérateur énergétique concerné.
Deux régulateurs de température intégrés (19, 20) ainsi qu'un limiteur de température (21) empêchent une surchauffe de l'appareil. Alors que les régulateurs de température se remettent en marche automatiquement, le limiteur de température sera réactivé par le spécialiste après réparation par pression exercée sur le bouton situé au centre du limiteur.
La chaleur accumulée est ensuite diffusée par la soufflante mais également par la surface de l'appareil. L'air est en effet aspiré par la soufflante (18) à travers la grille d'entrée d'air (6) avant d'être insufflé dans les canaux des pierres d'accumulation (9) où il se réchauffe.
Avant de sortir par la grille de sortie d'air (5), l'air chaud est mélangé à de l'air moins chaud passant par deux buses de manière à ce que la température de l'air sortant ne soit pas supérieure à la température maximale autorisée. La position de la buse et, par conséquent, la proportion du mélange est réglée par un régulateur bilame.
2.2.2 Réduction de la puissance absorbée
En déplaçant ou enlevant des cavaliers sur les bornes, il est possible de réduire de 3 niveaux (voir page 12) la puissance absorbée réglée à l'usine au niveau maximum.
La dimension des sections de câbles et les fusibles doivent être choisis en fonction de la puissance maximale possible de l'appareil.
Selon les « Conditions de raccordement techniques » de l'opérateur énergétique compétent, le raccordement monophasé n'est autorisé que jusqu'à 2 kW (WSP 1810).

Réduire le niveau de charge
Le cavalier X17 se trouvant sur le régulateur de charge électronique (A1) permet de sélectionner le niveau de charge de l'élément d'accumulation en relation avec la puissance de raccordement modifiable en 4 étapes (Positions I, II, III ou IV). Adaptation du niveau de charge en 4 étapes (100 / 90 / 80 / 70 %). Le réglage effectué à l'usine est de 100 % (Position I).
Si un cavalier est placé sur une autre rangée de broches, il en résulte un abaissement du niveau de chargement (la température de mise hors circuit du régulateur de charge électronique diminue).
2.2.3 Régulateur de charge électronique
Dysfonctionnement
Le régulateur de charge de l'appareil est réglé à l'usine sur « dysfonctionnement positif (80 % PS), c'est-à-dire qu'en cas de panne du module de gestion de la charge (ex. absence de signal de commande), l'appareil est tout de même chargé en totalité.
On peut passer en « dysfonctionnement négatif » (pas de charge de l'accumulateur de chaleur) en déplaçant le cavalier X16 sur la Position « 80 % NS » si l'appareil est branché sur un module de gestion numérique de la charge.
Fonctionnement avec module de gestion de la charge
Tenir compte des remarques correspondantes dans la notice d'utilisation et de montage du module de gestion de la charge.
Signal de commande
Le régulateur de charge électronique peut être branché sur différents signaux de commande (ED = durée de mise en circuit), ce qui permet de l'intégrer à des installations existantes.
Il est réglé à l'usine sur un signal de commande CA (signal de courant alternatif aux bornes A1/ A2 ) avec 80 % de durée de mise en circuit.
D'autres signaux de durée de mise en circuit (68/72, 37/40 %) peuvent être sélectionnés par déplacement du cavalier X16. Ceci est nécessaire lorsque l'appareil est intégré dans une installation existante qui gère la charge au moyen de l'un des signaux de durée de mise en circuit évoqués.

Raccordement au signal de commande CC (X3) (voir schéma électrique page 19)
Si l'installation est équipée d'un module de gestion de la charge à signal de commande CC (courant continu 0,91 V - 1,43 V), le signal de commande doit être branché sur les bornes de commande « CC + » (pôle positif) et « CC - » (pôle négatif) (tenir compte de la polarité !) recouvertes à l'usine.
Le signal de commande 230 V CA ne doit pas être branché aux bornes «CC +» et «CC -». Cela risquerait d'endommager le régulateur de charge.
Variantes de raccordement
①

②

③

④

5


text_image
A1 X15 X14 X16 80% PS 80% NS 68/72% 37/40 NS 2% -37/40 % X17 V4 X13 X12 X11 X10| Variantes de raccordement Modèle | Éléments chauffants 8h | ||||
| 1100 % | 291,6 % | 383,3 % | 475 % | 5100 % | |
| WSP 1210 F | 1,2 | 1,1 | 1,0 | 0,9 | 1,2 |
| WSP 1810 F | 1,8 | 1,65 | 1,5 | 1,35 | 1,8 |
| WSP 2410 F | 2,4 | 2,2 | 2,0 | 1,8 | - |
| WSP 3010 F | 3,0 | 2,75 | 2,5 | 2,25 | - |
| WSP 3610 F | 3,6 | 3,3 | 3,0 | 2,7 | - |
| WSP 4210 F | 4,2 | 3,85 | 3,5 | 3,15 | - |
| WSP 4810 F | 4,8 | 4,4 | 4,0 | 3,6 | - |
Témoin de fonctionnement/dysfonctionnement (V4) du régulateur de charge électronique
LED « vert » ⇒ pas de dysfonctionnement, le régulateur de charge fonctionne parfaitement.
LED « rouge» ⇒ dysfonctionnement
a) Le sélecteur de charge (R1) et/ou le capteur interne (B1) est défectueux ou non branché.
b) Le cavalier X17 servant à abaisser le niveau de charge manque.
La charge n'a pas lieu.
LED « orange » ⇒ dysfonctionnement (uniquement avec régulateur de décharge intégré)
a) le régulateur interne de décharge (A2) est défectueux.
b) le capteur de température ambiante (B2) est défectueux ou débranché.
La décharge n'a pas lieu.
c) le sélecteur de décharge (R2) est défectueux ou débranché.
La température ambiante est réglée sur env. 22 °C.
2.3 Consignes et réglementations
- Tenir compte de tout ce qui se trouve dans l'emballage !
- Respecter la réglementation concernant les bâtiments et les garages du pays concerné.
- La surface d'installation doit présenter une force portante suffisante.
En cas de doute, faire appel à un expert en bâtiments (poids de l'accumulateur de chaleur voir « Caractéristiques techniques »). - Respecter les distances minimales par rapport aux objets proches (ill. 2 et 2a).
- Tous les travaux de raccordement et d'installation électriques doivent être effectués conformément à la réglementation VDE (0100), aux consignes de l'opérateur énergétique et aux directives nationales et régionales.
- L'appareil doit pouvoir être déconnecté du réseau à tous les pôles par un dispositif supplémentaire doté d'une distance de coupure de 3 mm minimum. A cet effet, on peut utiliser des disjoncteurs, des fusibles etc.
- L'augmentation ultérieure de la puissance absorbée doit faire l'objet d'une nouvelle autorisation de l'opérateur énergétique. Si l'augmentation ultérieure de la puissance n'est pas signalée à l'opérateur énergétique, cela équivaut à une violation du contrat de fourniture de courant.
- Le matériel électrique doit être adapté à la consommation nominale des appareils.
- Tenir compte des indications figurant sur la plaque signalétique de l'appareil ! La tension indiquée doit concorder avec la tension du réseau.
- L'appareil doit être fixé pour répondre aux exigences VDE en matière de sécurité.
2.4 Montage
Pour répondre aux exigences VDE relatives à la sécurité du site d'installation, l'accumulateur de chaleur doit être maintenu par une fixation murale ou au sol (ill. 8).
Pour la fixation murale, un trou a été prévu à proximité du boîtier de commande permettant de faire passer une vis destinée à empêcher l'appareil de basculer.
Autre possibilité : percer 4 trous (∅ 9mm) dans les pieds de l'appareil pour le visser au sol ou aux socles si l'on utilise des socles (auparavant, démonter la grille de sortie et la grille d'entrée d'air ainsi que les canaux de circulation de l'air).
2.4.1. Site de montage
L'appareil ne doit pas
- être exposé à la poussière, aux produits chimiques, aux gaz ou aux vapeurs présentant un risque d'incendie ou d'explosion ;
- se trouver à proximité immédiate de conduites ou de récipients contenant des produits inflammables ou explosifs ;
- être utilisé à une distance inférieure aux distances minimales imposées par rapport aux objets proches.
Dans les pièces dans lesquelles il se dégage des gaz d'échappement, des odeurs d'huile ou d'essence, il peut se former des mauvaises odeurs persistantes et il y a, le cas échéant, des risques d'encrasse-ment.

Plancher
La surface d'installation de l'appareil doit être plane et présenter une force portante suffisante de manière à éviter toute déformation du corps de l'appareil.

Il faut garantir une résistance minimale à la température d'au moins 85 °C au mur d'installation et d'au moins 80 °C au plancher. Les appareils peuvent être installés sur tous les sols ordinaires, mais il faut toutefois tenir compte du fait que des modifications peuvent surgir au niveau des patins sur les sols en PVC, les parquets, les tapis à poils longs, sous l'effet du poids et de l'action de la chaleur. Il convient alors de recourir à des cales thermostables (non comprises dans la fourniture).
2.4.2 Fixation à l'aide de supports muraux
Avant d'installer l'appareil, visser deux fixations murales (26) en tenant compte des écarts de sécurité au mur (pour les cotes se reporter aux « Caractéristiques techniques » page 9). Pour ce type de montage, tenir compte des points suivants :
Si le mur présente une force portante suffisante, l'appareil peut être fixé au mur par les fixations jointes à la fourniture.
Remarques :
WSP 1210 F à WSP 3610 F = éloignement du sol uniquement possible avec fixation murale ; WSP 4210 F et WSP 4810 F = éloignement du sol uniquement par combinaison d'une fixation murale et d'un soutien auxiliaire.
Attention!
Vérifier si le mur et les vis et chevilles comprises dans la fourniture sont capables de supporter le poids de l'appareil.
Si la force portante du mur est limitée, le modèle WSP 1510 S ne peut être éloigné du sol que par une fixation murale combinée à un soutien auxiliaire (accessoire en option).
2.4.3 Installation avec socle
En l'absence de mur approprié à la fixation de l'appareil, fixer l'appareil au sol par l'intermédiaire d'un socle (accessoire en option) (vissage appareil/socle et socle/plancher).
2.5 Montage de l'appareil (ill. 3-14)
Avant de fixer l'appareil, veiller à respecter les distances minimales autorisées par rapport aux objets proches.
Deux fixations murales se trouvent au dos de l'appareil. Les retirer avant le montage.
2.5.1 Installation de l'appareil (ill. 3-6)
- Dévisser la grille de sortie d'air (5) et la déposer avec la grille d'entrée d'air ;
- Dévisser la paroi avant (4) à l'arête inférieure, la faire basculer vers l'avant et la décrocher à l'arête supérieure après l'avoir soulevée légèrement.
- Dévisser la paroi avant (8) sur les profils latéraux, faire basculer l'extrémité supérieure vers l'avant et tirer vers le haut ;
- Soulever légèrement la paroi latérale droite (3) et la retirer ;
- Brancher les câbles de raccord au secteur ainsi que les câbles de raccordement du régulateur de charge et de décharge en les introduisant par l'orifice dans la paroi arrière de l'appareil (15) tout en tenant compte de l'énoncé du point 2.5.2 (décaler le câble de raccordement d'env. 210 mm, le raccourcir au besoin de manière à ce qu'il ne touche pas les fentes d'aération de la paroi latérale);
- Monter l'appareil comme indiqué au point 2.4 ;
- Retirer la tôle de recouvrement (10), le remplissage en carton, le bouton de commande et les fournitures (vis et douilles) se trouvant à l'intérieur (ill. 9). L'intérieur de l'appareil doit être entièrement exempt de corps étrangers tels que résidus d'emballage, etc.

Vérifier que l'isolation thermique de l'appareil n'a pas été endommagée au cours du transport, la remplacer si nécessaire.
Mise en place des pierres d'accumulation (ill. 10 et 11)
Les pierres d'accumulation sont livrées dans un emballage séparé.
Les pierres d'accumulation légèrement endommagées au cours du transport peuvent être utilisées.
Cela n'aura aucune incidence sur le bon fonctionnement de l'appareil.
Pour mettre en place les pierres d'accumulation (9) soulever légèrement (ill. 10) les éléments chauffants (17).
Poser la première pierre d'accumulation avec les rainures destinées à recevoir les éléments chauffants tournées vers le haut, à quelque distance de l'isolation thermique droite, sous l'élément chauffant et la pousser vers l'isolation thermique droite et arrière. Les trous oblongs constituent les canaux de chauffe.
En soulevant les éléments chauffants veiller à ce que les orifices percés dans les isolations thermiques latérales ne soient pas élargis par les éléments chauffants.
Puis insérer la tôle de recouvrement (10) retirée de l'intérieur de l'appareil sur la couche supérieure de pierres d'accumulation (ill. 12).
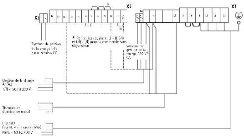
2.5.2 Raccordement électrique
Le raccordement électrique des éléments chauffants se fait avec 3/N/PE \~ 50 Hz 400 V et également avec 1/N/PE \~ 50 Hz 230 V sur les modèles WSP 1210 F et WSP 1810 F.
Le raccordement direct par NYM est possible. Le nombre des câbles d'amenée et des brins de câbles ainsi que les sections des câbles dépendent de la valeur de raccordement de l'appareil et du type de raccordement au secteur ainsi que d'éventuelles prescriptions de l'opérateur énergétique. Tenir compte des schémas des connexions correspondants.
Si l'accumulateur est raccordé à un module de gestion automatique de la charge, il peut être sous tension aux bornes A1/Z1 – A2/Z2 bien que les fusibles soient retirés.

Raccordement
Libérer les câbles électriques d'une éventuelle traction et les brancher conformément au schéma des connexions électriques de l'appareil (sur la face interne de la paroi latérale droite) ou au schéma des raccordements qui se trouve à côté.
Si la tôle logée dans le boîtier de commande, destinée à recevoir les borniers secteur, est difficile d'accès en raison d'un écart latéral trop juste, on peut la faire pivoter vers l'avant en desserrant la vis (ne pas dévisser) de la paroi arrière.
Pendant la charge, la borne « L » du bornier X2 doit être sous tension (230 V).
En l'absence d'une alimentation en courant séparée, il est possible de ponter la borne « L1 » et la borne « L ». Dans ce cas il faut également ponter la borne « N » du bornier X2 à la borne « N » du bornier X1 (uniquement avec un thermostat d'ambiance mural).
Veiller à un raccordement correct à la terre !
Avant d'être branché dans l'appareil, le câble de raccordement d'un signal de commande CC doit être recouvert d'une gaine isolante depuis la décharge de traction jusqu'à la borne de raccordement.

Commande sans disjoncteur
En l'absence de disjoncteur (prévu par l'opérateur énergétique), il est possible d'utiliser le relais thermique intégré à l'usine dans l'accumulateur.
Il faut alors brancher les signaux de l'opérateur « LF » et « N » ou les signaux « SH » et « N » du module de gestion de la charge correspondant directement aux bornes « L-SH » et « N » de l'accumulateur de chaleur. Tenir compte des remarques signalées par un * dans le schéma des raccordements.

* Retirer les cavaliers (L) - (L-SH) et (N) - (N) pour la commande sans disjoncteur

Les éléments chauffants de l'appareil ne seront pas mis en circuit avant que l'opérateur énergétique n'ait délivré son autorisation de charge (LF) et que le régulateur de charge électronique autorise la charge.
En fonctionnement « unifilaire »**, poser un cavalier entre « N » et « A2/Z2 »!
Adapter la puissance en fonction de la durée nominale de charge
La puissance de raccordement peut être adaptée à la durée nominale de charge de l'opérateur énergétique par déplacement ou retrait de cavaliers aux bornes.
| Version d'éléments chauffants | 8h | ||
| Durée de charge nominale | 8h | 9h | 10h |
| Variantes de raccordement (kW) Modèle | 1 | 2 | 3 |
| WSP 1210 F | 1,2 | 1,1 | 1,0 |
| WSP 1810 F | 1,8 | 1,65 | 1,5 |
| WSP 2410 F | 2,4 | 2,2 | 2,0 |
| WSP 3010 F | 3,0 | 2,75 | 2,5 |
| WSP 3610 F | 3,6 | 3,3 | 3,0 |
| WSP 4210 F | 4,2 | 3,85 | 3,5 |
| WSP 4810 F | 4,8 | 4,4 | 4,0 |
1

text_image
8 h 9 h 10 h 100 % P nom. (câblage série) L2 L3 L12 X1 N L3 L2 L1 3/N/PE ~ 50 Hz 400 V②

text_image
91,6 % P nom. L2 L3 L4 X1 L2 L5 N 3/N/PE ~ 50 Hz 400 V③

text_image
83,3% P 83,3% P nom. L2 L12X1 L2 L3N 3/N/PE ~ 50 Hz 400 VPlaque signalétique
Tenir compte de la désignation figurant sur le schéma des connexions et la plaque signalétique !
Après le raccordement électrique, faire une croix au stylo bille indélébile dans la case correspondant à la puissance de raccordement et à la durée nominale de charge de l'appareil sur la plaque signalétique de l'appareil et le schéma des connexions de la présente notice de montage.
2.5.3 Appareil en état de fonctionnement
Nettoyage de l'appareil (ill. 13 et 14)
Il convient de nettoyer l'appareil ouvert une fois son installation achevée et les pierres d'accumulation en place.
A cet effet, démonter également la soufflante et les canaux de circulation de l'air
- Dévisser les canaux de circulation de l'air (16).
- Une fois les vis situées sur la face avant des équerres de fixation desserrées (non dévissées), soulever la soufflante (18) et la retirer (attention au positionnement du câble !).
Sur certains appareils, il faut pour ce faire dévisser le thermostat – Décharge (19), y compris la tôle de fixation.
En déposant les pièces démontées, faire attention à ne pas endommager les fils.
- Nettoyer la tôle du fond et les ventilateurs (veiller à ne pas endommager les pales !) Puis reposer les ventilateurs, éventuellement le limiteur de température ainsi que les canaux de circulation de l'air (positionnement correct du câble !).
Fermer l'appareil (ill. 15 et 16)
- Poser les arêtes latérales du bas de la paroi avant interne munie de son isolation sur les profilés d'appui. Appuyer en haut sur l'appareil et visser la paroi sur celui-ci (sur WSP 4210 F et WSP 4810 F, vis supplémentaire au centre de l'appareil) ;
- Accrocher la paroi latérale droite en bas, la faire basculer vers le haut. L'accrocher en haut et la fixer à l'aide d'une vis ; (opération inverse voir 2.5.1 - Démontage de la paroi droite, ill. 6).
- Accrocher la paroi avant en haut, la faire basculer en bas sur l'appareil et la fixer à l'aide de 2 vis (utiliser les trous internes) (ill. 15) ;
- Visser la grille de sortie d'air. Pour ce faire, serrer les vis à la main et desserrer d'environ un tour (ill. 16) ;
- Placer le bas de la grille d'entrée d'air à l'oblique sur les encoches du fond de l'appareil, la faire basculer vers le haut et l'insérer dans les encoches derrière la grille de sortie d'air (ill. 16).
Schéma des raccordements ...
... avec thermostat d'ambiance intégré RTi 102 E/RTi 103 EP

text_image
X3 T4 LE LH LF N S N L > + Système de gestion de la charge Tres basse tension CC Retirer les cavaliers (L) - (L-50) et [N] - [N] pour la commande sans disjoneteur Systeme de gestion de la charge 290 V CX Gestion de la charge A1/A2 1/N ~ 50 Hz 230 V L1/L2/L3 (event, via le disjoneteur) N/Pt ~ 50 Hz 400 V X2 N L N E J 2 I L1 L2 L3 X1... avec thermostat d'ambiance mural

text_image
X3 + - T R L E U L E N N N N L Système de gestion de la charge très base tension CC * Retirer les cavaliers (L) - (L SH) et (N) - (N) pour la commande sans disjoncteur X2 N L N L E J 2 1 L1 L2 L1 Système de gestion de la charge 230 V² CA Gestion de la charge A1/A2 1/N ~ 50 Hz 230 V Thermostat d'ambiance mural 11/9/2/13 (vent, via le disjonacteur) N/PE ~ 50 Hz 400 V X1... avec raccord monophasé (maxi. 2 kW

... en cas de remplacement d'un accumulateur ancien, avec thermostat d'ambiance mural et absence d'alimentation en courant diurne
Tenir compte ici du fait que le thermostat d'ambiance et le module de gestion de la charge en fonction des conditions atmosphériques sont branchés sur le même interrupteur de protection contre les courants de court-circuit que l'unité de charge.
S'il existe plusieurs interrupteurs de protection contre × × les courants de court-circuit, le « N » du relais thermique K1 doit être placé sur le « N » du module de charge et le fil 3 du connecteur enfichable X10 doit passer de l. à L1 (voir le schéma des connexions page 19)


text_image
N1 L N L2 N0 F1 N0 L2 L3 X1 ** Commande unifilaire *2.6 Première mise en service

Danger de court-circuit Régulateur de charge
Lors de la mesure de tension aux contacts du relais thermique, risque de destruction du régulateur de charge en cas de court-circuit à la masse (glissement des pointes d'essai).
Le témoin reste sur « vert » !
2.6.1 Contrôle de fonctionnement
Contrôler le fonctionnement de la soufflante de l'élément d'accumulation en mettant en marche le thermostat d'ambiance.
2.6.2 Charge
Une fois le contrôle de fonctionnement achevé, les appareils peuvent être mis en service sans préchauffage. La charge s'effectue soit manuellement par le biais du régulateur de charge mécanique ou automatiquement avec la gestion de charge Elfamatic disponible.
Au cours du premier chargement, relever la valeur de chargement en kWh et la comparer au chargement maximum autorisé à froid indiqué dans les « Caractéristiques techniques ». La valeur de charge relevée ne doit pas dépasser la charge maximum autorisée à froid.
Une odeur peut se dégager lors de la première charge, il convient donc d'aérer suffisamment la pièce (1,5 renouvellement de l'air, fenêtre basculée par ex.). Dans une chambre à coucher, ne pas procéder à la première charge pendant le sommeil.

2.7 Réparation, modification de l'appareil
La réinstallation d'un appareil désassemblé à des fins de réparation ou déjà en service à un autre emplacement s'effectue, comme pour la première mise en service, conformément à la présente notice de montage.
Dans ces cas là, veiller particulièrement aux points suivants : remplacer les éléments de l'isolation thermique sur lesquels vous constatez des dommages ou des altérations susceptibles de nuire à la sécurité. Avant la mise en service, effectuer un contrôle de l'isolation et mesurer la prise de courant nominale.
2.7.1 Réparation, modification de l'appareil
Pour les travaux de transformation, d'extension et d'encastrement, consulter les instructions jointes aux lots de pièces concernés.
2.8 Remise à l'utilisateur
Expliquer le fonctionnement de l'appareil à l'utilisateur. Attirer tout particulièrement son attention sur les consignes de sécurité.
Remettre la notice d'utilisation et de montage à l'utilisateur.

text_image
AEG WSP 4810 F N° E N956 043 260 264,5 kg 2000004 3/N/PE AC - 00V 50Hz 3,60 4,00 4,40 4,80 kW h 1/N/PE CA 230V 50Hz 1,7 kW 28 W Made in GermanySymboles de la plaque signalétique (exemple WSP 4810 F)

text_image
Poids total Charge Décharge Chauffage auxiliaire VentilateurSchéma électrique WSP 1210 - 4810 F
A1: Régulateur électronique de charge
B1: Capteur de température interne - Charge
E1 - E6: Eléments chauffants (accumulateur)
F1: Limiteur de température
F2: Fusible (250 V 2A à action retardée)
K1: Relais thermique
M1 - M3: Soufflante Décharge
N4: Limiteur de température - Charge
N5: Limiteur de température - Décharge
R1: Régulateur - Charge (sélecteur)
V4: Témoin de fonctionnement en mode secours
X1: Bornier secteur
X2: Bornier
X3: Bornes CC 0,91 - 1,43 V
X16: Adaptation du signal de commande en 4 étapes
X17: Réducteur de puissance en 4 étapes
Accessoires optionnels
non compris dans le volume de la fourniture, mettre une croix en face de l'accessoire monté

Thermostat d'ambiance intégré 2 points Thermostat Thermostat d'ambiance intégré proportionnel
A2: Régulateur électronique de décharge
B2: Capteur de température d'ambiance - Décharge
R2: Régulateur - Décharge (sélecteur)
S2 : Interrupteur MARCHE/ARRET du thermostat d'ambiance

Chauffage auxiliaire
E8: Eléments chauffants auxiliaires
N2: Thermostat – Chauffage auxiliaire
N3: Thermostat - Chauffage auxiliaire
S1: Interrupteur MARCHE/ARRET - Chauffage auxiliaire
Lors du montage du chauffage auxiliaire (E8), tenir compte de la puissance de rupture autorisée du thermostat d'ambiance !

text_image
R2 X21 A2 X23/N X23/LE B2 X20 X22 X23/LE X23/TA Régulateur de décharge électronique S1 X25 TA L L L L N X2 S2 R1 X11 X14, X15 X10/5 (swl) X10/4 (brl) X10/3 (swl) X10/N (bl) X10/2 (brl) X10/1 (swl) X18 X17 V4 V6 A1 Régulateur de charge électronique Signal de gestion de charge CC Signal de gestion de charge 230 V CA Circuit de commande 1/N/PE AC 50 Hz 230 V * pour le raccordement d'un RT externe * 100 % P nom. 3/N/PE AC 50 Hz 400 V 91,6 % P nom. 3/N/PE AC 50 Hz 400 V 83,3 % P nom. 3/N/PE AC 50 Hz 400 V 75 % P nom. 3/PE AC 50 Hz 400 V 1/N/PE AC 50 Hz 230 VAttention ! Sur le 3/PE AC 50 Hz 230 V secteur
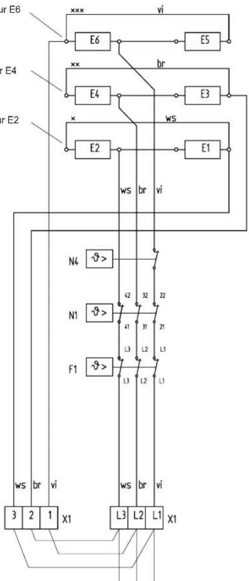
Il est nécessaire de modifier le câblage d'origine de l'accumulateur de chaleur !
Schéma électrique du 3/PE AC 50 Hz 230 V
Il est nécessaire de modifier le câblage d'origine comme ci-dessous !
xxx Débrancher le fil vi (violet) de E2 et le brancher sur E6
xx Débrancher le fil br (brun) de E6 et le brancher sur E4
x Débrancher le fil ws (blanc) de E4 et le brancher sur E2
E1 - E6: éléments chauffants (accumulateur)
F1: limiteur de température de sécurité
N1: limiteur de température - charge
N4: limiteur de température - charge
X1: borne secteur
Les ponts doivent être posés au cours de l'installation.

flowchart
graph TD
subgraph Control Circuit
direction TB
A["3"] --> B["2"] --> C["1"] --> D["X1"]
E["4"] --> F["L3"] --> G["L2"] --> H["L1"] --> I["X1"]
J["5"] --> K["L3"] --> L["L2"] --> M["L1"] --> N["X1"]
O["6"] --> P["L3"] --> Q["L2"] --> R["L1"] --> S["X1"]
T["7"] --> U["L3"] --> V["L2"] --> W["L1"] --> X["X1"]
Y["8"] --> Z["L3"] --> AA["L2"] --> AB["L1"] --> AC["X1"]
AD["9"] --> AE["L3"] --> AF["L2"] --> AG["L1"] --> AH["X1"]
AI["10"] --> AJ["L3"] --> AK["L2"] --> AL["L1"] --> AM["X1"]
AN["11"] --> AO["L3"] --> AP["L2"] --> AQ["L1"] --> AR["X1"]
AS["12"] --> AT["L3"] --> AU["L2"] --> AV["L1"] --> AW["X1"]
AX["13"] --> AY["L3"] --> AZ["L2"] --> BA["L1"] --> BB["X1"]
BC["14"] --> BD["L3"] --> BE["L2"] --> BF["L1"] --> BG["X1"]
BH["15"] --> BI["L3"] --> BJ["L2"] --> BK["L1"] --> BL["X1"]
BM["16"] --> BN["L3"] --> BO["L2"] --> BP["L1"] --> BQ["X1"]
BR["17"] --> BS["L3"] --> BT["L2"] --> BU["L1"] --> BV["X1"]
BW["18"] --> BX["L3"] --> BY["L2"] --> BZ["L1"] --> CA["X1"]
CB["19"] --> CC["L3"] --> DD["L2"] --> DP["L1"] --> DPX["X1"]
DZ["XX"] --> DA["br"]
DB["BR"] --> DC["br"]
DV["BR"] --> DW["br"]
DX["BR"] --> DX["br"]
DXB["BR"] --> DXB["br"]
DXC["BR"] --> DXC["br"]
DXD["BR"] --> DXD["br"]
DXE["BR"] --> DXE["br"]
DXF["BR"] --> DXF["br"]
DXG["BR"] --> DXG["br"]
DXH["BR"] --> DXH["br"]
DXI["BR"] --> DXI["br"]
DXJ["BR"] --> DXJ["br"]
DXK["BR"] --> DXK["br"]
DXL["BR"] --> DXL["br"]
DXM["BR"] --> DXM["br"]
DXN["BR"] --> DXN["br"]
DXO["BR"] --> DXO["br"]
DXP["BR"] --> DXP["br"]
DXQ["BR"] --> DXQ["br"]
DXR["BR"] --> DXR["br"]
DXS["BR"] --> DXS["br"]
DXT["BR"] --> DXT["br"]
DXU["BR"] --> DXU["br"]
DXV["BR"] --> DXV["br"]
DXW["BR"] --> DXW["br"]
DXX["BR"] --> DXX["br"]
DXY["BR"] --> DXY["br"]
DXZ["BR"] --> DXZ["br"]
DXYb["BR"] --> DXYb["br"]
DXYc["BR"] --> DXYc["br"]
DXYd["BR"] --> DXYd["br"]
DXYe["BR"] --> DXYe["br"]
DXYf["BR"] --> DXYf["br"]
DXYg["BR"] --> DXYG["br"]
DXYh["BR"] --> DXYGb["br"]
DXYi["BR"] --> DXYGc["br"]
DXYj["BR"] --> DXYGd["br"]
DXYk["BR"] --> DXYGe["br"]
DXYl["BR"] --> DXYGf["br"]
DXYm["BR"] --> DXYGg["br"]
DXYn["BR"] --> DXYN["br"]
DXYO["BR"] --> DXYNb["br"]
DXYP["BR"] --> DXYPb["br"]
DXYS["BR"] --> DXYSb["br"]
DXYSb --> DXYSb["b"]
end
subgraph Control Circuit
direction LR
A
B
C
D
E
F
G
H
I
J
K
L
M
N
O
P
Q
R
end
3/PE AC 50 Hz 230V
3. Environnement et recyclage
Nous vous demandons de nous aider à préserver l'environnement. Pour ce faire, merci de vous débarrasser de l'emballage conformément aux règles nationales relatives au traitement des déchets.
Garantie
La garantie est à faire valoir dans le pays où l'appareil a été acheté. A cette fin, veuillez prendre contact avec la filiale AEG concernée, à défaut l'importateur agréé.
Le montage, les raccordements, la maintenance ainsi que la première mise en service sont à réaliser par un installateur qualifié.
Le fabricant ne saurait être rendu responsable des dommages causés par un appareil qui n'aurait pas été installé ou utilisé conformément à la notice de montage et d'utilisation jointe à l'appareil.
| 8h-verwarmingselement | |||||
| Aansluitvarianten Model | 1100 % | 291,6 % | 383,3 % | 475 % | 5100 % |
| WSP 1210 F | 1,2 | 1,1 | 1,0 | 0,9 | 1,2 |
| WSP 1810 F | 1,8 | 1,65 | 1,5 | 1,35 | 1,8 |
| WSP 2410 F | 2,4 | 2,2 | 2,0 | 1,8 | - |
| WSP 3010 F | 3,0 | 2,75 | 2,5 | 2,25 | - |
| WSP 3610 F | 3,6 | 3,3 | 3,0 | 2,7 | - |
| WSP 4210 F | 4,2 | 3,85 | 3,5 | 3,15 | - |
| WSP 4810 F | 4,8 | 4,4 | 4,0 | 3,6 | - |
Notice Facile
