WSP 3610 F - Chauffage AEG - Notice d'utilisation et mode d'emploi gratuit
Retrouvez gratuitement la notice de l'appareil WSP 3610 F AEG au format PDF.
| Caractéristiques | Détails |
|---|---|
| Type d'appareil | Contrôle climatique |
| Capacité de déshumidification | 36 L/jour |
| Surface recommandée | Jusqu'à 120 m² |
| Température de fonctionnement | 5°C à 35°C |
| Niveau sonore | 45 dB |
| Dimensions (L x P x H) | 380 x 300 x 590 mm |
| Poids | 15 kg |
| Fonctionnalités supplémentaires | Affichage numérique, mode silencieux, fonction de redémarrage automatique |
| Entretien | Nettoyage régulier du filtre, vidange du réservoir d'eau |
| Consommation énergétique | Classe énergétique A |
| Garantie | 2 ans |
FOIRE AUX QUESTIONS - WSP 3610 F AEG
Questions des utilisateurs sur WSP 3610 F AEG
0 question sur cet appareil. Repondez a celles que vous connaissez ou posez la votre.
Poser une nouvelle question sur cet appareil
Téléchargez la notice de votre Chauffage au format PDF gratuitement ! Retrouvez votre notice WSP 3610 F - AEG et reprennez votre appareil électronique en main. Sur cette page sont publiés tous les documents nécessaires à l'utilisation de votre appareil WSP 3610 F de la marque AEG.
MODE D'EMPLOI WSP 3610 F AEG
Accumulateurs de chaleur
Notice d'utilisation et de montage
WSP 1210 F, WSP 1810 F,
WSP 2410 F, WSP 3010 F,
WSP 3610 F, WSP 4210 F,
WSP 4810 F
Warmte accumulator
platte série
1. Notice d'utilisation
A l'intention de l'utilisateur
1.1 Description de l'appareil 39
1.2Commande 39
1.3 Consignes de securite 40
1.4 Entrelien et maintenance 40
1.5 Rcmargue imporantets 41
Que faire si ...? 47
2. Notice de montage
A l'intention de l'installateur
2.1 Caracteristiques techniques 42
2.2 Description de l'appareil 44
2.3 Consignes et reglementations 46
2.4 Site de montage 46
2.5 Monlage de l'appareil 47
2.6 Première mise en service 51
2.7 Reparation, modification de l'appareil 51
2.8 Remise à l'utilisateur 51
3. Environnement et recyclage 54
English
Table of Contents
Für den Installateur



| 8h-Heizkörper | |||||
| Anschlussvarianten Modell | 100% | 291,6% | 383,3% | 475% | 5100% |
| WSP 1210 F | 1,2 | 1,1 | 1,0 | 0,9 | 1,2 |
| WSP 1810 F | 1,8 | 1,65 | 1,5 | 1,35 | 1,8 |
| WSP 2410 F | 2,4 | 2,2 | 2,0 | 1,8 | - |
| WSP 3010 F | 3,0 | 2,75 | 2,5 | 2,25 | - |
| WSP 3610 F | 3,6 | 3,3 | 3,0 | 2,7 | - |
| WSP 4210 F | 4,2 | 3,85 | 3,5 | 3,15 | - |
| WSP 4810 F | 4,8 | 4,4 | 4,0 | 3,6 | - |
1. Notice d'utilisation
1.1 Description de l'appareil
Les accumulateurs de chaleur permettent d'emmagasiner la chaleur produit par le courant électricque au cours des plages horaires à tarif réduit (en fonction de l'opérateur énergétique, la plupart du temps pendant la nuit). Cette chaleur est ensuite restituee sous forme d'air chaud par le biais d'une souflante ou, dans une moindre mesure, par la surface de I'appareil en fonction de la température souhaitée.
1.2 Commande
L'appareil est commandé à partir du panneau de commande (1) situé sur la paroi latérale droite (ill. 1).
1.2.1 Accumulation de chaleur
Le niveau d'accumulation de la chaleur (charge) est choisi à l'aide du selecteur (ill. 17).
Il faut ici faire la distinction entre le fonctionnement des accumulateurs de chaleur avec ou sans module de gestion centralisée de la charge en fonction des conditions atmosphériques (se trouve au bas de l'appareil).
En l'absence d'un module de gestion centralisée de la charge en fonction des conditions atmosphériques (mode manuel, ill. 18), régler le selecteur comme suit :
- = absence de charge
1 = période de transition (printemps/été) - correspond à env. 1/3 de la charge totale
2 = hiver doux - correspond à env. 2/3 de la charge totale
3 = hiver - correspond à la charge totale
Après une courte période de familiarisation, vous trouvez facilement le réglage qui vous convient.
Avec un module de gestion centralisée de la charge en fonction des conditions atmosphériques (mode automatique), le sélection doit se couver en position 3. C'est alors le module de gestion de la charge en fonction des conditions atmosphériques qui veillera à la charge appropriée.
Toutefois, la presence de ce module de gestion de la charge n'empêche pas le recours à l'adaptation manuelle au moyen du sélecteur pour assurer un réglage modulé des accumulateurs de chaleur individuels.
Tenir compte ici de la notice d'utilisation et de montage du module de gestion de la charge ou de l'unité de commande centralisée.
1.2.2 Emission de chaleur
L'émission de chaleur (décharge) est régée par un thermostat d'ambiance AEG (accessoire en option) mural ou intégré à l'appareil.
Régler la température souhaïée au thermostat d'ambiance qui, à son tour, module automatiquement l'émission de chaleur par le biais de la soufflante, de manière à étabir une température constante.
Les jours de grand froid, il est conseilé de laisser fonctionner le thermostat d'ambiance en cas d'une absence prolongée de manière à dévelopir la température de la pierce à env. 10^ et à protégger ainsi le bâtiment ou la pierce contre le refroidissement (hors-gel).
1.3 Consignes de sécurité

L'appareil ne doit pas
-
être exposé à la poussière, aux produits chimiques, aux gaz ou aux vapeurs représentant un risque d'incendie ou d'explosion ;
-
se couver à proximé immediate de conduites ou de réciPIents contenant des produits inflam-mables ou exposifs;
-
être utilisé à une distance inférieure aux distances minimales imposées par rapport aux objets proches.
-
Le montage (installation électrique) ainsi que la première mise en service et la maintenance de cet apparéil doivent être effectuels par un spécialiste/agree conformément aux générées instructions.
-
Il ne faut enaucun casutiliser l'appareil lorsque des travaux de pose,de ponçage, de vitrification, de nettoyage a I'essence ou d'entretien (aerosol, encaustique) des sols ou similaires sont effectues dans la meme piece.
Avant la charge, veiller à aérer convenablement la piece.
- Les surfaces du corps de l'appareil ainsi que la grille de sortie d'air peuvent atteindre des températures supérieures à 80 °C. C'est pourquoit il est interdit de poser sur l'appareil ou à proximite immediate des objets combustibles, inflammables ou isolants pas plus que des tissus, que ce soit du linge, des couvertures, du papier, des recipients replis d'encaustique ou d'essence, des bombes aerosol ou similaires. Ne jamais faire secher de linge sur l'appareil. Risque d'incendie!
Pour les objets de toute nature comme par ex. les meubles, ridesaux et textiles ou autres matieres inflammables ou non, veiller a respecter les distances minimales suivantes (ill. 2) par rapport a l'appareil, notamment à la grille de sortie d'air ..
par rapport à la grille de sortie d'air 500~mm par rapport à la paroi laterale droite (espace de montage) 100mm par rapport à la paroi laterale gauche 70mm par rapport à la paroi laterale gauche 70mm par rapport à la paroi laterale gauche lorsque 2 accumulateurs
se trouvent I'un a coté de I'autre 100mm par rapport au capot (ex. rebord de fenetre) 40mm par rapport au capot (rideaux, voilages, materiaux inflammables) 100mm L'air chaud doit pouvoir etre evacué sans encombre (ill. 19)!
- Dans les locaux à usage professionnel (hôtels, résidences de vacances, écoles, etc.), apposer l'autocollant joint à la présente notice d'utilisation et de montage « Ne rien poser ou appuyer contre cet apparéil » de manière bien visible sur le capot de l' apparéil.
1.4 Entretien et maintenance
S'il apparait de lagères taches brunâtres à la surface de l'appareil, les faire disparaitre le plus rapidement possible à l'aide d'un chiffon humide.
Attendre que l'appareil soit froid pour le nettoyer avec un produit d'entretien d'usage courant.
Ne pas utiliser de produits abrasifs.
Ne pas introduire de produit en bomber aerosol dans les fentes d'airation.
Faire vérifier tous les deux ans le canal d'air situé derrière la grille de sortie d'air (5) par un spécialiste. Cet endroit est susceptible de s'encrasser légerement.
Il est conseilé de profiter de la maintenance régulière pour faire vérifier les organes de contrôle et de réglage. Les organes de sécurité, de contrôle et de réglage ainsi que l'ensemble du système de gestion de la charge et de la décharge doivent être vérifiés par un spécialiste au plus tard 10 ans après la première mise en service.
1.4.1 Nettoyage du filtré (ill. 3)
Le filtré (7) de la grille d'entrée d'air (6) doit être nettoyé régulièrement pour que la décharge de l'accumulateur de chaleur puisse se faire sans problème.
Par contre, si le filtré est encrassé, les ventilateurs s'arrêtent.
Pour nettoyer le filtré, proceder comme suit :
-
pousser légerement la grille de sortie d'air (6) des deux cots vers le bas, faire basculer sa partie supérieure vers le haut et la retarder ;
-
séparer le filtré de la grille avec un tournevis par ex. et le nettoyer avec une brosse, un aspirateur ou similaire;
replacer le filtré dans la grille et l'insérer dans les encoches;
- placer la partie inférieure de la grille d'entrée d'air en biais sur les encoches situées sur le fond de l'appareil et l'insérer sous la grille de sortie d'air en poussant légarement (ill. 16).
1.5 Remarque importante

Conserver avec soin cette notice pour pouvoir la remetre, le cas échéant, au nouveau propriétaire. La mesure à disposition du spécialiste charge d'effectuer l'entretien de l'appareil.
Que faire si ... ?
| A l'intention de l'utilisateur | A l'intention du spécialiste | |
| · l'accumulateur ne se réchauffe pas | Vérifier si ... ... le sélecteur est en position 3. ... les fusibles correspondant logés dans le boîtier à fusibles sont défectueux ou si l'inter-rupteur de protection contre les courants de court-circuit est intervenu. Remédier à ce problème! Si l'accumulateur n'est pas encore chaud le lendomain, appeler un spécialiste. | Vérifier si ... ... la commande du disjoncteur des éléments chauffants fonctionne convenablement. ... les bornes L1/L2/L3 sont sous tension. ... le limiteur de température (F1) s'est déclenché. |
| · la température du corps de l'accumulateur est anormale-ment élevé même en cas de température extérieure douce. | Vérifier si ... ... la soufflante est activée par le thermostat d'ambiance. Dans le cas contraire, faire appel à un spécialiste. ... le filtrde de la grille d'entrée d'air est bouché. Remédier à ce problème selon le point 1.4.1! | Vérifier si ... ... le thermostat d'ambiance est activé et si la borne LE est sous tension. ... les souflantes tournent. ... le régulateur de température (N5, voir page 3, ill. 1) de la sortie d'air est hors circuit. ... le signal de commande Z1 du module de gestion de la charge a été reçu à la borne A1/Z1 de l'accumulateur. |
2. Notice de montage
2.1 Caracteristiques techniques



L'installation et le raccordement électrique doivent être effectuels par un spécialiste conformément aux générées instructions de montage.
| WSP1210 F | WSP1810 F | WSP2410 F | WSP3010 F | WSP3610 F | WSP4210 F | WSP4810 F | |
| Largeur « l » mm | 580 | 741 | 902 | 1063 | 1224 | 1385 | 1546 |
| Poids(avec les pierres) kg | 73,5 | 106 | 137,5 | 169 | 201 | 232,5 | 264,5 |
| Distance « X »(fixation au sol) mm | 402 | 563 | 724 | 885 | 1046 | 1207 | 1368 |
| Distance « A »(fixation murale page 10) mm | 337,5 | 498,5 | 659,5 | 820,5 | 981,5 | 1142,5 | 1303,5 |
| Raccordement | * | * | 3/N/PE ~ 50 Hz 400 V | ||||
| Puisance kW | 1,2 | 1,8 | 2,4 | 3,0 | 3,6 | 4,2 | 4,8 |
| Charge de mesure kWh | 9,6 | 14,4 | 19,2 | 24,0 | 28,8 | 33,6 | 38,4 |
| Charge maxi. PHkWh | 10,8 | 16,2 | 20,7 | 25,9 | 31,3 | 38,8 | 43,8 |
| Pierres d'accumulation | |||||||
| Nbre de paquets (pierres) Unité | 6 (12) | 9 (18) | 12 (24) | 15 (30) | 18 (36) | 21 (42) | 24 (48) |
| Poids des pierres kg | 50 | 76 | 101 | 126 | 151 | 176 | 202 |
| Chauffage auxiliaire (accessoire en option) | |||||||
| Puisance kW | 0,35 | 0,5 | 0,8 | 1,0 | 1,2 | 1,5 | 1,7 |
- WSP 1210 F et WSP 1810 F peut aussi être branché avec 1/N/PE ~ 50 Hz 230 V



2.2 Description de l'appareil (page 3, ill. 1)
1 Panneau de commande
2 Capot
3 Paroi laterale droite
4 Paroi avant
5Grille de sortie d'air
6Grille d'entree d'air
7 Filtre
8 Paroi avant interne
9 Pierres d'accumulation
10 Tôle de recouvrement
11 Isolation thermique
12 Isolation thermique du fond
13 Buse
14 Canal d'air
15 Passe-cable
16 Canaux de circulation de l'air
17 Element chauffant
18 Soufflante
19 Regulateur de tempereature - Decharge (N5)
20 Regulateur de temperature - Charge (N4)
21 Limiteur de température (F1)
26 Fixation murale
A1: Regulateur electronic de charge (page 12)
V4: Témoin de fonctionnement/dysfonctionnement
X16 Adaptation du signal de commande en 4 étapes
X17 Reducteur du niveau de charge en 4 etapes
2.2.1. Fonctionnement
Les pierres d'accumulation sont rechauffees par les éléments chauffants places entre les rangiées de pierres. La charge est reglee en continu à l'aide du régulateur de charge (selecteur, ill. 17)
Le demarrage et la durée de la charge sont déterminés par l'opérateur énergétique concerné.
Deux régulates de température intégrés (19, 20) ainsi qu'un limiteur de température (21) empêchent une surchauffe de l'appareil. Alors que les régulates de température se remettent en marche automatiquement, le limiteur de température sera réactivé par le spécialiste après réparation par pression exercée sur le bouton situé au centre du limiteur.
La chaleur accumulée est ensuite diffusée par la soufflante mais également par la surface de l'appareil. L'air est en effet aspiré par la soufflante (18) à travers la grille d'entrée d'air (6) avant d'être insufflé dans les canaux des pierres d'accumulation (9) où il se rechauffe.
Avant de sortir par la grille de sortie d'air (5), l'air chaud est mélange à de l'air moins chaud passant par deux buses de manière à ce que la température de l'air sortant ne soit pas supérieure à la température maximale autorisée. La position de la buse et, par conséquent, la proportion du mélange est réglée par un régulateur bilame.
2.2.2 Reduction de la puissance absorbée
En déplacant ou enlevant des cavaliers sur les bornes, il est possible de réduire de 3 niveaux (voir page 12) la puissance absorbée réglée à l'usine au niveau maximum.
La dimension des sections de cables et les fusibles doivent être choisis en fonction de la puissance maximale possible de l'appareil.
Selon les « Conditions de raccordement techniques » de l'opérateur énergétique compétent, le raccordement monophasé n'est autorisé que jusqu'à 2 kW (WSP 1810).
#
Réduire le niveau de charge
Le cavalier X17 se trouvant sur le régulateur de charge électronique (A1) permet de selectionner le niveau de charge de l'élément d'accumulation en relation avec la puissance de raccordement modifiable en 4 étapes (Positions I, II, III ou IV). Adaptation du niveau de charge en 4 étapes (100 / 90 / 80 / 70%). Le réglage effectué à l'usine est de 100% (Position I).
Si un cavalier est place sur une autre rangée de broches, il en résultat un abaisissement du niveau de chargement (la température de mise hors circuit du régulateur de charge électronique diminue).
2.2.3 Régulator de charge électronique
Dysfonctionnement
Le régulateur de charge de l'appareil est régèle à l'usine sur « dysfonctionnement positif (80 % PS), c'est-à-dire qu'en cas de panne du module de gestion de la charge (ex. absence de signal de commande), l'appareil est tout de même charge en totalité.
On peut passer en « dysfonctionnement négatif » (pas de charge de l'accumulateur de chaleur) en déplaçant le cavalier X16 sur la Position « 80 % NS » si l'appareil est branché sur un module de gestion numérique de la charge.
Fonctionnement avec module de gestion de la charge
Tenir compte des remarques correspondantes dans la notice d'utilisation et de montage du module de gestion de la charge.
Signal de commande
Le régulateur de charge électronique peut être branché sur différents signaux de commande (ED = durée de mise en circuit), ce qui permet de l'intégrer à des installations existantes.
Il est reglé à l'usine sur un signal de commande CA (signal de courant alternatif aux bornes A1/A2) avec 80 % de durée de mise en circuit.
D'autres signaux de durée de mise en circuit (68/72, 37/40 %) peuvent être sélectionnés par déplacement du cavalier X16. Ceci est nécessaire lorsqu'le apparéil est intégré dans une installation existante qui gère la charge au moyen de l'un des signaux de durée de mise en circuit évoqués.

Raccordement au signal de commande CC (X3) (voir schéma électrique page 19)
Si I'st installation est equiped e'un module de gestion de la charge a signal de commande CC (courant continu 0,91 V - 1,43 V), le signal de commande doit etre branché sur les bornes de commande « CC + » (pole positif) et « CC - » (pole négatif) (tenir compte de la polarite !) recouvertes à l'usine.
Le signal de commande 230 V CA ne doit pas etre branché aux bornes «CC +» et «CC -» Cela risquerait d'endommager le régulateur de charge.






| Variantes de raccordement Modèle | Eléments chauffants 8h | ||||
| 100 % | 291,6 % | 383,3 % | 475 % | 5100 % | |
| WSP 1210 F | 1,2 | 1,1 | 1,0 | 0,9 | 1,2 |
| WSP 1810 F | 1,8 | 1,65 | 1,5 | 1,35 | 1,8 |
| WSP 2410 F | 2,4 | 2,2 | 2,0 | 1,8 | - |
| WSP 3010 F | 3,0 | 2,75 | 2,5 | 2,25 | - |
| WSP 3610 F | 3,6 | 3,3 | 3,0 | 2,7 | - |
| WSP 4210 F | 4,2 | 3,85 | 3,5 | 3,15 | - |
| WSP 4810 F | 4,8 | 4,4 | 4,0 | 3,6 | - |
Témoin de fonctionnement/dysfonctionnement (V4) du régulateur de charge électronique LED « vert » ⇒ pas de dysfonctionnement, le régulateur de charge fonctionne parfaitement.
LED « rouge » ⇒ dysfonctionnement
a) Le sélecteur de charge (R1) et/ou le capteur interne (B1) est défectueux ou non branché.
b) Le cavalier X17 servant à abaisser le niveau de charge manque.
La charge n'a pas lieu.
LED « orange» ⇒ dysfonctionnement (uniquement avec régulateur de décharge intégré)
a) le régulateur interne de décharge (A2) est défectueux.
b) le capteur de température ambiente (B2) est défectueux ou débranché.
La décharge n'a pas lieu.
c) le sélecteur de décharge (R2) est défectueux ou débranché.
La température ambiente est reglee sur env. 22^
2.3 Consignes et réglementations
- Tenir compte de tout ce qui se trouve dans l'emballage!
- Respecter la réglementation concernant lesBATIMETS et les garages du pays concenrné.
- La surface d'installation doit partager une force portante suffisante.
En cas de doute, faire appel à un expert en batiments (poids de l'accumulateur de chaleur voir « Caracteristiques techniques »).
- Respecter les distances minimales par rapport aux objets proches (ill. 2 et 2a).
- Tous les travaux de raccordement et d'installation électriques doivent être effectuels conformément à la réglementation VDE (0100), aux consignes de l'opérateur énergétique et aux directives nationales et régionales.
- L'appareil doit pouvoir être déconnecté du réseau à tous les pôles par un dispositif supplémentaire doté d'une distance de coupure de 3 mm minimum. A cet effet, on peut utiliser des disjoncteurs, des fusibles etc.
- L'augmentation ultérieure de la puissance absorbée doit faire l'objet d'une nouvelle autorisation de l'opérateur énergétique. Si l'augmentation ultérieure de la puissance n'est pas signalée à l'opérateur énergétique, cela équivaut à une violation du contrat de fourniture de courant.
- Le matériel électric quod doit être adapté à la consommation nominale des appareils.
- Tenir compte des indications figurant sur la plaque signalétique de l'appareil! La tension indiquée doit concorder avec la tension du réseau.
- L'appareil doit être fixé pour répondre aux exigences VDE en matière de sécurité.
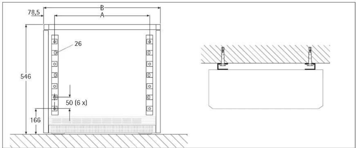
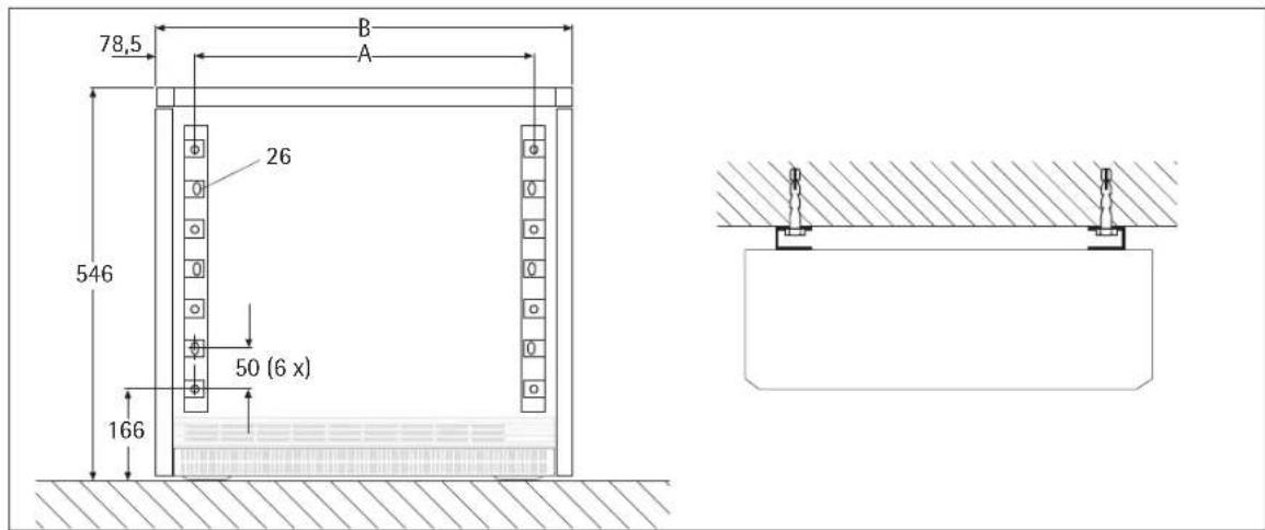
2.4 Montage
Pour répondre aux exigences VDE relatives à la sécurité du site d'installation, l'accumulateur de chaleur doit être maintainu par une fixation murale ou au sol (ill. 8).
Pour la fixation murale, un trou a ete prevu a proximite du boitier de commande permettant de faire passer une vis destinee a empecher l'appareil de basculer.
Autre possibilité : percer 4 troughs (Ø 9mm) dans les pieds de l'appareil pour le visser au sol ou aux socles si l'on utilise des socles (auparavant, démonter la grille de sortie et la grille d'entrée d'air ainsi que les canaux de circulation de l'air).
2.4.1. Site de montage
L'appareil ne doit pas
- être exposé à la poussière, aux produits chimiques, aux gaz ou aux vapeurs représentant un risque d'incendie ou d'explosion ;
- se couver à proximé immediate de conduites ou de réciPIents contenant des produits inflam-mables ou exposifs ;
- être utilisé à une distance inférieure aux distances minimales imposées par rapport aux objets proches.
Dans les pieces dans lesquelles il se dégage des gaz d'échéppement, des odeurs d'huile ou d'essence, il peut se former des mauvaises odeurs persistantes et il y a, le cas échéant, des risques d'encrassement.


Plancher
La surface d'installation de l'appareil doit etre plane et presenter une force portante suffisante de maniere a eviter toute deformation du corps de l'appareil.
Il faut garantir une résistance minimale à la température d'au moins 85^ au mur d'installation et d'au moins 80^ au plancher. Les appareils peuvent être installés sur tous les sols ordinaires, mais il faut toute fois tener compte du fait que des modifications peuvent surgir au niveau des patins sur les sols en PVC, les parquets, les tapis à poils longs, sous l'effect du poids et de l'action de la chaleur. Il convient alors de recourir à des cales thermostables (non comprises dans la fourniture).
2.4.2 Fixation à l'aide de supports muraux
Avant d'insteller l'appareil, visser deux fixations murales (26) en tenant compte des écarts de sécurité au mur (pour les cotes se reporter aux « Caracteristiques techniques » page 9). Pour ce type de montage, tener compte des points suivants :
Si le mur presente une force portante suffisante, l'appareil peut etre fixe au mur par les fixations jointes à la fourniture.
Remarques :
WSP 1210 F à WSP 3610 F = éloignement du sol uniquement possible avec fixation murale;
WSP 4210 F et WSP 4810 F = éloignement du sol uniquement par combinaison d'une fixation murale et d'un soutien auxiliaire.
Attention!
Vérifier si le mur et les vis et chevilles compris dans la fourniture sont capables de supporter le poids de l'appareil.
Si la force portante du mur est limite, le mode WSP 1510 S ne peut etre eloigné du sol que par une fixation murale combinée a un soutien auxiliaire (accessaire en option).
2.4.3 Installation avec socle
En l'absence de mur approprié à la fixation de l'appareil, fixer l'appareil au sol par l'intérimédiaire d'un socle (accessoire en option) (vissage appareil/socle et socle/plancher).
2.5 Montage de l'appareil (ill. 3-14)
Avant de fixer l'appareil, veiller à respecter les distances minimales autorisées par rapport aux objets proches.
Deux fixations murales se trouvent au dos de l'appareil. Les retirer avant le montage.
2.5.1 Installation de l'appareil (ill. 3-6)
- Devisser la grille de sortie d'air (5) et la déposer avec la grille d'entrée d'air;
- Dévisser la paroi avant (4) à l'arête inférieure, la faire basculer vers l'avant et la décrocher à l'arête supérieure après l'avoir soulevée légrement.
- Dévisser la paroi avant (8) sur les profils lateraux, faire basculer l'extrémité supérieure vers l'avant et tirer vers le haut;
- Soulever légèrement la paroi latérale droite (3) et la retirer ;
- Brancher les cables de raccord au secteur ainsi que les cables de raccordement du régulateur de charge et de décharge en les introduisant par l'orifice dans la paroi arrêté de l'appareil (15) tout en tenant compte de l'énoncé du point 2.5.2 (décaler le cable de raccordement d'env. 210~mm , le raccourcir au besoin de manière à ce qu'il ne touche pas les fentes d'aération de la paroi latérale);
- Monter l'appareil comme indiqué au point 2.4 ;
- Retirer la tôle de recouvrement (10), le replissage en carton, le bouton de commande et les fournitures (vis et douilles) se trouvant à l'intérieur (ill. 9). L'intérieur de l'appareil doit être entierement exempt de corps étrangers tels que résidus d'emballage, etc.

Vérifier que l'isolement thermique de l'appareil n'a pas ete endommagee au cours du transport, la replacer si necessaire.
Mise en place des pierres d'accumulation (ill. 10 et 11)
Les pierres d'accumulation sont livrées dans un emballage séparé.
Les pierres d'accumulation légerement endommaqées au cours du transport peuvent être utilisées.
Cela n'aura aucune incidence sur le bon fonctionnement de l'appareil.
Pourmettre en place les pierres d'accumulation (9) soulever tegement (ill.10) les elements chauffants (17).
Poser la première pierre d'accumulation avec les rainures destinées à receivevoir les éléments chauffants tournées vers le haut, à chaque distance de l'isolement thermique droite, sous l'élement chauffant et la pousser vers l'isolement thermique droite et arrêté. Les trouss oblongs constituent les canaux de chauffe.
En soulevant les éléments chauffants veiller à ce que les orifices percés dans les isolations
thermiques laterales ne soient pas élargis par les éléments chauffants.
Puis insérer la tôle de recouvrement (10) retiree de l'intérieur de l'appareil sur la couche supérieure de pierres d'accumulation (ill. 12).
2.5.2 Raccordement electrique

Le raccordement électrique des éléments chauffants se fait avec 3 / N / P E 50Hz400V et équivalent avec 1 / N / P E 50Hz230V sur les modèles WSP 1210 F et WSP 1810 F.
Le raccordement direct par NYM est possible. Le nombre des cables d'amenee et des brins de cables ainsi que les sections des cables dépendent de la valeur de raccordement de l'appareil et du type de raccordement au secteur ainsi que d'eventuelles prescriptions de I'opérateur énergétique. Tenir compte des schémas des connexions correspondants.
Si l'accumulateur est raccordé à un module de gestion automatique de la charge, il peut être sous tension aux bornes A1/Z1 - A2/Z2 bien que les fusibles soient rétérés.
Raccordement
Libérer les cables électriques d'une éventuelle traction et les brancher conformément au schéma des connexions électriques de l'appareil (sur la face interne de la paroi latérale droite) ou au schéma des raccordements qui se trouve à côte.
Si la tôle logée dans le boitier de commande, destinée à receivevoir les borniers secteur, est difficile d'accès en raison d'un écart létal trop juste, on peut la faire pivoter vers l'avant en desserrant la vis (ne pas dévisser) de la paroi arrêté.
Pendant la charge, la borne « L » du bornier X2 doit être sous tension (230 V).
En l'absence d'une alimentation en courant séparée, il est possible de ponter la borne « L1 » et la borne « L ». Dans ce cas il faut également ponter la borne « N » du bornier X2 à la borne « N » du bornier X1 (uniquement avec un thermostat d'ambiance mural).
Veiller à un raccordement correct à la terre !
Avant d'être branché dans l'appareil, le cable de raccordement d'un signal de commande CC doit être recouvert d'une gaine isolante depuis la décharge de traction jusqu'à la borne de raccordement.
Commandesansdisjoncteur
En l'absence de disjoncteur (prevu par I'opérateur énergétique), il est possible d'utiliser le relais thermique intégré à l'usine dans l'accumulateur.
Il faut alors brancher les signaux de l'opérateur « LF » et « N » ou les signaux « SH » et « N » du module de gestion de la charge correspondant directement aux bornes « L-SH » et « N » de l'accumulateur de chaleur. Tenir compte des remarques signalées par un * dans le schéma des raccordements.

Retrier les cavaliers (I) - (L-SH) et (N) - (N) pour la commande sans disjoncteur

Les éléments chauffants de l'appareil ne seront pas mis en circuit avant que l'opérateur énergétique n'ait délivré son autorisation de charge (LF) et que le régulateur de charge électronique autorise la charge.
En fonctionnement « unifilaire»,poser un cavalier entre « N» et « A2/Z2 »!
Adapter la puissance en fonction de la durée nominale de charge
La puissance de raccordement peut être adaptée à la durée nominale de charge de l'opérateur énergétique par déplacement ou retrait de cavaliers aux bornes.
| Version d' éléments chauffants | 8h | ||
| Durée de charge nominale | 8h | 9h | 10h |
| Variantes de raccordement (kW) Modèle | ① | ② | ③ |
| WSP 1210 F | 1,2 | 1,1 | 1,0 |
| WSP 1810 F | 1,8 | 1,65 | 1,5 |
| WSP 2410 F | 2,4 | 2,2 | 2,0 |
| WSP 3010 F | 3,0 | 2,75 | 2,5 |
| WSP 3610 F | 3,6 | 3,3 | 3,0 |
| WSP 4210 F | 4,2 | 3,85 | 3,5 |
| WSP 4810 F | 4,8 | 4,4 | 4,0 |

1

②

③
Plaque signalétique
Tenir compte de la désignation figurant sur le schéma des connexions et la plaque signalétique !
Après le raccordement électrique, faire une croix au stylo bille indélébile dans la case correspondant à la puissance de raccordement et à la durée nominale de charge de l'appareil sur la plaque signalétique de l'appareil et le schéma des connexions de la presente notice de montage.
2.5.3 Appareil en etat de fonctionnement
Nettoyage de I'appareil (ill. 13 et 14)
Il convient de nettoyer l'appareil ouvert une fois son installation achevée et les pierres d'accumulation en place.
A cet effet, démonter équament la soufflante et les canaux de circulation de l'air
-
Devisser les canaux de circulation de l'air (16).
-
Une fois les vis situées sur la face avant des équres de fixation desserrées (non dévisées), soulever la soufflante (18) et la retirer (attention au positionnement du cable!).
Sur certains appareils, il faut pour ce faire devisser le thermostat - Décharge (19), y compris la tôle de fixation.
En déposant les pieces démontees, faire attention à ne pas endommager les fils.
- Nettoyer la tôle du fond et les ventilateurs (veiller à ne pas endommager les pales!) Puis reposer les ventilateurs, eventuellement le limiteur de température ainsi que les canaux de circulation de l'air (positionnement correct du cable!).
Fermer l'appareil (ill. 15 et 16)
- Poser les arêtes laterales du bas de la paroi avant interne munie de son isolation sur les profilés d'appui. Appuyer en haut sur l'appareil et visser la paroi sur celui-ci (sur WSP 4210 F et WSP 4810 F, vis supplémentaire au centre de l'appareil);
- Accrocher la paroi laterale droite en bas, la faire basculer vers le haut. L'accrocher en haut et la fixer à l'aide d'une vis; (opération inverse voir 2.5.1 - Demontage de la paroi droite, ill. 6).
- Accrocher la paroi avant en haut, la faire basculer en bas sur l'appareil et la fixer à l'aide de 2 vis (utiliser les trous internes) (ill. 15);
- Visser la grille de sortie d'air. Pour ce faire, serrer les vis à la main et desserrer d'environ un tour (ill. 16);
- Placer le bas de la grille d'entrée d'air à l'oblique sur les encoches du fond de l'appareil, la faire basculer vers le haut et l'insérer dans les encoches derrière la grille de sortie d'air (ill. 16).
Scheme des raccordements...
... avec thermostat d'ambiance intégré RTi 102 E/RTi 103 EP

... avec thermostat d'ambiance mural

... avec raccord monophasé (maxi. 2 kW

... en cas de remplacement d'un accumulateur ancien, avec thermostat d'ambiance mural et absence d'alimentation en courant diurne
Tenir compte ici du fait que le thermostat d'ambiance et le module de gestion de la charge en fonction des conditions atmosphéques sont branchés sur le même interrupteur de protection contre les courants de court-circuit que l'unité de charge.
S'il existe plusieurs interrupteurs de protection contre※ les courants de court-circuit, le * N du relais thermique K1 doit être place sur le * N du module de charge et le fil 3 du connecteur enfechable X10 doit passer de L à L1 (voir le schéma des connexions page 19)
Commande de charge htminal dambiarre
LI/2/L (event.via h. disarurcur) MPE~50 Hz 400V

2.6 Première mise en service

Danger de court-circuit Regulateur de charge
Lors de la mesure de tension aux contacts du relais thermique, risque de destruction du régulateur de charge en cas de court-circuit à la masse (glissement des pointes d'essai).
Le témoin reste sur « vert »!
2.6.1 Contrôle de fonctionnement
Contrôler le fonctionnement de la soufflante de l'élement d'accumulation en mettant en marche le thermostat d'ambiance.
2.6.2 Charge
Une fois le contrôle de fonctionnement achemé, les apparciels peuvent être mis en service sans préchauffage. La charge s'effectue soit manuellement par le biais du régulateur de charge mécanique ou automatiquement avec la gestion de charge Elfamatic disponible.
Au cours du premier chargement, relever la valeur de chargement en kWh et la comparer au changement maximum autorisé à froid indiqué dans les « Caracteristiques techniques ». La valeur de charge relevante ne doit pas dépasser la charge maximum autorisée à froid.
Une oedur peut se dégager lors de la première charge, il convient donc d'aérer suffisamment la piece (1,5 renouvellement de l'air, fenêtre basculée par ex.). Dans une chambre à coucher, ne pas procéder à la première charge pendant le sommeil.
2.7 Réparation, modification de l'appareil
La réinstallation d'un apparéil désassemblé à des fins de réparation ou déjà en service à un autre emplacement s'effectue, comme pour la première mise en service, conformément à la présente notice de montage.
Dans ces cas la, veiller particulièrement aux points suivants : replacer les éléments de l'iso1ation thermique sur lesquels vous constatez des dommages ou des alterations susceptibles de nuire à la sécurité. Avant la mise en service, effectuer un contrôle de l'iso1ation et mesurer la prise de courant nominale.
2.7.1 Reparation, modification de l'appareil
Pour les travaux de transformation, d'extension et d'encastrement, consulter les instructions jointes aux lots de pieces concernés.
2.8 Remise à l'utilisateur
Expliquer le fonctionnement de l'appareil à l'utilisateur. Attirer tout particulièrement son attention sur les consignes de sécurité.
Remetre la notice d'utilisation et de montage à l'utilisateur.

Symboles de la plaque signaletique (exemple WSP 4810 F)
Poids total Charge
Décharge
- W - Chauffage auxiliaire
Ventilateur
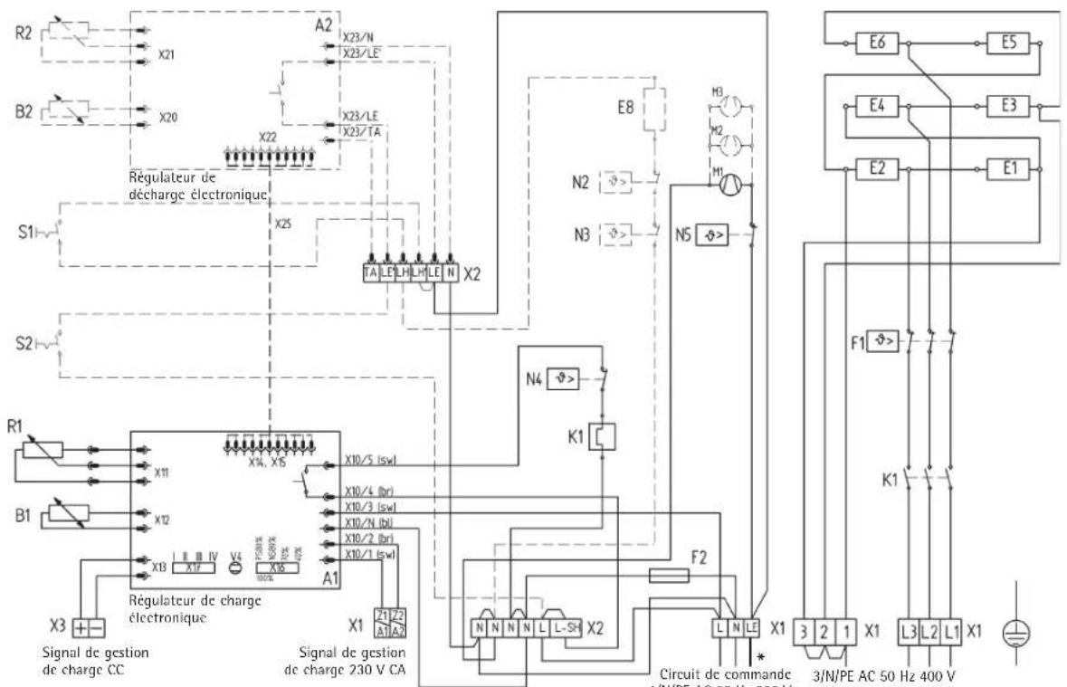
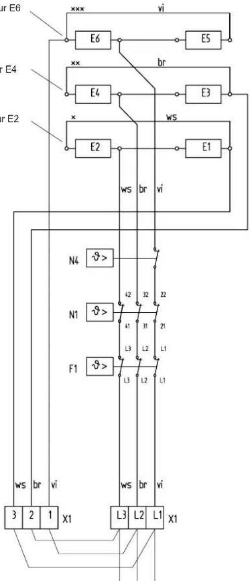
Scheme electrique WSP 1210 - 4810 F
A1: Regulateur electronique de charge
B1: Capteur de température interne - Charge
E1 - E6: Éléments chauffants (accumulateur)
F1: Limiteur de température
F2: Fusible (250 V 2A à action retardée)
K1: Relais thermique
M1-M3: Soufflante Decharge
N4: Limiteur de température - Charge
N5: Limiteur de température - Décharge
R1: Regulateur - Charge (selecteur)
V4: Témoin de fonctionnement en mode scccours
X1: Bornier secteur
X2: Bornier
X3: Borens CC 0,91 - 1,43 V
X16: Adaptation du signal de commande en 4 étapes
X17: Reducteur de puissance en 4 etapes
Accessoires optionnels
non compris dans le volume de la fourniture,mettre une croix en face de l'accessoire monté

Thermostat d'ambiance intégré 2 points Thermostat Thermostat d'ambiance intégré proportionnel
A2: Régulateur electronique de décharge
B2: Capteur de température d'ambiance - Décharge
R2: Regulateur - Décharge (selecteur)
S2: Interrupteur MARCHE/ARRET du thermostat d'ambiance

Chauffage auxiliaire
E8: Éléments chauffants auxiliaires
N2: Thermostat - Chauffage auxiliaire
N3: Thermostat - Chauffage auxiliaire
S1: Interrupteur MARCHE/ARRET - Chauffage auxiliaire
Lors du montage du chauffage auxiliaire (E8), tener compte de la puissance de rupture autorisée du thermostat d'ambiance!

Branchements de série

3/N/PE AC 50 Hz 400 V

3/N/PE AC 50 Hz 400 V

3/N/PE AC 50 Hz 400 V

3/PE AC 50 Hz 400 V

1/N/PE AC 50 Hz 230 V
Attention! Sur le 3/PE AC 50 Hz 230 V secteur
Il est nécessaire de modifier le cablage d'origine de I'accumulateur de chaleur!
Scheme 3/PE AC 50 Hz 230 V
Il est nécessaire de modifier le câblage d'origine comme ci-dessous!
xxx Debrancher le fil vi (violet) de E2 et le brancher sur E6
xx Debrancher le fil br (brun) de E6 et le brancher sur E4
x Debrancher le fil ws (blanc) de E4 et le brancher sur E2

3/PE AC 50 Hz 230V
E1 - E6: éléments chauffants (accumulateur)
F1: limiter de température de sécurité
N1: limiteur de temperture - charge
N4: limiteur de température - charge
X1: borne secteur
Les points doivent être posés au cours de l'installation.
3. Environnement et recyclage
Nous vous demandons de nous aider à préserver l'environnement. Pour ce faire, merci de vous débarrasser de l'emballage conformément aux régles nationales relatives au traitement des déchets.
Garantie
La garantie est à faire valor dans le pays où l'appareil a été acheté. A cette fin, veuillez prendre contact avec la filiale AEG concernée, à défaut l'importateur/agree.
Le montage, les raccordements, la maintenance ainsi que la première mise en service sont à réaliser par un installateur qualifié.
Le fabricant ne saurait etre rendu responsable des dommages causés par un apparéil qui n'aurait pas eté installé ou utilise conformément à la notice de montage et d'utilisation jointe a l' apparéil.
| 8h-verwarmingselement | |||||
| Aansluitvarianten Model | ①100 % | ②91,6 % | ③83,3 % | ④75 % | ⑤100 % |
| WSP 1210 F | 1,2 | 1,1 | 1,0 | 0,9 | 1,2 |
| WSP 1810 F | 1,8 | 1,65 | 1,5 | 1,35 | 1,8 |
| WSP 2410 F | 2,4 | 2,2 | 2,0 | 1,8 | - |
| WSP 3010 F | 3,0 | 2,75 | 2,5 | 2,25 | - |
| WSP 3610 F | 3,6 | 3,3 | 3,0 | 2,7 | - |
| WSP 4210 F | 4,2 | 3,85 | 3,5 | 3,15 | - |
| WSP 4810 F | 4,8 | 4,4 | 4,0 | 3,6 | - |
Notice Facile