DCP 25 - Aspirateur Sidamo - Notice d'utilisation et mode d'emploi gratuit
Retrouvez gratuitement la notice de l'appareil DCP 25 Sidamo au format PDF.
| Caractéristiques techniques | Aspirateur Sidamo DCP 25, puissance de 1200W, capacité du réservoir de 2,5L, filtre HEPA |
|---|---|
| Utilisation | Convient pour le nettoyage des sols durs et des tapis, utilisation domestique recommandée |
| Maintenance et réparation | Filtre à nettoyer régulièrement, réservoir à vider après chaque utilisation, pièces de rechange disponibles |
| Sécurité | Protection contre la surchauffe, câble d'alimentation de 5 mètres, conforme aux normes de sécurité CE |
| Informations générales | Poids de l'appareil : 4,5 kg, dimensions : 30 x 25 x 20 cm, garantie de 2 ans |
FOIRE AUX QUESTIONS - DCP 25 Sidamo
Questions des utilisateurs sur DCP 25 Sidamo
0 question sur cet appareil. Repondez a celles que vous connaissez ou posez la votre.
Poser une nouvelle question sur cet appareil
Téléchargez la notice de votre Aspirateur au format PDF gratuitement ! Retrouvez votre notice DCP 25 - Sidamo et reprennez votre appareil électronique en main. Sur cette page sont publiés tous les documents nécessaires à l'utilisation de votre appareil DCP 25 de la marque Sidamo.
MODE D'EMPLOI DCP 25 Sidamo
Pour des raisons de sécurité, ire cette notice d'instructiones attentiiveemment axant d'utiliser caat aspiratieur.
Toutes non Tobservations des instructions causeront des dommages aux personnes et /ou à l'aspiratoire. auteur.
Cette notice d'instructions est destinée à l'opérateur et à l'agent de maintenance.
Cette notice d'instructions est une partie importante de votre équipement. Elle donne des règles et des guides qui vous aideront à utiliser cet aspirateur suturement et efficacement. Vous devez vous familiariser avec les fonctions et le fonctionnement en lisant attentivement cette notice d'instructions. Pour toute sécurité, il est en particulier très important que vous lisiez et observiez toutes les recommendations sur l'aspirateur et dans cette notice d'instructions.
Les commandes doivent être strictement suivies à tout moment lors de l'emploi et de l'entretien de l'aspirateur. Un manquement au suivi des guides et avertissements de sécurité de la notice d'instructions et sur l'aspirateur et/ou une utilisation différente de cette préconisée dans la notice d'instructions peut entrainer une défaillance de l'aspirateur et/ou des blessures.
Veuillez conserve r ce tice nce d'instructions avec l'aspirateur ou dans un endroit facilement accessible a tout moment pour vous y refereur ulterieurement. Assurez-vous que tout le personnel implique dans l'utilisation de cet
aspirateur peut la consulter périodiquement. Si la notice d'instructions vient à être perdue ou endommagée, veuillez nous consulter ou consulter votre revendeur afin d'en obtenir une nouvelle copie.
Utiliser toujours des composants et pieces SIDAMO. Le remplacement de composants ou de pieces autres que SIDAMO peut entrainer une détérioration de l'aspirateur etmettre l'opérateur en danger.
Cette notice décrit les consignes de sécurité à appliquer par l'utilisateur. Il est de la responsabilité de l'employeur ou de l'utilisateur, suivant l'article L.4122-1 du code du travail, de prendre soin de sa santé et de sa sécurité et de celles des autres personnes concernées par ces actes ou omissions, conformément, en particulier, aux instructions qui lui sont données.
L'employeur doit réaliser une évaluation des risques particuliers liés à son activités, doit former les travailleurs à l'aspirateur et à la prévention de ces risques, et informe de manière appropriée les travailleurs charges de l'utilisation ou de la maintenance des équipements de travail, des instructions ou consignes les concernant.
2. PROOOBAMMBS
2.1. PICTOGRAMMES PRESENTS DANSCETTE NOTICE DINSTRUCTIONS

Danger direct pour les personnes et dommages de la machine

Pour les opérations de nettoyage, de changement de filtres et de sacs, port de gants et de lunettes de protection

Ne porter aucun vêtement ample, des manches larges, des bijoux, des bracelets, des montres, alliance...
Porter des coiffes pour les cheveux longs

Dommages possibles de la machine ou de son environnement

Dans certaines conditions de nettoyage, port d'un masque respiratoire

Port de protection auditive adaptée

Note

Niveau de capacité technique : opérateur, utilisateur

Niveau de capacité technique : régleur, entretien

Niveau de capacité technique : agent de maintenance


Less opérationnes electriques d'aux etree effectuées pour du prensommel qualifié et habilité aux travaux electriques basse tension.
3. SSECURITIESECURITE
3.1.3PRESCRIPONS GENERAEESEERDEESESESECURITE

Pour réduire les risques d'incendie, de chic électrique, de chic mécanique et de bleeure des personnes lors de
l'tllsion des outle elctrlques, nsspactanles prescriptions de scuritde base.especter les prescriptions de securite de base
Cette notice d'instructions ne prend en compte que les comportements raisonnablement prévisibles.
Nos aspirateurs sont concus et réalisés en considérant toujours la sécurité de l'opérateur.
Nous déclinons toute responsabilité pour tout dommage du à l'inexpérience, à une utilisation incorrecte de l'aspirateur et/ou à son endommagement et/ou au non-respect des instructions et règes de sécurité containues dans cette notice d'instructions.
En règle générale, les accidents surviennent toujours à la suite d'une mauvaise utilisation ou d'une absence de lecture de la notice d'instructions.
Cet apparéil peut être utilisé par des enfants âgés d'au moins 14 ans et par des personnes ayant des capacities physiques, sensorielles ou mentales réduites ou dénuées d'expérience ou de connaissance, s'ills [si elles] sont correctement surveillée(e)s ou si des instructions relatives à l'utilisation de l' apparéil en toute sécurité leur ont été données et si les risques encourus ont été appréhendés. Les enfants ne doivent pas jouer avec l' apparéil. Le nettoyage et l'entretien par l'usage ne doivent pas été effectuels par des enfants sans surveillance.
Nous vous rappelons que toute modification de l'aspirateur entrainera un désengagement de notre part.
Vérifier la présence, l'etat et le fonctionnement de toutes les protections avant de débuter le travail.
S'assurer que les pieces mobiles fonctionnent correctement, qu'il n'y a pas d' éléments endommages et que l'aspirateur fonctionne parfaitement pendant sa mise en service.
Seul le personnel compétent et autorisé est autorisé à réparer ou replacer les pieces endommagées.
Ne pas utiliser l'aspirateur à l'extérieur, dans des locaux très humides, en présence de liquides inflammables ou de gaz.
Dans certaines conditions réunies (quantité d'oxygène dans l'air avec concentration de poussières, poussières en suspension et température), la poussière de bois peut former une atmophère explosive. Dans tous les cas, faire contrôle votre installation par un organismé/agree fin de vérifier si vous aspirateur n'est pas utilisé dans une zone ATEX.
Utiliser l'aspirateur dans une zone de travail suffisamment éclairée.
Ne laisser personne, particulièrement les enfants ou des animaux, non autorisés dans la zone de travail, toucher les outils ou les cables électriques et les garder éloignés de la zone de travail.
Ne jamais s'éloigner de l'aspirateur en cours de fonctionnement. Toujours couper l'alimentation secteur. Ne s'éloigner de l'aspirateur que lorsque ce dernier est complètement à l'arrêt.

Ne pas endommager le cable d'alimentation
electrique.
Ne jamais tirer sur le cable d'alimentation électrique pour le retarder de la prise de courant.
Maintenir le cable d'alimentation électrique éloigné des sources de chaleur, des parties grasses et/ou des bords tranchants.
Protégé le cable d'alimentation électrique contre l'humidité et tous risques évventuels de dégradations.
Vérifier périodiquement le cable d'alimentation électrique et s'il est endommage, le faire réparer par un réparateur/agréé.
L'interrupteur défectieux doit être remplace par un service agréé.
Ne pas utiliser l'aspirateur si l'interrupteur ne commande ni l'arrêt ni la marche.

Ne pas présumer de ses forces.
Toujours garder une position stable et un bon équilibre.
Surveiller ce que l'on fait, faire preuve de bon sens et ne pas utiliser l'aspirateur en état de fatigue.
Toujours utiliser les deux mains pour faire fonctionner cet aspirateur.
L'utilisation de tout accessoire, autre que ceux décrits dans la notice d'instructions, peut partager un risque de blessures des personnes.
L'utilisateur est responsable de son aspirateur et s'assure que:
L'aspirateur est utilisé par des personnes ayant eu connaissance des instructions et autorisées à le faire.
Les régles de sécurité ont bien et respectées.
- Les utilisateurs ont été informés des règes de sécurité.
- Les utilisateurs ont lu et compris la notice d'instructions.
- Les responsabilités pour les opérations de maintenance et d'eventuelles réparations ont bien été assignées et observées.
- Les défauts ou dysfonctionnements ont été immidiatement notifies à un réparateur agrée ou auprès de votre revendeur.
- L'aspirateur doit être utilisé dans les domaines d'application décrites dans cette notice.
- Toute utilisation autre que celle indiquée sur la presente notice d'instructions peut constituer un danger.
- Les protections mécaniques et/ou électriques ne doivent pas été enlevées ou shuntées.
Aucune modification et/ou reconversion ne doit etre effectue.
SIDAMO décline toute responsabilité pour des dommages causés aux personnes, animaux ou objets par suite de non-respect des instructions et règles de sécurité contenues dans cette notice d'instructions.
3.2.3RESCRIPIONS PARTICBISIILIERES DE SECURITE

Prescriptions partieBuloeepdoraeepuritie pour l'ospireeour proffesionnelleau et pousssienes.
Avant utilise, l'aspirateur doit être monté correctement dans son ensemble.
Vérifier si les roues sont bien fixées avec la cuve.
Ne jamais utiliser l'aspirateur sans le contrôle fourni ou approprié.
L'utilisation de l'aspirateur sans filtre peut l'endommager de façon irréparable.
Ne jamais aspirer avec un filtré ou un sac endommagé.
Vérifier le bon positionnement du filtré et du sac.
Vérifier régulierement le serrage du filtré.
Ne pas aspirer de poussières sans filtré.

- Retirer systématiquement le sac avant d'aspirer en vides.
L'aspirateur est doté d'un système de flotteur qui coupe le débit d'air de l'aspirateur lorsque le niveau de liquide maximum est atteint. Il y aura un changement au niveau du bruit émis par le moteur et la puissance d'aspiration se réduira. N'aspirer jamais de liquide sans avoir installé le flotteur.
Ne pas aspirer de produits moussants, la mousse ne soulèverait pas le flotteur et viendrait s'introduire dans le moteur.
Afin d'éviter toute mise en marche accidentelle, vérifier que l'interrupteur est sur la position « O » avant de brancher la fiche dans la prise de courant.
Avant d'appuyer sur la position « P » de l'interrupteur, veiller à ce que l'appareil électrique raccordé est arrêté.
Pour le transport, ne pas tirer sur le flexible: utiliser la poignée de la tête d'aspirateur.
Ne pas déplacer l'aspirateur en tirant sur le cable électrique.
Ne pas soulever l'aspirateur avec des crochets de grue.
Ne pas basculer l'aspirateur si la cuve contient encore du liquide.
Ne pas couvir l'aspirateur pendant son utilisation.

Quand l'appareil est en fonctionnement, ne passant à l'orifice d'aspiration pres d'une partie delicate du coude comme les yeux, la bouche et les oreilles par exemple. Le cas laisser l'appareil en fonctionnement sans assistance.

Ne pas souffler l'air au hasard dans des zones de la. Utiliser la fonction soufflage uniquement avec un autre suprise. La poussière peut s'avérer dangereuse pour les des personnes.

Ne pas ajouter d'accessoires supplémentaires en opérations pour lesquelles ils ne sont pas concus.
L'utilisation d'un accessoire inapproprié est synonyme de risques d'accidents.

Couper l'alimentation électrique de l'aspirateur, une opération de maintenance ou d'entretien.
Porter des gants et des lunettes de protection, et utiliser un matériel adapté pour toutes les opérations de nettoyage, de changement de filtres et de sacs.
Dans certaines conditions de nettoyage, port d'un masque respiratoire.
Ne jamais projeter d'eau sur la tête d'aspirateur, ni même l'immerger: danger pour les personnes, risque de court-circuit.
Ne pas utiliser de solvant ou de déterments agressifs.
Lors du dépoussierage, le renouvellement de l'air dans le local doit être suffisant si l'air d'échéppement de l'appareil revient dans le local (observer à ce sujet les dispositions nationales en vigueur).
Entreposer l'aspirateur au sec, à l'abri de la pluie et du gel.
3.3.3PROTECTION DE L'OPERATEUR

Pour la sécurité de l'opérateur, s'assurer du bon état de l'aspiratoireur. Veiller à ce que les parties de l'aspiratoire sont tiem biem fixées.
Cet aspirateur est concu pour un seul opérateur.
L'opérateur doit porter des équipements de protection individuelle adaptations :
Gants de protection
Lunettes de protection.
- Masque respiratoire
Protection auditive.
L'opérateur doit porter des vêtements ajustés et si nécessaire des coiffes pour cheveux longs.
L'opérateur ne doit pas porter par exemple :
- De vêtement ample, de manches larges.
Debracelets, de montre, d'alliance, de bijoux. - Tout autre objet risquant de s'accrocher aux éléments mobiles de l'aspirateur.





L'aspirateur ne doit jamais etrae pour enlever des fluides expoeifs, des acides non dilues, des solvents, ou detargents, cels inubusdesproduitea haseedepreotot tautocq quieupropvequendes delangtangpospotsde des produite quel, melangea de grendes quantitied ait durant l'aspiration,pourraient devenir exoalita (toner, alumiun em poudre, realne epoxydique, charbon de bola, emidon de ble, farine, aucre, vitamine C, cacao). L'acetone, dae acides non diluerae peuvent endommager des parties de I'aspirateur.

L'aspiration de poussieres dangereuses pour la sante (exampie : amiente) sont en dehors du domaine d'application de cat aspirateur, meme avec le filtre cartouche PET Classe M.

Cet aeprataeur ne convient pas au ramasse des poualres inselubres ou nocles (farine, amlante, plomb, matieres Inflammables, etc.), de matieres brulantes [olgerettes Incandeascentes, cendrea chaudes, etc.], de llquides Inflammables, explora, agressa [essence, solvents, acides, etc.] et de poualres inflammables, explouivaa (pousatredmagnéslum, d'aluminium, de vitamine C, de farine, de cacao, etc.).

Cet aspirateur n'est pas homologué CLASSE M.
N'est pas approprié pour poussières avec valeurs limites d'exposition ≥ 0.1mg / m^3
L'aspirateur modele DCP25,DCP25-S ou DCi35-S est concu pour les sollicitations d'une utilisation professionnelle. C'est un appeilperformant offrant de multiples possibilites d'utilisation:
- Entretien des bureaux, magasins, restaurants, hôtels, grandes salles, couloirs, domicile et écoles.
Lorsqu'il s'agit d'éliminer de poussières sèches et de liquides.
Dans de bonnes conditions d'utilisation et de maintenance, la sécurité du fonctionnement et le travail sont garantis pour plusieurs années.
Pour ce faire, explorer l'aspirateur dans ses différentes fonctions sans lemettre en marche.
4.2.4CHARACTERISTIQUES
Fabrication européenne
- Aspiration eau et poussières
- Système de décolmatage semi-automatique du filtré "PUSH & CLEAN" par simple bouton
Filtre cartouche de Classe M en PET lavable et imputrescible, haute efficacite 99.9%
- Prise 230 V asservie pour démarrage synchronisé par outil electro-portatif (max. 2600W) (DCP25-S / DCi35-S)
- Fonction souffleur
- Porte-accessoires
Lanière caoutchouc de maintien du flexible ou du cable électrique
Rangement intégré à la base pour 2 accessoires
- Système d'accroche de la canne
Tete plate pour facilititer la pose d'objet
Adaptateur pour outils electro-portatifs
Flexible à mémoire de forme
- Transportable facilement (faible poids et dimensions réduites)
Anse de transport et vidange de cuve integree (DCP25-S)
- Cuve en polyethylene incassable
Centre de gravité optimal et grandes roues arrières - Rôtultes pivotantes avec pare-chocs
Moteur by-pass à refroidissement indépendant -
Accessoires livrés de série :
-
tubes plastique droits 2 × 500 mm Ø 32 mm (DCP25)
- tubes inox droits 2 × 500 mm 32 mm (DCP25-S / DCi35-S)
flexible 032 mm - longueur 1,9 mm [DCP25] - flexible Ø 32 mm - longueur 3,5 mm [DCP25-S] / DCi35-S]
- suceur à eau & poussières
- suceur plat
- suceur capitonage
- brosse [DCP25-S / DCi35-S]
- filtré cartouche Classe M en PET
- sac toile
- file range-accessoires [DCP25-S / DCi35-S]
- adaptateur pour outils electroportatifs (DCP25-S/ DCi35-S)
| CuveCuve | Capacité (L) | Pulsance (W) | Alimentation | Dépression (Kpa) | Débit d'air | Décibels à 3 m (dBA) | Dimensions (1 x H x P) (mm) | Poids (kg) | |
| L/min | (m³/h) | ||||||||
| Polyéthylène | 20 | 1250 | 230 V mono | 21 | 3600 | 216 | 64 | 385 x 505 x 375 | 7,5 |
| Polyéthylène | 25 | 1250 | 230 V mono | 21 | 3600 | 216 | 64 | 392 x 530 x 375 | 9 |
| Inox | 30 | 1250 | 230 V mono | 21 | 3600 | 216 | 64 | 400 x 635 x 390 | 10,5 |
5. INSULAALATIONINSTALLATION

CONDITIONNEMENTONDITIONNEMENT

Un petit sac antithurpiditeepeansie trouver dans l'emballage. Ne pas le laisser a la porthedeess enflantes est le jeter.
L'aspirateur est livre dans un emballage en carton.
Lors du déballage, sourir chaque élément, vérifier l'etat général puis procéder à l'assemblage.
Conserver la notice d'instructions pour y faire reference ultérieurement.
Si le produit ne vous semble pas correct ou si des éléments sont cassetés ou manquants, contacter votre vendeur.
5.2.5.2. MANUTENTION ET TRANSPORT
Compte tenu du poids [7,5 kg, 9 kg ou 10,5 kg] et des dimensions de l'aspirateur, la manutention et le transport peuvent s'effectuer avec une seule personne.
5.3.5.3
DEBALLAGE DES ACCESSORIES
Procedure :
- Ouvrir les crochets de fermeture de cuve.
- Soulever la tete d'aspirateur.
- Sortir les éléments de l'aspirateur situés dans la cuve.
- Remetre la tete d'aspirateur dans sa bonne position.
- Refermer les crochets de fermeture de cuve.



5.4.5.4
MONTAGE
A. Inetatae tationdusae
- Mettre l'interrupteur sur la position « O »
- Retirer la fiche du cable d'alimentation de la prise de courant.
- Ouvrir les crochets de fermeture de cuve.
- Soulever la tete d'aspirateur.
- Déplacer l'anse (DCP25-S).
- Positionner le sac à l'intérieur de la cuve dans la prise de flexible. Repositionner l'anse (DCP25-S).
- Remetre la tete d'aspirateur dans sa bonne position.
- Refermer les crochets de fermeture de cuve.




B. InseetionduflieftelInsertion du flexible
- Insérer fermement l'embout de flexible côte cuve dans la prise de flexible.



Possibilite d'ogementédu beaisser l'aspiration de augmenter ou de baiser l'aspiration de I'aspirateur en deplacant le support prise d'air situé I'aspirateur en deplacant le support pris sur I'embout du flexible cote canne.sur I'embout du flexible cote canne.

C. FixationduttbbeFixation du tube
Monter correctement les deux parties du tube.
Insérer l'embout de flexible cote canne dans le tube.
- Installer le support (anneau plastique) à 60 mm du suceur eau et poussières pour accrocher le tube sur l'aspirateur [1].
- Les accessoires pour aspirer s'inserent au bout du tube ou directement sur l'embout de flexible.


D. Mise en place des accessoires
- Un rangement (1) est intégré à la base pour 2 accessoires (suceur plat, suéur capitonnage, Brosse).
Un filet range-accessoires [2] peut'être monté sur l'aspirateur (DCP25-S/DCi35-S).
Un support [3] pour cable d'alimentation ou flexible peut etre monte sur I'aspirateur.



5.5.5.5. RACCORDEMENT ELECTRICIDEEMENT ELECTRI

Noue you rappelone que you utilisez un appareil pouvant fonctionner a la fois avec de I'eau et de I'electroite et qu'il est donc important pour voire securite que voiresoBtipDeLurANTocgHnRnAeCEORDEE A LA TER

Le contact physique avec des parties sous tension électrique peut provoquer des dommages graves pouvant aller même jusqu'à la mort. NEJAMATSIOBICHE DE CABLES ELECTRQUES ENDOMMAGES.

Les opérations électriques doivent être effectuées par du personnel qualifié et habilité aux travaux électriques basse tension.

PRESENCE ELECTRIQUE PRESENCE ELECTRIQUE
S'assurer que la tension d'alimentation de l'installation correspond à celle de l'aspirateur, que la prise de courant soit en bon état munie de la terre et que l'interrupteur soit sur la position « O ».
Vérifier que la prise de courant de votre installation est compatible avec la fiche de l'appareil.
Effectuer le branchement au moyen du cable d'alimentation.
Contrôler que l'installation électrique sur laquelle l'aspirateur sera branchée est bien reliée à la terre conformément aux normes de sécurité en viqueur.
Nous rappelons à l'utilisateur qu'il doit toujours y avoir, en amont de l'installation électrique, une protection magnétothermique sauvégardant tous les conducteurs contre les courts-circuites et contre les surcharges.
Cette protection doit toujours être可以选择 sur la base des caractéristiques électriques de l'aspirateur, spécifiées sur la plaque signalétique :
Tension:230V monophasé
Fréquence:50Hz
Intensité: 5,4 A
Puisssance moteur principal:1250W
Les branchements d'accoupling electrique et les rallonges doivent être protégés des éclaboussures, et sur des surfaces sèches.
Vérifier régulierement l'etat du cable d'alimentation, de l'interrupteur, et du passé-cable.

L'usage de l'appareil avec un cable endommagé est riggoureusssammti tinterdt.

Utiliser un enrouleur de cable de section et de longueur comflummement à la puisassance aibssonte pour lappesit.

Ne pas retirer la fiche de la prise de courant en tirant sur le cable, TIRERUNQUIREMENTSUURLAARHE.

En cas d'intervention sur l'appareil, ne pas le laisser sous témission.
5.6.5.6. ESSAI ET EXAMEN INITIAL AVANT LA PREMIÈRE UTILISATION
- Vérifier que les protections sont réalisées, intactes et opérationnelles.
-
Verifier que les pieces mobiles fonctionnent correctement, qu'il n'y a pas d' éléments endommages.
-
Verifier l'etat des accessoires.
Vérifier que les roues sont bien fixées avec la cuve. - Verifier que l'aspirateur fonctionne parfaitement a vide.
6. UTILISATION UTILISATION

Certaines pices sont dans laeewepourleessppobeggerddanatelerrnaspurrtelledovveretenteneesavant prepmireutilisation.utilisation.

Respecter les prescriptions particulieres de sécurité pour l'aspergatifastigie potisiqueantisulières de sécurité pou

Nous youngeons a controler periodiquement I'etat de l'aspiratoire et ittattde allimentation teectrique.
6.1.6.MISE EN MISEHREMARCHE MISE EN MARCHE

Refermer tous les verrouillages de la cuve, Refermer tous les verrouillages de la cuve.

Ne jamais utiliser l'aspirateur sans le titre fourni ou approprié pour l'aspiration des poussées. L'utilisation de l'aspirateur sans titre peut l'endommager de façon irréparable.

Ne jamais aspirer avec de filtres ou de sacs endommmentagres.

Retirer systematiquement le filtre et le sac avant d'aspirer desslliquides.

Ne pas aspirer de produits moussants, la mousse me soudleewaert: pas le fltttaeur est wiandraitt. slinntouineedanstermoutaeur.
Procedure :
- Utiliser les accessoires adaptés à l'utilisation prévue.
- Afin d'éviter toute mise en marche accidentelle, vérifier que l'interrupteur est sur la position « O » avant de brancher la fiche dans la prise de courant.
- Brancher la fiche dans la prise de courant.
- Mettre l'aspirateur en fonctionnement au moyen de l'interrupteur position « I » ou « F » situé sur la tête d'aspirateur.
A. Psetition《I》
- Appuyer sur l'interrupteur position « I »: le moteur d'aspiration démarre.
B. Psetition《P》
Raccorder un outil electro-portatif (max. 2600 W).
- Appuyer sur l'interrupteur position « F - » de l'aspirateur: le moteur d'aspiration démarre lorsque l'appareil électrique raccordé est mis en fonctionnement.



Aspiration de déchets Aspiration de déchets
Le cadre doit être impératifement mis en place lors de l'aspiration de déchets [ex : poussières] : vérifier son état de propre, sa qualité, s'il est déterioré, perché, déchéré (le changer ou le laver, si nécessaire).
Un sac peut etre utilise suivant les dechets aspires.

Aspiration de liquides Aspiration de liquides
Avant l'aspiration des liquides, retirer systématiquement le sac et contrôle que le flotteur est libre de tout mouvement.
L'aspirateur est doté d'un système de flotteur qui coupe le débit d'air de l'aspirateur lorsque le niveau de liquide maximum est atteint. Il y aura un changement au niveau du bruit émis par le moteur et la puissance d'aspiration se réduira. Lorsque cela se produit, arrêter et débrancher l'aspirateur et vider la cuve. N'aspirer jamais de liquide sans avoir installé le flotteur.
- Le filtré cartouche Classe M en PET peut être utilisé pour l'aspiration des liquides.
Lors de l'aspiration de déchets faits de particules très fines (telles que la suite, le ciment, le plâtre, le bois, la centre froide, etc.), le filtré cartouche Classe M en PET est préconisé.
- Ne pas aspirer de produits moussants, la mousse ne souleverait pas le flotteur et viendrait s'introduire dans le moteur.
- Ne pas basculer l'aspirateur si la cuve contient encore du liquide.
- Àprous l'aspiration de liquides, le filtré est humide. Un élément humide se colmate plus vite lorsque des substances sèches sont aspirées. Il est donc préconisé, avant l'aspiration à sec, de laver et sécher le filtré ou le remplaçer par un sec.

Oter imperativement le sac lors de l'aspiration des liquides.

Ne pas aspirer de produits immuassants, la immunoessence soudivee aieitppase defiibleur et wientheite sifitroduiirexemsttennnta.
Ne pas aspirer d'eau de mer afin de ne pas alterer la couve et les accessionsirres miedtalliques.

Eteindre immediatement I'aspirateur en cas d'écoulement die liquide ou die immousses par la tatie de l'aspirateur.

En cas de renversement, relever l'aspirateur avant de l'étoindre.

Pour le transport, ne pas tirer sur le flexible: utiliser la poignée de la tête d'aspirateur.
Ne pas déplacer l'aspirateur en tirant sur le cable électrique.
6.2.

DECOLMATAGE DE L'ELEMENT FILTRANT

Seulement apres I'aspiration de poussiennes inoffensives sans le saar.
Si la puissance d'aspiration diminue :
- Insérer l'embout de flexible côte cuve dans la prise de flexible.
- Appuyer sur l'interrupteur position « 1 »
- Fermer l'orifice de I'embout de flexible d'aspiration cote canne avec la paume de la main.
- Appuyer 3 fois sur le bouton d'actionnement de décalmatage du contrôle. Le courant d'air ainsi engendré entraine la poussière qui s'est déposée sur les lamelles de l'élement filtrant.




6.3.6 BRACCORBZEDIRIDENMEAT D'UN APPAROLEREHINIGDEIHN
- Arrête l'aspirateur ainsi que l'appareil à raccorder.
- Appuyer sur les deux cotes du raccord de l'embout de flexible cote canne.
- Retirer l'embout du flexible.
- Utiliser l'adaptateur pour outil electro-portatif et l'insérer sur l'outil avec le flexible d'aspiration.
- Brancher la fiche de l'outil electro-portatif dans la prise de l'aspirateur (voltage identique, puissance mini 100W, maxi 2600W).
- Appuyer sur la position « P » de l'interrupteur de l'aspirateur
- L'aspirateur fonctionnera par le bouton de marche de l'outil electro-portatif.

6.4.62NDCIOKONKONKNEBGUFFLEUR

Ne pas souffler l'air au hasard dans des zones fériennes. Utiliser la fonction soufflage uniquement avec un filtreble propre. La poussiere peut s'avérer dangereuse pour la samité des personnes.
L'aspirateur est équipé d'une fonction souffleur :
- Insérer fermement l'embout de flexible côte cuve dans la prise du souffleur.

Possibilité d'augmenter ou de baisser la fonction souffleur de l'aspiratoire en déphiégent le supporte pris d'air situé sur l'embout du flexible couette camme.

6.5.6 SISE HOSSERBBS SERVICE DE L'ASPIRATEUR
Arrêt et rangement de l'aspirateur :
- Àpres l'aspiration, arrerter l'aspirateur en appuyant sur l'interrupteur position « O » et débrancher sa fiche de la prise de courant.
- Entreposer séparément la tête d'aspirateur pour que le filtre seche, après une aspiration de liquides.
- Ranger le cable d'alimentation via la lanière ou le support.
- Ranger le flexible via la lanière ou le support.
- Vider la cuve et nettoyer l'aspirateur.
- Ranger l'aspirateur dans un local sec et le protégé contre l'utilisation par des personnes non autorisées.

7. MARKETEANAGEMAINTENANCE

Couper l'alimentation electrique de I'aspirateur avant toutpeotatientiontioaiaeepnneauoepnatoe operation de mainer
Porter des gantss attesdusdtusedeopotetitionetutitieereunmatéielcadpupotoutastdesleprratioide dettoagage,
de changement de filtres et de sacs.de changement de filtres et de sacs.
Dans certaines conditions de nettoyage, port d'un masque nospinatoiosquitionespeatiteayage, port d'un ma

Ne jannais projetarddeauenaltetedasipiatateunj mernertienringer: danger pour les personnes, risque de court: danger p circuit.
Ne pas utiliser de solvant ou de detengents agressifs.

Dans la zone de maintenance, utilise une ventilation forcee filtre.
Trouver ci-après les plus importantes interventions de maintenance.
Le non-respect des tâches prescrites entraîne une usure prematurée et diminue les performances de l'aspirateur.



7.1. CABLE ELECTRIGUE

Si le cable d'alimentation est endommagé, il doit être remplaced par le fabricant, son service après vente ou une personne de qualification similaire.
- Le cable d'alimentation doit être régulièrement vérifié et remplace, si nécessaire.
- Prendre soin que le cable d'alimentation ne soit pas abimé et en particulier que des vehicules ne passent pas dessus, qu'il ne soit pas déchéré, écorché, tordu ou écrasé.
7.2. FLOTTEUR

No pas demonter le flotteur avant utilisation,cka annulerait la garantie.
S'assurer que le flotteur, qui a la fonction d'arrête l'aspiration et de protégger le moteur quand la cuve est pleine de liquide ou dans le cas d'un renversement de l'appareil, ne presente aucune endommagement ou obstruction qui puisse empêcher la montée de ce flotteur.
7.3.7.3. VIDANGE DE LA CUVEVIDANGE DE LA CUVE

Vidanger la cuve seulement après l'aspiration de poussieres imoffemsivess sams sauc

Dans certaines conditions de nettoyage, port d'un imasque reisspiratoire.
ProcedureProcedure
- Arrêteur l'aspirateur en mettant l'interrupteur sur la position « O »
- Retirer la fiche du cable d'alimentation de la prise de courant.
- Ouvrir les crochets de fermeture de cuve.
- Retirer la tete de l'aspirateur de sa cuve.
- Vider la cuve de son contenu en saississant la cuve d'une main par le creux menagedans sa partie inférieure (utiliser I'anse de transport et de vidange de cuve integree sur I'aspirateur DCP25-S) et deverser les matieres aspirées (eliminer les matieres aspirées conformement aux dispositions legales).Nettoyer la cuve et le bord de la cuve avant de remetre la tete d'aspirateur.
- Remetre la tete d'aspirateur dans sa bonne position.
- Refermer les crochets de fermeture de cuve.



La cuwe est congue pour recevoir directement les
déchets ou l'eau.
7.4.7.4 CHANGESMENT DU SAC

Ne pas utiliser de sacs endommages. Utiliser uniquement des sacs recommendes par SIDAMO. Remplacer les sacs par des modetes de mesmes dimensio

Lors du changement du sac, ne pas soulever inutillement de la pousseiere. Dans certaines conditions de nettoyage, port d'un mmasque respiratoireire.
ProcedureProcedure
- Arrêteur l'aspirateur en mettant l'interrupteur sur la position « O »
- Retirer la fiche du cable d'alimentation de la prise de courant.
- Ouvrir les crochets de fermeture de cuve.
- Retirer la tete de l'aspirateur de sa cuve.
- Déboiter avec précaution le manchon du sac sur la prise de flexible. Fermer le manchon du sac avec la coulisse.
- Vider la cuve de son contenu, si nécessaire.
- Emboiter vigoureusement le manchon du nouveau sac sur la prise de flexible.
- Remetre la tete d'aspirateur dans sa bonne position.
- Refermer les crochets de fermeture de cuve.



Eliminer le sac confournement aux dispositions legales.


CHANGEMENT DU FILTRECHANGEMENT DU FILTRE

Ne pas utiliser de filtres endommagés. Ne pas utiliser de filtres endommagés.

Utiliser uniquement des filtres recommandes par SIDAMO. Utiliser uniquement des filtres recommandes par SIDAMO.

Remplacer les filtres par des modèle de mêmes dimensions. Remplacer les filtres par des modèle de mêmes dimensions.

Vérifier régulierèment le serrage du mèniéitregulierèment le serrage du

Lora du changement des detres, ne pas soukever inultement de la pousseire.
Dans certaines conditions de nettoyage, port d'un masque respiratoire.
Procedure Procedure
- Arrêteur l'aspirateur en mettant l'interrupteur sur la position « O »
- Retirer la fiche du cable d'alimentation de la prise de courant.
- Ouvrir les crochets de fermeture de cuve.
- Retirer la tete de l'aspirateur de sa cuve.
- Dévisser le support du filtré et l'enlever.
- Retirer avec précaution le filtrre. Verifier l'etat de propriété et la qualité du filtrre, s'il est déterioré, perché, déchére (le changer ou le laver, si nécessaire). Nettoyer l'emplacement du filtrre.
- Repositionner correctement le nouveau filtré.
- Contraler le fonctionnement du flotteur : lorsque tourne le support du filtre, le flotteur interne doit pouvoir oscillator facilement. Introduire le support du filtre et le verrouiller fermement. Vider la cuve de son contenu, si nécessaire.
- Remetre la tete d'aspirateur dans sa bonne position.
- Refermer les crochets de fermeture de cuve.

Eliminer les filtres usés conformément aux dispositions
legales.






7.6.7.6. NETTOYAGENETTOYAGE

Avont de nettoer I'aspirateur, nintnupteur doit etre sur la position «O» et la priise de cunant difemmente die l'alimentation eeltninqatationique.

Dans certaines conditions de nettoyage, port d'un imasque reespiratoire.
- Ne pas utiliser de solvant ou de détergents agressifs.
- Ne pas immerger l'appareil dans l'eau, ni le laver avec un jet d'eau car risque de faire pénétrer cellec ci dans la tete d'aspirateur.
En général, il suffit de nettoyer de temps en temps le filtrtre avec unerosse couple et de I'eau. Laisser secher pour que la poussiere n'adhere pas sur le filtrtre humide.
Pour éviter de trop salir la cuve et le filtré, évacuer les déchets secs avant d'aspirer des liquides. Pour aspirer des déchets secs, vider la cuve des liquides, laisser sécher etmettre le filtré.
- Le bénépant et les accessoires se nettoient à l'aide des nettoyants menagers [qui ne rayent pas], en vente dans le commerce.
Passer un chiffon humide sur la tete de l'aspirateur.

Au cas ou l'intervention du parannelolquaflesesareitneessieepourde sopetatioedemaiaeanepeleoeanaes de réparation à effectuer aussi bien sous garantie que par la suite, s'aideeser exclusivement a tout point de wertte.
7.7.7.7.0 DEFAULTS ET REMEDES
| DEFAULT | CAUSE PROBABLE | REMDEs |
| Le moteur ne marche pas | Le fusible de la prise de raccordement au secteur a "claque". | > Remplacer le fusible secteur. |
| Baisse de puissance d'aspiration | Le filtré est sale ou défectueux. Le sac est plein. La cuve est pleine. Le flexible d'aspiration ou le suceur est obstrué. | > Nettoyer ou remplacer le filtré. > Remplacer le sac. > Vider la cuve. > Nettoyer le flexible d'aspiration ou le suceur |
| De la poussière dessort par la tête d'aspirateur | Le filtré est soit percé ou soit déchiré. | > Ne pas utiliser plus longtemps l'aspirateur, remplaçer le filtré. > Nettoyer l'aspirateur et le ramener au revendeur pour SAV. |
| L'aspiration)cesse d'un coup | La cuve est pleine. | > Le flotteur bouche l'aspirateur : il faut débrancher l'aspirateur et vider la cuve. |
8. PAAHIBPBBBSSDBAAGHHHSSPIECES DETACH
VUE ECLATEE CUVE DCP25/DCP25-S

NOMENCLATURE VUE ECLATEE CUVE DCP25/DCP25-S
| RepèreRapportationDessignation | QuantitéQuantité | |
| 1 | Cuve complète | 1 |
| 2 | Prise de flexible de cuve | 1 |
| 3 | Roue arrêtée | 2 |
| 4 | Roue avant | 2 |
| 5 | Poignée de cuve (DCP25-S) | 1 |
VUE ECLATEE CUVE DCi35-S

NOMENCLATURE VUE ECLATEE CUVE DCi35-S
| RepèreRapèignat DesignationDesignation | QuantitéQuantité | |
| 1 | Cuve | 1 |
| 3 + 4 | Prise de flexible de cuve | 1 |
| 5 | Chariot complet | 1 |
| 6 | Roue avant | 2 |
| 7 | Roue arrière | 2 |
VUE ECLATEE TETE DCP25

NOMENCLATURE VUE ECLATEE TETE DCP25
| RepèreRèpèignat | DesignationDusignation | QuantitéQuantité |
| 1 | Poignée complète | 1 |
| 2 | Bouton de décolmatage | 1 |
| 3 | Capot supérieure de cuve | 1 |
| 4 | Capot support interrupteur | 1 |
| 5 | Interrupteur | 1 |
| 6 | Condensateur | 1 |
| 7 | Sortie de cable | 1 |
| 8 | Axe de bouton de décolmatage | 1 |
| 9 | Clapet | 1 |
| 10 | Ressort | 1 |
| 11 | Capot inférieure de cuve | 1 |
| 12 | Crochet de cuve | 2 |
| 13 | Vis | 9 |
| 14 | Lanière cauchouc | 1 |
| 15 | Câble d'alimentation | 1 |
VUE ECLATEE TETE DCP25-S/DCi35-S

NOMENCLATURE VUE ECLATEE TETE DCP25-S/DCi35-S
| RepèereRépréciègnation | Designation Designation | Quantité Quantite |
| 1 | Poiignée complête | 1 |
| 2 | Bouton de décolmatage | 1 |
| 3 | Capot supérieure de cuve | 1 |
| 4 | Axe de bouton de décolmatage | 1 |
| 5 | Capot support interrupteur / prise synchro | 1 |
| 6 | Interrupteur | 1 |
| 7 | Vis | 2 |
| 8 | Prise synchro | 1 |
| 9 | Support prise synchro | 1 |
| 10 | Sortie de cable | 1 |
| 11 | Crochet de cuve | 2 |
| 12 | Capot inférieure de cuve | 1 |
| 13 | Vis | 9 |
| 14 | Clapet | 1 |
| 15 | Ressort | 1 |
| 16 | Lanière cauchouc | 1 |
| 17 | Platine marche/arrêt automatique | 1 |
| 19 | Câble d'alimentation | 1 |
VUE ECLATEE MOTEUR DCP25/DCP25-S/DCi35-S

NOMENCLATURE VUE ECLATEE MOTEUR DCP25/DCP25-S/DCi35-S
| RepèreRépègraturation | Designation | Quantité Quantite |
| 1 | Déflecteur | 1 |
| 2 | Moteur | 1 |
| 3 | Joint moteur supérieur | 1 |
| 4 | Joint moteur inférieur | 1 |
| 5 | Joint de filtré cartouche | 1 |
| 6 | Filtre cartouche | 1 |
| 7 | Flotteur complet | 1 |
| 8 | Vis | 5 |
| 9 | Support moteur | 1 |
| 10 | Sortie air refoulement | 1 |
9. ACGEBSSBSSACCESORES
VUE ECLATEE ACCESSORIES

NOMENCLATURE VUE ECLATEE ACCESSOIRES
| RepèreReparticipationDésignation | |
| 1 | Brosse (DCP25-S / DCi35-S) |
| 3 | Suceur à eau & poussières |
| 4 | Suceur plat |
| 5 | Suceur capitonnage |
| 6 | Filtre cartouche |
| 7 | Sac |
| 8 | Tubes plastique droits 2 x 500 mm Ø 32 mm (DCP25) |
| 8 | Tubes inox droits 2 x 500 mm Ø 32 mm (DCP25-S / DCi35-S) |
| 11 | Adaptateur pour outils électroportatifs (DCP25-S / DCi35-S) |
| 12 | Support tubes |
| 14 | Support câble d'alimentation/flexible |
| 16 | Flexible Ø 32 mm - longueur 1,9 mm (DCP25) |
| 16 | Flexible Ø 32 mm - longueur 3,5 mm (DCP25-S / DCi35-S) |
| 17 | Filet range-accessoires (DCP25-S / DCi35-S) |
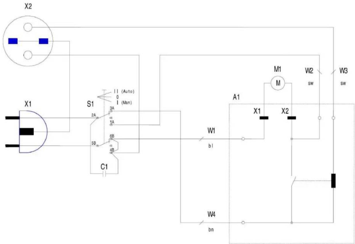
10.1BAPRITIEEUECTRIUUPARTIE ELECTRIQUE
SCHEMA ELECTRIQUE DCP25

SCHEMA ELECTRIQUE DCP25-S/DCi35-S

NOMENCLATURE SCHEMA ELECTRIQUE DCP25/DCP25-S/DCi35-S
| RepèreFièsignationDésignation | |
| A1 | Platine marche/arrêt automatique |
| C1 | Condensateur |
| Q1 | Interrupteur DCP25 |
| S1 | Interrupteur DCP25S/DCi35S |
| X1 | Câble électrique |
| X2 | Prise électrique synchro |
| M1 | Moteur |
11. INIXEAU SIONNORINIVEAU SONORE
Les données relatives au niveau de bruit émis par cet aspirateur pendant le processus de travail dépendront du type d'aspiration. Pour cette raison, les données des mesures sont relatives.
Le risque de lésions auditives chez l'opérateur est fonction du temps d'exposition au bruit.
L'opérateur doit porter un casque antibruit ou autres moyens individuels de protection appropriés lorsque la puissance acquistique dépasse 85 dB(A) sur le lieu de travail.
Niveau de puissance acoustique continue équivalent pondéré au poste de travail :
Dans les mesures. Cette estimation permet d'affirmer que sur les valeurs obtenues, le degré d'erreur serait ajuster de 3 dB(A).
Les valeurs données sont des niveaux d'émission et pas nécessairement des niveaux permettant le travail en sécurité. Bien qu'il existe des correlations entre les niveaux d'émission et les niveaux d'exposition, celle-ci ne peut être utilisée de manière fiable pour déterminer si des précautions supplémentaires sont nécessaires. Les paramétres qui influencent les niveaux réels d'exposition comprehènnt, les caractéristiques de l'atelier, les autres sources de bruit, etc., c'est à dire le nombre de machines et des procédés de fabrication voisins. De plus, les niveaux d'exposition admissibles peuvent varier d'un pays à
Nivaauusponocedda laustacedeefereenea Niveau soiaepeoant,deetendnnsiospernet a lutilisateur de la une distance de 1 m (EN 60704e) distaneAe 11 m ENADPachine de faire une meilleure evaluation des risques.
Buitidetartavahb3mm=64dbuyruit de travail à 3 m = 64 dB(A)
Le calcul de la puissance acoustique a ete effectue en tenant compte des facteurs tels que : la reverbération du lieu d'essai, l'absorption de bruits au sol et autres qui peuvent interferer

12. INVAUAW VIBRATION
Les données relatives aux vibrations transmises par cette machine pendant le processus de travail dépendrant du type de matériel utilisé et du type d'util. Pour cette raison, les données des mesures sont relatives.
Niveau moyen de vibrations main/bras :
$$ V i l i b a t i o n 1 8 8 0 5 8 4 9 9 = < 4, 5 5 m / s e t [ + f / - 1 ] $$
13.1BROTONDLELLENVIRONMENT
Votre apparéil contient de nombreux matérielles recyclables. Ce logo indique que les apparéils usages ne doivent pas été mélangés avec d'autres déchets.
Le recyclage des appareils sera ainsi réalisé dans les mêlures conditions, conformément à la Directive Européenne 2012/19/CE sur les déchets d'équipment electrolyques et électroniques.
Adressez-vous à votre mairie ou à votre revendeur pour connaître les points de collecte des apparciels usagés les plus proches de votre domicile.
Nous vous remercions pour votre collaboration à la protection de l'environnement.

14.10AARANINE
Dans le cas d'une prise sous garantie, celle-ci s'effectuera uniquement auprès d'un service après-vente agre. Le matériel est garanti 3 ans a compter de sa date d'achat par l'utilisateur. La facture faisant office de bon de garantie est a conserver.
La garantie consiste uniquement à réparer ou replacer gratuitement les pieces défectueuses; après expertise du constructeur.
La garantie exclue toute responsabilité pour les dommages occasionnés par l'utilisateur ou par un établissement non agrée de la société SIDAMO.
La garantie ne couvre pas les dommages consécutifs, directs ou indirects, matériels ou immateriels, cause aux personnes ou aux choses suite aux pannes ou arrêts de l'appareil.
La garantie ne peut etre accordee suite a:
- Une utilisation anormale.
Une manoeuvre erronée.
Une modification electrique. - Un défaut de transport, de manutention ou d'entretien.
L'utilisation de pieces ou d'accessoires non d'origine. - Des interventions effectuees par du personnel non agreeé.
- L'absence de protection ou dispositif sécurisant l'opérateur.
Le non-respect des consignes précités exclu votre machine de notre garantie.
Les marchandises voyagent sous la responsabilité de l'acheteur à qui il appartient d'exercer tout recours à l'encontre du transporteur dans les formes et déliés légaux.
15.10ECLARATINIDIEONFROBAMNDECONFO
DECLARATION DE CONFORMITEDECLARATION C
Le (Constructeur/Importateur) soussigné :
SIDAMOSIDAMO
Z.I. DES GAILLETROUS - B.P.7 - 41261 LA CHAUSSEE-SAINT-VICTOR
déclare que le matériel neuf ci-après :
Désignation : ASPIRATEURS PROFESSIONNELS EAU & POUSSIÈRES
Marque : SIDAMO
Type : DCP 25 / DCP 25-S / DCi 35-S
N° de série :
est conforme aux exigences essentielles de sécurité qui lui sont applicables :
Directive Machine 2006/42/CE
Directive Compatabilité Electromagnetique 2004/108/CE
Directive Basse Tension 2006/95/CE
Directive DEEE 2012/19/CE
Directive RoHS 2011/65/CE
Normes harmonisées appliquées :
EN60335-1:2012;EN60335-2-69:2012
EN 55014-1:2006+A1+A2; EN 55014-2:1997+A1+A2
EN61000-3-2:2006+A1+A2;EN61000-3-3:2008
Fait à la Chaussée-Saint-Victor
Le
PAUL SEIGNOLLE
Directeur Général

Personne autorisée à constituer le dossier technique :
M. SEIGNOLLE - SIDAMO - Z.I. DES GAILLETROUS - B.P.7 - 41261 LA CHAUSSEE-SAINT-VICTOR
| SIDAMO d'expérience des HOMMES, la maitie de la maitie. | SIÈGE SOCIAL: ZI. DES GAILLETROUS - B.P.7 -B4PT261 LA CHAUSSÉE-SAINT-VICTOR Tél.: 02.54.90.28.28 - Fax: 0897.656.510 www.sidamo.com | |
| Dans le souci constant d'améliorer la qualité de ses produits, SIDAMO se réserves le droit d'en modifier les caractéristiques. Les informations, les photos, les vues éclatées et les schémas contenus dans ce document ne sont pas contractuels | Edition novembre 2013 Notice DCP25/DCP25-S/DCi35-S | |
Notice Facile