RAM 751 - Thermostat THEBEN - Notice d'utilisation et mode d'emploi gratuit
Retrouvez gratuitement la notice de l'appareil RAM 751 THEBEN au format PDF.
| Caractéristiques techniques | Thermostat programmable, plage de température réglable de 5 à 30°C, précision de ±0,5°C, alimentation 230V AC. |
|---|---|
| Utilisation | Idéal pour le contrôle de la température dans les systèmes de chauffage et de climatisation, facile à installer et à programmer. |
| Maintenance et réparation | Vérifier régulièrement les connexions électriques, nettoyer le thermostat avec un chiffon sec, remplacer les piles si nécessaire. |
| Sécurité | Conforme aux normes de sécurité électrique, protection contre les surcharges, installation par un professionnel recommandée. |
| Informations générales | Dimensions compactes, design moderne, compatible avec la plupart des systèmes de chauffage, garantie de 2 ans. |
FOIRE AUX QUESTIONS - RAM 751 THEBEN
Questions des utilisateurs sur RAM 751 THEBEN
0 question sur cet appareil. Repondez a celles que vous connaissez ou posez la votre.
Poser une nouvelle question sur cet appareil
Téléchargez la notice de votre Thermostat au format PDF gratuitement ! Retrouvez votre notice RAM 751 - THEBEN et reprennez votre appareil électronique en main. Sur cette page sont publiés tous les documents nécessaires à l'utilisation de votre appareil RAM 751 de la marque THEBEN.
MODE D'EMPLOI RAM 751 THEBEN
L'appareil ne doit être ouvert que par un professionnel et installé selon les schémas et les instructions de montage. Respecter les directives de sécurité existantes.
Afin d'obtenir la classe de protection II, prendre les mesures d'installation adequates.
Ce thermostat assure la régulation de la temperature seulement dans des locaux secs et fermés à usage normal. Cè appoureil est selon la norme DIN EN 60730 et fonctionne selon la directive 1C.
1. Domaines d'application
Le thermostat d'ambiance pour chaudiage par le sol est utilisé para la régulation électrique de :
chauffage direct du sol
- systèmes d'ambiance par le sol
\section*{Caracteristiques}
- Abaisement de la température nocturne via une horloge externe
Témoins lumineux pour chauffage en appel de chaleur
et abaisement de température - Interrupteur M/A (S1) bipolaire
Montage dans un boîtier de 60 mm
2.Description des fonctions
2.1 Fonctions
La température du sol est régulée selon la temperature可以选择. Elle est mesuree par une sonde a distance.
La graduation bouton de * à 5 correspond à un réglage de 10^ à 50^ .
Témoins lumineux
Rouge: le thermostat est en appel de chaleur
Vert: abaisissement de la température en cours
2.2 Fonctions de l'entrée d'abaisissement TA
L'entrée TA permet de régier diverses fonctions de l'a+baisement (voir tableau).
Les fonctions sont sélectionnées via les demi-alternances du réseau. Les fonctions correspondant à la spécification «fil pilote».
Demi-alternance Fonction
| sans sans abasissement | |
| les deux abasissement | selon position du J2:3/5 °C |
| positive régulation OFF | |
| négative protection antigel = 10°C | |
| courtes impulsions abassemment de 1 °C | |
| longues impulsions abassemment de 2 °C | |
| La fonction de protection antigel règle une température de 10°C. | |
| Cette entree multifonction permet d'activer les fonctions de régulation par les demi-alternances de la tension alternative du réseau : | |
| Service normal:entée ouverte - - - - | |
| Abasissement de température : | |
| deux demi-alternances | |
| Protection hors gel : | |
| demi-alternance négative | |
| ArrêtCHAUFFAGE: | |
| demi-alternance positive | |
2.3 Sélection de l'abaissement de la température
Le cavalier J2 permet de sélectionner entre 3 ou 5^ d'abaisement de temperature.
J2 = fermé 5^ d'abaisement (état de livreaison)
J2 = ouvert 3°C d'abaisement
La température régée au thermostat est réduite de cette valeur.
2.4 Defaut de la sonde à distance
Le thermostatonne en service d'urgence en cas de défaut (court-circuit ou rupture) de la sonde. Ilchauffe avec au maximum 30% de la puissance (commutation pour une durée de 30% ), ce qui provoque une protection contre le gel et la surchauffe.
Les deux tímoins clignotent en cas de défaut de détction.
2.5 Fonctions des témoins
| Fonction | Témoin vert | Témoin rouge |
| Chauffage en demande | ON | |
| Abaissament de température | ON | |
| Défaut de la sonde | clignote | clignote |
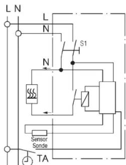
3. Raccordement electrique
Raccordement selon les étapes suivantes :
- retarder le bouton de réglage de la température
- desserrer la vis de fixation
- retirer la partie supérieure du boitier
- raccordement selon le schema (cf. socle du boitier).
Sonde de sol F 193 720.
Monter la sonde de maniere à pouvoir saisir la température à réguler.
La sonde doit être placée dans une gaine de protection pour faciliter tout échange ultérieur.
Le placement de la sonde à proximite de cables à courant fort est interdit. Utiliser le cas échéant un cable blinde.
Le cable de la sonde peut être allongé jusqu'à 50 m par à un cable approprié à la tension de réseau.
Attention: les câbles de la sonde conduit saient la ten
sion du réseau (230 V).
4. Caracteristiques techniques
Référence de commande RAM 751
Numero d'article 7510131
Plage de réglage de la température
- Témoine au sol * à 5 (≈ 10 à 50 °C)
Témoin rouge vert thermostat en appel de chaleur abaisissement de la temperature en cours
Commutateur de réseau bipolaire
Tension d'alimentation 230 V AC (195 à 253 V) 50 Hz
Sortie relais NF
Courant de commutation 100mA A 16A cos = 1 100mA A 4cos = 0
Algor. de régulation thermostat avec enclenchement proportionnel à l'écart de température (semblable au PWM)
Diff.temp. commutation 1^
Sonde de température type F 193 720 (longueur 4 m, avec possiblité d'alonger le cable jusqu'50 m)
Abaisissement de la temp. régable de 3 ou 5 K voir 2.3 via interrupteur horaire exter Limitation de température derrière le bouton de réglage
Tension d'impulsion de test 2,5 kV
Température de test de
compression avec une bille 75^
Tension et courant proposés
pour les mesures de CEM 230 V, 0,1 A
Degre de protection IP 30
Classe de protection II (voir attention)
Degre d'encrasement 2
Classe de Software A
Température environnante 0 à 40 °C
Température au stockage -25 à 70 °C
Poids 90g
Caracteristiques de la sonde à distance
| 10°C | 66,8 kΩ | 30°C | 26,3 kΩ |
| 20°C | 41,3 kΩ | 40°C | 17,0 kΩ |
| 25°C | 33 kΩ | 50°C | 11,3 kΩ |

5. Schéma

Position des cavaliers

6. Dimensions

Notice Facile