RAM 795 B - Thermostat THEBEN - Notice d'utilisation et mode d'emploi gratuit
Retrouvez gratuitement la notice de l'appareil RAM 795 B THEBEN au format PDF.
| Caractéristiques techniques | Thermostat programmable, plage de température réglable de 5 à 30°C, précision de ±0,5°C. |
|---|---|
| Utilisation | Conçu pour le contrôle de la température dans les systèmes de chauffage et de climatisation. |
| Maintenance et réparation | Vérifier régulièrement le bon fonctionnement, nettoyer les contacts et les connexions si nécessaire. |
| Sécurité | Conforme aux normes de sécurité électrique, protection contre les surcharges. |
| Informations générales | Installation facile, compatibilité avec divers systèmes de chauffage, garantie de 2 ans. |
FOIRE AUX QUESTIONS - RAM 795 B THEBEN
Questions des utilisateurs sur RAM 795 B THEBEN
0 question sur cet appareil. Repondez a celles que vous connaissez ou posez la votre.
Poser une nouvelle question sur cet appareil
Téléchargez la notice de votre Thermostat au format PDF gratuitement ! Retrouvez votre notice RAM 795 B - THEBEN et reprennez votre appareil électronique en main. Sur cette page sont publiés tous les documents nécessaires à l'utilisation de votre appareil RAM 795 B de la marque THEBEN.
MODE D'EMPLOI RAM 795 B THEBEN
Thermostat à horloge
RAM 795
1.0 Application
Le thermostat à horloge convient pour la régulation de température dans des habitations ou des locaux commerciaux mais ne convient pas aux environnements très poussièreux (halls de fabrication). Le thermostat assure le maintainie de la temperature comport pendant les heures d'occupation et la temperature réduite en période d'inoccupation ou pendant la nuit (programme d'économie d'énergie).
On peut programmer librement le début et la fin des programmes conform et réduit.
1 mode d'emploi succincte
2 logement pour piles
3 réglage des minutes
4 réglage des heures
5 réglage du jour de semaine
6 interrogation/modification de programme
7 symbole «programme vacances actif»
8 affichage «programme de P1-P6 actif»
9 affichage de l'heure
10 affichage du jour de semaine
11 affichage des minutes
12 affichage «modification manuelle de la température»
13 affichage «mode automatique»
14 affichage «chauffage enclenché»
15 touches de modification
16 affichage de la températe
17 touche ECO
18 sélecteur de programme
19 accès au bornier de raccordement
20 étalonnage, réglage de la précision de régulation, des temps de cycle
21 activation du programme vacances.
2.0 Sécurité

Lors du montage et du démontage du thermostat à horloge, veillez à ce que le cable de raccordement ne soit pas sous tension!
L'appareil ne peut pas etre monte sur un support conducteur!
Le raccordement et le montage doivent être effectuels uniquement par des hommes de métier. Si, dans une installation, les thermostats à horloge sont utilisés avec d'autres apparèils, il faut veiller à ce que l'installation dans son ensemble ne provoque pas de perturbations électriques. Il faut observer les prescriptions nationales et les dispositions de sécurité en vigueur. Des interventions dans l'appareil ou des modifications de celui-ci entrainant la perte de la garantie.
3.0 Montage
Retirez le socle de fixation du thermostat
Fixez le socle sur le mur, à environ 1,5 m du sol, si possible sur un mur interieur, où l'air peut circuler librement.
Passez le cable electrique par la discovere du socle
Replacez le thermostat sur son socle et enlevez la plaque d'accès au bornier
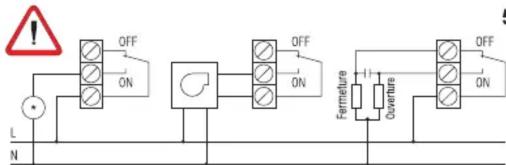
Effectuez le raccordement selon le schema électric.




1.





- circulatoure, vanne électro
thermique, vanne gaz alimentation 230 V~ bruleur sans alimentation 230 V~
vanne melangeuse
motorisee

4.0 Placement ou changement des piles (de type alcaline LR6)
Mise en place des piles : 1. ouvre le couvercle du thermostat à horloge
- place des nouvelles piles, de même type, en
respectant la polarité
- refermez le couvercle du thermostat à horloge.
Conseil :
verifiez les piles de temps en temps (des piles qui coulent peuvent endomager leur apparéil).
Changement des piles : le programme et l'heure sont sauvégardés quelques minutes, pendant le changement des piles.
- Enlevez les piles usagées
- Débarrasssez-vous des piles en respectant l'environnement
- Utilisez de nouvelles piles, de même type, alcaline LR6
- Placez de nouvelles piles en respectant la polarité.
Comportement du thermostat à horloge en cas de piles usagées
L'affichage clignote encore quelques jours. Ensuite, l'horloge s'arrête. Le relais reste en position ON. Le chauffage n'est plus régulé.
5.0 Première mise en service
Enlevez la languette d'isolement du logement des piles.
Appuyez sur la touche RES à l'aide d'un object pointu.
Réglage du jour de semaine
Mantenez la touche d enfoncée
Réglez le jour avec les touches ▲/▼ (1=lundi, 2=mardi, etc.). Relâchez la touche d.
Réglage de l'heure
Maintenez la touche h enforcée
Réglez l'heure avec les touches ▲/▼. Relâchez la touche h.
Maintenez la touche m enforcée.
Réglez l'heure avec les touches ▲/▼. Relâchéz la touche m
6.0 Interrogation du programme de base
Appuyez plusieurs fois sur la touche Prog.
6 programmes de base seront successivement affichés.
| Heure | Lu | Ma | Me | Je | Ve | Sa | Di | Température | |
| Prog. 1 | 6:00 | • | • | • | • | • | • | • | 21 °C |
| Prog. 2 | 22:00 | • | • | • | • | • | • | • | 18 °C |
| Prog. 3 | 6:00 | • | • | • | • | • | 21 °C | ||
| Prog. 4 | 22:00 | • | • | • | • | • | 18 °C | ||
| Prog. 5 | 8:00 | • | • | 21 °C | |||||
| Prog. 6 | 23:30 | • | • | 18 °C |
7.0 Choix du programme de base
Appuyez sur la touche Prog (eventuellement plusieurs fois), jusqu'à ce qu'apparaisse le programme de base désiré P1 - P6.
Attention : les programmes P1 et P2 sont d'office activés après un RESET.
Si on sélectionne en plus les programmes P5 et P6, il y aura des recouvrements horaires. Si les temps de commutation de P1/P2 et P5/P6 ne sont pas modifiés, ce sont les temps de commutation journaliers de P1/P2 qui sont pris en considération, également les samedi et dimanche (voir tableau).
Activation/suppression d'un programme
Appuyez sur la touche Prog jusqu'à ce qu'apparaisse le programme à activer/ supprimer, par ex. P1.
Appuyez sur la touche SET. Si l'affichage de P1 est fixe, le programme est actif. Si l'affichage de P1 clignote, le programme n'est pas activé.
Appuyez sur la touche Prog pour visualiser les autres programmes.
Appuyez sur la touche SET pour activer ou supprimer un programme.
Lorsque le programme P6 a ete visualise, les numeros de programme actives et SET apparaisent dans l'affiche.
Appuyez maintainant sur la touche SET pour memoriser le programme.
L'affichage indique de nouveau l'heure et le nombre du dernier programme exécuté.
8.0 Modification du programme de base
Appuyez sur la touche Prog eventuellement plusieurs fois, jusqu'à ce qu'apparaisse le programme de base désiré P1 - P6.
Modification du jour
Maintenez la touche d'enforcée pendant la durée du réglage. Modifiez le jour de semaine avec les touches ▲/▼.
On peut selectionner soit des jours individuellement, soit des blocs de jours 1 à 5 ou 6 à 7 ou 1 à 7.
Modification de l'heure de début de programme
Maintenez la touche h ou m enforcée pendant la durée du réglage. Choisissez l'heure ou les minutes avec les touches ▲/▼.
Modification de la température
Modifie la tempereature avec les touches /
Appuyez sur la touche Prog pour acceder aux autres programmes (proceder eventuellement aux modifications).
Appuyez sur la touche Prog jusqu'à ce qu'apparaisse SET dans l'affichage. Appuyez sur la touche SET pour memoriser les modifications.
Vouavesmaintenantpersonnalisevosprogrammesetyoupuvezlesactiverounon(voir chap.7.0).Maximum6programmesdebasepouvencetreactivesenmeme temps.
9.0 Modification manuelle de la température en mode automatique
Principé de fonctionnement
En mode automatique, on peut modifier et régler individuellement la temperature entre 5 et 27^ . Ce réglage n'est opérant que jusqu'au prochain changement de temperature programme (P1 - P6). Ensuite, la temperature programmée dans le programme activé sera prise en considération.
Modification de la température
Réglez la température désirée avec les touches / . Relâchez ensuite les touches.
10.0 Programme ECO
Principé de fonctionnement
On peut selectionner une température fixe de 16^ pour une durée comprise entre 1 heures (ECO 1) et 8 heures (ECO 8). Le temps ECO restant est affiché. Si le programme ECO est terminé, la température programmée dans le programme activé est de nouveau prise en considération.
Activation du programme ECO
Appuyez plusieurs fois sur la touche ECO pour sélectionner la durée ECO désirée (ECO 1 - ECO 8). Par ex., ECO 6 = 6 heures en régime réduit (16 °C).
Annulation du programme ECO
Maintenez la touche ECO enfoncée pendant environ 2 secondes.
11.0 Sélecteur de programme

Auto = le thermostat régule la température ambiente selon le programme de chauffage ménorisé. Une modification manuelle de la température ou l'activation du programme ECO ou vacances est possible.
Perm 21^ = le thermostat maintain la temperature a 21^ en permanence. Une modification manuelle de la temperature est impossible.

Perm Off = le thermostat est declenché. Une modification manuelle de la temperature est impossible.

水 = protection antigel permanente (+5^) - Une modification manuelle de la température est impossible.
12.0 Programme vacancies
Pendant la durée d'un programme vacances, le thermostat à horloge maintainé la température réduite besoin. Le programme débute et finit à minuit.
Appuyez brievement sur la touche
Dans combien de jours doit commencer le programme vacances ?
Maintenez la touche d'enforcée pendant la durée du réglage.
Avec les touches / , réglez le nombre de jours jusqu'au début du programme vacances. Relâchez la touche d.
Combien de jours doit durer le programme vacances ?
Maintenez la touche d enfoncée pendant la durée du réglage.
Avec les touches / , réglez la durée du programme vacances.
Quelle température faut-il maintainir durant les vacances ?
Avec les touches reglez la temperture désirée. Mémorisez avec la touche SET. Le symbole indique qu'un programme vacances est mémorisé (mais non encore opérant).
Affichege «Programme vacancies en cours»
Dans l'affichage apparait par ex. 00:15, c'est-à-dire que le programme vacances durera 15 jours et se terminera à minuit.
Maintenez la touche enfoncée pendant environ 2 secondes.
13.0 RESET/Effacement général
Après une action sur la touche RES (avec un objet pointu), les données modifiées et mémorises sont effacées; le programme de base est restauré.
Mème après un RESET, le thermostat à horloge dispose à nouveau du programme de base imperdable. Voir tableau, chapitre 5.0.
Si l'on ne règle pas l'heure, l'appareil maintain 21 °C en permanence.
L'horloge est arrêtée jusqu'à l'introduction de l'heure.
Réglages réservés au professionnel
14.0 Etailonnage
Le thermostat à horloge est ajusté en usine. Si un nouveau réglage était rendu nécessaire par le lieu de montage, par ex. pour un mur froid en béton, l'écart de température peut être corrige.
Voupez corriger I'ecart de tempereature dans la plaque de -3a + 3^ Example: la differencé de tempereature entre la temperature mesurée et la temperature reglee est de +2^ Correction: -2^
Réglage à partir du mode automatique
Appuyez sur les touches SET et pendant environ 2 secondes. Maintenez la touche SET enforcée et reglez la valeur à corriger avec les touches / . Relâchez la touche SET et<morisez la valeur modifiée an appuyant de nouveau sur la touche SET.
15.0 Réglage de la précision de régulation (différentiel)
Le différentiel du thermostat peut être régé sur 0,5 ou 1 K.
Le réglage de base est de ± 1 K.
Réglage à partir du mode automatique
Appuyez sur les touches SET et h pendant environ 2 secondes. Maintenez la touche h enforcée et modifiez la valeur avec la touche SET. Relâchez la touche h et mémorisez la valeur modifiée avec la touche SET.
16.0 Caracteristiques techniques
Type de régulateur: RS type 2 B selon EN 60730-1
Mode de régulation: hystérisis
Précision de régulation: ±0,5 K (0,5 ou 1 K)
Température ambiente admise: 0 à +40 °C (T60)
Piles: 2 x alcalines LR 6
Pouvoir de coupure du contact: maxi 2 A 250 V AC cos φ = 1 ou 1 A cos φ = 0,6; mini. 1 mA/5 V DC
Classe de protection: Il selon EN 60355
Degré de protection: IP 20 selon EN 60529

Route de Biesme 49·B-6530 THUIN TEL. (071)59 00 39·FAX (071)59 01 61
Notice Facile