RAM 812 top2 - Thermostat THEBEN - Notice d'utilisation et mode d'emploi gratuit
Retrouvez gratuitement la notice de l'appareil RAM 812 top2 THEBEN au format PDF.
| Caractéristique | Détails |
|---|---|
| Type de produit | Thermostat programmable |
| Plage de température | 5 à 30 °C |
| Alimentation | 230 V AC |
| Type de capteur | Capteur de température intégré |
| Modes de fonctionnement | Confort, Économie, Hors gel |
| Affichage | Écran LCD rétroéclairé |
| Dimensions | 85 x 85 x 35 mm |
| Installation | Montage en saillie ou encastré |
| Maintenance | Nettoyage régulier de la surface, vérification des connexions électriques |
| Sécurité | Protection contre les surcharges, conforme aux normes CE |
| Garantie | 2 ans |
| Accessoires inclus | Vis et chevilles pour installation |
FOIRE AUX QUESTIONS - RAM 812 top2 THEBEN
Questions des utilisateurs sur RAM 812 top2 THEBEN
0 question sur cet appareil. Repondez a celles que vous connaissez ou posez la votre.
Poser une nouvelle question sur cet appareil
Téléchargez la notice de votre Thermostat au format PDF gratuitement ! Retrouvez votre notice RAM 812 top2 - THEBEN et reprennez votre appareil électronique en main. Sur cette page sont publiés tous les documents nécessaires à l'utilisation de votre appareil RAM 812 top2 de la marque THEBEN.
MODE D'EMPLOI RAM 812 top2 THEBEN
Notice de montage et d'utilisation
Thermostat d'ambiance
tempolec

text_image
TEMP AMBIANTE 21.3°C MENU T°/H 5 °C INFO thebenNous vous félicitons de votre choix! Votre RAM theben est à la fois complet et simple à utiliser. Nous vous conseillons vivement de lire le mode d'emploi express (pp 6-9).
Table des matières
- Consignes de sécurité élémentaires ....3
- Informations relatives à l'environnement ....3
- Raccordement, montage et démontage ....4
- Mise en service ....5
- Ce que vous devez savoir (mode d'emploi express)....6
- Programmation....10
- Régler la date et l'heure ainsi que la règle de changement d'heure été/hiver ....15
- Programme VACANCES....15
- Choisir la LANGUE (OPTIONS) 16
- Choisir l'AFFICHAGE (OPTIONS)....16
- Régler le RÉTRO-ÉCLAIRAGE de l'écran (OPTIONS) 17
- Régler le CONTRASTE de l'écran (OPTIONS)....17
- Fonction de VERROUILLAGE des TOUCHES (OPTIONS) 18
- Restaurer les REGLAGES D'USINE (OPTIONS) 18
- Précisions supplémentaires....19
- REGLAGES PROFESSIONNELS....20
- Caractéristiques techniques ....27
1. Consignes de sécurité élémentaires
Avertissement!
1.1. Montage et raccordement exclusivement par un professionnel
Le raccordement par un non-professionnel peut s'avérer dangereux: risque d'électrocution et d'incendie.
L'appareil est prévu pour un montage mural. Correspond au type 1 B selon CEI/EN 60730-1.
1.2. Utilisation conforme à l'usage prévu
Le thermostat d'ambiance régule la température ambiante dans les maisons particulières, les bureaux, etc.
Il convient pour des locaux secs, dans des conditions environnementales normales (par ex: habitation).
2. Informations relatives à l'environnement
La production de l'appareil que vous avez acheté a nécessité l'extraction et l'utilisation de ressources naturelles. Il peut contenir des substances dangereuses pour la santé et l'environnement.
Pour éviter la dispersion de ces substances dans notre environnement et réduire la consommation des ressources, nous vous encourageons à utiliser les systèmes de collecte appropriés lorsque vous devrez vous débarrasser des piles ou de votre appareil en fin de vie.
Le symbole de la poubelle barrée vous invite à utiliser ces systèmes de collecte.
Ces systèmes de collecte permettront de réutiliser ou recycler de manière saine la plupart des matières.
Si vous désirez des informations complémentaires sur ces systèmes de collecte, de emploi et de recyclage, prenez contact, s'il vous plaît, avec l'administration locale ou régionale de gestion des déchets.
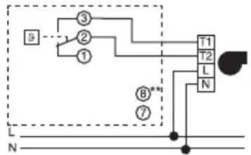
3. Raccordement, montage et démontage
Raccordement
Couper la tension!
Recouvrir ou protéger les parties sous tension à proximité.
Protéger contre toute remise en marche!
Vérifi er l'absence de tension!
* Les bornes 4, 5 et 6 sont uniquement disponibles sur les modèles RAMSES 812 top2 et RAMSES 832 top2 avec alimentation 230 V.
** Les bornes 7 et 8 sont disponibles uniquement sur les modèles RAMSES 831 top2 et RAMSES 832 top2. Elles permettent de raccorder un capteur de température ou une commande à distance (voir p.21).
ATTENTION - L'entrée ne peut être connectée à aucune tension sous-peine de destruction de l'appareil.
Si nécessaire, le câble de raccordement de l'entrée externe peut être prolongé par un câble approprié mais dans ce cas, il faut veiller à ne pas poser un câble de 230 V à proximité afi n d'éviter des perturbations électriques.
Montage
Fixer la plaque au mur et enficher l'appareil sur celle-ci Respecter la hauteur de montage d'environ 1,5 m du sol

flowchart
graph TD
A["9"] --> B["①"]
B --> C["②"]
C --> D["③"]
D --> E["T1"]
E --> F["L"]
F --> G["N"]
G --> H["⑦"]
H --> I["⑧*"]
I --> J["T2"]
J --> K["L"]
K --> L["N"]
style A fill:#f9f,stroke:#333
style L fill:#ccf,stroke:#333
Commande d'un brûleur fuel ou d'une chaudière gaz

Commande d'un circulateur ou d'une vanne électrothermique

text_image
213°CDémontage
A l'aide d'un tournevis, appuyer sur le crochet de verrouillage par le dessous et vers le haut, ouvrir ensuite l'appareil.
4. Mise en service
Les RAM 812 top2 et 832 top2 sont alimentés en 230 V (secteur). Les RAM 811 top2 et 831 top2 sont alimentés par piles (non fournies).
4.1. Introduire les piles (RAM 811 top2 et RAM 831 top2)
N'utiliser que des piles alcalines 1,5 V de type AA Veiller à ce que la polarité des piles soit correcte (+/-)
Si l'écran ne s'allume pas, appuyer pendant 3 secondes sur la touche de droite sous l'écran.

text_image
TOMM REGISTRAT 2.13°C Shubon4.2. Choix de la langue
(Réglage d'usine 1ère langue affi chée: Nederlands)
Appuyer sur + pour sélectionner une autre langue
Confirmer par OK.
4.3. Réglage de la date et l'heure
Régler ANNEE, MOIS, JOUR, HEURE et
MINUTE à l'aide des touches + / -
Confirmer chaque réglage par OK pour passer à l'étape suivante.
Remarque: RAMSES 831 top2 et RAMSES 832
top2: la date et l'heure sont préréglées en usine.
Il suffit de confirmer par OK.
5. Ce que vous devez savoir (mode d'emploi express)
Le thermostat à horloge RAM de Theben vous sera vite familier.
Vous disposez de 3 PROGRAMMES PREDEFINIS:
P1: sans abaissement de température en journée du lundi au vendredi.
Idéal pour les bâtiments occupés en journée tous les jours.
P2: avec abaissement de température en journée du lundi au vendredi.
Idéal pour les couples qui travaillent à l'extérieur.
P3: avec abaissement de température en journée du lundi au vendredi.
Idéal pour les couples qui travaillent à l'extérieur avec enfants à la maison le mercredi après-midi.
Les programmes détaillés se trouvent dans le chapitre programmation (voir p.10).
Ces programmes sont aisément MODIFIABLES (voir p.12). Vous pouvez les personnaliser, les adapter à votre situation.
Vous pouvez également activer P1 puis activer P2 ou P3 si vos horaires changent d'une semaine à l'autre, par exemple.
N'hésitez pas à modifi er les réglages. Vous pouvez à tout moment revenir aux réglages d'usine (voir p.18) et retrouver les programmes P1, P2, P3: ils sont IMPERDABLES.
SANS TOUCHER AU PROGRAMME, vous pouvez également:
modifi er temporairement la température
(1): il suffit de tourner la molette (confirmation facultative par la touche OK). Le programme actif reprendra dès la commutation suivante.
modifier la température pour une durée définie (2): la touche T°/H est idéale dans ce cas.
modifi er la température pour une durée illimitée (3): il suffit d'utiliser la touche 6 °C. Il vous est loisible de modifi er la température avec la molette ou avec les touches + / - .

text_image
TEMP ROBIARTE 21.3°C MOLOT (1) T+/H (2) 6 °C (3) theben5. Ce que vous devez savoir (mode d'emploi express)
Principes d'utilisation
Toute valeur qui clignote indique que vous devez régler la valeur affichée ou la confirmer.
Régler une valeur/choisir une fonction:
tourner la molette ou appuyer sur la touche + ou -. Valider par la touche OK.
Passer à un autre sous-menu: tourner la molette ou appuyer sur la touche + ou -. Valider par la touche OK.
Sortir d'un sous-menu: appuyer sur la touche EXIT (chaque pression vous amène à un niveau supérieur de l'arborescence) ou attendre ± 1 min pour un retour automatique à l'écran principal. EXIT permet d'interrompre une manipulation à tout moment.
Pour toute modifi cation, une ligne-texte dans votre langue vous aide pas à pas.
Dans ce mode d'emploi, vous trouverez l'explication pour chaque fonction de l'appareil. Pour vous aider, chaque manipulation sera signalée par une zone grisée.
Pour les utilisateurs chevronnés, quelques précisions sont reprises en fin de manuel (voir p.19).

text_image
2.1.3 EXIT - + OK5. Ce que vous devez savoir (mode d'emploi express)
Ecran et touches

text_image
BAR graph: affichage des horaires de commutation programmés TEMP AMBIANTE 12:41 21.3°C MENU T°/H 6 °C INFO Affichage de l'heure ou de la température (voir p. 16) Ligne de texte Affichage de la température ou de l'heure Jour de la semaine de 1 à 7 Info Température permanente (6 °C) → Fonction minuterie (T°/H) → Menu → Touches de programmation ou d'interrogation EXIT - + OK OK → enregistrer la sélection / confirmer la sélection + → pour parcourir le menu ou pour modifier les valeurs - → pour parcourir le menu ou pour modifier les valeurs Exit → quitter la fonction ou la procédure / retourner au menu précédent5. Ce que vous devez savoir (mode d'emploi express)

text_image
- 3 T°/H 6 °C INFOT^ / H
Utilité: changement de la température pendant une période déterminée.
Appuyer sur la touche T°/H
L'écran affi che le message «TEMPERATURE SOUHAITEE» et la dernière température sélectionnée (réglage d'usine 17.0 °C)
Régler la température désirée (+ / - -> OK)
Régler la durée entre 00:30 et 24:00 par tranche de 30 min (+ / - -> OK)
Tant que la fonction est activée, l'écran affi che TEMPS RESTANT et la durée restante (compte à rebours).
Pour annuler la fonction, appuyer sur la touche EXIT ou T°/H afi n de revenir au programme initial; la procédure sera confi rmée par l'affi chage du message «RETOUR AU PROGRAMME».
6°C
Utilité: changement de la température pendant une période illimitée.
Appuyer sur la touche 6 °C
L'écran affi che le message «TEMPERATURE SOUHAITEE» et la dernière température sélectionnée (réglage d'usine 6 °C)
Régler la température (+ / - -> OK)
Tant que la fonction est activée, l'écran affi che TEMP PERMANENT.
Pour annuler la fonction, appuyer sur la touche EXIT ou sur la touche ...°C afi n de revenir au programme initial; la procédure sera confi rmée par l'affi chage du message «RETOUR AU PROGRAMME».
INFO
Utilité: affi chage successif du programme en cours, de la température souhaitée, des date et heure et de l'état des piles.
Appuyer plusieurs fois sur la touche INFO.
6. Programmation
Les appareils RAMSES top2 sont dotés de trois programmes prédéfinis et imperdables:
P1

text_image
06:00 (21 °C) 22:00 (17 °C) 07:00 (21 °C) 23:00 (17 °C)P2

text_image
06:00 (21 °C) 08:00 (17 °C) 16:00 (21 °C) 22:00 (17 °C) 07:00 (21 °C) 23:00 (17 °C)P3

text_image
06:00 (21 °C) 07:00 (21 °C) 08:00 (17 °C) 11:30 (21 °C) 16:00 (21 °C) 20:00 (22 °C) 22:00 (17 °C) 23:00 (17 °C)6.1. Menu et sous-menus
La touche MENU et ensuite le sous-menu PROGRAMMATION vous proposent les fonctions suivantes: ACTIVER..... pour sélectionner un programme VERIFIER..... pour passer en revue le contenu du programme CHANGER ...pour modifier le programme EFFACER..... pour effacer partiellement ou totalement un programme CREER.....pour compléter un programme existant ou créer un nouveau programme
6. Programmation
6.2. Remarque préliminaire
Un pas de programme est la combinaison d'un jour (ou d'un groupe de jours), d'une heure et d'une température au choix.
6.3. ACTIVER un programme (P1/P2/P3)
Réglage d'usine: P1 actif MENU -> PROGRAMMATION -> OK Choisir PROGRAMME P1, P2 ou P3 (+ / - -> OK) Remarque: la fonction ACTIVER n'est pas proposée pour le programme déjà actif.
6.4. VERIFIER le programme
MENU -> PROGRAMMATION -> OK Choisir Programme P1, P2 ou P3 (+ / - -> OK) Si nécessaire, appuyer sur la touche + (uniquement pour un programme inactif) L'écran affiche P... VERIFIER, confirmer par OK Appuyer sur NEXT pour passer à la commutation suivante Toutes les heures de commutation programmées peuvent ainsi être affi chées successivement.

flowchart
graph TD
A["PROGRAMME P1"] --> B["PROGRAMMATION"]
B --> C["OK"]
C --> D["PROGRAMME P2"]
D --> E["OK → 0 ou 1 x +"]
E --> F["P... VERIFIER"]
F --> G["OK → NEXT...NEXT"]
H["MENU"] --> I["PROGRAMME P3"]
6. Programmation
6.5. CHANGER (personnaliser) les programmes de température (P1, P2, P3)
MENU -> PROGRAMMATION -> OK
Choisir PROGRAMME P1, P2 ou P3 (+ / - -> OK)
Choisir le sous-menu CHANGER (+ -> OK)
Sélectionner le pas de programme à changer (NEXT ou OK)
Modifi er les jours (lu-ve, sa-di, tous les jours ou un jour au choix) (+ / - -> OK)
Choisir l'heure de commutation (+ / - -> OK)
L'écran affi che TEMP SOUHAITEE
Sélectionner la température (+ / ---> OK).

flowchart
graph TD
A["PROGRAMME P1"] --> B["PROGRAMMATION"]
B --> C["OK"]
C --> D["PROGRAMME P2"]
D --> E["OK → 1 ou 2 x +"]
E --> F["CHANGER"]
F --> G["OK"]
G --> H["P... CHANGER"]
H --> I["NEXT OU OK"]
I --> J["JOUR"]
J --> K["+ / - → OK"]
K --> L["HEURE"]
L --> M["+ / - → OK"]
M --> N["MINUTE"]
N --> O["+ / - → OK"]
O --> P["TEMP SOUHAITEE"]
P --> Q["+ / - → OK"]
6. Programmation
6.6. EFFACER un pas de programme
MENU -> PROGRAMMATION -> OK
Sélectionner le PROGRAMME P1, P2 ou P3
$$ (+ / - - > O K) $$
Appuyer sur + + + -> P... EFFACER -> OK
L'écran affi che PARTIEL, appuyer sur OK
Sélectionner le pas à effacer (NEXT)
Effacer en appuyant sur OK
Répéter l'opération autant de fois que souhaité.
6.7. EFFACER complètement un programme
MENU -> PROGRAMMATION -> OK
Appuyer sur + + + -> EFFACER PROG -> OK
Sélectionner le programme à effacer avec + / - (EFFACER P1, P2, P3 ou TOTAL)
Effacer le(s) programme(s) en appuyant sur OK CONFIRMATION -> OK.
6.8. Retour aux réglages d'usine
Utilité: annulation de toutes les modifications apportées aux programmes P1, P2 ou P3.
MENU -> + + + -> OPTIONS -> OK -> --> REGLAGE USINE -> OK -> CONFIRMATION -> OK

flowchart
graph TD
A["PROGRAMME P1"] -->|+| B["PROGRAMME P2"]
B -->|+| C["PROGRAMME P3"]
B -->|OK → 2 ou 3 x +| D["P... EFFACER"]
D -->|OK| E["PARTIEL"]
E -->|+| F["TOTAL"]
E -->|OK| G["P... EFFACER"]
G -->|NEXT OU OK| H["CONFIRMATION"]
C --> I["OK"]
6. Programmation
6.9. CREER un nouveau pas de programme ou un nouveau programme
Les programmes prédéfi nis (P1, P2, P3) peuvent être complétés (ajout d'un pas de programme). Ces nouveaux pas de programme se superposent au programme existant (il faut se demander si le programme ainsi obtenu est conforme à ce que l'on désire).
On peut également effacer complètement P1/P2/P3 (voir p.13 - 6.7.) pour ensuite créer son propre programme. Dans certains cas, il est préférable de procéder ainsi.
Nous vous conseillons de préparer le programme par écrit avant de l'introduire. On dispose de 24 possibilités de commutation par programme ou de 42 au total.
MENU -> PROGRAMMATION -> OK
Sélectionner PROGRAMME P1, P2 ou P3 (+ / - -> OK)
+ + + (+) jusqu'à P... CREER -> OK
Sélectionner les jours souhaités (+ / - -> OK)
Choisir l'heure de commutation (+ / - -> OK)
Choisir les minutes de commutation (+ / - -> OK)
Sélectionner la température souhaitée
$$ (+ / - - > O K) $$
Procéder de la même façon pour les autres commutations à programmer.

flowchart
graph TD
A["PROGRAMME P1"] --> B["PROGRAMME P2"]
B --> C["+"]
C --> D["PROGRAMME P3"]
B --> E["OK → 3 ou 4 x +"]
E --> F["P... CREER"]
F --> G["OK"]
G --> H["JOUR"]
H --> I["+ / = → OK"]
I --> J["HEURE"]
J --> K["+ / = → OK"]
K --> L["MINUTE"]
L --> M["+ / = → OK"]
M --> N["TEMP SOUHAITEE"]
N --> O["+ / = → OK"]
7. Régler la date et l'heure ainsi que la règle de changement d'heure été/hiver
MENU -> + -> HEURE/DATE -> OK
Règle heure d'été/hiver: plusieurs choix sont proposés EUROPE, EUROPE OCCIDENTALE et EUROPE DE L'EST ou SANS ETE/HIVER. Belgique/France: sélectionner EUROPE.
8. Programme VACANCES
8.1. Programmation
MENU -> + + -> VACANCES -> OK
L'écran affi che DEBUT VACANCES
Sélectionner successivement l'année, le mois, le jour et l'heure (+ / - -> OK)
Saisir ensuite FIN VACANCES de la même façon
Choisir la température (+ / - -> OK)
Remarque: il n'est possible de programmer qu'une seule période vacances à la fois.
8.2. Vérifi er le programme VACANCES
Possible uniquement lorsqu'une période de vacances a été programmée.
MENU -> + + -> VACANCES -> OK
L'écran affiche VERIFIER -> OK
Appuyer sur la touche OK pour passer en revue tout le programme vacances.
8.3. Interrompre brièvement et réactiver le programme VACANCES
Au cours de la période vacances, le programme peut être interrompu par la touche OFF. Les autres fonctions sont alors accessibles.
Pour réactiver le programme vacances:
MENU -> + + -> VACANCES -> OK
L'écran affi che REACTIVATION
Appuyer sur OK
L'écran affi che par exemple FRANÇAIS Sélectionner la langue (+ / - -> OK).
Langues disponibles: Nederlands, Français, English, Deutsch, Espanol et Italiano.
10. Choisir l'AFFICHAGE (OPTIONS)
L'appareil propose 4 types d'affi chage: (voir p.8)
1 = affichage simple, après 5 secondes, la température apparaît en grand (position centrale sur l'écran et les heures en petit dans le coin supérieur droit)
2 = affichage simple, les heures apparaissent en grand (position centrale sur l'écran et la température en petit dans le coin supérieur droit)
3 = affichage complet avec bar graph pour indiquer le profi I du programme pour la journée, température en grand, heures en petit
4 = affichage complet avec bar graph pour indiquer le profi l du programme pour la journée, heures en grand, température en petit 4 = réglage d'usine
Pour choisir un autre affi chage:
MENU -> + + + -> OPTIONS -> OK -> + -> AFFICHAGE -> OK
Sélectionner une valeur de 1 à 4 (+ / - -> OK).
11. Régler le RÉTRO-ÉCLAIRAGE de l'écran (OPTIONS)
(Uniquement pour RAMSES 831 et 832 top2)
La luminosité du rétro-éclairage peut être réglée:
L'écran affi che, par exemple, 3
Sélectionner une valeur de 0 à 3 (+ / - -> OK).
12. Régler le CONTRASTE de l'écran (OPTIONS)
Le contraste peut être réglé sur différents niveaux.
L'écran affi che, par exemple, 8
Sélectionner une valeur de 0 à 15 (+ / - -> OK).
13. Fonction de VERROUILLAGE des TOUCHES (OPTIONS)
Lorsque cette fonction est activée, les touches deviennent non-fonctionnelles; l'écran affi che VERROUILLAGE en cas de pression sur une touche. Cette fonction permet d'empêcher toute manipulation involontaire ou non souhaitable.
13.1. Activer le verrouillage des touches
L'écran affiche SANS VERROUILLAGE
Appuyer sur la touche +
Valider AVEC VERROUILLAGE en appuyant sur OK
Le verrouillage n'est actif qu'après quelques secondes. Un symbole en forme de clé apparaît alors sur l'écran.
13.2. Déverrouillage partiel
Cette fonction permet de vérifi er la programmation sans annuler le verrouillage des touches.
Appuyer sur la touche INFO pendant 3 secondes.
13.3. Déverrouillage permanent
Cette fonction permet d'annuler le verrouillage des touches.
Appuyer sur la touche INFO pendant 3 secondes
Il est toujours possible de rétablir les programmes et réglages d'usine. L'appareil retrouve son état d'origine.
L'écran affiche CONFIRMATION, appuyer sur OK pour valider
Régler ou confirmer les différentes valeurs qui s'affi cheront.
15. Précisions supplémentaires
15.1. Reset
A l'aide d'un objet pointu, appuyer dans l'orifi ce situé sur le côté gauche de l'appareil. En cas de reset, l'appareil devra être remis à l'heure (voir p.15).
15.2. AFFICHAGE
Selon l'affi chage choisi (voir p.16), après 5 secondes, les informations superfl ues sont masquées. L'écran complet réapparaît en appuyant sur la touche INFO. Lorsque l'on utilise les fonctions VERIFIER, CHANGER, EFFACER ou CREER, la barre discontinue située dans le coin supérieur gauche de l'écran indique la position dans la navigation.
15.3. EFFACER un programme
Pour effacer le programme P1/P2/P3, on a le choix entre deux «chemins»:
a. MENU -> PROGRAMMATION -> OK ->
PROGRAMME P... -> OK -> + + (+) ->
P... EFFACER -> OK -> + -> TOTAL -> OK
-> CONFIRMATION -> OK
b. MENU -> PROGRAMMATION -> OK ->
+ + + -> EFFACER PROG -> OK ->
EFFACER P... -> OK
15.4. Programme VACANCES - Vérification
Astuce: on peut vérifi er le programme par le menu VACANCES + fonction VERIFIER ou par pressions successives de la touche INFO.
15.5. Remplacement des piles
Lorsque les piles sont presque épuisées, l'appareil le signale par le symbole de la pile ou le clignotement de tout l'écran.
Si le symbole «pile» clignote à l'écran, le thermostat est toujours opérationnel mais les piles doivent être remplacées dès que possible.
Si l'écran clignote, le régulateur n'est plus opérationnel; le relais reste enclenché en permanence. Les piles doivent être remplacées immédiatement.
Nous vous conseillons de remplacer les deux piles à la fois et d'opter pour des piles de bonne qualité (piles 1,5 V de type AA). Attention: un long stockage use les piles!
15.6. Réglages d'usine
Langue: NEDERLANDS
Programme actif: P1
Règle de passage d'heure été/hiver: Europe Affi chage n°4
16.1. Etalonner la température mesurée
Si l'emplacement de montage est défavorable, des différences de température peuvent survenir entre la température ambiante effective et la température affi chée. Cette différence peut être corrigée grâce à l'étalonnage.
MENU -> + + + + -> REGLAGE PRO -> OK L'écran affi che ETALONNAGE
Accéder à cette fonction en appuyant sur OK Modifi er la température (+ / ---> OK).

text_image
ETALONNAGE 0.3° 21.2°C Valeur de décalage (différence entre la température mesurée et la température affichée) réglable de -5,0 à +5,0 °C Température prise en compte16.2. Activer l'optimisation
(Uniquement pour RAMSES 831 et 832 top2) La fonction d'optimisation permet d'atteindre une température ambiante précise au moment de commutation programmé. Pour ce faire, il faut régler le nombre de minutes nécessaires pour compenser 1 K.
Cette valeur dépend des conditions ambiantes et du type de chauffage.
Selon la taille de la pièce et l'installation de chauffage, le nombre de minutes sera ± grand. En fonction de cette valeur, le thermostat calcule l'anticipation de l'enclenchement en fonction de la différence de température entre la température effective et la température de consigne souhaitée.
Exemple: la commutation entre température réduite (17 °C) et de confort (23 °C) est programmée à 06:00. Sans fonction d'optimisation, le thermostat d'ambiance passe en appel de chaleur à 06:00. La température ambiante désirée de 23 °C est atteinte à, par exemple, 06:30. Si l'optimisation est réglée sur 5 min/K, le thermostat passera en appel de chaleur à 05:30:
température de consigne à 06:00: 23 °C
température réelle: 17 °C
c'est à dire: delta T = 6 K
6 K * 5 min/K = 30 min
06:00 - 30 min = 05:30
MENU -> + + + + -> REGLAGE PRO -> OK -> + -> OPTIMISATION -> OK
Régler la valeur de 1 à 60 (+ / - -> OK).
16.3. Activer la PROTECTION POMPE (dégommage)
Cette fonction n'est pas activée en usine mais est accessible dans le sous-menu REGLAGES PRO. Elle aura pour effet de forcer la pompe à fonctionner au min. 1x/24H (durée réglable entre 10 et 120 secondes). Cela permet d'éviter tout blocage de la pompe en cas d'inactivité prolongée.
Remarque: il est conseillé de faire fonctionner la pompe avant la production d'eau chaude sanitaire; on évite ainsi tout choc thermique au niveau de la chaudière.
$$ \begin{array}{l} \text {MENU - > + + + + - > REGLAGE PRO - > OK} \ \text {- > + + - > PROTECT POMPE - > OK} \end{array} $$
A l'aide des touches + / - ou de la molette, sélectionner ON ou OFF et valider en appuyant sur OK
Régler HEURE (+ / - -> OK)
Régler la DUREE entre 10 et 120 secondes (+ / - -> OK).
16.4. Confi gurer l'ENTREE EXTERNE
Sur les modèles RAMSES 831 top2 / 832 top2, l'entrée externe peut être confi gurée pour différentes fonctions telles que: - capteur sol (sonde sol)
- capteur ambiant (sonde d'ambiance)
- contact fenêtre
- commande téléphonique
- détecteur de présence.
$$ \begin{array}{l} \text {MENU - > + + + + - > REGLAGE PRO - > OK} \ \text {- > + + + - > ENTREE EXTERNE - > OK} \end{array} $$
Vous pouvez choisir entre ENTREE EXT INUTILISEE, CAPTEUR SOL, CAPTEUR AMBIANT, CONTACT FENETR, COMMANDE TEL (commande téléphonique), DET PRESENCE (détecteur de présence) (+ / - -> OK)
Le cas échéant, sélectionner les options disponibles (+ / - -> OK).
| Capteur sol | ||
| Mode 1 | Utilité Régulation | de la température du sol |
| Fonctionnement | Le capteur interne du thermostat est désactivé. Le thermostat régule en fonction de la température mesurée par le capteur sol. | |
| Affi chage TEMP | SOL + température du sol mesurée °C | |
| Réglage / (programme actif) | ||
| Mode 2 | Utilité Limitation de la température du sol | |
| Fonctionnement | Le thermostat régule en fonction de l'ambiance et de la consigne tant que la température max. du sol n'est pas atteinte. | |
| Affi chage Température ambiante | ||
| Réglage 20 °C à 30 °C | ||
| Capteur ambiant | ||
| Utilité | Régulation de la température ambiante en fonction d'une mesure à distance (par ex. quand le thermostat est placé dans un endroit défavorable). | |
| Fonctionnement | Le capteur interne du thermostat est désactivé. Le thermostat régule en fonction de la température mesurée par le capteur ambiant à distance. | |
| Affi chage Température mesurée par le capteur ambiant | ||
| Réglage / (programme actif) | ||
| Contact fenêtre (*) | ||
| Sélection de la température | Utilité Eviter de chauffer lorsque les fenêtres sont ouvertes. | |
| Fonctionnement | Si le contact fenêtre est fermé, le thermostat régule en fonction du programme (fonctionnement normal). Si, par contre, le contact fenêtre est ouvert, le thermostat régule selon la température sélectionnée ici. | |
| Affi chage CONTACT FENETRE | ||
| Réglage 6 °C à 12 °C | ||
| Détecteur de présence (*) | ||
| Sélection de la température | Utilité | Subordonner le chauffage des locaux à leur occupation. Quand aucune présence n'est détectée, le chauffage est réduit ou coupé. |
| Fonctionnement | Tant que le local n'est pas occupé, le contact HVAC du détecteur de présence est ouvert. Le thermostat régule la température ambiante en fonction de la consigne du programme. Quand une présence est détectée, la régulation se base sur la température sélectionnée ici. | |
| Affi chage / | ||
| Réglage 10,2 °C à 30 °C | ||
(*) Ces 2 entrées externes sont prioritaires sur le programme normal. Par contre, elles sont inopérantes en cas de dérogation au programme (touches T°/H et 6 °C)
| Contact téléphonique (**) | ||
| Sélection de la température | Utilité | Le contact téléphonique permet de forcer à distance la consigne de température. (résidence secondaire, salle de fêtes, église...). Bouton-poussoir: relance du chauffage dans des locaux occupés par intermittence. |
| Sélection de la durée | Fonctionnement | Lorsque le contact téléphonique est fermé, le thermostat régule en fonction de la consigne réglée. Pour que le thermostat reprenne son fonctionnement normal (régulation en fonction du programme), la commande téléphonique doit être annulée par une commande manuelle avec la touche OFF. |
| Conditions | Le récepteur téléphonique à distance doit être doté de préférence d'une sortie de type «impulsion» de 2 secondes, par exemple. | |
| Remarque | La commande téléphonique peut être remplacée par un bouton-poussoir filaire ou un bouton-poussoir radio (émetteur) et un récepteur radio. L'action du bouton-poussoir provoque par ex. la relance du chauffage pendant une durée déterminée. | |
| Affi chage COMM | ANDE TEL (lorsque le contact tél. est fermé) | |
| Réglage de la température | 6 °C à 30 °C | |
| Réglage de la durée | 1 h à 99 h (désactivation automatique de la commande téléphonique après écoulement de cette durée). | |
(**) Cette entrée externe est prioritaire même en cas de dérogation au programme (touches T°/H et 6 °C).
Un régulateur chrono-proportionnel se distingue par:
des temps d'enclenchement courts, de durée variable dans une période fi xe un faible dépassement des consignes une précision de régulation élevée.
Ce type de régulation est conseillé pour des commandes de pompes, chaudières gaz, vannes électrothermiques).
Comportement différentiel ON/OFF
Ce type de régulation est conseillé pour la commande d'une chaudière fuel ou d'une pompe à chaleur et lorsque l'on craint des enclenchements et déclenchements trop fréquents.
Avec ce type de régulation, les enclenchements et déclenchements sont uniquement dépendants d'une température mesurée et d'un écart de température entre enclenchement et déclenchement.
Pour choisir le type de régulation
$$ \begin{array}{l} \text {MENU - > + + + + - > REGLAGE PRO - > OK} \ \text {- > + ... + - > REGULATEUR - > OK} \end{array} $$
Vous pouvez choisir entre CHRONO PROP ou ON/OFF (+ / - -> OK).
En cas de choix pour CHRONO PROP
- Régler l'AMPLITUDE (+ / - -> OK)
- Régler la PERIODE (+ / - -> OK)
- Régler la température OFFSET (+ / - -> OK).
En cas de choix pour ON/OFF
- Régler le DIFFERENTIEL (+ / - -> OK).
AMPLITUDE: il s'agit de la plage de température dans laquelle le régulateur va enclencher le contact pendant une durée proportionnelle à l'écart de température à combler.
Réglage conseillé: 1,0 °C.
PERIODE: durée exprimée en minutes pour un cycle enclenchement / déclenchement.
Réglage conseillé: 10 minutes.
OFFSET: correction de la température ambiante réellement obtenue avec une régulation de type PWM. Ex: si on demande 20 °C ambiant et que l'on constate que la température ambiante se stabilise effectivement à 20,4 °C, il faut régler l'offset sur -0,4 °C.
DIFFERENTIEL: différentiel entre les températures d'enclenchement et de déclenchement. La valeur de l'hystérèse doit tenir compte des durées d'enclenchement et de déclenchement admises par la chaudière ou la pompe à chaleur. Plus l'on désire des déclenchements et enclenchements longs, plus l'hystérèse doit être grand mais c'est au détriment de la précision de régulation.
16.6. Activer la fonction maintenance
Il s'agit d'une «fonction de rappel» de la maintenance.
$$ \text { MENU } \rightarrow + + + + \rightarrow \text { REGLAGE PRO } \rightarrow \text { OK } $$
$$ - > + + + + + - > \text { MAINTENANCE } - > O K $$
L'écran affi che MOIS AVT PROCH MAINT
Régler le nombre de mois (+ / - -> OK).
16.7. SOFT
17. Caractéristiques techniques
RAM 812/832 top2 (secteur)
Tension nominale: 230–240 V\~, +10 % / -15 %
Fréquence: 50 à 60 Hz
Réserve de marche: 5 heures
Consommation propre: type 0,5 VA, capacitive
Contact: inverseur, la commutation de n'importe quelle charge externe est autorisée
- max. 6 A (1) /250 V\~
- min. 1 mA/5 V DC
La commutation de SELV (security extra low voltage) n'est pas autorisée.
RAM 811/831 top2 (piles)
Alimentation: 2 piles alcalines 1,5 V, type AA
Réserve de marche pendant le remplacement des piles: 10 minutes
Mode de fonctionnement: type 1 B selon EN 60730-1
Contact: inverseur, libre de potentiel
- max. 6 (1) A/250 V\~
- min. 1 mA/5 V DC
Caractéristiques communes
Matériau des contacts: AgSnO2
Réglage de la température: de +6 à +30 °C par paliers de 0,2 °C
Température ambiante admissible: 0 à +55 °C
Période de régulation: 5 à 30 min (régulateur PWM)
Amplitude: ±0,2 K à 5 K (régulateur PWM)
Hystérésis ou différentiel: ±0,2 K à ±1,0 K (régulateur à hystérésis)
Emplacements de mémoire: 42
Classe de protection: Il selon EN 60730-1 en cas de montage conforme
Degré de protection: IP 20 selon EN 60529
Précision de marche: < ou = 1 s/jour à 20 °C
Degré de pollution: 2
Courant de charge:
- max. 5 A avec sonde de température interne
- max. 6 A avec capteur de température externe.
theben
tempolec
www.tempolec.be
B-6530 THUIN | Route de Biesme 49
TEL 071 59 00 39 | FAX 071 59 01 61
info@tempolec.be
B-1090 BRUXELLES/BRUSSEL (Jette)
Avenue Odon Warland 83
TEL024259236|FAX024254141
bru@tempolec.be
Notice Facile