RAM 831 top2 - Thermostat THEBEN - Notice d'utilisation et mode d'emploi gratuit
Retrouvez gratuitement la notice de l'appareil RAM 831 top2 THEBEN au format PDF.
| Caractéristiques | Détails |
|---|---|
| Type de produit | Thermostat |
| Plage de température | 5 à 30 °C |
| Alimentation | 230 V AC |
| Type de montage | Montage sur rail DIN |
| Fonctionnalités | Programmable, affichage numérique |
| Utilisation | Contrôle de la température dans les systèmes de chauffage et de climatisation |
| Maintenance | Vérification régulière des connexions électriques |
| Sécurité | Protection contre les surcharges |
| Garantie | 2 ans |
| Informations supplémentaires | Compatible avec divers systèmes de chauffage |
FOIRE AUX QUESTIONS - RAM 831 top2 THEBEN
Questions des utilisateurs sur RAM 831 top2 THEBEN
0 question sur cet appareil. Repondez a celles que vous connaissez ou posez la votre.
Poser une nouvelle question sur cet appareil
Téléchargez la notice de votre Thermostat au format PDF gratuitement ! Retrouvez votre notice RAM 831 top2 - THEBEN et reprennez votre appareil électronique en main. Sur cette page sont publiés tous les documents nécessaires à l'utilisation de votre appareil RAM 831 top2 de la marque THEBEN.
MODE D'EMPLOI RAM 831 top2 THEBEN
Notice de montage et d'utilisation
Thermostat d'ambiance
tempolec

Nous vous félicitons de votrechioix! Notre RAM theben est à la fois complét et simple à utiliser.
Nous vous conseillons vivement de dire le mode d'emploi express (pp 6-9).
Table des matieres
- Consignes de sécurité elementaires 3
- Informations relatives à l'environnement 3
3.Raccordement, montage et demontage 4 - Mise en service 5
- Ce que vous doivent savoir (mode d'emploi express) 6
- Programmation 10
- Regler la date et l'heure ainsi que la regle de changement d'heure ete/hiver 15
- Programme VACANCES 15
- Choiser la LANGUE (OPTIONS) 16
- Choisir I'AFFICHAGE (OPTIONS) 16
- Regler le RETRO-ÉCLAIRAGE de l'écran (OPTIONS) 17
- Regler le CONTRASTE de I'ecran (OPTIONS) 17
- Fonction de VERROUILAGE des TOUCHES (OPTIONS) 18
- Restaurer les REGLAGES D'USINE (OPTIONS) 18
- Precisions supplémentaires 19
- REGLAGES PROFESSIONNELS 20
- Caracteristiques techniques 27
1. Consignes de sécurité elementaires
Avertissement!
1.1. Montage et raccordement exclusivement par un professionnel
Le raccordement par un non-professionnel peut s'avérer dangereux: risque d'électrocution et d'incendie.
L'appareil est prevu pour un montage mural. Correspond au type 1 B selon CEI/EN 60730-1.
1.2. Utilisation conforme à l'usage prévu
Le thermostat d'ambiance régule la température ambiente dans les maisons particulières, les bureaux, etc.
Il convient pour des locaux secs, dans des conditions environnementales normales (par ex: habitation).
2. Informations relatives à l'environnement
La production de l'appareil que vous avez acheté a nécessité l'extraction et l'utilisation de ressources naturelles. Il peut contir des substances dangereuses pour la santé et l'environnement.
Pour éviter la dispersion de ces substances dans notre environnement et réduire la consommation des ressources, nous vous encourageons à utiliser les systèmes de collecte appropriés lorsque vous devrez vous débarrasser des piles ou de votre(APpeuil en fin de vie.
Le symbole de la poubelle barrée vous invite à utiliser ces systèmes de collecte.
Ces systèmes de collecte permettront de réutiliser ou recycler de manière saine la plupart des matières.
Si vous désirez des informations complémentaires sur ces systèmes de collecte, de remploi et de recyclage, prenez contact, s'il vous plaît, avec l'administration locale ou régionale de gestion des déchets.
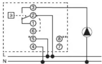
3. Raccordement, montage et démontage
Raccordement
Couper la tension!
Recouvrir ou protégér les parties sous tension à proximité.
Protégé contre toute remise en marche!
Verifi er l'absence de tension!
- Les bornes 4, 5 et 6 sont uniquement disponibles sur les modèles RAMSES 812 top2 et RAMSES 832 top2 avec alimentation 230 V.
** Les bornes 7 et 8 sont disponibles uniquement sur les modèles RAMSES 831 top2 et RAMSES 832 top2. Elles permettent de raccorder un capteur de température ou une commande à distance (voir p.21).
ATTENTION - L'entrée ne peut etre connectee a aucune tension sous-peine de destruction de I'appareil.
Si nécessaire, le cable de raccordement de l'entrée exter ne peut etre prolonge par un cable approprié mais dans ce cas, il faut veiller a ne pas poser un cable de 230 V a proximite afin d'eviter des perturbations electriques.
Montage
Fixer la plaque au mur et enfincher l'appareil sur celle-ci
Respecter la hauteur de montage d'environ
1,5 m du sol

Commande d'un brûleur fuel ou d'une chaudière gaz

Commande d'un circulateur ou d'une vanne electrode thermique

Démontage
A l'aide d'un tournevis, appuyer sur le crochet de verrouillage par le dessous et vers le haut, ouvrir ensuite l'appareil.
4. Mise en service
Les RAM 812 top2 et 832 top2 sont alimentés en 230 V (secteur). Les RAM 811 top2 et 831 top2 sont alimentés par piles (non fournies).
4.1. Introduire les piles (RAM 811 top2 et RAM 831 top2)
N'utiliser que des piles alcalines 1,5 V de type AA Veiller a ce que la polarite des piles soit correcte (+ / - )
Si I'ecran ne s'allume pas, appuyer pendant 3 secondes sur la touche de droite sous I'ecran.

4.2. Choix de la langue
(Réglage d'usine 1 ére langue affi chee: Nederlands)
Appuyer sur + pour selectionner une autre langueue
Confirmer par OK.
4.3. Réglage de la date et l'heure
Régler ANNEE, MOIS, JOUR, HEURE et MINUTE à l'aide des touches + / -
Confirmerchaque réglage par OK pour passer à l'étape suivante.
Remarque: RAMSES 831 top2 et RAMSES 832
top2: la date et l'heure sont prérgliées en usine.
Il suffit de confirmer par OK.
5. Ce que vous doivent savoir (mode d'emploi express)
Le thermostat à horloge RAM de Theben vous sera vite familier.
Vous disposez de 3 PROGRAMMES PREDEFINIS:
P1: sans abaisissement de température en journée du lundi au vendredi.
Idéal pour les batiments occupés en journée tous les jours.
P2: avec abaisissement de température en journée du lundi au vendredi.
Idéal pour les couples qui travaillent à l'extérieur.
P3: avec abaisissement de température en journée du lundi au vendredi.
Idéal pour les couples qui travaillent à l'extérieur avec enfants à la maison le mercredi après-midi.
Les programmes détaillés se trouvent dans le chapitre programmation (voir p.10).
Ces programmes sont aisément MODIFIABLES (voir p.12). Vous pouvez les personneliser, les adapter à votre situation.
Vous peuvent également activer P1 puis activer P2 ou P3 si vos horaires changent d'une seule à l'autre, par exemple.
N'hésitez pas à modifi er les réglages. Vous pouvez à tout moment revenir aux réglages d'usine (voir p.18) et retrouver les programmes P1, P2, P3: ils sont IMPERDABLES.
SANS TOUCHER AU PROGRAMME, vous pouvez également:
modifi er temporairement la température
(1): il suffit de tourner la molette (confirmation facultative par la touche OK). Le programme actif reprendra des la commutation suivante.
modifier la tempéature pour une durée définie (2): la touche T^ / H est ideale dans ce cas.
modifi er la température pour une durée illimitée (3): il suffit d'utiliser la touche 6^ . Il vous est loisible de modifi er la température avec la molette ou avec les touches + / -

5. Ce que vous doivent savoir (mode d'emploi express)
Principes d'utilisation
Toute valeur qui clignote indique que vous doivent régler la valeur affichée ou la confirmer.
Régler une valeur/choisir une fonction:
tourner la molette ou appuyer sur la touche + ou -. Valider par la touche OK.
Passer à un autre sous-menu: tournier la molette ou appuyer sur la touche + ou -. Valider par la touche OK.
Sortir d'un sous-menu: appuyer sur la touche EXIT (chaque pression vous amène à un niveau supérieur de l'arborescence) ou attendre ± 1 min pour un return automatique à l'écran principal. EXIT permet d'internorme une manipulation à tout moment.
Pour toute modifi cation, une ligne-texte dans voitre langue vous aide pas a pas.
Dans ce mode d'emploi, vous trouvez l'explication pour chaque fonction de I'appareil. Pour vous aider, chaque manipulation sera signalée par une zone grisée.
Pour les utilisateurs chevronnés, quelques précisions sont reprises en fin de manuel (voir p.19).

5. Ce que vous doivent savoir (mode d'emploi express)

Ecran et touches
5. Ce que vous doivent savoir (mode d'emploi express)

T^ / H
Utilite: changement de la température pendant une période déterminée.
Appuyer sur la touche T°/H
L'écran affi che le message «TEMPERATURE SOUHAITEE» et la dernière température sélectionnée (réglage d'usine 17.0 °C)
Régler la température désirée (+/−->OK) L'écran affi che DUREE 00:30
Regler la durée entre 00:30 et 24:00 par tranche de 30 min (+/-->OK)
Tant que la fonction est activée, l'écran affi che TEMPS RESTANT et la durée restante (compte à rebours).
Pour annuler la fonction, appuyer sur la touche EXIT ou T°/H api n de revenir au programme initial; la procEDURE sera confi rmée par l'affi chage du message «RETOUR AU PROGRAMME».
8C
Utilite: changement de la température pendant une période illimitée.
Appuyer sur la touche 6^
L'écran affi che le message «TEMPERATURE SOUHAITEE» et la dernière température sélectionnée (réglage d'usine 6^ )
Régler la température (+/−>OK)
Tant que la fonction est activée, l'écran affi che TEMP PERMANENT.
Pour annuler la fonction, appuyer sur la touche EXIT ou sur la touche ...°C afi n de revenir au programme initial; la procEDURE sera confi rmee par l'affi chage du message «RETOUR AU PROGRAMME».
INFO
Utilite: affi chage successif du programme en cours, de la température souhaitée, des date et heures et de l'etat des piles.
Appuyer plusieurs fois sur la touche INFO.
6. Programmation
Les apparèils RAMSES top2 sont dotés de trois programmes prédéfinis et imperdables:



6.1. Menu et sous-menus
La touche MENU et ensuite le sous-menu
PROGRAMMATION vous proposent les fonctions suivantes:
ACTIVER.... pour selectionner un programme
VERIFIER.... pour passer en revue le contenu du programme
CHANGER...pour modifier le programme
EFFACER.... pour effacer partiellement ou totalement un programme
CREER......pour compléter un programme existant ou créer un nouveau programme
6. Programmation
6.2. Remarque préliminaire
Un pas de programme est la combinaison d'un jour (ou d'un groupe de jours), d'une heures et d'une température au besoin.
6.3. ACTIVER un programme (P1/P2/P3)
Réglage d'usine: P1 actif
MENU -> PROGRAMMATION -> OK
ChoisisR PROGRAMME P1, P2 ou P3 (+/--) -> OK)
Remarque: la fonction ACTIVER n'est pas proposée pour le programme déjà actif.
6.4. VERIFIER le programme
MENU->PROGRAMMATION->OK
Choisir Programme P1, P2 ou P3 (+ / - > OK) Si nécessaire, appuyer sur la touche +
(uniquement pour un programme inactif)
L'écran affiche P... VERIFIER, confirmer par OK
Appuyer sur NEXT pour passer à la commutation suivante
Toutes les heures de commutation programmées peuvent ainsi être affi chées successivement.

6. Programmation
6.5. CHANGER (personnaliser) les programmes de température (P1, P2, P3)
Choisir le sous-menu CHANGER (+ - > OK)
Selectionner le pas de programme à changer (NEXT ou OK)
Modifi er les jours (lu-ve, sa-di, tous les jours ou un jour auchoix) (+ / - - > 0K)
Choisir l'heure de commutation (+ / - > 0K)
L'écran affi che TEMP SOUHAITEE
Selectionner la températe (+/---> OK).

6. Programmation
6.6.EFFACER un pas de programme
Selectionner le PROGRAMME P1, P2 ou P3
(+ / - > OK)
Appuyer sur + + + - > P EFFACER - > OK
L'écran affi che PARTIEL, appuyer sur OK
Selectionner le pas à effacer (NEXT)
Effacer en appuyant sur OK
Répéter l'opération autant de fois que souhaïte.
6.7. EFFACER complètement un programme
Appuyer sur + + + - > EFFACER PROG > OK
Selectionner le programme à effacer avec + / -
(EFFACER P1, P2, P3 ou TOTAL)
Effacer le(s) programme(s) en appuyant sur OK
CONFIRMATION -> OK.
6.8. Retour aux réglages d'usine
Utilite: annulation de toutes les modifications
apportées aux programmes P1, P2 ou P3.
MENU->+++->OPTIONS->OK->--->
REGLAGE USINE->OK->CONFIRMATION
->OK

6. Programmation
6.9. CREER un nouveau pas de programme ou un nouveau programme
Les programmes prédéfi nis (P1, P2, P3) peuvent être complétés (ajout d'un pas de programme).
Ces nouveaux pas de programme se superposent au programme existant (il faut se demander si le programme ainsi obtenu est conforme à ce que l'on désire).
On peut également effacer complètement P1/P2/P3 (voir p.13 - 6.7.) pour ensuite créé son propre programme. Dans certains cas, il est préféable de procéder ainsi.
Nous vous conseillons de préparer le programme par écrit avant de l'introduire. On dispose de 24 possibités de commutation par programme ou de 42 au total.
Selectionner PROGRAMME P1, P2 ou P3
+ / - > 0K)
-
-
- (+) jusqu'à P... CREER -> OK
-
Selectionner les jours souhaités (+ / - > 0K)
Choisir I'heure de commutation (+ / - > OK)
Choisir les minutes de commutation (+ / - > 0K)
Selectionner la température souhaitatione
+ / - > 0K)
Proceder de la même façon pour les autres commutations à programmer.

7. Régler la date et l'heure ainsi que la règle de changement d'heure étè/hiver
MENU->+->HEURE/DATE->OK
Règle heures d'été/hiver: plusieurs choses sont proposés EUROPE, EUROPE OCCIDENTALE et EUROPE DE L'EST ou SANS ETE/HIVER.
Belgique/France: selectionner EUROPE.
8. Programme VACANCES
8.1. Programmation
MENU->++->VACANCES->OK
L'écran affiche DEBUT VACANCES
Selectionner successivement l'année, le mois, le jour et l'heure (+ / - -> OK)
Saisir ensuite FIN VACANCES de la même façon
Choisir la températe (+ / --> OK)
Remarque: il n'est possible de programmer qu'une seule période vacances à la fois.
8.2. Verifi er le programme VACANCES
Possible uniquely lorsqu'une période de vacances a ete programmee.
MENU->++->VACANCES->OK
L'écran affiche VERIFIER -> OK
Appuyer sur la touche OK pour passer en revue tout le programme vacances.
8.3. Interrompre brievement et reactiver le programme VACANCES
Au cours de la période vacances, le programme peut être interrompu par la touche OFF. Les autres fonctions sont alors accessibles.
L'écran affiche REACTIVATION
Appuyer sur OK
L'écran affiche VACANCES.
8.4. Effacer le programme VACANCES
MENU->++->VACANCES->OK->++->EFFACER->OK
9. Choisir la LANGUE (OPTIONS)
MENU->+++->OPTIONS->OK->LANGUE->OK
L'écran affi che par exemple FRANÇAIS Sélectionner la langue (+ / - -> OK).
Langues disponibles: Nederlands, Francais, English, Deutsch, Espanol et Italiano.
10. Choisir l'AFFICHAGE (OPTIONS)
L'appareil propose 4 types d'affi chage: (voir p.8)
1 = affichage simple, après 5 secondes, la température apparait en grand (position centrale sur l'écran et les heures en petit dans le coin supérieur droit)
2 = affichage simple, les heures apparaisent en grand (position centrale sur I'ecran et la température en petit dans le coin supérieur droit)
3 = affichage complet avec bar graph pour indiquer le profil du programme pour la journée, température en grand, heures en petit
4 = affichage complet avec bar graph pour indiquer le profil du programme pour la journée, heures en grand, température en petit
4 = réglage d'usine
Pour désir un autre affi chage:
MENU->+++->OPTIONS->OK->+--> AFFICHAGE->OK
Selectionner une valeur de 1a4 (+ /-->OK).
11. Régler le RÉTRO-ÉCLAIRAGE de l'écran (OPTIONS)
(Uniquement pour RAMSES 831 et 832 top2)
La luminosité du rétro-éclairage peut être régée:
MENU->+++->OPTIONS->OK->++
LCD RETRO-ECL OK
L'écran affi che, par exemple, 3
Selectionner une valeur de 0 à 3 (+/−-> OK).
12. Régler le CONTRASTE de l'écran (OPTIONS)
Le contraste peut être régle sur différents niveaux.
MENU->+ + +->OPTIONS->OK->
++-CONTRASTE-OK
L'écran affi che, par exemple, 8
Selectionner une valeur de 0 à 15 (+/−-> OK).
13. Fonction de VERROUILAGE des TOUCHES (OPTIONS)
Lorsque cette fonction est activée, les touches deviennent non-fonctionnelles; l'écran affi che VERROUILAGE en cas de pression sur une touche. Cette fonction permet d'empêcher toute manipulation involontaire ou non souhaitable.
13.1. Activer le verrouillage des touches
MENU->+++->OPTIONS-OK->
+...+->VERROUILAGE->OK
L'ecran affiche SANS VERROUILAGE
Appuyer sur la touche +
Validator AVEC VERROILLAGE en appuyant sur OK
Le verrouillage n'est actif qu'après quelques secondes. Un symbole en forme de clé apparait alors sur l'écran.
14. Restaurer les REGLAGES D'USINE (OPTIONS)
Il est toujours possible de rétabir les programmes et réglages d'usine. L'appareil retrouve son état d'origine.
MENU->+++->OPTIONS->OK->
13.2. Déverrouillage partiel
Cette fonction permet de vérifi er la programmation sans annuler le verrouillage des touches.
Appuyer sur la touche INFO pendant 3 secondes.
13.3. Déverrouillage permanent
Cette fonction permet d'annuler le verrouillage des touches.
Appuyer sur la touche INFO pendant 3 secondes
MENU->+++->OPTIONS-OK->
+...+->VERROUILAGE->OK->
AVEC VERROUILLAGE->+->SANS
VERROUILLAGE->OK
L'écran affiche CONFIRMATION, appuyer sur OK pour valider
Régler ou confirmer les différentes valeurs qui s'affi cheront.
15. Precisions supplémentaires
15.1. Reset
A l'aide d'un objet pointu, appuyer dans l'orifi ce situé sur le côté gauche de l'appareil.
En cas de reset, l'appareil devra etre remis à l'heure (voir p.15).
15.2.AFFICHAGE
Selon l'affi chage besoin (voir p.16), après 5 secondes, les informations superfl ues sont masquées. L'écran complet réapparait en appuyant sur la touche INFO.
Lorsque I'on utilise les fonctions VERIFIER, CHANGER, EFFACER ou CREER, la barre discontinue située dans le coin supérieur gauche de l'écran indique la position dans la navigation.
15.3.EFFACER un programme
Pour effacer le programme P1/P2/P3, on a le choix entre deux «chemins»:
a. MENU -> PROGRAMMATION -> OK ->
PROGRAMME P...->OK->+ + (+)->
P...EFFACER->OK->+->TOTAL->OK
-
CONFIRMATION -> OK
b. MENU -> PROGRAMMATION -> OK ->
Astuce: on peut vérifi er le programme par le menu VACANCES ^+ fonction VERIFIER ou par pressions successives de la touche INFO.
15.5. Remplacement des piles
Lorsque les piles sont presque épuisées, l'appareil le signale par le symbole de la pile ou le clignotement de tout l'écran.
Si le symbole «pile» clignote à l'écran, le thermostat est toujours opérationnel mais les piles doivent être remplacées des que possible.
Si I'écran clignote, le régulateur n'est plus opérationnel; le relais reste enclenché en permanence. Les piles doivent être remplacées immidiatement.
Nous vous conseillons de remplacer les deux piles à la fois et d'opter pour des piles deonne qualite (piles 1,5 V de type AA).Attention: un long stockage use les piles!
15.6. Régles d'usine
Langue: NEDERLANDS
Programme actif: P1
Règle de passage d'heure été/hiver: Europe Affi chage n°4
16.1. Etonner la température mesurée
Si l'emplacement de montage est defavorable, des différences de tempéature peuvent survenir entre la tempéature ambiente effective et la tempéature affiée. Cette différence peut être corrigée grâce à l'éthalonnage.
$$ \begin{array}{l} M E N U - > + + + + - > R E G L A G E P R O - > O K \ L ^ {\prime} \text {e c r a n} \ \end{array} $$
Acceder a cette fonction en appuyant sur OK
Modifi er la températe (+ / - > 0K)

16.2. Activer l'optimisation
(Uniquement pour RAMSES 831 et 832 top2)
La fonction d'optimisation permet d'atteindre une température ambiente précise au moment de commutationprogramme. Pour ce faire, il faut regler le nombre de minutes nécessaires pour compenser 1 K.
Cette valeur dépend des conditions ambantes et du type de chauffage.
Selon la taille de la piece et l'installation de chauffage, le nombre de minutes sera ± grand.
En fonction de cette valeur, le thermostat calculé l'anticipation de l'enclenchement en fonction de la différence de température entre la température effective et la température de consigne souhaitation.
Exemple: la commutation entre température réduite (17^) et de comport (23°C) est programmée à 06:00. Sans fonction d'optimisation, le thermostat d'ambiance passée en appel de chaleur à 06:00. La température ambiente désirée de 23^ est atteinte à, par exemple, 06:30. Si l'optimisation est réalisée sur 5min / K , le thermostat passera en appel de chaleur à 05:30:
température de consigne à 06:00: 23 °C
température réelle: 17^
c'est a dire: delta T = 6 K
6K^*5min / K = 30min
06:00 - 30 min = 05:30
MENU->+++-->REGLAGEPRO->OK
Régler la valeur de 1 à 60 (+/−-> OK).
16.3. Activer la PROTECTION POMPE (dégommage)
Cette fonction n'est pas activée en usine mais est accessible dans le sous-menu REGLAGES PRO. Elle aura pour effet de forcer la pompe à fonctionner au min. 1x/24H (durée régiable entre 10 et 120 secondes). Cela permet d'eviter tout blocage de la pompe en cas d'inactivité prolongée.
Remarque: il est conseilé de faire fonctionner la pompe avant la production d'eau chaude sanitaire; on évite ainsi tout chic thermique au niveau de la chaudière.
MENU->+++->REGLAGEPRO->OK -> + + - > PROTECTPOMPE- OK
A l'aide des touches + / - ou de la molette, selectionner ON ou OFF et valider en appuyant sur OK
Régler HEURE (+ / - -> OK)
Régler la DUREE entre 10 et 120 secondes (+ / - > 0K)
16.4. Confi gurer I'ENTREE EXTERNE
Sur les modèles RAMSES 831 top2 / 832 top2, l'entrée externe peut être confi gurée pour différentes fonctions telles que: - capteur sol (sonde sol)
- capteur ambient (sonde d'ambiance)
- contact fenêtre
- commande téléphonique
- détector de présence.
MENU->+++->REGLAGEPRO->OK->+++->ENTREE EXTERNE->OK
Vous pouvez désiré entre ENTREE EXT INUTILISEE, CAPTEUR SOL, CAPTEUR AMBIANT, CONTACT FENETR, COMMANDE TEL (commande téléphonique), DET PRESENCE (détecteur de présence)
$$ (+ / - > O K) $$
Le cas échéant, sélectionner les options disponibles (+ / - - > 0K)
| Capeur sol | ||
| Mode 1 | Utilité Régulation | de la température du sol |
| Fonctionnement | Le capteur interne du thermostat est désactivé. Le thermostat régule en fonction de la température mesurée par le capteur sol. | |
| Affi chage TEMP | SOL + température du sol mesurée °C | |
| Réglage / (programme) | mme actif | |
| Mode 2 | Utilité Limitation | de la température du sol |
| Fonctionnement | Le thermostat régule en fonction de l'ambiance et de la consigne tant que la température max. du sol n'est pas atteinte. | |
| Affi chage Température ambiente | ||
| Réglage 20 °C à 30 °C | ||
| Capteur ambient | ||
| Utilité | Régulation de la température ambiente en fonction d'une mesure à distance (par ex. quand le thermostat est placé dans un endroit défavorable). | |
| Fonctionnement | Le capteur interne du thermostat est désactivé. Le thermostat régule en fonction de la température mesurée par le capteur Ambient à distance. | |
| Affi chage Température mesurée | mme actif | |
| Réglage / (programme) | ||
| Contact fenêtre (*) | ||
| Sélection de la tempabilité | Utilité Eviter de ch | chauffer lorsque les fenêtres sont ouvertes. |
| Fonctionnement | Si le contact fenêtre est fermé, le thermostat régule en fonction du programme (fonctionnement normal). Si, par contre, le contact fenêtre est ouvert, le thermostat régule selon la température sélectionnée ici. | |
| Affi chage CONTACT | ACT FENETRE | |
| Réglage 6 °C à 12 °C | ||
| Détector de présence (*) | ||
| Sélection de la tempabilité | Utilité | Subordonner le chauffage des locaux à leur occupation. Quand aucune présence n'est détectée, le chauffage est réduit ou coupé. |
| Fonctionnement | Tant que le local n'est pas occupé, le contact HVAC du détector de présence est ouvert. Le thermostat régule la température ambiente en fonction de la consigne du programme. Quand une présence est détectée, la régulation se base sur la température sélectionnée ici. | |
| Affi chage / | ||
| Réglage 10,2 °C à 30 °C | ||
(*) Ces 2 entrées externes sont prioritaires sur le programme normal. Par contre, elles sont inopérantes en cas de dérogation au programme (touches T°/H et 6 °C)
| Contact téléphonique (*) | ||
| Sélection de la température | Utilité | Le contact téléphonique permet de forcer à distance la consigne de température. (résidence secondaire, salle de fêtes, église...). Bouton-poussoir: reliance du chauffage dans des locaux occipés par intermittence. |
| Sélection de la durée | Fonctionnement | Lorsque le contact téléphonique est fermé, le thermostat régule en fonction de la consigne régée. Pour que le thermostat reprene son fonctionnement normal (régulation en fonction du programme), la commande téléphonique doit être annulée par une commande manuelle avec la touche OFF. |
| Conditions | Le récepteur téléphonique à distance doit être doté de préférence d'une sortie de type «impulsion» de 2 secondes, par exemple. | |
| Remarque | La commande téléphonique peut être replacée par un bouton-poussoir filaire ou un bouton-poussoir radio (émetteur) et un récepteur radio. L'action du bouton-poussoir provoque par ex. la relance du chauffage pendant une durée déterminée. | |
| Affi chage COMM | ANDE TEL (lorsque le contactTEL. est fermé) | |
| Réglage de la température | 6 °C à 30 °C | |
| Réglage de la durée | 1 h à 99 h (déactivation automatique de la commande téléphonique après écoulement de cette durée). | |
( ) Cette entrée externe est prioritaire même en cas de dérogation au programme (touches T^ / H et 6^ ).
Un régulateur chrono-proportionnel se désigne par:
des temps d'enclenchement courts, de durée variable dans une période fi xe
un faible dépassement des consignes
une précision de régulation elevée.
Ce type de régulation est conseilé pour des commandes de pompes, chaudières gaz, vannes (electrothermiques).
Comportement différentiel ON/OFF
Ce type de régulation est conseilé pour la commande d'une chaudière fuel ou d'une pompe à chaleur et lorsque l'on craint des enclenchements et déclenchements trop féuents.
Avec ce type de régulation, les enclenchements et déclenchements sont uniquement dépendants d'une température mesurée et d'un écart de température entre enclenchement et déclenchement.
Pour désir le type de régulation
MENU->++++->REGLAGEPRO->OK
->+...+->REGULATEUR->OK
Vous pouvez désir entre CHRONO PROP ou
ON/OFF (+ / - > 0K)
En cas deCHOIX pour CHRONO PROP
-
Régler l'AMPLITUDE (+/---> OK)
-
Régler la PERIODE (+ / - -> OK)
-
Régler la température OFFSET (+ / - -> OK).
En cas deCHOIX pour ON/OFF
- Régler le DIFFERENTIEL (+/---> OK).
AMPLITUDE: il s'agit de la plage de température dans laquelle le régulateur va enclencher le contact pendant une durée proportionnelle à l'écart de température à combler.
Réglage conseilé: 1,0 °C.
PERIOD: durée exprimée en minutes pour un cycle enclenchement / déclenchement.
Réglage conseilé: 10 minutes.
OFFSET: correction de la tempéature ambiente réellement obtenue avec une régulation de type PWM. Ex: si on demande 20^ ambient et que l'on constate que la tempéature ambiente se stabilise effectivement à 20,4 °C, il faut régler l'offset sur -0,4 °C.
DIFFERENTIEL: différentiel entre les températures d'enclenchement et de déclenchement. La valeur de l'hystérisse doit tener compte des durées d'enclenchement et de déclenchement admises par la chaudière ou la pompe à chaleur. Plus l'on désire des déclenchements et enclenchements longs, plus l'hystérisse doit être grand mais c'est au détriment de la précision de régulation.
16.6. Activer la fonction maintenance
Il s'agit d'une «fonction de rappel» de la maintenance.
17. Caracteristiques techniques
RAM 812/832 top2 (secteur)
Tension nominale: 230 - 240V +10% / - 15%
Fréquence: 50 à 60 Hz
Réserve de marché: 5 heures
Consummation propre: type 0,5 VA, capacitive
Contact: inverseur, la commutation de n'importe qu'elle charge externe est autorisée
max.6A(1)/250V\~
- min. 1 mA/5 V DC
La commutation de SELV (security extra low voltage) n'est pas autorisée.
RAM 811/831 top2 (piles)
Alimentation: 2 piles alcalines 1,5 V, type AA
Reserve de marche pendant le remplacement des piles: 10 minutes
Mode de fonctionnement: type 1 B selon EN 60730-1
Contact: inverseur, libre de potentiel
max.61)A/250V\~
- min. 1 mA/5 V DC
\section*{Caracteristiques communes}
Matériau des contacts: AgSnO2
Réglage de la température: de +6 à +30 °C par paliers de 0,2 °C
Température ambiente admissible: 0 à +55 °C
Période de régulation: 5 à 30 min (regulateur PWM)
Amplitude: ± 0,2K a 5K (regulateur PWM)
Hysteresis ou différentiel: ± 0,2K a ± 1,0K (regulateur a hysteresis)
Emplacements de mémoire: 42
Classe de protection: Il selon EN 60730-1 en cas de montage conforme
Degré de protection: IP 20 selon EN 60529
Precision de marche: < ou = 1 s/jour à 20 °C
Degre de pollution: 2
Courant de charge:
max. 5 A avec sonde de température interne
max. 6 A avec capteur de températe externe.
theben
tempolec
www.tempolec.be
B-6530 THUIN | Route de Biesme 49
TEL 071 59 00 39 | FAX 071 59 01 61
info@tempolec.be
B-1090 BRUXELLES/BRUSSEL (Jette)
Avenue Odon Warland 83
TEL 02 425 92 36 | FAX 02 425 41 41
bru@tempolec.be
Notice Facile