B150 - Récepteur audio REVOX - Notice d'utilisation et mode d'emploi gratuit
Retrouvez gratuitement la notice de l'appareil B150 REVOX au format PDF.
| Caractéristiques techniques | Récepteur audio REVOX B150, compatible avec divers formats audio, puissance de sortie élevée, connectivité multiple (RCA, XLR). |
|---|---|
| Utilisation | Conçu pour une utilisation domestique ou professionnelle, idéal pour les systèmes audio de haute fidélité. |
| Maintenance et réparation | Vérifiez régulièrement les connexions et nettoyez les contacts. En cas de panne, consulter un technicien qualifié. |
| Sécurité | Utiliser uniquement avec une alimentation compatible. Éviter l'exposition à l'humidité et aux températures extrêmes. |
| Informations générales | Produit de la marque REVOX, réputée pour sa qualité audio. Garantie limitée, consulter le manuel pour les détails. |
FOIRE AUX QUESTIONS - B150 REVOX
Questions des utilisateurs sur B150 REVOX
0 question sur cet appareil. Repondez a celles que vous connaissez ou posez la votre.
Poser une nouvelle question sur cet appareil
Téléchargez la notice de votre Récepteur audio au format PDF gratuitement ! Retrouvez votre notice B150 - REVOX et reprennez votre appareil électronique en main. Sur cette page sont publiés tous les documents nécessaires à l'utilisation de votre appareil B150 de la marque REVOX.
MODE D'EMPLOI B150 REVOX
| Protégez votre apparéil de la chaleur et de l'humidité excessives. Montez-le de manière que les fentes d'aération ne soient pas couvertes. | |
| GARANTIE | Veuillez observer que les garanties ne sont valables que dans le pays d'achat. Nous attirons en outre votre attention sur la perte de validité de la garantie qu'entraîne toute manipulation ou réparation effec-tuée par un personnel non qualifié. Le bon de garantie des apparéils vendus en Suisse ou en Autriche est délivré par le revendeur. Le bon de garantie des apparéils vendus en France se trouve dans leur emballage. Il doit être convenable rem- pli et signé par votre revendeur agrée REVOX. Une carte de garantie spéciale est jointe aux apparéils vendus en Allemagne Fédérale, aux USA ainsi que dans la plupart des autres pays. Cette carte se trouve, soit dans l'emballage de l' apparéil, soit dans une enveloppe en plas-tique placée sur un côte de cet emballage. En l'absence d'une telle carte, veuillez vous adresser à votre revendeur REVOX ou à votre agence régionale REVOX. |
| EMBALLAGE | Veuillez conserver l'emballage d'origine. En cas de transport, il offre la meilleure protection pour votre précieux apparéil. |
| Attention: | Cet apparéil n'est pas séparé du réseau lorsqu'il est déclenché (STANDBY). |
| Vorsicht: | Das Gerät ist in ausgeschalteten Zustand (STANDBY) nicht von der Stromzuführung getrennt. |
| Warning: | This unit is not separated from the mains supply when switched off (STANDBY). |
| Attenzione: | Questo apparecchio non è separato alla rete quando l'interruttore è spento (STANDBY). |
| Precauzione: | Este aparato no está separado de la red cuando está apagado (STANDBY). |
| Waarschuwing: | In uitgeschakelde toestand (STANDBY) is het apparaat Niet gescheden van de netspanning. |
| Advarel: | Apparaten er ogsaa hvis lukket (STANDBY) under strøm. |
| Huomio: | Huolimatta siità, että virta on katkaistu laitteesta (STANDBY), sitä ei ole eristetty sähköstä. |
| Forsiktig: | Selvom strömmen不解 er pa i apparatet (STANDBY), sa er det不解 skilt fra strøm. |
| Varning: | Oaktat om strömmen ar avbruten i apparaten (STANDBY), sa ar den ânda kopplad med ström. |
Table des matieres
| CHAPITRE 1 | |
| Installation | Contenu de l'emballage 2 |
| Installation 2 | |
| Prescriptions de sécurité 2 | |
| Mise en service | Tension du réseau 3 |
| Raccordement des sources 3 | |
| Raccordement des sorties 4 | |
| Mise sous tension 4 | |
| CHAPITRE 2 | |
| Clavier principal | Sources 5 |
| Volume 5 | |
| CHAPITRE 3 | |
| Second clavier | Sorties 6 |
| Balance stéréo 6 | |
| Réglage de tonalité 7 | |
| Enregistrements 7 | |
| CHAPITRE 4 | |
| Messages d'erreurs | <<<< 8 |
| OVERLOADED!!! 8 | |
| BREAKDOWN!!! 8 | |
| Sources d'erreurs | Erreurs possibles et réparation 9 |
| Annexe technique | Télécommande IR REVOX B208 10 |
| Caracteristiques techniques 12 | |
| Dimensions 13 | |
| SECTION 5 | |
| Liste des fonctions de touches | Description succincte de toutes les fonctions 14 |
| Dessin repéré de l'appareil 16 | |
| Schéma-bloc audio 17 | |
CHAPTER 1
Installation
Contenu de l'emballage, installation

Contenu del'emballage
Outre le present mode d'emploi et l'appareil, l'emballage contient encore un schéma général. En cas de problèmes, veuillez vous adresser à leur revendeur spécialisé.
Installation

Installez l'appareil de maniere que les fentes d'airation ne soient pas couvertes et qu'il y ait un écart de ventilation d'au moins 10 mm par rapport aux autres apparciels, aux murs et meubles.
Prescriptions de sécurité
Protégéz votre apparéil des excès de chaleur et d'humidité.
L'appareil mis hors tension (Standby) n'est pas coupé de l'alimentation électrique. Certaines parties à l'intérieur de l'appareil restent continuèment sous tension!
L'appareil est concu pour fonctionner en position normale (horizontal).
En cas de dérangement ou de défaut, retirez la fiche secteur et faites contrôle l'appareil par un revendeur spécialisé.
Contrôle de la tension de réseau

Verifiez que la tension indiquée au-dessus du raccord de réseau [40] correspond à celle du réseau.
Assurez-vous que tous les apparciels supplémentaires de cette chaine haute fidélité sont mis hors tension ou, mieux encore, coupés du réseau.
Raccordez maintainant les sorties audio (OUTPUT) de ces appeareils (sources de signal) comme le tuner, le lecteur CD et le magnétophone aux entrées prévues de l'amplificateur.
Al'entree auxiliaire AUX [30], on peut raccorder un lecteur CD supplémentaire, un troisieme magnétophone ou un second tuner.
Veillez a ce que les canaux gauche (L) et droit (R) ne soient pas intervenirs.
Tuner, CD, AUX

Les sorties d'un tuner (récepteur radio) ou lecteur CD doivent être reliées aux entretes TUNER [33] ou CD [29] de l'amplificateur.
Tuner
Table de lecture

Les sorties d'une table de lecture à phonocapteur MM doivent être raccordées à l'entrée correspondante PHONO [28] de l'amplificateur.
Phono
Si votre table de lecture est équipée d'un fil de masse, celui-ci doit être raccordé à la masse [27].
Magnétophones

Deux magnétophones peuvent être raccordés à l' amplificateur. Les sorties des magnétophones sont à raccorder aux entres TAPE 1 [32] et TAPE 2 [31] de l' amplificateur.
Pour pouvoir effectuer des enregistements, leurs entrees doivent encore etre reliées aux sorties correspondantes TAPE 1 [35] et TAPE 2 [34] de l'amplificateur.
Haut-parleurs

Deux paires de haut-parleurs peuvent etre raccordes aux bornes dorées SPEAKERSA [38]et SPEAKERS B [39] de I'amplificateur REVOXB150.
Il est préférable d'utiliser des enceintes acoustiques d'une impédance de 4 Ω ou 8 Ω.
Veiller à effectuer un câblage exact!
Ne relier entre eux que les raccordes de couleur correspondante entre l'amplificateur et les enceintes acoustiques (phase correcte).
Les raccords de masse (noirs) des différents haut-parleurs ne doivent pas etre reliés entre eux.
Eviter les cables trop longs et utiliser les cables joints aux haut-parleurs ou des cables speciaux de section aussi grande que possible.
Les cables jusqu'au diamètre de 4 mm (=12 mm²) peuvent facilement etre raccordés aux bornes. Les fiches bananes du commerce (4 mm) peuvent etre enfichées directement.
Les sorties TAPE1 [35] et TAPE 2 [34] sont réservées aux circuits d'enregistrement des magnétophones TAPE 1 et TAPE 2. Pour la lecture depuis l'un des magnétophones, la sortie d'enregistrement est coupée pour cet apparéil afin de permettre une copie de bande (TAPE COPY) d'un magnétophone à l'autre sans interférence.

RECORD [36]
On peut raccorder par exemple à la sortie RE-CORD [36] le côte enregistrement d'un magnétophone supplémentaire.
Cette sortie fournit toutes le signal d'enregistrement sélectionné par SETREC-OUT [17] ou le signal REC=MONITOR [18].
Attention: En se servant de cette sortie, veiller a ce qu'il n'y ait pas de boucle audio (interfERENCE) (jouer TAPE1 et enregistrer en meme temps par la sortie RECORD sur TAPE 1).

Raccordement au réseau [40]
Une fois toutes les connexions audio faites (sources et haut-parleurs), l'amplificateur peut etre raccordé au réseau.

Mise sous tension
En pressant la touche POWER [1] sur la plaque frontale de I'appareil, l'amplificateur REVOX B150 est mis sous tension, la source activée au moment de la derniere mise hors tension est a nouveau seLECTIONnée. Une nouvelle pression sur la touche POWER [1] met I'appareil hors tension (Standby).
L'appareil hors tension mais relié au réseau se trouve en mode Standby (étrat de voirie). L'appareil peut alors être mis sous tension et hors tension commodément depuis la place d'écoute au moyen de la télécommande infrarouge.
La consommation en veille est négligible (10 Wenv.).
CHAPTER 2
Clavier principal
Sources, volume

TUNER [11], CD [7], AUX [8]

En pressant une de ces touches, on commute l'entrée correspondante vers l'amplicateur. La source est indiquée à l'affichage [13] avec le réglage actuel de VOLUME et la position de BALANCE.
L'amplificateur peut également être enclenché directement en selectionnant la source.
En pressant la touche TAPE 1 [10] ou TAPE 2 [9], on commute l'entrée correspondante TAPE 1 [32] ou TAPE 2 [31] vers l'amplificateur. La source enclenchée est indiquée à l'affichage [13] avec le réglage actuel de VOLUME et de BALANCE.
L'amplificateur peut également être enclenché directement en selectionnant la source.
PHONO [6]

En pressant la touche PHONO [6], on commute la table de lecture raccardée à l'entrée PHONO [28] vers l'amplificateur. La source est indiquée à l'affichage [13] en même temps que le réglage actuel de VOLUME et la position de BALANCE.
Une pression sur la touche VOLUME + [2] augmente le volume, la touche VOLUME - [3]le fait diminuer.
-20 dB [4]

Le réglage peut se faire à deux vitesses. En pressant les touches sous les marques < et > , le volume varie lentement par certains pas (1 dB). En pressant sous les touches << et >> , le volume varie rapidement par grands pas (3 dB). Al'affiche [13], la position BALANCE est remplaçaee par le symbole de la touche VOLUME actionee (<, > ou <<, >>) .
Durant la phase d'enclenchement de l'amplificateur, le volume peutetre réduit mais non augmente.
L'amplificateur peut également être enclenché avec les touches VOLUME.

En pressant cette touche, on réduit le volume d'un seul coup de 20 dB. Une nouvelle pression réduit le volume encore une fois de 20 dB, etc., jusqu'au minimum de volume. En pressant la touche VOLUME + [2], on peut réaugmenter le volume.
CHAPTER 3
Second clavier
Sortie de signaux, balance, réglage de tonalité

En pressant la touche SPEAKERS A [20], on enclenché et déclenché le groupe de haut-parleurs A, en pressant la touche SPEAKERS B [21] le groupe B. Pour éviter des bruits génants à la commutation, le microproesseur coupe rapidement le volume et le rétablit.
Les deux groupes peuvent etre enclanches ou déclanches simultanement (PHONES).
Adroite, a cote de l'affichage [13], une LED verte [15] signale le groupe enclenché SPEAKERS A [38] et une LED [14] le groupe enclenché SPEAKERS B [39].
PHONES [16]
![REVOX B150 - PHONES [16] - 1](/content/2026/02/383403/images/f926a1cfaae65930c255a4a6e0ed5222329491cbebd84fe714511e3e1f99c0ac.jpg)
L'écoute au casque est toujours possible. Il suffit d'enficher un casque dans la prise prévue sur la plaque frontale. Le volume se regle au moyen des touches VOLUME +/- [2/3].
BALANCE L/R [23/25]
![REVOX B150 - BALANCE L/R [23/25] - 1](/content/2026/02/383403/images/935228b3ab785b3d36b25973d9ceadb90c6da619eb66abed68689f104c210513.jpg)
Avec les deux touches BALANCE L [23] et BALANCE R [25], le son stéréophonique peut être adapté à une position d'écoute asymétrique en favorisant l'un ou l'autre des canaux.
Les deux canaux peuvent etre regles de ± 9 pas. En pressant I'une des touches, une barre lumineuse a I'affichage [13] indique automatique le reglage actuel de BALANCE pendant quelques secondes.
La compensation de balance peut être régée à nouveau comme suit:
Presser continuèlement la touche du canal attenué, le réglage s'arrête automatiquement en position médiànè.
TONE [5]
![REVOX B150 - TONE [5] - 1](/content/2026/02/383403/images/780727038546a586f65a502e642e25be63d72b1af65bc9a354deb2dd8755cc1d.jpg)
La touche TONE [5] enclenché et déclenché le réglage de tonalité (BASS, TREBLE). Cela permet une comparaison entre l'écoute linéaire (sans influence) et une correction eventuelle. Al'affichage [13], l'état actuel de cette fonction est affchépendant quelques secondes: TONE CONTROL ON/OFF.
![REVOX B150 - TONE [5] - 2](/content/2026/02/383403/images/b6ae30762635b0e8bdfe0c551a96ced7a8ac7adeab8189ae09782b858a14f631.jpg)
![REVOX B150 - TONE [5] - 3](/content/2026/02/383403/images/d809d3b30669767e4d4792edd30e7d412434abf6429210f8362f91abf59ed019.jpg)
Second clavier
Réglage de tonalité, enregistements

Le réglage des graves permet d'élever les fréquences basses à 4 niveaux (BASS + [22]) ou de les diminuier (BASS - [19]). En pressant une touche du réglage des graves, le réglage actuel est indiqué pendant quelques secondes à l'affichage [13]. Toutne nouvelle pression modifie le réglage dans le sens correspondant.
TREBLE + / - [26/24]

Le réglage des aiguus permet d'élever les fréquences haute à 4 niveaux (TREBLE + [26]) ou de les diminuier (TREBLE - [24]).
En pressant une touche du réglage des aiguis, le réglage actuel est indiqué pendant quelques secondes à l'affichage [13]. Toutne nouvelle pression modifie le réglage dans le sens correspondant.
Enregistements
Les enregistements peuvent se faire de deux manières différentes. Ou bien la source de signal entendue peut etre en meme temps source d'enregistrement, ou bien la source entendue et la source d'enregistrement peuvent etre distinctes.
REC=MONITOR [18]

Ce type d'enregistrement est reglé à la livraison de l'amplificateur. L'affichage [13] indique la même image que jusqu'à présent avec la source seLECTIONnée, le réglage de volume et de balance.
La source de signal entendue est en même temps la source d'enregistrement sur les sorties RECORD [36], TAPE1 [35] et TAPE 2 [34]. Indication:
Les sorties TAPE 1 [35] et TAPE 2 [34] sont verrouillées mutuelles. Si par exemple TAPE 1 est la source de signal, la propre entree d'enregistrement TAPE 1 [35] est bloquee pour eviter toute reaction. Le signal peut cependant etre enregistré avec TAPE 2.
SETREC-OUT [17]

En pressant la touche SETREC-OUT [17]. I'affi-chage [13] change immediatement.
Après le mot IN: on a la source entendue (par exemple: TUNER). Pour le circuit d'enregistrement, une source (par exemple: PHONO) peut être selectionnée derrière REC.: De cette manière, on peut entendre la source TUNER par les sorties SPEAKERSA [38] et SPEAKERS B [39] et enregistrer la source PHONO par les sorties TAPE1 [35], TAPE 2 [34] et RECORD [36].
CHAPTER 4
Messages d'erreurs
<<OVERLOADED!!!, BREAKDOWN!!




En cas d'échauffement excessif des étages finals de puissance, le volume est diminué automatiquement de 10 dB.
Ceci estindique aI'affichage [13] parle symbole clignotant <<< < a la place de I'indication de balance. Levolume peut encore etre reduit avec les touches VOLUME, mais ne peut plus etre augmente avant que seteigne I'affichage <<<<
OVERLOADED!!!

Après refroidissement des étages de puissance, on a à nouveau l'affichage normal [13] de la source (et de la source d'enregistrement), le réglage de volume et de balance. Le volume peut à nouveau être augmente à volonte. La cause de l'erreur doit cependant être examinée et supprimée (ventilation insuffisante).

Si les étages de puissance ne refroidissent pas après le message d'erreur <<< mais continu de s'échauffer, on a le message d'erreur OVERLOADED!! à l'affchage [13] et les sorties de haut-parleurs sont coupées.
BREAKDOWN!!!

En cas de surmodulation extrème (par exemple manipulation aux fiches à l'appareil enclenché et volume ouvert à fond) les haut-parleurs sont coupés. Cétatat est signalé à l'affichage [13] par BREAKDOWN !!!
Mettez l'appareil hors tension, supprimez les causes possibles (cables et fiches detaches) et remettez l'appareil sous tension après un certain temps de repos.
Pas de son dans les haut-parleurs

Avant de supposer un dernier dans l'appareil, il faut s'assurer qu'il est raccordé correctement et que la manoeuvre est conforme à la procédure du mode d'emploi.
Enregistrement impossible sur TAPE

Controlez le raccordement des enceintes.
Le groupe de haut-parleurs est-il enclenché (touches SPEAKERS A [20], SPEAKERS B [21])?
Une source est-elle selectionnee et enclenchee?
Le volume a la mise sous tension a-t-il ete reprogramme comme indique aux CARACTERISTIQUES TECHNIQUES?
L'appareil ne peut etre commande

Les entrées du magnétophone (INPUT sur le magnétophone) sont-elles reliées aux sorties OUTPUTS TAPE 1 [35] ou TAPE 2 [34]?
L'amplificateur est commande et surveille par un microprocesseur. En appliquant la tension du réseau, le microprocesseur s'initialise automatiquement.
Des perturbations du réseau peuventmettre le microprocesseur dans un etat indéfini et l'appa- reil ne peut plus être commande.
En pressant la touche RESETau moyen d'un objet pointu (agrafe de bureau tordue) on fait redemarrer le microprocesseur. La touche RESET se trouve entre les touches SET REC-OUT [17] et REC=MONITOR [18].
Etant donné que les états des circuits audio ne peuvent être surveillés, il est préféable de couper les enceintes de l'amplificateur.
Si la fiche réseau est bien accessible, il est préférende la retirer de la prise de courant brivement (15 secondes environ) au lieu d'actionner la touche RESET.
Si certains segments de l'affichage [13] s'allumment brievement pendant l'initialisation du microprocesseur, cela est d'u au systeme et ne presente aucun danger pour I'appareil.
REVOX B208

Avec la télécommande IR REVOX B208, vous pouvez télécommandercomfortablement depuis votre position d'excoute les fonctions de toute votre chaine haute fidèle REVOX.

Oltre les fonctions du clavier principal de l'amplificateur REVOX B150, les sorties SPEAKERS A, SPEAKERS B, le réglage BALANCE et les fonctions de réglage de tonalité (TONE, BASS, TREBLE) peuvent être télécommandés.
Caracteristiques de commande
La télécommande IR se fait exactement comme sur l'appareil même. Les cas particuliers suivants font exception.
Mise sous tension

Avec la télécommande IR, l'amplificateur ne peutetre mis sous tension qu'vec les touches de selection de sources (TUNER,TAPE1/2,AUX, CD.PHONO).
En pressant la touche POWER OFF sur la télécommande IR, on coupe toujours toute l'inhalation.
SETREC-OUT
IN:TUNER REC:PHONO

Si l'amplificateur est en mode SET REC-OUT (touche SET REC-OUT [17]), on peut en pressant la touche REC = MON sur la télécommande regler la source écoute également comme source d'enregistrement.
En pressant ensuite une touche de selection de source, on peut entendre une autre source sans commuter la source d'enregistrement.
VOLUME + / -

En pressant brievement les touches VOLUME sur la telecommande IR, on fait varier le volume par petits pas de 1 dB, en pressant plus longtemps par grands pas de 3 dB.

Modification du volume à la mise sous tension

Le volume à la mise sous tension, régé à l'usine, peut être modifiée à l'aide de la télécommande de la manière suivante:
Selectionnez le volume désire au moyen des touches VOLUME +/-. Presser simultanément les touches [●] et POWER OFF sur la télécommande; la nouvelle valeur de volume à la mise sous tension est maintainant ménorisée (réglage d'usine: -25 dB).
| Puisance maximale: | sur 4 Ω: | 2x250 W |
| sur 8 Ω: | 2x130 W | |
| Signal 1 kHz; 1 période en, 16 périodes hors | ||
| Puisance sinus(DIN 45500): | sur 4 Ω: | 2x120 W |
| sur 8 Ω: | 2x90 W | |
| selon CEI 65: | sur 4 Ω: | 2x100 W |
| Facteur d'amortissement: | à1 kHz sur 8 Ω: | >100 |
| Distorsions harmoniques: | à1 kHz, 110 W sur 4 Ω: | <0.006% |
| Temps de montée: | pour charge 4 Ω: | 4 μs |
| pour charge 8 Ω: | 3 μs | |
| EntréesSensibilité/impédance: | (pour 1 kHz à 130 W sur 4 Ω) | |
| - TUNER, TAPE 1, TAPE 2, AUX, CD: | 200 mV/47 kΩ | |
| - PHONO MM: | 2,0 mV/47 kΩ; 150 pF | |
| SortiesNiveau/impédance: | (à tension nominale d'entrée) | |
| - REC, MONITOR, TAPE 1, TAPE 2: | 500 mV/440 Ω | |
| - depuis entrée PHONO MM: | 250 mV | |
| - PHONES: | 9,8 V/280 Ω | |
| - SPEAKERS A/B: | 22 V/80 mΩ | |
| Réglage de tonalité: | (paramétrique par pas de ±4 niveaux) | |
| BASS à 40 Hz: | -12 dB...+12 dB | |
| TREBLE à 14 kHz: | -12 dB...+12 dB | |
| Rapport signal/bruit: (à tension nominale d'entrée) | ||
| - TUNER, TAPE 1, TAPE 2, AUX, CD: | ||
| pour 130 W à 4 Ω, bouclage 1 kΩ: | 98 dB | |
| pour 50 mW à 4 Ω, bouclage 1 kΩ: | 76 dB | |
| - PHONO MM: | pour 130 W à 4 Ω, bouclage 1 kΩ: | 76 dB |
| pour 50 mW à 4 Ω, bouclage 1 kΩ: | 75 dB | |
| Tension maximale d'entrée: | ||
| TUNER, TAPE 1, TAPE 2, AUX, CD: | 10 V | |
| PHONO MM: | 200 mV | |
| Diaphonie: | ||
| - entre les entrées: | à10 kHz, bouclage 1 kΩ: | 100 dB |
| - avant/après-bande: | à10 kHz, bouclage 1 kΩ: | 80 dB |
| Déparation des canaux: | ||
| - TUNER, TAPE 1, TAPE 2, AUX, CD: | ||
| pour 1 kHz, bouclage 1 kΩ: | 86 dB | |
| - PHONO: | pour 1 kHz, bouclage 1 kΩ: | 55 dB |
| Réponse en fréquence: | 20 Hz...20 kHz: | +0 dB/-0,2 dB |
| Correction PHONO RIAA: | 4 constantes de temps, 20 Hz...20 kHz ±0,3 dB | |
| Alimentation: | 220 VAC, +5%/-10% 50 Hz...60 Hz T 2,5 A Versions 110 V ou 240 V possibles d'usine | |
| Consummation: | maximale: | 500 W |
| en veille env.: | 10 W | |
| Dimensions: | (L×H×P): | 450×109×332 mm |
| Poids: | env.: | 13 kg |
Modifications réservées
Dimensions



Fonctions telecommandables avec la telecommande IR REVOX B208.
Face avant:
| Elément de commande | Fonction | Page | |
| [1] | POWER | ●1)) | Interrupteur principal. L'amplificateur est enclenché au dernier mode de service sélectionné. Une nouvelle pression sur la touche met l'amplificateur à nouveau hors tension (veille). |
| [2] | VOLUME + | ●1)) | Augmentation de volume. Avec>par pas de 1 dB et avec>>par pas de 3 dB. |
| [3] | VOLUME - | ●1)) | Diminution de volume. Avec<par pas de 1 dB et avec<<par pas de 3 dB. |
| [4] | -20 dB | ●1)) | Toute pression sur cette touche diminue le volume de 20 dB. Remise par VOLUME + [2]. |
| [5] | TONE | ●1)) | Enclenché et déclenché les réglages de tonalité (BASS, TREBLE). |
| [6] | PHONO | ●1)) | Touché de sélection de source pour table de lecture. |
| [7] | CD | ●1)) | Touché de sélection de source pour lecteur CD. |
| [8] | AUX | ●1)) | Touché de sélection de source pour entrée de réserve. |
| [9] | TAPE 2 | ●1)) | Touché de sélection de source pour magnétophone 2. |
| [10] | TAPE 1 | ●1)) | Touché de sélection de source pour magnétophone 1. |
| [11] | TUNER | ●1)) | Touché de sélection de source pour tuner. |
| [12] | REMOTE | La LED signale la réception des signaux de télécommande IR. | |
| [13] | Display | Affichage fluorescent à 20 chiffres. Indique l'état de service de l'appareil. | |
| [14] | SPEAKERS B | La LED signale l'enclenchement de la sortie de haut-parleurs SPEAKERS B. | |
| [15] | SPEAKERS A | La LED signale l'enclenchement de la sortie de haut-parleurs SPEAKERS A. | |
| [16] | PHONES | Prise de raccordement pour casque. | |
| [17] | SET REC-OUT | La source d'enregistrement ne correspond pas à la source écoutee. L'affichage [13] change le mode d'affichage par exemple a: IN : TUNER REC : TAPE 1. | |
| [18] | REC=MONITOR | La source d'enregistrement correspond à la source écoutee. L'affichage [13] change le mode d'affichage à: source, volume et réglage de balance. | |
| [19] | BASS - | ●1)) | Diminue la part de fréquences basses. Àla première pression, le réglage actuel est affchéé. |
| [20] | SPEAKERS A | ●1)) | Enclenche et déclenché le groupe de haut-parleurs SPEAKERS A. |
| [21] | SPEAKERS B | ●1)) | Enclenche et déclenché le groupe de haut-parleurs SPEAKERS B. |
| Élement de commande | Fonction | Page | |
| [22] | BASS + | ●||) | Augmente la part de fréquences basses. A la première pression, le réglage actuel est affché. |
| [23] | BALANCE L | ●||) | Décale le niveau de sortie en faveur du canal gauche. |
| [24] | TREBLE - | ●||) | Diminue la part de fréquences élevées. À la première pression, le réglage actuel est affché. |
| [25] | BALANCE R | ●||) | Décale le niveau de sortie en faveur du canal droit. |
| [26] | TREBLER + | ●||) | Augmente la part de fréquences élevées. A la première pression, le réglage actuel est affché. |
Arriere:
| [27] | Raccord de masse pour la mise à la masse de la table de lecture. | 3 |
| [28] PHONO MM | Prises d'entrée (CINCH) pour une table de lecture à phonocoputeur à aimant mobile. | 3 |
| [29] CD | Prises d'entrée (CINCH) pour un lecteur CD. | 3 |
| [30] AUX | Prises d'entrée (CINCH) pour une source supplémentaire (entree de réserve). | 3 |
| [31] TAPE 2 | Prises d'entrée (CINCH) pour lecture depuis le magnétophone 2. | 3 |
| [32] TAPE 1 | Prises d'entrée (CINCH) pour lecture depuis le magnétophone 1. | 3 |
| [33] TUNER | Prises d'entrée (CINCH) pour un tuner (récepteur). | 3 |
| [34] TAPE 2 | Prises de sortie (CINCH) pour enregistements avec magnétophone 2. | 3 |
| [35] TAPE 1 | Prises de sortie (CINCH) pour enregistements avec magnétophone 1. | 3 |
| [36] RECORD | Prises de sortie (CINCH) pour un canal supplémentaire d'enregistrement (Troisieme magnétophone). | 3 |
| [37] SERIAL LINK | Raccord sérial de commande pour raccordement d'un récepteur IR externe REVOX B206. Par cette prise, on peut égalément couper le récepteur IR interne (relier la broche 1 à la broche 2 et la broche 4 à la broche 5). | 16 |
| [38] SPEAKERS A | Borres de haut-parleurs pour le groupe A. | 4 |
| [39] SPEAKERS B | Borres de haut-parleurs pour le groupe B. | 4 |
| [40] AC POWER | Raccord réseau. | 4 |

Dessin d'appareil

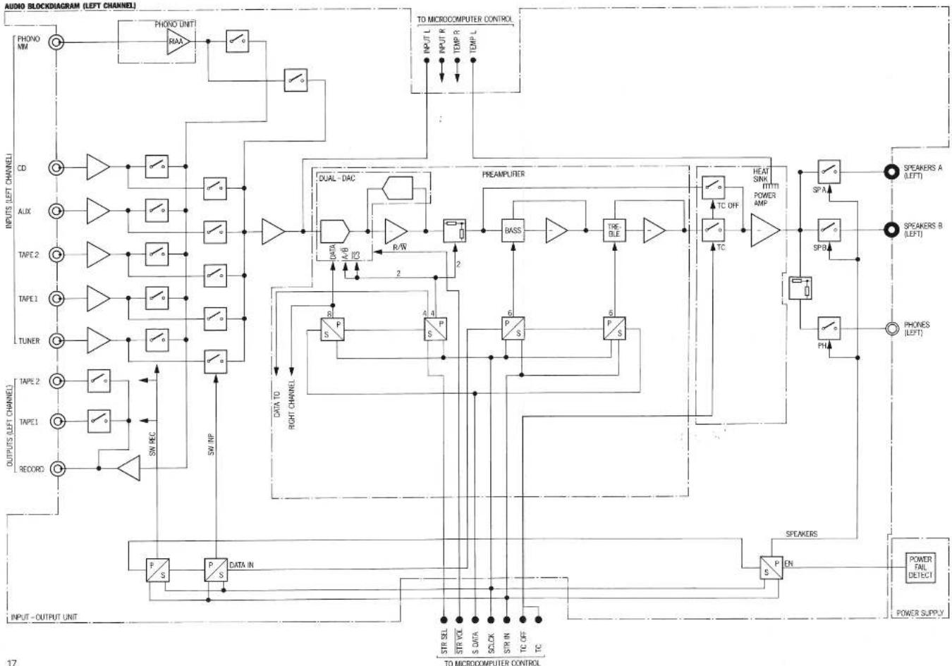
Scheme-bloc audio

STUDER REVOX
Manufacturer
Willi Studer AG
CH-8105 Regensdorf/Switzerland
Althardstrasse 30
Studer Revox GmbH
D-7827 Löffingen/Germany
Talstrasse 7
Worldwide Distribution
Revox Ela AG
CH-8105 Regensdorf/Switzerland
Althardstrasse 146
Notice Facile