PV JA - Panneau photovoltaïque JASOLAR - Notice d'utilisation et mode d'emploi gratuit
Retrouvez gratuitement la notice de l'appareil PV JA JASOLAR au format PDF.
| Intitulé | Description |
|---|---|
| Type de produit | Panneau photovoltaïque |
| Caractéristiques techniques principales | Technologie de cellules : Monocristallin |
| Puissance nominale | 320 W |
| Tension de fonctionnement | 36 V |
| Dimensions approximatives | 1650 x 1000 x 35 mm |
| Poids | 18 kg |
| Rendement | 19,5 % |
| Compatibilités | Compatible avec la plupart des onduleurs du marché |
| Conditions d'utilisation | Utilisation en extérieur, résistant aux intempéries |
| Entretien et nettoyage | Nettoyage régulier recommandé pour maintenir l'efficacité |
| Durée de vie | Environ 25 ans avec un bon entretien |
| Garantie | Garantie de performance de 25 ans |
| Normes de sécurité | Conforme aux normes IEC 61215 et IEC 61730 |
| Informations générales | Produit fabriqué selon des standards de qualité élevés, idéal pour les installations résidentielles et commerciales |
FOIRE AUX QUESTIONS - PV JA JASOLAR
Téléchargez la notice de votre Panneau photovoltaïque au format PDF gratuitement ! Retrouvez votre notice PV JA - JASOLAR et reprennez votre appareil électronique en main. Sur cette page sont publiés tous les documents nécessaires à l'utilisation de votre appareil PV JA de la marque JASOLAR.
MODE D'EMPLOI PV JA JASOLAR
Ne pas monter, se tenirABOUT ou s'asseoir sur les modules lors de l'installation ou du nettoyage.
INSTRUCTIONS DE SECURITE IMPORTANTES
Ce Manuel contient des instructions de sécurité importantes pour les modules PV solaires (dénommés ci-après « Modules ») de JA Solar Technology Co., Ltd. (dénommée ci-après « JA Solar »). Les installateurs doivent suivre toutes les précautions décrites dans leprésent Manuel ainsi que les codes locaux lors de l'installation des modules.
Les compétences et les connaissances spécialisées sont nécessaires pour l'installation des systèmes PV solaires. L'installation ne doit être effectuee que par le personnel qualifie.
Avant d'installer un système PV solaire, les installateurs doivent bien connaître les exigences mécaniques et électriques pertinentes.
Conservez ce Manuel dans un endroit sur pour une reférence future et pour la vente ou la cession eventuelle des modules.
Pour toute question, veuillez contacter notre service qualité et clientèle mondial pour plus d'informations.
CONTENUS
1 Introduction
2 Codes et Reglements 1
3 Généralité 1
1 Identification du produit 2
2 Sécurité conventionnelle 2
3 Sécurité de la performance électriche 2
4 Sécurité des opérations 3
5 Sécurité incendie 3
4 Conditions d'installation 4
1 Emplacement d'installation et environnement de travail 4
2 Selection de l'angle d'inclinaison 4
5 Installation mécanique 5
1 Selection de l'angle d'inclinaison 5
2 Méthodes d'installation 5
6 Installationelectrique 9
1 Propriete electrique 9
2 Cables et câblage 10
3 Connecteurs 10
4 Diodes de bipasse 10
7 Mise à la terre 11
1 Mise à la terre à l'aide du boulon de terre 11
2 Mise à la terre à l'aide du trou de montage non utilisé 12
3 Dispositifs de mise à la terre supplémentaires de tiers 12
8 Opération et Maintenance 12
1 Nettoyage 12
2 Inspection visuelle des modules 12
3 Inspection des connecteurs et des cables 13
Merci d'avoirchoisi les modules de JA SOLAR!
Le Manuel d'installation contient des informations de base sur l'installation électrique et mécanique qui doivent être connues avant la manipulation et l'installation des modules solaires JA Solar. Ce Manuel contient également des informations de sécurité que vous doivent connaître. Toutes les informations décrites dans ce Manuel sont la propriété intellectuelle de JA Solar et sont basées sur les technologies et les experiences acquises et accumulées par JA Solar.
Ce Manuel ne constitue pas une garantie expresse ou implicite. Ja Solar n'est pas responsable et decline expressesment toute responsabilité des pertes, dommages ou dépenses engagées ou liées de chaque manière que ce soit à l'installation, au fonctionnement, à l'utilisation ou à l'entretien des modules. JA Solar n'est pas responsable de la contrefon des brevets ou d'autres droits de tiers résultat de l'utilisation des modules. JA Solar se reserve le droit de modifier les produits, les specifications ou le manuel d'installation sans préavis.
Le non-respect des exigences listedes dans ce present Manuel invalidera la garantie limitee des modules fournie par JA Solar lors de la vente a un client direct. Les recommendations supplémentaires ont ete formulees pour ameliorer les pratiques de securite et les performances. Veuillez fournir une copie du present Manuel au propriete du syste MV pour reference et l'informer de tous les aspects en maitre de securite, de fonctionnement et d'entretien.
2 Codes et Règlements
L'installation mécanique et électricque des systèmes PV doit être effectué en conformité avec tous les codes applicables, y compris les codes d'électricité, les codes des batiments et les exigences d'interconnexion des installations électriques. Ces exigences peuvent varier en fonction du lieu de montage. Les exigences peuvent également varier en fonction de la tension du système et de l'application en courant continu ou alternatively. Veuillez contacter les autorités locales pour connaître les règlements.

3 Généralité



| 1. Cadre en aluminium | 2. Verre | 3. Encapsulation EVA | 4. Cellule | 5. Panneau arrêté | 6. Silicone adhéSIF |
| 7. Boîte de jonction | 8. Étiquette | 9. Câble | 10. Connecteur | 11. Trou de montage | 12. Trou de mise à la terre |
| 13. Trous de drainage | 14. Cellule |
1. Identification du produit
Chaque module comporte trois étiquettes indiquant les informations suivantes :
- Plaque signalétique : décrit le type de produit ; Puisance de créte, courant électrique maximal, tension électrique maximale, tension de circuit ouvert, courant de court-circuit, tous mesures dans des conditions d'essay standard ; Marque de certification, tension maximale du système, etc.
- Triage actuel : les modules sont triés en fonction de leur courant électrique maximal, comme symbole correspondant ci-joint « classe de courant X», où X représentée les valeurs H, M ou L (H représentée le courant physique le plus élevé). Pour obtenir des performances optimales à partir d'une chaine de modules, il est recommandé de ne connecter que des modules de la même classe "Classe du courant X" (par exemple, uniquement des modules H) dans une chaine donnée. Nous recommendons que les modules avec et sans LRF ne soient pas installés dans un onduleur, même s'ils sont de la même classe de courant. Pour le reste des modules ayant des classes de courant différentes, les modules ayant une classe de courant adjacente peuvent être installés dans une chaine donnée.
- Numéro de série : chaque module a un numéro de série unique. Le numéro de série a 16 chiffres. Le premier et le deuxième chiffres sont le code d'année et le troisième chiffre est le code de mois (A, B, C représentent respectivement octobre, novembre et décembre). Par exemple, 121xxxxxxxxxx signifie que le module a été assemblé et testé en janvier 2012. Chaque module n'a qu'un seul code à barres. Il est fixé en permanence à l'intérieur du module et est visible de l'avant supérieur du module. Ce code à barres est inséré avant le laminage. En outre, vous trouvrez le même code à barres à côte de la plaque signalétique.
2. Sécurité conventionnelle
Les modules de JA Solar sont concus pour satisfaire aux exigences de la Norme IEC 61215 et de la Norme IEC 61730, classe d'application A. Les modules concus pour cette classe d'application peuvent ettre utilisés dans le systeme fonctionnant à une tension supérieure à 50V DC ou 240W avec un acces de contact général prévu. Les modules qualifiés conformes aux normes IEC 61730-1 et IEC 61730-2 en matière de sécurité et de cette classe d'application sont considérés comme satisfaisant aux exigences des équipements de classe de sécurité II.
Lorsque les modules sont installés sur le toit, celui-ci doit avoir un revêtement ignifuge adapté à cette application. Les systèmes PV sur toit ne peuvent être installés que sur des toits capables de supporter des charges pondérées supplémentaires sur les composants du système PV, y compris les modules, et, doivent faire l'objet d'une analyse complète de la structure par un spécialiste du bâtiment ou un ingénieur certifié.
Pour toute sécurité, n'essayez pas de travailler sur le toit tant que des précautions de sécurité n'ont pas ete prises, y compris, sans s'y limiter, les mesures de protection contre les chutes, les échelles ou les escaliers et les équipements.
Pour toute sécurité, n'installez pas et ne manipulez pas les modules dans des conditions défavorables, y compris, sans s'y limiter, le vent fort ou la rafale, ainsi que les surface humide ou gelée du toit.
3. Sécurité de la performance électriche
Les modules PV peut produit un courant continu lorsqu'ils sont exposés à la lumière, ce qui entraine des chocs électriques ou des brûlures. Une tension en CC de 30 volts ou plus peut être mortelle.
Les modules générent une tension même s'ils ne sont pas connectés à un circuit ou à une charge. Veuillez utiliser des outils et des gants isolants lorsque vous travailliez avec les modules au soleil.
Les modules ne disposent pas de commutateur ON/OFF. Les modules ne peuvent etre rendus inopérants que sils sont retirés de la lumiere du soleil, ou si leur surface avant est entierement recouverte de tissu, de carton ou d'un autre materiaiu complètement opaque, ou si la face du module est placee vers le bas sur une surface lisse et plate.
Pour éviter les arcs et les chocs électriques, ne connecter pas l'électricité sous charge. Les connexions incorrectes peuvent également causeur des arcs et des chocs électriques. Par conséquent, gardez les connecteurs secs et propres et assurez- vous qu'ils fonctionnent en bon état. Pour assurer la sécurité de la connexion électricque, n'insérez jamais d'objets métalliques dans les connecteurs ou les modifier de chaque manière que ce soit.
Afin d'éviter l'entrée de sable ou de vapeur d'eau qui pourrait cause un problème de sécurité avec la connexion, les modules doivent être installés et connectés à la boîte de jôction une fois soit de leur emballage en carton. Il est important de garder les connecteurs secs et propres pendant l'installation. Si les modules ne sont pas installés dans un dél d'une semaine, il est recommendé d'ajouter des capuchons de protection en caoutchou comme mesure de protection. Veuillez notes que la contamination par le sable, la poussière et l'eau peut causeurs des arcs et des chocs électriques aux connecteurs. Nous recommendons aux clients d'ajouter des capuchons en caoutchou pour protégger les zones poussièresuses, les zones côtières à forté salinité ou les zones fortement contaminées.
La réflexion de la neige ou de l'eau peut augmenter la lumière du soleil, augmentant ainsi le courant et la puissance. En outre, des températures plus basses peuvent augmenter considérablement la tension et la puissance.
Si le verre ou d'autres matériaux sont endommages, veuillez porter des équipements de protection individuelle et séparer le module du circuit.
Le personnel entrant dans la centrale électrique doit, quelles que soient les conditions météorologiques, porter correctement un casque de sécurité, des gants isolants et des chaussures isolantes et prendre des mesures auto-protection.
Ne travailliez que dans des conditions sèches et n'utilise que des outils secs. Ne manipules les modules lorsqu'ils sont humides à moins que vous ne portez des équipements de protection appropriés. Si vous avez besoin de nettoyer les modules, suivez les exigences de nettoyage stipulées dans le Manuel.
L'installation doit être effectuee sous la direction d'un electricien qualifie.
4. Sécurité des opérations
Ne déballez pas les modules de JA Solar pendant le transport et l'entreposage jusqu'à ce qu'ils soient prêts pour l'installation.
En même temps, protégez l'emballage contre les dommages. Fixez bien les palettes pour éviter toute chute.
Ne dépassez pas la hauteur maximale des palettes à empiler, comme indiqué sur l'emballage des palettes.
Stockez les palettes dans un endroit ventilé, à l'abri de la pluie et sec jusqu'à ce que les modules soient prêts à être déballés.
Déballez les modules de JA Solar conformément aux instructions de déballage des modules de JA Solar.
Ne saisissez jamais la boîte de jonction des ou les câbles des modules pour les soulever.
Ne vous tenez pasABOUT et ne vous marchez pas sur les modules.
Ne laissez pas tomber un module sur un autre module.
Ne placez aucun objet lourd sur le module pour éviter la rupture du verre.
Faites attention en plaçant les modules sur une surface, en particulier aux coins des modules.
Un transport et une installation inadéquats peuvent endommager les modules.
N'essayez pas de démonter les modules et n'enlevez aucune plaque signalétique ou composant des modules.
N'applique pas de peinture ou d'adhesif sur la surface supérieure du module.
Pour éviter d'endommager le panneau arrêté, ne la grattez pas et ne la frappe pas.
Ne peut réduire la résistance du cadre et entraîner la corrosion.
Ne rayez pas la couche anodisée du cadre (à l'exception du cas pour la connexion de mise à la terre). Cela pourrait entraîner la corrosion du cadre ou compromètement sa solidité.
N'essayez pas de réparer les modules avec du verre endommagé.
Les modules mis au rebut doivent être recyclés et éliminés par une institution qualifiée.
Dans les zones sèches, les modules sont sensibles à l'électricité statique pendant l'installation. Par conséquent, l'installateur doit porter des dispositifs antistatiques pour s'assurer que l'équipment et l'installateur ne sont pas affecté (ou blessé) par l'électricité statique.

5. Sécurité incendie
Consultez les autorités locales pour connaître les directives et les exigences relatives à la sécurité incendie desBATIMES ou des structures. Les modules de JA Solar sont conformes à la Norme IEC 61730-2.
Pour l'installation sur le toit, les modules doivent être montés sur un revêtement ignifuge approprié à cette application, avec une ventilation adequate entre le panneau arrêté du module et la surface de montage.
La construction et l'installation sur le toit peuvent avoir une incidence sur la sécurité incendie du bâtiment. Une installation incorrecte peut cause des risques en cas d'incendie.
Utilisé des composants appropriés, tels que des fusibles, des disjoncteurs et des connecteurs de mise à la terre, conformément aux exigences des autorités locales.
N'utilisez pas de modules là où des gaz inflammables peuvent être produits.
Les modules JA n'ont pas ete testes pour la protection contre l'explosion. Veuillez consulter les reglements locaux pour savoir si les modules peuvent etre utilisés.
4. Conditions d'installation
1. Emplacement d'installation et environnement de travail
Les modules de JA Solar ne sont utilisés que pour des applications terrestres et non dans l'espace.
N'utilise pas de miroirs ou d'autres loupes pour concentrer la lumière du soleil sur les modules.
Les modules doivent être montés sur des structures de montage appropriées positionnées sur des batiments adaptés, le sol, ou d'autres structures appropriées pour les modules (par exemple, abris pour voitures, façades de batiments ou trackers solaires photovoltaiques).
Les modules ne doivent pas etre installés la où ils peuvent etre immergés dans l'eau.
La température ambiente recommende doit être comprise entre - 40^ (- 40^ ) et 40^ ( 104^ ). Les limites de température sont définies comme les températures maximale et minimale mensuelles moyennes sur le site d'installation. La température limite de fonctionnement doit être de 40^ (- 40^ ) à 85^ ( 185^ ).
Assurez-vous que les modules ne sont pas affectés par des charges de vent ou de neige supérieures à la charge maximale admissible.
Les modules doivent être installés dans des endroits non ombragés tout au long de l'année. Assurez-vous qu'aucun obstacle ne bloque la lumière pres du site d'installation.
Il est recommendé d'assurer une protection contre la foudre pour les systèmes PV installés dans des endroits où la probabilité de foudre est élevé.
N'utilise pas de modules prse de 1'equipement ou dans des endroits ou des gaz inflammbes peuvent etre produits ou recueillis.
Les modules ne doivent pas etre installés ou utilisés dans des zones extrimes ou dans des conditions meteorologiques et les zones fortement corredees doivent etre soigneusement examinées. Lorsque des modules sont installés ou exploite dans des zones enneigées, extrément froides ou venteuses, ou a proximé d'iles ou de déserts susceptibles de produit du brouillard salin, ou a proximé de l'eau, prenez des mesures appropriées pour assurer la performance et la sécurité des modules.
Les modules DE JA Solar ont réussi l'essay de pulverisation de sel IEC 61701, mais si le matériel est constitué de différents métaux, une corrosion galvanique peut se produit entre le cadre en aluminium des modules et le matériel de montage ou de mise à la terre. Les modules JA Solar peuvent être installés à 50 à 500 mètres de la mer, avec protection contre la corrosion. Pour plus de détails, consultez les instructions d'installation en bord de mer de JA Solar.
Les modules équipés de LRF peuvent avoir une certaine réflexion et une certaine contamination de la lumière à certains angles et, le cas échéant, une évaluation par un planificateur peut être requise.
Les modules ne peuvent pas etre utilisés pour certaines exigences particulieres, telles que les applications a bord des navires et des vehicules. Veuillez you referrer aux lois et reglements locaux pour en savoir plus.
Si le module est installe dans un environnement poussiereux, la poussiere sur la surface du module doit etre nettoyee regulierement et en temps oppun afin d'eviter qu'elle ne s'accumule sur la surface et ne forme des points chauds qui pourraient endommager le module.

2. Sélection de l'angle d'inclinaison
L'angle d'inclinaison du module est mesure entre la surface des modules et la surface horizontale du sol. Le module produit une puissance maximale lorsqu'il est directement orienté vers le soleil.
Dans l'hémisphere nord, les modules doivent généralement être orientés vers le sud, tandis que dans l'hémisphere sud, les modules doivent généralement être orientés vers le nord.
Pour plus de détails sur l'angle d'installation optimal, reférez-vous aux guides d'installation PV solaire standard ou consultez un installateur solaire ou un intégrateur de systèmes réputé.
L'accumulation de poussière sur la surface des modules peut affecter les performances des modules. JA Solar recommende que les modules soient installés à un angle d'inclinaison d'au moins 10 degrès, ce qui facilité le nettoyage de la poussière par la pluie.
5. Installation mécanique
1. Exigences conventionnelles
Assurez-vous que la méthode d'installation et le système de support des modules sont suffisamment solides pour résister à toutes les conditions de charge. Cette garantie doit être fournie par l'installateur. Le système de support d'installation doit être testé par un organismé tiers ayant une capacité d'analyse mécanique statique conformément aux normes locales, nationales ou internationales.
La structure de montage des modules doit etre en materiaiu durable, résistant a la corrosion et aux UV.
Les modules doivent être solidement fixés à la structure de montage.
Dans les régions où il neige beaucoup en hiver,CHOISSEZ une hauteur du système de montage à laquelle le bord le plus bas du module ne soit pas recouvert de neige en tout temps. En outre, assurez-vous que la partie la plus BASSE du module est place a une hauteur suffisante pour qu'elle ne soit pas couvert de plantes ou d'arbes ou endommagée par le sable volant.
Lorsqu'un module est soutenu paralllement à la surface d'un mur ou d'un toit du batiment, un dégagement d'au moins 10 cm entre le cadre du module et la surface du mur ou du toit est nécessaire pour permettre à l'air de circuler derrière le module et pour éviter des dommages au câblage.
N'essayez pas dePERcer des trous sur la surface en verre et le cadre du module, parce que cela annulera la garantie.
Avant d'installer des modules sur le toit, assurez-vous que la structure du toit est appropriée. En outre, toute pénétration du toit nécessaire à l'installation des modules doit être correctement scellede pour éviter les fuites.
Observe la dilatation thermique linéaire du cadre du module pour vous assurer que la distance minimale entre les cadres adjacents soit de 10mm
Le cadre du module se déforme à basse température.
Évitez demettre le cadre sous des tensions et des pressions laterales qui pouraient le faire tomber ou écraser le verre.
Gardez tous la feuille de support du module loin d'objets étrangers ou d' éléments structurels, qui pourrait entrer en contact avec le panneau, rundout lorsque le panneau est soumis à une charge mécanique.
Les modules ont ete certifiés pour une charge statique maximale à l'arriere de 2400 Pa (c'est-à-dire la charge du vent) et une charge statique maximale à l'avant de 2400 Pa ou 5400 Pa (c'est-à-dire la charge du vent et de la neige), en fonction du type de modules (veuillez vous referrer aux methodes d'installation suivantes pour plus de détails).
La methode de montage ne doit pas entraîner le contact direct de métaux différents avec le cadre en aluminium du module, car cela va causer une corrosion galvanique. La norme IEC 60950-1 recommende que les combinaisons métalliques ne dépassent pas une différence de potentiel electrolychimique de 0,6 Volts.
Les modules peuvent être montés en direction horizontale ou verticale.
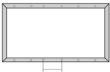
2. Méthodes d'installation
Les modules peuvent être installés sur les supports par des colliers de serrage ou des crochets. Les modules doivent être installés conformément aux exemples et conseils suivants. Si vous ne montez pas les modules conformément aux instructions, veuillez consulter à l'avance JA Solar et doit être approvée par JA Solar, sinon cela pourrait endommager les modules et annuler la garantie.


1. Modules installés avec trou de montage
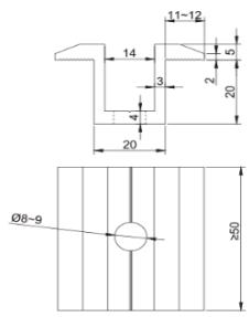
Les modules doivent être boulonnés pour supporter les structures à travers les trouss de montage situés dans les brides arrirées du cadre. Veuillez se reférer à ce qui est montré dans la Figure 2 (Détails de montage).

Figure 2 Détails de montage
| Pour votre référence,Venilles utiliser les composants spécifés ci-dessous : | |
| 1. Boulon | 2. Rondelle |
| Matériel : Q235B/SUS304 | Matériel : Q235B/SUS304 |
| Taille et longueur : M8*16mm | Taille : M8 |
| 3. Rondelle élastique | 4. Écrou |
| Matériel : Q235B/SUS304 | Matériel : Q235B/SUS304 |
| Taille : M8 | Taille : M8 |
| Le moment recommandé est entre 12N.m et 16N.m. | |
2 Modules installés avec des colliers de serrage
Les modules doivent être montés à l'aide des colliers de serrage spécialisés, comme illustré à la Figure 3.
A. Les modules doivent être fixés sur un rail de structure du support par des colliers de serrage metalliques. Il est conseilé d'utiliser les colliers de serrage dans les conditions suivantes ou approuvées par l'installation du système :
Largeur : Collier de serrage A pas moins de 50mm Colliers de serrage B pas moins de 50mm Épaissieur : Pas moins de 3mm ;
Matériel : Alliage d'aluminium ;
Boulon: M8;
B. La plage du moment des vis de serrage est entre 18N.m et 24N.m
C. Les colliers de serrage des modules ne doivent pas entraire en contact avec le verre avant ou déformer le cadre de quelque maniere que ce soit, la zone de contact du collier de serrage avec l'avant du cadre doit être lisse, sinon cela pourrait endommager le cadre ou casser les modules. Évitez les effets d'ombre des colliers de serrage des modules. Les orifices de drainage sur le cadre du module ne doivent pas être obtrués ou fermés par les colliers de serrage.


Collier de serrage A (X=hauteur du cadre de module)


Collier de serrage B
Figure 3 Détails de colliers de serrage (Unités : mm)
3. Emplacement d'installation et charges statiques correspondantes
La condition de charge faible/normale s'applique à l'installation dans la plupart des conditions environnementales: la charge statique maximale à l'arrière des modules est de 2400Pa (c'est-à-dire la charge du vent) et la charge statique maximale à l'avant des modules est de 2400Pa (c'est-à-dire la charge du vent et de la neige).
La condition de charge forte s'applique à l'installation dans des conditions environnementales plus difficiles telles que tempête, neige, etc.: la charge statique maximale à l'arrête des modules est de 2400 Pa (c'est-à-dire la charge du vent), et la charge statique maximale à l'avant des modules est de 5400 Pa (c'est-à-dire la charge du vent et de la neige), en fonction du niveau de pression qu'il supporterait conformément à la norme IEC.
Pour les charges dynamiques, telles que le vent, le facteur de sécurité doit être multiplé par 3. Cela signifie que la charge dynamique maximale est de 800Pa lorsque la vitesse du vent est inférieure à 130km/h .


Montage par quatre troughs interieurs

Montage par quatre troughs extérieurs

Longueur de modulo L Montage par colliers de serrage, traversant le cadre long

Montage par colliers de serrage (H = 1 / 4W± 50)

400mm
Montage par trough d'espacement de 400mm

Longueur de montage L
Montage par colliers de serrage,
paralleles au cadre long
| Méthodes d'installation Types de module | Quatre troughs intérieurs | Quatre tous extérieurs | Colliers de serrage, rails de montage traversant le cadre long S=1/4L±50 | Montage par colliers de serrage sur le cadre court H=1/4W±50 | Montage par tous d'espacement de 400 mm* | Colliers de serrage, rails de montage traversant le cadre long S=1/4L±50 |
| Séries JAM60S10 MR | +5400/-2400 | N/A | +5400/-2400 | ±2000 | N/A | N/A |
| Séries JAM68S11 PR(B) | +5400/-2400 | N/A | +5400/-2400 | N/A | N/A | N/A |
| Séries JAM76S11 PR(B) | +5400/-2400 | N/A | +5400/-2400 | N/A | N/A | N/A |
| Séries JAM66S10 MR | +5400/-2400 | N/A | +5400/-2400 | ±2000 | N/A | N/A |
| Séries JAM60S20 MR | +5400/-2400 | N/A | +5400/-2400 | ±1800 (Collier de serrage spécifique) | N/A | N/A |
| Séries JAM72S10 MR (cadre de 40mm) | ±2400 | N/A | +5400/-2400 | ±1800 | ±2400 | 5400/2400 |
| Séries JAM72S10 MR (cadre de 35mm) | ±2400 | N/A | +5400/-2400 | ±1800 | ±2400 | 3600/2400 |
| Séries JAM78S10 MR | ±2400 | N/A | +5400/-2400 | ±1800) | N/A | N/A |
| Séries JAM72S17 GR | +5400/-2400 | N/A | +5400/-2400 | ±1800 (Collier de serrage spécifique) | N/A | N/A |
| Séries JAM72S20 MR | ±2400 | N/A | +5400/-2400 | ±1600 | ±1800 | N/A |
| Séries JAM54S30 MR | +5400/-2400 | +5400/-2400 | +5400/-2400 | ±1600 (Collier de serrage spécifique) | N/A | ±2400 |
| Séries JAM66S30 MR (cadre de 35mm) | +5400/-2400 | N/A | +5400/-2400 | ±1200 (Collier de serrage spécifique) | ±2400 | ±2400 |
| Séries JAM72S30 MR (cadre de 35mm) | +5400/-2400 | +5400/-2400 | +5400/-2400 | ±1200 (Collier de serrage spécifique) | ±1800 | ±2400 |
| Séries JAM78S30 MR (cadre de 35mm) | +5400/-2400 | +5400/-2400 | +5400/-2400 | N/A | N/A | ±2400 |
| Séries JAM54S30 GR | +5400/-2400 | +5400/-2400 | +5400/-2400 | ±1600 (Collier de serrage spécifique) | N/A | ±2400 |
| Séries JAM78S30 GR (cadre de 35mm) | +5400/-2400 | +5400/-2400 | +5400/-2400 | N/A | N/A | ±2400 |
| Séries JAM54S40 GR | +5400/-2400 | +5400/-2400 | +5400/-2400 | ±1600 (Collier de serrage spécifique) | N/A | ±2400 |
| Méthodes d'installation Types de module | Quatre trous intérieurs | Quatre trous extérieurs | Colliers de serrage, rails de montage traversant le cadre long 72/66: 400mm≤S ≤500mm; 78: 500mm≤S ≤600mm | Montage par colliers de serrage sur le cadre court H=1/4W±50 | Montage par trous d'espacement de 400 mm* | Colliers de serrage, rails de montage traversant le cadre long 72/66: 400mm≤S ≤500mm; 78: 500mm≤S ≤600mm |
| Séries JAM72S30 MR (cadre de 30 mm) | +5400/-2400 | +5400/-2400 | +5400/-2400 | - | ±1800 | ±2400 |
| Séries JAM66S30 MR (cadre de 30mm) | +5400/-2400 | +5400/-2400 | +5400/-2400 | ±1000 | N/A | ±2400 |
| Séries JAM72S30 GR (cadre de 30mm) | +5400/-2400 | +5400/-2400 | +5400/-2400 | - | ±1800 | ±2400 |
| Séries JAM72S40 GR (cadre de 30mm) | +5400/-2400 | +5400/-2400 | +5400/-2400 | - | - | ±2400 |
| Séries JAM78S30 MR (cadre de 30mm) | +5400/-2400 | N/A | +5400/-2400 | N/A | N/A | ±2400 |
| Séries JAM78S30 GR (cadre de 30mm) | +5400/-2400 | N/A | +5400/-2400 | N/A | N/A | ±2400 |
Note: 1."N/A" signifie non applicable; "-" signifie en cours de vérification
2. * Il s'agit de trous de montage de 400 mm du système de suivi à axe unique 1P, veuillez consulter les sociétés de suivi concernant la solution d'installation réalisable si la charge d'essay requise est supérieure à 2400 Pa.
3. Les données de charge mécanique pour les méthodes d'installation dans le manuel sont basées sur la certification par une pierce partie ou sur les résultats internes de JA.
Figure 4 Emplacement d'installation et relation de charge correspondante
6. Installation électrique
1. Propriété électrique
Les caractéristiques électriques nominales telles que Pmax sont dans +/- 3 % et Voc dans +/- 3 % et Isc dans +/- 4 % des valeurs de tolérance dans les Conditions d'Essai Standard. Conditions d'Essai Standard : 1000 W/m² Irradiance, 25 °C de température de cellule et 1,5 masse d'air.
Dans des conditions normales, les modules photovoltaiques peuvent connaître des conditions qui produits plus de courant et/ou de tension que celles signalées dans les Conditions d'Essai Standard. En conséquence, les valeurs de courant de court-circuit, Isc, et de tension de circuit ouvert, Voc, marquées sur les Modules doivent être multipliées par un facteur de 1,25 lors de la détermination des tensions nominales des composants, des capacités des conducteurs, des tailles de fusibles et de la taille des commandes connectées à la sortie des modules.
Les tensions sont additivees lorsque les modules sont connectés directement en série, et les courants des modules sont additifs lorsque les modules sont connectés directement en parallele, comme illustré à la Figure 5.
Les modules ayant des caractéristiques électriques différentes ne doivent pas été connectés directement en série.


Figure 5: Schemas électriques de jonction en série et en parallèle
Le nombre maximal de modules pouvant être connectés dans une chaine en série doit être calculé conformément aux réglementations applicables de manière à ce que la tension maximale du système spécifique (la tension maximale du système des modules JA Solar est de CC 1000 V/1500V selon l'évaluation de la sécurité de la norme IEC61730) des modules et de tous les autres composants électriques CC ne seront pas dépassés en fonctionnement en circuit ouvert à la température la plus BASSE prévue à l'emplacement du système PV.
Le facteur de correction pour la tension en circuit ouvert peut etre calculé sur la base de la formule suivant: C voc = 1 - voc × (25 - T) .T est la temperature ambiente la plus basse prevue a l'emplacement du systeme (% /^) est le coefficient de temperature du module selectionne Voc (voir la fiche technique correspondante).
Un dispositif de protection contre les surintensités de courant approprié doit être utilisé lorsque le courant inverse peut dépasser la valeur du niveau maximal du fusible des modules. Un dispositif de protection contre les surintensités de courant est requis pour chaque chaîne en série si plus de deux chaînes en série sont connectées en parallele, comme illustré à la Figure 5.
2. Câbles et câblage
Ces boîtes de jôction ont été conçues pour être facilement interconnectées en série pour leur cable bien connecté et le connecteur avec une classe de protection IP67 (IP68). Chaque Module dispose de deux cables mono conducteurs, un positif et un négatif, qui sont pré-câblés à l'intérieur de la boîte de jôction. Les connecteurs à l'extrémité opposée de ces cables permettent une connexion en série facile des modules adjacents en insérant fermement le connecteur positif dans le module dans le connecteur négatif du module adjacent jusqu'à ce que le connecteur soit bien fixé.
Utilisez le cable sur site avec des sections transversales appropriées qui sont approuvées pour une utilisation au courant de court-circuit maximal des modules. JA Solar recommende aux installateurs d'utiliser uniquement des cables résistants à la lumière du soleil qualifiés pour le cablege en courant continu (CC) dans les systèmes PV. La taille minimale du cable doit être de 4mm2 (12 AWG).
Niveau requis du câblage sur site minimum
| Norme d'essai | Taille des câbles | Température nominale |
| EN 50618:2014 | 4mm2 | -40°C à +90°C |
Les cables doivent être fixés au support de montage ou aux modules de manière à éviter tout dommage mécanique du cable et/ou des modules. Ne pas appliquer de contrainte sur les cables. Le rayon de cintrage minimum des cables doit être de 38,4 mm. Tout dommage au cable cause par la flexion excessive ou le système de gestion des cables n'est pas couvert par la garantie de JA Solar. Pour la fixation, les moyens appropriés tels que des serre-câbles résistants à la lumière du soleil et/ou des clips de gestion des cables spécialement concès pour être fixés au support ou aux modules de montage doivent être utilisés. Bien que les cables soient résistantss à la lumière du soleil et imperméables, il faut éviter l'exposition directe au soleil et l'immersion dans l'eau des cables autant que possible.
La disposition des cables doit être conforme aux lois et réglementations locales.
3. Connecteurs
Gardez les connecteurs secs et propres et assurez-vous que les capuchons de connexion sont serrés à la main avant de connecter les modules. N'essayez pas d'effectuer une connexion électrique avec des connecteurs mouillés, sales ou autrement défectueux. Évitez l'exposition au soleil et l'immersion dans l'eau des connecteurs. Évitez que les connecteurs ne représent sur le sol ou la surface du toit.
Les connexions incorrectes peuvent cause des arcs et des chocs électriques. Vérifiez que toutes les connexions électriques sont fixées en toute sécurité. Assurez-vous que tous les connecteurs de verrouillage sont complètement engagés et verrouillés. L'interconnexion des connecteurs doit atteindre le niveau de protection IP correspondant, afin d assurer la sécurité électrique. Il n'est pas conseillé d'interconnector différents types de connecteurs.
Ne pas entre en contact avec des solvants organiques et d'autres matériaux corrosifs dans la connexion du connecteur et l'environnement d'utilisation, tels que l'alcool, l'essence, les pesticides, les herbicides, etc. Veuillez consulter JA pour plus de détails. Dans le cas contraire, JA ne sera pas responsable de la fissuration du connecteur causée la dessus. Deux exemple d'utilisation incorrecte sont illustrés ci-dessous:

Veuillez noter que la methode de déverrouillage des connecteurs est différente selon les lois et réglementations locales.
Pendant la construction de la centrale, le connecteur ne doit pas etre exposé à l'environnement extérieur dans un etat non connecte pendant une longue perteode, afin d'empêcher la poussiere dans l'environnement du connecteur, entrainant une baisse de fiabilité de la connexion du connecteur.
4. Diodes de bipasse
Les boites de jonction utilisées avec les modules JA Solar contiennent des diodes de bipasse cabledes en parallle avec les chaines de cellules PV. En cas d'ombrage partiel, les diodes contournent le courant generé par les cellules non ombragées, limitant ainsi l'échauffement et les pertes de performances des modules. Les diodes de bipasse ne sont pas des disposifis de protection contre les surintensités de courant.
En cas de defaillance connue ou suspectee d'une diode, les installateurs ou les fournisseurs de maintenance doivent contacter JA Solar. N'essayez jamais d'ouvir la boite de jonction par vous-même.
Veuillez fait attention à la protection contre la foudre inductive, le reflux et la mauvaise connexion.
7. Mise à la terre
Les modules JA Solar utilisent un cadre en aluminium oxyde anodique pour résister à la corrosion. Ainsi, le cadre des modules doit être connecté au conducteur de mise à la terre de l'équipement pour éviter la foudre et les chocs électriques.
Le disposif de mise à la terre doit être entiement en contact avec l'intérieur de l'alliage d'aluminium et pénétre la surface du film d'oxydation du cadre.
Veuillez ne pas pcher des trous de mise à la terre supplémentaire sur le cadre des modules, sinon JA Solar decline expressement toute responsabilité en cas d'annulation de la garantie.
Pour acquerir la meilleure puissance de sortie, JA recomande aux clients d'installer des modules avec onduleur anti-PID.
La méthode de mise à la terre ne doit pas entraîner le contact direct de métaux différents avec le cadre en aluminium des modules, ce qui entraînerait une corrosion galvanique. La norme IEC 60950-1 recommende que les combinaisons métalliques ne dépasse pas une différence de potentiel electrochimique de 0,6 Volts.
Les rails du cadre ont des trous pré-perçés marqués d'un signe de mise à la terre. Ces trous doivent être utilisés à des fins de mise à la terre et ne doivent pas été utilisés pour le montage des modules.
Les méthodes de mise à la terre suivantes sont disponibles.
1.Mise à la terre à l'aide d'un boulon de mise à la terre
Il y a un trou de mise à la terre de 4,2mm de diamètre sur le bord le plus proche du milieu du cadre arrêté des modules. La ligne centrale de la marque de mise à la terre chevauche le trou de mise à la terre et la direction est la même que celle du cadre le plus long.
La mise à la terre entre les modules doit être approuvée par un électricien qualifié. Le dispositif de mise à la terre doit être fabriqué par un fabricant électrique qualifié. La valeur de moment recommendée de cable de cuivre est de 2,3 N.m.12 AWG utilisé comme conducteur de mise à la terre de l'équipement conjointement avec le boulon de mise à la terre. Le cable de cuivre ne doit pas être comprime lors de l'installation.

Figure 6: Méthodes d'installation
2. Mise à la terre à l'aide du trou de montage non utilisé
Les trouse de montage existants qui n'ont pas ete utiliseds peuvent etre utiliseds pour la mise a la terre.
A. Alignez le collier de serrage de mise à la terre sur les trouss de montage du cadre. Enfilez le collier de serrage de mise à la terre et le cadre avec le boulon de mise à la terre.
B. Placer le joint dente de l'autre cote, puis serrer et bloquer l'écrou. Le moment recommendé pour le serrage d'écrou est de 2,0 N·M-2,2 N·M.
C. Enfilez le collier de serrage de mise à la terre avec le cable de terre. Le matériel et la taille du cable de mise à la terre doivent répondre aux exigences pertinentes des codes, lois et normes nationaux, régionales et locaux.
D. Terminate le montage en serrant le boulon de fixation du cable de mise à la terre.

Figure 7: Méthodes d'installation
3. Dispositifs de mise à la terre supplémentaires de tiers
Les modules JA Solar peuvent etre mis a la terre a l'aide de disposifis de mise a la terre tiers tant qu'ils sont certifiés pour les modules de mise a la terre et que les disposifis sont installés conformément aux instructions spécifiées par le fabricant.
8. Opération et Maintenance
Il est nécessaire d'effectuer une inspection et une maintenance régulières des modules, sur tout dans le couvert de la garantie. Il est de la responsabilité de l'utilisateur de signaler au fournisseur les dommages constatés dans un délai de 2 semaines.
1.Nettoyage
La poussière accumulée sur le substrat transparent avant peut réduire la puissance de sortie et peut même provoquer un effet de point chaud régional. Les eaux usées industrielles ou les goutes d'oiseaux peuvent être un cas grave, et l'étendue de la gravité dépend de la transparence des corps étrangers. Il n'est généralement pas dangereux que la poussière accumulée réduise la lumière de soleil, car l'intensité lumineuse est toujours homogène et la réduction de puissance n'est généralement pas évidente.
Lorsque les modules sont en fonctionnement, il peut exister des facteurs environnementaux qui projetent de la poussière, des plantes, etc., qui peuvent nettement réduire la puissance de sortie. JA Solar conseille qu'il ne doit y avoir aucun object obstrué sur la surface des modules à tout moment.
La fréquence de nettoyage dépend de la vitesse d'accumulation de la pollution. Dans de nombreux cas, le substrat avant est nettoyé avec la pluie, et nous pouvons diminuer la fréquence de nettoyage. Il est recommendé d'essuyer la surface en verre avec une éponge humide ou un chiffon doux. Veuillez ne pas nettoyer le verre avec un produit de nettoyage contenant de l'acide ou de l'alcali.
Veuillez vous reférer au "manuel de nettoyage" pour les contenus spécifique.
2. Inspection visuelle des modules
Inspectez visuellement les modules pour trouver s'il y a un dernier d'apparce, les trois types suivants nécessitant une attention particuliere :
A. Si le verre est cassé;
B. Corrosion le long de la barre de bus des cellules. La corrosion est causée par l'humidité infiltrée dans les modules lorsque le matériel d'encapsulation de surface est endommaged pendant l'ss installation ou le transport.
C. S'il y a un vestige de brûlure sur la feuille de support.
3. Inspection des connecteurs et des cables
Il est recommendé de mettre en œuvre la maintenance préventive suivante tous les 6 mois :
A. Vérifiez l'encapsulation du connecteur avec le cable.
B. Vérifiez le gel d'étanchéité de la boîte de jonction pour vous assurer qu'il n'est pas fissure ou
Les types de modules applicables du manuel d'installation sont les suivants. Les types de modules sont sujets à des modifications sans préavis en raison de l'innovation continue des produits, de la recherche et du développement.
"XXX" indique la puissance Crête de l'étiquette du module par incréements de 5.
| Type de module | Dimension (L×l×H) [mm] | ||
| TUV | UL 61215&61730 | UL1703 | |
| JAM68S11-XXX/PR(B) | 1638×1084×35 | / | / |
| JAM76S11-XXX/PR(B) | 1644×1204×40 | / | / |
| JAM60S10-XXX/MR | 1689×996×35 | 1689×996×35 | 1698×1005×35 |
| JAM72S10-XXX/MR | 2015×996×40/2015×996×35 | 2015×996×40/2015×996×35 | 2024×1005×40 |
| JAM66S10-XXX/MR | 1852×996×35 | 1852×996×35 | / |
| JAM78S10-XXX/MR | 2180×996×40 | 2180×996×40 | / |
| JAM72S17-XXX/GR | 1960×996×30 | / | / |
| JAM60S20-XXX/MR | 1776×1052×35/1769×1052×35 /1769×1052×30 | 1776×1052×35/1769×1052×35 /1769×1052×30 | / |
| JAM72S20-XXX/MR | 2120×1052×40/2112×1052×35 | 2120×1052×40/2112×1052×35 | / |
| JAM54S30-XXX/MR | 1722×1134×30 | 1722×1134×30 | / |
| JAM66S30-XXX/MR | 2094×1134×35/2093×1134×30 | 2094×1134×35/2093×1134×30 | / |
| JAM72S30-XXX/MR | 2279×1134×35/2278×1134×35 /2278×1134×30 | 2279×1134×35/2278×1134×35 /2278×1134×30 | / |
| JAM78S30-XXX/MR | 2465×1134×35/2465×1134×30 | 2465×1134×35 | / |
| JAM54S30-XXX/GR | 1722×1134×30 | 1722×1134×30 | / |
| JAM72S30-XXX/GR | 2278×1134×30 | 2278×1134×30 | / |
| JAM78S30-XXX/GR | 2465×1134×35/2465×1134×30 | 2465×1134×35 | / |
| JAM54S40-XXX/GR | 1722×1134×30 | 1722×1134×30 | / |
| JAM72S40-XXX/GR | 2278×1134×30 | 2278×1134×30 | / |
Note : 1. * Le module JAM68S11-XXX/PR(B) n'est pas destiné à la vente, à la distribution ou à l'utilisation en dehors de l'Asie. 2. L'installation de montage des modules noirs se refère aux modules blancs de même dimension.
Notice Facile