PROP9OFXEICY/C-EU - Plaque de cuisson induction FALCON - Notice d'utilisation et mode d'emploi gratuit
Retrouvez gratuitement la notice de l'appareil PROP9OFXEICY/C-EU FALCON au format PDF.
| Type de plaque | Induction |
| Largeur | 90 cm |
| Nombre de foyers | Non précisé |
| Puissance totale | Non précisé |
| Commande | Non précisé |
| Matériau de surface | Non précisé |
| Fonctions spéciales | Non précisé |
| Sécurité enfants | Non précisé |
| Minuterie | Non précisé |
| Dimensions d'encastrement | Non précisé |
| Alimentation électrique | Non précisé |
| Couleur | Non précisé |
| Poids | Non précisé |
| Accessoires inclus | Non précisé |
FOIRE AUX QUESTIONS - PROP9OFXEICY/C-EU FALCON
Questions des utilisateurs sur PROP9OFXEICY/C-EU FALCON
0 question sur cet appareil. Repondez a celles que vous connaissez ou posez la votre.
Poser une nouvelle question sur cet appareil
Téléchargez la notice de votre Plaque de cuisson induction au format PDF gratuitement ! Retrouvez votre notice PROP9OFXEICY/C-EU - FALCON et reprennez votre appareil électronique en main. Sur cette page sont publiés tous les documents nécessaires à l'utilisation de votre appareil PROP9OFXEICY/C-EU de la marque FALCON.
MODE D'EMPLOI PROP9OFXEICY/C-EU FALCON
Instructions d'installation et d'entretien

U110026-01
1. Avant de commencer... 1
Installation et entretien 1
Odeurdeneuf 1
Ventilation 1
Sécurité personnelle 1
Conseils relatifs à l'utilisation de la table
de cuisson 3
Entretien de la cuisine 3
Nettoyage 3
2. Vue d'ensemble de la cuisinière 4
La table de cuisson 4
Gril / Gril Coulissant « Glide-out » 6
Fours 7
Horloge 10
Accessoires 14
Eclairage du four principal 14
3. Conseils pour la cuisson 15
Utilisation de votre cuisinière à induction 15
Conseils pour la cuisson avec 15 minutes
Conseils généraux pour la cuisson au four 15
5. Nettoyage de la cuisinière 17
Informations importantes 17
Table de Cuisson 17
Nettoyage des Débordements 17
Nettoyage des Déversements Brûlés 17
Grill 18
Panneau de commande et portes 18
Fours 19
Four Principal 19
Four Haut 19
Tableau Nettoyage 20
7. Installation 24
Prescriptions de Sécurité 24
Ventilation 24
Emplacement de la cuisinière 24
Positionnement de la Cuisinière 25
Déballage de la cuisinière 25
Déplacement de la Cuisinière 26
Abaissement des deux galets arrière 26
Positionnement Final 26
Raccordement Électrique 27
Contrôle de la Table de Cuisson 27
Contrôle du grill 27
Contrôle des fours 27
Montage des poignées et de la 27
balustrade (selon le modèle) 27
Montage de la Plinthe 28
Montage du dosseret (option) 28
Conseils à la clientèle 28
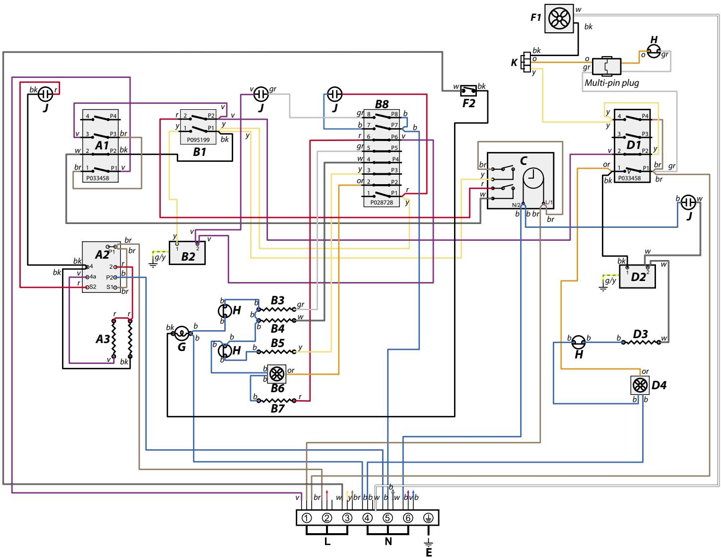
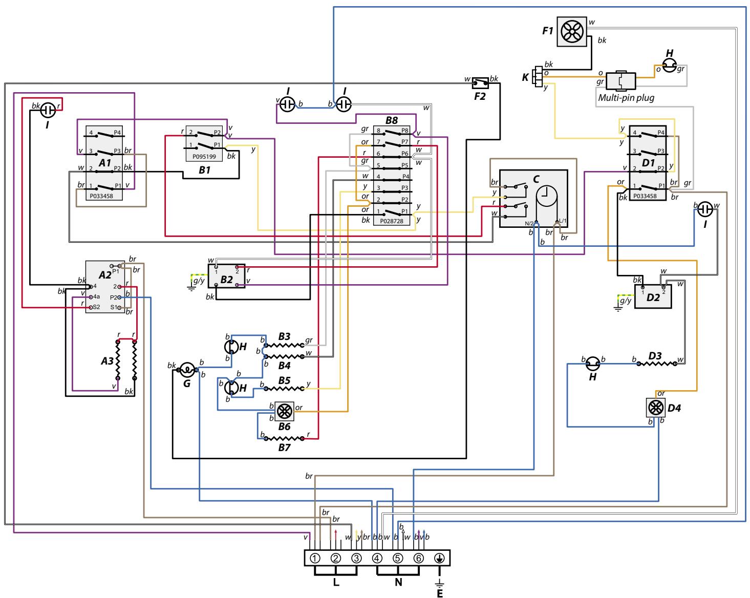
Schéma de câblage: Table de cuisson 29
Schéma de câblage : Four de ventilateur 30
Schéma de câblage : Four Multifonction (Elan) 31
Schéma de câblage: Four Multifonction 23
1. Avant de commencer…
Cette notice d'utilisation couvre plusieurs modèles. Même si certaines illustrations peuvent ne pas se rapporter spécifiquement à votre modèle, les fonctions sont les mêmes. Nous espérons que ceci ne prédera pas à confusion.
Nous vous remercions d'avoir acheté une cuisinière Falcon. Installée et utilisée correctement, cette cuisinière vous donnera de nombreuses années de service fiable. Il est donc important de lire la présente section avant de commencer, en particulier si vous n'avez jamais utilisé de cuisinière à induction.

Cet appareil est conçu uniquement pour un usage domestique. Toute autre utilisation n'engage ni la responsabilité, ni la garantie du fabricant. En particulier, n'utilisez PAS le four pour chauffer la cuisine – non seulement cette pratique invalidera les réclamations, mais elle constituera un gaspillage d'énergie et un risque de surchauffe des boutons de commande.
Installation et entretien
Son installation doit être conforme aux instructions appropriées des générateurs et satisfaire à la réglementation nationale et locale en vigueur, ainsi qu'aux prescriptions des compagnies d'électricité locales.
Vérifiez que la cuisinière est raccordée à l'alimentation électrique et sous tension.
Demandez à l'installateur de vous indiquer l'emplacement du commutateur de commande de la cuisinière. Notez cet emplacement à des fins de référence.
L'affichage des commandes de la table de cuisson clignotera pendant deux secondes environ à la mise sous tension initiale – ceci est tout à fait normal.
Réglez l'horloge pour permettre le fonctionnement des jours - voir la section appropriée des instructions générées.
La cuisine doit faire l'objet d'un entretien effectué par un technicien d'entretien qualifié, lequel doit utiliser uniquement des pièces de rechange approuvées.
Laissez toujours la cuisinière refroidir et mettez-la hors tension avant de la nettoyer ou d'effectuer une intervention d'entretien, sauf indication contraire dans les présentes instructions.
Odeur de neuf
Une légère odeur de neuf peut se dégager lors de la première utilisation de la cuisinière. Elle disparaîtra rapidement à l'utilisation.
Avant la première utilisation de l'appareil, assurez-vous qu'il ne reste aucun matériel d'emballage, puis, réglez les fours sur 200°C et faites-les marcher pendant une heure afin d'éliminer l'odeur de neuf.
Avant la première utilisation du grill, allumez-le et faites-le marcher pendant 30 minutes, avec la lèchefrite bien en place, et en laissant la porte du grill ouverte.
Veillez à ce que la pièce soit bien ventilée (voir « Ventilation » ci-dessous). Il est recommandé aux personnes souffrant de problèmes respiratoires ou d'allergies de quitter la pièce pendant ce temps.
Ventilation
L'utilisation d'un appareil de cuisson produit de la chaleur et de l'humidité dans la pièce contenant l'appareil. Par conséquent, veillez à ce que la cuisine soit bien ventilée : laissez les ouvertures de ventilation naturelle ouvertes ou installez une hotte aspirante à évacuation extérieure. En cas d'utilisation simultanée de plusieurs brûleurs ou d'utilisation prolongée de la cuisinière, ouvrez une fenêtre ou mettez en marche une hotte aspirante.
Sécurité personnelle
Si vous êtes porteur d'un stimulateur cardiaque ou d'une pompe à insuline implantable : Les fonctions de la table de cuisson sont conformes aux normes européennes en vigueur relatives à l'interférence électromagnétique. Si vous êtes porteur d'un stimulateur cardiaque ou d'une pompe à insuline implantable et êtes inquiet quant aux risques d'interférence, veuillez demander conseil à votre médecin.
Éloignez les objets magnétiques (cartes de crédit et de débit, disques informatiques, calculateurs, etc.) de la table de cuisson lorsque celle-ci est en marche. Cet appareil ne DOIT PAS être modifié. Cet appareil n'est pas prévu pour être utilisé par des personnes (y compris des enfants) dont les capacités physiques, sensorielles ou mentales sont réduites, ou par des personnes manquant d'expérience ou de connaissances, sauf si elles ont pu bénéficier, par l'intermédiaire d'une personne responsable de leur sécurité, de surveillance ou d'instructions préalables concernant l'utilisation de l'appareil. Veillez à ce que les enfants et les personnes infirmes ne jouent pas avec l'appareil. N'UTILISEZ PAS de nettoyeur à vapeur pour nettoyer la cuisine. Les parties accessibles de la cuisinière deviennent chaudes lorsque celle-ci est en marche et resteront chaudes même après la cuisson. Pour prévenir les risques de brûlures, ne laissez pas les bébés ni les enfants s'approcher de la cuisinière et ne portez jamais de vêtements amples ou flottants lors de l'utilisation de la cuisinière. Vérifiez toujours que les commandes sont sur la position Arrêt [OFF] lorsque le four n'est pas en marche et avant de nettoyer la cuisine. Faites attention lorsqu vous touchez les zones de cuisson sur la table de cuisson. Lorsque le four est en marche, ne laissez PAS la porte du four ouverte plus longtemps que nécessaire, afin de prévenir une surchauffe des boutons de commande. Lors de l'utilisation du grill, veillez à ce que la lèchefrite soit en place et insérée à fond dans l'enceinte du grill, ici pour prévenir le risque de surchauffe des boutons de commande. Veillez à ce que les matériaux combustibles, (rideaux, liquides inflammables, etc.) soient toujours suffisamment éloignés de la cuisinière.
Fig.1-1
Fig.1-2
N'utilisez PAS d'aérosols à proximité de la cuisinière lorsqu'elle est en marche.
La cuisson d'aliments à haute teneur en eau peut produire une « bouffée de vapeur » à l'ouverture de la porte du four. Lorsque vous ouvrez la porte du four, reculez-vous et attendez que la vapeur se soit dissipée (Fig. 1-1).
Au besoin, utilisez des gants isolants secs - l'emploi de gants humides risque de causer des brûlures dues à la vapeur lors du contact avec une surface chaude. N'utilisez pas de torchon ou autre chiffon épais à la place d'un gant isolant - ils risquent de s'enflammier au contact d'une surface chaude.
Ne faites jamais fonctionner la cuisinière avec les mains mouillées. Ne recouvrez pas les grilles, les panneaux internes ou la voute du four de papier aluminium. Ne chauffez jamais des récipients alimentaires qui n'ont pas été ouverts. La pression accumulée à l'intérieur des récipients peut les faire éclater et blesser l'utilisateur. N'utilisez pas des casseroles instables. Tournez toujours les manches des récipients de cuisson vers l'intérieur de la table de cuisson.
Ne laissez jamais la table de cuisson en marche sans surveillance si les brûleurs sont réglés sur maximum. Le débordement des récipients peut produire de la fumée et des taches de gras qui risquent de s'enflammer. Si possible, utilisez un thermomètre à bain de friture pour prévenir une surchauffe de l'huile au-delà du point de fumée.
Ne laissez jamais une friteuse sans surveillance. Faites toujours chauffer l'huile lentement, en la surveillant. Les friteuses ne doivent être remplies qu'à un tiers de leur capacité. Une friteuse trop pleine peut déborder lorsqu'on y plonge des aliments. Si vous utilisez un mélange d'huile et de graisse pour la friture, mélangez-les avant de chauffer, ou pendant la fonte des graisses.
Les aliments à frire doivent être le plus sec possible. La présence de cristaux de glace sur des aliments congelés ou d'humidité sur des aliments frais peut provoquer une ébullition et un débordement de l'huile. Surveillance attentivement pour prévenir les débordements et la surchauffe pendant la friture à haute ou moyenne température. N'essayez jamais de déplacer un-scriptent de cuisson contenant de l'huile chaude, en particulier une friteuse. Attendez que l'huile ait refroidi.
Lorsque le grill est en marche, ne vous servez pas de la grille d'évacuation (la grille le long de la partie arrière de la cuisine) pour réchauffer des assiettes ou des plats, sécher des torchons ou ramollir du beurre.
N'utilisez pas d'eau pour éteindre les incendies dus à la graisse et ne soulevez jamais un récipient de cuisson qui a pris feu. Eteignez la cuisinière et étouffez un récipient qui a pris feu sur une table de cuisson en le recouvrant complètement avec un couvercle de taille appropriée ou une plaque de cuisson. Si possible, utilisez un extincteur à poudre chimique ou à mousse de type polyvalent.
Veillez à prévenir toute infiltration d'eau dans l'appareil.
Cet appareil est lourd; prenez garde lorsque vous le déplacez. N'autorisez jamais qui que ce soit à grimper ou se tenir debout sur la table de cuisson.
Conseils relatifs à l'utilisation de la table de cuisson
A Ne faites jamais cuire des aliments à même la table de cuisson (Fig.1-2). Ne découpez pas des aliments sur la table de cuisson.
Ne laissez pas des ustensiles, aliments ou produits combustibles sur la table de cuisson lorsqu'elle n'est pas en service (torchon, ou poêle contenant de l'huile, par exemple).
Ne placez pas des feuilles en plastique ou aluminium ou des récipients en plastique sur la table de cuisson. Ne laissez pas les foyers allumés s'ils ne sont pas utilisés pour la cuisson.
Ne déposez pas d'objets lourds sur la table de cuisson. Même si la surface en vitrocéramique est très résistante, un impact violent ou la chute accidentelle d'un objet sur la surface risque de la fissurer (Fig.1-3). Dès l'apparition d'une fissure sur la table de cuisson, mettez immédiatement la cuisinière hors tension et faites-la réparer.
SOULEVEZ toujours les récipients pour les retirer de la table de cuisson. Ne les faites pas glisser sur la surface, car vous risquez de la marquer et de la rayer (Fig.1-4). Mettez toujours le bouton de commande sur la position arrêt [Off] avant de retirer un récipient.
Ne placez rien entre le fond du récipient de cuisson et la surface de cuisson (plaque d'aliment, feuille de papier aluminium ou support de Wok, par exemple).
Entretien de la cuisinière
En raison de la condensation de vapeur pendant la cuisson, vous devrez peut-être essuyer (avec un chiffon doux) des gouttelettes d'eau présentes sur la garniture extérieure du four. Cette précaution contribuera également à prévenir les taches et la décoloration de l'extérieur du four dues aux vapeurs de cuisson (Fig. 1-5).
Nettoyage
N'utilisez pas de produits nettoyants ou tampons de nettoyage abrasifs, ni d'aérosol, de tampon de nettoyage de four ou de détachant sur la table de cuisson.
Pour des raisons d'hygiène et de sécurité, la cuisinière doit toujours être propre, afin de prévenir le risque d'incendie causé par l'accumulation de graisse et autres particules alimentaires.
Nettoyez uniquement les composants indiqués dans les instructions.
Évitez d'essuyer toute partie de la table de cuisson tant que celle-ci n'a pas refroidi et que l'indicateur de chaleur résiduelle n'est pas éteint. Cette recommandation ne s'applique pas aux déversements de substances sucrées (voir « Nettoyage de la cuisinière »). Avant nettoyage, utilisez un chiffon sec ou du papier essuie-tout pour éliminer les traces de nettoyant semi-liquide.
Nettoyez la surface après chaque utilisation pour prévenir les rayures et les taches. Mais veillez à nettoyer avec précaution car certains produits nettoyants peuvent produire des vapeurs nocives au contact d'une surface chaude.
Nettoyez avec précaution. Si vous utilisez une éponge ou un chiffon humide pour essuyer des taches sur une surface chaude, prenez garde au risque de brûlures par la vapeur. Certains produits nettoyants peuvent produire des vapeurs nocives au contact d'une surface chaude.



2. Vue d'ensemble de la cuisinière
Fig.2-1
Fig.2-2



Fig.2-3
La cuisinière à induction 90 (Fig.2-1) comprend :
A. 5 foyers de cuisson à induction B. Un panneau de commande. C. Un grill séparé ou un grill coulissant (selon le modèle) D. Four ventilé principal ou four Multifonctions (selon le modèle) E. Four haut ventilé
La table de cuisson
Utilisez uniquement des récipients de cuisson conçus pour les tables de cuisson à induction. Nous recommandons l'emploi de récipients de cuisson en acier inoxydable, en acier émaillé ou en fonte à fond émaillé. Certains récipients en acier inoxydable ne conviennent pas pour les tables de cuisson à induction; vérifiez soigneusement avant l'achat.
N'utilisez pas de récipients en cuivre, aluminium ou céramique sur les tables de cuisson à induction. Le type de récipient de cuisson utilisé et la quantité d'aliments ont une incidence sur le réglage requis. Pour les quantités d'aliments importantes, utilisez un réglage plus élevé.
Utilisez des récipients de cuisson à fond égal, lisse et plat (Fig.2-2). Ceci assure un transfert de chaleur optimal entre la table et le récipient de cuisson, et donc une cuisson plus rapide et plus économique. N'utilisez jamais de Wok à fond rond, même avec un support.
Les récipients de cuisson les sont ceux qui, à l'état froid, sont très légèrement bombés vers l'intérieur (Fig.2-3). En plaçant une règle sur le fond de ces récipients, on peut constater que la surface est légèrement incurvée.
vers le milieu. Sous l'effet de la chaleur, le métal se dilate et la totalité du fond du récipient est en contact avec la surface de cuisson.
Veillez à ce que le fond du récipient de cuisson soit propre et sec pour éviter que des résidus alimentaires ne brûlent et n'attachent sur la table de cuisson. Ceci permet également de prévenir les rayures et les dépôts.
Veillez à toujours utiliser des récipients de même taille (ou légèrement plus grands) que le diamètre indiqué sur la surface de cuisson. Utilisez un couvercle sur les récipients de cuisson pour porter à ébullition plus rapidement.

Faites toujours attention avant de toucher la table de cuisson, car, même éteinte, celle-ci peut être encore chaude!
La table de cuisson à induction comprend cinq foyers contenant des éléments à induction de puissances et diamètres différents (Fig.2-4), chacun doté d'un détecteur de récipient et d'un indicateur de chaleur résiduelle, et un affichage des commandes.
L'affichage des commandes de la table de cuisson (Fig.2-5) vous informe sur les fonctions de la table, à l'aide des symboles suivants :
Détetection de récipient de cuisson H Indicateur de chaleur résiduelle R Chauffage automatique L Verrouillage sécurité enfants
Détecttion de récipient de cuisson,
IMPORTANT : APRÈS usage, éteignez le foyer à l'aide du bouton de commande – NE VOUS FIEZ PAS UNIQUÉMENT à la fonction Détection de récipient de cuisson.
Si un foyer est en marche et qu'il n'y a pas de récipient de cuisson sur celui-ci ou si le récipient est trop petit pour le foyer, la table n'émettra pas de chaleur. Le symbole [u] apparaîtra sur l'affichage des commandes de la table ; il s'agit du « symbole Absence de récipient ». Placez un récipient de taille appropriée sur le foyer, le symbole [u] disparaîtra et la cuisson pourrait commencer. Si, après 10 minutes, il n'y a toujours pas de détention de récipient, le foyer s'est automatiquement.
Le Tableau 2-1 indique les dimensions de récipients minimales recommandées pour chaque foyer.
Remarque: L'utilisation de récipients de diamètres inférieurs aux dimensions recommandées aura pour effet une diminution de la puissance.
Indicateur de chaleur résiduelle, h
Après usage, un foyer restera chaud pendant un certain temps, jusqu'à dissipation totale de la chaleur. APRÈS arrêt d'un foyer, le symbole de l'indicateur de chaleur résiduelle [H ] apparaitra sur l'affichage de la table de cuisson. Ceci indique que la température du foyer est supérieure à 60°C et qu'il y a encore un risque de brûlure. Le symbole [H] s'éteint lorsque la température est inférieure à 60°C.
Chauffage automatique, r
Cette fonction est disponible pour tous les foyers de la table de cuisson. Elle permet un chauffage rapide de l'élément du foyer jusqu'à la température de cuisson requise. Lorsque le foyer a atteint la température requise, la puissance diminue automatiquement jusqu'au niveau de puissance sélectionné.


Tableau 2-1
| Cuisson de la zone | Diamètre minimum de casserole (fond de casserole) mm |
| Gauche avant | 140 |
| Gauche arrière | 180 |
| Centre | 180 |
| Droit arrêté | 180 |
| Droit avant | 140 |
| Niveau de puissance | Automatique réchauffez le temps à 100% (min:secs) |
| 1 | 0:48 |
| 2 | 2:24 |
| 3 | 3:48 |
| 4 | 5:12 |
| 5 | 6:48 |
| 6 | 2:00 |
| 7 | 2:48 |
| 8 | 3:36 |
| 9 | 0:10 |
Tableau 2-2
| Fig.2-6 |



Pour sélectionner cette fonction, tournez le bouton de commande momentanément en sens antihoraire jusqu'à l'affichage du symbole [R] sur l'affichage des commandes de la table de cuisson. Tournez ensuite le bouton de commande pour le mettre sur le niveau de puissance requis (1 à 9). Le récipient est chauffé à 100% pendant une durée spécifiée, puis au niveau de puissance sélectionné.
Après activation de la fonction Chauffage automatique, l'affichage des commandes de la table de cuisson clignotera, alternant entre le réglage [R] et le niveau de puissance sélectionné.
À la fin du chauffage automatique, l'affichage cessera de clignoter et affichera seulement le niveau de puissance sélectionné.
La fonction Chauffage automatique peut être désactivée de deux façons : par rotation du bouton de commande pour le remettre sur le réglage de puissance « 0 » ou par rotation du bouton de commande pour le mettre sur le réglage de puissance « 9 »
A titre indicatif, le Tableau 2-2 indique la durée disponible à 100% de puissance, en fonction du niveau de puissance sélectionné en mode Chauffage automatique.
La table de cuisson peut être verrouillée pour empêcher son utilisation accidentelle par des enfants.
IMPORTANT : Cette fonction ne peut être activée que lorsque tous les foyers sont éteints.
Pour verrouiller la table de cuisson, activez puis désactivez une des commandes de la table pour permettre l'affichage de la table, puis tournez simultanément les deux commandes à induction arrière externes en sens antihoraire (Fig. 2-6) jusqu'à l'affichage du symbole [L] sur l'affichage des commandes de la table de cuisson pour tous les foyers.
Ceci sera SANS effet sur le fonctionnement des fours ou du gril.
Pour déverrouiller la table de cuisson, tournez simultanément les deux commandes à induction arrière externes en sens antihoraire jusqu'à la disparition du symbole [L].
Protection contre le fonctionnement à sec
Cette fonction détecte l'augmentation rapide de la température du réseau de cuisson et maintient cette température à un niveau sûr. Elle ne gène pas la cuisson normale.

Veillez à ne pas laisser la table de cuisson en marche sans surveillance. Veillez à ne pas laisser les récipients de cuisson fonctionner à sec après ébullition.
Gril / gril coulissant « glide-out
Ouvrez la porte du grill et tirez la lèchefrite (Fig.2-7) ou le support de grill (Fig.2-8) vers vous à l'aide de la poignée.
Le grill a deux éléments qui permettent de chauffer la totalité de la lèchefrite ou seulement la partie droite de cette-ci.
Tournez le bouton de commande pour régler la chaleur du grill. Pour un chauffage total, tournez le bouton en sens horaire (Fig.2-9).
Pour le chauffage de la partie droite, tournez le bouton en sens antihoraire. Le voyant à côté de la commande du grill s'allumera.
Pour obtenir les meilleurs résultats possibles, préchauffez pendant deux minutes avec la l'échefrite en place. Vous pouvez retirer la grille de la l'échefrite et y déposer les aliments pendant le préchauffage.
NE LAISSEZ PAS LE GRIL EN MARCHE pendant plus de quelques instants si la l'échefrite n'est pas en place sous le grill, ceci pour prévenir le risque de surchauffe des boutons de commande. Après préchauffage du grill, retirez de nouveau la l'échefrite et replacez la grille avec les aliments sur la l'échefrite. Réinsérez la l'échefrite ou le support de l'échefrite dans l'enceinte du grill. Lorsque vous utilisez le grill, vérifiez que la l'échefrite du grill est bien insérée jusqu'au fond. Des composants accessibles risquent de devenir chauds pendant l'utilisation du grill. Éloignez les enfants de la cuisinière. La grille de la l'échefrite est réversible pour permettre deux positions de grill (Fig. 2-10). 4 Ne fermez jamais la porte du grill lorsque celui-ci est en marche.
Fours
L'horloge doit être réglée sur l'heure pour que le four principal (four calculable gauche) puisse fonctionner. Voir les instructions de la section « Horloge » pour le réglage de l'heure.
Remarque - Les références au four gauche et droit s'entendent vue de l'avant.
Le four gauche est un four ventilé (Fig.2-11) ou un four Multifonctions (Fig.2-12), selon le modèle.
Le four droit haut est un four ventilé (Fig.2-13).
Le ventilateur du four brasse l'air chaud continuellement, assurant ainsi une cuisson plus rapide et plus uniforme. En général, les températures de cuisson recommandées pour les fours ventilés sont inférieures à celles pour des fours conventionnels.
Les fours Multifonctions ont un ventilateur et un élément de four ventilé, ainsi que deux éléments chauffants supplémentaires. Un élément est dans la voûte du four et l'autre sous la sole du four.
Le four Multifonctions a trois fonctions de cuisson principales : cuisson ventilée, cuisson ventilée mixte et cuisson conventionnelle. Utilisez ces fonctions pour effectuer l'essentiel de la cuisson.
L'élément gratineur et la chaleur inférieure peuvent être utilisés en fin de cuisson pour finir certains plats.
Utilisez les fonctions grill ventilé pour la cuisson au grill et décongélation pour décongeler de petites quantités d'aliments surgelés.
Le Tableau 2-3 récapitule les modes Multifonctions.
Le four multifonctions permet de nombreuses utilisations variées. Nous vous conseillons de bien surveiller la cuisson jusqu'à ce que vous soyez familiarisé avec chaque fonction. N'oubliez pas : toutes les fonctions ne conviennent pas à tous les types d'aliments.




Tableau 2-3
| Fonction | Utilisation |
| Décongélation | Décongélation de petites quantités d'aliments dans le four sans chaleur |
| Four ventilé | Fonction de cuisson complète, chaleur uniforme; idéale pour la pâtisserie |
| Gril ventilé | Gril des viandes et poissons, avec portedu grill fermée |
| Four ventilé mixte | Fonction de cuisson complète; parfaite pour les rôts et la pâtisserie |
| Four conventionnel | Fonction de cuisson complète pourles rôts et la pâtisserie dans la partieinférieure du four |
| Élement gratineur | Pour gratiner les plats recouverts defromage |
| Chaleur inférieure | Pour dorer les fonds de quiches, pizzasou pâtisseries |
Réponse rapide (classic deluxe seulement)

Le réglage Réponse Rapide permet un préchauffage ultrarapide du four. Elle utilise l'élément du four ventilé et la chaleur supplémentaire d'un des
éléments de la voûte du four. Les fours ventilés préchauffent rapidement, mais la fonction Réponse Rapide accélère le préchauffage pour vous permettre de commencer la cuisson plus rapidement.
Pour utiliser la fonction Réponse Rapide, il suffit de tourner le bouton de commande de fonction sur R et de régler à la température requise. Le voyant sur le panneau de commande à côté du symbole R s'allumera.
Lorsque le four atteint la température requise, l'élement supérieur s'éteint et le témoin s'éteint.
La température du four est ensuite maintenue par l'élément et par le ventilateur du four ventilé.
Si vous choisissez de placer des alimentés dans le four froid avant la cuisson tout en utilisant la fonction Réponse Rapide, veillez à ce que les gâteaux, etc. ne soient pas placés trop haut dans le four.
Four ventilé

Cette fonction commande le ventilateur et l'élément chauffant autour de celui-ci. Une chaleur uniforme est produite partout dans le four, ce qui permet la
cuisson rapide de grandes quantités d'aliments.
La cuisson par four ventilé est particulièrement utile pour la cuisson simultanée d'aliments sur plusieurs grilles et est une excellente fonction « polyvalente ». Vous devrez peut-être diminuer la température de 10°C environ pour des plats que vous aviez l'habitude de cuire dans un four conventionnel.
Si vous souhaitez préchauffer le four, attendez que le voyant s'éteigne avant de mettre le plat au four.
Gril ventilé

Cette fonction commande le ventilateur pendant que l'élément chauffant supérieur est en marche. On obtient ainsi une chaleur plus uniforme, moins
intense que celle d'un grill conventionnel. Pour obtenir les meilleurs résultats possibles, placez les aliments à griller sur une grille sur un plat à rôtir qui doit être plus petit que l'échelle de grill conventionnel. Ceci assure une meilleure circulation de l'air. Ce type de cuisson est idéal pour les morceaux de viande ou de poisson épais, car la circulation de l'air diminue l'intensité de la chaleur du grill.
La porte du four doit être fermée pendant la cuisson au grill pour éviter un gaspillage d'énergie.
Vous constaterez que vous devrez moins surveiller et tourner les aliments cuits de cette façon. Ce type de cuisson nécessite un préchauffage du four.
Four ventilé mixte

Cette fonction commande le ventilateur et brasse l'air chauffé par les éléments chauffants de la voûte et de la sole du four. Cette fonction, qui combine la cuisson
ventilée et la cuisson conventionnelle (chaleur supérieure et inférieure), est un moyen de cuisson idéal pour les aliments volumineux (gros rôti, par exemple) pour lesquels une cuisson complète est très importante.
On peut également faire cuire des plats simultanément sur deux grilles, mais les plats devront être intervertis pendant la cuisson, car, avec cette fonction, la chaleur est plus intense dans la voûte du four qu'au niveau de la sole.
Ce mode de cuisson est intensif et rapide ; surveillez les aliments cuits de la sorte jusqu'à ce que vous soyez familiarisé avec cette fonction.
Four conventionnel (chaleur de voûte et de sole)

Cette fonction combine la chaleur fournie par les éléments supérieurs et inférieurs. Elle est particulièrement utile pour la cuisson d'alimentsrots à tarte, gâteaux et biscuits.
L'élément supérieur exposé risquant de cuire certains aliments trop rapidement, nous vous recommandons de placer les aliments dans la partie inférieure du four. Vous devrez peut-être aussi diminuer la température du four.
Des aliments semblables cuits à l'intérieur devront être intervertis pour cuire uniformément.
Élément gratineur

Cette fonction utilise uniquement l'objet situé dans la voûte du four. C'est une fonction utile pour gratiner ou finir des gratins de pâtes, des légumes.
en sauce et des lasagnes, le plat à gratiner étant déjà chaud avant la mise en marche de l'élément supérieur.
Chaleur inférieure

Cette fonction utilise uniquement l'élément inférieur. Elle permettra de dorer le fond de votre pizza ou de votre quiche ou de terminer la cuisson d'un fond de
tarte sur une grille inférieure. C'est également une chaleur douce, parfaite pour le mijotage de plats placés au milieu du four ou pour réchauffer des assiettes.
Les fonctions Élément gratineur et Chaleur inférieure sont des adjonctions utiles à votre four et vous permettent de finir vos plats à la perfection. Vous constaterez rapidement que leur utilisation contribue à étendre vos compétences culinaires.
Décongélation

Avec cette fonction, le ventilateur du four brasse uniquement de l'air froid. Il n'y a pas de chaleur.
Cette fonction permet de décongeler des aliments, des quantités, par exemple des desserts, gâteaux à la morceaux de viande, poisson et volaille.
Ce type de décongélation accélère le processus de décongélation et protège les aliments des mouches. Placez les morceaux de viande, poisson et volaille sur une grille, au-dessus d'une plaque prévue pour l'égouttement. N'oubliez pas de nettoyer la grille et la plaque après décongélation.
La porte du four doit être fermée pendant la décongélation.
Des aliments plus volumineux, tels que des poulets entiers et des rôts, ne doivent pas être décongelés de cette façon. Nous vous conseillons de les décongeler au réfrigérateur.
Ne décongelez pas des alimentés dans un four tiède ou à côté d'un four en marche ou encore chaud.
Vérifiez que les aliments à base de produits laitiers, la viande et la volaille sont complètement décongelés avant de les cuire.
Four ventilé
Mettez le bouton du four sur la température requise (Fig. 2-14).
Le voyant du four restera allumé jusqu'à ce que le four atteigne la température requise. Il s'allumera et s'éteindra pendant la cuisson.
Four multifonction
Le four multifonctions est doté de deux commandes, un sélecteur de fonction et un bouton de réglage de température (Fig.2-15).
Tournez le sélecteur de fonction pour le mettre sur une fonction de cuisson. Mettez le bouton de réglage de température du four sur la température requise (Fig.2-14).
Le voyant du four restera allumé jusqu'à ce que le four atteigne la température requise. Il s'allumera et s'éteindra pendant la cuisson pendant que le thermostat du four maintiendra la température requise.
Pendant la cuisson d'aliments à haute teneur en eau, un peu de vapeur peut être visible à la grille à l'arrière du chauffe-plats. Ceci est tout à fait normal.


Fig.2-16

A-Bouton Minuterie, B-Bouton Réglage
Fig.2-17


Fig.2-18


Fig.2-19


Fig.2-20


Fig.2-21


Fig.2-22


Horloge
Vous pouvez utiliser la minuterie pour mettre en marche et éteindre le four gauche. L'horloge doit être réglée sur l'heure actuelle pour que le four puisse fonctionner.
Remarque : Lors de l'utilisation de la minuterie, réglez d'abord l'horloge selon les besoins avant de sélectionner la fonction du four et de régler la température (fours Multifonctions seulement).
Réglage de l'heure
L'horloge est montrée dedans (Fig. 2-16). Après raccordement initial de l'horloge, l'affichage clignotera pour indiquer (0.00) et ( ) alternativement.
Pour régler l'horloge sur l'heure actuelle, tournez et appuyez sans relâcher sur le bouton Minuterie pour le mettre sur le symbole horloge (①) tout en tournant le bouton Réglage vers la gauche ou vers la droite jusqu'à l'affichage de l'heure correcte.
N'oubliez pas que c'est une horloge 24 heures.
Relâchez le bouton Minuterie ; il reviendra à la position verticale de réglage manuel du four.
IMPORTANT: Le four ne fonctionnera pas si l'horloge n'a pas été réglée.
Minuterie
Tournez le bouton Minuterie vers la droite jusqu'à la position minuterie (Ω) – vous devrez entendre un déclic lorsqu'il est à la position correcte (Fig.2-17).
Utilisez le bouton Réglage pour régler le temps de cuisson comme indiqué ci-dessous (Fig.2-18).
Vous pouvez remettre le bouton sur la position verticale de réglage manuel () pour pouvoir voir l'heure ou le laisser sur la position minuterie () pendant toute la durée de la cuisson.
Tournez le bouton Réglage en sens antihoraire pour arrêter le signal sonore.
Le « temps de cuisson », c'est-à-dire la durée pendant laquelle vous voulez que le four fonctionne. « L'heure d'arrêt », c'est-à-dire l'heure à laquelle vous poulez que le four s'arrête.
Arrêt automatique du four gauche
Tournez le bouton Minuterie pour le mettre sur la position (), (Fig.2-19).
Réglez l'heure d'arrêt du four à l'aide du bouton Réglage. Vous pouvez régler le four pour qu'il s'arrête à n'importe quel moment dans les 2_24 heures qui suivent. AUTO sera affiché (Fig.2-20).
Tournez le bouton Minuterie pour le mettre sur la position « AUTO ».
Le signal sonore indiquera la fin de la cuisson à l'heure prévue. Tournez le bouton Minuterie pour le mettre sur la position verticale (®) pour revenir au fonctionnement manuel.
Mise en marche et arrêt du four gauche avec minuterie
Vous ne pouvez pas régler directement une heure de mise en marche – celle-ci est réglée automatiquement lors de la
sélection du temps de cuisson et de l'heure d'arrêt.
Tournez le bouton Minuterie pour le mettre sur la position ( ) (Fig.2-21).
Utilisez le bouton Réglage pour régler le « temps de cuisson » comme indiqué ci-dessous (Fig.2-22).
Tournez le bouton Minuterie pour le mettre sur la position « Auto ». L'affichage indiquera l'heure et le « temps de cuisson » que vous venez de régler. Utilisez le bouton Réglage pour régler « l'heure d'arrêt » comme indiqué ci-dessous (Fig.2-23).
« L'heure d'arrêt » [« stop time »] sera affichée, « AUTO » sera affiché. Reglez le (les) four(s) à la température requise. Tournez le bouton Minuterie pour le mettre sur la position « Auto ».
Le signal sonore indiquera la fin de la cuisson. Tournez le bouton Minuterie pour le mettre sur la position verticale (®) pour revenir au fonctionnement manuel.
Si vous êtes absent pendant la cuisson, ne vous inquiétez pas au sujet de l'arrêt du signal sonore, celui-ci s'arrête après un certain temps. À votre retour, tournez le bouton Minuterie pour le mettre sur la position verticale (®) pour revenir au fonctionnement manuel.
AUTO est affiché, et vous devez remettre le four sur fonctionnement manuel
Pour annuler tout réglage automatique, tournez brièvement le bouton Minuterie pour le mettre sur le symbole horloge (①) puis relâchez-le.
Fonction de verrouillage
Après activation de la fonction de verrouillage, le four droit peut fonctionner normalement, mais le four gauche est verrouillé et ne s'allumera pas.
Vérifiez que l'horloge est sur le mode manuel et annulez tout programme en cours.
Tournez et appuyez sans relâcher sur le bouton Minuterie pour le mettre sur le symbole horloge (①) pendant environ 8 secondes. «On» ([Marche]) sera affiché (Fig.2-24).
Tout en maintenant le bouton Minuterie sur le symbole horloge (⑦), tournez le bouton Réglage en sens horaire jusqu'à l'affichage du symbole clé (1) et de « OF » ([Arrêt]) (Fig.2-25). Relâchez les boutons.
Le four gauche est à présent verrouillé, comme indiqué par l'affichage de l'heure et du symbole clé (Fig.2-26).
Déactivation de la fonction de verrouillage
Tournez et appuyez sans relâcher sur le bouton Minuterie pour le mettre sur le symbole horloge (①) pendant environ 8 secondes. « OF » ([Arrêt]) sera affiché (Fig.2-27).
Tout en maintenant le bouton Minuterie sur le symbole horloge (①), tournez le bouton Réglage en sens horaire jusqu'à ce que le symbole clé () soit remplacé par l'affichage de « On » ([Marche]) (Fig.2-28). Relâchez les boutons.
Après quelques secondes, l'heure est de nouveau affichée.
Le four peut être maintenant utilisé normalement.






Fig.2-29

A-Minuterie, B-«Temps de cuisson», C-«Heure d'arrêt», D-Manuel, E&F-Boutons d'ajustement de temps
Fig.2-30
Fig.2-31


Fig.2-32



Fig.2-33


Fig.2-34



Fig.2-35


Fig.2-36


Fig.2-38
Fig.2-37




Réglage de l'heure
L'horloge est montrée dedans (Fig.2-29). Après raccordement initial de l'horloge, l'affichage clignotera pour indiquer (0.00) et ( ) alternativement.
Appuyez en continu sur les boutons [a] et [b] comme indiqué à la Fig.2-30. En même temps, appuyez sur (-) ou (+) jusqu'à l'affichage du temps de cuisson requis.
N'oubliez pas qu'il s'agit d'une horloge 24 heures.
Si vous faites une erreur ou si vous vous trompez de bouton, mettez l'appareil hors tension pendant une ou deux minutes, puis reconnaissez la procédure.
Minuterie
Appuyez sans relâcher sur la minuterie (4) (Fig. 2-31). En même temps, appuyez sur (-) ou (+) jusqu'à l'affichage du temps de cuisson requis (Fig. 2-32).
Vous pouvez vérifier le temps de cuisson qui reste en appuyant sur (), et annuler le signal sonore en appuyant encore une fois sur(\text{}).
Le « temps de cuisson », c'est-à-dire la durée pendant laquelle vous voulez que le four fonctionne. « L'heure d'arrêt », c'est-à-dire l'heure à laquelle vous voulez que le four s'arrête.
Arrêt automatique du four gauche
Appuyez sans relâcher sur le bouton Heure d'arrêt (),
(Fig.2-33). En même temps, appuyez sur (-) ou (+) jusqu'à « l'heure d'arrêt » s'affiche (Fig.2-34). AUTO sera affiché.
Le signal sonore indiquera la fin de la cuisson à l'heure prévue. Mettez d'abord le bouton de commande du four sur la position 0 (Arrêt), puis appuyez une fois sur () pour arrêter le signal sonore, appuyez de nouveau sur () pour revenir au fonctionnement manuel.
Mise en marche et arrêt du four gauche avec minuterie
Avant de régler la minuterie, CHOISSEZ le « temps de cuisson », et « l'heure d'arrêt »
Remarque : Vous ne pouvez pas régler directement
une heure de mise en marche – celle-ci est régée automatiquement lors de la sélection du « temps de cuisson » et de « l'heure d'arrêt »
Appuyez sans relâcher sur le bouton Temps de cuisson (),
(Fig.2-35). En même temps, appuyez sur (-) ou (+) jusqu'à l'affichage du temps de cuisson requis (Fig.2-36).
Appuyez sans relâcher sur le bouton Heure d'arrêt (),
(Fig.2-37). En même temps, appuyez sur (-) ou (+) jusqu'à « l'heure d'arrêt » s'affiche (Fig.2-38). Relâchez les boutons.
AUTO sera affiché.
Réglez le four sur la température requise. Le signal sonore indiquera la fin de la cuisson. Mettez d'abord le bouton de commande du four sur la position 0 (Arrêt), puis appuyez une fois sur (®) pour arrêter le signal sonore, appuyez de nouveau sur (®) pour revenir au fonctionnement manuel.
Si vous êtes absent pendant la cuisson, ne vous inquiétez pas au sujet de l'arrêt du signal sonore, celui-ci s'arrête après un certain temps. À votre retour, mettez d'abord le bouton de commande du four sur 0, puis appuyez deux fois sur (®) pour revenir au fonctionnement manuel.
AUTO est affiché, et vous devez remettre le four sur fonctionnement manuel
Pour revenir à un fonctionnement manuel après un fonctionnement automatique, vous devez annuler le « temps de cuisson ». Appuyez en continu sur la touche [□], puis appuyez sur la touche [-] jusqu'à ce que l'affichage indique (0.00).
Appuyez sur la touche [m] pour revenir à un fonctionnement manuel.
Fonction de verrouillage
Après activation de la fonction de verrouillage, le four droit peut fonctionner normalement, mais le four gauche est verrouillé et ne s'allumera pas.
Vérifiez que l'horloge est sur le mode manuel et annulez tout programme en cours.
Appuyez sans relâcher sur les boutons Minuterie (♀) et Temps de caisson (♂). « On » ([Marche]) sera affiché (Fig.2-39). Appuyez une fois sur le bouton « + ». Le symbole clé (♀) et « OF » (Arrêt) s'afficheront (Fig.2-40). Relâchez les boutons.
Le four gauche est à clé verrouillé, comme indiqué par l'affichage de l'heure et du symbole clé (l), (Fig.2-41).
Désactivation de la fonction de verrouillage
Appuyez sans relâcher sur les boutons Minuterie (♀) et Temps de caisson (♂). « OF » (Arrêt) sera affiché (Fig.2-42). Appuyez une fois sur le bouton « + ». Le symbole de clé (♂) disparaît et « On » (Marche) s'affiche (Fig.2-43). Relâchez les boutons.
Après quelques secondes, l'heure est de nouveau affichée.
Le four peut être à présent utilisé normalement.















Grilles de four - four gauche (four principal)
Outre la grille plate (Fig. 2-44), certains modèles sont fournis avec une grille surbaissée (Fig. 2-45), qui augmente les possibilités d'espacement entre les grilles de four.
Les grilles de four s'insèrent et s'extrait facilement.
Tirez la grille vers l'avant jusqu'à ce que l'arrière de la grille soit arrêté par les butées d'arrêt latérales du four (Fig.2-46).
Soulevez l'avant de la grille pour faire passer l'arrière de la grille sous la butée d'arrêt, puis tirez la grille vers l'avant (Fig.2-47).
Pour remettre la grille en place, mettez la grille à niveau avec une glissière latérale du four, puis insérez la grille à fond jusqu'à ce que les extrémités soient en contact avec la butée d'arrêt de la grille. Soulevez l'avant de la grille pour que les extrémités puissent dépasser les butées, puis abaissez l'avant pour permettre la grille à l'horizontal, avant de l'insérer à fond (Fig.2-48).
Grilles de four - four chaud (four haut)
Le four haut est fourni avec quatre grilles de cuisson ordinaires (Fig.2-49), et une grille chauffe-plats (Fig.2-50).
Lorsque vous utilisez le four haut, vous pouvez faire cuire des aliments sur les quatre grilles simultanément, mais veillez à ce que les plats soient bien écartés les uns des autres pour permettre à l'air chaud de circuler.
Le Handyrack (Fig. 2-51) se monte uniquement sur la porte du four gauche. Il est facile de surveiller les aliments cuisant ainsi car vous pouvez accéder lorsque la porte est ouverte.
Le Handyrack peut supporter un poids maximum de 5,5 kg. Il ne doit être utilisé qu'avec le plat à rôtir fourni, qui est spécialement conçu pour être utilisé avec le Handyrack. Tout autre réseau de cuisson risque d'être instable.
D'autres plats à rôtir sont disponibles dans notre gamme d'ustensiles de cuisine – Référence de pièce RM027.
Vous pouvez le monter sur deux positions. Retirez une des grilles et placez l'autre selon les besoins.
Lorsque le Handyrack est utilisé sur sa position supérieure, d'autres plats peuvent être cuits sur une grille placée à la position inférieure ou placée directement sur la sole du four.
Lorsque le Handyrack est utilisé sur sa position inférieure, d'autres plats peuvent être cuits sur une grille placée à la deuxième position du four ou directement sur la sole du four.
Pour monter le Handyrack, placez un côté sur le support de la porte (Fig.2-52).
Extraire l'autre côté pour l'accrocher sur l'autre support (Fig.2-53).
Éclairage du four principal
Appuyez sur le bouton approprié pour allumer l'éclairage du four (Fig. 2-54).
Si l'éclairage est défectueux, mettez la cuisinière hors tension avant de changer l'ampoule. Pour des informations détaillées sur la façon de changer une ampoule de four, reportez-vous à la section « Dépannage ».
Utilisation de votre cuisinière à induction
Si vous n'avez jamais utilisé de cuisinière à induction, tenez compte des conseils suivants :
Assurez-vous que les récipients de cuisson que vous possédez ou que vous achetez sont adaptés à la cuisson par induction. L'acier inoxydable, l'acier émaillé ou la fonte sont idéals. Vérifiez bien avant l'achat : les récipients de cuisson doivent avoir un fond magnétique.
Prenez le temps de vous familiariser avec la cuisson à induction qui, bien que douce, est une cuisson rapide et puissante. Lors du mijotage, vous remarquerez peut-être que le mijotage des liquides semblera cesser puis reprendre presque immédiatement. Ceci est tout à fait normal.
Vous pourrez entendre un léger bruit de vibration provenant des récipients pendant la cuisson à induction. Ici aussi, ceci est tout à fait normal et dépendra du type et de la forme des récipients utilisés.
Les éléments chauffants à induction s'allument et s'éteignent pendant la cuisson. Même si un foyer en marche semble s'éteindre et s'allumer, une chaleur constante continue d'être fournie au réseau de cuisson – ceci est tout à fait normal.
Conseils pour la cuisson avec minuterie
Si vous désirez cuire plusieurs plats simultanément, CHOISSEZ des plats nécessitant approximativement le même temps de cuisson. Cependant, la cuisson de certains plats peut être légèrement « ralentie » en utilisant des petits plats de cuisson et en les recouvrant d'une feuille de papier aluminium, ou « accélérée » en utilisant de plus petites quantités ou des plats de cuisson plus grands.
Évitez d'utiliser des aliments rapidement périsibles (poisson, porc, etc.) si vous prévoyez une longue période d'attente, surtout par temps chaud.
Ne placez pas des aliments chauds dans le four qui sera utilisé avec la fonction minuterie. Ne utilisez pas un four déjà chaud avec la fonction minuterie. N'utilisez pas la fonction minuterie avec un four si le four adjacent est déjà chaud.
Décongelez complètement les volailles entières avant de les mettre au four. Assurez-vous que les viandes et volailles sont bien cuites avant de les servir.
Conseils généraux pour la cuisson au four
Veillez à ce que les grilles soient toujours insérées à fond dans le four.
Placez les plaques de cuisson, plats à rôtir, etc., à niveau, au centre des grilles du four. Placez les autres plats au centre sur les grilles. Éloignez les plaques et les plats de cuisson des bords du four, afin de ne pas trop dorer les alimentés.
Pour dorer un plat uniformément, il est recommandé d'utiliser une plaque de cuisson de dimensions maximales de 340 mm x 340 mm pour le four gauche (four principal) et de 232 mm x 321 mm pour le four droit (four haut).
Lorsque le four est en marche, NE laissez PAS la porte du four ouverte plus longtemps que nécessaire, afin dprévenir une surchauffe des boutons de commande.
- Laissez toujours un « doigt de largeur » entre des plats placés sur une grille de four. Ceci afin de faciliter la circulation de chaleur autour des plats. Pour réduire les projections grasses lorsque vous ajoutez des légumes dans la graisse chaude autour d'un roti, séchez soigneusement les légumes ou enduisez-les d'un peu d'huile à friture.
- Placez les plats susceptibles de bouillir et déborder pendant la cuisson sur une plaque de cuisson. Le four produit assez de chaleur pendant la cuisson pour réchauffer des assiettes placées dans l'enceinte du grill.
- Si vous souhaitez dorer un fond de tarte, préchauffez une plaque de cuisson pendant 15 minutes avant de placer le plat au centre de la plaque.
- Les panneaux internes autonettoyants (voir la section « Nettoyage de la cuisine ») sont plus efficaces lorsqu'on évite les projections grasses. Couvrez la viande pendant la cuisson.
4. Cuisson de la table
Les températures du four et les temps de cuisson sont fournis à titre indicatif uniquement. En fonction des goûts de chacun, les températures devront peut-être être modifiées dans un sens ou dans l'autre, pour obtenir les résultats que vous recherchez.
Dans un four ventilé, les plats sont cuits à une température plus basse que dans un four traditionnel. Lorsque vous suivez une recette, réduisez la température indiquée de 10°C et le temps de cuisson de 5-10 minutes. La température dans un four ventilé ne varie pas selon la position dans le four - vous pouvez donc utiliser n'importe quelle grille.
Position de grille
- Avant la cuisson, décongelez complètement les viandes et volailles congélées.
Température Four
Conventional °C
Position
de grille
Température
Four Ventile °C Temps de Cuisson Approximatif
| Vande | |||||
| Bœuf | 160 | C | 150 | 30-35 minutes par 500g +30-35 minutes. | Farci et roulé - Ajoutezapproximativement 10 minutes/500gaux temps de cuisson ci-dessus oufaites cuire à 200°C pendant 20minutes, puis à 160°C pendant lereste de la cuisson. |
| 200 | C | 190 | 20-25 minutes par 500g +20-25 minutes. | ||
| Agneau | 160 | C | 150 | 30-35 minutes par 500g +30-35 minutes. | |
| 200 | C | 190 | 20-25 minutes par 500g +20-25 minutes. | ||
| Porc | 160 | C | 150 | 35-40 minutes par 500g +35-40 minutes. | |
| 200 | C | 190 | 25-30 minutes par 500g +25-30 minutes. | ||
| Volaille | |||||
| Poulet | 160 | C | 150 | 20-25 minutes par 500g +20-25 minutes. | Volaille farcie - Cuisson à 200°C ouà 200°C pendant 20 minutes, puis à160°C pendant le reste de lacuisson.Préemballée (fraîche ou congelée):Suivre les temps de cuissonindiqués sur l'emballage.Avant la cuisson, decongelezcompletement les rotis et volaillescongeles. |
| 200 | C | 190 | 15-20 minutes par 500g +15-20 minutes. | ||
| Dinde | 160 | C | 150 | 25-30 minutes par 500g +25-30 minutes. | |
| 200 | C | 190 | 20 minutes par 500g +20 minutes. | ||
| Canard | 160 | C | 150 | 25-30 minutes par 500g. | |
| 200 | C | 190 | 20 minutes par 500g. | ||
| Plat braisé | 140-150 | C | 130-140 | 2-4 heures selon la recette. | |
| Poisson | |||||
| 190 | C | 180 | Filet 15-20 minutes. Morceau entier 15-20 minutes par 500g. | ||
| 190 | C | 180 | Morceau entier 10 minutes par 500g +10 minutes. | ||
| 190 | C | 180 | Steaks selon l'épaisseur. | ||
| Gâteau | |||||
| Cake 100% fruits confits | 140 | C/B | 130 | 45-50 minutes par 500g de pâte. | |
| Fruits 180mm | 150 | C/B | 140 | 2-2,5 heures. | |
| Fruits 230mm | 150 | C/B | 140 | 3,5 heures. | |
| Gâteau quatre quarts 180mm | 180 | C | 170 | 20-30 minutes. | |
| Desserts | |||||
| Tarte pâté brisée | 200 | C | 190 | 30-40 minutes. | |
| Tourtes aux fruits | 180 | C | 170 | 30-40 minutes permutation après 25 minutes. | |
| Tartelettes | 180 | C | 170 | 15-20 minutes. | |
| Pâté feuilletée | 220 | C | 210 | 20-40 minutes selon la taille. | |
| Meringues | 100 | C | 90 | 2-2,5 heures selon la taille. | |
| Pain | 220 | C | 210 | 20-30 minutes. | |
Informations importantes
Avant un nettoyage complet, mettez la cuisinière hors tension. Laissez-la refroidir.
N'utilise jamais de solvants pour peinture, de cristaux de soude, de nettoyants caustiques, de poudres biologiques, d'eau de Javel, de nettoyants chlorés, ni de produits abrasifs à gros grain ou de sel. Ne mélangez pas plusieurs produits nettoyants, car ils risquent de réagir entre eux et d'avoir des effets nocifs.
Toutes les parties de la cuisine ne peuvent être lavées à l'eau savonneuse chaude, mais veillez à prévenir toute infiltration d'eau dans l'appareil.
Nous avons développé une gamme de produits nettoyants qui permettent d'obtenir des résultats optimaux sans abimer les surfaces émaillées et peintes. Des informations complémentaires figurent dans la brochure Collection Ustensiles de cuisine [Cookware Collection] fournie avec votre cuisinière ou sur notre site Internet www.rangemaster.co.uk.
N'oubliez pas de remettre sous tension et de régler de nouveau l'horloge avant d'utiliser la cuisinière.
Entretien quotidien
Vérifiez tout d'abord que tous les indicateurs de chaleur résiduelle sont éteints et que la table de cuisson a refroidi. Appliquez une petite quantité de nettoyant semi-liquide pour surface vitrocéramique au centre de chaque zone à nettoyer. À l'aide de papier essuie-tout propre et humide, étalez le produit nettoyant sur la surface de cuisson. Pour finir, essuyez la surface avec du papier essuie-tout propre et sec.
Nettoyage des débordements
En cas de déversement ou débordement accidentel pendant la cuisson, éteignez la cuisinière et essuyez autour de la zone chaude avec du papier essuie-tout propre. Si les aliments renversés (autres qu'une substance sucrée) se trouvent sur une zone chaude de la table de cuisson, attendez que celle-ci ait entièrement refroidi pour nettoyer et suivez les instructions ci-dessous (« Nettoyage des déversements brûlés »).
En cas de fonte accidentelle d'un objet ou de déversement d'aliments à forte teneur en sucre (confiture, sauce tomate, jus de fruit, etc.), ENLEVEZ IMMEDIATEMENT les alimentés déversés à l'aide d'un racloir à lame pendant que la table est encore chaude.
IMPORTANT: Utilisez un gant isolant pour ne pas vous brûler.
Raclez le plus gros des aliments déversés ou de toute matière qui aurait fondu sur la zone de cuisson et poussez-les vers une zone froide. Mettez ensuite la cuisinière sur la position Arrêt [OFF] et laissez-la refroidir avant de continuer le nettoyage. Lorsque la surface de cuisson a refroidi et que les indicateurs de chaleur résiduelle sont éteints, suivez la procédure de nettoyage quotidien décrite plus haut.
Nettoyage des déversements brûlés
Vérifiez que les indicateurs de chaleur résiduelle sont éteints et que la table de cuisson a refroidi. Retirez toute matière brûlée à l'aide d'un racloir à lame simple. Tenez le racloir à un angle d'environ au-dessus de la surface et raclez pour éliminer les dépôts (Fig.5-1).

Fig.5-2
Fig.5-3
Fig.5-4
Fig.5-5
Fig.5-6
Lorsque le plus gros a été enlevé à l'aide du racloir, suivez la procédure de nettoyage quotidien décrite plus haut.
Avant de prisonner des composants du grill pour les nettoyer, assurez-vous qu'ils ont refroidi ou protégez-vous avec des gants isolants.
Lavez la lèchefrite et la grille à l'eau savonneuse chaude.
Après les grillades de viandes ou d'aliments salissants, faites tremper dans l'évier, pendant quelques minutes, immédiatement après la cuisson. Les taches tenaces sur la grille peuvent être enlevées à l'aide d'une brosse en nylon. La lèchefrite peut aussi être lavée au lave-vaisselle.
Retrait du gril coulissant
Procédez comme suit pour retirer la lèchefrite à des fins de nettoyage. Pour retirer le support de la lèchefrite, tirez la lèchefrite vers l'avant (Fig.5-2).
Soulevez la lèchefrite du support. Le support est maintenu sur les glissières latérales par deux clips de chaque côté (Fig.5-3).
Pour chaque côté, soutenez la glissière latérale d'une main et, de l'autre, soulevez le support pour le dégager des clips latéraux (Fig.5-4).
Par sécurité, repoussez les glissières latérales dans l'enceinte du gril.
Pour faciliter le nettoyage de l'enceinte du gril, vous pouvez retirer les glissières latérales en les décrochant des côtés de l'enceinte (Fig. 5-5) et essuyer les côtés avec un chiffon doux imbibé de détergent doux.
NE LAVEZ PAS les glissières latérales au lave-vaissette.
Après nettoyage, raccrochez les glissières latérales sur les côtes de l’enceinte du gril. Pour remonter le support, tirez les glissières latérales vers l’avant, et, pour chaque côté, soutenez la glissière et appuyez sur le support pour le réinsérer dans les glissières. Replacez la l’échefrite. Lors de la remise en place de la l’échefrite, assurez-vous que le bord large est à l’avant (Fig. 5-6).
Panneau de commande et portes
N'utilise pas des produits nettoyants abrasifs, y compris des produits nettoyants semi-liquides, sur les surfaces en acier inoxydable brossé. Les meilleurs résultats s'obtiennent avec des détergents liquides.
Le panneau et les boutons de commande doivent être nettoyés uniquement avec un chiffon doux imbibé d'eau savonneuse chaude. Veillez à prévenir toute infiltration d'eau dans l'appareil.
Après nettoyage, lustrez à l'aide d'un chiffon sec.
Panneaux de porte vitrée
Sur certains modèles, le panneau avant de la porte du four peut être retiré pour permettre le nettoyage des panneaux en verre. Avancez la cuisinière afin de pouvoir accéder aux parties latérales (veuillez lire la section « Déplacement de la cuisinière » des instructions générales).
Entrouvez la porte du four et retirez les vis de fixation du panneau avant des côtés de la porte (deux de chaque côté) (Fig. 5-7).
Soulevez le panneau de porte extérieur avec précaution. Vous pouvez à présent nettoyer la face intérieure des panneaux, en veillant à ne pas déplacer ni mouiller les joints d'étanchéité de la porte.
Remarque: Si la porte est dotée d'un triple vitrage, les panneaux internes sont fixés ensemble et ne doivent pas être séparés.
Après nettoyage, reposez le panneau de porte extérieur avec précaution et replacez les vis de fixation.

N'UTILISEZ PAS de produits nettoyants décapants et abrasifs ni de racloirs métalliques acérés pour nettoyer la surface en verre de la porte du four, afin de prévenir tout risque de rayures et de fissures du verre.
Le four principal est doté de panneaux amovibles à revêtement émaillé qui sont partiellement autonettoyants. Ceci n'empêche pas complètement la formation de taches sur le revêtement, mais réduit le nettoyage manuel nécessaire.
Le nettoyage automatique des panneaux est plus efficace à une température supérieure à 200°C. Si, en général, vous utilisez le four à des températures inférieures, retirez occasionnellement les panneaux et essuyez-les avec un chiffon non pelucheux imbibé d'eau savonneuse chaude. Séchez et replacez les panneaux dans le four chauffé à 200°C pendant environ une heure. Ceci assurera un bon fonctionnement des panneaux autonettoyants.
N'utilisez pas de paille de fer ou tout autre matériel susceptible de rayer la surface.
Dépose des panneaux internes du four principal
Certains panneaux internes de four sont amovibles afin de permettre leur nettoyage. Retirez d'abord les grilles du four.
Chaque panneau latéral est maintenu en place par quatre vis de fixation. Les panneaux peuvent être retirés sans avoir à enlever les vis. Soulevez chaque panneau latéral pour le décrocher des vis (Fig.5-8). Tirez-le ensuite vers l'avant.
Après retrait des panneaux internes, vous pouvez nettoyer l'intérieur émaillé du four.
Four haut
Pour nettoyer les parois du four, retirez les grilles, décrochez et retirez les supports latéraux (Fig. 5-9).



Tableau nettoyage
Les produits nettoyants indiqués sont en vente dans les supermarchés ou les magasins d'accessoires électriques. Pour les surfaces émaillées, utilisez un produit nettoyant recommandé pour l'émail vitrifié.
Un nettoyage régulier est recommandé. Pour faciliter le nettoyage, essuyez les taches immédiatement.
Pour éviter les projections grasses dans le four, recouvrez les rôts de papier aluminium ou utilisez un sac de cuisson. Enrobez les légumes de matière grasse avant de les placer autour de la viande.
| Table de cuisson | ||
| Composant | Finition | Méthode de nettoyage recommandée |
| Surface de la table de cuisson | Email ou acier inoxydable | Eau savonneuse chaude, chiffon doux. FrottezDoucement avec un tampon à récurer en nylon pour éliminer les taches tenaces. |
| Plaques électriques étanches | Fonte | Nettoyz la rouille et les résidus alimentaires à l'aide d'un tampon à récurer en paille de fer savonnoux en frottant dans le sens du grain. Rincez et laissez sécher. Utilisez un produit renovateur pour plaques de cuisson (en vente dans les magasins d'accessoires électriques) pour rénover la couleur et protégger les plaques. |
| Table de cuisson céramique/ induction | Verre trempé | Eau savonneuse chaude, nettoyant crème/tampon à récurer si nécessaire. |
| Plaque à griller (selon les modèles) | Surface antiadhésive | Laissez refroidir. Lave à l'eau savonneuse chaude. N'utilise pas de produits nettoyants/tampons abrasifs. Lave-vaiselle. |
| Zone de réchauffage (selon les modèles) | Verre trempé | Eau savonneuse chaude, nettoyant crème/tampon à récurer si nécessaire. |
| Extrieur de la cusinière | ||
| Composant | Finition | Méthode de nettoyage recommandée |
| Porte, pourtour de porte et extérieur du tiroir de rangement | Email ou peinture | Eau savonneuse chaude, chiffon doux. FrottezDoucement les tâches tenaces avec un détergent liquide. |
| Acier inoxydable | Chiffon multi-uses en microfibre (supermarché) | |
| Côtés et plinthe | Surface peinte | Eau savonneuse chaude, chiffon doux. |
| Dosseret / Grille arrière | Email ou acier inoxydable | Eau savonneuse chaude, chiffon doux. Nettoyz soigneusement avec un produit nettoyant semi-liquide, si nécessaire. |
| Panneau de commande | Peinture, émail ou acier inoxydable | Eau savonneuse tiège. N'utilise pas de produits nettoyants abrasifs sur les caractères. |
| Boutons de commande/poignées et garnitures | Plastique / chrome ou cuivre / laiton laqué | Eau savonneuse tiège, chiffon doux. |
| Laiton | Produit de polissage pour laiton (supermarché). | |
| Vitre de portedou / Couvercle en verre | Verre trempé | Eau savonneuse chaude, nettoyant crème/tampon à récurer si nécessaire. |
| Four et Gril | ||
| Composant | Finition | Méthode de nettoyage recommandée |
| Parois, sole et voûte du four - PAS les PANNEAUX AUTONETTOYANTS (voir ci-dessous) | Tout produit nettoyant pour four utilisable avec l'émail. ATTENTION : PRODUITS NETTOYANTS CORROSIFS/ CAUSTIQUES POUR FOURS : SUIVEZ LES INSTRUCTIONS DU FABRICANT. Evitez tout contact avec les éléments du four. | |
| Panneaux autonettoyants de four (selon les modèles) | Email spécifique partiellement autonettoyant | Cette surface est autonettoyante à 200°C ou plus; vous pouze également retarder les panneaux et les nettoyer à l'eau savonneuse chaude et avec une brose en nylon. |
| Grilles de four, Handyrack, grille de l'echefrite, Handygrill | Chrome | Tout produit nettoyant pour four utilisable avec le chrome. Tampon à récurer savonneux. Lave-vaiselle. |
| L'echefrite/Plat à viande (selon les modèles) | Eau savonneuse chaude. Tampon à récurer savonneux. Lave-vaiselle. | |
6. Dépannage
NE PAS faire effectuer de modifications ou de réparations de la table de cuisson par des personnes non qualifiées. N'essayez pas de réparer la table de cuisson ; vous risquez de vous blesser et d'endommager la table. Faites effectuer la réparation par une personne compétente.
Remarque: La table de cuisson à induction est dotée d'un système de diagnostic automatique et peut afficher ces diagnostics sur l'affichage des commandes de la table. Des codes d'erreur peuvent être affichés dans le cas d'un fonctionnement défectueux de la table de cuisson.
Les informations ci-dessous pourront vous être utiles pour. Remédier au problème en cas d'affichage d'un code d'erreur ou de fonctionnement défectueux de la cuisine.
Affichage du code d'erreur E2
L'unité électronique est trop chaude. Vérifiez l'installation de la cuisinière, pour vous assurer que la ventilation en place est suffisante. Dans des cas extrêmes, ce code d'erreur peut être affiché si un récipient de cuisson continue de fonctionner à sec après ébullition. En cas de doute, veuillez contacter votre installateur ou un réparateur qualifié.
Absence d'affichage
Surtension ou absence de tension d'alimentation de la cuisinière. En cas de doute, veuillez contacter votre installateur ou un réparateur qualifié.
Affichage du code d'erreur erxx ou ex
L'appareil présente un problème technique interne qui ne peut pas être rectifié par l'utilisateur. Veuillez contacter votre installateur ou un réparateur qualifié.
Le fusible saute ou le disjoncteur différentiel est déclenché fréquemment
Veuillez contacter votre installateur ou un réparateur qualifié.
La table de cuisson ne se met pas en marche
Votre système électrique domestique a-t-il fait sauter un fusible ou déclenché un disjoncteur différentiel ?
La table de cuisson a-t-elle été connectée correctement à l'alimentation secteur ?
La fonction verrouillage sécurité enfants a-t-elle été activée ? Voir la section Verrouillage sécurité enfants pour plus d'informations sur cette fonction.
La table de cuisson à induction est bruyante
Lors de l'utilisation de la table de cuisson à induction, un « bruit » peut être audible au niveau des foyers. Ceci est normal et peut être plus audible dans le cas d'une cuisson aux puissances maximales ou de l'utilisation simultanée des cinq foyers. Le type de récipient de cuisson peut aussi contribuer à ce « bruit ».
Une fissure est visible sur la surface de la table de cuisson
Mettez immédiatement la cuisinière hors tension et faites-la réparer. N'utilisez pas la cuisinière tant qu'elle n'a pas été réparée.
La table de cuisson est rayée
Utilisez toujours les méthodes de nettoyage recommandées dans les présentes instructions, et veillez à utiliser des récipients de cuisson à fond lisse et propre.
Les traces laissées par les dépôts minéraux dus à l'eau et aux aliments peuvent être éliminées à l'aide d'un produit nettoyant semi-liquide. Il n'est pas toujours possible d'éliminer les toutes petites rayures, mais celles-ci s'estomperont à la longue après plusieurs nettoyages.
Le ventilateur du four est bruyant
Le bruit du ventilateur peut changer pendant le chauffage du four. Ici, c'est tout à fait normal.
Le gril ne cuit pas correctement
Utilisez-vous la lèchefrite et la grille fournies avec la cuisine ? Utilisez-vous la lèchefrite sur les glissières et non pas directement sur la surface inférieure de l’enceinte du gril ? La lèchefrite est-elle insérée à fond jusqu’à la butée arrête ?
Les boutons de commande deviennent chauds lorsqu'il j'utilise le four ou le grill. comment faire pour empêcher cela ?
Ceci est dû à la chaleur provenant du four ou du gril. Ne laissez pas la porte du four ouverte.
Lorsque vous utilisez le grill, assurez-vous que la l'échafaud du grill est bien insérée jusqu'à la butée arrêté.
Laissez toujours la porte de l'enceinte du grill ouverte pendant l'utilisation du grill.
En cas de problème concernant l'installation, si mon installateur d'origine ne peut pas venir résoudre le problème, à qui incombent les frais ?
C'est à vous qu'incombent ces frais. Les sociétés d'entretien factureront leurs interventions si elles réparent une installation effectuée par votre installateur d'origine. Il est de votre intérêt de contacter votre installateur d'origine.
Panne courant
En cas de panne de courant, n'oubliez pas de régler de nouveau l'horloge pour permettre le fonctionnement automatique du four.
Fig.6-1
Fig.6-2
Les alimentés cessent trop lentement, trop rapidement, ou brûlent
Les temps de cuisson peuvent être différents de ceux de votre ancien four.
Vérifiez que vous utilisez les températures et positions de grilles de four recommandées. Les températures du four et les temps de cuisson sont fournis à titre indicatif uniquement.
En fonction des goûts de chacun, les températures devront peut-être être modifiées dans un sens ou dans l'autre, pour obtenir les résultats que vous recherchez.
La cuisson au four n'est pas uniforme
N'utilise pas de plat ou de plaque de cuisson de dimensions supérieures à celles indiquées dans la section « Conseils généraux pour la cuisson au four »
Dans le cas d'un grand plat, vous devrez peut-être le tourner pendant la cuisson.
Si vous utilisez deux grilles, vérifiez qu'il y a assez de place pour permettre à la chaleur de circuler. Lorsque vous insérez une plaque de cuisson dans le four, veillez à la placer au centre de la grille.
Vérifiez que le joint d'étanchéité de la porte n'est pas endommagé et que le loquet de porte est réglé de façon à ce que la porte soit bien appuyée contre le joint.
Un récipient d'eau placé sur la grille doit avoir une profondeur uniforme. (S'il est plus profond à l'arrière, par exemple, l'arête de la cuisinière doit être levée ou l'avant de la cuisinière abaissé). Si la cuisinière n'est pas à niveau, demandez à votre fournisseur de la mettre à niveau.
Le four ne s'allume pas lorsqu'il est mis en marche manuellement
L'appareil est-il sous tension ? L'horloge est-elle éclairée ? Si ce n'est pas le cas, l'alimentation électrique est peut-être défectueuse. Le sectionneur de l'alimentation électrique de la cuisinière est-il sur la position Marche ?
L'heure a-t-elle été réglée?
Le symbole clé (†) s'affiche-t-il pour indiquer le verrouillage du four ? Reportez-vous à la section « Horloge » des instructions pour un complément d'informations sur la fonction de verrouillage.
Le four ne s'allume pas avec la mise en marche automatique
Le bouton de commande du four a-t-il été laissé par erreur sur ARRET (OFF)? Est-ce que le four est verrouillé (voir ci-dessus)?
Si le fait de mettre le bouton de réglage sur une température inférieure n'a pas eu d'effet ou a eu un effet temporaire, vous devrez peut-être remplacer le thermostat. Cette intervention doit être effectuée par un spécialiste de l'entretien.
L'éclairage du four ne fonctionne pas
L'ampoule a probablement grillé. Vous pouvez acheter une ampoule de rechange (non couverte par la garantie) dans un magasin d'accessoires électriques. Demandez une ampoule à culot vissable Edison 15 W 240 V, POUR FOURS. Cette ampoule doit pouvoir résister à une température de 300°C (Fig. 6-1).
Avant de retirer l'ampoule usagée, mettez la cisinière hors tension et assurez-vous que le four a refroidi.
Ouvrez la porte du four et retirez les grilles du four.
Dévissez le couvercle de l'ampoule en tournant en sens antihoraire (il peut être très difficile à dévisser) (Fig. 6-2).
Dévissez l'ampoule en tournant en sens antihoraire, en vous protégeant les mains avec un gant pour ne pas vous blesser. Vissez l'ampoule de rechange, puis revissez le couvercle de l'ampoule. Remettez l'appareil sous tension et contrôlez le fonctionnement de l'éclairage.
La porte du four est alignée mal
La charnière inférieure de la porte peut être ajustée afin de modifier l'angle de la porte (Fig. 6-3). Desserrez les vis de fixation de la charnière inférieure, et utilisez le cran et un tournevis à lame plate pour changer la position de la charnière et la régler (Fig. 6-4).
Resserrez les vis de la charnière.


Installation
Une fois le travail terminé, vérifie que les alimentations d'électricité sont correctement rebranchées.
7. Installation
Avant de commencer l'installation, veuillez remplir la fiche ci-dessous. Ceci permettra à votre client de vous contacter facilement en cas de problème relatif à l'installation.
| Nom de l'installateur |
| Société de l'installateur |
| Numéro de téléphone de l'installateur |
| Numéro de série d'appareils |
Prescriptions de sécurité
Cette cuisinière doit être installée dans un endroit bien ventilé, conformément aux indications figurant dans la section intitulée « Raccordement électrique ».
Lisez les instructions générales avant d'installer ou d'utiliser cet appareil.
Ventilation
Cet appareil n'est pas raccordé à un dispositif d'évacuation des produits de combustion. Prêtez particulièrement attention à la réglementation en vigueur concernant la ventilation.
Toutes les pièces nécessitent une fenêtre ouvrable ou un dispositif équivalent, et certaines pièces nécessitent une mise à l'air libre permanente en plus de la fenêtre ouvrable.
Emplacement de la cuisinière
La cuisinière ne peut être installée dans une cuisine/un salon-cuisine, mais PAS dans une pièce contenant une baignoire ou une douche.
Cet appareil est donc uniquement pour un usage domestique. Toute autre utilisation n'engage ni la responsabilité, ni la garantie du fabricant.
L'installation de la cuisinière nécessitera l'emploi du matériel indiqué ci-dessous:
Multimètre (pour les contrôles électriques) - Outil de mise à niveau de la cuisinière avec clés hexagonales (fournis avec la cuisinière)
Vous aurez aussi besoin des outils suivants:
- Perceuse électrique
- Foret à maçonnerie (nécessaire seulement pour montage sur sol en pierre ou en béton)
- Chevilles Rawlplugs (nécessaires seulement pour montage sur sol en pierre ou en béton)
- Metre en acier
- Tournevis cruciforme
- Tournevis à lame plate
- Niveau à bulle
- Crayon
- Clé réglable
Vérification des pièces:
| Outil de mise à niveau et clés hexagonales | Lèchefrite et grille (modèle standard illustré) |
| 1 grille de four plate et 1 grille surbaissée | Handyrack |
| Plat à rôtir | Plinthe (modèle standard illustré) |
| Grilles et supports de grillés de four haut |
Positionnement de la cuisinière
La Fig. 7-1 indique les cotes minimales recommandées entre la cuisinière et les surfaces adjacentes.
Ne placez pas la cuisinière sur un support.
Le pourtour de la table de cuisson doit être au niveau ou au-dessus de tout plan de travail adjacent. Laissez un espace de 75 mm AU-DESSUS du niveau de la table de cuisson entre chaque côté de la cuisinière et toute surface verticale adjacente.
Pour les surfaces non combustibles (telles que le métal non poreux ou les carrelages), cette cote peut être de 25 mm.
Laissez un espace de 650 mm au minimum entre la partie supérieure de la table de cuisson et une surface horizontalement combustible.
La Fig. 7-2 indique les dégagements recommandés au-dessus de la cuisine.
Toute hotte de cuisinière doit être installée conformément aux instructions du fabricant de hotte.
Les surfaces des meubles et des murs de chaque côté et à l’arrière de l’appareil doivent être résistantes à la chaleur, aux éclaboussures et à la vapeur. Certains types de meubles de cuisine en vinyle ou en stratifié sont particulièrement susceptibles aux risques de dommages thermiques et de décoloration. Nous déclinons toute responsabilité pour des dommages résultant d’une utilisation normale de la cuisinière et subis par des matériaux qui se décollent ou se décolorent à des températures de moins de 65°C au-dessus de la température ambiante.
Nous recommandons de laisser un espace de 920 mm entre les unités pour permettre le déplacement de la cuisinière. La cuisinière ne doit pas être encastrée. Elle doit pouvoir être déplacée vers l'avant et vers l'arrière pour le nettoyage et l'entretien.
Si la cuisine est près d'un coin de la cuisine, un dégagement de 130 mm est nécessaire pour permettre l'ouverture des portes du four (Fig. 7-3). La cote d'ouverture des portes est légèrement inférieure à ce dégagement, mais ceci inclut une marge de sécurité pour la protection des mains lors de l'ouverture de la porte.
Déballage de la cuisinière
N'enlevez aucun emballage de la cuisinière tant que celle-ci n'est pas directement en face de l'emplacement où elle sera installée (sauf si, dans son emballage externe, la cuisinière ne peut pas passer par une porte).
Coupez les courroies d'emballage et ôtez le carton recouvrant la cuisinière, mais laissez la cuisinière sur le plateau d'emballage. Reportez-vous à la feuille d'instructions de déballage fournie.



Installation
Une fois le travail terminé, vérifie que les alimentations d'électricité sont correctement rebranchées.
Fig.7-4

Fig.7-7

Fig.7-8
Déplacement de la cuisinière
N'essayez jamais de déplacer la cuisinière lorsqu'elle est sous tension. La cuisinière est très lourde, faites très attention.
Nous recommandons de faire appel à deux personnes pour déplacer la cuisinière. Assurez-vous que le revêtement du sol est solidement fixé en place ou retirez-le afin de ne pas l'abîmer en déplaçant la cuisinière.
Depuis l'arrière, inclinez la cuisinière vers l'avant et retirez la partie arrière du socle d'emballage en polystyrène (Fig. 7-4). Répétez cette procédure à l'avant et retirez la partie avant du socle.
Abaissement des deux galets arrière
Insérez d'abord l'outil de mise à niveau sur l'écrou de réglage hexagonal (Fig.7-5).
Effectuez 10 tours complets (360^) en sens horaire (Fig.7-6). (Tournez et retirez l'outil de mise à niveau 20 fois).
Veillez à abaisser les DEUX GALETs ARRIÈRE. Il y a deux écrous de réglage, un pour chaque galet, aux coins avant inférieurs de la cuisinière.
Positionnement final
Dépliez le bord arrêté du plateau d'emballage. Ouvrez la porte du grille et la porte du four droit pour avoir une bonne prise sur la partie inférieure du panneau de commande pour déplacer la cuisinière.
Agrippez la cuisinière sous le panneau de commande et soulevez légèrement l'avant de la cuisinière (Fig. 7-7).
Poussez la cuisinière vers l'arrière avec précaution pour la dégager de son socle d'emballage. Retirez le plateau d'emballage. Poussez la cuisinière près de sa position finale, en laissant juste assez de place pour pouvoir avoir accès à l'arrière.
N'utilisez pas les poignées de portes ou les boutons de commande pour déplacer la cuisinière.
Repositionnement de la cuisinière après raccordement
Si vous nevez déplacer la cuisinière après son raccordement, débranchez la cuisinière, agrippez-la sous le panneau de commande et levez légèrement l'avant de la cuisinière (Fig.7-8). Vérifiez à l'arrière de l'appareil que le câble d'alimentation n'est pas entravé. Pendant le déplacement de la cuisinière, assurez-vous que le câble n'est pas entravé. Si la cuisinière est dotée d'une chaîne stabilisatrice, défaites-la pour pouvoir manœuvrer la cuisinière. N'oubliez pas de la remettre en place lorsque vous replacez la cuisinière.
Lors de la remise en place de la cuisinière, vérifiez de nouveau que le câble n'est pas entravé ou coincé.
Mise à niveau
Nous vous recommandons d'utiliser un niveau à bulle placé sur l'une des grilles de four pour vérifier le niveau.
Placez la cuisinière à l'emplacement prévu pour son installation, en veillant à ne pas exercer de force de torsion lorsque vous l'insérez entre les éléments de cuisine, pour ne pas l'endommager ou endommager les éléments.
Les supports avant et les galets arrêtés réglables permettent la mise à niveau de la cuisinière. Pour régler la hauteur de
Installation
Une fois le travail terminé, vérifie que les alimentations d'électricité sont correctement rebranchées.
L'arrêt de la cuisine, utilisez l'outil de mise à niveau fourni pour tourner les écrous de réglage aux coins avant inférieurs de l'appareil. Pour lever ou abaisser les supports, tournez les rondelles montées sur les supports.
Raccordement électrique
Cet appareil doit être installé par un électricien qualifié, conformément à la réglementation en vigueur et aux prescriptions de la compagnie d'électricité locale.
Disjoncteurs différentiels
L'utilisation conjointe de votre cuisinière et d'autres appareils domestiques peut entraîner des disjonctions fortuites ; par conséquent, nous recommandons de protéger la cuisinière par un disjoncteur différentiel.
EN CAS DE DOUTE, CONSULTEZ UN ELECTRICIEN QUALIFIE.

Mise en GARDE : cet appareil DOIT etre MIS a la TERRE.
Remarque: La cuisinière doit être raccordée à l'alimentation électrique correcte, indiquée sur l'étiquette de tension sur l'appareil, par le biais d'une unité de commande de cuisinière appropriée à interrupteur bipolaire (avec une séparation de contact de 3 mm au minimum entre les pôles).

Cette cuisinière ne doit pas être raccordée à une prise d'alimentation domestique ordinaire.
Pour accéder au bornier d'alimentation secteur, retirez le boîtier électrique sur le panneau arrière. Raccordez le câble d'alimentation secteur aux bornes correctes pour votre type d'alimentation électrique (Fig. 7-9 et Fig. 7-10). Vérifiez que les connecteurs sont montés correctement et que les vis des bornes sont bien serrées. Fixez le câble d'alimentation secteur à l'aide du serre-câble.
Contrôle de la table de cuisson
Contrôlez chaque foyer. Veillez à utiliser des récipients de cuisson recommandés et de diamètres appropriés.
Contrôle du grill
Tournez le bouton de commande du grill et vérifiez que le grill commence à chauffer.
Contrôle des fours
Réglez l'horloge conformément aux instructions données précédemment, et allumez les fours. Vérifiez que les ventilateurs des fours se mettent en marche et que les fours commencent à chauffer. Éteignez les fours.
Montage des poignées et de la balustrade (selon le modèle)
Déposez les vis Allen 4 mm des portes à l'aide de la clé hexagonale (Fig. 7-11). Vissez les poignées de portes.

Les poignées doivent être au-dessus des fixations.
Placez les obturateurs en plastique sur les trous de fixation (Fig.7-12). Retirez les vis Allen 4 mm des coins supérieurs du bandeau (Fig.7-13). Montez la barre à torchons et fixez-la à l'aide des vis 4 mm.
Fig.7-9
Fig.7-10
Fig.7-11
Fig.7-12

Installation
Une fois le travail terminé, vérifie que les alimentations d'électricité sont correctement rebranchées.




Montage de la plinthe
Desserrez les trois vis le long du bord inférieur avant de la cuisinière. Insérez l’encoche centrale en forme de trou de serrure sur la vis centrale. Tournez et insérez les encoches d’extrémités en trou de serrure sur leurs vis respectives. Serrez les vis de fixation (Fig. 7-14).
Montage de la plinthe (kitchenener et toledo unintention)
Montez la plinthe intérieure à l'avant inférieur de la cuisine à l'aide des cinq vis fournies (Fig. 7-15).
Fixez la plinthe extérieure (une vis à chaque extrémité) à la plinthe intérieure.
Grâce à l'encoche, vous pouvez ajuster la position de la plinthe extérieure en la faisant glisser vers le haut ou le bas (Fig. 7-16).
Montage du dosseret (option)
Le dosseret se monte à l'arrière de la table de cuisson à l'aide des attaches et des vis fournies. Insérez les attaches dans les ouvertures à l'arrière de la table de cuisson, en veillant à aligner les trous des attaches avec les trous de la table de cuisson (Fig. 7-17).
Placez le dosseret à l'arrière de la table de cuisson et fixez-le à l'aide des vis fournies.
Conseils à la clientèle
Veuillez inscrire les informations vous concernant dans les générées instructions. De même, indiquez à l'utilisateur comment faire fonctionner la cuisine et remettez-lui les instructions.
Merci.
Schéma de câblage: Table de cuisson
| Code | Élement |
| A | Panneau de commande tactile Touchlite |
| B | Tableau de distribution |
| C | Commande avant gauche |
| D | Commande arrière gauche |
| E | Commande centrale |
| F | Commande avant droite |
| G | Commande arrière droite |
| CU1 | Unité de commande double gauche (esclave) |
| CU2 | Unité de commande centrale (esclave) |
| CU3 | Unité de commande double droite (maître) |
| Code | Couleur |
| b | Bleu |
| br | Brun |
| bk | Noir |
| or | Orange |
| r | Rouge |
| v | Voilet |
| w | Blanc |
| y | Jaune |
| g/y | Vert / jaune |
| gr | Gris |

Légende
Les raccords indiqués sur le schéma de câblage sont pour une alimentation monophasée. Les capacités nominales sont pour 230V 50Hz.
| Code | Élément |
| A1 | Régulateur de puissance de grill |
| A2 | Interrupteur avant de grill |
| A3 | Éléments de grill |
| B1 | Thermostat de four gauche |
| B2 | Interrupteur avant de four gauche |
| B3 | Élément de four gauche |
| B4 | Ventilateur du four gauche |
| C1 | Thermostat de four droit |
| C2 | Interrupteur avant de four droit |
| Code | Élément |
| C3 | Élément de four droit |
| C4 | Ventilateur de four droit |
| D | Horlage |
| F | Ventilateur de refroidissement |
| G1 | Interrupteur d'éclairage de four |
| G2 | Eclairage de four |
| H | Protecteur thermique |
| J | Néon |
| K | Bloc de raccordement |
| Code | Couleur |
| b | Bleu |
| br | Brun |
| bk | Noir |
| or | Orange |
| r | Rouge |
| v | Voilet |
| w | Blanc |
| y | Jaune |
| g/y | Vert / jaune |
| gr | Gris |

Légende
Les raccords indiqués sur le schéma de câblage sont pour une alimentation monophasée. Les capacités nominales sont pour 230V 50Hz.
| Code | Élément |
| A1 | Interrupteur avant de grill |
| A2 | Régulateur de puissance de grill |
| A3 | Éléments de grill |
| B1 | Interrupteur avant de four gauche |
| B2 | Thermostat de four gauche |
| B3 | Élement supérieur de four gauche (Paire extérieure) |
| B4 | Élement supérieur de four gauche (Paire intérieure) |
| B5 | Élement centre de four gauche |
| B6 | Ventilateur du four gauche |
| B7 | Élement interieur de four gauche |
| Code | Élément |
| B8 | Interrupteur avant de Multifontions |
| C | Horlage |
| D1 | Interrupteur avant de four droit |
| D2 | Thermostat de four droit |
| D3 | Élément de four droit |
| D4 | Ventilateur de four droit |
| F1 | Ventilateur de refroidissement |
| F2 | Interrupteur d'éclairage de four |
| G | Eclairage de four |
| H | Protecteur thermique |
| I | Néon |
| Code | Couleur |
| b | Bleu |
| br | Brun |
| bk | Noir |
| or | Orange |
| r | Rouge |
| v | Voilet |
| w | Blanc |
| y | Jaune |
| g/y | Vert / jaune |
| gr | Gris |

Légende
Les raccords indiqués sur le schéma de câblage sont pour une alimentation monophasée. Les capacités nominales sont pour 230V 50Hz.
| Code | Élément |
| A1 | Interrupteur avant de grill |
| A2 | Régulateur de puissance de grill |
| A3 | Éléments de grill |
| B1 | Interrupteur avant de four gauche |
| B2 | Thermostat de four gauche |
| B3 | Élement supérieur de four gauche (Paire extérieure) |
| B4 | Élement supérieur de four gauche (Paire intérieure) |
| B5 | Élement centre de four gauche |
| B6 | Ventilateur du four gauche |
| B7 | Élement interieur de four gauche |
| Code | Élément |
| B8 | Interrupteur avant de Multifontions |
| C | Horlage |
| D1 | Interrupteur avant de four droit |
| D2 | Thermostat de four droit |
| D3 | Élément de four droit |
| D4 | Ventilateur de four droit |
| F1 | Ventilateur de refroidissement |
| F2 | Interrupteur d'éclairage de four |
| G | Eclairage de four |
| H | Protecteur thermique |
| I | Néon |
| Code | Couleur |
| b | Bleu |
| br | Brun |
| bk | Noir |
| or | Orange |
| r | Rouge |
| v | Voilet |
| w | Blanc |
| y | Jaune |
| g/y | Vert / jaune |
| gr | Gris |
9. Fiche technique
A L'INTENTION DE L'INSTALLATEUR: Veuillez remettre les présentes instructions à l'utilisateur.
EMPLACEMENT DU BADGE TECHNIQUE: Arrière de la cuisinière, badge auxiliaire de numéro de série sous l'ouverture de la porte du four.
Raccordments
| Electricité | 220 - 240V 50Hz |
Dimensions
| Hauteur hor tout | minimum 905mm | maximum 932mm |
| Largeur hors tout | 900mm | |
| Profondeur hors tout | 602 (pour panneau y compris le dosseret); 610mm (au-dessus du table de cuisson) | |
Voir "Positionnement de la cuisinière.
Puisances
| Fours | Four principal | Four haut | ||
| Convection | Multifonction | Multifonction (avec Réponse Rapide) | Convection | |
| 2.5kW | 2.5kW | 3.7kW | 2.5kW | |
| Catégorie d'efficacité énergétique : Sur une échelle de A (plus efficace) à G (moins efficace) | A | B | B | B |
| Consommation d'énergie basée sur une charge standard | 0.85kWh | 0.90kWh | 0.90kWh | 0.99kWh |
| Volume disponible (litres) | 67 | 62 | 62 | 53 |
| Taille | Grande | Grande | Grande | Moyenne |
| Temps de cuisson – charge standard | 38 minutes | 41 minutes | 41 minutes | 49 minutes |
| Surface de cuisson | 1400cm2 | 1400cm2 | 1400cm2 | 790cm2 |
| Gril | 2.3kW |
Charge électrique totale maximale à 230 v
Variante de four de ventilateur : 17.1kW (total approximatif comprenant éclairages de fours, ventilateur de four, etc.)
Variante de four multifonction : 17.1kW (total approximatif comprenant éclairages de fours, ventilateur de four, etc.)
Variante de four multifonction (avec Réponse Rapide) : 18.3kW (total approximatif complenant éclairages de fours, ventilateur de four, etc.)
Notice Facile