FALCONMAXI CUISINIERECDL110 - Cuisinière DARRY - Notice d'utilisation et mode d'emploi gratuit
Retrouvez gratuitement la notice de l'appareil FALCONMAXI CUISINIERECDL110 DARRY au format PDF.
| Type de produit | Cuisinière à gaz |
| Caractéristiques techniques principales | 4 foyers à gaz, four à gaz avec convection |
| Alimentation électrique | Non requise pour le fonctionnement principal |
| Dimensions approximatives | 110 cm (largeur) x 60 cm (profondeur) x 90 cm (hauteur) |
| Poids | Environ 90 kg |
| Compatibilités | Compatible avec les bouteilles de gaz standard |
| Type de batterie | Non applicable |
| Tension | Non applicable |
| Puissance | Puissance des foyers : 1,0 kW à 3,0 kW |
| Fonctions principales | Cuisson, rôtissage, grillade |
| Entretien et nettoyage | Nettoyage des grilles et du four avec des produits non abrasifs |
| Pièces détachées et réparabilité | Disponibilité de pièces de rechange auprès du fabricant |
| Sécurité | Équipée d'un système de sécurité pour la coupure du gaz |
| Informations générales utiles | Installation recommandée par un professionnel pour garantir la sécurité |
FOIRE AUX QUESTIONS - FALCONMAXI CUISINIERECDL110 DARRY
Téléchargez la notice de votre Cuisinière au format PDF gratuitement ! Retrouvez votre notice FALCONMAXI CUISINIERECDL110 - DARRY et reprennez votre appareil électronique en main. Sur cette page sont publiés tous les documents nécessaires à l'utilisation de votre appareil FALCONMAXI CUISINIERECDL110 de la marque DARRY.
MODE D'EMPLOI FALCONMAXI CUISINIERECDL110 DARRY
INGRÉDIENTS (Nb de personnes : 5)
- 600 g de cerises
- 30g de beurre + beurre pour le moule
4 cuil. à soupe rases de farine - 50 cl de lait frais
4 oeufs
4 cuil. à soupe rases de sucre semoule
1 cuil. à soupe de sucre cristallisé
1 pincée de sel
MÉTHODE DE PREPARATION
- Faites chauffer le four à 200^ , th. 7.
- Beurrez un moule à tarte de 24 cm de diamètre ou un plat à gratin.
- Lavez rapidement les cerises, épongez-les et équeutez-les, puis disposez-les dans le moule.
- Faites juste fondre le beurre.
- Tamisez la farine avec le sel dans une terrine et délayez-la peu à peu avec le lait et le beurre fondu.
- Cassez les øeufs dans une autre terrine, ajoutez le sucre semoule et battez-les à la fourchette.
- Versez dessus le mélange de farine, de lait et de beurre, à travers un tamis pour éliminer les grumeaux. Mélangez.
- Versez doucement la pâte sur les cerises, mettez le plat au four et faites cuire pendant 40 min.
- Laissez tiédir, puis poudrez avec le sucre cristallisé et servez dans le plat de cuisson.
ROSBIF EN CROUTE DE THYM

INGRÉDIENTS (Nb de personnes : 4)
150g de chapelure
1 cuil. à soupe de graines de fenouil
- 6 brins de thym frais
4 cuil. à soupe d'huile d'olive
1 cuil. à soupe de moutarde à l'ancienne
2 cuil. à soupe de lait demi-écrémé
1 rosbif ficelé et non bardé de 1,1 kg environ
8 carottes coupées en gros morceaux
3 navets coupés en deux
800 g de pommes de terre à chair ferme coupées en gros morceaux
- 6 belles échalotes pelées
- 5 cl de porto blanc
- sel, poivre
MÉTHODE DE PREPARATION
- Préchauffez le four à 190^ (th. 6/7). Mélangez la chapelure avec les graines de fenouil et 2 brins de thym effeuillés dans un bol. Ajoutez 2 cul. à soupe d'huile d'olive, la moutarde à l'ancienne et le lait. Mélangez jusqu'à obtention d'une pate épaisse.
- Huilez légèrement un plat à four pouvant aller sur le feu. Mettez-y le rosbif et enrobez-le de la préparation précédente en appuyant bien. Laissez macérer le temps de préparer les légumes.
- Portez à ébullition une grande casserole d'eau. Plongez-y les carottes, les navets et les pommes de terre. Laissez-les cuire 5 min à feu doux, puis égouttez-les et répartissez-les autour du rosbif. Ajoutez les échalotes. Nappez les légumes du reste d'huile d'olive, salez, poivrez et parsemez du reste de thym effeuillé. Versez 10 cl d'eau dans le fond du plat et enfournez pour 40 min (50 à 55 min si vous préférez un rôtti bien cuit).
- Disposez le rosbif sur un plat avec les légumes. Couvre de papier sulfurisé et laissez reposer 15 min.
- Pendant ce temps, posez le plat à four sur feu moyen. Ajoutez le porto et 5 cl d'eau, mélangez en gratant les sucs de cuisson avec une cuillère en bois et laissez réduire quelques minutes. Rectifiez l'assaisonnement et versez dans une saucière.
- Coupez le rosbif en tranches, délicatement pour ne pas trop émietter la croûte de thym. Servez-le entouré de légumes, enprésentant la sauce à part.
1. Avant de Commencer... 1
Sécurité Personnelle 1
Raccordement Electrique 1
Odeur de Neuf 2
Ventilation 2
Entretien 2
Entretien de l'induction 3
Conseils Relatifs à la Four 5
Entretien de la plaque 5
Grill coulissant 5
Ventilateur de refroidissement 5
Entretien de la Cuisinière 5
Nettoyage 6
2. Vue d'Ensemble de la Cuisinière 7
La Table de Cuisson 7
Detection de Récipient de Cuisson, 9
Indicateur de Chaleur Résiduelle, H 9
Chauffage Automatique, A 9
Verrouillage Sécurité Enfants, 10
Réglage Basse Température, L1/L2 10
Réglage Haute Puissance, P 11
Fonction de Surchauffe 11
Gril Coulissant « Glide-out » 12
Un tiroir de rangement 13
Fours 13
Fonctionnement du Four 13
Accessoires 14
Eclairage du Four Principal 14
3. 2-boutons horloge 15
4. Horloge 3 boutons 18
5. Conseils pour la Cuisson 20
Utilisation de Notre Cuisinière à Induction 20
Conseils Pour la Cuisson Avec Minuterie 20
Conseils Généaux Pour la Cuisson au Four 20
6. Tableau de cuisson 21
7. Nettoyage de la Cuisinière 22
8. Dépannage 26
9. Installation 29
A L'intention de L'installateur 29
Mesures et Reglements de Sécurité 29
Ventilation 29
Emplacement de la Cuisinière 29
Positionnement de la Cuisinière 30
Déplacement de la Cuisinière 30
Baissez les Deux Galets Arriere 31
Exécution du Mouvement 31
Montage de la stabilité Bracket 31
Repositionnement de la Cuisinière après 31
31
Mise à Niveau 31
Raccordement Electrique 32
Vérifications Finales 32
Montage Final 33
Conseils à la Clientèle 33
10. Schémas de Câblage 34
11. Fiche Technique 36
1. Avant de Commencer…
Installée et utilisée correctement, cette cusinière vous donna de nombreuses années de service fiable. Il est donc important de dire la presente section avant de commencer, en particulier si vous n'avez jamais utilisé de cusinière à table de cuisson en vitrocéramique.
Sécurité Personnelle
Cet apparéil ne doit être utiliser que pour la cuisson. Il ne doit pas être utilisé à d'autres fins, par exemple pourchauffer la piece. L'utiliser à toute autre fin pourrait invalider toute garantie ou réclamation de responsabilité. En plus d'invalider des réclamations, cela gaspille du combustible et pourrait surchauffer les boutons de contrôle.
- Cét apparéil peut être utilisé par des enfants âgés de 8 ans et plus, outre par des personnes aux capacités physiques, sensorielles ou mentales réduites ou qui manquent d'expérience et de connaissances à l'égard de l' apparéil, à condition d'être surveillés ou d'avoir reçu des instructions claires pour utiliser cet apparéil en toute sécurité et d'en comprendre les risques.
- Les enfants de moins de 8 ans doivent être gardés à distance à moins qu'ils ne soient constamment surveillés.
- Ne placez pas la cuisine sur un support.
- Cet apparéil est conçu uniquement pour un usage domestique. Toute autre utilisation n'engage ni la responsabilité, ni la garantie du fabricant.
- Avant d'utiliser le (s) four (s), veuillez vous reférer à l'installation de l'étagère du four, dans la section Accessoires.
- L'appareil et ses pièces accessibles chauffent pendant leur utilisation. Veillez à ne pas toucher les éléments chauffants.
- Un processus de cuisson de longue durée doit être surveillé de temps à autre. Un processus de cuisson de courte durée doit être surveillé en permanence.
- NE PAS stocker d'objets sur les surfaces de cuisson.
- Pour éviter toute surchauffe, NE PAS installer la cuisineire derrière une porte décorative.
- Les parties accessibles de la cusinière deviennent chaudes lorsque celle-ci est en marche et resteront chaudes même après la cuisson. Ne laissez pas les bébés et les enfants s'approcher de la cusinière et ne portez jamais de vêtements amples ou flottants lors de l'utilisation de la cusinière.
- N'UTILISEZ PAS de nettoyeur à vapeur sur votre cuisine.
-
Veillez à ce que les matériaux combustibles, (rideaux, liquides inflammables, etc.) soient toujours suffisamment éloignés de la cuisine.
-
N'UTILISEZ PAS d'aerosols à proximé de la cuisinière lorsqu'elle-ci est en marche.
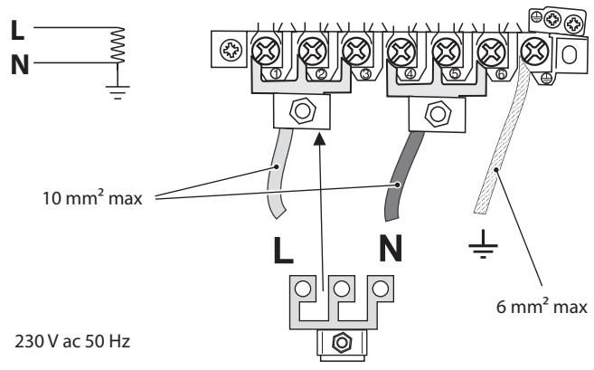
Raccordement Electrique
Son installation doit être conforme aux instructions appropriées des générées et satisfaire à la réglementation nationale et locale en vigueur, ainsi qu'aux prescriptions des compagnies d'électricité locales.
A VERTISSEMENT: Cet apparéil doit être branché à une prise de terre
Remarque: La cusinière doit être raccordée à l'alimentation électrique correcte, indiquée sur l'étiquette de tension sur l'appareil, par le biais d'une unité de commande de cusinière appropriée à interrupteur bipolaire (avec une séparation de contact de 3 mm au minimum entre les pôles).
Lisez les instructions avant d'instructor ou d'utiliser cet apparéil.
- Cet apparéil est lourd; prenez garde lorsqu'vous le déplacez.
- La cuisine peut être installée dans une cuisine/un salon-cuisine, mais PAS dans une piece contenant une baignoire ou une douche.
Cet apparéil doit être mis a la terre. - Cette cuisinière NE DOIT pas été raccordée à une prise d'alimentation domestique ordinaire.
- L'affichage des commandes de la table de cuisson clignotera pendant deux secondes environ à la mise sous tension initiale – ceci est tout à fait normal.
- Réglez l'horloge pour permettre le fonctionnement des jours - voir la section appropriée des prsentes instructions.
- Cet apparéil doit être installé conformément à la réglementation en vigueur, et uniquement dans un endroit bien ventilé.
- Une installation incorrecte n'engage ni la responsabilité, ni la garantie du fabricant, et peut donner lieu à des poursuites.
- NE PAS installer l'appareil sur une plateforme.
- N'essayez jamais de déplacer la cusinière lorsque celle-ci est sous tension.
- Avant de rebrancher l'alimentation électrique, effectuez les contrôles de sécurité nécessaires.
François
Odeur de Neuf
Lorsque vous utilisez votre cuisinière pour la première fois, il est possible qu'une oedur s'en dégage. Cela devrait s'arrêter après son utilisation.
Avant d'utiliser votre cuisinière pour la première fois, voirlez à ce que l'intégralité de l'emballage ait été retire, puis pour chasser les odeurs issues de la fabrication, allumez tous les jours sur 200^ et laissez-les en fonctionnement pendant au moins 1 heures.
Avant la première utilisation du grill, allumez-le et faites-le marcher pendant 30 minutes, avec la l'echefrite bien en place, et en laissant la porte du grill ouverte.
Veillez à ce que la pièce soit bien ventilée (voir « Ventilation » ci-dessous). Il est recommandé aux personnes souffrant de problèmes respiratoires ou d'allergies de quitter la pièce pendant ce temps.
Ventilation
L'utilisation d'un apparéil de cuisson produit de la chaleur et de l'humidité dans la piece contenant l' apparéil. Par conséquent, veillez à ce que la cuisine soit bien ventilée. Laissez les ouvertures de ventilation naturelle ouvertes ou installez une hotte aspirante à évacuation extérieure.
Une utilisation intensive prolongée peut nécessiter une ventilation supplémentaire, par exemple une fenêtre ouverte, ou une ventilation plus efficace améliorant les performances de la ventilation mécanique existante.
Entretien
- Seul un technicien qualifié est habilité à entretenir l'appareil et seules des pieces approuvées devraient être utilisées. Il est conseilé de faire entretenir cet apparéil tous les ans.
- Avant desteroler l'ampoule existante, coupez l'alimentation electrique et assurez-vous que le four et l'ampoule aient refroidi.
- N'UTILISEZ PAS de recipients de cuisson de diamètre supérieur à celui du foyer.
LAISSEZ TOUJOURS la cuisine refroidir et mettez la hors tension avant de la nettoyer ou d'effectuer une intervention d'entretien, sauf indication contraire dans les presentes instructions. - N'UTILISEZ PAS les boutons de commande pour déplacer la cusinière.
- NE FAITES JAMAIS fonctionner la cuisine avec les mains mouillées.
- N'UTILISEZ PAS de torchon ou autre chiffon épais à la place d'un gant isolant – ils risquent de d'enflammier au contact d'une surface chaude.
- NE PAS UTILISER de dispositif de protection pour plaques chauffantes, papier aluminium ou couvercle
de plaque chauffante de quelques sorte que ce soit. Ils pourraient affecter la sécurité d'utilisation des brûleurs de vos plaques chauffantes et sont potentiellement dangereux pour la santé.
- NE CHAUFFEZ JAMAIS des recipients alimentaires qui n'ont pas ete ouverts. La pression accumulée a l'intérieur des recipients peut les faire eclater et blesser l'utilisateur.
- N'UTILISEZ PAS des cassetoles instables. Tournez toujours les manches des recipients de cuisson vers l'intérieur de la table de cuisson.
- NE LAISSEZ JAMAIS la table de cuisson en marche sans surveillance si les brûleurs sont régés sur maximum. Le débordement des recipients peut produit de la fumée et des taches de gras qui risquent de s'enflammer. Si possible, utilisez un thermomètre à bain de friture pour prévenir une surchauffe de l'huile au-delà du point de fumée.
- Tout processus de cuisson non surveillé sur une table de cuisson, à base deGRAisse ou d'huile, peut être dangereux et déclencher un incendie.
- NE LAISSEZ JAMAIS une friteuse sans surveillance. Faites toujours chauffer l'huile lentement, en la surveillance. Les friteuses ne doivent etre remplies qu'a un tiers de leur capacité.
- N'ESSAYEZ JAMAIS de déplacer un réseau de cuisson contenant de l'huile chaude, en particulier une friteuse. Attendez que l'huile ait refroidi. Une friteuse trop pleine peut déborder lorsqu'on y plonge des alimentes. Si vous utilisez un mélange d'huile et de graisse pour la friture, mélangez-les avant de chauffer, ou pendant la fonte des graisses.
- Les alimentés à frire doivent être le plus sec possible. La présence de cristaux de glace sur des alimentés congelés ou d'humidité sur des alimentés frais peut provoquer une ébullition et un débordement de l'huile. Surveillez attentivement pour prévenir les débordements et la surchauffependant la friture à haute ou moyenne température.
- Lorsque le grill est en marche, ne vous servez pas de la grille d'évacuation (la grille le long de la partie arrrière de la cuisine) pour rechauffer des assiettes ou des plats, sécher des torchons ou ramollir du beurre.
- N'UTILISEZ PAS d'eau pour éteindre les incendies dus à laGRAISSÉ et ne souLEVez jamais un récipient de cuisson qui a pris feu. Eteignez la cusinière etétouffez un récipient qui a pris feu sur une table de cuisson en le recouvrant complètement avec un couvercle de taille appropriée ou une plaque de cuisson. Si possible,utilisez un extincteur à poudre chimique ou à mousse de type polyvalent.
-
Cet apparéil N'EST PAS censé être opéré en utilisant un minuteur externe ou un système de télécommande séparé.
-
Il existe un risque d'explosion et de feu ainsi que de dégât s sur le matériel si des matériaux inflammables sont entreprises dans le tiroir, four(s) ou grill(s).
- TOUJOURS laisser la batterie de cuisine refroidir avant le nettoyage.
Entretien de l'induction
SI VOUS ETES PORTEUR D'UN STIMULATEUR CARDIAQUE OU D'UNE POMPE À INSULINE
IMPLANTABLE : Les fonctions de la table de cuisson sont conformes aux normes européennes en vigueur relatives à l'interférence electromagnétique. Si vous étés porteur d'un stimulator cardiaque ou d'une pompe à insuline implantable et étés inquiet quant aux risques d'interférence, veuillez demander conseil à votre médecin.
- Eloignez les objets magnétiques (cartes de crédit et de débit, disques informatiques, calculateurs, etc.) de la table de cuisson lorsque celle-ci est en marche.
- Pour utiliser toute la puissance de votre plaque à induction et assurer la longévité de ses performances, nous recommendons l'utilisation de poèmes et de casseroles pour inductionapprovées par AGA Rangemaster. Si vous decide d'acheter un autre kit de casseroles pour votre cuisinière à induction, nous recommendons fortement d'éviter d'utiliser des ustensiles en aluminium composite avec garnitures en acier, comme illustré à la Fig. 1.1. Ce type de conception peut réduire de manière significative la durée de vie et les performances de votre plaque à induction.
- Faites attention lorsqu vous touchez les zones de cuisson sur la table de cuisson.
- Veillez à utiliser des récipients de cuisson à fond plat et adaptations à la taille du foyer utilisé. L'utilisation de poèmes sous-dimensionnées exposeront une partie de la plaque chauffante au contact direct et peuvent provoquer l'embrasement de tissus
- Seuls certains types de verre, de céramique, de faïcence et autres recipients vitrés peuvent être utilisés sur la zone chauffe-plats ; les autres peuvent se casser à cause du changement soudain de température.
- Seuls certains types de bénépants en verre, vitrocérémentique, terre cuite ou autres bénépants émailés peuvent être utilisés sur la table de cuisson; les autres risquent de se briser en raison du changement soudain de température (Fig. 1.2).
- Seules certaines cassetoles en acier inoxydable, en acier émailé ou en fonte avec fonds émailés peuvent être utilisées sur les plaques de cuisson à induction.
- Faîtes attention à NE PAS rayer la surface en plaçant les ustensiles sur le panneau de verre.
- NE LAISSEZ PAS les foyers allumés s'ils ne sont pas utilisés pour la cuisson.

Fig. 1.1


François




- NE DÉPOSEZ PAS d'objets lourds sur la table de cuisson. Meme si la surface en vitrocéramique est très résistante, un impact violent ou la chute accidentelle d'un objet sur la surface risque de la fissurer (Fig. 1.3).
- Dès l' apparition d'une fissure sur la table de cuisson, mettez immédiatement la cusinière hors tension et faites-la réparer.
- SOULEVEZ toujours les recipients pour les-retirer de la table de cuisson. Ne les faites pas glisser sur la surface, car vous risquez de la marquer et de la rayer (Fig. 1.4).
- Prenez soit de NE PAS POSER LES COUVERCLES CHAUDS à la surface de la plaque (Fig. 1.5). Les couvercles utilisés sur un écipient chaud peuvent « coller » ou créé un effet de « vide » sur la plaque en verre. Si cela se produit, NET TENTEZ PAS de soulever le couvercle de la surface en verre car vous pourriez abîmer la plaque. Faites只想 glisser le couvercle jusqu'àbord de la plaque avant de le soulever, en PLLANT SOIN DE ne pas rayer la surface en verre. Ou bien attendez que le couvercle refroidisse et que le vide disparaisse, puis retirez le couvercle en le foulevant de la plaque.
- NE PLACEZ rien entre le fond du écipient de cuisson et la surface de cuisson (plaque d'amiate, feuille de papier aluminium ou support de wok, par exemple).
- Attention à ne poser AUCUN objet métallique comme un couteau, une fourchette, une cuillère ou un couvercle sur la plaque chauffante car ils peuvent chauffer.
- Evitez d'essuyer toute partie de la table de cisson tant que celle-ci n'a pas refroidi et que l'indicateur de chaleur résiduelle n'est pas eteint. Cette recommandation ne s'applique pas aux déversements de substances sucrees (voir « Nettoyage de la cisinière »). Avres nettoyage, utilisez un chiffon sec ou du papier essue-tout pour éliminer les traces de nettoyant semi-liquide.
- Nettoyez la surface après chaque utilisation pour prévenir les rayures et les taches. Mais voirlez à nettoyer avec précaution car certains produits nettoyants peuvent produit des vapeurs nocives au contact d'une surface chaude.
- NE PAS LAISSER la plaque chauffante sans surveillance. Une attention doit être prise pour ne pas laisser votre batterie de cuisine chauffer à vide. Cela endommagera votre batterie de cuisine et votre plaque à induction.
- Àprous l'utilisation, éteignez la plaque chauffante avec le bouton. NE PAS se fier uniquement au détecteur de poèle.
Conseils Relatifs à la Four
- Lorsque le four n'est pas utilisé, toujours s'assurer que les boutons sont sur la position OFF avant de nettoyer l'appareil.
Utiliser des gants de cuisine pour éviter les brûlures eventuelles aux mains. - La cuisson d'aliments à haute teneur en eau peut produit une « bouffée de vapeur » à l'ouverture de la porte du four (Fig. 1.6). Lorsque vous ouvre la porte du four, reculez-vous et attendez que la vapeur se soit dissipée.
- Le côté interieur de la porte est fait en verre de sécurité renforcé. Veiller à NE PAS rayer la surface lors du nettoyage du panneau vitré.
- Des dégats accidentels peuvent fissurer la porte en verre.
- Conserver les tuyaux d'airation sans obstruction.
- N'UTILISEZ PAS de produits nettoyants décapants et abrasifs ni de racloirs metalliques acérés pour nettoyer la surface en verre de la porte du four, afin de prévenir tout risque de rayures et de fissures du verre.
Assurez-vous que les grilles sont insérées jusqu'àu fond du four. NE PAS fermer la porte sur les grilles du four. - NE RECOUVREZ PAS les grilles, les panneaux internes ou la voûte du four de papier aluminium.
- Lorsque le four est allumé, NE PAS faisser la porte du four ouverte plus longtemps que nécessaire sinon les boutons de commande pourrait devenir très chauds.
- N'UTILISEZ PAS la fonction minuterie avec un four si le four adjacent est déjà chaud.
- NE PLACEZ PAS des alimentes chauds dans le four qui sera utilisé avec la fonction minuterie.
- N'UTILISEZ PAS un four déjà chaud avec la fonction minuterie.
- Au besoin, utilisez des gants isolants secs - l'emploi de gants humides risque de causeur des brûlures dues à la vapeur lors du contact avec une surface chaude. N'utilisez pas de torchon ou autre chiffon épais à la place d'un gant isolant - ils risquent de d'enflammier au contact d'une surface chaude.
Entretien de la plaque
- N'AUTORISEZ JAMAIS qui que ce soit à grimper ou se tenir debout sur la table de cuisson.
- NE DÉCOUPEZ PAS des aliments sur la table de cuisson.
- NE LAISSEZ PAS des ustensiles, alimentés ou produits combustibles sur la table de cuisson lorsqu'elle n'est pas en service (torchon, ou poèle contenant de l'huile, par exemple).
- NE PLACEZ PAS des feuilles en plastique ou aluminium ou des recipients en plastique sur la table de cuisson.
- SOULEVEZ toujours les recipiens pour les retirer de la table de cuisson. Ne les faites pas glisser sur la surface, car vous risquez de la marquer et de la rayer
- Evitez de faire chauffer un récipient de cuisson vide. Ceci risque en effet d'abîmer la table de cuisson et le récipient.
Gril coulissant
- Lors de l'utilisation du gril, voirlez à ce que la léchefrite soit en place et insérée à fond dans l'enceinte du gril, ici pour prévenir le risque de surchauffe des boutons de commande.
- NE LAISSEZ PAS LE GRIL EN MARCHE pendant plus de quelques instantsi la lèchefrite n'est pas en place sous le grill, ceci pour prévenir le risque de surchauffe des boutons de commande.
- NE FERMEZ JAMAIS la porte du grill lorsque celui-ci est en marche.
- Des composants accessibles risquent devenir chauds pendant l'utilisation du gril. Eloignez les enfants de la cuisineire.
Ventilateur de refroidissement
Cet apparéil peut composer un ventilateur de refroidissement. Lorsque le grill ou le four est en marche le ventilateur se déclenchera pour refroidir la façon et les boutons de commande.
Entretien de la Cuisinière
En raison de la condensation de vapeur pendant la cuisson, vous devrez peut-etre essuyer (avec un chiffon doux) des gouttelettes d'eau presents sur la garniture extérieure du four. Cette précaution contribuera également à prévenir les taches et la décoloration de l'extérieur du four dues aux vapeurs de cuisson (Fig. 1.7).
Nettoyage
- Avant un nettoyage complet, mettez la cusinière hors tension. Laissez-la refroidir.
- Pour des raisons d'hygiene et de sécurité, la cusinière doit toujours être propre, afin de prévenir le risque d'incendie causé par l'accumulation de graisse et autres particules alimentaires.
- Nettoyez uniquement les composants indiqués dans les générées instructions.
- Nettoyez avec précaution. Si vous utilisez une éponge ou un chiffon humide pour essuyer des taches sur une surface chaude, prenez garde au risque de brûlures par la vapeur. Certains produits nettoyants peuvent produit des vapeurs nocives au contact d'une surface chaude.
- N'UTILISEZ JAMAIS de solvants pour peinture, de cristaux de soude, de nettoyants caustiques, de poudres biologiques, d'eau de Javel, de nettoyants chlorés, ni de produits abrasifs à gros grain ou de sel.
- NE MÉLANGEZ PAS plusieurs produits nettoyants, car ils risquent de réagir entre eux et d'avoir des effets nocifs.
- Toutes les parties de la cusinière peuvent être lavées à l'eau savonnue chaude, mais voirlez à prévenir toute infiltration d'eau dans l'appareil.
Veillez à prévenir toute infiltration d'eau dans l'appareil. - Avant dePTRirer tout element du grill pour nettoyage, assurez-vous quils sont froids ou bien utilisez des gants de cuisine.
- NE PAS utiliser de substances abrasives sur le grill et ses éléments.
- NE PAS mesure les rails coulissants au lave-vaiselle.
- NE LAVEZ PAS les têtes de brûleur au lave vaiselle
- N'UTILISEZ JAMAIS de produits nettoyants caustiques ou abrasifs qui abimeront la surface.
- NE PAS UTILISER de laine de fer, dépONGes-grattoir pour nettoyer les jours ou tout autre matériel pouvant rayer la surface.
- NE RANGEZ JAMAIS de matériaux inflammables dans le tiroir. Cela inclut le papier, le plastique et les tissus, comme les livres de cuisine, les produits en plastique et les serviettes ou les liquides inflammables.
- NE RANGEZ PAS d'explosifs comme les aérosols, sur ni pres de l'appareil.
- NE PAS UTILISER de laine de fer, déponges-grattoir pour nettoyer les jours ou tout autre matériel pouvant rayer la surface.
- N'ESSAYEZ JAMAIS de démonter ou de nettoyer autour d'un brûleur lorsqu'un autre brûleur est allumé. Vous risqueriez de recevoir une décharge électrique.
2. Vue d'Ensemble de la Cuisinière

Fig. 2.1
La cusinière à induction 110 (Fig. 2.1) comprend :
A. 5 foyers de cuisson à induction
B. Un panneau de commande
C. Un grill coulissant
D. Four à ventilateur programmable
E. Un four ventilé
F. Un tiroir de rangement
La Table de Cuisson
Utilisez uniquement des reçipiens de cuisson conçus pour les tables de cuisson à induction. Nous recommendons l'emploi de reçipiens de cuisson en acier inoxydable, en acier émailé ou en fonte à fond émailé. Certains reçipiens en acier inoxydable ne convennent pas pour les tables de cuisson à induction; vérifie soigneusement avant l'achat.
N'utilise pas de récipiens en cuivre, aluminium ou céramique sur les tables de cuisson à induction. Le type de récipient de cuisson utilisé et la quantité d'aliments ont une incidence sur le réglage requis. Pour les quantités d'aliments importantes, utilisez un réglage plus élevé.
Utilisez des reçipients de cuisson à fond écais, lisse et plat (Fig. 2.2). Ceci assure un transfert de chaleur optimal entre la table et le récipient de cuisson, et donc une cuisson plus rapide et plus économique. N'utilise jamais de Wok à fond rond, même avec un support.


Fig. 2.3

Fig. 2.4

Fig. 2.5
Induction
Les récipiens de cuisson les最好的 adaptations sont ceux qui, à l'état froid, sont très légèrement bombés vers l'intérieur (Fig. 2.3). En plaçant une règle sur le fond de ces récipiens, on peut constater que la surface est légèrement incurvée vers le milieu. Sous l'effet de la chaleur, le métal se dilate et la totalité du fond du récipient est en contact avec la surface de cuisson.
Veillez à ce que le fond du écipient de cuisson soit propre et sec pour éviter que des résidus alimentaires ne brûlent et n'attachent sur la table de cuisson. Ceci permet également de prévenir les rayures et les dépôts.
Faire attention lors du placement de couvercles chauds sur la surface de la table de cuisson. Les couvercles qui couvaient des alimentents portés à ébullition ou cisant à la vapeur peuvent « coller » à la surface vitrocéramique. Si cela se produit, NE PAS essayer de soulever le couvercle de la plaque chaude : cela risquerait d'endommager la surface de la table de cuisson. Il est préféable de faire glisser le couvercle sur le bord de la surface de la table de cuisson et de le retirer délicatement.
Veillez à toujours utiliser des récipients de même taille (ou légèrement plus grands) que le diamètre indiqué sur la surface de cuisson. Utilisez un couvercle sur les récipients de cuisson pour porter à ébullition plus rapidement.
Faites toujours attention avant de toucher la table de cuisson, car, même éteinte, celle-ci peut être encore chaude!
La table de cuisson à induction comprend cinq foyer contenant des éléments à induction de puissances et diamètres différents (Fig. 2.4) chacun doté d'un détector de récipient et d'un indicateur de chaleur résiduelle, et un affichage des commandes.
L'affichage des commandes de la table de cuisson (Fig. 2.5)
vous informe sur les fonctions de la table, à l'aide des symboles suivants:
Détction de Récipient de Cuisson
H Indicateur de Chaleur Résiduelle
- R Chauffage Automatique
- Verrouillage Sécurité Enfants
L1/L2 Réglage Basse Temperature
- P Réglage Haute Puissance
Détction de Récipient de Cuisson,

IMPORTANT: ÀpRES usage, éteignez le foyer à l'aide du bouton de commande – NE VOUS FIEZ PAS UNIQUEMENT à la fonction Détction de réciipient de cuisson.
Si un foyer est en marche et qu'il n'y a pas de-scriptent de cuisson sur celui-ci ou si le-scriptent est trop petit pour le foyer, la table n'émettra pas de chaleur. Le symbole [u] apparaitra sur l'affichage des commandes de la table; il s'agit du « symbole Absence de-scriptent ». Placez un-scriptent de taille appropriée sur le foyer, le symbole [u] disparaitra et la cuisson pourra commencer. Si, après 10 minutes, il n'y a toujours pas de détention de-scriptent, le foyer s'est automatiquement.
Tableau 2.1 indique les dimensions de recipients minimales recommandées pour chaque foyer.
Remarque: L'utilisation de recipients de diamètres inférieurs aux dimensions recommandées aura pour effet une diminution de la puissance.
Indicateur de Chaleur Résiduelle, H
Après usage, un foyer restera chaud pendant un certain temps, jusqu'à dissipation totale de la chaleur. ÀpRES arrêt d'un foyer, le symbole de l'indicateur de Chaleur Résiduelle [H], apparaitra sur l'affichage de la table de cuisson. Ceci indique que la température du foyer est supérieure à 60^ et qu'il y a encore un risque de brûlure. Le symbole [H] s'estint lorsque la température est inférieure à 60^ .
Chauffage Automatique, R
Cette fonction est disponible pour tous les foyers de la table de cuisson. Elle permet un chauffage rapide de l'élément du foyer jusqu'à la température de cuisson requise. Lorsque le foyer a atteint la température requise, la puissance diminuée automatiquement jusqu'à niveau de puissance sélectionné.
Pour sélectionner cette fonction, tournez le bouton de commande momentanément en sens antihoraire jusqu'à l'affichage du symbole [R] sur l'affichage des commandes de la table de cuisson.
Tournez ensuite le bouton de commande pour lemettre sur le niveau de puissance requis (1 à 9).Le récipient est chauffé à 100% pendant une durée specifiée, puis au niveau de puissance selectionné.
Après activation de la fonction Chauffage Automatique, l'affichage des commandes de la table de cuisson clignotera, alternant entre le réglage [R] et le niveau de puissance sélectionné.
A la fin du Chauffage Automatique, l'affichage cessera de clignoter et affichera seulement le niveau de puissance sélectionné.
La fonction Chauffage Automatique peut être désactivée de deux façon : par rotation du bouton de commande pour le remettre sur le réglage de puissance « 0 » ou par rotation du bouton de commande pour lemettre sur le réglage de puissance « 9 »
Tableau 2.1
| Zone de Cuisson | Diamètre Minimum de pan mm |
| Front de gauche | 140 |
| Arrière gauche | 180 |
| Centre | 180 |
| Arrière droit | 180 |
| Avant droite | 140 |
Tableau 2.2
| Le Niveau de Puisance | Automatique Temps de Chauffe à 100% (min: sec) |
| 1 | 0:48 |
| 2 | 2:24 |
| 3 | 3:50 |
| 4 | 5:12 |
| 5 | 6:48 |
| 6 | 2:00 |
| 7 | 2:48 |
| 8 | 3:36 |
| 9 |


Tableau 2.3
| Niveau de Puisance | Durée Maximale d'Opération |
| L1 et L2 | 2 heures |
| 1 | 6 heures |
| 2 | 6 heures |
| 3 | 5 heures |
| 4 | 5 heures |
| 5 | 4 heures |
| 6 | 1.5 heures |
| 7 | 1.5 heures |
| 8 | 1.5 heures |
| 9 | 1.5 heures |
| Haute puissance | 10 minutes |
A titre indicatif, le Tableau 2.3 indique la durée disponible à 100% de puissance, en fonction du niveau de puissance sélectionné en mode Chauffage Automatique.
Verrouillage Sécurité Enfants, ©0
IMPORTANT: Cette fonction ne peut etre activée que lorsque tous les foyers sont eteints.
La table de cuisson peut être verrouillée pour empêcher son utilisation accidentelle par des enfants.
Pour verrouiller la table de cuisson, activez puis désactiver une des commandes de la table pourmettre en marche l'affichage de la table, puis tournez simultanément les deux commandes à induction arrière externes en sens antihoraire (Fig. 2.6) jusqu'à l'affichage du symbole =0 sur l'affichage des commandes de la table de cuisson pour tous les foyers (Fig. 2.7).
Remarque: Le symbole [R] clignotera lors du verrouillage de la plaque - cet affichage est normal.
Le fait de verrouiller la plaque n'aflecte PAS le four; vous pouvez toujours les utiliser.
Pour déverrouiller la sécurité de la plaque, tournez simultanément les deux boutons de gauche dans le sens antihoraire et maintenez la position jusqu'à ce que le symbole au centre de l'écran de commande de la plaque s'éteigne.
Réglage Basse Température, L1/L2
A1 Cette fonction doit etre utiliseré exclusivement pour lechauffage à froid.
Chaque foyer est équipé de 2 réglages bassé température :
- L1maintiendra une température d'environ 40^ – parfait pour faire fondre du beurre ou du chocolat tout doucement.
- L^2 maintains a temperature of 90^ – parfait pour mijeter (porter la casserole à ébullition puis selectionner L^2 pour laisser mijeter les soupes, les saus, les ragouts, etc.).
La duréeemaxilideutilisationdecreglageestde2heures, aprèsquoi la tabledecuisson s'eteindra automatiquement. Si necessaire,vous pouvez redemarrer immEDIatement la fonction Basse température en reactivant L1ou L2.Pour augmenter la température,tourner le bouton jusqu'au réglage souhaité.
Les durées maximales pour tous les autres niveaux électriques sont indiquées dans le tableau 2.2.
Réglage Haute Puissance, P
Toutes les zones de cuisine à induction ont une fonction Haute Puisance activable en tournant le bouton de commande dans le sens des aiguilles d'une montre jusqu'à ce que [P] apparaisse sur l'écran de contrôle de la plaque de cuisine.
La fonction Haute Puissance met à disposition plus de puissance pour chaque zone de cuisine. Ceci est utile pour faire bouillirrapidement le contenu d'une grande casserole d'eau. La fonction Haute Puissance fonctionne pendant 10 minutes maximum sur chaque zone, après quoi, la puissance est automatiquement réduite au dégré 9.
Pendant l'utilisation de la fonction Haute Puissance, les zones de cuisine fonctionnent par paires. Fig. 2.8 montre la disposition de la plaque de cuisson. Les foyers A et B sont reliées entre eux comme le sont les foyers C, D et E.
Ceci signifie que, si vous utilisez la zone A en mode haute puissance puis la zone B, la puissance de la zone A sera légèrement réduite. Le deuxième élément à être mis en mode Haute Puissance est prioritaire. Il en est de même pour les zones C, D et E.
A Ceci est un dispositif de sécurité intégré.
La fonction haute puissance peut etre désactivée en tournant le bouton sur un reglage plus bas.
Fonction de Surchauffe
Cette fonction déetecte l'augmentation rapide de la température du réseau de cuisson et maintainé cette température à un niveau sur. Elle ne génie pas la cuisson normale.
Les batteries de cuisine avec des socles qui se déforment (Fig. 2.2) lorsqu'ils sont chauds, peuvent interférer avec le fonctionnement de la Fonction Chauffe. Cela peut endommager votre batterie de cuisine ou la plaque à induction en verre.

Veillez à ne pas laisser la table de cuisson en marche sans surveillance. Veillez à ne pas laisser les recipients de cuisson fonctionner à sec après ébullition. Des dommages peuvent être causés à votre batterie de cuisine et à votre plaque à induction en verre.
Veuillez litre attentivement et suivre scrupuleusement les instructions du fabricant avant d'utiliser votre batterie de cuisine sur votre plaque à induction.


Fig. 2.9

Fig. 2.10

Fig. 2.11
Gril Coulissant « Glide-out »
ATTENTION: Cet apparéil est destiné à la cuisson uniquement. Il ne doit pas être employé à d'autres fins, comme chauffer une piece par exemple.
ATTENTION: Les pieces accessibles peuvent chauffer lorsque le grill est en marche. Les jeunes enfants doivent être tenus à distance.
Ouvrez la porte du grill et tirez la lèchefrite vers l'avant à l'aide de la poignée (Fig. 2.9).
Le grill a deux éléments qui permettent deCHAuffer la totalité de la lèchefrite ou seulement la partie droite de cette-ci.
Tournez le bouton de commande pour régler la chaleur du grill. Pour un chauffage total, tournez le bouton en sens horsaire (Fig. 2.10).
Pour le chauffage de la partie droite, tournez le bouton en sens antihoraire. Le voyant à côté de la commande du gril s'allumera.
Pour deromeurs résultats, faire rentrer le chariot dans la chambre du grill et préchauffer la/les partie(s) appropriée(s) du grill pendant deux minutes. Vous pouvez retirer la grille de la lèchefrite et y déposer les alimentés pendant le préchauffage.
NE LAISSEZ PAS LE GRIL EN MARCHE pendant plus de quelques instantsi la lèchefrite n'est pas en place sous le grin, ceci pour prévenir le risque de surchauffe des boutons de commande.
Après préchauffage, retirez le support du grill de l'enceinte du grill. Replacez la l'échéfrite et réinsérez le support du grill dans l'enceinte du grill. Vérifie qu'il est bien inséré.
La grille de la lèchefrite en (Fig. 2.9) est réversible pour permettre deux positions de gril (Fig. 2.11).
Ne fermez jamais la porte du grill lorsque celui-ci est en marche.
Un tiroir de rangement
Le tiroir inférieur permet le rangement des plaques de cuisson et autres ustensiles de cuisine (Fig. 2.12).

Ne rangez jamais de produits inflammables dans le tiroir. Ces produits incluent les objets en papier, en plastique et en tissu, tels que les livres de cuisine, les ustensiles en plastique et les torchons, ainsi que les liquides inflammables. Ne rangez pas de produits explosifs, tels que des bombes aerosols, sur ou pres de la cusinière.

Ne rangez pas d'explosifs comme les aérosols, sur ni pres de l'appareil.

Les produits inflammables risquent d'explorer et de causeurs des incendes et des dommages matériaux.
Fours
L'horloge doit être réglée sur l'heure pour que le four principal (four calculable gauche) puisse fonctionner. Voir les instructions de la section « Horloge » pour le réglage de l'heure.
Les références au four gauche et droit s'entendant vu de l'avant.
Le four à gauche est un four à ventilateur programmable. Le four droit est un four ventilé.
Four Ventilé
Un four ventilé qui fait circuler de l'air chaud en continu, ce qui permet une cuisson rapide et plus constante. En général, les températures de cuisson recommendées pour un four ventilé sont plus basses que celles pour un four conventionnel.
N'oubliez pas : Toutes les cusinières sont différentes - les températures de vos nouveaux jours peuvent être différentes de celles de votre ancienne cusinière.
Fonctionnement du Four
Four Ventilé
Mettez le bouton du four sur la température requise (Fig. 2.13).
Levoyant du four restera allumé jusqu'à ce que le four atteigne la température requise (Fig. 2.14). Il s'allumera et s'éteindra pendant la cuisson.




Fig. 2.15

Fig. 2.16

Fig. 2.17

Fig. 2.18

Fig. 2.19

Fig. 2.20

Fig. 2.21

Fig. 2.22
Accessoires
Grilles de Four
Les grilles de four (Fig. 2.15) sont retenues lorsqu'elles sont tirées vers l'avant mais elles peuvent aisément être enlevées et remises.
Tirez la grille vers l'avant jusqu'à ce que l'arrière de la grille soit arrêté par les butées d'arrêt latérales du four (Fig. 2.16).
Soulevez l'avant de la grille pour faire passer l'arrière de la grille sous la butée d'arrêt, puis tirez la grille vers l'avant (Fig. 2.17).
Pour remettre la grille en place, mettez la grille à niveau avec une glissière latérale du four, puis insérez la grille à fond jusqu'à ce que les extrémités soient en contact avec la butée d'arrêt de la grille. Soulevez l'avant de la grille pour que les extrémités poussent dépasser les butées, puis abaissez l'avant pourmettre la grille à l'horizontal, avant de l'insérer à fond (Fig. 2.18).
Le Handyrack (Fig. 2.19) se monte uniquement sur la portedu four gauche. Il est facile de surveiller les alimentés puisaintais car vous pouvez y acceder lorsque la porte est ouverte.
Le Handyrack peut supporter un poids maximum de 5,5 kg. Il ne doit être utilisé qu'avce le plat à rôtin fourni, qui est spécialement concu pour être utilisé avec le Handyrack. Tout autre récipient de cuisson risque d'être instable.
Vou pouvez le monter sur deux positions. Retirez une des grilles et placez l'autre selon les besoin.
Lorsque le Handyrack est utilisé sur sa position supérieure, d'autres plats peuvent être cuits sur une grille placée à la position inférieure ou placée directement sur la sole du four.
Lorsque le Handyrack est utilisé sur sa position inférieure, d'autres plats peuvent être cuits sur une grille placée à la deuxieme position du four ou directement sur la sole du four.
Pour monter le Handyrack, placez un côté sur le support de la porte (Fig. 2.20).
Extraire l'autre cotoé pour l'accrocher sur l'autre support (Fig. 2.21).
Eclairage du Four Principal
Appuyez sur le bouton approprié pour allumer l'éclairage du four (Fig. 2.22). Si l'éclairage est défectueux, mettez la cusinière hors tension avant de changer l'ampoule. Pour des informations détaillées sur la façon de changer une ampoule de four, reportez-vous à la section « Dépannage »
3. 2-boutons horloge
L'horloge doit être régée sur l'heure actuelle pour que les jours puisent fonctionner.
Réglage de l'Heure
- Une fois que la cuisine est connectee et allumee, l'affichage se met a clignoter.
- Pour régler l'heure, placez le bouton du Programmateur (A) sur la position Horloge (C) et revenez à la position Manuel (D). Le point central clignote indiquant que l'heure peut être régée. Tournez le bouton de Réglage (B) dans le sens horsaire ou anti-horaire (Fig. 3.1) pour régler l'heure.
- Une fois l'heure régée, attendez que le point central cesse de clignoter, l'houre est maintainant paramétrée.
Régler le rappel de minute
Le rappel de minute (E) est une fonctionnalité qui permet de définir un certain nombre de minutes et qui déclenché une alarme une fois la durée spécifique éçoulée.
- Tournez le bouton du Programmateur (A) sur la position de réglage de la Minuterie (E), un clic doit se faire entendre une fois la position atteinte (Fig. 3.2).
- Tournez le bouton de Réglage (B) pour définir la durée souhaitation. La durée minimum est d'une (1) minute (Fig. 3.3).
- Replacez le bouton du Programmateur (A) en position Manuel (D) pour afficher l'heure actuelle et le symbole de la « Cloche » sur l'écran.
Annuler l'alarme de la minuterie
Une fois la durée spécifique éçoulée, une alarme est émise. Il existe deux façon d'annuler l'alarme:
- Tournez le bouton de réglage (B) dans le sens antihoraire ou horaire (Fig. 3.4).
- Avec le bouton de la minuterie (A), sélectionnez soit l'horloge (C) ou le réglage du rappel de minute (E). Retournez sur le réglage manuel (D) pour le mode de cuisson normal (Fig. 3.4).
REMARQUE
Si l'alarme n'est pas désactivée manuelles, elle s'arrête après 2 minutes environ.
Lorsque la minuterie est active, l'intensité d'affichage de l'horloge ne diminue pas entre 22 heures et 6 heures.










Pour arrêté le four multifonction à une heures spécifique de la journée
Vous avez.Reglé la température et le mode de fonctionnement requis pour le four multifonction et vous souhaitez arrêté automatiquement le four multifonction.
CONSEIL
Notez l'heure actuelle afin de ne pas l'oublier.
- Tournez le bouton de la minuterie (A) sur le réglage Heure d'arrêt (G). « AUTO » s'affichent à l'écran (Fig. 3.2).
- Tournez le bouton de Réglage (B) pour définir la durée de cuisson souhaitée. L'écran affiche l'heure en cours, plus la durée de cuisson supplémentaire que vous avez définitie (Fig. 3.3).
- Tournez le bouton de la minuterie (A) sur le réglage Auto (H) (Fig. 2.27). L'affichage indique alors l'heure actuelle, le symbole Cuisson et le mot « AUTO » (Fig. 3.4).
- Une fois la durée spécifiée écoulée, une alarmé est émise et le four multifonction s'arrête de fonctionner. Le symbole « Cuisson » disparait de l'affichage et le mot « AUTO » se met à clignoter (Fig. 3.7).
- Lors de votre(reture,replacezlebouton du Programmateur(A)sur la positionManuel(D) pour revenir au mode de cuisson manuel(Fig.3.7).
ASTUCE
Vous pouvez vérifier le durée restant à courir en plaçant le bouton du Programmateur (A) de Auto (H) à Heure d'arrêt (G) et en revenant sur AUTO (H).
Mise en Marche et Arrêt du Four avec Minuterie
Il est possible d'allumer et d'arrêter automatiquement Le four multifonction en définissant la durée de la cuisson et l'heure de l'arrêt. Cela vous permet de faire cuire vos plats tout en étant absent. Il n'est pas possible de définir l'heure d'allumage effective.
- Tournez le bouton de la minuterie (A) sur le réglage du temps de cuisson (F). Tournez le bouton de réglage (B) dans le sens horaire afin de définir durée du temps de cuisson requis (Fig. 3.5).
- Tournez le bouton de la minuterie (A) sur le réglage Heure d'arrêt (G) (Fig. 3.6). L'affichage indique alors l'heure actuelle plus le temps de cuisson que vous avez sélectionné.
- Tournez le bouton Réglage (B) pour régler l'houre à laquelle vous souhaitez que votre four s'arrête (Fig. 3.8).
-
Reglez le four à la température de cuisson et au mode de fonctionnement désirés.
-
Tournez le bouton du Programmateur (A) sur la position Auto (H) (Fig. 3.9). Si l'écran affiche l'heure en cours et AUTO, cela indique qu'une programmation a été définie (heure d'allumage et heures d'extinction).
- Lorsque le programme démarre, le symbole de cuisson apparait à l'écran. Une fois la durée éçoulée, une alarmé retentit et le four multifonction cesse de fonctionner. Le symbole de Cuisson disparait et le mot AUTO clignote (Fig. 3.10).
- Une fois la durée spécifique éçoulée, une alarme est émise. Deux manières permettent d'annuler l'alarme, veuillagez vous référer à la section Annuler l'alarme de la minuteurie à la page 13
- Le « temps de cuisson », c'est-à-dire la durée pendant laquelle vous pouze que le four fonctionne.
- « L'heure d'arrêt », c'est-à-dire l'heure à laquelle vous poulez que le four s'arrête.
Retourner au mode de cuisson manuel
Pour annuler tous les réglages automatiques, tournez le bouton de la minuterie (A) pour sélectionner le réglage de l'horloge (C) (Fig. 3.11).
Remarque: Cette opération annule tous les paramètres du programme automatique, mais n'arrête pas la minuterie.
Réglage de la tonalité du bip sonore
La tonalité du bip sonore peut être réglée sur trois niveaux différents.
Tournez le bouton du Programmateur (A) sur la position Horloge (C). Tournez le bouton Réglage (B) dans le sens antihoraire jusqu'à ce que les barres de volume s'affichent (Fig. 3.12).
Pour régler le volume de l'alarme, relâchéz le bouton Réglage (B) et tourner à nouveau dans le sens antihoraire (Fig. 3.13). Le volume de l'alarme change. Répétez ces étapes jusqu'à ce que le volume souhaïte soit définit.






4. Horloge 3 boutons

Fig. 4.1

Fig. 4.2

Fig. 4.3
ASTUCES
En appuyant sur le mode [M] pendant le décompte du rappel de minutesie, il est possible de visualiser le temps restant ou d'ajuster le temps du décompte à l'aide des boutons [+] ou [-].

Fig. 4.4

Fig. 4.5
L'horloge doit être réglée sur l'heure actuelle pour que les jours puisent fonctionner.
Utilisation de l'horloge
REMARQUE: Lors de l'utilisation de la minuterie, réglez d'abord l'horloge selon les besoin avant de régler la température.
Le four peut être allumé lorsqu'le symbole cuisson [ss] s'affiche.
Réglagede l'Heure
- L'horloge LCD estprésentée en (Fig. 4.1). Une fois la cusinière connectée et allumée, l'écran clignote (00.00) et l'heure débute à (00.00).
- Pour régler l'horloge, appuyer sur les boutons [+ ] et [-] simultanément, le point entre les heures et les minutes clignotera pendant 5 secondes. Pendant que le point clignote, appuyer soit sur le bouton [+] soit sur le [-] pour régler la bonne heures.
IMPORTANT: Le four chronométré ne fonctionnera pas si l'horloge n'a pas été régée.
Régler le Rappel de Minute
Le rappel des minutes [4] permet de régler un compte à rebours de 00. 01 h à 23.59 h, à la fin duquel une alarme sonnera.
-
Appuyer sur le bouton mode [M] une fois (Fig. 4.2). Le symbole de la cloche [ü] clignotera sur l'écran. Sélectionner le compte à rebours souhaïte entre 00.01 h et 23.59 h à l'aide du bouton (+) (Fig. 4.3). Le compte à rebours débutera automatiquement et le symbole [ü] s'affichera à l'écran.
-
Une fois le temps indiqué écoué, une alarmé sonnera.
-
Pour éteindre l'alarme, appuyer sur n'importe quel bouton.
Rerégler le rappel des minutes
Pour rérégler le rappel des minutes, Sélectionner d'abord le programme de rappel des minutes en appuyant sur le bouton mode [M]. Puis appuyer simultanément sur les boutons [+] et [-].
- Le « temps de cuisson », c'est-à-dire la durée pendant laquelle vous voulez que le four fonctionne.
- « L'heure d'arrêt », c'est-à-dire l'heure à laquelle vous poulez que le four s'arrête.
Pour arrêté le four de croite à une heures spéciale de la journée
- Appuyer sur le bouton mode [M] 3 fois, jusqu'à ce que l'écran clignote (Fin) (Fig. 4.4).
- Sélectionner l'« heures d'arrêt » à l'aide des boutons [+] ou [-]. L'écran indiquera l'heure ainsi que les symboles AUTO et Cuisson (Fig. 4.5).
- Une fois l'« heures d'arrêt »atteinte, une alarmé sonnera et le four s'arrête. Le mot AUTO clignotera à l'écran (Fig. 4.6).
- Appuyer sur n'importe quel bouton pour eteindre l'alarme et returner à la cuisson manuelle. Si l'alarme n'est pas arrêtée, elle s'arrête automatiquement après 7 minutes.
Pour allumer puis arrêté le four de croite à l'aide du minuteur
Régler le four de croite pour un démarrage automatique et arrêter d'utiliser une combinaison de « cuisson » et « heures d'arrêt »
N'OUBLIEZ PAS: Vous ne pouvez pas régler directement une heures de mise en marche – celle-ci est régée automatiquement lors de la sélection du temps de cuisson et de l'heure d'arrêt.
- Appuyer sur le bouton mode [M] jusqu'à ce que l'écran clignote (dur) (Fig. 4.7). Puis selectionner la « cuisson » à l'aide des boutons [+] ou [-].
- Appuyer sur le bouton mode [M] jusqu'à ce que l'écran clignote (Fin) (Fig. 4.8). Puis selectionner l'« heures d'arrêt » à l'aide des boutons [+] ou [-]. L'heure s'affichera avec le mot « AUTO » (Fig. 4.9).
- Régler le four à la température de cuisson requise.
- Pendant la « cuisson » le symbole cuisson [ss] s'allume sur l'écran.
- Une fois la cuisson terminée, une alarme sonnera. Appuyer sur n'importe quel bouton pour eteindre l'alarme et returner à la cuisson manuelle.
AUTO est Affché, et vous Voulez Remetre le Four sur Fonctionnement Manuel
Vous pouvez annuler tout réglage automatique en appuyant simultanément sur les boutons ([+] et ([-]).
Changer la fréquence de l'alarme
Il est possible de changer la fréquence de l'alarme.
- Appuyer simultanément sur les boutons [+] et [-] , puis sur le bouton mode [M]. L'écran indiquera « ton 1, 2 ou 3 » (Fig. 4.10).
- PourCHOISIR la tonalité,appuyer sur le bouton [-] jusqu'à ce que la tonalité souhaitation soit atteinte (Fig.4.11).






François
5. Conseils pour la Cuisson
Utilisation de Notre Cuisinière à Induction
Si vous n'avez jamais utilisé de cusinière à induction, tenez compte des conseils suivants :
- S'assurer que les casseroles que vous avez ou avec achétées sont adaptées pour être utilisées sur les plaques à induction. L'accier inoxydable, l'accier en émail et la fonte sont des matérieliaux ideaux. Vérifiez une chose avant d'acheter des casseroles : leur fond doit être aimanté.
- Prenez le temps de vous familiariser avec la cuisson à induction qui, bien que douce, est une cuisson rapide et puissant. Lors du mjotage, vous remarquerez peut-être que le mjotage des liquides semble cesser puis reprendre presque immédiatement. Ceci est tout à fait normal.
- Vous pourrez entendre un léger bruit de vibration provenant des écipients pendant la cuisson à induction. Ici aussi, ceci est tout à fait normal et dépendra du type et de la forme des écipients utilisés.
- Les éléments chauffants à induction s'allument et s'éteignent pendant la cuisson. Meme si un foyer en marche semble s'éteindre et s'allumer, une chaleur constante continue d'être fournie au recipient de cuisson - ceci est tout à fait normal.
Conseils Pour la Cuisson Avec Minuterie
Si vous désirez cuire plusieurs plats simultanément,CHOISSEZ des plats nécessitant approximativement le même temps de cuisson. Cependant, la cuisson de certains plats peut etre légèrement « ralentie » en utilisant des petits plats de cuisson et en les recouvrant d'une feuille de papier aluminium, ou « accélérée » en utilisant de plus petites quantités ou des plats de cuisson plus grands.
Evitez d'utiliser des alimentes rapidement périsssables (poisson, porc, etc.) si vous prévoyez une longue période d'attente, surtout par temps chaud.
Ne place pas des alimentes chauds dans le four qui sera utilisé avec la fonction minuterie.
N'utilise pas un four deja chaud avec la fonction minuterie.
N'utilise pas la fonction minuterie avec un four si le four adjacent est déjà chaud.
Décongelez complètement les volailles entières avant de lesmettre au four. Assurez-vous que les viandes et volailles sont bien cuites avant de les servir.
Conseils Généaux Pour la Cuisson au Four
Veillez à ce que les grilles soient toujours insérées à fond dans le four.
Placez les plaques de cuisson, plats à rôtir, etc., à niveau, au centre des grilles du four. Placez les autres plats au centre sur les grilles. Eloignez les plaques et les plats de cuisson des bords du four, afin de ne pas trop dorer les alimentés.
Pour un dorange homogène, laaille maximum recommandee de s plats est :
- profondeur : 340 mm (13 3/8") et largeur : 340 mm (13 3/8") dans le four principal
Lorsque le four est en marche, NE LAISSEZ PAS la porte du four ouverte plus longtemps que nécessaire, afin de prévenir une surchauffe des boutons de commande.
- Laissez toujours un « doigt de largeur » entre des plats placés sur une grille de four. Ceci afin de facilititer la circulation de chaleur autour des plats.
Pour réduire les projections grasses lorsque vous ajoutez des légumes dans laGRAISSÉchaude autour d'un roti, séchez soigneusement les légumes ou enduisez-les d'un peu d'huile à friture. - Placez les plats susceptibles de bouillir et déborderpendant la cuisson sur une plaque de cuisson.
- Le four produit assez de chaleurpendant la cuisson pour rechauffer des assiettes placées dans l'enceinte du grill.
- Si vous souhaitez dorer un fond de tarte, préchauffez une plaque de cuisson pendant 15 minutes avant de placer le plat au centre de la plaque.
- Les panneaux internes autonettoyants (voir la section « Nettoyage de la Cuisinière ») sont plus efficaces lorsqu'on évite les projections grasses. Couvre la viande pendant la cuisson.
6. Tableau de cuisson
Les températures du four et les temps de cuisson sont fournis à titre indicatif uniquement. En fonction des goûts de chacun, les températures devront peut-être être modifiées dans un sens ou dans l'autre, pour obtenir les résultats que vous recherchez.
Dans un four ventilé les plats sont cuits à une température plus BASSE que dans un four traditionnel. Lorsque vous suivez une recette, réduisez la température indiquée de 10^ et le temps de cuisson de 5-10 minutes. La température dans un four ventilé ne varie pas selon la position dans le four - vous pouvez donc utiliser n'importe qu'elle grille.

Position de Grille
- Avant la cuisson, décongelez complètement les viandes et volailles congelées.
Temperature Four Position Température Conventional ^ C deGrille Four Ventilé ^ C Temps de Cuisson Approximatif
| Vienne | |||||
| Bœuf | 160 | C | 150 | 30-35 minutes par 500g +30-35 minutes. | Farci et roulé - Ajoutezapproximativement 10 minutes/500gaux temps de cuisson ci-dessus oufaibles cuire à 200°C pendant 20minutes, puis à 160°C pendant lereste de la cuisson. |
| 200 | C | 190 | 20-25 minutes par 500g +20-25 minutes. | ||
| Agneau | 160 | C | 150 | 30-35 minutes par 500g +30-35 minutes. | |
| 200 | C | 190 | 20-25 minutes par 500g +20-25 minutes. | ||
| Porc | 160 | C | 150 | 35-40 minutes par 500g +35-40 minutes. | |
| 200 | C | 190 | 25-30 minutes par 500g +25-30 minutes. | ||
| Volaille | |||||
| Poulet | 160 | C | 150 | 20-25 minutes par 500g +20-25 minutes. | Volaille farcie - Cuisson à 200°C ouà 200°C pendant 20 minutes, puis à160°C pendant le resté de lacuisson.Preémballée (fraîche ou congelée):Suivre les temps de cuissonindiqués sur l'emballage.Avant la cuisson, decongelezcompletement les rotis et volaillescongeles. |
| 200 | C | 190 | 15-20 minutes par 500g +15-20 minutes. | ||
| Dinde | 160 | C | 150 | 25-30 minutes par 500g +25-30 minutes. | |
| 200 | C | 190 | 20 minutes par 500g +20 minutes. | ||
| Canard | 160 | C | 150 | 25-30 minutes par 500g. | |
| 200 | C | 190 | 20 minutes par 500g. | ||
| Plat braisé | 140-150 | C | 130-140 | 2-4 heures selon la recette. | |
| Poisson | |||||
| 190 | C | 180 | Filet 15-20 minutes. Morceau entier 15-20 minutes par 500g. | ||
| 190 | C | 180 | Morceau entier 10 minutes par 500g +10 minutes. | ||
| 190 | C | 180 | Steaks selon l'épaisseur. | Utilisation du four conventionnel :lors de la cuisson sur deux niveaux,laisser au moins un espace entreles plaques.Placer la plaque de pâtisserie avecle bord avant le long de l'avant de lagrille de four.Lors de la cuisson à deux étages,les plaques doivent être inverséesaprès environ la moitié du temps decuisson. | |
| Gâteau | |||||
| Cake 100% fruits confits | 140 | C/B | 130 | 45-50 minutes par 500g de pâte. | |
| Fruits 180mm | 150 | C/B | 140 | 2-2,5 heures. | |
| Fruits 230mm | 150 | C/B | 140 | 3,5 heures. | |
| Gâteau quatre quarts 180mm | 180 | C | 170 | 20-30 minutes. | |
| Desserts | |||||
| Tarte pâté brisée | 200 | C | 190 | 30-40 minutes. | |
| Tourtes aux fruits | 180 | C | 170 | 30-40 minutes permutation après 25 minutes. | |
| Tartelettes | 180 | C | 170 | 15-20 minutes. | Il est possible de cusiner avecjusqu'à trois étages en même tempsdans un four à chaleur tournante,mais assurez-vous de laisser unespace entre chaque grille utiliséepour la cuisson |
| Pâté feuilletée | 220 | C | 210 | 20-40 minutes selon la taille. | |
| Meringues | 100 | C | 90 | 2-2,5 heures selon la taille. | |
| Pain | 220 | C | 210 | 20-30 minutes. | |
7. Nettoyage de la Cuisinière

Informations Importantes
Avant un nettoyage complet, mettez la cuisinière hors tension. Laissez-la refroidir.
N'utilisez jamais de solvants pour peinture, de cristaux de soude, de nettoyants caustiques, de poudres biologiques, d'eau de Javel, de nettoyants chlorés, ni de produits abrasifs à gros grain ou de sel. Ne mélangez pas plusieurs produits nettoyants, car ils risquent de réagir entre eux et d'avoir des effets nocifs.
Toutes les parties de la cuisine ne peuvent etre lavées à l'eau savonneuse chaude, mais voirlez a prévenir toute infiltration d'eau dans I'appareil.
N'oubliez pas de remettre sous tension et de régler de nouveau l'horloge avant d'utiliser la cusinière.
Table de Cuisson
Entretien Quotidien
Vérifiez tout d'abord que tous les indicateurs de chaleur résiduelle sont éteints et que la table de cuisson a refroidi. Appliquez une petite quantité de nettoyant semi-liquide pour surface vitrocéramique au centre de chaque zone à nettoyer. A l'aide de papier essuie-tout propre et humide, étalez le produit nettoyant sur la surface de cuisson. Pour finir, essuyez la surface avec du papier essuie-tout propre et sec.
Nettoyage des Débordements
En cas de déversement ou débordement accidentel pendant la cuisson, éteignez la cusinière et essuyez autour de la zone chaude avec du papier essuie-tout propre. Si les alimentés renversés (autres qu'une substance sucrée) se trouvent sur une zone chaude de la table de cuisson, attendez que celle-ci ait entièrement refroidi pour nettoyer et suivez les instructions ci-dessous (« Nettoyage des déversements brûlés »).
En cas de fonte accidentelle d'un objet ou de déversement d'aliments à forté teneur en sucre (confiture, sauce tomate, jus de fruit, etc.), ENLEVEZ IMMIEDIATEMENT les aliments déversés à l'aide d'un racloir à lame pendant que la table est encore chaude.
IMPORTANT: Utilisez un gant isolant pour ne pas vous brûler.
Raclez le plus gros des alimentés déversés ou de toute matière qui aurait fondu sur la zone de cuisson et poussez-les vers une zone froide. Mettez ensuite la cusinière sur la position Arrêt [OFF] et laissez-la refroidir avant de continuer le nettoyage. Lorsque la surface de cuisson a refroidie et que les indicateurs de chaleur résiduelle sont éteints, suivez la procédure de nettoyage quotidien déscripte plus haut.
Nettoyage des Déversements Brûlés
Vérifiez que les indicateurs de chaleur résiduelle sont éteints et que la table de cuisson a refroidi. Retirez toute matière brûlée à l'aide d'un racloir à lame simple. Tenez le racloir à un angle d'environ 30^ au-dessus de la surface et raclez pour éliminer les dépôts (Fig. 7.1).
Lorsque le plus gros a ete enleve a l'aide du racloir, suivez la procedure de nettoyage quotidien decrite plus haut.
Gril

Avant dePTRRer des composants du gril pour les nettoyer, assurez-vous quils ont refroidi ou protégez-vous avec des gants isolants.
Lavez la lèchefrite et la grille à l'eau savonneuse chaude.
Après les grillades de viandes ou d'aliments salissants, faites tremper dans l'évier, pendant quelques minutes, immédiatement après la cuisson. Les taches tenaces sur la grille peuvent être enlevées à l'aide d'une Brosse en nylon. La lèchefrite peut aussi être lavée au lave-vaisselle.
Retrait du Gril coulissant
Procedez comme suit pour-retirer la lèchefrite à des fins de nettoyage. Pour-retirer le support de la lèchefrite, tirez la lèchefrite vers l'avant (Fig. 7.2).
Soulevez la l'échefrite du support. Le support est maintainu sur les glissières laterales par deux clips de chaque côté (Fig. 7.3).
Pour chaque côté, soutenez la glissière latérale d'une main et, de l'autre, soulevez le support pour le dégager des clips lateraux (Fig. 7.4).
Par sécurité, repoussez les glissières laterales dans l'enceinte du grill.
Pour faciliter le nettoyage de l'enceinte du gril, vous pouvez-retirer les glissières laterales en les decrochant des cotsés de l'enceinte (Fig. 7.5) et essuyer les cotsés avec un chiffon doux imbibé de détergent doux.
NE LAVEZ PAS les glissières laterales au lave-vaisselle.
Après nettoyage, raccrochez les glissières latérales sur les côtes de l'enceinte du gril. Pour remonter le support, tirez les glissières latérales vers l'avant, et, pour chaque côté, soutenez la glissière et appuyez sur le support pour le réinsérer dans les glissières. Replacez la l'échéfrite.




François

Fig. 7.6
Fig. 7.7

Panneau de Commande et Portes
N'utilise pas des produits nettoyants abrasifs, y compris des produits nettoyants semi-liquides, sur les surfaces en acier inoxydable brossé. Les meilleur résultats s'obtiennent avec des détergents liquides.
Le panneau et les boutons de commande doivent être nettoyés uniquement avec un chiffon doux imbibé d'eau savonneuse chaude. Veillez à prévenir toute infiltration d'eau dans l'appareil.
Après nettoyage, lustrez à l'aide d'un chiffon sec.
Panneaux de Porte Vitrée
Sur certains modèle, le panneau avant de la porte du four peut être retireé pour permettre le nettoyage des panneaux en verre. Avancez la cusinière afin de pouvoir acceder aux parties latérales (veuillez dire la section « Déplacement de la cusinière » des générées instructions).
Entrouvre la porte du four et retirez les vis de fixation du panneau avant des côts de la porte (deux de chaque côté) (Fig. 7.6).
Soulevez le panneau de porte extérieur avec précaution. Vous pouvez à présent nettoyer la face interieure des panneaux, en veillant à ne pas déplacer ni mouiller les joints d'étanchéité de la porte.
Remarque: Si la porte est dotée d'un triple vitrage, les panneaux interieurs sont fixés ensemble et ne doivent pas séparés. Àpres nettoyage, reposez le panneau de porte extérieur avec précaution et replacez les vis de fixation.

N'UTILISEZ PAS de produits nettoyants décapants et abrasifs ni de racloirs métalliques acérés pour nettoyer la surface en verre de la porte du four, afin de prévenir tout risque de rayures et de fissures du verre.
Fours
Panneaux Autonettoyants du Four
Les jours sont dotés de panneaux amovibles à revêtement émailé qui sont partiellement autonettoyants. Ceci n'empêche pas complètement la formation de taches sur le revêtement, mais réduit le nettoyage manuel nécessaire.
Le nettoyage automatique des panneaux est plus efficace à une température supérieure à 200^ . Si, en général, vous utilisez le four à des températures inférieures, retirez occasionallyment les panneaux et essuyez-les avec un chiffon non pelucheux imbibé d'eau savonneuse chaude. Séchez et replacez les panneaux dans le four chauffé à 200^ pendant environ une heures. Ceci assurera un bon fonctionnement des panneaux autonettoyants.
Déposer les panneaux pour nettoyer l'intérieur en émail
Si vous souhaitez nettoyer l'intérieur du four qui est en émail, vous doivent-retirer les grilles avant d'enlever les parois. Soulevez chaque paroi et dégagez-la en la faisant coulisser sur les supports (Fig. 7.7).
Une fois que les panneaux ont eté retirés, l'intérieur en émail du four peut etre nettoyé.

NE PAS utiliser de laine de fer, dépONGes-grattoir pour nettoyer les jours ou tout autre matériel pouvant rayer la surface.
Pour les réinstaller, procéder dans l'ordre inverse.
Tableau Nettoyage
Les produits nettoyants indiqués sont en vente dans les supermarchés ou les magasins d'accessoires électriques (Tableau 7.1).
Pour les surfaces émailées, utilisez un produit nettoyant recommende pour l'email vitrifié.
Un nettoyage régulier est recommandé. Pour faciliter le nettoyage, essuyez les taches immédiatement.
Tableau 7.1
| Composant | Finition | Méthode de Nettoyage Recommendée |
| Surface de la table de cuisson | Émail ou acier inoxydable | Eau savonneuse chaude, chiffon doux. Frottez doucement avec un tampon à récurer en nylon pour éliminer les taches tenaces. |
| Plaques électriques étanches | Fonte | Nettoyez la rouille et les résidus alimentaires à l'aide d'un tampon à récurer en paille de fer savonnoux en frottant dans le sens du grain. Rincez et laissez sécher. Utilisez un produit rénovateur pour plaques de cuisson (en ventedans les magasins d'accessoires électriques) pour rénover la couleur etprotégger les plaques. |
| Table de cuisson céramique/induction | Verre trempé | Eau savonneuse chaude, nettoyant crème/tampon à récurer si nécessaire. |
| Plaque à griller (selon les modèles) | Surface antiadhésive | Laissez refroidir. Lavez à l'eau savonneuse chaude. N'utilise pas de produits nettoyants/tampons abrasifs. Lave-vaisselle. |
| Zone de réchauffage (selon lesmodèles) | Verre trempé | Eau savonneuse chaude, nettoyant crème/tampon à récurer si nécessaire. |
| Exterieur de la Cuisinière | ||
| Composant | Finition | Méthode de Nettoyage Recommendée |
| Porte, pourtour de porte et extérieur du tiroir de rangement | Émail ou peinture | Eau savonneuse chaude, chiffon doux.Frottez doucement les tâches tenaces avec un détergent liquide. |
| Acier inoxydable | Chiffon multi-usages en microfibre (supermarché) | |
| Côtés et plinthe | Surface peinte | Eau savonneuse chaude, chiffon doux. |
| Dosseret / Grille arrête | Émail ou acier inoxydable | Eau savonneuse chaude, chiffon doux. Nettoyez soigneusement avec un produit nettoyant semi-liquide, si nécessaire. |
| Panneau de commande | Peinture, émail ou acier inoxydable | Eau savonneuse tiège. N'utilise pas de produits nettoyants abrasifs sur lescaractères. |
| Boutons de commande/poignées et garnitures | Plastique / chrome ou cuivre / laitonlaqué | Eau savonneuse tiège, chiffon doux. |
| Laiton | Produit de polissage pour laiton (supermarché). | |
| Vitre de porte de four / Couvercle en verre | Verre trempé | Eau savonneuse chaude, nettoyant crème/tampon à récurer si nécessaire. |
| Four et Gril | ||
| Composant | Finition | Méthode de Nettoyage Recommendée |
| Parois, sole et voute du four - PAS les PANNEAUX AUTONETTOYANTS (voirci-dessous) | Émail | Tout produit nettoyant pour four utilisable avec l'émail.AKTENTION : PRODUITS NETTOYANTS CORROSIFS/CAUSTIQUES POURFOURS : SUIVEZ LES INSTRUCTIONS DU FABRICANT.Evitez tout contact avec les éléments du four. |
| Panneaux autonettoyants de four(selon les modèles) | Email spécial partiellementautonettoyant | Cette surface est autonettoyante à 200°C ou plus; vous pouze égalementretirer les panneaux et les nettoyer à l'eau savonneuse chaude et avec une Brosse en nylon. |
| Grilles de four, Handyrack, grille delèchefrite, Handygrill | Chrome | Tout produit nettoyant pour four utilisable avec le chrome. Tampon à récurer savonneux. Lave-vaisselle. |
| Lèchefrite/Plat à viande (selon lesmodèles) | Émail | Eau savonneuse chaude. Tampon à récurer savonneux. Lave-vaisselle. |
François
8. Dépannage
A
NE PAS faire effectuer de modifications ou de réparations de la table de cuisson par des personnes non qualifiées. N'essayez pas de réparer la table de cuisson; vous risquez de vous blesser et d'endommager la table. Faites effectuer la réparation par une personne compétente.
REMARQUE: La table de cuisson à induction est dotée d'un système de diagnostic automatique et peut afficher ces diagnostics sur l'affichage des commandes de la table. Des codes d'erreur peuvent être affichés dans le cas d'un fonctionnement défectueux de la table de cuisson.
Les informations ci-dessous pourront vous être utiles pour remedier au problème en cas d'affichage d'un code d'erreur ou de fonctionnement défectueux de la cuisine.
Affichage du code d'erreur E2
L'unité électronique est trop chaude. Vérifiez l'installation de la cusinière, pour vous assurer que la ventilation en place est suffisante. Dans des cas extrêmes, ce code d'erreur peut être affché si un réseau de cuisson continue de fonctionner à sec après ébullition. En cas de doute, veuilles contacter votre installerateur ou un réparateur qualifié.
Absence d'affichage
Surtension ou absence de tension d'alimentation de la cusinière. En cas de doute, veuilles contacter vous installateur ou un réparateur qualifié.
Affichage du code d'erreur U400
La plaque/ la cuisine est mal branchée. L'écran de commande va s'eteindre au bout d'1 seconde environ et le code d'erreur s'affichera en continu.
Utilisez-vous l'ustensile de cuisine adapté ? Veuillez vous référer aux instructions d'utilisation sur la seLECTION d'ustensiles de cuisine appropriés.
Affichage du code d'erreur Er suivi d'un chiffre
L'appareil présente un problème technique interne qui ne peut pas etre rectifie par I'utilisateur. Veuillez contacter vous installateur ou un reparateur qualifie.
Le fusible saute ou le disjoncteur différentiel est déclenché féquemment
Veuillez contacter votre installer ou un réparateur qualifié.
La table de cuisson ne se met pas en marche
Votre système électrique domestique a-t-il fait sauter un fusible ou déclenché un disjoncteur différentiel?
La table de cuisson a-t-elle ete connectee correctement a l'alimentation secteur?
La fonction verrouillage sécurité enfants a-t-elle ete activee? Voir la section Verrouillage sécurité enfants pour plusd'informations sur cette fonction.
La table de cuisson à induction est bruyante
Lors de l'utilisation de la table de cuisson à induction, un « bruit » peut être audible au niveau des foyers. Ceci est normal et peut être plus audible dans le cas d'une cuisson aux puissances maximes ou de l'utilisation simultanée des cinq foyers. Le type de recipient de cuisson peut aussi contribuer à ce « bruit ».
Le ventilateur de refroidissement
La plaque à induction comprend un ventilateur de refroidissement. Le ventilateur est en action lorsque le grill ou le four sont allumés. Dans certaines conditions, le ventilateur peut rester en action lorsque le grill et le four sont éteints. Cela est normal et le ventilateur s'éteindra automatiquement.
Les commandes deviennent chaudes lorsque j'utilise le four ou le grill
Si les commandes deviennent excessivement chaudes lorsque la cusinière est en fonctionnement, alors le ventilateur peut avoir une défaillance. Si tel est le cas, veuillez contacter votre installerateur, un ingénieur de réparation qualifié ou le service client pour effectuer les réparations.
Une fissure est visible sur la surface de la table de cuisson
Mettez immédiatement la cusinière hors tension et faites-la réparer. N'utilise pas la cusinière tant qu'elle n'a pas été réparée.
La table de cuisson est rayée
Utilisez toujours les méthodes de nettoyage recommendées dans les générées instructions, et voirlez à utiliser des recipients de cuisson à fond lisse et propre.
Les traces laissées par les dépôts mineraux dus à l'eau et aux alimentes, peuvent être éliminés à l'aide d'un produit nettoyant semi-liquide. Il n'est pas toujours possible d'éliminer les toutes petites rayures, mais celles-ci s'estomperont à la longue après plusieurs nettoyages.
Le ventilateur du four est bruyant
Le bruit du ventilateur peut changer pendant le chauffage du four - ceci est tout à fait normal.
Les boutons de commande deviennent chauds lorsque j'utilise le four ou le grill. Comment faire pour empêcher cela?
Ceci est dû à la chaleur provenant du four ou du gril. Ne laissez pas la porte du four ouverte.
Lorsque vous utilisez le grill, assurez-vous que la l'echefrite du grill est bien insereee jusqu'à la butée arriere.
Laissez toujours la porte de l'enceinte du grill ouverte pendant l'utilisation du grill.
En cas de problème concernant l'installation, si mon installateur d'origine ne peut pas venir résoudre le problème, à qui incombent les frais?
C'est à vous qu'incombent ces frais. Les sociétés d'entretien factureront leurs interventions si elles réparent une installation effectuee par votre installerur d'origine. Il est de votre intérêt de contacter votre installerur d'origine.
Les alimentés cièsent trop lentement, trop rapidement, ou brûlent
Les temps de cuisson peuvent être différents de ceux de votre ancien four. Vérifiez que vous utilisez les températures et positions de grilles de four recommendees. Les températures du four et les temps de cuisson sont fournis à titre indicatif uniquement. En fonction des goûts de chacun, les températures devront peut-être être modifiées dans un sens ou dans l'autre, pour obtenir les résultats que vous recherchez.
L'éclairage du four ne fonctionne pas
L'ampoule a probabilité grillé. Vous pouvez acheter une ampoule de rechange (non couverte par la garantie) dans un magasin d'accessoires électriques. Demandez une ampoule à culot vissable Edison 15 W 230V, POUR FOURS. Cette ampoule doit pouvoir résister à une température de 300^ (Fig. 8.1).
Avant de-retirer l'ampoule usagée,mettez la cuisineire hors tension et assurez-vous que le four a refroidi.
Ouvrez la porte du four et retirez les grilles du four.
Dévissez le couvercle de l'ampoule en tournant en sens antihoraire (il peut être très difficile à dévisser)
(Fig. 8.2).
Dévissez l'ampoule en tournant en sens antihoraire, en vous protégeant les mains avec un gant pour ne pas vous blesser. Vissez l'ampoule de rechange, puis revissez le couvercle de l'ampoule. Remettez l'appareil sous tension et contrôle le fonctionnement de l'éclairage.

Fig. 8.1

Fig. 8.2

Fig. 8.3

Effet de l'ajustement de la charnière - exagéré pour plus de clarté
Fig. 8.4
Ligne centrale de l'axe de charnière

Omission de la porte du four pour plus de clarté
La porte du four est alignée mal
La charnière inférieure de la main gauche la porte du four peut être réglée pour modifier l'angle de la porte (Fig. 8.3). Desserrez les vis de fixation de la charnière inférieure, et utilisez le cran et un tournevis à lame plate pour changer la position de la charnière et la régler (Fig. 8.4).
Resserrez les vis de la charnière.
La ciisson au four n'est pas uniforme
N'utilise pas de plat ou de plaque de cuisson de dimensions supérieures à celles indiquées dans la section « Conseils Généaux Pour la Cuisson au Four »
Dans le cas d'un grand plat, vous devrez peut-être le tournier pendant la cuisson.
Si vous utilisez deux grilles, vérifie qu'il y a assez de place pour permettre à la chaleur de circuler. Lorsque vous insérez une plaque de cuisson dans le four, voirlez à la placer au centre de la grille.
Vérifiez que le joint d'étanchéité de la porte n'est pas endommagé et que le loquet de porte est régle de façon à ce que la porte soit bien appuyée contre le joint.
Un récipient d'eau place sur la grille doit avoir une profondeur uniforme. (S'il est plus profond à l'arrière, par exemple, l'arrière de la cusinière doit être levé ou l'avant de la cusinière abaiscé.) Si la cusinière n'est pas à niveau, demandez à votre fournisseur de la dette à niveau.
Panne de courant
En cas de panne de courant, n'oubliez pas de régler de nouveau l'horloge pour permettre le fonctionnement automatique du four.
Le four ne s'allume pas lorsqu'il est mis en marche manuellement
L'appareil est-il sous tension? L'horloge est-elle éclairée? Si ce n'est pas le cas, l'alimentation électrique est peut-être défectueuse. Le sectionneur de l'alimentation électrique de la cuisine est sur la position Marche?
L'heure a-t-elle ete reglee?
Le four ne s'allume pas avec la mise en marche automatique
Le bouton de commande du four a-t-il été laxé par erreur sur ARRET (OFF)? Four est-il verrouillé (voir ci-dessus)?
Avec le temps, la température du four de la cuisinière devient plus chaude
Si le fait demettre le bouton de réglage sur une température inférieure n'a pas eu d'effet ou a eu un effet-temporaire, vous devrez peut-être replacer le thermostat. Cette intervention doit être effectuee par un spécialiste de l'entretien.
INSTALLATION
Une fois le travail terminé, vérifie que les alimentation d'électricité sont correctement rebranchées.
9. Installation
A L'intention de L'installateur
Avant de commencer l'installation, veuillez replir la fiche ci-dessous. Ceci permettra à votre client de vous contacter facilement en cas de problème relatif à l'installation.
| Nom de l'Installateur |
| Société de l'Installateur |
| Numéro de Telephone de l'Installateur |
| Numéro de Série d'Appareils |
Mesures et Règlements de Sécurité

Cette cusinière doit être installée conformément aux instructions appropriées des générées et à la réglementation nationale et locale en vigueur, ainsi qu'aux prescriptions des compagnies d'électricité locales.

Lisez les instructions avant d'installer ou d'utiliser cet apparéil.

Cet apparéil est conçu uniquement pour un usage domestique. Toute autre utilisation n'engage ni la responsabilité, ni la garantie du fabricant.
Ventilation
Cet apparéil n'est pas raccordé à un dispositif d'évacuation des produits de combustion. Prétez particulièrement attention à la reglementation en vigueur concernant la ventilation.
Emplacement de la Cuisinière
La cusinière peut être installée dans une cuisine/un salon-cuisine, mais PAS dans une piece contenant une baignoire ou une douche.
L'installation de la cusinière nécessitera l'emploi du matériel indiqué ci-dessous :
- Multimètre : Pour les contrôles électriques.
Vou aurez aussi besoin des outils suivants :
- Metre en acier
- Tournevis cruciforme
- Tournevis à lame plate
- Niveau à bulle
- Crayon
- Clé réglable
- 4 mm et 3 mm clé hexagonale
- Clé polygonale ou à douilles de 13 mm
Vérification des Pièces :
| Lèchefrite et grille | Grilles de four plates |
| Handyrack | Plat à rôtir |
| Plinthe (modèle standard illustré) | Dosseret (Classic, Classic Deluxe) |
| Clés hexagonales | Stabilité emplacement support |
INSTALLATION
Une fois le travail terminé, vérifie que les alimentation d'électricité sont correctement rebranchées.




Positionnement de la Cuisinière
Le schéma indique les cotes minimales recommendées entre la cusinière et les surfaces adjacentes (Fig. 9.1 et Fig. 9.2).
Ne placez pas la cisinière sur un support.
Les cuisinières installées dans un renforcement : La Fig. 9.1 et Fig. 9.2 La cusinière doit avoir un espace létal supérieur au niveau de la plaque de 75mm jusqu'à une hauteur de 410mm. Celui-ci peut être réduit à 25mm si la surface du mur létal est non-combustible.
Laissez un espace de 650 mm au minimum entre la partie supérieure de la table de cuisson et une surface horizontally combustible.
- Toute hotte de cuisineira doit etre installee conformement aux instructions du fabricant de hotte.
** Tout revêtement doit être installé conformément aux instructions du fabricant. Une marge doit être appliquée pour le poids supplémentaire du conduit qui est installé sur la plaque chauffante de la cuisine.
Les surfaces des meubles et des murs de chaque côté et à l'arrière de l'appareil doivent être résistantes à la chaleur, aux éclaboussures et à la vapeur. Certains types de meubles de cuisine en vinyle ou en stratifié sont particulièrement susceptibles aux risques de dommages thermiques et de décoloration. Nous déclinons toute responsabilité pour des dommages résultat d'une'utilisation normale de la cusinière et subis par des matériaux qui se décollent ou se décolorent à des températures de moins de 65^ au-dessus de la température ambiente.
La cusinière ne doit pas être encastrée - elle doit pouvoir être déplacede vers l'avant et vers l'arrière pour le nettoyage et l'entretien.
Si la cusinière est pres d'un coin de la cuisine, un dégagement de 130 mm est nécessaire pour permettre l'ouverture des portes de fours (Fig. 9.3). La cote d'ouverture des portes est légèrement inférieure à ce dégagement, mais ceci inclut une marge de sécurité pour la protection des mains lors de l'ouverture de la porte.
Déplacement de la Cuisinière

N'essayez jamais de déplacer la cusinière lorsque cette-ci est sous tension.

La cuisine est très lourde, faites très attention.
Nous recommendons de faire appel à deux personnes pour déplacer la cusinière. Assurez-vous que le revêtement du sol est solidement fixé en place ou retirez-le afin de ne pas l'abimer en déplaçant la cusinière. Deux galets arrirée de mise à niveau et deux supports avant vissables facilitent le déplacement de la cusinière. Retirez le socle d'emballage en polystyrene. Depuis l'avant, inclinez la cusinière vers l'avant et retirez la partie avant du socle d'emballage en polystyrene (Fig. 9.4). Repétez cette procédure à l'arrière et retirez la partie arrirée du socle.
INSTALLATION
Une fois le travail terminé, vérifie que les alimentation d'électricité sont correctement rebranchées.
Baissez les Deux Galets Arriere
Pour ajuster la hauteur de l'arrière de la cusinière,mettre d'abord une clé à douille ou à crochet de 13 mm dans l'écrou hexagonal d'ajustement. Tourner l'écrou dans le sens horaire pour soulever et dans le sens antihoraire pour baisser.
Effectuez 10 tours complets (360^) en sens hora (Fig. 9.5).
Veillez à abaisser les DEUX GALETS ARRIERE.
Exécution du Mouvement
Déplier le bord arrêté du plateau de base en carton. Ouvrez la porte et la porte du four grill droite afin que vous puissiez avoir une bonne prise sur le fond de la planche de bord que vous déplacez le four (Fig. 9.6).
Poussez doucement vers l'arrière de la cuisineire hors du plateau de base. Retirer le plateau de base.
Position de la cusinière à proximé de sa position finale, en laissant juste assez d'espace pour se placer derrière elle (Fig. 9.7).

N'utilise pas les poignées de portes ou les boutons de commande pour déplacer la cuisineire.
Montage de la stabilité Bracket
Nous recommendons d'utiliser un support de stabilité; fixez d'abord le dispositif de localisation de support à l'arrête de la cuisineire (Fig. 9.8) Puis ajustez le support pour engager dans la fente de l'appareil (Fig. 9.9 et Fig. 9.10).
Repositionnement de la Cuisinière après Raccordement
Si vous nevez déplacer la cusinière après son raccordement, débranche la cusinière, agrippez-la sous le panneau de commande et levez légèrement l'avant de la cusinière (Fig. 9.6), puis vérifie à l'arrière de l'appareil que le cable d'alimentation n'est pas entravé.
Pendant le déplacement de la cuisine, assurez-vous que le cable n'est pasentré.
Si la cusinière est dotée d'une châne stabilisatrice, défaites-la pour pouvoir manœuvrer la cusinière. N'oubliez pas de la remettre en place lorsque vous replace la cusinière.
Lors de la remise en place de la cuisineire, vérifie de nouveau que le cable électrique n'estentraved pas ou coince.
Mise à Niveau
Nous vous recommendons d'utiliser un niveau à bulle place sur une des grilles de four pour vérifier le niveau.
Placez la cusinière à l'emplacement prévu pour son installation, en veillant à ne pas exercer de force de torsion lorsque vous l'insérez entre les éléments de cuisine, pour ne pas l'endommager ou endommager les éléments.
Les supports avant et les galets arrêté réglables permettent la mise à niveau de la cusinière. Pour régler la hauteur de


Fig. 9.6

Fig. 9.7



INSTALLATION
Une fois le travail terminé, vérifie que les alimentation d'électricité sont correctement rebranchées.
Disjoncteurs différentiels
L'utilisation conjointe de votre cusinière et d'autres apparéils domestiques peut entraîner des disjonctionsfortuées;par conséquent, nous recommendons de protégger la cusinière par un disjoncteur différentiel.
EN CAS DE Doute, CONSULTEZ UN ELECTRICIEN QUALIFIE.

Fig. 9.11

Fig. 9.12
l'arrière de la cusinière, tourner les écrous de réglage aux coins avant inférieurs de l'appareil. Pour régler les supports avant, tournez les socles pour lever ou abaiser.
Raccordement Electrique
Cet apparéil doit être installé par un électricien qualifié, conformément à la réglementation en vigueur et aux prescriptions de la Compagnie d'électricité locale.

MISE EN GARDE : CET APPAREIL DOIT ETRE MIS A LA TERRE.
Remarque: La cusinière doit être raccordée à l'alimentation électrique correcte, indiquée sur l'étiquette de tension sur l'appareil, par le biais d'une unité de commande de cusinière appropriée à interrupteur bipolaire (avec une séparation de contact de 3 mm au minimum entre les pôles).

Cette cuisine ne doit pas etre raccordee a une prise d'alimentation domestique ordinaire.
Pour acceder au bornier d'alimentation secteur, retirez le boitier électrique sur le panneau arrêté. Raccordez le cable d'alimentation secteur aux bornes correctes pour votre type d'alimentation électrique (Fig. 9.11 et Fig. 9.12). Vérifiez que les connecteurs sont montés correctement et que les vis des bornes sont bien serrées. Fixez le cable d'alimentation secteur à l'aide du serre-câble.
Contrôle de la Table de Cuisson
Contrôlez chaque foyer. Veillez à utiliser des recipients de cuisson recommends et de diamètres appropriés.
Contrôle du Grill
Tournez le bouton de commande du gril et vérifie que le grill commence àCHAuffer.
Contrôle des Fours
Réglez l'horloge conformément aux instructions données precedemment, et allumez les fours. Vérifiez que les ventilateursurs des fours se mettent en marche et que les fours commencent àCHAuffer.
Remarque: Les ampôules des éclairages des jours ne sont pas incluses dans la garantie.
Eteignez le four.
INSTALLATION
Une fois le travail terminé, vérifie que les alimentation d'électricité sont correctement rebranchées.
Montage Final
Montage des Poignées et de la Balustrade
(selon le modele)
Déposez les vis Allen 4 mm des portes à l'aide de la clé hexagonale (Fig. 9.13). Vissez les poignées de portes.

Les poignées doivent être au-dessus des fixations.
Retirez les vis Allen 4 mm des coins supérieurs du bandeau (Fig. 9.14). Montez la barre à torchons et fixez-la à l'aide des vis 4 mm.
Montage de la Plinthe 1 Pièce
Dévissez les trois vis le long du bord inférieur avant de la cuisine. Insérez l'encoche centrale en forme de trou de serrer sur la vis centrale. Tournez et insérez les encoches d'extrémités en trou de serrer sur leurs vis respectives. Vissez et fixez chaque encoche en forme de trou de serrer sur leurs vis respectives. Serrez les vis de fixation (Fig. 9.15).
Montage de la Plinthe 2 Pièce
Montez la plinthe interieure à l'avant inférieur de la cusinière à l'aide des quatre vis fournies (Fig. 9.16).
Fixez la plinthe extérieure (une vis à chaque extrémité) à la plinthe interieure.
Grçé à l'encôche, vous pouvez ajuster la position de la plinthe extérieure en la faisant glisser vers le haut ou le bas (Fig. 9.17).
Montagedu Desseret
Placez le dosseret à l'arrière de la table de cuisson et fixez-le à l'aide des vis fournies.
Conseils à la Clientèle
Veuillez inscrite les informations vous concernant dans les générées instructions. De même, indiquez à l'utilisateur comment faire fonctionner la cuisine et remettez-lui les instructions.
Merci.





10. Schémas de Câblage

Table de Cuisson
Legende
Le raccord indiqué sur le schéma de câblage est pour une alimentation monophasée. Les capacités nominales sont pour 230 V 50 Hz.
| Code | Description |
| 1 | Element avantente gauche |
| 2 | Element arrêté gauche |
| 3 | Element avantete droite |
| 4 | Element arrêté droite |
| 5 | Element centrale |
| Code | Couleur |
| w/br | Blanc ou brun |
Four
Classic & Professional +

Legende
Le raccord indiqué sur le schéma de câblage est pour une alimentation monophasée. Les capacités nominales sont pour 230 V 50 Hz.
| Code | Description |
| A1 | Interrupteur avant grill |
| A2 | Régulateur de l'énergie grill |
| A3 | Éléments grill |
| B1 | Interrupteur du thermostat du four |
| B2 | Thermostat du four gauche |
| B3 | Ventilateur du four à gauche |
| B4 | Élement de four à gauche |
| C | Horloge |
| D1 | Interrupteur du thermostat du four |
| D2 | Thermostat du four croite |
| D3 | Ventilateur du four à croite |
| D4 | Élement de four à croite |
| Code | Description |
| F | Interrupteur de lumière du four |
| G1 | Lumière du four gauche |
| G2 | Lumière du four de droite |
| H | Protecteur thermique |
| J | Néon |
| K | Le ventilateur de refroidissement |
| Code | Couleur |
| b | Bleu |
| br | Brun |
| bl | Noir |
| or | Orange |
| r | Rouge |
| v | Voilet |
| w | Blanc |
| y | Jaune |
| g/y | Vert / jaune |
François
11. Fiche Technique
A L'INTENTION DE L'INSTALLATEUR: Veuillez remetre les prsentes instructions à l'utiliseur.
EMPLACEMENT DU BADGE TECHNIQUE: Arrière de la cusinière, badge auxiliaire de numéro de série sous l'ouverture de la porte du four.
PAYS DE DESTINATION: FR, NL, DE, SE, BE, AT, CH, LU.
Raccordements
| Électriques | 230/400V~50 Hz 3N |
Dimensions
| Hauteur hors tout | Min 905 mm | Max 930 mm |
| Largeur hors tout | 1100 mm | |
| Profondeur hors tout: Classic | 608 mm sans poignées, 670 mm avec poignées | |
| Profondeur hors tout: Professional + | 608 mm sans poignées, 646 mm avec poignées | |
| Cote minimale au-dessus de la table de cuisson | 650 mm | |
Puissances

| Astuces d'économie d'énergie réchaud | Astuces d'économie d'énergie four |
| Utiliser une batterie de cuisine avec une base plate. | Cuisiner si possible les alimentés en même temps. |
| Utiliser une batterie de cuisine à la bonne taille. | Observer un temps de pré-cuisson court. |
| Utiliser une batterie de cuisine avec un couvercle. | Ne pas prolonger le temps de cuisson. |
| Réduire la quantité de liquide ou deGRAisse au minimum. | Ne pas oublier d'eteindre l'appareil à la fin de la cuisson. |
| Dès que le liquide commence à bouillir, baisser le feu. | Ne pas ouvrir la portedu four en cours de cuisson. |
| La consommation repose sur G30. |
Données d'efficacité du Réchaud
| Marque | Falcon |
| Identification du Modèle | Classic |
| Professional + | |
| Taille | 110 |
| Type | Induction |
| Type de Plaque | Induction |
| Nombre de zones électriques | 5 |
| Zone 1 - Ø cm | 18.5 |
| Technologie de chauffage | |
| Consommation d'énergie (cuisson ECElectric) - Wh/kg | 180 |
| Zone 2 - Ø cm | 15.5 |
| Technologie de chauffage | |
| Consommation d'énergie (cuisson ECElectric) - Wh/kg | 172 |
| Zone 3 - Ø cm | 18.5 |
| Technologie de chauffage | |
| Consommation d'énergie (cuisson ECElectric) - Wh/kg | 180 |
| Zone 4 - Ø cm | 15.5 |
| Technologie de chauffage | |
| Consommation d'énergie (cuisson ECElectric) - Wh/kg | 172 |
| Zone 5 - Ø cm | 18.5 |
| Technologie de chauffage | |
| Consommation d'énergie (cuisson ECElectric) - Wh/kg | - |
| Zone 6 - Ø cm | - |
| Technologie de chauffage | |
| Consommation d'énergie (cuisson ECElectric) - Wh/kg | |
| Consommation d'énergie (plaque ECElectric) - Wh/kg (*) | 175 |
Les informations qui sont marquées par (*) ne sont pas nécessaires avec les plaques de cuisson à combustible mixte
François
Données du Four
| Marque | Falcon | |
| Identification du Modèle | Classic | |
| Masse | kg | 131 |
| Identification du Modèle | ProfessionaI + | |
| Masse | kg | 128 |
| Type de oven | Electric | |
| Nombre de cavités | 2 | |
| Efficacité énergétique côte gauche | ||
| Type de carburant | Électrique | |
| Type de cavité | Attisé | |
| Courant - Par convention | - | |
| Courant - Convection forçée | 2.5 | |
| Volume | Litres | 79 |
| Consommation d'énergie (électricité) - conventionnelle | kWh / cycle | - |
| Consommation d'énergie (électricité) - convection forçée | kWh / cycle | 0.8 |
| Indice d'efficacité énergétique - conventionnelle | - | |
| Indice d'efficacité énergétique - convection forçée | 96.2 | |
| Classe énergétique | A | |
| Efficacité énergétique côte croite | ||
| Type de carburant | Électrique | |
| Type de cavité | Attisé | |
| Courant - Par convention | - | |
| Courant - Convection forçée | 2.5 | |
| Volume | Litres | 79 |
| Consommation d'énergie (électricité) - conventionnelle | kWh / cycle | - |
| Consommation d'énergie (éElectricité) - convection forçée | kWh / cycle | 0.8 |
| Indice d'efficacité énergétique - conventionnelle | - | |
| Indice d'efficacité énergétique - convection forçée | 96.2 | |
| Classe énergétique | A | |
| Informations supplémentaires | |
| Ce four est conforme à la norme EN 60350-1 | |
| Rendement maximum @ 230 V 50 Hz | |
| Convection forcee (four gauche) | 2.5 kW |
| Multifonction | - |
| Variante de four multifonction (avec réponse rapide) | - |
| Convection forcee (four droit) | 2.5 kW |
| Gril | 2.3 kW |
| Four lent | - |
| Tiroir pour calibrage du pain | - |
Charge électrique total maximum à 230 V (total approximatif, y compris les lumières du four, le ventilateur du four, etc.)
14.8 kW
Notice Facile