PRICHMRS50CCT - Cuisinière électrique STOVES - Notice d'utilisation et mode d'emploi gratuit

Retrouvez gratuitement la notice de l'appareil PRICHMRS50CCT STOVES au format PDF.

📄 34 pages Français FR 💬 Question IA 10 questions ⚙️ Specs
Notice STOVES PRICHMRS50CCT - page 1
Type d'appareilCuisinière électrique
Nombre de foyers2 à 4
Type de plaquesÉlectriques
Four intégréOui
Capacité du fourNon précisé
Puissance totaleNon précisé
Dimensions (HxLxP)Non précisé
CouleurNon précisé
Type de commandeManuelle
SécuritéThermostat de sécurité
Matériau du corpsAcier inoxydable ou métal peint
AlimentationÉlectrique
Fonctions supplémentairesMinuterie, thermostat réglable
PoidsNon précisé
Accessoires inclusNon précisé

FOIRE AUX QUESTIONS - PRICHMRS50CCT STOVES

Comment allumer la cuisinière PRICHMRS50CCT ?
Pour allumer la cuisinière, tournez le bouton de réglage de la chaleur en position 'On' et appuyez sur le bouton d'allumage. Assurez-vous que le gaz est ouvert.
Que faire si la flamme ne s'allume pas ?
Vérifiez que le gaz est bien ouvert et que le bouton d'allumage est enfoncé. Si la flamme ne s'allume toujours pas, attendez quelques minutes avant d'essayer à nouveau.
Comment nettoyer la surface de la cuisinière ?
Utilisez un chiffon doux et un nettoyant non abrasif. Évitez d'utiliser des produits contenant des agents corrosifs qui pourraient endommager la surface.
La cuisinière émet une odeur de gaz, que dois-je faire ?
Coupez immédiatement le gaz et ne tentez pas d'allumer la cuisinière. Aérez la pièce en ouvrant les fenêtres et contactez un professionnel pour vérifier la fuite.
Quels sont les réglages de température disponibles ?
La cuisinière PRICHMRS50CCT dispose de plusieurs niveaux de chaleur, allant de doux à fort, pour s'adapter à différents types de cuisson.
Comment régler les brûleurs pour une cuisson optimale ?
Il est recommandé de commencer avec un réglage moyen pour une cuisson uniforme, puis d'ajuster en fonction des besoins de votre recette.
Où puis-je trouver le manuel d'utilisation ?
Le manuel d'utilisation est disponible sur le site du fabricant ou dans l'emballage du produit. Vous pouvez également le demander au service client.
Comment savoir si la cuisinière a besoin d'entretien ?
Si vous remarquez une diminution de la performance, des bruits inhabituels ou des fuites, il est recommandé de faire vérifier la cuisinière par un professionnel.
Que faire si un brûleur ne fonctionne pas ?
Vérifiez que le brûleur est propre et que le gaz est ouvert. Si le problème persiste, contactez le service après-vente.
La cuisinière est-elle sécurisée pour une utilisation quotidienne ?
Oui, la cuisinière PRICHMRS50CCT est conçue pour être utilisée quotidiennement, avec des dispositifs de sécurité intégrés pour prévenir les accidents.

Questions des utilisateurs sur PRICHMRS50CCT STOVES

0 question sur cet appareil. Repondez a celles que vous connaissez ou posez la votre.

Poser une nouvelle question sur cet appareil

L'email reste privé : il sert seulement à vous prévenir si quelqu'un répond à votre question.

Aucune question pour l'instant. Soyez le premier à en poser une.

Téléchargez la notice de votre Cuisinière électrique au format PDF gratuitement ! Retrouvez votre notice PRICHMRS50CCT - STOVES et reprennez votre appareil électronique en main. Sur cette page sont publiés tous les documents nécessaires à l'utilisation de votre appareil PRICHMRS50CCT de la marque STOVES.

MODE D'EMPLOI PRICHMRS50CCT STOVES

Manuel d'installation et d'utilisation

Mini cuisinière électrique

Stoves

Avant l'utilisation

Sécurité

Utiliser la table de cuisson

Utiliser le grill

Utiliser les jours

Entretien

Installation

\section*{Caractéristiques techniques}

Service clientèle

Nous vous remercions d'avoir acheté cet appareil stoves assemblé au royaume-uni.

Ce manuel est destiné à vous aider à chaque étape après l'acquisition de votre nouvelle cuisine, de l'installation à l'utilisation. Lisez-le attentivement avant de commencer à utiliser le produit car nous avons essayé de répondre au maximum de questions et de vous fournir toute l'aide possible.

Cependant, si vous trouvez des lacunes, nous vous prions de bien vouloir prendre contact avec notre service clientèle au:

Veuillez vous assurer que vous possédez le numéro de modèle et le numéro de série du modèle lors de votre appel. Ces numéros figurent sur l'étiquette informative argentée placée sur votre produit.

Garantie

Votre nouvel appareil est accompagné d'une garantie de 12 mois vous protégeant contre les pannes électriques et mécaniques.

Vous pouvez également souscrire une extension de garantie. Une notice expliquant la procédure à suivre est jointe à votre appareil.

Notre politique est celle d'un développement constant et d'une amélioration permanente. Par conséquent, nous ne pouvons pas garantir la parfaite exactitude de toutes nos illustrations et spécifications. Des modifications peuvent avoir été apportées après la publication du manuel.

Veillez à bien jeter tous les emballages et matériaux de protection. Certaines pièces locales à l'intérieur de cet appareil peuvent avoir un emballage supplémentaire. Il est conseillé d'allumer les fours et/ou le grill pendant quelques instants afin de brûler les résidus de fabrication. Il est possible qu'une odeur accompagne ce processus mais ne vous inquiétez pas, cela est sans danger. - Nous vous recommandons de laver les grilles du four, la léchefrite, la plaque à four et le trépied du gril à l'eau chaude savonnée avec la première utilisation afin d'éliminer le film gras de protection.

Attention: Cet appareil est exclusivement destiné à la cuisine. Il ne doit pas être utilisé à d'autres fins, comme par exemple le chauffage d'une pièce.

Généralités

ATTENTION! Les parties accessibles peuvent chauffer pendant l'utilisation. Pour éviter les brûlures, tenez les enfants éloignés de l'appareil.

Les enfants doivent être surveillés afin qu'ils ne puissent pas jouer avec cet appareil. Cet appareil n'est pas destiné à être utilisé par des personnes (y compris des enfants) dont les capacités physiques, sensorielles ou mentales sont diminuées, ou qui ne disposent pas des connaissances ou de l'expérience nécessaires, à moins qu'elles n'aient été formées et encadrées pour l'utilisation de cet appareil par une personne responsable de leur sécurité.

AVERTISSEMENT: L'appareil doit être révisé ou réparé uniquement par du personnel autorisé.

  • L'appareil ne doit jamais être débranché de la source d'alimentation pendant l'utilisation car cela en compromettra sérieusement la sécurité et le rendement, notamment en ce qui concerne le réchauffement des températures de surface et le fonctionnement efficace des parties à gaz. Le ventilateur de refroidissement (selon le modèle) est conçu pour continuer à fonctionner après l'extinction de l'appareil.

Ne pas utiliser d'aérosols à proximité de l'appareil lorsqu'il fonctionne.

Ne pas utiliser ou placer de liquides ou objets inflammables à proximité de l'appareil.

Ne pas modifier l'appareil.

Four/gril

Retirez toujours les plats du four avec précaution car la zone située autour de la chambre de cuisson peut etre chaude. Utilisez toujours des gants de cuisine pour manipuler les recipientsSORTANT DU FOUR CARI SEERONT chauds. Assurez-vous toujours que les grilles du four sont placées dans la bonne position entre deux glissières. Ne placez pas de grille sur la

glissière supérieure car l'instabilité peut entraîner un renversement ou une blessure.

Utilisez toujours la minuterie (selon le modèle) si vous laissez le four sans surveillance. -ILA réduit le risque de faire brûler la nourriture. X Ne posez pas de charges sur la porte lorsqu'elle est ouverte. X Ne recouvrez pas les grilles de papier aluminium ni ne laissez le papier aluminium bloquer les conduits. X Ne placez pas de torchons à vaisselle après du four allumé car cela peut provoquer un incendie. X Ne défournez pas d'objets lourds, comme une dinde ou de gros morceaux de viande, en les tirant sur la grille car ils risquent de se renverser et de tomber. X N'utilisez pas cet appareil pour réchauffer autre chose que des aliments et ne pas s'en servir pour chauffer une pièce.

TABLE de cuisson électrique

Assurez-vous toujours que le fond du récipient est sec et plat avant de le poser sur la table de cuisson. Placez toujours le récipient au centre de la zone de cuisson et tournez les poignées en position de sécurité afin qu'elles ne puissent pas être heurtées ou saisies. Utilisez toujours des récipients d'un diamètre compris entre 100mm (4") et 250mm (10"). Faites toujours coïncider la taille de l'ustensile de cuisson avec la taille de zone de cuisson; n'utilisez pas de gros récipients sur une petite zone et vice-versa. Si l'appareil possède des plaques pleines, veillez à nettoyer et à sécher votre table de cuisson avant la première utilisation – reportez-vous à la section Entretien et nettoyage.

Si l'appareil possède une table de cuisson en verre, faites attention à ne pas traîner les récipients sur la céramique afin de ne pas la rayer ou l'abîmer.

X N'utilise jamais de double poèle, de récipients à fond concave, de récipients vétustes ou déformés ou tout récipient n'était pas stable sur une surface plane.

X Ne laissez jamais de matière grasse ou d'huile à cuire sans surveillance.

X N'utilisez jamais de générateurs ou de diffuseurs de chaleur du commerce car ils peuvent créer une chaleur excessive et endommager la surface de la table de cuisson.

X N'utilisez jamais la table de cuisson pour un autre usage que la cuisson d'aliments.

X Les récipients en plastique peuvent fondre au contact d'un foyer chaud. Ne les laissez jamais à proximité ou sur la table de cuisson.

X Ne laissez jamais un foyer de cuisson activé sans qu'un récipient le recouvre. Risque d'incendie.

X N'utilisez pas la table de cuisson comme plan de travail pour la cuisine car cela risque de l'endommager.

X Si l'appareil possède des plaques planes, ne les laissez jamais recouvertes de couvercles de récipients ou de couvre-plaques décoratifs car l'humidité emmagasinée provoquera de la corrosion.

X Si l'appareil possède des plaques en verre, ne les utilisez jamais si elles sont fendues, cassées ou brisées. Il y a risque de blessure. Éteignez l'appareil et appelez pour demander la visite d'un technicien.

X Ne fixez pas les éléments halogènes (selon le réseau). Cela pourrait affecter votre vue.

X Ne laissez pas de papier aluminium sur la table de cuisson car cela reflète la chaleur et provoque des dommages.

FEUX de cuisson

Quelle est l'origine des feux de cuisson?

  • Les faux de cuisson se déclenchent lorsque l'huile ou les graisses sont surchauffées et prennent feu ou lorsque l'huile ou les graisses éclaboussent la source de cuisson parce que le récipient a été trop rempli.
  • Ils peuvent aussi survenir lorsque des frites mouillées sont placées dans l'huile, ce qui provoque une ébullition et un débordement.

Comment éviter les yeux de cuisson

  • Ne remplissez jamais plus du tiers du récipient d'huile ou de matière grasse.
  • Ne laïsez jamais le récipient sur le feu sans surveillant, même quelques secondes. Veillez à ce que les frites soient sèches avant de les mettre dans le récipient.
  • Ne mettez jamais les frites à frire si l'huile a commencé à fumer. Éteignez le feu et laissez l'huile refroidir.

En cas de feu de cuisson

  • En cas de feu de cuisson, ne paniquez pas et ne déplacez pas le réceptacle. Les brûlures graves surviennent non que l'on saisit le réceptacle et que l'on court avec à l'extérieur.
  • Si cela est sans danger et que vous n'avez pas à passer à côté du réceptacle en feu, éteignez le foyer de cuisson.
  • Ne jetez jamais d'eau ni n'utilisez d'extincteur.
  • Si vous le pouvez, placez un vêtement ou une serviette humide sur le récipient afin d'étouffer les flammes.
  • Laissez le récipient refroidir pendant au moins une demi-heure.
  • Si vous ne pouvez pas maîtriser le feu, fermez la porte, sortez et dites à tout le monde de partir.
  • Appelez les pompiers. Ne retournez en aucun cas à l'intérieur.

Avertissements

  • N'utilisez pas la table de cuisson céramique si le verre est cassé car les pièces électriques sont en contact direct. Éteignez l'appareil à la source d'alimentation pour prévenir toute décharge électrique et prenez contact avec votre fournisseur.
  • La surface de cuisson reste chaude après utilisation. NE PAS TOUCHER. Utilisez des accessoires de cuisson suffisamment grands pour éviter tout débordement sur la plaque vitrocéramique.
  • Dès que l'eau arrive à ébullition, baissez l'intensité de la zone de cuisson ; cela permettra d'éviter les débordements.
  • Ne laissez pas de récipients vides sur une zone chaude.
  • Ne laissez jamais rien trainer sur la table de cuisson.
  • Les récipients doivent être placés au centre de la zone de chauffage.
  • Essuyez tout liquide versé le plus rapidement possible.
  • Nettoyez la table de cuisson le plus régulièrement possible afin d'éviter toute accumulation de graisse qui pourrait être une cause de feu.
  • Ne réchauffez jamais une boîte de conserve fermée car elle pourrait exploser.
  • N'utilisez pas la table de cuisson comme espace de rangement.

Avant l'utilisation

Applique une fine couche de nettoyant vitrocéramique sur la table de cuisson afin de l’entretenir et de la protéger. Vous en trouverez auprès de notre centre de pièces de rechange. Le numéro de la pièce et le numéro de contact figurent au dos de ce guide.

Indicateur de chaleur (selon le modèle)

Le voyant de chaleur s'allume lorsque l'un des foyers est en marche. Il restera allumé pendant quelques instants après l'extinction du dernier foyer afin de rappeler que la table de cuisson est peut-être encore chaude au toucher.

Manette de sélection

  • Sélectionnez le foyer que vous souhaitez utiliser, placez le récipient dessus et tournez le bouton de commande jusqu'à la température désirée. Pour éteindre, ramenez le bouton de commande sur la position «off».

Remarques sur l'utilisation

  • Les réglages de température sur la table de cuisson n'indiquent aucune température précise et ne peuvent pas être utilisés pour juger d'un foyer par rapport à un autre.
  • Pendant la cuisson, les foyers s'allument et s'éteignent afin de prévenir tout risque de surchauffe de la table de cuisson.
  • N'utilisez pas la surface vitrocéramique comme plan de travail car cela pourrait endommager le verre.
  • N'utilisez pas de générateurs ou de diffuseurs de chaleur du commerce car ils seront source d'une chaleur excessive susceptible d'endommager la surface de la table de cuisson et de constituer un danger.
  • Les membres en plastique peuvent fondre au contact de la table de cuisson si celle-ci est chaude.
  • Déplacez les récipients en les soulevant au-dessus de la table de cuisson et non pas en les faisant glisser, afin d'éviter les traces et les rayures.
  • Sachez que la surface de cette table de cuisson est mise. Si vous heurtez les membres, ils se déplaceront. Veillez par conséquent à ce qu'ils ne soient pas juste au bord de la table de cuisson.

Utilisez des récipients assez grands pour les aliments placés à l'intérieur afin d'éviter les débordements qui peuvent endommager votre table de cuisson. - Les récipients de couleur mate ou noirs donnant des résultats plus rapides. Tous les récipients utilisés sur des plaques céramiques ou halogènes doivent posséder un fond mince, plat et lisse afin de garantir un contact optimum avec le foyer. Pour éviter de rayer la surface vitrée, ne faites pas glisser les récipients ou utilisez des ustensiles à base émaillée. - Les récipients en aluminium donneront de bons résultats mais faites attention lors de leur utilisation. S'ils sont traînés sur la surface vitrée, ils ont tendance à laisser des traces visibles et difficiles à enlever. - Les aliments placés dans de l'eau salée ou à forte teneur en sucre ou en sirop peuvent endommager la table s'ils l'éclaboussent pendant la cuisson. - Le papier aluminium ne doit pas être placé sur la table de cuisson car il refléchira la chaleur sur le foyer, ce qui peut l'endommager. - Les récipients au fond très brillant peuvent aussi refléter la chaleur et entraîner l'activation et la déactivation rapide du foyer, ralentissant ainsi la cuisson. - Ne laissez pas un foyer allumé sans qu'il soit couvert par un récipient car cela peut provoquer une surchauffe. - Ne posez pas d'ustensiles de cuisine, de couverts, de couteaux ou autres objets de métal sur la table de cuisson. Ils risquent de chauffer s'ils sont proches d'un foyer activé.

Économisez l'énergie

  • Placez les récipients au centre des foyers de cuisson.
  • Ne chauffez que la quantité de liquide dont vous avez besoin.
  • Une fois les liquides arrivés à ébullition, réduisez la chaleur à feu doux.
  • Envisagez la possibilité d'utiliser une cocotte-minute.
  • Les légumes coupés en petits morceaux cuiront plus rapidement. Utilisez le descendant s'adaptant le moins à la taille du foyer de cuisson.
  • Les plus petits foyers sont idéaux pour faire mijoter et mariner dans de plus petits récipients, tandis que les plus grands foyers sont idéaux pour faire frire et bouillir.

Attention: Des parties accessibles peuvent être chaudes lors de l'utilisation, éloignez les jeunes enfants.

Plateau grill à manche amovible

STOVES PRICHMRS50CCT - Économisez l'énergie - 1

Placez le manche sur le bord de la lèchefrite, sur le côté étroit. Faites glisser le manche vers le centre et fixez-le à l'emplacement prévu.

STOVES PRICHMRS50CCT - Économisez l'énergie - 2

Le manche doit être retiré de la lèchefrite pendant l'opération afin d'éviter toute surchauffe.

Le manche est destiné à retirer et à introduire la lèchefrite sous le grill pendant qu'il est en opération.

Pour nettoyer la lèchefrite lorsqu'elle est chaude, utilisez des gants de cuisine.

N'utilisez pas le manche pour déverser les graisses chaudes hors de la lèchefrite. Les aliments à griller doivent être placés au centre sur le trépied.

Papier aluminium

L'utilisation de papier aluminium pour recouvrir le plateau gril ou le fait de placer des aliments enveloppés dans du papier aluminium sous le grill peut créer un risque d'incendie et la force réflexion peut endommager les éléments chauffants du grill.

Ventilateur de refroidissement

Lorsque le grill est allumé, vous entendrez le ventilateur se mettre en marche afin de maintenir la façade et les boutons de commande de l'appareil froids. Le ventilateur peut continuer de fonctionner quelques instants après l'extinction du grill.

Attention: des parties accessibles peuvent être chaudes lors de l'utilisation, éloignez les jeunes enfants.

Le grill du four supérieur possède les 3 réglages de chaleur suivants:

STOVES PRICHMRS50CCT - Attention: des parties accessibles peuvent être chaudes lors de l'utilisation, éloignez les jeunes enfants. - 1

STOVES PRICHMRS50CCT - Attention: des parties accessibles peuvent être chaudes lors de l'utilisation, éloignez les jeunes enfants. - 2

Zone totale de grill au 1/4 de la puissance.

STOVES PRICHMRS50CCT - Attention: des parties accessibles peuvent être chaudes lors de l'utilisation, éloignez les jeunes enfants. - 3

Zone centrale de grill à pleine puissance.

STOVES PRICHMRS50CCT - Attention: des parties accessibles peuvent être chaudes lors de l'utilisation, éloignez les jeunes enfants. - 4

Zone totale de grill à pleine puissance.

Préchauffage

Pour obtenir plusieurs résultats, préchauffez le grill pendant 3 - 5 minutes.

Allumer le grille

Ouvrez la porte du four supérieur/gril.

Tournez le bouton de commande du four supérieur jusqu'à la position souhaitée.

Important: La porte doit rester ouverte pendant que le grill est en opération.

Pour éteindre, ramenez le bouton de commande en position «off».

Pour faire griller de petites quantités, la zone centrale du grill (économie) peut être utilisée.

Pour faire griller de plus grosses quantités, la zone totale du grill peut être utilisée.

Lorsque l'on utilise le grill du four supérieur, la vitesse de cuisson peut être contrôlée en ajustant le réglage du grill ou en choisissant une position plus élevée ou plus basse pour la l'échafaud. Pour faire griller du pain ou des aliments comme le bacon, les saucisses ou les steaks, utilisez la position la plus élevée.

Pour les morceaux plus fins comme des côtelettes ou des morceaux de poulet, utilisez la position la plus BASSE.

Lorsque vous cuisinez, tenez les enfants éloignés du four.

Attention: La partie supérieure devient extrêmement chaude pendant l'utilisation; faites très attention à ne pas la toucher.

Le four supérieur est un four conventionnel.

Remarque: Le four supérieur n'est pas contrôlé par la minuterie.

Allumer le four supérieur

Tournez le bouton de commande de la température dans le sens des aiguilles d'une montre jusqu'à la température souhaitée.

Le voyant rouge du thermostat restera allumé jusqu'à ce que la température choisie soit atteinte puis il s'éteindra. Le voyant s'allumera et s'éteindra régulièrement puisque le thermostat agit pour maintenir la température souhaitée.

Pour éteindre, ramenez le bouton de commande en position «off».

Important: Ne posez jamais rien directement sur la base du four et ne couvrez jamais le fond du four avec du papier aluminium car cela peut entraîner une surchauffe de l'élement de cuisson. Placez toujours les aliments sur la grille.

Ventilateur de refroidissement

Lorsque le four supérieur est allumé, vous entendrez le ventilateur se mettre en marche afin de prendre la façade et les boutons de commande de l'appareil froids pendant la cuisson. Le ventilateur peut continuer de fonctionner quelques instants après l'extinction du four.

Préchauffage

Le four doit être préchauffé pour la cuisson d'aliments congélés ou froids. Nous recommandons le préchauffage pour les préparations à levure, les pâtés à cuire, les soufflés et les gâteaux à texture moelleuse.

Préchauffez le four jusqu'à ce que le voyant lumineux s'éteigne pour la première fois; cela peut prendre jusqu'à 20 minutes en fonction de la température sélectionnée.

Si vous ne préchauffez pas le four, il faudra peut-être allonger les temps de cuisson indiqués dans ce manuel car elles sont calculées pour un four préchauffé.

Positions de cuisson

Il existe 2 positions de cuisson indiquées de bas en haut, la position 1 étant donc la plus basse.

Pour la cuisson d'aliments congelés ou froids, utilisez la position la plus élevée possible tout en laissant un espace entre l'aliment et la partie supérieure du four.

La grille du four doit être placée avec sa partie élevée au fond du four et orientée vers le haut. Placez les moules à gâteaux et les plats à four au milieu des grilles et laissez un espace entre les grilles pour permettre à la chaleur de circuler.

Conseils d'utilisation du four supérieur

Lors du processus de cuisson, l'air chaud est évacué par une fente située en haut du four. En ouvrant la porte du four, veillez à éviter tout contact avec l'air chaud car cela peut causer un grégar aux personnes à la peau sensible. Nous vous conseillons de tenir la poignée de la porte du four par en bas.

Temps de cuisson

Ces temps sont calculés pour une cuisson dans un four préchauffé.

Ces temps de cuisson sont approximatifs et doivent être adaptés en fonction de la collie et du type du plat, ainsi que des goûts personnels.

Positions de cuisson

En règle générale, pour la cuisson d'aliments congelés ou froids, utilisez la position la plus élevée possible tout en laissant un espace entre l'aliment et la partie supérieure du four. Suivez les instructions figurant sur l'emballage.

Températures de cuisson

Les températures et les durées indiquées dans le guide de cuisson concernent des plats cuits avec de la margarine solide. Si vous utilisez de la margarine en tube, il faudra réduire les températures. Si la recette donne une température différente de celle du guide de cuisson, suivez les instructions de la recette.

Le four supérieur étant plus compact, il sera peut-être nécessaire de réduire jusqu'à 20°C les températures de cuisson indiquées dans les recettes.

Utilisez le guide de cuisson comme une référence pour déterminer les températures à sélectionner.

PlatTempérature (en °C)Position de cuissonTemps approximatif de cuisson
Petits gâteaux180115 - 20 min
Sandwich Victoria (2 x 180mm / 7")160120 - 25 min
Gâteaux roulés20018 - 12 min
Cakes aux fruits (180mm x 7")14012 1⁄4 - 2 3⁄4 heures
Scones (petits pains)215110 - 15 min
Meringues90 - 10012 - 3 heures
Pâtes brisées200 - 2101Dépend de la taille et du type du plat ainsi que de la garniture
Choux à la crème/pâtes feuilletées200 - 2101
Pâtes à choux200 - 2101
Biscuits160 - 200210 - 20 min
Gâteaux moelleux150130 - 45 min
Pudding au lait14012 - 2 1⁄2 heures

Des parties accessibles peuvent être chaudes pendant l'utilisation du four. Tenir les jeunes enfants éloignés.

Allumer le four

Tournez le bouton de commande du four jusqu'à la position souhaitée.

Le voyant rouge du thermostat restera allumé jusqu'à ce que la température soit atteinte puis il s'éteindra. Le voyant s'allumera et s'éteindra régulièrement puisque le thermostat agit pour maintenir la température souhaitée.

Pour éteindre, ramenez le bouton de commande en position « off ».

Conseils d'utilisation du four

Lors du processus de cuisson, l'air chaud est évacué par une fente située en haut du four. En ouvrant la porte du four, veillez à éviter tout contact avec l'air éventuellement chaud car cela peut causer une gène aux personnes à la peau sensible. Nous vous conseillons de tenir la poignée de la porte du four par en bas.

Préchauffage

Pour la cuisson de plats sensibles, comme les soufflés et les Yorkshire puddings, ou pour cuire du pain, nous recommandons que le four soit préchauffé jusqu'à ce que le voyant lumineux s'éteigne pour la première fois. Pour les autres types de cuisson, le préchauffage n'est pas nécessaire.

Fonctionnement manuel

La programmation doit être placée sur le fonctionnement manuel avant que le four principal puisse être utilisé. Si l'écran de programmation affiche le symbole «A» (automatique), remettez le four en mode manuel en appuyant simultanément sur les boutons +/- et -/. Tout programme sélectionné sera annulé.

Ventilateur de refroidissement

Le ventilateur de refroidissement peut fonctionner lorsque le four principal est allumé et continuer de fonctionner quelques instants après l'extinction du four.

Grilles

La grille doit être placée avec la partie élevée au fond du four et orientée vers le haut.

Placez les moules à gâteaux et les plats à four au milieu des grilles et laissez un espace entre les grilles pour permettre à la chaleur de circuler.

Plats à four et plats à roi

Pour obtenir plusieurs résultats de cuisson et un brunissement uniforme, les dimensions maximales des plats à utiliser sont les suivantes:

Plat à four 350mm x 280mm

Cette taille contiendra jusqu'à 16 petits gâteaux.

Plat à rôtir 370mm x 320mm

Nous vous recommandons d'utiliser du matériel de cuisine de qualité. Les moules et plats médiocres se déforment sous l'effet de la chaleur et donnent des résultats de cuisson inégaux.

Cuisson lente (position s ou 100°c)

Assurez-vous que les alimentés congelez sont parfaitement DECONGELES avant la cuisson. - Ne pas faire cuire en cisson lente les morceaux de viande ou de volaille pesant moins de 2% kg / 4% lb. - Préchauffez le four à 170°C et laissiez cuire pendant 30 minutes, puis placez le bouton de

commande sur S ou sur 100°C (réglage cuisson lente) pour la durée de cuisson restante.

  • Les temps de cuisson lente sont environ trois fois plus longs que les temps de cuisson conventionnelle.
  • Ne pas ouvrir la porte du four sans raison pendant la cuisson lente car cela entraînera une perte de chaleur à basses températures.
  • Toujours utiliser des plats possédant des couvercles parfaitement hermétiques. Pour corriger un couvercle mal adapté, couvre le plat d'un papier aluminium placé sous le couvercle.

Papier aluminium

N'utilisez du papier aluminium que pour cuire des aliments ou des plats cuisinés. L'utilisation de papier aluminium pour couvrir les grilles ou la sole du four risque de provoquer un incendie.

Cuisiner avec un four ventilé

Le four étant d'une grande efficacité, vous pourrez observer l'émission de vapeur lorsque la porte est ouverte. Veillez faire attention en ouvrant la porte.

Si vous avez l'habitude de cuisiner avec un four conventionnel, vous constaterez certaines différences en utilisant un four ventilé qui exige une approche différente:

Il n'y a pas de zones de chaleur dans un four ventilé puisque le ventilateur de convection situé au fond du four garantit une température uniforme dans le four. Cela le rend idéal pour la cuisson groupée, par exemple pour l'organisation d'une réception ou

l'approvisionnement du congélateur, car tous les aliments seront cuits pendant le même intervalle de temps.

Les aliments sont cuits à une température plus basse que dans un four conventionnel et les températures indiquées dans les recettes devront éventuellement être réduites. Veuillez vous référer au tableau de conversion.

Le préchauffage n'est généralement pas nécessaire car un four ventilé se réchauffe rapidement.

Il n'y a pas de différence de saveur dans un four ventilé, ce qui signifie que vous pouvez cuire des plats à odeur forte, comme le poisson, en même temps que des plats plus doux, comme les puddings au lait.

Lorsque vous enfournez plusieurs parts d'un aliment qui gonfle durant la cuisson, par exemple du pain, veillez à laisser un espace suffisant entre les grilles.

Remarques:

Lorsque on utilise deux grilles ou plus, il peut être nécessaire d'augmenter légèrement le temps de cuisson.

Les deux grilles du four étant plus larges que dans la plupart des fours, il est possible de cuire 2 aliments par plaque, par exemple 2 sandwiches Victoria ou 2 ragouts.

Même si vous ne devez pas oublier qu'il faut «aider l'air chaud à circuler librement» en choisissant attentivement les plats et les récipients, il est possible de cuisiner un repas complet, et parfois même quelque chose pour le congélateur, dans le four en même temps.

En cas de viandes rôties, vous remarquerez que les projections de graisses sont réduites, ce qui est d'au partie aux températures plus basses du four et vous aidera à maintenir la propreté du four plus longtemps.

Le four ventilé ayant une température uniforme dans toute sa cavité, il n'est pas nécessaire de respecter les positions des grilles indiquées dans le guide de cuisson. Il n'est pas nécessaire d'intervenir les plats pendant la cuisson, comme avec un four conventionnel.

Aider l'air chaud à circuler librement

Placez les grilles uniformément dans le four et laissez un espace avec le plafond et la base du four.

Si vous utilisez plus d'un moussse ou d'un plat sur une grille, laissez un espace d'au moins 25 mm entre les récipients et l'intérieur du four.

Décongeler et refroidir dans le four principal

Pour décongeler des aliments , placez les aliments au centre du four et refermez la porte.

Pour refroidir des aliments après la cuisson et avant de les réfrigérer ou de les congeler et ouvrez la porte.

Temps de décongélation

Les morceaux petits ou minces de viande ou de poisson congelés, par exemple filets de poisson, crevettes et viande hachée, prennent environ 1-2 heures.

Placer les aliments sur une seule couche permet de réduire le temps de décongélation.

Un ragout ou plat cuisine de taille moyenne prendra environ 3-4 heures.

Un poulet de 1 12 ~kg / 3 lb prendra environ 5 heures et il faudra retirer les abats le plus tôt possible.

Attention

Ne pas décongeler de volaille farcie en utilisant cette méthode.

Ne pas décongeler de morceaux de viande ou de volaille de plus de 2kg / 4lb en utilisant cette méthode.

Ne jamais placer d'aliments crus à décongeler à côté d'aliments cuits à refroidir car cela peut entraîner une contamination croisée.

On peut accélérer la décongélation de viande, de volaille ou de poisson en utilisant cette méthode mais il convient de s'assurer que les aliments sont complètement décongelés avant de procéder à leur cuisson. Placez la viande et la volaille sur un trépied dans un plat à viande.

Temps et températures de cuisson

Les températures et les durées indiquées dans le guide de cuisson concernent les plats cuits avec de la margarine solide. Si vous utilisez de la margarine en tube, il faudra réduire les températures.

Prévoir un espace suffisant entre les grilles pour les aliments qui gonflent pendant la cuisson.

Ne pas placer d'aliments sur la base du four car cela empêche l'air chaud de circuler librement.

Remarque: ce four étant un four à haute efficacité énergétique, il conviendra d'ajuster les températures de cuisson conventionnelle. Le tableau ci-dessous indique les Températures de cuisson conventionnelle, les Températures de la classe A et les repères de thermostat correspondants. Pour des résultats optimaux, les Températures conventionnelles doivent être converties en températures de classe A.

Par exemple, un plat qui cuirait normalement à une température conventionnelle de 180°C cuira désormais à une température de classe A de 160°C.

Température conventionnelle (°C)Four de classe A (°c)Thermostat
1001001/4
1101101/4
1301201/2
1401301
1501402
1601503
180-1901604-5
2001706
2201807
2301908
2502009

Guide de cuisson dans le four principal

PlatTempérature recommandée °CTemps approximatif de cuisson(four préchauffé)
Scones (petits pains)1808 - 15 min
Meringues1102 - 3 heures
Gâteaux
Petits gâteaux16015 - 25 min
Gâteaux moelleux16015 - 20 min
Gâteau roulé17010 - 12 min
Sandwich Victoria(2 x 180mm / 7")16020 - 30 min
Gâteau génois16020 - 25 min
Madeira (180mm / 7")1601 - 1¼hour
Cake aux fruits semi-riche(205mm / 8")1301 - 1¾hour
2½ - 3 heures
Gâteau de Noel(205mm / 8")Selon laSelon la
Cake Dundee(205mm / 8")recetterecette
1302 - 2½heures
Patisserie
Choux à la crème/pâtés feuilletées180Selon la
Pâtés brisées170recette et le type de garniture
Pâtés à choux170
Tartes(2 x 180mm / 7")170
Biscuits
Sablés16025 - 35 min
Brownies aux noix17020 - 25 min
Roulés à la confiture16010 - 12 min
Flapjacks16020 - 25 min
Biscuits au gingembre16010 - 20 min

Cakes aux fruits traditionnels

Il convient de rappeler que les jours peuvent changer avec le temps et que les temps de cuisson peuvent donc varier aussi ; il est par conséquent difficile d'être précis quant à la cuisson de cakes au fruit.

Il est donc nécessaire de vérifier le cake avant de le retirer du four. Enfoncez un pic chauffé dans le centre du cake. Si le pic ressort propre, le cake est cuit.

  • Respectez les températures suggériées dans la recette et ajustez-les conformément au tableau de conversion.
  • N'essayez pas de faire des cakes de Noël plus gros que ceux que le four permet. Vous devrez laisser un espace d'au moins 25 mm (1 pouce) entre les parois du four et le moule.
  • Respectez toujours les températures recommandées dans la recette. Pour protéger un cake très riches en fruits pendant la cuisson, attachez 2 feuilles de papier kraft autour du mouss.
  • Nous vous recommandons de ne pas poser le moule à gâteau sur des feuilles de papier kraft car cela peut gêner la circulation de l'air. N'utilisez pas de margarine en tube pour les cakes riches en fruits, sauf si la recette l'exige. Utilisez toujours des moules d'une taille et d'une forme adaptées aux quantités de la recette.

Dinde rôtie

Rôtir une dinde implique de cuire deux types de viande différentes: le blanc délicat, qu'il ne faut pas laisser se dessécher, et la cuisse plus foncée, qui mettra plus longtemps à cuire.

La dinde doit rôtir suffisamment longtemps pour que les cuisses cuisent et un arrosage fréquent est donc nécessaire. Le blanc peut être recouvert une fois bruni.

Veilliez toujens à ce que la dinde soit complètement décongelée et à ce que les abats aient été rétrés avant la cuisson. La dinde doit rôrir à 160°C - 180°C pendant 20 minutes par livres, plus 20 minutes, sauf s'il est spécifique autrement sur l'emballage. - La dinde peut être rôtie ouverte, le blanc en dessous, pendant la moitié du temps de cuisson, puis returnée pour la durée de cuisson restante. - Si la dinde est farcie, ajoutez 5 minutes par livre au temps de cuisson. - Si la)dnde a rotir est recoverve de papier aluminium, ajoutez 5 minutes par livre au temps de cuisson.

Pour voir si la dinde est cuite, introduisez un pic fin dans la partie la plus épaisse de la cuisse. Si le jus qui s'écoule est clair, la dinde est cuite. Si le jus est encore rose, la dinde doit cuire davantage.

Guide de rôtissage

Les durées indiquées dans le guide de rôtissage ne sont qu'approximatives car elles seront influencées par la taille et l'âge de la bête ainsi que par la forme de la découpe et la proportion de l'os.

La viande congelée devra être totalement décongelée avant la cuisson. Pour les gros morceaux, il est conseillé de laisser décongeler pendant toute la nuit.

La volaille congelée devra être totalement décongelée avant la cuisson. La durée requise dépend de la taille : par exemple, une grosse dindonne peut prendre plus de 48 heures pour décongeler.

L'utilisation d'un trépied et d'un plat à rôtir réduira les projections de graisse et aidera à maintenir propre l'intérieur du four. Sinon, pour diminuer les projections de graisse, on peut rôtir des pommes de terre ou d'autres légumes autour de la viande ou de la volaille.

Remarques:

Pour calculer la durée de cuisson d'une viande ou d'une volaille farcie, prenez en compte le poids total de la viande et de la garniture. - Pour les morceaux cuits dans du papier aluminium ou des rôts couverts et pour les casseroles à couvercle, ajoutez 5 minutes par 450g (1lb) pour calculer le temps de cuisson. - Les plus petits morceaux de moins de 1,25 kg (212lb) exigent 5 minutes par 450g (1lb) de temps de cuisson en plus. - Placez la grille de sorte que la viande ou la volaille soit au centre du four. Il est recommandé de nettoyer l'appareil après le rotissage ouvert.

Cuisson au four à:160°C - 180°C Four principal (ventilé)Temps approximatif de cuisson(four préchauffé)
BœufSaignantÀ pointBien cuit20 minutes pour 450g (1lb), plus 20 minutes25 minutes pour 450g (1lb), plus 25 minutes30 minutes pour 450g (1lb), plus 30 minutes
AgneauÀ pointBien cuit25 minutes pour 450g (1lb), plus 25 minutes30 minutes pour 450g (1lb), plus 30 minutes
Porc35 minutes pour 450g (1lb), plus 35 minutes
Volaille20 minutes pour 450g (1lb), plus 20 minutes

Le bouton de programmation

Votre horloge fait apparaître des symboles tels que ceux qui figurent dans le tableau ci-dessous. Vous pouvez avoir soit des TOUCHES de commande soit des boutons.

SymboleSymboleQu'est-ce que c'est?
-Moins À utiliser pour réduire le temps de cuisson et l'heure de fin de cuisson, pour soustraître des minutes à la minuterie et pour régler l'heure. Permet également d'entendre et de désirir la tonality de la sonnerie.
^+Plus À utiliser pour augmenter le temps de cuisson et l'heure de fin de cuisson, pour ajouter des minutes à la minuterie et pour régler l'heure.
FUNCTIONMODECommande de fonctions À utiliser pourCHOISIR les fonctions disponibles sur l'horloge.Appuyer une fois pour: minutes. Appuyer deux fois pour: temps de cuissonAppuyer trois fois pour: heures de fin de cuisson.La façon d'utiliser ces fonctions est expliquée plus loin dans cette partie.

Le bouton Fonction (Fonction) placé au centre est utilisé pour régler la minuterie et la cuisson automatique. Voir les détails plus bas.

STOVES PRICHMRS50CCT - Le bouton de programmation - 1

Symboles figurant sur l'écran d'affichage digital

Le symbole «A» apparaît lorsqu'un programme semi-automatique ou automatique est sélectionné. Ce symbole clignotera pendant le réglage du programme.

STOVES PRICHMRS50CCT - Symboles figurant sur l'écran d'affichage digital - 1

Une fois qu'un programme est sélectionné, le symbole s'allume et reste allumé jusqu'à ce que la sonnerie retentisse ou que le programme soit annulé.

STOVES PRICHMRS50CCT - Symboles figurant sur l'écran d'affichage digital - 2

Un symbole représentant une cloche apparaît lorsque la fonction Minuterie est sélectionnée.

Lorsque la minuterie est sélectionnée, la cloche clignote. Une fois que le temps de cuisson est réglé, la cloche reste allumée jusqu'à l'expiration du temps de cuisson ou l'annulation de la fonction.

STOVES PRICHMRS50CCT - Symboles figurant sur l'écran d'affichage digital - 3

Lorsque ce message et le symbole «A» apparaissent, vous devez fixer la durée de cuisson automatique. Déterminez cette durée en utilisant les boutons /+/ et /-/.

STOVES PRICHMRS50CCT - Symboles figurant sur l'écran d'affichage digital - 4

Lorsque ce message et le symbole «A» apparaisent, vous devrez fixer l'heure de fin de la cuisson ou l'heure à laquelle vous voulez que le four s’éteigne automatiquement.

Régler l'heure

STOVES PRICHMRS50CCT - Régler l'heure - 1

  • Appuyez simultanément sur les boutons +/- et -/ pendant quelques secondes et relâchez. Le • placé entre les chiffres de l'affichage commencera à clignoter.
  • Pendant que le ' • clignote, vous pouvez régler l'heure en utilisant les boutons /+ et -/. Une fois l'heure réglée, laissez s'écouler environ 30 secondes avant d'utiliser une autre fonction de l'horloge afin de vous assurer que l'heure est correcte.

Sélectionner une tonalité de sonnerie

Vous pouvez choisir parmi trois tonalités.

  • Appuyez en continu sur le bouton -/ pour entendre la première tonalité.
  • Relâchez le bouton -/ et appuyez à nouveau pour entendre la tonalité suivante, etc.
  • En relâchant le bouton -/- après avoir entendu la tonalité, vous sélectionnerez automatiquement cette tonalité.

Régler la minuterie

STOVES PRICHMRS50CCT - Régler la minuterie - 1

Pour régler la minuterie, appuyez une fois sur le bouton Fonction. Le symbole représentant la cloche apparaitra et commencera clignoter. Le clignotement ne durera que 5 secondes et la durée doit être réglée dans cet intervalle. Utilisez les boutons + + et - / - pour fixer la durée souhaitée. Une fois cette procédure accomplie, la minute est réglée. - La sonnerie retentira lorsque la durée fixée aura expiré. Pour arrêter la sonnerie, appuyez sur un bouton quelconque. Pour annuler la minuterie à n'importe quel moment, appuyez simultanément sur les boutons /+ et -/.

Cuisson semi-automatique

Il existe deux types de cuisson semi-automatique sur cet appareil.

La méthode du temps de cuisson vous permet de régler le four pour une durée spécifique. Si un plat nécessite deux heures de cuisson, vous pourrez programmer le four de façon à ce qu'il s'éteigne deux heures plus tard. Ainsi, vous serez sûr que votre plat a cuis pendant la durée fixée et pas davantage.

La méthode de l'heure de fin de cuisson vous permet de fixer l'heure à laquelle vous pouvez que le four s'éteigne. Si vous avez l'intention de laisser le four sans surveillance, vous pourrez être tranquille qu'il se sera éteint tout seul à l'heure fixée.

Cependant, une fois fixé, le programme ne peut pas être modifié. On ne peut pas prolonger le temps de cuisson ou repousser l'heure de fin de cuisson.

Pour annuler les programmes de cuisson semi-automatique, appuyez simultanément sur les boutons /+ et -/. Vous pouvez le faire à tout moment de la cuisson. Si nécessaire, vous pouvez reprogrammez.

Vous trouverez dans les pages suivantes des instructions sur la façon d'utiliser ces fonctions.

Cuisson entièrement automatique

Cette fonction intègre à la fois la durée et l'heure de fin de cuisson et est destinée à être utilisée lorsque vous souhaitez reporter l'heure du début de la cuisson.

Les premières fois où vous utiliserez cette fonction, nous vous conseillons de rester chez vous afin de vous familiariser avec votre four et d’éviter de trop ou pas assez cuire vos plats.

Il faut faire attention aux besoins des plats pour utiliser ce mode de cuisson. Il n'est pas recommandé pour certains aliments qui risquent de s'abîmer ou sont trop sensibles pour être laissés sans surveillance.

Il est également conseillé de fixer une heure de fin de cuisson aussi proche que possible de votre retour afin d'éviter de laisser les aliments attendre.

La méthode du temps de cuisson

  • Appuyez deux fois sur le bouton Fonction, (1) ce qui vous fera sauter la minuterie. Le mot «dur» s'affichera sur l'écran, (2) tandis que le «A» clignotera sur le côté gauche de l'écran. Utilisez les boutons /+ et -/ pour fixer le temps de cuisson désiré. (3) Cela doit être fait dans les 5 secondes avant que l'heure ne réapparaisse.

Une fois cette procédure complétée, le four s'éteindra automatiquement à l'expiration du temps de cuisson et la sonnerie retentira.

Pour être indre la sonnerie, appuyez sur un bouton quelconque. Pour voir le temps restant, appuyez deux fois sur le bouton Fonction.

La méthode de l'heure de fin de cuisson

  • Appuyez trois fois sur le bouton Fonction, ce qui vous fera sauter la minuterie et la programmation du temps de cuisson. (4)
  • Le mot «end» s'affichera sur l'écran, tandis que le «A» clignotera sur le côté gauche de l'écran. (5) Utilisez les boutons + / - et - / + pour fixer l'heure à laquelle le four devra s'éteindre. (6)

Une fois cette procédure accomplie, le four s'éteindra automatiquement à l'heure.

Pour éteindre la sonnerie, appuyez sur un bouton quelconque.

  1. Méthode du temps de cuisson

STOVES PRICHMRS50CCT - La méthode de l'heure de fin de cuisson - 1

STOVES PRICHMRS50CCT - La méthode de l'heure de fin de cuisson - 2

STOVES PRICHMRS50CCT - La méthode de l'heure de fin de cuisson - 3

  1. Méthode de l'heure de fin de cuisson

STOVES PRICHMRS50CCT - La méthode de l'heure de fin de cuisson - 4

STOVES PRICHMRS50CCT - La méthode de l'heure de fin de cuisson - 5

STOVES PRICHMRS50CCT - La méthode de l'heure de fin de cuisson - 6

Cuisson entièrement automatique

Cette méthode est la plus appropriée lorsque vous devez reporter le début de la cuisson. Contrairement aux méthodes semi-automatiques, celle-ci exige que vous régliez à la fois la durée et l'heure de fin de la cuisson. L'horloge déterminera l'heure du début de la cuisson.

  • Appuyez deux fois sur le bouton Fonction afin de sélectionner la durée de la cuisson nécessaire à votre plat. (7) Le «A» clignotera sur le côté gauche de l'écran et le message «dur» s'affichera. (8)
  • En utilisant les boutons /+ et -/, fixez la durée de cuisson souhaitée dans les 5 secondes où s'affiche le message «dur». (9) Appuyez trois fois sur le bouton Fonction jusqu'à ce que le «A» clignote à nouveau et que le message «End» apparaisse. (10) & (11)
  • En utilisant les boutons /+ et -/, réglez l'heure à laquelle vous voulez que le four s'éteigne. (12)
  • Réglez la température du four et placez le plat à l'intérieur.

Tant que la fonction automatique sera utilisée, le «A» restera affiché à l'écran avec l'heure. Essayez de fixer l'heure de fin de cuisson aussi près de l'heure à laquelle vous comptez rentrer afin d'éviter de laisser attendre le plat dans un four chaud. L'horloge calculera l'heure exacte du début de la cuisson.

Pour éteindre la sonnerie, appuyez sur un bouton quelconque.

STOVES PRICHMRS50CCT - Cuisson entièrement automatique - 1

STOVES PRICHMRS50CCT - Cuisson entièrement automatique - 2

STOVES PRICHMRS50CCT - Cuisson entièrement automatique - 3

10.

STOVES PRICHMRS50CCT - Cuisson entièrement automatique - 4

11.

STOVES PRICHMRS50CCT - Cuisson entièrement automatique - 5

12.

STOVES PRICHMRS50CCT - Cuisson entièrement automatique - 6

Généralités

  • Il est important de nettoyer régulièrement cet appareil car l'accumulation de graisses est susceptible d'affecter son rendement ou de l'endommager et d'invalider votre garantie.
  • Eteignez toujours l'appareil et laissez-le refroidir avant d'en nettoyer une partie quelconque.
  • N'utilise pas de nettoyants contenant de l'eau de Javel, de produits contenant des chlorures, de laine d'acier ou de détergents abrasifs sur les parties en aluminium, en inox, ou en plastique et peintes au risque d'abimer l'appareil. Les tampons à récurer en nylon peuvent aussi ne pas être indiqués.
  • Faites particulièrement attention en nettoyant les symboles sur les bandes de façade. Un nettoyage excessif peut les effacer.

Parties peintes et en plastique

Utilise uniquement un chiffon propre essoré après avoir été trempé dans l'eau chaude savonneuse. - N'utilise pas de nettoyants abrasifs de type «Cif», de laine d'acier ou de tampons à récurer sur ces parties.

Surfaces en inox et en aluminium

Utilisez uniquement un chiffon propre essoré après avoir été trempé dans l'eau chaude savonneuse, puis essuyez avec un chiffon doux. - Les tâches résistantes peuvent être enlevées avec un nettoyant pour inox. Vous pourrez vous en procurer auprès de notre Centre clientèle. - Les objets pointus peuvent laisser une trace sur les surfaces en inox mais ces marques s'attenueront au fil du temps. - Essuyez immédiatement les liquides renversés, en faisant attention à ne pas vous brûler. - Certains aliments (par exemple, le vinaigre, les jus de fruits et surtout le sel) sont corrosifs.

Ils peuvent marquer ou abîmer le métal si on les laisse sur la surface.

  • Les huiles de soins pour bébés peuvent être utilisées pour redonner leur éclat aux finitions en inox, mais n'utilisez que quelques gouttes. N'utilisez pas d'huiles de cuisine qui peuvent contenir des sels et abîmer le métal. N'utilisez pas de nettoyeurs vapeur.

Surfaces et parties émaillées

  • Nettoyez à l'eau chaude savonneuse avec un chiffon propre.
  • Si de plus grosses tâches de graisse ont du mal à disparaître, vous pouvez utiliser une crème douce de nettoyage pour les enlever. Les traces plus résistantes peuvent être éliminées en utilisant un tampon imbibé de savon. Rincez bien et essuyez avec une serviette ou un chiffon doux. N'utilisez pas de nettoyeurs vapeur.

Parties en verre

Utilisez uniquement un chiffon propre essoré après avoir été trempé dans l'eau chaude savonneuse ou un nettoyant pour vitres. - Éliminez tout excès de nettoyant et essuyez avec un chiffon doux. N'utilisez pas de produits abrasifs ou brillants qui rayeront et abimeront la vitre.

Parties chromées

Utilisez un tampon humide imbibé de savon ou mettez au lave-vaisselle.

Paroi vitrée de la porte

  • La paroi vitrée de la porte du four peut être retirée mais doit être replaced correctement. S'il y a des inscriptions sur la vitre, vous nevez pouvoir les lire clairement quand les portes de la cavité sont ouvertes. Assurez-vous toujours que la vitre est bien enforcée en position stop.

Pour retirer la vitre, ouvre la porte en grand, tenez les côtés en haut et en bas et faites glisser. - Avertissement: NE PAS faire fonctionner l'appareil sans que la paroi vitrée ne soit correctement mise en place. - Pour votre sécurité, les parois vitrées sont en verre trempé. Cela garantit qu'au cas très improbable où une vitre se casserait, elle se briserait en tout petits morceaux afin de réduire le risque de blessure. Veuillez faire attention lorsque vous manipulez, utilisez ou nettoyez les parois vitrées car un dommage causé à la surface ou aux côtés de la paroi peut entraîner le bris du verre sans avertissement et sans raison apparente à tout moment. Si une paroi vitrée est endommagée, nous vous recommandons fortement de la remplacer immédiatement.

Glissières des grilles

  • Les glissières des grilles peuvent être retirées pour vous permettre de les nettoyer parfaitement. Assurez-vous qu'elles sont froides, puis saisissez-les et faites-les sortir de leurs orifices de fixation.

STOVES PRICHMRS50CCT - Glissières des grilles - 1

Plaques vitrocéramiques

  • Les tables vitrocéramiques peuvent être nettoyées avec un chiffon propre et humide ou avec du papier cuisine. Vérifiez bien que les foyers sont parfaitement froids afin d'éviter les brûlures causées par la vapeur.
  • Vous pouvez utiliser un nettoyant spécial pour plaques vitrocéramiques mais utilisez-le avec modération pour ne pas recouvrir la surface d'une couche trop épaisse. Un excès de crème nettoyante peut entraîner une décoloration. Utilisez un chiffon propre et sec pour faire briller la surface.
  • Pour les tâches résistantes, vous pouvez utiliser un gratteur spécial.
  • N'utilisez pas de nettoyeurs vapeur.
  • Un entretien régulier empêchera l'accumulation de sels et de minéraux sur votre table de cuisson et la décoloration du verre.

Plaques électriques

  • Imbiber et sécher - cela aidera à développer la finition des plaques.
  • Utilisez un chiffon propre et humide pour essuyer les plaques en veillant à faire des mouvements circulaires et à ne pas abimer les points rouges. Faites sécher les plaques avant de les utiliser en faisant chauffer à basse température.
  • Vous pouvez nettoyer les plaques chauffantes avec un produit de nettoyage spécial mais faites attention à éviter les points rouges.
  • Imbiber: Allumez chaque élément chauffant tour à tour pendant quelques instants (sans récipient dessus) à feu moyen – vif. Cela durcira et brûlera le revêtement.
  • Sécher: Chauffez la plaque pendant 30 secondes à feu moyen et éteignez. Mettez une petite quantité d'huile végétale non salée sur un chiffon propre ou du papier de cuisine et appliquez une fine couche d'huile sur la surface. Enlevez le surplus et chauffez pendant une minute.

Même si tous les efforts ont été faits pour éliminer les saillies et les bords coupants, faites attention en manipulant l'appareil ; nous vous conseillons de porter des gants de protection pendant l'installation.

Déplacer la cuisinière

Veuillez noter que cet appareil pèse environ 60 kg (sans le conditionnement). Si l'appareil doit être tiré pendant l'installation, faites bien attention à utiliser une méthode appropriée.

N'essayez pas de déplacer la cuisinière en la tirant par les portes ou les poignées. Ouvrez la porte et saisissez le châssis de la cuisinière, en veillant à ce que la porte ne se referme pas sur vos doigts.

Faites attention à ne pas abîmer les revêtements de sol soudés ou irréguliers. Certains revêtements matelassés en vinyle ne sont pas conçus pour que l'on puisse y tirer des appareils sans y laisser des traces ou les abîmer.

Important: Veillez à faire passer tous les câbles d'alimentation à une bonne distance de toutes les sources de chaleur vois.

Dégagements d'installation

Cette cuisinière peut être adaptée à des éléments encastrés. Toutefois, pour les modèles possédant des portes à ouverture latérale, nous recommandons un dégagement de 60 mm entre la cuisinière et les murs latéraux afin de permettre à la porte d'ouvrir complètement.

La cuisinière ne doit pas être placée sur une base.

Aucune étagère ou hotte de cuisine ne doit être placée à moins de 650 mm mais il convient de vérifier les recommandations du fabricant de hottes de cuisine.

La cuisinière doit avoir un dégagement de 400 mm au-dessus du niveau de la table de cuisson de 90 mm.

Dimensions

Toutes les dimensions fournies sont nominales et une petite variation est toujours possible. La profondeur de la cuisinière indiquée ci-dessous est calculée à partir de la partie avant de la porte et ne comprend pas les boutons et les poignées.

Profondeur: 600mm

Largeur: 500/550/600mm

Hauteur (ajustable) : 900 - 915mm

Stabiliser la cuisinière

Il y a quatre pieds ajustables à la base de la cuisine. Tournez les pieds à la main pour ajuster la hauteur.

Un dégagement de 55mm est requis entre l'arête de la table de cuisson et le mur afin de pouvoir ouvrir le couvercle complètement. Pour s'assurer que cet espace reste libre, il conviendra d'adapter la pièce de replissage (fournie avec l'appareil) en suivant les instructions ci-dessous.

Adapter la pièce de remplissage entre l'arrière de la table de caisson et le mur

Fixez la pièce de replissage sur le mur en utilisant des vis et attaches murales adaptées (non fournies) et vérifiez qu'elle est au même niveau que la table de cuisson comme indiqué ci-dessous.

Remarque: L'espace de 55mm ne doit pas être réduit.

STOVES PRICHMRS50CCT - Adapter la pièce de remplissage entre l'arrière de la table de caisson et le mur - 1

Important:

Nous vous recommendons de faire brancher cet appareil par une personne compétente, membre d'un organisme agréé, et satisfaisant aux normes des I. I. E. E. et aux réglementations locales.

Cet appareil doit être installé en utilisant un dispositif de séparation multipolaire de 30 ampères minimum avec un espace minimum de 3mm entre chaque pôle.

Veillez à faire passer tous les câbles d'alimentation à une bonne distance de toutes les sources de chaleur voisines, comme un four ou un grill.

Avertissement: Cet appareil doit être relié à la terre.

  • En cas de branchement fixe, il faudra utiliser une pièce permettant à l'appareil d'être isolé sur tous les pôles de l'alimentation secteur avec une largeur de contact de 3 mm.
  • Après le branchement, vérifie bien que toutes les parties électriques fonctionnent.
  • La puissance maximale est spécifiée dans les caractéristiques techniques de ce manuel ainsi que sur la plaque signalétique de l'appareil.
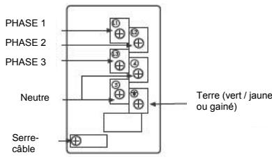
  • On peut accéder à la borne de raccordement en ouvrant le couvercle du boî
  • Le branchement doit être effectué avec un câble 3 fils d'une section de 6mm²
  • Tournez d'abord les fils, puis poussez le cable à l'intérieur du serre-cable dans le couvercle de la borne de raccordement.
  • Brancher le câble à la borne de raccordement et serrez la vis du serre-câble (voir dessin).
  • Fermez le boîtier électrique en veillant à ce que le couvercle soit engagé dans les griffes de verrouillage.

STOVES PRICHMRS50CCT - Important: - 1

Produits électriques

Alimentation électrique / puissance

220 - 240V ~ 50Hz

8935 - 10720W avec plaques céramiques

9105 - 10920W avec plaques électriques

Avertissement: Cet appareil doit être relié à la terre.

La plaque signalétique est placée en bas de la partie avant du cadre, derrière la porte.

Quelles parties de l'appareil peuvent être lavées au lave-vaisselle?

Toutes les parties émaillées comme la l'échérite peuvent être lavées au lave-vaisselle, ainsi que les grilles et les glissières.

Quelles parties ne doivent pas être lavées au lave-vaiselle?

  • Les parties comme les chapeaux des brûleurs, les boutons de commande et toutes les pièces en fonte ne doivent pas être lavées en machine; elles doivent être lavées, une fois qu'elles auront refroidi, avec de l'eau chaude savonneuse et une brosse en nylon.
  • Couper l'alimentation électrique. Lorsque le courant est rétabli, rallumez l'appareil et réglez la programmation et l'horloge à l'heure et au jour correspondants.

Non. Vous devez utiliser l'une ou l'autre.

Pourquoi y a-t-il de la condensation sur les portes?

  • La condensation est provoquée par le contact de l'air chaud et humide avec une surface plus froide (par exemple la porte du four). Vous ne pouvez pas toujours l’empêcher mais vous pouvez la limiter en procédant comme suit : o Préchauffez le four à haute température avant d’y introduire le plat et couvrez autant que possible le plat que vous cuisinez mettre. o Dans la mesure du possible, cuisez les alimentés mouillés à des températures plus élevées. o Ne laissez pas les plats refroidir dans le four.

La cuisson automatique produit normalement de la condensation lorsque le four refroidit avec des aliments à l'intérieur.

Le ventilateur de refroidissement doit-il continuer à fonctionner une fois que l'appareil est éteint?

Oui. Cela permet d'assurer que vous pouvez toujours toucher les boutons de commande pour faire les réglages de température et éteindre votre appareil.

Qu'est-ce qu'un four multifonction?

  • Un four multifonction combine une variété de caractéristiques qui sont expliquées plus haut dans ce manuel. Il vous offre une plus grande souplesse de cuisson.

Levoyant lumineux de mon appareil s'allume et s'éteint continuellement. est-ce normal?

Oui. Dans la plupart des cas, le voyant s'allume et s'éteint, ce qui indique que le four reste à la température que vous avez choisie.

Appelez le service clientèle et demandez la visite d'un technicien dans les cas suivants:

Vous trouvez que le four s'échauffe à une température particulière ; il est peut-être nécessaire de changer le thermostat.

Le ventilateur de refroidissement ne fonctionne pas.

Avertissement: Il existe un risque de décharge électrique, assurez-vous donc que vous avez étend et débranché l'appareil avant de procéder. Laissez toujours l'appareil refroidir avant de changer une ampoule.

Tous les appareils ne possèdent pas le même nombre et le même type d'ampoules. Avant de remplacer une ampoule, ouvrez la porte du four et regardez le type que vous possédez. Reportez-vous ensuite au tableau qui vous aidera à changer votre ampoule correctement.

Les ampoules peuvent être achetées dans des quincailleries (emportez toujours l'ampoule défectueuse avec vous).

N'oubliez pas que les ampoules ne sont pas couvertes par votre garantie.

Nombre d'ampôulesEmplacementTypes de fourInstructions
2Sur les côtésTousEnlever les grilles du four. Saisir la protection en verre sur l'applique et la tirer vers le côté du four. Dévisser l'ampoule et la replacer. Remettre la protection en verre.
1Au fondVentilés/MultifonctionEnlever les grilles du four. Retirer le fond amovible du four en dévisant les 4 vis de sécurité (une à chaque coin). Dévisser la protection en verre en tournant dans le sens contraire des aiguilles d'une montre. Enlever l'ampoule et la replacer. Remettre la protection en verre et le fond du four.
1Au fondConventionnelsEnlever les grilles du four. Dévisser le couvercle en verre en tournant dans le sens contraire des aiguilles d'une montre. Enlever l'ampoule et la replacer. Remettre la protection en verre.

Pour commander ou vous informer sur l'un de ces produits, veuillez appeler le service de vente de pièces détachées au 01 69 11 12 96.

Description du produitCode du produitQuantitéDestination
Filtres carbone rectangulaires0826126202Hottes
Filtres carbone ronds0826115711Hottes
Kit de gratlage pour plaques céramiques0826067811Toutes les tables de cuisson vitrocéramiques, y compris à induction
Nettoyant pour plaques céramiques0826067801Toutes les tables de cuisson vitrocéramiques, y compris à induction
Nettoyant pour plaques électriques0826067831Toutes les tables de cuisson électriques
Nettoyant pour acier inoxydable0826067641Toutes les parties en inox
Aérosol de nettoyage pour fours0826067861Toutes cuisinières, cavités intérieures et vitres
Nettoyant de cuisine multi usages0826067821Nettoyant général de cuisine
E-cloth0828133001Toutes cuisinières, nettoyage des verres et des aciers inoxydables

En cas de problèmes au Royaume-Uni, veuillez appeler le service clientèle de Stoves au

Après avoir composé le numéro de téléphone, vous entendrez un message enregistré et différentes options vous seront proposées. Cela signifie que votre appel a été accepté et que vous êtes en attente. Les appels sont traités successivement, au fur et à mesure que les agents de notre service clientèle se libèrent.

Veuillez vous assurer que vous possédez le numéro de modèle et le numéro de série du modèle lors de votre appel. Ces numéros figurent sur la plaque signalétique argentée placée sur votre produit:

Ouvrir la porte; à côté de la cavité du four

Produits de grill haut niveau à l'intérieur du compartiment de base

Table de cuisson En dessous du produit

Inscrivez les numéros de l'appareil pour vous y reporter à l'avenir:

Numéro de module

Numéro de série

INFORMATIONS DE SERVICE

Date d'achatInstallé parDate d'installation
Lieu d'achat:
DatePièce(s) remplaçée(s)Nom du technician

Les clients résidents en dehors du Royaume-Uni et de l'Irlande du Nord sont priés de contacter leur fournisseur local.

Glen Dimplex Home Appliances Limited est la propriété de la marque Stoves et fait partie du groupe de sociétés Glen Dimplex.

Sommaire Cliquez un titre pour y accéder
Assistant notice
Powered by Anthropic
En attente de votre message
Informations produit

Marque : STOVES

Modèle : PRICHMRS50CCT

Catégorie : Cuisinière électrique