CLAS90 EIRG/B-EU - Plaque de cuisson induction FALCON - Notice d'utilisation et mode d'emploi gratuit
Retrouvez gratuitement la notice de l'appareil CLAS90 EIRG/B-EU FALCON au format PDF.
| Type de plaque | Induction |
| Nombre de zones de cuisson | 4 |
| Puissance totale | Non précisé |
| Commandes | Touches sensitives |
| Affichage | LED |
| Dimensions (L x P) | Non précisé |
| Matériau de surface | Verre céramique |
| Sécurité enfants | Oui |
| Minuterie | Oui |
| Fonction booster | Oui |
| Détection automatique des casseroles | Oui |
| Protection contre la surchauffe | Oui |
| Installation | Encastrable |
| Alimentation | 230 V |
| Poids | Non précisé |
FOIRE AUX QUESTIONS - CLAS90 EIRG/B-EU FALCON
Questions des utilisateurs sur CLAS90 EIRG/B-EU FALCON
0 question sur cet appareil. Repondez a celles que vous connaissez ou posez la votre.
Poser une nouvelle question sur cet appareil
Téléchargez la notice de votre Plaque de cuisson induction au format PDF gratuitement ! Retrouvez votre notice CLAS90 EIRG/B-EU - FALCON et reprennez votre appareil électronique en main. Sur cette page sont publiés tous les documents nécessaires à l'utilisation de votre appareil CLAS90 EIRG/B-EU de la marque FALCON.
MODE D'EMPLOI CLAS90 EIRG/B-EU FALCON
Instructions d'installation et d'entretien

U109977 - 01
- Avant de commencer... 1
- Vue d'ensemble de la Cuisinière 3
- Conseils pour la Cuisson 11
- Nettoyage de la Cuisinière 12
- Dépannage 15
- Installation 17
- Entretien 22
- Schémas de câblage 26
- Fiche technique 28
1. Avant de commencer…
Nous vous remercions d'avoir acheté une cuisinière Falcon. Installée et utilisée correctement, cette cuisinière vous donnera de nombreuses années de service fiable. Il est donc important de lire la présente section avant de commencer, en particulier si vous n'avez jamais utilisé de cuisinière à induction.

Cet appareil est conçu uniquement pour un usage domestique. Toute autre utilisation n'engage ni la responsabilité, ni la garantie du fabricant. En particulier, n'utilisez PAS le four pour chauffer la cuisine – non seulement cette pratique invalidera les réclamations, mais elle constituera un gaspillage d'énergie et un risque de surchauffe des boutons de commande.
Installation et entretien
L'installation électrique doit être conforme à la norme BS 7671, ou à la réglementation nationale et locale en vigueur.
Vérifiez que la cuisine est raccordée à l'alimentation électrique et sous tension.
Demandez à l'installateur de vous indiquer l'emplacement du commutateur de commande de la cuisinière. Notez cet emplacement à des fins de référence.
L'affichage des commandes de la table de cuisson clignotera pendant deux secondes environ à la mise sous tension initiale – ceci est tout à fait normal.
Réglez l'horloge pour permettre le fonctionnement des jours - voir la section appropriée des instructions générées.
La cuisinière doit faire l'objet d'un entretien effectué par un technicien d'entretien qualifié, lequel doit utiliser uniquement des pièces de rechange approuvées.
Laissez toujours la cuisinière refroidir et mettez-la hors tension avant de la nettoyer ou d'effectuer une intervention d'entretien, sauf indication contraire dans les présentes instructions.
Odeur de neuf
Une légère odeur de neuf peut se dégager lors de la première utilisation de la cuisinière. Elle disparaîtra rapidement à l'utilisation.
Avant la première utilisation de l'appareil, assurez-vous qu'il ne reste aucun matériel d'emballage, puis, réglez le four sur 200°C et faites-le marcher pendant une heure afin d'éliminer l'odeur de neuf.
Avant la première utilisation du grill, allumez-le et faites-le marcher pendant 30 minutes, avec la lèchefrite bien en place, et en laissant la porte du grill ouverte.
Veillez à ce que la pièce soit bien ventilée (voir « Ventilation » ci-dessous). Il est recommandé aux personnes souffrant de problèmes respiratoires ou d'allergies de quitter la pièce pendant ce temps.
Ventilation
L'utilisation d'un appareil de cuisson produit de la chaleur et de l'humidité dans la pièce contenant l'appareil. Par conséquent, veillez à ce que la cuisine soit bien ventilée : laissez les ouvertures de ventilation naturelle ouvertes ou installez une hotte aspirante à évacuation extérieure. En cas d'utilisation simultanée de plusieurs brûleurs ou d'utilisation prolongée de la cuisinière, ouvrez une fenêtre ou mettez en marche une hotte aspirante.
Sécurité personnelle
Si vous êtes porteur d'un stimulateur cardiaque ou d'une pompe à insuline implantable : Les fonctions de la table de cuisson sont conformes aux normes européennes en vigueur relatives à l'interférence électromagnétique. Si vous êtes porteur d'un stimulateur cardiaque ou d'une pompe à insuline implantable et êtes inquiet quant aux risques d'interférence, veuillez demander conseil à votre médecin.
Eloignez les objets magnétiques (cartes de crédit et de débit, disques informatiques, calculateurs, etc.) de la table de cuisson lorsque celle-ci est en marche. Les parties accessibles de la cuisinière deviennent chaudes lorsque celle-ci est en marche et resteront chaudes même après la cuisson. Pour prévenir les risques de brûlures, ne laissez pas les bébés ni les enfants s'approcher de la cuisinière et ne portez jamais de vêtements amples ou flottants lors de l'utilisation de la cuisinière. Vérifiez toujours que les commandes sont sur la position Arrêt [OFF] lorsque le four n'est pas en marche et avant de nettoyer la cuisinière. Prenez garde lorsque vous couvetez ou touchez les foyers de la table de cuisson. A Lorsque le four est en marche, ne laissez PAS la porte du four ouverte plus longtemps que nécessaire, afin de prévenir une surchauffe des boutons de commande.
La cuisson d'aliments à haute teneur en eau peut produire une « bouffée de vapeur » à l'ouverture de la porte du four. Lorsque vous ouvrez la porte du four, reculez-vous et attendez que la vapeur se soit dissipée.

Veillez à ce que les produits combustibles, (rideaux, liquides inflammables, etc.) soient toujours suffisamment éloignés de la cuisine.
N'utilisez PAS d'aérosols à proximité de la cuisinière lorsque celle-ci est en marche. Au besoin, utilisez des gants isolants secs - l'emploi de gants humides risque de causer des brûlures dues
à la vapeur lors du contact avec une surface chaude. N'utilise pas de torchon ou autre chiffon épais à la place d'un gant isolant – ils risquent de s'enflammier au contact d'une surface chaude.
Ne faites JAMAIS fonctionner la cuisinière avec les mains mouillées. Ne recouvrez PAS les grilles, les panneaux internes ou la voûte du four de papier aluminium. Ne chauffez JAMAIS de récipients alimentaires qui n'ont pas été ouverts. La pression accumulée à l'intérieur du récipient peut le faire éclater et blesser l'utilisateur. N'utilisez PAS de casseroles instables. Tournez toujours les manches des récipients de cuisson vers l'intérieur de la table de cuisson. Utilisez des récipients de cuisson à fond plat et adaptations à la taille du foyer utilisé. L'utilisation de récipients trop petits exposera une partie du foyer et peut être à l'origine de brûlures.
Ne laissez jamais la table de cuisson en marche sans surveillance si les foyers sont réglés sur haute température. Le débordement des récipients peut produire de la fumée et des taches de gras qui risquent de s'enflammer. Si possible, utilisez un thermomètre à bain de friture pour prévenir une surchauffe de l'huile au-delà du point de fumée.
A Ne laissez JAMAIS une friteuse sans surveillance. Faites toujours chauffer l'huile lentement, en la surveillant. Les friteuses ne doivent être remplies qu'à un tiers de leur capacité. Une friteuse trop pleine peut déborder lorsqu'on y plonge des alimentés. Si vous utilisez un mélange d'huile et de graisse pour la friture, mélangez-les avant de chauffer, ou pendant la fonte des graisses.
Les aliments à frire doivent être les plus secs possibles. La présence de cristaux de glace sur des aliments congelés ou d'humidité sur des aliments frais peut provoquer une ébullition et un débordement de l'huile. Surveillez attentivement pour prévenir les débordements et la surchauffe pendant la friture à haute ou moyenne température. N'essayez jamais de déplacer un récipient de cuisson contenant de l'huile chaude, en particulier une friteuse. Attendez que l'huile ait refroidi.
Lorsque le grill est en marche, ne vous servez pas de la grille d'évacuation (la grille le long de la partie arrière de la cuisinière) pour réchauffer des assiettes ou des plats, sécher des torchons ou ramollir du beurre.
N'utilisez PAS d'eau pour éteindre les incendies dus à la graisse et ne soulevez jamais un récipient de cuisson qui a pris feu. Eteignez la cuisinière et étouffez un récipient qui a pris feu sur une table de cuisson en le recouvrant complètement avec un couvercle de taille appropriée ou une plaque de cuisson. Si possible, utilisez un extincteur à poudre chimique ou à mousse de type polyvalent. Cet appareil est lourd ; prenez garde lorsque vous le déplacez.
Conseils relatifs à la table de cuisson
Ne découpez PAS d'aliments sur la table de cuisson.
Ne laissez pas d'ustensiles, aliments ou produits combustibles sur la table de cuisson lorsqu'elle n'est pas en service (torchon, ou poêle contenant de l'huile, par exemple).
A Ne placez PAS de feuilles en plastique ou en aluminium ou de récipients en plastique sur la table de cuisson. Ne laissiez PAS les foyers allumés en dehors des temps de cuisson. N'autorisez JAMAIS qui que ce soit à grimper ou se tenir sur la table de cuisson.
Ne déposez pas d'objets lourds sur la table de cuisson. Même si la surface en vitrocéramique est très résistante, un impact violent ou la chute accidentelle d'un objet (une salière, par exemple) sur la surface risque de la fissurer.
Dès l'apparition d'une fissure sur la table de cuisson, mettez immédiatement la cuisinière hors tension et faites-la réparer.
SOULEVEZ toujours les récipients pour les retirer de la surface de cuisson. Ne les faites pas glisser sur la surface, car vous risquez de la marquer et de la rayer. Mettez toujours le bouton de commande sur la position arrêt [Off] avant de retirer un récipient.
Ne placez RIEN entre le fond du récipient de cuisson et la surface de cuisson (plaque d'aliment, feuille de papier aluminium ou support de Wok, par exemple).
Veillez à prévenir toute infiltration d'eau dans la cuisinière.
Seuls certains types de récipients en acier inoxydable, acier émaillé ou fonte à fond émaillé peuvent être utilisés sur la table de cuisson à induction.
N'utilisez PAS de produits nettoyants ou tampons de nettoyage abrasifs, aérosols, tampons de nettoyage pour four ou détachants sur la table de cuisson.
Évitez d’essuyer toute partie de la table de cuisson tant que celle-ci n’a pas refroidi et que l’indicateur de chaleur résiduelle n’est pas éteint. Cette recommandation ne s’applique pas aux déversements de substances sucrées (voir « Nettoyage de la cuisine »). Avant nettoyage, utilisez un chiffon sec ou du papier essuie-tout pour éliminer les traces de nettoyant semi-liquide.
Nettoyage
Pour des raisons d'hygiène et de sécurité, la cuisinière doit toujours être propre, afin de prévenir le risque d'incendie causé par l'accumulation de graisse et autres particules alimentaires.
Nettoyez uniquement les composants indiqués dans les instructions.
Nettoyez avec précaution. Si vous utilisez une éponge ou un chiffon humide pour essuyer des taches sur une surface chaude, prenez garde au risque de brûlures par la vapeur.
Certains produits nettoyants peuvent produire des vapeurs nocives au contact d'une surface chaude.
2. Vue d'ensemble de la cuisinière
Fig.2-1
Fig.2-2



Fig.2-3
La cuisinière à induction 90 (Fig.2-1) comprend :
A. Cinq foyers de cuisson à induction B. Un panneau de commande C. Un grill coulissant « Glide-out » D. Un four ventilé principal E. Un four ventilé haut
Table de cuisson
Utilisez uniquement des récipients de cuisson conçus pour les tables de cuisson à induction. Nous recommandons l'emploi de récipients de cuisson en acier inoxydable, en acier émaillé ou en fonte à fond émaillé. Certains récipients en acier inoxydable ne conviennent pas pour les tables de cuisson à induction; vérifiez soigneusement avant l'achat.
N'utilisez pas de récipients en cuivre, aluminium ou céramique sur les tables de cuisson à induction. Le type de récipient de cuisson utilisé et la quantité d'aliments ont une incidence sur le réglage requis. Pour les quantités d'aliments importantes, utilisez un réglage plus élevé.
Utilisez des casseroles à fond émaillé, lisse et plat (Fig.2-2). Ceci permet un transfert de chaleur optimal entre la table de cuisson et le réseau, et donc une cuisson plus rapide et plus économique. N'utilise jamais de Wok à fond rond, même avec un support.
Les récipients de cuisson les mieux adaptés sont ceux qui, à l'état froid, sont très légèrement bombés vers l'intérieur (Fig.2-3). En plaçant une règle sur le fond de ces récipients,
on peut constater que la surface est légèrement incurvée vers le milieu. Sous l'effet de la chaleur, le métal se dilate et la totalité du fond du récipient de cuisson est en contact avec la surface de cuisson.
Veillez à ce que le fond du récipient de cuisson soit propre et sec pour éviter que des résidus d'aliments ne brûlent et n'attachent sur la table de cuisson. Ceci permet également de prévenir les rayures et les dépôts.
Utilisez toujours des récipients de même taille (ou légèrement plus grands) que le diamètre indiqué sur la surface de cuisson. Utilisez un couvercle sur les récipients de cuisson pour porter à ébullition plus rapidement.

Faites toujours attention avant de toucher la table de cuisson, car, même éteinte, celle-ci peut être encore chaude!
La table de cuisson à induction comprend cinq foyers contenant des éléments à induction de puissances et diamètres différents (Fig.2-4), chacun doté d'un détecteur de récipient et d'un indicateur de chaleur résiduelle, et un affichage des commandes.
L'affichage des commandes de la table de cuisson (Fig.2-5) vous informe sur les fonctions de la table, à l'aide des symboles suivants :
Détetection de récipient de cuisson H Indicateur de chaleur résiduelle R Chauffage automatique L Verrouillage sécurité enfants
Détecttion de récipient de cuisson,
Si un foyer est en marche et qu'il n'y a pas de récipient de cuisson sur celui-ci ou si le récipient est trop petit pour le foyer, la table n'émettra pas de chaleur. Le symbole [u] apparaîtra sur l'affichage des commandes de la table ; il s'agit du « symbole Absence de récipient ». Placez un récipient de taille appropriée sur le foyer, le symbole [u] disparaîtra et la cuisson pourrait commencer. Si, après 10 minutes, il n'y a toujours pas de détection de récipient, le foyer s'éteindra automatiquement.
Le Tableau 2-1 indique les dimensions de récipients minimales recommandées pour chaque foyer.
Remarque: L'utilisation de récipients de diamètres inférieurs aux dimensions recommandées aura pour effet une diminution de la puissance.
Indicateur de chaleur résiduelle, h
Après usage, un foyer restera chaud pendant un certain temps, jusqu'à dissipation totale de la chaleur. APRÈS arrêt d'un foyer, le symbole de l'indicateur de chaleur résiduelle [H ] apparaitra sur l'affichage de la table de cuisson. Ceci indique que la température du foyer est supérieure à 60°C et qu'il y a encore un risque de brûlure. Le symbole [H] s'éteint lorsque la température est inférieure à 60°C.
Chauffage automatique, r
Cette fonction est disponible pour tous les foyers de la table de cuisson. Elle permet un chauffage rapide de l'élément du foyer jusqu'à la température de cuisson requise. Lorsque le


Tableau 2-1
| Cuisson de la zone | Diamètre minimum de casserole (fond de casserole) mm |
| Gauche avant | 140 |
| Gauche arrière | 180 |
| Centre | 180 |
| Droite arrière | 180 |
| Droite avant | 140 |
Tableau 2-2
| Niveau de puissance | Automatique réchauffez le temps à 100% (min:secs) |
| 1 | 0:48 |
| 2 | 2:24 |
| 3 | 3:48 |
| 4 | 5:12 |
| 5 | 6:48 |
| 6 | 2:00 |
| 7 | 2:48 |
| 8 | 3:36 |
| 9 | 0:10 |

foyer a atteint la température requise, la puissance diminue automatiquement jusqu'au niveau de puissance sélectionné.
Pour sélectionner cette fonction, tournez le bouton de commande momentanément en sens antihoraire jusqu'à l'affichage du symbole [R] sur l'affichage des commandes de la table de cuisson. Tournez ensuite le bouton de commande pour le mettre sur le niveau de puissance requis (1 à 9). Le récipient est chauffé à 100% pendant une durée spécifiée, puis au niveau de puissance sélectionné.
Après activation de la fonction Chauffage automatique, l'affichage des commandes de la table de cuisson clignotera, alternant entre le réglage [R] et le niveau de puissance sélectionné.
À la fin du chauffage automatique, l'affichage cessera de clignoter et affichera seulement le niveau de puissance sélectionné.
La fonction Chauffage automatique peut être désactivée de deux façons : par rotation du bouton de commande pour le remettre sur le réglage de puissance « 0 » ou par rotation du bouton de commande pour le mettre sur le réglage de puissance « 9 »
A titre indicatif, le Tableau 2-2 indique la durée disponible à 100% de puissance, en fonction du niveau de puissance sélectionné en mode Chauffage automatique.
La table de cuisson peut être verrouillée pour empêcher son utilisation accidentelle par des enfants.
Pour verrouiller la table de cuisson, activez puis désactivez une des commandes de la table pour permettre l'affichage de la table, puis tournez simultanément les deux commandes à induction arrière externes en sens antihoraire (Fig. 2-6) jusqu'à l'affichage du symbole [L] sur l'affichage des commandes de la table de cuisson pour tous les foyers.
Ceci sera SANS effet sur le fonctionnement des fours ou du gril.
Pour déverrouiller la table de cuisson, tournez simultanément les deux commandes à induction arrière externes en sens antihoraire jusqu'à la disparition du symbole [L].
Protection contre le fonctionnement à sec
Cette fonction détecte l'augmentation rapide de la température du réseau de cuisson et maintient cette température à un niveau sûr. Elle ne gène pas la cuisson normale.
Veillez à ne pas laisser la table de cuisson en marche sans surveillance. Veillez à ne pas laisser les récipients de cuisson fonctionner à sec après ébullition.
Grill
Retirez la l'échefrite de la partie inférieure de l'enceinte du grill (Fig. 2-7).
Le grill a deux éléments qui permettent de chauffer la totalité de la l'échefrite ou seulement la partie droite de cette-ci.
Tournez le bouton de commande pour régler la chaleur du gril. Pour un chauffage total, tournez le bouton en sens horaire (Fig.2-8).
Pour le chauffage de la partie droite, tournez le bouton en sens antihoraire. Le voyant à côté de la commande du grill s'allumera.
La grille de la lèchefrite est réversible pour permettre deux positions de grill (Fig. 2-9).
Pour obtenir les meilleurs résultats possibles, préchauffez le grill pendant 2 minutes avec le support du grill en place. Vous pouvez retirer la lèchefrite et y déposer les aliments pendant le préchauffage.
Après le préchauffage, retirez la lèchefrite de l'enceinte du grill. Replacez la lèchefrite et réinsérez le support du grill dans l'enceinte du grill. Vérifiez qu'il est inséré jusqu'à la « butée arrière »

Des composants accessibles risquent de devenir chauds pendant l'utilisation du grill. Éloignez les enfants de la cuisinière.
Ne laissez jamais le grill en marche pendant plus de quelques instants si la l'échefrite n'est pas en place sous le grill.

Ne fermez jamais la porte du grill lorsque celui-ci est en marche.
Fours
L'horloge doit être réglée sur l'heure pour que le four droit puisse fonctionner. Voir les instructions de la section « Horloge » pour le réglage de l'heure.
Remarque - Les références au four gauche et droit s'entendent vu de l'avant.
Les jours sont des jours ventilés (Fig.2-10) dans lesquels les ventilateurs brassent l'air chaud continuellement, assurant ainsi une cuisson plus rapide et plus uniforme.
Pour les deux jours, tournez le bouton de réglage de température pour le mettre sur la température requise (Fig.2-11).
Le voyant du four sera allumé jusqu'à ce que le four atteigne la température requise. Il s'allumera et s'éteindra pendant la cuisson (Fig.2-12).
Pendant la cuisson d'aliments à haute teneur en eau, un peu de vapeur peut être visible à la grille à l'arrière du chauffe-plats. Ceci est tout à fait normal.





Fig.2-13


A-Minute minder, B-Cook'time, C-Stop'time,
D - Manuel, E & F - Boutons de réglage du temps
Fig.2-14

Fig.2-15


Fig.2-16


Fig.2-17


Fig.2-18


Fig.2-19



Réglage de l'heure
L'horloge est montrée dedans (Fig.2-13). Après l'accordement initial de l'horloge, l'affichage clignotera pour indiquer (0.00) et ( ) alternativement.
Press and hold both the [ ] and [ ] buttons as shown in Fig.2-14. En même temps, appuyez sur (-) ou (+) jusqu'à l'affichage du temps de cuisson requis. N'oubliez pas qu'il s'agit d'une horloge 24 heures. Si vous faites une erreur ou si vous trompez de bouton, mettez l'appareil hors tension pendant une ou deux minutes, puis recommencez la procédure.
Minuterie
Appuyez sans relâcher sur la minuterie (Ω) (Fig. 2-15). En même temps, appuyez sur (-) ou (+) jusqu'à l'affichage du temps de cuisson requis (Fig. 2-16).
Vous pouvez vérifier le temps de cuisson qui reste en appuyant sur (), et annuler le signal sonore en appuyant encore une fois sur ().
Arrêt automatique du four gauche
Appuyez sans relâcher sur le bouton Heure d'arrêt (), (Fig. 2-17). En même temps, appuyez sur (-) ou (+) jusqu'à ce que l'heure d'arrêt s'affiche. AUTO sera affiché.
Le signal sonore indiquera la fin de la cuisson à l'heure prévue. Mettez d'abord le bouton de commande du four sur la position 0 (Arrêt), puis appuyez une fois sur () pour arrêter le signal sonore, appuyez de nouveau sur () pour revenir au fonctionnement manuel.
Mise en marche et arrêt du four gauche avec minuterie
Avant de régler la minuterie, CHOISSEZ le « temps de cuisson », c'est-à-dire la durée pendant laquelle vous voulez que le four fonctionne, et « l'heure d'arrêt », c'est-à-dire l'heure à laquelle vous voulez que le four s'arrête.
Vous ne pouvez pas régler directement une heure de mise en marche – celle-ci est réglée automatiquement lors de la sélection du temps de cuisson et de l'heure d'arrêt.
Appuyez sans relâcher sur le bouton Temps de cuisson (®, (Fig.2-18)). En même temps, appuyez sur (-) ou (+) jusqu'à l'affichage du temps de cuisson requis.
Appuyez sans relâcher sur le bouton Heure d'arrêt (□), (Fig.2-19). En même temps, appuyez sur (-) ou (+) jusqu'à l'heure d'arrêt s'affiche.
AUTO sera affiché.
Réglez le four sur la température requise. Le signal sonore indiquera la fin de la cuisson. METTEZ D'ABORD LE BOUTON DE COMMANDE DU FOUR SUR LA POSITION 0 (Arrêt), puis appuyez une fois sur () pour arrêter le signal sonore, appuyez de nouveau sur () pour revenir au fonctionnement manuel.
AUTO est affiché, et vous devez remettre le four sur fonctionnement manuel
Lorsqu'on annule un réglage automatique, tout temps de cuisson préréglé doit être remis sur (0.00) avant qu'on puisse revenir au fonctionnement manuel en appuyant sur le bouton ().
Fonction de verrouillage
Après activation de la fonction de verrouillage, le four droit peut fonctionner normalement, mais le four gauche est verrouillé et ne s'allumera pas.
Activation de la fonction de verrouillage
Vérifiez que l'horloge est sur le mode manuel et annulez tout programme en cours.
Appuyez sans relâcher sur les boutons Minuterie (♀) et Temps de caisson (♂) pendant 8 secondes environ. « On » ([Marche]) sera affiché (Fig.2-20).
Appuyez une fois sur le bouton « + ». Le symbole clé (†) et « OF » (Arrêt) s'afficheront (Fig.2-21). Relâchez les boutons.
Le four gauche est à présent verrouillé, comme indiqué par l'affichage de l'heure et du symbole clé (†), (Fig.2-22).
Désactivation de la fonction de verrouillage
Appuyez sans relâcher sur les boutons Minuterie (♀) et Temps de caisson (♂) pendant 8 secondes environ. « Off » (Arrêt) sera affiché (Fig.2-23).
Appuyez une fois sur le bouton « + ». Le symbole de clé (!) disparaît et « On » ([Marche]) s'affiche (Fig.2-24). Relâchez les boutons.
Après quelques secondes, l'heure est de nouveau affichée.
Le four gauche peut être à présent utilisé normalement.
Fig.2-20
Fig.2-21
Fig.2-22
Fig. 2-23 Fig. 2-24

Fig.2-25 A - Vue d'en haut, B - Vue de côté, C - Garde d'étagère, D - Avant Le protège-grille doit être à l'arrière, et pointer vers le haut
Fig.2-26
A - Étagère plate, B - Étagère de baisse
Fig.2-27
Fig.2-28
Fig.2-29
Fig.2-30
Fig.2-31
Fig.2-32
Fig.2-33
Fig.2-34
Grilles de four - four gauche (four principal)
Outre la grille plate (Fig.2-25), la cuisinière est fournie avec une grille surbaissée (Fig.2-26), qui augmente les possibilités d'espacement entre les grilles de four.
Les grilles de four s'insèrent et s'extrait facilement.
Tirez la grille vers l'avant jusqu'à ce que l'arrière de la grille soit arrêté par les butées d'arrêt latérales du four (Fig.2-27).
Soulevez l'avant de la grille pour faire passer l'arrière de la grille sous la butée d'arrêt, puis tirez la grille vers l'avant (Fig.2-28).
Pour remettre la grille en place, mettez la grille à niveau avec une glissière latérale du four, puis insérez la grille à fond jusqu'à ce que les extrémités soient en contact avec la butée d'arrêt de la grille. Soulevez l'avant de la grille pour que les extrémités puissent dépasser les butées, puis abaissez l'avant pour permettre la grille à l'horizontal, avant de l'insérer à fond (Fig.2-29).
Grilles de four - four chaud (four haut)
Le four haut est doté de quatre grilles plates (Fig.2-30), et une grille chauffe-plat (Fig.2-31).
Lors de l'utilisation du four haut, vous pouvez faire cuire des aliments sur les quatre grilles simultanément, mais veillez à ce que les plats soient bien écartés les uns des autres pour permettre à l'air chaud de circuler.
Le Handyrack (Fig.2-32) se monte uniquement sur la porte du four principal gauche. Il est facile de surveiller les aliments cuisant ainsi car vous pouvez y acceder lorsque la porte est ouverte.
Le Handyrack peut supporter un poids maximum de 5,5 kg. Il ne doit être utilisé qu’avec le plat à rôtir fourni, qui est spécialement conçu pour être utilisé avec le Handyrack. Tout autre réseau de cuisson risque d’être instable.
D'autres plats à rôtir sont disponibles dans notre gamme d'ustensiles de cuisine – Référence de pièce RM027.
Vous pouvez le monter sur deux positions. Retirez une des grilles et placez l'autre selon les besoins.
Lorsque le Handyrack est utilisé sur sa position supérieure, d'autres plats peuvent être cuits sur une grille placée à la position inférieure ou placée directement sur la sole du four.
Lorsque le Handyrack est utilisé sur sa position inférieure, d'autres plats peuvent être cuits directement sur la sole du four.
Pour monter le Handyrack, placez un côté sur le support de la porte (Fig.2-33).
Extraire l'autre côté pour l'accrocher sur l'autre support (Fig.2-34).
Eclairage du four
Appuyez sur le bouton approprié pour allumer l'éclairage du four (Fig. 2-35).
Si l'éclairage est défectueux, mettez la cuisinière hors tension avant de changer l'ampoule. Pour des informations détaillées sur la façon de changer une ampoule de four, reportez-vous à la section « Dépannage ».
Fig.2-35
Conseils pour la cuisson avec minuterie
Si vous désirez cuire plusieurs plats simultanément, choisissez des plats nécessitant approximativement le même temps de cuisson. Cependant, la cuisson de certains plats peut être légèrement « ralentie » en utilisant des petits plats de cuisson et en les recouvrant d'une feuille de papier aluminium, ou « accélérée » en utilisant de plus petites quantités ou des plats de cuisson plus grands.
Ne place pas des aliments chauds dans le four qui sera utilisé avec la fonction minuterie. N'utilise pas un four déjà chaud avec la fonction minuterie. N'utilise pas la fonction minuterie avec un four si le four adjacent est déjà chaud.
Décongelez complètement les volailles entières avant de les mettre au four. Assurez-vous que les viandes et volailles sont bien cuites avant de les servir.
Conseils généraux pour la cuisson au four
Veillez à ce que les grilles soient toujours insérées à fond dans le four.
Placez les plaques de cuisson, plats à rôtir, etc., à niveau, au centre des grilles du four. Éloignez les plaques et les plats de cuisson des bords du four, afin de ne pas trop dorer les aliments.
Pour dorer un plat uniformément, il est recommandé d'utiliser une plaque de cuisson de dimensions maximales 340 mm x 340 mm.
- Laissez toujours un « doigt de largeur » entre des plats placés sur une grille de four. Ceci afin de faciliter la circulation de chaleur autour des plats.
- Les panneaux internes autonettoyants (voir la section « Nettoyage de la cuisine ») sont plus efficaces lorsqu'on évite les projections grasses. Couvrez la viande pendant la cuisson. Pour réduire les projections grasses lorsque vous ajoutez des légumes dans la graisse chaude autour d'un rôti, séchez soigneusement les légumes ou enduisez-les d'un peu d'huile à friture.
- Si vous souhaitez dorer un fond de tarte, préchauffez une plaque de cuisson pendant 15 minutes avant de placer le plat au centre de la plaque.
- Placez les plats susceptibles de bouillir et déborder pendant la cuisson sur une plaque de cuisson.
Informations importantes
Avant un nettoyage complet, mettez la cuisinière hors tension. Laissez-la ensuite refroidir.
N'utilisez jamais de solvants pour peinture, de cristaux de soude, de nettoyants caustiques, de poudres biologiques, d'eau de Javel, de nettoyants chlorés, ni de produits abrasifs à gros grain ou de sel. Ne mélangez pas plusieurs produits nettoyants, car ils risquent de réagir entre eux et d'avoir des effets nocifs.
Toutes les parties de la cuisinière peuvent être lavées à l'eau savonneuse chaude – mais veillez à prévenir toute infiltration d'eau dans l'appareil.
N'oubliez pas de remettre sous tension et de régler de nouveau l'horloge avant d'utiliser la cuisinière.
Nous avons développé une gamme de produits nettoyants qui permettent d'obtenir des résultats optimaux sans abimer les surfaces émaillées et peintes. Des informations complémentaires figurent dans la brochure Collection Ustensiles de cuisine [Cookware Collection] fournie avec votre cuisinière ou sur notre site Internet www.rangemastercookshop.co.uk.
N'oubliez pas de remettre sous tension et de régler de nouveau l'horloge avant d'utiliser la cuisinière.
Entretien quotidien
Vérifiez tout d'abord que tous les indicateurs de chaleur résiduelle sont éteints et que la table de cuisson a refroidi. Appliquez une petite quantité de nettoyant semi-liquide pour surface vitrocéramique au centre de chaque zone à nettoyer. À l'aide de papier essuie-tout propre et humide, étalez le produit nettoyant sur la surface de cuisson. Pour finir, essuyez la surface avec du papier essuie-tout propre et sec.
Nettoyage des déversements accidentels
En cas de déversement ou débordement accidentel pendant la cuisson, éteignez la cuisinière et essuyez autour de la zone chaude avec du papier essuie-tout propre. Si les aliments renversés (autres qu'une substance sucrée) se trouvent sur une zone chaude de la table de cuisson, attendez que celle-ci ait entièrement refroidi pour nettoyer et suivez les instructions ci-dessous (« Nettoyage des déversements brûlés »).
En cas de fonte accidentelle d'un objet ou de déversement d'aliments à forte teneur en sucre (confiture, sauce tomate, jus de fruit, etc.), ENLEVEZ IMMEDIATEMENT les aliments déversés à l'aide d'un racloir à lame pendant que la table est encore chaude.
IMPORTANT: Utilisez un gant isolant pour ne pas vous brûler.


Raclez le plus gros des aliments déversés ou de toute matière qui aurait fondu sur la zone de cuisson et poussez-les vers une zone froide. Mettez ensuite la cuisinière sur la position Arrêt [OFF] et laissez-la refroidir avant de continuer le nettoyage. Lorsque la surface de cuisson a refroidi et que les indicateurs de chaleur résiduelle sont éteints, suivez la procédure de nettoyage quotidien décrite plus haut.
Nettoyage des développements brûlés
Vérifiez que les indicateurs de chaleur résiduelle sont éteints et que la table de cuisson a refroidi. Retirez toute matière brûlée à l'aide d'un racloir à lame simple. Tenez le racloir à un angle d'environ au-dessus de la surface et raclez pour éliminer les dépôts (Fig.4-1).
Lorsque le plus gros a été enlevé à l'aide du racloir, suivez la procédure de nettoyage quotidien décrite plus haut.
Grill
Lavez la lèchefrite et la grille à l'eau savonneuse chaude. Après les grillades de viandes ou d'aliments salissants, faites tremper dans l'évier pendant quelques minutes, immédiatement après la cuisson. Les taches tenaces sur la grille peuvent être enlevées à l'aide d'une brosse en nylon. La lèchefrite peut aussi être lavée au lave-vaisselle.

Avant de démonter des composants du grill pour les nettoyer, assurez-vous qu'ils ont refroidi ou protégez-vous avec des gants isolants.
N'utilisez pas de produit abrasif.
Panneau de commande et portes
N'utilise pas des produits nettoyants abrasifs, y compris des produits nettoyants semi-liquides, sur les surfaces en acier inoxydable brossé. Les meilleurs résultats s'obtiennent avec des détergents liquides.
Le panneau et les boutons de commande doivent être nettoyés uniquement avec un chiffon doux imbibé d'eau savonneuse chaude. Après nettoyage, lustrez à l'aide d'un chiffon sec.
Fours
Les panneaux avant des portes de fours peuvent être retirés pour permettre le nettoyage des panneaux en verre. Tirez la cuisinière vers l'avant pour pouvoir accéder aux parties latérales (voir la section « Déplacement de la cuisinière » des instructions générales).
Panneau de porte
Entrouvez la porte du four et retirez les vis de fixation du panneau avant des côtés de la porte (deux de chaque côté) (Fig. 4-2).
Soulevez le panneau de porte extérieur avec précaution. Vous pouvez à présent nettoyer la face intérieure des panneaux, en veillant à ne pas déplacer ni mouiller les joints d'étanchéité de la porte.
Après nettoyage, reposez le panneau de porte extérieur avec précaution et replacez les vis de fixation.
Panneaux autonettoyants
Le four principal est doté de panneaux à revêtement émaillé partiellement autonettoyants. Ceci n'empêche pas complètement la formation de taches sur le revêtement, mais réduit le nettoyage manuel nécessaire.
Le nettoyage automatique des panneaux est plus efficace à une température supérieure à 200°C. Si, en général, vous utilisez le four à des températures inférieures, retirez occasionnellement les panneaux et essuyez-les avec un chiffon non pelucheux imbibé d'eau savonneuse chaude. Séchez et replacez les panneaux dans le four chauffé à 200°C pendant environ une heure. Ceci assurera un bon fonctionnement des panneaux autonettoyants.
Dépose des panneaux pour le nettoyage de l'intérieur émaillé
Si vous souhaitez nettoyer l'intérieur émailé du four, vous devrez démonter les grilles et les panneaux au tonettoyants.
Le four principal de ventilateur a un toit démontable de four. Dévissez le revêtement de toit et enlevez (Fig.4-3).
Chaque panneau latéral est maintenu en place par quatre vis de fixation. Il n'est pas nécessaire de retirer les vis pour retirer les panneaux - soulevez les panneaux latéraux pour les dégager des vis. Tirez-les ensuite vers l'avant (Fig.4-4).
Après dépose des panneaux, vous pouvez nettoyer l'intérieur en émaillage du four.

N'utilise pas de paille de fer ou tout autre matériel susceptible de rayer la surface.
Four haut
Pour nettoyer les parois du four, retirez les grilles, décrochez et retirez les supports latéraux (Fig. 4-5).



5. Dépannage
NE PAS faire effectuer de modifications ou de réparations de la table de cuisson par des personnes non qualifiées. N'essayez pas de réparer la table de cuisson ; vous risquez de vous blesser et d'endommager la table. Faites effectuer la réparation par une personne compétente.
Remarque: La table de cuisson à induction est dotée d'un système de diagnostic automatique et peut afficher ces diagnostics sur l'affichage des commandes de la table. Des codes d'erreur peuvent être affichés dans le cas d'un fonctionnement défectueux de la table de cuisson.
Les informations ci-dessous pourront vous être utiles pour remédier au problème en cas d'affichage d'un code d'erreur ou de fonctionnement défectueux de la cuisine.
Affichage du code d'erreur E2
L'unité électronique est trop chaude. Vérifiez l'installation de la cuisinière, pour vous assurer que la ventilation en place est suffisante. Dans des cas extrêmes, ce code d'erreur peut être affiché si un récipient de cuisson continue de fonctionner à sec après ébullition. En cas de doute, veuillez contacter votre installateur ou un réparateur qualifié.
Absence d'affichage
Surtension ou absence de tension d'alimentation de la cuisinière. En cas de doute, veuillez contacter votre installateur ou un réparateur qualifié.
Affichage du code d'erreur erxx ou ex
L'appareil présente un problème technique interne qui ne peut pas être rectifié par l'utilisateur. Veuillez contacter votre installateur ou un réparateur qualifié.
Le fusible saute ou le disjoncteur différentiel est déclenché fréquemment
Veuillez contacter votre installateur ou un réparateur qualifié.
La table de cuisson ne se met pas en marche
Votre système électrique domestique a-t-il fait sauter un fusible ou déclenché un disjoncteur différentiel ?
La table de cuisson a-t-elle été connectée correctement à l'alimentation secteur ?
La fonction verrouillage sécurité enfants a-t-elle été activée ? Voir la section Verrouillage sécurité enfants pour plus d'informations sur cette fonction.
La table de cuisson à induction est bruyante
Lors de l'utilisation de la table de cuisson à induction, un « bruit » peut être audible au niveau des foyers. Ceci est normal et peut être plus audible dans le cas d'une cuisson aux puissances maximales ou de l'utilisation simultanée des cinq foyers. Le type de récipient de cuisson peut aussi contribuer à ce « bruit ».
Une fissure est visible sur la surface de la table de cuisson
Mettez immédiatement la cuisinière hors tension et faites-la réparer. N'utilisez pas la cuisinière tant qu'elle n'a pas été réparée.
La table de cuisson est rayée
Utilisez toujours les méthodes de nettoyage recommandées dans les présentes instructions, et veillez à utiliser des éléments de cuisson à fond lisse et propre. Les traces laissées par les éléments en aluminium et en cuivre, de même que les dépôts minéraux dus à l'eau et aux aliments, peuvent être éliminés à l'aide d'un produit nettoyant semi-liquide. Il n'est pas toujours possible d'éliminer les toutes petites rayures, mais celles-ci s'estomperont à la longue après plusieurs nettoyages.
Le ventilateur du four est bruyant
Le bruit du ventilateur peut changer pendant le chauffage du four. Ici, c'est tout à fait normal.
Le gril ne cuit pas correctement
Utilisez-vous la lèchefrite et la grille fournies avec la cuisine ? Utilisez-vous la lèchefrite sur les glissières et non pas directement sur la surface inférieure de l’enceinte du gril ? La lèchefrite est-elle insérée à fond jusqu’à la butée arrête ?
Ceci est dû à la chaleur provenant du four ou du grill. Ne laissez pas la porte du four ouverte. Lorsque vous utilisez le grill, assurez-vous que la lèchefrite du grill est bien insérée jusqu'à la butée arrêt.
Laissez toujours la porte de l'enceinte du grill fermée pendant l'utilisation du grill.
En cas de problème concernant l'installation, si mon installateur d'origine ne peut pas venir résoudre le problème, à qui incombent les frais?
C'est à vous qu'incombent ces frais. Les sociétés d'entretien factureront leurs interventions si elles réparent une installation effectuée par votre installateur d'origine. Il est de votre intérêt de contacter votre installateur d'origine.
Panne de courant
En cas de panne de courant, n'oubliez pas de régler de nouveau l'horloge pour permettre le fonctionnement automatique du four.
Les alimentés cessent trop lentement, trop rapidement, ou brûlent
Les temps de cuisson peuvent être différents de ceux de votre ancien four. Ajustez les réglages en fonction de vos goûts individuels.
Les alimentés cessent trop lentement, trop rapidement, ou brûlent
Les temps de cuisson peuvent être différents de ceux de votre ancien four. Ajustez les réglages en fonction de vos goûts individuels.
La cuisson au four n'est pas uniforme
N'utilise pas de plat ou de plaque de cuisson de dimensions supérieures à celles indiquées dans la section « Conseils généraux pour la cuisson au four »
Dans le cas d'un grand plat, vous devrez peut-être le tourner pendant la cuisson.
Si vous utilisez deux grilles, vérifiez qu'il y a assez de place pour permettre à la chaleur de circuler. Lorsque vous insérez une plaque de cuisson dans le four, veillez à la placer au centre de la grille.
Vérifiez que le joint d'étanchéité de la porte n'est pas endommagé et que le loquet de porte est réglé de façon à ce que la porte soit bien appuyée contre le joint.
Un récipient d'eau placé sur la grille doit avoir une profondeur uniforme. (S'il est plus profond à l'arête, par exemple, l'arête de la cuisinière doit être levée ou l'avant de la cuisinière abaissé). Si la cuisinière n'est pas à niveau, demandez à votre fournisseur de la déterminer à niveau.
Le four ne s'allume pas lorsqu'il est mis en marche manuellement
L'appareil est-il sous tension ? L'horloge est-elle éclairée ? Si ce n'est pas le cas, l'alimentation électrique est peut-être défectueuse. Le sectionneur de l'alimentation électrique de la cuisine est-il sur la position Marche ?
L'heure a-t-elle été réglée?
Le symbole clé (♀) s'affiche-t-il pour indiquer le verrouillage du four ? Reportez-vous à la section « Horloge » des instructions pour un complément d'informations sur la fonction de verrouillage.
Le four ne s'allume pas avec la mise en marche automatique
Le bouton de commande du four a-t-il été laissé par erreur sur ARRET (OFF)? Le four est-il verrouillé (voir ci-dessus)?
Si le fait de mettre le bouton de réglage sur une température inférieure n'a pas eu d'effet ou a eu un effet temporaire, vous devrez peut-être remplacer le thermostat. Cette intervention doit être effectuée par un spécialiste de l'entretien.
L'éclairage du four ne fonctionne pas
L'ampoule a probablement grillé. Vous pouvez acheter une ampoule de rechange (non couverte par la garantie) dans un magasin d'accessoires électriques. Demandez une ampoule à culot vissable Edison 15W 240V, POUR FOURS. Cette ampoule doit pouvoir résister à une température de 300°C. Veuillez vous reporter à la brochure « Conseils à la clientèle » pour vous procurer des pièces de rechange par correspondance.
Avant de retirer l'ampoule usagée, mettez la cuisinière hors tension et assurez-vous que le four a refroidi. Ouvrez la porte du four et retirez les grilles du four.
Dévissez le couvercle de l'ampoule en tournant en sens antihoraire (il peut être très difficile à dévisser).
Dévissez l'ampoule (sens antihoraire), en vous protégeant les mains avec un gant pour ne pas vous blesser.
Vissez l'ampoule de rechange, puis revissez le couvercle de l'ampoule. Remettez l'appareil sous tension et contrôlez le fonctionnement de l'éclairage.
Installation
Une fois le travail terminé, vérifie que les alimentations d'électricité sont correctement rebranchées.
6. Installation
Avant de commencer l'installation, veuillez remplir la fiche ci-dessous. Ceci permettra à votre client de vous contacter facilement en cas de problème relatif à l'installation.
| Nom de l'installateur |
| Société de l'installateur |
| Numéro de telephone de l'installateur |
| Numéro de série d'appareils |
Prescriptions de sécurité
Cette cuisine doit être installée dans un endroit bien ventilé, conformément aux indications figurant dans la section intitulée « Raccordement électrique ».
Lisez les instructions générales avant d'installer ou d'utiliser cet appareil.
Ventilation
Cet appareil n'est pas raccordé à un dispositif d'évacuation des produits de combustion. Prêtez particulièrement attention à la réglementation en vigueur concernant la ventilation.
Toutes les pièces nécessitent une fenêtre ouvrable ou un dispositif équivalent, et certaines pièces nécessitent une mise à l'air libre permanente en plus de la fenêtre ouvrable.
Emplacement de la cuisinière
La cuisinière peut être installée dans une cuisine/un salon-cuisine, mais PAS dans une pièce contenant une baignoire ou une douche.
Cet appareil est donc uniquement pour un usage domestique. Toute autre utilisation n'engage ni la responsabilité, ni la garantie du fabricant.
L'installation de la cuisinière nécessitera l'emploi du matériel indiqué ci-dessous:
- Multimètre (pour les contrôles électriques)
- Outil de mise à niveau de la cuisinière avec clés hexagonales (fournis avec la cuisinière)
Vous aurez aussi besoin des outils suivants:
- Perceuse électrique
- Foret à maçonnerie (nécessaire seulement pour montage sur sol en pierre ou en béton)
- Chevilles Rawlplugs (nécessaires seulement pour montage sur sol en pierre ou en béton)
- Metre en acier
- Tournevis cruciforme
- Tournevis à lame plate
- Niveau à bulle
- Crayon
- Clé réglable
Vérification des pièces:
| Outil de mise à niveau de la cuisine et clés hexagonales | Grille de l'echefrite |
| 1 grille de four plates et 1 grille surbaissée | Handyrack |
| Plat à rôtir | Plinthe |
| Grilles et supports de grilles de four haut | Dosseret |
Positionnement de la cuisinière
La Fig. 6-1 indique les cotes minimales recommandées entre la cuisinière et les surfaces adjacentes. Ne placez pas la cuisinière sur un support.
Le pourtour de la table de cuisson doit être au niveau ou au-dessus de tout plan de travail adjacent. Laissez un espace de 75 mm AU-DESSUS du niveau de la table de cuisson entre chaque côté de la cuisinière et toute surface verticale adjacente.
Pour les surfaces non combustibles (telles que le métal non peint ou les carrelages), cette cote peut être de 25 mm. Laissez un espace de 650 mm au minimum entre la partie supérieure de la table de cuisson et une surface horizontalement combustible. La Fig. 6-2 indique les dégagements recommandés au-dessus de la cuisinière.
Toute hotte de cuisinière doit être installée conformément aux instructions du fabricant de hotte.
Les surfaces des meubles et des murs de chaque côté et à l’arrière de l’appareil doivent être résistantes à la chaleur, aux éclaboussures et à la vapeur. Certains types de meubles de cuisine en vinyle ou en stratifié sont particulièrement susceptibles aux risques de dommages thermiques et de décoloration. Nous déclinons toute responsabilité pour des dommages résultant d’une utilisation normale de la cuisinière et subis par des matériaux qui se décollent ou se décolorent à des températures de moins de 65°C au-dessus de la température ambiante.
Nous recommandons de laisser un espace de 920 mm entre les unités pour permettre le déplacement de la cuisinière. La cuisinière ne doit pas être encastrée. Elle doit pouvoir être déplacée vers l'avant et vers l'arrière pour le nettoyage et l'entretien.
Si la cuisinière est près d'un coin de la cuisine, un dégagement de 130 mm est nécessaire pour permettre l'ouverture des portes du four (Fig. 6-3). La cote d'ouverture des portes est légèrement inférieure à ce dégagement, mais ceci inclut une marge de sécurité pour la protection des mains lors de l'ouverture de la porte.
Déballage de la cuisinière
N'enlevez aucun emballage de la cuisinière tant que cette-ci n'est pas directement en face de l'emplacement où elle sera installée (sauf si, dans son emballage externe, la cuisinière ne peut pas passer par une porte).
Coupez les courroies d'emballage et ôtez le carton recouvrant la cuisinière, mais laissez la cuisinière sur le plateau d'emballage. Reportez-vous à la feuille d'instructions de déballage fournie.




Installation
Une fois le travail terminé, vérifie que les alimentations d'électricité sont correctement rebranchées.




Déplacement de la cuisinière
N'essayez jamais de déplacer la cuisinière lorsqu'elle est sous tension. La cuisinière est très lourde, faites très attention.
Nous recommandons de faire appel à deux personnes pour déplacer la cuisinière. Assurez-vous que le revêtement du sol est solidement fixé en place ou retirez-le afin de ne pas l'abîmer en déplaçant la cuisinière.
Depuis l'arrière, inclinez la cuisinière vers l'avant et retirez la partie arrière du socle d'emballage en polystyrène (Fig. 6-4). Répétez cette procédure à l'avant et retirez la partie avant du socle.
Abaissement des deux galets arrière
Insérez d'abord l'outil de mise à niveau sur l'écrou de réglage hexagonal (Fig. 6-5). Effectuez 10 tours complets (360^) en sens inverse (Fig. 6-6). (Tournez et retirez l'outil de mise à niveau 20 fois).
Veillez à abaisser les DEUX GALETs ARRIÉRÉS. Il y a deux écrous de réglage, un pour chaque galet, aux coins avant inférieurs de la cuisinière.
Positionnement final
Dépliez le bord arrêté du plateau d'emballage. Ouvrez la porte du gril et la porte du four droit pour avoir une bonne prise sur la partie inférieure du panneau de commande pour déplacer la cuisinière.
Agrippez la cuisinière sous le panneau de commande et soulevez légèrement l'avant de la cuisinière (Fig. 6-7).
Poussez la cuisinière vers l'arrière avec précaution pour la dégager de son socle d'emballage. Retirez le plateau d'emballage. Poussez la cuisinière près de sa position finale, en laissant juste assez de place pour pouvoir avoir accès à l'arrière.
N'utilisez pas les poignées de portes ou les boutons de commande pour déplacer la cuisinière.
Repositionnement de la cuisinière après raccordement
Si vous nevez déplacer la cuisinière après son raccordement, débranchez la cuisinière, agrippez-la sous le panneau de commande et levez légèrement l'avant de la cuisinière (Fig.6-8). Vérifiez à l'arrière de l'appareil que le câble d'alimentation n'est pas entravé. Pendant le déplacement de la cuisinière, assurez-vous que le câble n'est pas entravé. Si la cuisinière est dotée d'une chaîne stabilisatrice, défaites-la pour pouvoir manœuvrer la cuisinière. N'oubliez pas de la remettre en place lorsque vous replacez la cuisinière.
Lors de la remise en place de la cuisinière, vérifie de nouveau que le cable n'est pas entré ou coincé.
Installation
Une fois le travail terminé, vérifie que les alimentations d'électricité sont correctement rebranchées.
Mise à niveau
Nous vous recommandons d'utiliser un niveau à bulle placé sur l'une des grilles de four pour vérifier le niveau.
Placez la cuisinière à l'emplacement prévu pour son installation, en veillant à ne pas exercer de force de torsion lorsque vous l'insérez entre les éléments de cuisine, pour ne pas l'endommager ou endommager les éléments.
Les supports avant et les galets arrêté réglables permettent la mise à niveau de la cuisinière. Pour régler la hauteur de l'arrière de la cuisinière, utiliser l'outil de mise à niveau fourni pour tourner les écrous de réglage aux coins avant inférieurs de l'appareil. Pour lever ou abaisser les supports, tournez les rondelles montées sur les supports.
Montage du dosseret (en option – uniquement sur certains modèles)
Déposez les deux vis de fixation (vis à pans creux hexagonales 4 mm) et les écrous qui traversent la partie supérieure de la grille arrière. Maintenez le dosseret en place. De l'arrière, replacez les 2 vis et les écrous (Fig. 6-9).
Montage des poignées
Déposez les vis Allen 4 mm des portes à l'aide de la clé hexagonale. Vissez les poignées de portes. Les poignées doivent être au-dessus des fixations. Déposez les vis Allen 4 mm des coins supérieurs du panneau avant et montez la barre ornamentale avant.
Raccordement électrique
La cuisinière doit être installée par un électricien qualifié, conformément aux normes/codes Britanniques en vigueur (notamment BS 7671), ou à la réglementation nationale et locale en vigueur.

Mise en GARDE : cet appareil DOIT etre MIS a la TERRE.
Remarque: La cuisinière doit être raccordée à l'alimentation électrique correcte, indiquée sur l'étiquette de tension sur l'appareil, par le biais d'une unité de commande de cuisinière appropriée à interrupteur bipolaire (avec une séparation de contact de 3 mm au minimum entre les pôles).

Cette cuisinière ne doit pas être raccordée à une prise d'alimentation domestique ordinaire.
Pour accéder au bornier d'alimentation secteur, retirez le boîtier électrique sur le panneau arrière. Raccordez le câble d'alimentation secteur aux bornes correctes pour votre type d'alimentation électrique (Fig.6-10 et Fig.6-11). Vérifiez que les connecteurs sont montés correctement et que les vis des bornes sont bien serrées. Fixez le câble d'alimentation secteur à l'aide du serre-câble.
Contrôle de la table de cuisson
Contrôlez chaque foyer. Veillez à utiliser des récipients de cuisson recommandés et de diamètres appropriés.



Installation
Une fois le travail terminé, vérifie que les alimentations d'électricité sont correctement rebranchées.

Contrôle du grill
Tournez le bouton de commande du grill et vérifiez que le grill commence à chauffer.
Contrôle des fours
Réglez l'horloge conformément aux instructions données précédemment, et allumez les fours. Vérifiez que les ventilateurs des fours se mettent en marche et que les fours commencent à chauffer. Éteignez les fours.
Montage de la plinthe
Desserrez les trois vis le long du bord inférieur avant de la cuisine. Insérez l'encoche centrale en forme de trou de serrer sur la vis centrale. Tournez et insérez les encoches d'extrémités en trou de serrer sur leurs vis respectives. Serrez les vis de fixation (Fig. 6-12).
Veuillez indiquer vos coordonnées au début de cette section. Veuillez indiquer au client comment faire fonctionner la cuisinière et lui remettre les premières instructions.
Merci.
7. Entretien







Débranche l'alimentation électrique avant toute intervention d'entretien, notamment si vous devez retirer un des éléments suivants : panneau de commande, panneaux latéraux, table de cuisson ou tout composant ou boîtier électrique. Avant de rebrancher l'alimentation électrique, effectuez les contrôles de sécurité nécessaires.
1. Dépose du panneau de commande
Débranche l'alimentation électrique.
Retirez tous les boutons de commande.
Ouvrez les portes du grill et du four droit et retirez les quatre vis de fixation sous le panneau de commande.
Le panneau de commande devrait s'abaisser légèrement. Il est maintenu sur la partie supérieure par deux troughs (Fig.7-1), un de chaque côté, qui s'insèrent sur des languettes sur le panneau intérieur.
Décrochez le panneau de commande du panneau intérieur et tirez-le vers l'avant (Fig.7-2).
Débranche le câblage à l'arrière.
Remontez en procédant dans l'ordre inverse. Pour rebrancher les fils électriques, reportez-vous au schéma de câblage.
Contrôlez le fonctionnement de la minuterie.
Débranche l'alimentation électrique.
Déposez le panneau de commande (voir 1). Tirez la cuisinière vers l'avant. Retirez les quatre vis de fixation sur chaque panneau (une à la partie avant inférieure, une à la partie avant supérieure et deux à l'arête).
Remontez en procédant dans l'ordre inverse.
3. Pour soulever la table de cuisson en vitrocéramique mettez l'appareil hors tension.
Tirez la cuisinière vers l'avant. Dévissez les deux vis situées à l'arrière, de chaque côté de la cuisinière. Retirez le panneau de commande et les panneaux latéraux (voir 1 et 2). Dévissez les deux vis situées à l'avant, de chaque côté de la cuisinière. Soulevez la table de cuisson.
ATTENTION: La table de cuisson risque beaucoup plus d'être rayée sur le revers que sur la surface supérieure.
Veillez à ne pas toucher ni rayer le revers de la table en vitrocéramique pour éviter de réduire sa résistance et prévenir les risques de fissures.
4. Remplacement d'un élément de table de cuisson mettez l'appareil hors tension.
Soulevez la table de cuisson (voir point 3). Les éléments de chaleur à induction sont à présent accessibles. Notez les positions des raccords de fils et l'orientation des éléments en prévision du remontage. Débranchez les fils et retirez l'unité d'éléments et les ressorts. Remontez en procédant dans l'ordre inverse.
Remarque : Les éléments de chaleur à induction nécessitent une remise en service après remise en place de la table de cuisson.
Débranche l'alimentation électrique.
Déposez le panneau de commande (voir 1).
Remarque: L'interrupteur usage peut être détruit pendant la dépose. Retirez l'interrupteur usage en tenant fermement le corps de l'interrupteur depuis l'arrête du panneau de commande et en tournant d'un coup sec. Pour extraire l'encadrement, repliez ses languettes de fixation et poussez-le vers l'avant. Pour monter le nouvel encadrement sur le panneau de commande, alignez d'abord la clavette saillante du corps de l'encadrement et la découpe sur le panneau de commande, puis poussez pour insérer.
Pour monter le nouvel interrupteur sur l'encadrement, alignez les parties clavetées et poussez pour insérer. Montez le nouveau bouton en le poussant depuis l'avant.
Remontez le panneau de commande en procédant dans l'ordre inverse et contrôlez le fonctionnement de l'interrupteur.
Débranche l'alimentation électrique.
Déposez le panneau de commande (voir 1). Tirez pour enlever le(s) bouton(s) de commande de la minuterie.
Retirez l'ensemble minuterie/support de montage du panneau de commande après avoir retiré les vis de fixation.
Pour détacher la minuterie de son support de montage, appuyez sur les languettes en plastique situées sur le boîtier de la minuterie tout en tirant la minuterie vers l'avant.
Remontez en procédant dans l'ordre inverse. Pour rebrancher les fils électriques, reportez-vous au schéma de câblage.
Contrôlez le fonctionnement de la minuterie.
Débranche l'alimentation électrique.
Déposez le panneau de commande (voir 1) et soulevez la table de cuisson (voir 3). Ouvrez la porte du four. Retirez les accessoires du four et le panneau de voûte (le cas échéant).
Four droit: retirez le couvercle du tube en verre du thermostat (deux vis). Dégagez le tube en verre des clips de retenue à l’arrière du four.
Four gauche: Tirez la cuisinière vers l'avant pour avoir accès au boîtier situé à l'arrière de la cuisinière. Retirez le boîtier après avoir dévissé ses quatre vis de fixation.
Sortez le tube capillaire du thermostat du four. Débranchez le câblage du thermostat. Retirez les deux vis de fixation du thermostat sur la plaque de montage. Insérez le nouveau thermostat et remontez en procédant dans l'ordre inverse.
Vérifiez que le tube en verre est bien fixé à l'arrière du four, en position centrale, entre les clips de retenue.
Contrôlez le fonctionnement du thermostat.
Débranche l'alimentation électrique.
Déposez le panneau de commande et soulevez la table de cuisson (voir points 1 et 3). Débranchez le câblage du régulateur. Retirez les deux vis de fixation du régulateur sur la plaque de montage. Insérez le nouveau régulateur et remontez en procédant dans l'ordre inverse. Contrôlez le fonctionnement du régulateur.
9. Dépose de la porte du grill
Déposez le panneau de commande (voir 1). Déposez le panneau gauche (voir 2). Retirez le cache de protection central (cinq vis – deux en haut, deux en bas et une au milieu). Retirez les deux vis à tête noyée (une de chaque côté) qui retiennent les bras articulés du grill à l'avant de l'enceinte du grill.
Remarque: Les bras sont sur ressorts. Procédez avec soin pour retirer la porte du grill. Conservez les garnitures d'étanchéité.
Remontez dans l'ordre inverse, en veillant à placer la garniture d'étanchéité entre le bras articulé et l'avant de l'enceinte du grill.
Débranche l'alimentation électrique.
Retirez la échéfrite de l'enceinte du grill, retirez la protection avant émaillée de la voûte du grill après avoir défait deux vis et rondelles.
Retirez les deux vis et les rondelles de fixation du support avant de l'objet du grill. Retirez les vis des éléments du grill. Dégagez les éléments avec précaution et débranchez les fils des bornes des éléments, en veillant à noter leurs positions. S'il n'est pas possible de débrancher les fils de cette façon, tirez la cuisinière vers l'avant pour pouvoir accéder à l'arrière, dévissez le boîtier électrique sur la plaque arrière et débranchez les bornes de l'arrière.
Insérez le nouvel élément et remontez en procédant dans l'ordre inverse. Contrôlez le fonctionnement du grill.
11. Remplacement d'une porte de four
Ouvrez la porte du four. Soutenez la porte et déposez les deux vis de fixation de la charnière supérieure et du joint à l'avant du four (Fig. 7-3). Retirez la porte de la charnière inférieure en la levant légèrement pour la dégager de l'appareil (Fig. 7-4).
La porte est lourde, faites attention.
Remontez en procédant dans l'ordre inverse.
12. Réglage de l'angle de la porte du four
La charnière inférieure de la porte peut être ajustée afin de modifier l'angle de la porte (Fig.7-5). Déserrez les vis de fixation de la charnière inférieure, et utilisez le cran et un tournevis à lame plate pour changer la position de la charnière et la régler (Fig.7-6).
Resserrez les vis de la charnière.
13. Remplacement du panneau de porte extérieur de four principal
Tirez la cuisinière vers l'avant pour pouvoir accéder aux côtés. Entrouvrez la porte du four et retirez les vis de fixation du panneau avant des côtés de la porte – deux de chaque côté (Fig. 7-7).
Soulevez le panneau de porte extérieur avec précaution.
Retirez la poignée de porte du panneau après avoir dévissé les deux écrous de fixation. Montez la poignée sur le nouveau panneau.
Posez le panneau sur la porte. Remontez en procédant dans l'ordre inverse.
Une fois le travail terminé, effectuez les contrôles de sécurité nécessaires.



Fig.7-11
Fig.7-12
14. Remplacement du panneau de porte extérieur du four haut
Déposez la porte du four (voir 9). Déposez la porte sur une surface appropriée et retirez les deux vis du bord inférieur de la porte et les deux vis de la face interne de la porte.
Retirez le panneau de porte extérieur. Retirez la poignée de porte après avoir dévissé des deux vis.
Retirez les deux vis cruciformes retenant le support de fixation de poignée de porte au panneau de porte. Montez le support de poignée de porte et la poignée de porte sur le nouveau panneau.
Montez le panneau sur la porte et remontez en procédant dans l'ordre inverse.
15. Remplacement du verrouillage de porte principale de four
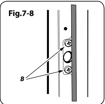
Retirez le panneau de porte extérieur du four (voir 11). Retirez les vis « B » fixant l'ensemble du dispositif de verrouillage au panneau de porte intérieur (Fig. 7-8). Posez le verrouillage de rechange et remontez en procédant dans l'ordre inverse.
Contrôlez le fonctionnement de la porte.
16. Réglage de la gâche du loquet de porte principale de four
Ouvrez la porte du four et desserrez le contre-écrou de la partie inférieure de la gâche (Fig. 7-9).
Réglez la gâche vers l'intérieur ou l'extérieur jusqu'à obtention du réglage requis. Serrez le contre-écrou.
17. Remplacement du verrouillage magnétique de la porte du four haut
Déposez le panneau de commande (voir 1). Retirez la plinthe (trois vis) et le couvercle vertical central (cinq vis). Soulevez le clip de retenue pour le prisonnier de l'élément magnétique.
Insérez le nouveau verrouillage et le clip de retenue et remontez en procédant dans l'ordre inverse. Contrôlez le fonctionnement de la porte.
18. Remplacement d'un joint de porte de four
Ouvrez la porte du four. Le joint est maintenu en place par des petits crochets insérables dans des trous sur la face arrière de la porte pour le four principal et sur la face avant pour le four haut. Depuis le coin, tirez sur le joint en diagonale, en l'éloignant du centre de la porte, jusqu'à ce que ce crochet se défasse (Fig.7-10). Passez au crochet suivant et défaites-le, ainsi que les suivants, de la même façon.
Vous pouvez forcer si les crochets résistent car le joint usagé sera mis au rebut.
Soulevez la partie arrière interne avec précaution. Remontez dans l'ordre inverse, en veillant à bien serrer les quatre vis et rondelles.
Débranche l'alimentation électrique.
Tirez la cuisinière vers l'avant pour pouvoir accéder au boîtier. Dévissez et retirez le boîtier. Le protecteur thermique est situé sur la plaque de mise à la terre, à côté des raccords d'éléments du four. Débranchez le câblage du protecteur thermique.
Retirez les fixations du protecteur sur la plaque de mise à la
Terrez les fixations du protecteur sur la plaque de mise à la terre et retirez le protecteur. Insérez le protecteur de rechange et remontez en procédant dans l'ordre inverse.
Débranche l'alimentation électrique.
Ouvrez la porte du four et retirez les grilles. Retirez les vis et rondelles de fixation de la partie arrière (Fig. 7-11).
Dégagez la partie arrière interne avec précaution. Remontez en procédant dans l'ordre inverse, en veillant à bien serrer les vis et rondelles.
Débranche l'alimentation électrique.
Retirez la partie arrière interne du four (voir 19).
Retirez les deux vis sur la partie supérieure de l'objet et la vis sur la partie inférieure de l'objet à l'intérieur du four (Fig. 7-12).
Dégagez les éléments avec précaution et débranchez les fils des bornes des éléments, en veillant à noter leurs positions. S'il n'est pas possible de débrancher les fils de cette façon, tirez la cuisine réciproque vers l'avant pour pouvoir accéder à l'arrière, dévissez le boîtier électrique sur la plaque arrière et débranchez les bornes de l'arrière.
Insérez le nouvel élément et remontez en procédant dans l'ordre inverse. Contrôlez le fonctionnement du four.
Débranche l'alimentation électrique.
Tirez la cuisinière vers l'avant pour pouvoir accéder à l'arrière. Dévissez et retirez le boîtier électrique sur la plaque arrière.
Débranchez les 3 bornes raccordées au ventilateur, en veillant à noter leurs positions. Déposez la partie arrière interne du four (voir 19). Maintenez les pales du ventilateur et défaites l'écrou central (filetage gauche), les deux rondelles en laiton, les pales et le joint d'arrêt. Dévissez les écrous de fixation et les rondelles (trois de chaque) et retirez le ventilateur de la partie arrière de la cuisinière. Insérez le nouveau ventilateur et remontez en procédant dans l'ordre inverse. Contrôlez le fonctionnement du four.
Débranche l'alimentation électrique.
Assurez-vous que le four a refroidi. Ouvrez la porte du four et retirez les grilles du four. Retirez la lèchefrite et le support de l'enceinte du gril.
Dévissez le couvercle de l'ampoule en tournant en sens antihoraire. Il peut être très difficile à dévisser (Fig. 7-13).
Dévissez l'ampoule avec précaution, pour ne pas risquer de vous blesser.
Montez une ampoule à culot vissable Edison 15W 240V, POUR FOURS. Cette ampoule doit pouvoir résister à une température de 300°C (Fig. 7-14).
Vissez l'ampoule de rechange, puis revissez le couvercle de l'ampoule. Remettez l'appareil sous tension et contrôlez le fonctionnement de l'éclairage.
Fig.7-13
Fig.7-14

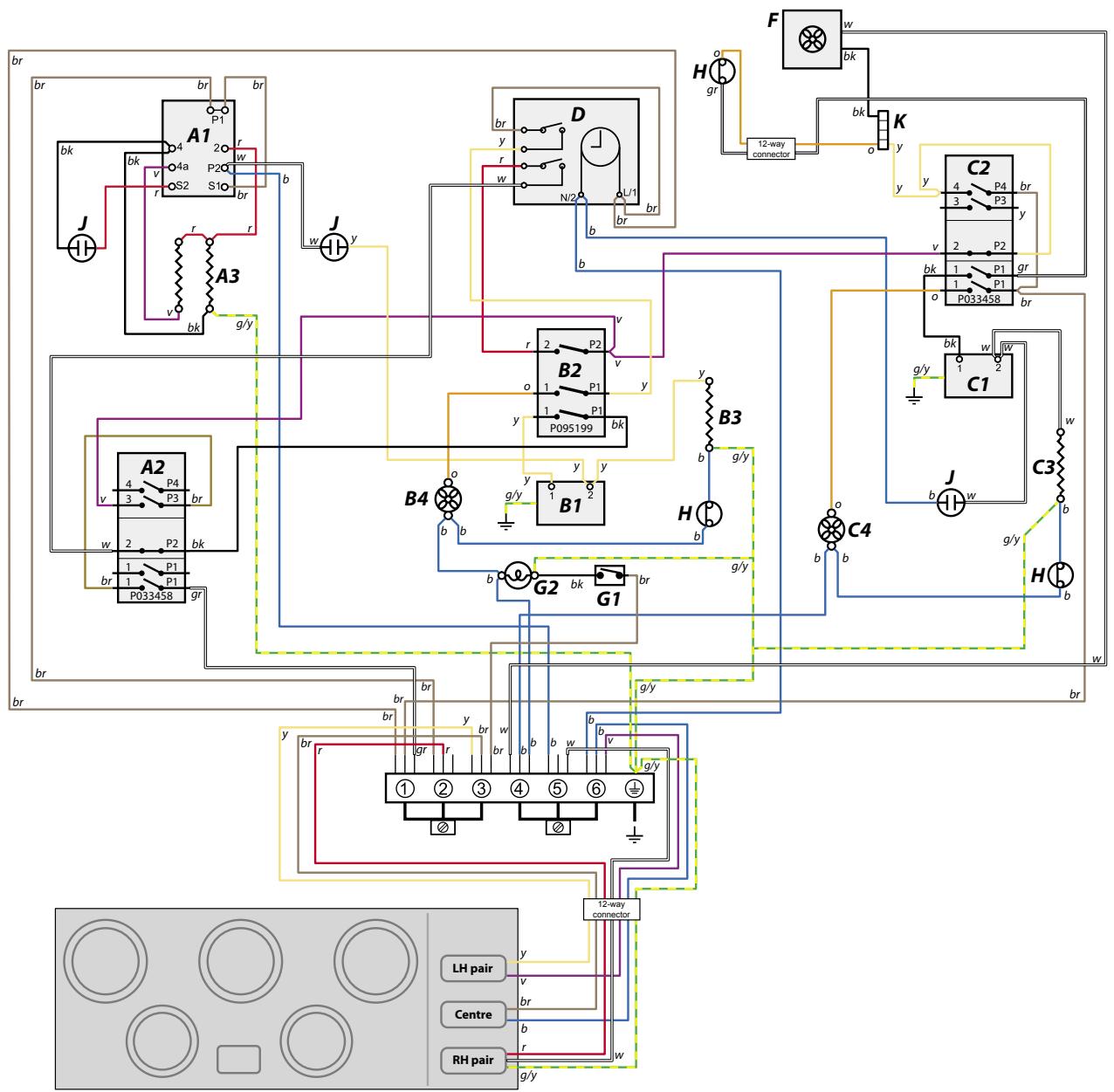
Légende
Les raccords indiqués sur le schéma de câblage sont pour une alimentation monophasée. Les capacités nominales sont pour 230V 50Hz.
| Code | Élément |
| A1 | Régulateur de puissance de grill |
| A2 | Interrupteur avant de grill |
| A3 | Éléments de grill |
| A4 | Ventilateur de four droit |
| B1 | Thermostat de four multizones gauche |
| B2 | Interrupteur avant de thermostat de four multizones gauche |
| B3 | Élément de ventilateur de four gauche |
| B4 | Ventilateur de four gauche |
| C1 | Thermostat de four droit |
| C2 | Interrupteur avant de thermostat de four droit |
| Code | Élément |
| C3 | Élément de ventilateur de four droit |
| C4 | Ventilateur de four droit |
| D | Horloge |
| F | Ventilateur de refroidissement |
| G1 | Interrupteur d'éclairage de four |
| G2 | Eclairage de four |
| H | Protecteur thermique |
| J | Voyant |
| K | Bloc de raccordement |
| Code | Couleur |
| b | Bleu |
| br | Brun |
| bk | Noir |
| or | Orange |
| r | Rouge |
| v | Voilet |
| w | Blanc |
| y | Jaune |
| g/y | Vert / jaune |
| gr | Gris |
Schéma de câblage: table de cuisson

| Code | Élément |
| A | Panneau de commande tactile Touchlite |
| B | Tableau de distribution |
| C | Commande avant gauche |
| D | Commande arrière gauche |
| E | Commande centrale |
| F | Commande avant droite |
| G | Commande arrière droite |
| CU1 | Unité de commande double gauche (esclave) |
| CU2 | Unité de commande centrale (esclave) |
| CU3 | Unité de commande double droite (maître) |
| Code | Couleur |
| b | Bleu |
| br | Brun |
| bk | Noir |
| or | Orange |
| r | Rouge |
| v | Voilet |
| w | Blanc |
| y | Jaune |
| g/y | Vert / jaune |
| gr | Gris |
9. Fiche technique
A L'INTENTION DE L'INSTALLATEUR: Veuillez remettre les présentes instructions à l'utilisateur.
EMPLACEMENT DU BADGE TECHNIQUE: Arrière de la cuisinière, badge auxiliaire de numéro de série sous l'ouverture de la porte du four.
Raccordments
| Electricité | 220 - 240V 50Hz |
Dimensions
| Hauteur hor tout | minimum 902mm | maximum 927mm |
| Largeur hors tout | 900mm | |
| Profondeur hors tout | 650mm | |
Voir "Positionnement de la cuisinière.
Puisances
| Fours | Four principal | Four haut |
| Convection | Convection | |
| 2,5kW | 2,5kW | |
| Catégorie d'efficacité énergétique : Sur une échelle de A (plus efficace) à G (moins efficace) | A | B |
| Consommation d'énergie basée sur une charge standard | 0,85kWh | 0,95kWh |
| Volume utilisable (litres) | 67 | 53 |
| Taille | Grande | Moyenne |
| Temps de cuisson – charge standard | 38 minutes | 49 minutes |
| Surface de cuisson | 1400cm2 | 790cm2 |
| Grid | 2,3kW |
Charge électrique totale maximale à 230 V 17,4 kW (total approximatif compensant éclairages de fours, ventilateur de four, etc.)
Notice Facile