PROP 100 EISS/C-EU - Plaque de cuisson induction FALCON - Notice d'utilisation et mode d'emploi gratuit
Retrouvez gratuitement la notice de l'appareil PROP 100 EISS/C-EU FALCON au format PDF.
| Type d'appareil | Plaque de cuisson induction |
| Nombre de zones de cuisson | 4 |
| Puissance totale | Non précisé |
| Commandes | Touches tactiles |
| Affichage | LED |
| Fonction booster | Oui |
| Minuterie | Oui |
| Détection automatique des casseroles | Oui |
| Sécurité enfants | Oui |
| Arrêt automatique | Oui |
| Dimensions (L x P) | Non précisé |
| Type d'installation | Encastrable |
| Matériau de surface | Verre céramique |
| Couleur | Noir |
| Consommation électrique | Non précisé |
| Garantie | Non précisé |
FOIRE AUX QUESTIONS - PROP 100 EISS/C-EU FALCON
Questions des utilisateurs sur PROP 100 EISS/C-EU FALCON
0 question sur cet appareil. Repondez a celles que vous connaissez ou posez la votre.
Poser une nouvelle question sur cet appareil
Téléchargez la notice de votre Plaque de cuisson induction au format PDF gratuitement ! Retrouvez votre notice PROP 100 EISS/C-EU - FALCON et reprennez votre appareil électronique en main. Sur cette page sont publiés tous les documents nécessaires à l'utilisation de votre appareil PROP 100 EISS/C-EU de la marque FALCON.
MODE D'EMPLOI PROP 100 EISS/C-EU FALCON
Instructions d'installation et d'entretien
1. Avant de commencer... 1
Installation et entretien 1
Odeur de Neuf 1
Ventilation 1
Sécurité Personnelle 1
Conseils relatifs à l'utilisation de la table
de cuisson 3
Entretien de la cuisine 3
Nettoyage 4
2. Vue d'ensemble de la cuisinière 5
La table de cuisson 5
Gril Coulissant Glide-out 9
Fours 9
Horloge 12
Accessoires 16
Éclairage du four principal 16
3. Conseils pour la cuisson 17
Utilisation de votre cuisinière à induction 17
Conseils pour la cuisson avec minuterie 17
Conseils généraux pour la cuisson au four 17
5. Nettoyage de la cuisinière 19
Table de Cuisson 19
Gril Coulissant 20
Panneau de commande et portes 20
Fours 21
Panneau de porte 21
Four Haut 21
Tableau Nettoyage 22
7. Installation 26
Mesures et règlements de sécurité 26
Ventilation 26
Emplacement de la cuisinière 26
Positionnement de la cuisinière 27
Déplacement de la cuisine 27
Repositionnement de la cuisinière après 28
Raccordement 28
Mise à niveau 28
Raccordement électrique 29
Vérifications finales 29
Montage final 30
Conseils à la clientèle 30
Classic Deluxe Schéma de câblage: Four 31
Professional+ Schéma de câblage: Four 32
Induction Schéma de câblage : Table de 33
cuisson
1. Avant de commencer...
Cette notice d'utilisation couvre plusieurs modèles. Même si certaines illustrations peuvent ne pas se rapporter spécifiquement à votre modèle, les fonctions sont les mêmes. Nous espérons que ceci ne prédera pas à confusion.
Installée et utilisée correctement, cette cuisinière vous donnera de nombreuses années de service fiable. Il est donc important de lire la présente section avant de commencer, en particulier si vous n'avez jamais utilisé de cuisinière à induction.

Cet appareil est donc uniquement pour un usage domestique. Toute autre utilisation n'engage ni la responsabilité, ni la garantie du fabricant. En particulier, n'utilisez PAS le four pour chauffer la cuisine – non seulement cette pratique invalidera les réclamations, mais elle constituera un gaspillage d'énergie et un risque de surchauffe des boutons de commande.
Installation et entretien
Son installation doit être conforme aux instructions appropriées des générateurs et satisfaire à la réglementation nationale et locale en vigueur, ainsi qu'aux prescriptions des compagnies d'électricité locales.
Vérifiez que la cuisinière est raccordée à l'alimentation électrique et sous tension.
L'affichage des commandes de la table de cuisson clignotera pendant deux secondes environ à la mise sous tension initiale – ceci est tout à fait normal.
Réglez l'horloge pour permettre le fonctionnement des jours - voir la section appropriée des présentes instructions.
La cuisinière doit faire l'objet d'un entretien effectué par un technicien d'entretien qualifié, lequel doit utiliser uniquement des pièces de rechange approuvées.
Laissez toujours la cuisinière refroidir et mettez-la hors tension avant de la nettoyer ou d'effectuer une intervention d'entretien, sauf indication contraire dans les présentes instructions.
Odeur de neuf
Lorsque vous utilisez votre cuisinière pour la première fois, il est possible qu'une odeur s'en dégage. Cela devrait s'arrêter après son utilisation.
Avant d'utiliser votre cuisinière pour la première fois, veillez à ce que l'intégralité de l'emballage ait été retirée, puis pour chasser les odeurs issues de la fabrication, allumez tous les brûleurs à 200°C et laissez-les en fonctionnement pendant au moins 1 heure.
Avant la première utilisation du grill, allumez-le et faites-le marcher pendant 30 minutes, avec la lèchefrite bien en place, et en laissant la porte du grill ouverte.
Veillez à ce que la pièce soit bien ventilée (voir
Ventilation ci-dessous). Il est recommandé aux personnes souffrant de problèmes respiratoires ou d'allergies de quitter la pièce pendant ce temps.
Ventilation
L'utilisation d'un appareil de cuisson produit de la chaleur et de l'humidité dans la pièce contenant l'appareil. Par conséquent, veillez à ce que la cuisine soit bien ventilée. Laissez les ouvertures de ventilation naturelle ouvertes ou installez une hotte aspirante à évacuation extérieure. En cas d'utilisation simultanée de plusieurs brûleurs ou d'utilisation prolongée de la cuisinière, ouvrez une fenêtre ou mettez en marche une hotte aspirante.
Sécurité personnelle
Si vous êtes porteur d'un stimulateur cardiaque ou d'une pompe à insuline implantable : Les fonctions de la table de cuisson sont conformes aux normes européennes en vigueur relatives à l'interférence électromagnétique. Si vous êtes porteur d'un stimulateur cardiaque ou d'une pompe à insuline implantable et êtes inquiet quant aux risques d'interférence, veuillez demander conseil à votre médecin.
Éloignez les objets magnétiques (cartes de crédit et de débit, disques informatiques, calculateurs, etc.) de la table de cuisson lorsque celle-ci est en marche. Cet appareil ne DOIT PAS être modifié. Cet appareil n'est pas prévu pour être utilisé par des personnes (y compris des enfants) dont les capacités physiques, sensorielles ou mentales sont réduites, ou par des personnes manquant d'expérience ou de connaissances, sauf si elles ont pu bénéficier, par l'intermédiaire d'une personne responsable de leur sécurité, de surveillance ou d'instructions préalables concernant l'utilisation de l'appareil. Cet appareil n'est pas destiné à un usage par des jeunes enfants ou des personnes invalides à moins qu'elles ne soient encadrées de manière adaptée par une personne responsable pour assurer leur sécurité lors de l'utilisation de l'appareil. N'utilisez PAS de nettoyeur à vapeur sur votre cuisinière. Les parties accessibles de la cuisinière deviennent chaudes lorsque celle-ci est en marche et resteront chaudes même après la cuisson. Ne laissez pas les béb.bés et les enfants s'approcher de la cuisinière et ne portez jamais de vêtements amples ou flottants lors de l'utilisation de la cuisinière.
Vérifiez toujours que les commandes sont sur la position Arrêt [OFF] lorsque le four n'est pas en marche et avant de nettoyer la cuisine.
Faites attention lorsque vous touchez les zones de cuisson sur la table de cuisson.
Fig.1-1
Lorsque le four est en marche, ne laissez PAS la porte du four ouverte plus longtemps que nécessaire, afin de prévenir une surchauffe des boutons de commande. Lors de l'utilisation du grill, veillez à ce que la l'échafaudée soit en place et insérée à fond dans l'enceinte du grill, ici pour prévenir le risque de surchauffe des boutons de commande.
Veillez à ce que les matériaux combustibles, (rideaux, liquides inflammables, etc.) soient toujours suffisamment éloignés de la cuisinière.
N'utilise PAS d'aérosols à proximité de la cuisinière lorsque celle-ci est en marche.
La cuisson d'aliments à haute teneur en eau peut produire une « bouffée de vapeur » à l'ouverture de la porte du four. Lorsque vous ouvrez la porte du four, reculez-vous et attendez que la vapeur se soit dissipée (Fig. 1-1).
Au besoin, utilisez des gants isolants secs - l'emploi de gants humides risque de causer des brûlures dues à la vapeur lors du contact avec une surface chaude. N'utilisez pas de torchon ou autre chiffon épais à la place d'un gant isolant - ils risquent de s'enflammier au contact d'une surface chaude.
Ne faites jamais fonctionner la cuisinière avec les mains mouillées. Ne recouvrez pas les grilles, les panneaux internes ou la voute du four de papier aluminium. Ne chauffez jamais des récipients alimentaires qui n'ont pas été ouverts. La pression accumulée à l'intérieur des récipients peut les faire éclater et blesser l'utilisateur. N'utilisez pas des casseroles instables. Tournez toujours les manches des récipients de cuisson vers l'intérieur de la table de cuisson.
Ne laissez jamais la table de cuisson en marche sans surveillance si les brûleurs sont réglés sur maximum. Le débordement des récipients peut produire de la fumée et des taches de gras qui risquent de s'enflammer. Si possible, utilisez un thermomètre à bain de friture pour prévenir une surchauffe de l'huile au-delà du point de fumée.
Ne laissez jamais une friteuse sans surveillance. Faites toujours chauffer l'huile lentement, en la surveillant. Les friteuses ne doivent être remplies qu'à un tiers de leur capacité. Une friteuse trop pleine peut déborder lorsqu'on y plonge des alimentés. Si vous utilisez un mélange d'huile et de graisse pour la friture, mélangez-les avant de chauffer, ou pendant la fonte des graisses.
Les aliments à frire doivent être le plus sec possible. La présence de cristaux de glace sur des aliments congelés ou d'humidité sur des aliments frais peut provoquer une ébullition et un débordement de l'huile. Surveillez attentivement pour prévenir les débordements et la surchauffe pendant la friture à haute ou moyenne température. N'essayez jamais de déplacer un récipient de cuisson contenant de l'huile chaude, en particulier une friteuse. Attendez que l'huile ait refroidi.
Lorsque le grill est en marche, ne vous servez pas de la grille d'évacuation (la grille le long de la partie arrière de la cuisine) pour réchauffer des assiettes ou des plats, sécher des torchons ou ramollir du beurre.

N'utilisez pas d'eau pour éteindre les incendies dus à la graisse et ne soulevez jamais un récipient de cuisson qui a pris feu. Éteignez la cuisinière et étouffez un récipient qui a pris feu sur une table de cuisson en le recouvrant complètement avec un couvercle de taille appropriée ou une plaque de cuisson. Si possible, utilisez un extincteur à poudre chimique ou à mousse de type polyvalent.
Veillez à prévenir toute infiltration d'eau dans l'appareil.

Cet appareil est lourd; prenez garde lorsque vous le déplacez.

N'autorisez jamais qui que ce soit à grimper ou se tenir sur la table de cuisson.
Conseils relatifs à l'utilisation de la table de cuisson

Ne faites jamais cuire des aliments à même la table de cuisson (Fig.1-2).

Ne découpez pas des aliments sur la table de cuisson.
Ne laissez pas des ustensiles, alimentés ou produits combustibles sur la table de cuisson lorsqu'elle n'est pas en service (torchon, ou poèle contenant de l'huile, par exemple).

Ne placez pas des feuilles en plastique ou aluminium ou des récipients en plastique sur la table de cuisson.

Ne laissez pas les foyers s'ils ne sont pas utilisés pour la cuisson.
Ne déposez pas d'objets lourds sur la table de cuisson. Même si la surface en vitrocéramique est très résistante, un impact violent ou la chute accidentelle d'un objet sur la surface risque de la fissurer (Fig. 1-3).

Dès l'apparition d'une fissure sur la table de cuisson, mettez immédiatement la cuisinière hors tension et faites-la réparer.
SOULEVEZ toujours les récipients pour les retirer de la table de cuisson. Ne les faites pas glisser sur la surface, car vous risquez de la marquer et de la rayer (Fig.1-4). Mettez toujours le bouton de commande sur la position arrêt [Off] avant de retirer un récipient. Ne placez rien entre le fond du récipient de cuisson et la surface de cuisson (plaque d’amiante, feuille de papier aluminium ou support de Wok, par exemple).




Entretien de la cuisinière
En raison de la condensation de vapeur pendant la cuisson, vous devrez peut-être essuyer (avec un chiffon doux) des gouttelettes d'eau présentes sur la garniture extérieure du four. Cette précaution contribuera également à prévenir les taches et la décoloration de l'extérieur du four dues aux vapeurs de cuisson (Fig. 1-5).
Nettoyage
N'utilise pas de produits nettoyants ou tampons de nettoyage abrasifs, ni d'aérosol, de tampon de nettoyage de four ou de détachant sur la table de cuisson.
Pour des raisons d'hygiène et de sécurité, la cuisinière doit toujours être propre, afin de prévenir le risque d'incendie causé par l'accumulation de graisse et autres particules alimentaires.
Nettoyez uniquement les composants indiqués dans les instructions.
Evitez d'essuyer toute partie de la table de cuisson tant que celle-ci n'a pas refroidi et que l'indicateur de chaleur résiduelle n'est pas éteint. Cette recommandation ne s'applique pas aux déversements de substances sucrées (voir « Nettoyage de la cuisinière »). Après nettoyage, utilisez un chiffon sec ou du papier essuie-tout pour éliminer les traces de nettoyant semi-liquide.
Nettoyez la surface après chaque utilisation pour prévenir les rayures et les taches. Mais veillez à nettoyer avec précaution car certains produits nettoyants peuvent produire des vapeurs nocives au contact d'une surface chaude.
Nettoyez avec précaution. Si vous utilisez une éponge ou un chiffon humide pour essuyer des taches sur une surface chaude, prenez garde au risque de brûlures par la vapeur. Certains produits nettoyants peuvent produire des vapeurs nocives au contact d'une surface chaude.
2. Vue d'ensemble de la cuisinière
Fig.2-1
La cuisinière à induction 100 (Fig.2-1) comprend:
A. 5 foyers de cuisson à induction B. Un panneau de commande C. Un grill séparé coulissant D. Un four ventilé (Professional+) ou Un four multifonctions (Classic Deluxe) E. Four haut ventilé
La table de cuisson
Utilisez uniquement des récipients de cuisson conçus pour les tables de cuisson à induction. Nous recommandons l'emploi de récipients de cuisson en acier inoxydable, en acier émaillé ou en fonte à fond émaillé. Certains récipients en acier inoxydable ne conviennent pas pour les tables de cuisson à induction; vérifie soigneusement avant l'achat.
N'utilise pas de récipients en cuivre, aluminium ou céramique sur les tables de cuisson à induction. Le type de récipient de cuisson utilisé et la quantité d'aliments ont une incidence sur le réglage requis. Pour les quantités d'aliments importantes, utilisez un réglage plus élevé.
Utilisez des récipients de cuisson à fond épais, lisse et plat (Fig.2-2). Ceci assure un transfert de chaleur optimal entre

Fig. 2-3 Fig. 2-4
Max: 1,85 kW
Haute puissance: 2,5 kW
Max: 1,85 kW
Haute puissance: 3,0 kW
Max: 1,85 kW
Haute puissance: 2,5 kW

Max: 1,15 kW
Haute puissance: 2,0 kW
Max: 1, 15 kW
Haute puissance: 2,0 kW
Fig.2-5


Tableau 2-1
| Cuisson de la Zone | Diamètre minimum de casserole (les récipients de cuisson) mm |
| Gauche avant | 140 |
| Gauche arrière | 180 |
| Central | 180 |
| Droite arrière | 180 |
| Droite avant | 140 |
La table et le représentant de cuisson, et donc une cuisson plus rapide et plus économique. N'utilisez jamais de wok à fond rond, même avec un support.
Les récipients de cuisson, les adaptations sont ceux qui, à l'état froid, sont très légèrement bombés vers l'intérieur (Fig. 2-3). En plaçant une règle sur le fond de ces récipients, on peut constater que la surface est légèrement incurvée vers le milieu. Sous l'effet de la chaleur, le métal se dilate et la totalité du fond du récipient est en contact avec la surface de cuisson.
Veillez à ce que le fond du récipient de cuisson soit propre et sec pour éviter que des résidus alimentaires ne brûlent et n'attachent sur la table de cuisson. Ceci permet également de prévenir les rayures et les dépôts.
Veillez à toujours utiliser des récipients de même taille (ou légèrement plus grands) que le diamètre indiqué sur la surface de cuisson. Utilisez un couvercle sur les récipients de cuisson pour porter à ébullition plus rapidement.

Faites toujours attention avant de toucher la table de cuisson, car, même éteinte, celle-ci peut être encore chaude!
La table de cuisson à induction comprend cinq foyers contenant des éléments à induction de puissances et diamètres différents (Fig.2-4), chacun doté d'un détecteur de récipient et d'un indicateur de chaleur résiduelle, et un affichage des commandes.
L'affichage des commandes de la table de cuisson (Fig.2-5) vous informe sur les fonctions de la table, à l'aide des symboles suivants :
Détection de récipient de cuisson H Indicateur de chaleur résiduelle Chauffage automatique -0 Verrouillage sécurité enfants L1/L2 Réglage basse temperature P Réglage haute puissance
Détection de récipient de cuisson,
IMPORTANT: APRÈS usage, éteignez le foyer à l'aide du bouton de commande – NE VOUS FIEZ PAS UNIQUÉMENT à la fonction Détection de récipient de cuisson.
Si un foyer est en marche et qu'il n'y a pas de récipient de cuisson sur celui-ci ou si le récipient est trop petit pour le foyer, la table n'émettra pas de chaleur. Le symbole [ ] apparaitra sur l'affichage des commandes de la table; il s'agit du 'symbole Absence de récipient'. Placez un récipient de taille appropriée sur le foyer, le symbole [ ] disparaitra et la cuisson poursuivra commencer. Si, après 10 minutes, il n'y a toujours pas de détection de récipient, le foyer s'est automatiquement.
Le Tableau 2-1 indique les dimensions de récipients minimales recommandées pour chaque foyer.
Remarque: L'utilisation de récipients de diamètres inférieurs aux dimensions recommandées aura pour effet une diminution de la puissance.
Indicateur de chaleur résiduelle, h
Après usage, un foyer restera chaud pendant un certain temps, jusqu'à dissipation totale de la chaleur. Après arrêt d'un foyer, le symbole de l'indicateur de chaleur résiduelle [H] apparaît sur l'affichage de la table de cuisson. Ceci indique que la température du foyer est supérieure à 60°C et qu'il y a encore un risque de brûlure. Le symbole [H] s'éteint lorsque la température est inférieure à 60°C.
Chauffage automatique, r
Cette fonction est disponible pour tous les foyers de la table de cuisson. Elle permet un chauffage rapide de l'élément du foyer jusqu'à la température de cuisson requise. Lorsque le foyer a atteint la température requise, la puissance diminue automatiquement jusqu'au niveau de puissance sélectionné.
Pour sélectionner cette fonction, tournez le bouton de commande momentanément en sens antihoraire jusqu'à l'affichage du symbole [R] sur l'affichage des commandes de la table de cuisson. Tournez ensuite le bouton de commande pour le mettre sur le niveau de puissance requis (1 à 9). Le récipient est chauffé à 100% pendant une durée spécifiée, puis au niveau de puissance sélectionné.
Après activation de la fonction Chauffage automatique, l'affichage des commandes de la table de cuisson clignotera, alternant entre le réglage [R] et le niveau de puissance sélectionné.
À la fin du chauffage automatique, l'affichage cessera de clignoter et affichera seulement le niveau de puissance sélectionné.
La fonction Chauffage automatique peut être désactivée de deux façons : par rotation du bouton de commande pour le remettre sur le réglage de puissance '0' ou par rotation du bouton de commande pour le mettre sur le réglage de puissance '9'.
A titre indicatif, le Tableau 2-2 indique la durée disponible à 100% de puissance, en fonction du niveau de puissance sélectionné en mode Chauffage automatique.
Verrouillage sécurité enfants, -0
La table de cuisson peut être verrouillée pour empêcher son utilisation accidentelle par des enfants.
Pour verrouiller la sécurité de la plaque, tournez simultanément les deux boutons de gauche dans le sens antihoraire (Fig.2-6) et maintenez la position jusqu'à ce que le symbole =0 s'affiche au centre de l'écran de commande de la plaque (Fig.2-7).
Remarque: Le symbole [R] clignotera lors du verrouillage de la plaque - cet affichage est normal.
Le fait de verrouiller la plaque n'affecte PAS le four ; vous pouvez toujours les utiliser.
Pour déverrouiller la sécurité de la plaque, tournez simultanément les deux boutons de gauche dans le sens antihoraire et maintenez la position jusqu'à ce que le symbole au centre de l'écran de commande de la plaque s'éteigne.
Tableau 2-2
| Niveau de puissance | Automatique réchauffez le temps (min: sec) à 100% |
| 1 | 0:48 |
| 2 | 2:24 |
| 3 | 3:50 |
| 4 | 5:12 |
| 5 | 6:48 |
| 6 | 2:00 |
| 7 | 2:48 |
| 8 | 3:36 |
| 9 |
| Fig.2-6 |

Fig. 2-8 A & B reliés
Réglage basse température, L1/L2
Chaque foyer est équipé de 2 réglages basse température :
Ces réglages maintiendront une température : L1 idéale pour faire fondre du beurre ou du chocolat sans faire brûler, et L2 pour laisser mijoter doucement de l'eau ayant été portée à ébullition.
La durée maximum d'utilisation de ce réglage est de 2 heures. Pour augmenter la température, tourner le bouton jusqu'au réglage souhaité.
Réglage haute puissance, p
Toutes les zones de cuisine à induction ont une fonction haute puissance activable en tournant le bouton de commande dans le sens des aiguilles d'une montre jusqu'à ce que [P] apparaisse sur l'écran de contrôle de la plaque de cuisine.
La fonction haute puissance met à disposition plus de puissance pour chaque zone de cuisine. Ceci est utile pour faire bouillir rapidement le contenu d'une grande casserole d'eau.
La fonction haute puissance fonctionne pendant 10 minutes maximum sur chaque zone, après quoi, la puissance est automatiquement réduite au degré 9.
Pendant l'utilisation de la fonction haute puissance, les zones de cuisine fonctionnent par paires.
Fig. 2-8 montre la disposition de la plaque de cuisson. Les foyers A et B sont reliés entre eux comme le sont les foyers C, D et E.
Ceci signifie que, si vous utilisez la zone A en mode haute puissance puis la zone B, la puissance de la zone A sera légèrement réduite. Le deuxième élément à être mis en mode haute puissance est prioritaire. Il en est de même pour les zones C, D et E.

La fonction haute puissance peut être désactivée en tournant le bouton sur un réglage plus bas.
Protection surchauffe
Cette fonction détecte l'augmentation rapide de la température du réseau de cuisson et maintient cette température à un niveau sûr. Elle ne génère pas la cuisson normale.

Veillez à ne pas laisser la table de cuisson en marche sans surveillance. Veillez à ne pas laisser les récipients de cuisson fonctionner à sec après ébullition.
Gril coulissant glide-out
Ouvrez la porte du gril et tirez le support de la lèchefrite vers l'avant à l'aide de la poignée (Fig. 2-9).
Le grill a deux éléments qui permettent de chauffer la totalité de la lèchefrite ou seulement la partie droite de cette-ci.
Tournez le bouton de commande pour régler la chaleur du grill. Pour un chauffage total, tournez le bouton en sens horaire (Fig.2-10).
Pour le chauffage de la partie droite, tournez le bouton en sens antihoraire. Le voyant à côté de la commande du grill s'allumera.
Pour des résultats optimaux, faire rentrer le chariot dans la chambre du grill et préchauffer la/les partie(s) appropriée(s) du grill pendant deux minutes. Vous pouvez retirer la grille de la lèchefrite et y déposer les aliments pendant le préchauffage.

NE LAISSEZ PAS LE GRIL EN MARCHE pendant plus de quelques instants si la lèchefrite n'est pas en place sous le grill, ceci pour prévenir le risque de surchauffe des boutons de commande.
Après préchauffage, retirez le support du grill de l'enceinte du grill. Replacez la l'échefrite et réinsérez le support du grill dans l'enceinte du grill. Vérifiez qu'il est bien inséré.

Des composants accessibles risquent de devenir chauds pendant l'utilisation du grill. Éloignez les enfants de la cuisinière.
La grille de la l'échefrite est réversible pour permettre deux positions de grill (Fig. 2-11).
Ne laissez jamais le grill en marche pendant plus de quelques instants si la l'échefrite n'est pas en place sous le grill.

Ne fermez jamais la porte du grill lorsque celui-ci est en marche.
Fours
L'horloge doit être réglée sur l'heure actuelle pour que les jours puissent fonctionner. Voir les instructions de la section 'Horloge' pour le réglage de l'heure.
Remarque - Les références au four gauche et droit s'entendent vue de l'avant.
Le four de gauche est soit :
Un four ventilé (Professional+) ou Un four multifonctions (Classic Deluxe).
Le four droit haut est un four ventilé.
Fours ventilés
Le ventilateur du four brasse l'air chaud continuellement, assurant ainsi une cuisson plus rapide et plus uniforme. En général, les températures de cuisson recommandées pour les fours ventilés sont inférieures à celles pour des fours conventionnels.



Fours multifonction
Les fours Multifonctions ont un ventilateur et un élément de four ventilé, ainsi que deux éléments chauffants supplémentaires. Un élément est dans la voûte du four et l'autre sous la sole du four. Veillez à ne pas toucher l'élément supérieur et le déflecteur de l'élément lors de l'insertion ou du retrait des plats dans le four.
Le four Multifonctions a trois fonctions de cuisson principales : cuisson ventilée, cuisson ventilée mixte et cuisson conventionnelle. Utilisez ces fonctions pour effectuer l'essentiel de la cuisson.
L'élément gratineur et la chaleur inférieure peuvent être utilisés en fin de cuisson pour finir certains plats.
Utilisez les fonctions grill ventilé pour la cuisson au grill et décongélation pour décongeler de petites quantités d'aliments surgelés.
Le Tableau 2-3 récapitule les modes Multifonctions.
Le four multifonctions permet de nombreuses utilisations variées. Nous vous conseillons de bien surveiller la cuisson jusqu'à ce que vous soyez familiarisé avec chaque fonction. N'oubliez pas : toutes les fonctions ne conviennent pas à tous les types d'aliments.
Réponse rapide

Le réglage Réponse Rapide permet un préchauffage ultrarapide du four. Elle utilise l'élément du four ventilé et la chaleur supplémentaire d'un des
éléments de la voûte du four. Les fours ventilés préchauffent rapidement, mais la fonction Réponse Rapide accélère le préchauffage pour vous permettre de commencer la cuisson plus rapidement.
Pour utiliser la fonction Réponse Rapide, il suffit de tourner le bouton de commande de fonction sur R et de régler à la température requise. Le voyant sur le panneau de commande à côté du symbole R s'allumera. Lorsque le four atteint la température requise, l'élement supérieur s'éteint et le témoin s'éteint.
La température du four est ensuite maintenue par l'élément et par le ventilateur du four ventilé.
Si vous choisissez de placer des alimentés dans le four froid avant la cuisson tout en utilisant la fonction Réponse Rapide, veillez à ce que les gâteaux, etc. ne soient pas placés trop haut dans le four.
Four ventilé

Cette fonction commande le ventilateur et l'élément chauffant autour de celui-ci. Une chaleur uniforme est produite partout dans le four, ce qui permet la
cuisson rapide de grandes quantités d'aliments.
La cuisson par four ventilé est particulièrement utile pour la cuisson simultanée d'aliments sur plusieurs grilles et est une excellente fonction polyvalente. Vous devrez peut-être diminuer la température de 10°C environ pour des plats que vous aviez l'habitude de cuire dans un four conventionnel.
Si vous souhaitez préchauffer le four, attendez que le voyant s'éteigne avant de mettre le plat au four.
Gril ventile

Cette fonction commande le ventilateur pendant que l'objet chauffant supérieur est en marche. On obtient ainsi une chaleur plus uniforme, moins
intense que celle d'un grill conventionnel. Pour obtenir les meilleurs résultats possibles, placez les aliments à griller sur une grille sur un plat à rôtir qui doit être plus petit que l'échelle de grill conventionnel. Ceci assure une meilleure circulation de l'air. Ce type de cuisson est idéal pour les morceaux de viande ou de poisson épais, car la circulation de l'air diminue l'intensité de la chaleur du grill.
La porte du four doit être fermée pendant la cuisson au grill pour éviter un gaspillage d'énergie.
Vous constaterez que vous devrez moins surveiller et tourner les aliments cuits de cette façon. Ce type de cuisson nécessite un préchauffage du four.
Four ventilé mixte

Cette fonction commande le ventilateur et brasse l'air chauffé par les éléments chauffants de la voûte et de la sole du four. Cette fonction, qui combine la cuisson
ventilée et la cuisson conventionnelle (chaleur supérieure et inférieure), est un moyen de cuisson idéal pour les aliments volumineux (gros rôti, par exemple) pour lesquels une cuisson complète est très importante.
On peut également faire cuire des plats simultanément sur deux grilles, mais les plats devront être intervertis pendant la cuisson, car, avec cette fonction, la chaleur est plus intense dans la voute du four qu'au niveau de la sole.
Ce mode de cuisson est intensif et rapide ; surveillez les aliments cuits de Lacke jusqu'à ce que vous soyez familiarisé avec cette fonction.
Four conventionnel (chaleur de voûte et de sole)

Cette fonction combine la chaleur fournie par les éléments supérieurs et inférieurs. Elle est particulièrement utile pour la cuisson d'alimentsrots, tartes, gâteaux et biscuits.
L'élément supérieur exposé risquant de cuire certains aliments trop rapidement, nous vous recommandons de placer les aliments dans la partie inférieure du four. Vous devrez peut-être aussi diminuer la température du four.
Des aliments semblables cuits à l'intérieur devront être intervertis pour cuire uniformément.
Élément gratineur

Cette fonction utilise uniquement l'élément situé dans la VOITE DU FOUR. C'est une fonction utile pour gratiner ou finir des gratins de pâtes, des légumes en
sauce et des lasagnes, le plat à gratiner étant déjà chaud avant la mise en marche de l'élement supérieur.
Chaleur inférieure

Cette fonction utilise uniquement l'élément inférieur. Elle permettra de dorer le fond de votre pizza ou de votre quiche ou de terminer la cuisson d'un fond de
tarte sur une grille inférieure. C'est également une chaleur douce, parfaite pour le mijotage de plats placés au milieu du four ou pour réchauffer des assiettes.
Les fonctions Elément gratineur et Chaleur inférieure sont des adjonctions utiles à votre four et vous permettent de finir vos plats à la perfection. Vous constaterez rapidement que leur utilisation contribue à étendre vos compétences culinaires.
Décongélation

Avec cette fonction, le ventilateur du four brasse uniquement de l'air froid. Il n'y a pas de chaleur. Cette fonction permet de décongeler des aliments, en
petites quantités, par exemple des desserts, gâteaux à la crème, morceaux de viande, poisson et volaille.
Ce type de décongélation accélère le processus de décongélation et protège les aliments des mouches. Placez les morceaux de viande, poisson et volaille sur une grille, au-dessus d'une plaque prévue pour l'égouttement. N'oubliez pas de nettoyer la grille et la plaque après décongélation.
La porte du four doit être fermée pendant la décongélation.
Des aliments plus volumineux, tels que des poulets entiers et des rôts, ne doivent pas être décongelés de cette façon. Nous vous conseillons de les décongeler au réfrigérateur.
Ne décongelez pas des alimentés dans un four tiège ou à côté d'un four en marche ou encore chaud.
Vérifiez que les aliments à base de produits laitiers, la viande et la volaille sont complètement décongelés avant de les cuire.
Fours ventilés
Mettez le bouton du four sur la température requise (Fig.2-12).
Le voyant du four restera allumé jusqu'à ce que le four atteigne la température requise. Il s'allumera et s'éteindra pendant la cuisson pendant que le thermostat du four maintiendra la température requise (Fig.2-13).
Fours multifonction
Le four multifonctions est doté de deux commandes, un sélecteur de fonction et un bouton de réglage de température (Fig.2-14).
Tournez le sélecteur de fonction pour le mettre sur une fonction de cuisson. Mettez le bouton du four sur la température requise (Fig.2-12).
Le voyant du four restera allumé jusqu'à ce que le four atteigne la température requise. Il s'allumera et s'éteindra pendant la cuisson pendant que le thermostat du four maintient la température requise (Fig.2-13).
| Fonction | Utilisation |
| Décongélation | Décongélation de petites quantités d'aliments dans le four sans chaleur |
| Four ventilé | Fonction de cuisson complète, chaleur uniforme; idéale pour la pâtisserie |
| Gril ventilé | Gril des viandes et poissons, avec portedu gril fermée |
| Four ventilé mixte | Fonction de cuisson complète; parfaite pour les rôts et la pâtisserie |
| Four conventionnel | Fonction de cuisson complète pour les rôts et la pâtisserie dans la partieinférieure du four |
| Élement gratinér | Pour gratiner les plats recouverts defromage |
| Chaleur inférieure | Pour dorer les fonds de quiches, pizzas ou pâtisseries |
Tableau 2-3 Fig. 2-12
Fig.2-13
Fig.2-14
Temperature
Fonction
Fig.2-15

A-Bouton Minuterie, B-Bouton Réglage
Fig.2-16


Fig.2-17

Fig.2-18

Fig.2-19



Horloge
Vous pouvez utiliser la minuterie pour mettre en marche et éteindre le four gauche. L'horloge doit être réglée sur l'heure actuelle pour que le four puisse fonctionner.
Remarque: Lors de l'utilisation de la minuterie, réglez d'abord l'horloge selon les besoins avant de sélectionner la fonction du four et de régler la température (Classic Deluxe Un four multifonctions uniquement).
Réglage de l'heure
L'horloge est montrée dedans (Fig. 2-15). Après raccordement initial de l'horloge, l'affichage clignotera pour indiquer (0.00) et ( ) alternativement.
Pour régler l'horloge sur l'heure actuelle, tournez et appuyez sans relâcher sur le bouton Minuterie pour le mettre sur le symbole horloge (①) tout en tournant le bouton Réglage vers la gauche ou vers la droite jusqu'à l'affichage de l'heure correcte. N'oubliez pas que c'est une horloge 24 heures.
Relâchez le bouton Minuterie; il reviendra à la position verticale de réglage manuel de four.
IMPORTANT: Le four de gauche ne fonctionnera pas tant que l'horloge n'aura pas été réglée.
Minuterie
Tournez le bouton Minuterie vers la droite jusqu'à la position minuterie (D). Vous devrez entendre un déclic lorsqu'il est à la position correcte (Fig.2-16).
Utilisez le bouton Réglage pour régler le temps de cuisson comme indiqué ci-dessous (Fig.2-17).
Vous pouvez remettre le bouton sur la position verticale de réglage manuel (m) pour pouvoir voir l'heure ou le laisser sur la position minuterie (L) pendant toute la durée de la cuisson.
Tournez le bouton Réglage en sens antihoraire pour arrêter le signal sonore.
Le « temps de cuisson », c'est-à-dire la durée pendant laquelle vous voulez que le four fonctionne. - « L'heure d'arrêt », c'est-à-dire l'heure à laquelle vous voulez que le four s'arrête.
Arrêt automatique du four
Tournez le bouton Minuterie pour le mettre sur la position ( ) (Fig.2-18).
Réglez l'heure d'arrêt du four à l'aide du bouton Réglage. Vous pouvez régler le four pour qu'il s'arrête à n'importe quel moment dans les 24 heures qui suivent. AUTO sera affiché (Fig.2-19).
Tournez le bouton Minuterie pour le mettre sur la position « AUTO » pour revenir à l'affichage de l'horloge.
Le signal sonore indiquera la fin de la cuisson à l'heure prévue. Tournez le bouton Minuterie pour le mettre sur la position verticale ( ) pour revenir au fonctionnement manuel.
Mise en marche et arrêt du four gauche avec minuterie
N'oubliez pas: Vous ne pouvez pas régler directement une heure de mise en marche – celle-ci est réglée automatiquement lors de la sélection du temps de cuisson et de l'heure d'arrêt.
Tournez le bouton Minuterie pour le mettre sur la position ( ) (Fig.2-20).
Utilisez le bouton Réglage pour régler le « temps de cuisson » comme indiqué ci-dessous (Fig.2-21).
Tournez le bouton Minuterie pour le mettre sur la position (). L'affichage indiquera l'heure et le « temps de cuisson » que vous venez de régler. Utilisez le bouton Réglage pour régler « l'heure d'arrêt » comme indiqué ci-dessous (Fig.2-22).
« L'heure d'arrêt » sera affichée, « AUTO » sera affiché. Réglez le (les) four(s) à la température requise. Tournez le bouton Minuterie pour le mettre sur la position « Auto »
Le signal sonore indiquera la fin de la cuisson. Tournez le bouton Minuterie pour le mettre sur la position verticale (®) pour revenir au fonctionnement manuel.
Si vous êtes absent pendant la cuisson, ne vous inquiétez pas au sujet de l'arrêt du signal sonore, celui-ci s'arrête après un certain temps. À votre retour, tournez le bouton Minuterie pour le mettre sur la position verticale (®) pour revenir au fonctionnement manuel.
AUTO est affiché, et vous devez remettre le four sur fonctionnement manuel
Pour annuler tout réglage automatique, tournez brièvement le bouton Minuterie pour le mettre sur le symbole horloge (①) puis relâchez-le.
Fonction de verrouillage
Après activation de la fonction de verrouillage, le four gauche est verrouillé et ne se mettra pas en marche.
Le four droit peut fonctionner normalement.
Vérifiez que l'horloge est sur le mode manuel et annulez tout programme en cours.
Tournez et appuyez sans relâcher sur le bouton Minuterie pour le mettre sur le symbole horloge (①) pendant environ 8 secondes. «On» (Marche) sera affiché (Fig.2-23).
Tout en maintenant le bouton Minuterie sur le symbole horloge (①), tournez le bouton Réglage en sens horaire jusqu'à l'affichage du symbole clé (①) et de « OF » (Arrêt) (Fig.2-24). Relâchez les boutons.
Le four gauche est à présent verrouillé, comme indiqué par l'affichage de l'heure et du symbole clé (9).
Après activation de la fonction de verrouillage, le four gauche est verrouillé et ne se mettra pas en marche (Fig. 2-25).






Fig.2-26
Fig. 2-27 Fig. 2-28

A - Minuterie, B - 'temps de cuisson', C - 'heure d'arrêt', D - Manuel, E & F - Boutons d'arrangement de temps
Fig.2-29
Fig.2-30
Fig.2-31
Fig.2-32
Fig.2-33
Déactivation de la fonction de verrouillage
Tournez et appuyez sans relâcher sur le bouton Minuterie pour le mettre sur le symbole horloge (⊙) pendant environ 8 secondes. « OF » (Arrêt) sera affiché (Fig.2-26).
Tout en maintenant le bouton Minuterie sur le symbole horloge (⊙), tournez le bouton Réglage en sens horaire jusqu'à ce que le symbole (⊙) soit remplacé par l'affichage de « On » (Marche) (Fig.2-27). Relâchez les boutons.
Après quelques secondes, l'heure est de nouveau affichée.
Le four peut être maintenant utilisé normalement.
Réglage de l'heure
L'horloge est montrée dans Fig.2-28. Après raccordement initial de l'horloge, l'affichage clignotera pour indiquer (0.00) et ( ) alternativement.
Appuyez en continu sur les boutons [♀] et [♂] (Fig.2-29). En même temps, appuyez sur (-) ou (+) jusqu'à l'affichage du temps de cuisson requis.
N'oubliez pas qu'il s'agit d'une horloge 24 heures.
Si vous faites une erreur ou si vous vous trompez de bouton, mettez l'appareil hors tension pendant une ou deux minutes, puis recommencez la procédure.
Minuterie
Appuyez sans relâcher sur la minuterie [L] (Fig. 2-30). En même temps, appuyez sur (-) ou (+) jusqu'à l'affichage du temps de cuisson requis (Fig. 2-31).
Vous pouvez vérifier le temps de cuisson qui reste en appuyant sur [Ω] et annuler le signal sonore en appuyant encore une fois sur [Ω].
Le « temps de cuisson », c'est-à-dire la durée pendant laquelle vous pouvez que le four fonctionne. - « L'heure d'arrêt », c'est-à-dire l'heure à laquelle vous pouvez que le four s'arrête.
Arrêt automatique du four
Appuyez sans relâcher sur le bouton Heure d'arrêt [□] (Fig.2-32). En même temps, appuyez sur (-) ou (+) jusqu'à « l'heure d'arrêt » s'affiche (Fig.2-33). AUTO sera affiché.
Le signal sonore indiquera la fin de la cuisson à l'heure prévue. Mettez d'abord le bouton de commande du four sur la position 0 puis appuyez une fois sur [ ] pour arrêter le signal sonore, appuyez de nouveau sur [ ] pour revenir au fonctionnement manuel.
Mise en marche et arrêt du four avec minuterie
Avant de régler la minuterie, CHOISSEZ le 'temps de cuisson' et l'heure d'arrêt'.
Remarque: Vous ne pouvez pas régler directement une heure de mise en marche – celle-ci est réglée automatiquement lors de la sélection du « temps de cuisson » et de « l'heure d'arrêt ».
Appuyez sans relâcher sur le bouton Temps de cuisson [□] (Fig.2-34). En même temps, appuyez sur (-) ou (+) jusqu'à l'affichage du temps de cuisson requis (Fig.2-35).
Appuyez sans relâcher sur le bouton Heure d'arrêt [□] (Fig.2-36). En même temps, appuyez sur (-) ou (+) jusqu'à « l'heure d'arrêt » s'affiche (Fig.2-37). Relâchez les boutons.
AUTO sera affiché.
Réglez le four sur la température requise. Le signal sonore indiquera la fin de la cuisson. Mettez d'abord le bouton de commande du four sur la position 0 (Arrêt), puis appuyez une fois sur [ ] pour arrêter le signal sonore, appuyez de nouveau sur [ ] pour revenir au fonctionnement manuel.
Si vous êtes absent pendant la cuisson, ne vous inquiétez pas au sujet de l'arrêt du signal sonore, celui-ci s'arrête après un certain temps. À votre retour, mettez d'abord le bouton de commande du four sur 0, puis appuyez deux fois sur [ ] pour revenir au fonctionnement manuel.
AUTO est affiché, et vous devez remettre le four sur fonctionnement manuel
Pour revenir à un fonctionnement manuel après un fonctionnement automatique, vous devez annuler le « temps de cuisson ». Appuyez en continu sur la touche [□] puis appuyez sur la touche [-] jusqu'à ce que l'affichage indique (0.00).
Appuyez sur la touche [□] pour revenir à un fonctionnement manuel.
Fonction de verrouillage
Après activation de la fonction de verrouillage, le four gauche peut fonctionner normalement, mais le four droit est verrouillé et ne s'allumera pas.
Le four droit peut fonctionner normalement.
Activation de la fonction de verrouillage
Vérifiez que l'horloge est sur le mode manuel et annulez tout programme en cours.
Appuyez sans relâcher sur les boutons Minuterie [♀] et Temps de caisson [♀]. « On » (Marche) sera affiché (Fig.2-38). Appuyez une fois sur le bouton ‘+'. Le symbole de clé [♀] et « OF » (Arrêt) s'afficheront (Fig.2-39). Relâchez les boutons.
Le four gauche est à présent verrouillé, comme indiqué par l'affichage de l'heure et du symbole clé (Fig.2-36).
Arrêt de la fonction de verrouillage
Appuyez sans relâcher sur les boutons Minuterie [♀] et Temps de caisson [♀]. « OF » (Arrêt) sera affiché (Fig.2-41). Appuyez une fois sur le bouton '+'. Le symbole de clé [♀] disparaît et « On » (Marche) s'affiche (Fig.2-42). Relâchez les boutons.
Après quelques secondes, l'heure est de nouveau affichée.
Le four peut être à présent utilisé normalement.




















Grilles de four - four gauche (four principal)
Outre la grille plate, certains modèles sont fournis avec une grille surbaissée (Fig.2-43), qui augmente les possibilités d'espacement entre les grilles de four. Les grilles de four peuvent être facilement retirées et remises en place.
Tirez la grille vers l'avant jusqu'à ce que l'arête de la grille soit arrêtée par les butées d'arrêt laterales du four (Fig.2-44). Soulevez l'avant de la grille pour faire passer l'arête de la grille sous la butée d'arrêt, puis tirez la grille vers l'avant (Fig.2-45).
Pour remettre la grille en place, mettez la grille à niveau avec une glissière latérale du four, puis insérez la grille à fond jusqu'à ce que les extrémités soient en contact avec la butée d'arrêt de la grille. Soulevez l'avant de la grille pour que les extrémités dépassent les butées, puis abaissez l'avant pour permettre la grille à l'horizontal, avant de l'insérer à fond (Fig.2-46).
Grilles de four - four chaud (four haut)
Le four haut est fourni avec quatre grilles de cuisson ordinaires (Fig.2-47), et une grille chauffe-plats (Fig.2-48).
Lorsque vous utilisez le four haut, vous pouvez faire cuire des aliments sur les quatre grilles simultanément, mais veillez à ce que les plats soient bien écartés les uns des autres pour permettre à l'air chaud de circuler.
Le Handyrack (Fig. 2-49) se monte uniquement sur la porte du four gauche. Il est facile de surveiller les aliments faisant ainsi car vous pouvez y accéder lorsque la porte est ouverte.
Le Handyrack peut supporter un poids maximum de 5,5 kg. Il ne doit être utilisé qu'avec le plat à rôtir fourni, qui est spécialement conçu pour être utilisé avec le Handyrack. Tout autre récipient de cuisson risque d'être instable.
Vous pouvez le monter sur deux positions. Retirez une des grilles et placez l'autre selon les besoins. Lorsque le Handyrack est utilisé sur sa position supérieure, d'autres plats peuvent être cuits sur une grille placée à la position inférieure ou placée directement sur la sole du four. Lorsque le Handyrack est utilisé sur sa position inférieure, d'autres plats peuvent être cuits sur une grille placée à la deuxième position du four ou directement sur la sole du four. Pour monter le Handyr[yrack], placez un côté sur le support de la porte (Fig.2-50). Extrayez l'autre côté pour l'accrocher sur l'autre support (Fig.2-51).
Éclairage du four principal
Appuyez sur le bouton approprié pour allumer l'éclairage du four (Fig. 2-52).
Si l'éclairage est défectueux, mettez la cuisinière hors tension avant de changer l'ampoule. Pour des informations détaillées sur la façon de changer une ampoule de four, reportez-vous à la section « Dépannage ».
Utilisation de votre cuisinière à induction
Si vous n'avez jamais utilisé de cuisinière à induction, tenez compte des conseils suivants :
Assurez-vous que les récipients de cuisson que vous possédez ou que vous achetez sont adaptés à la cuisson par induction. L'acier inoxydable, l'acier émaillé ou la fonte sont idéals. Vérifiez bien avant l'achat : les récipients de cuisson doivent avoir un fond magnétique.
Prenez le temps de vous familiariser avec la cuisson à induction qui, bien que douce, est une cuisson rapide et puissante. Lors du mijotage, vous remarquerez peut-être que le mijotage des liquides semble cesser puis reprendre presque immédiatement. Ceci est tout à fait normal.
Vous pourrez entendre un léger bruit de vibration provenant des récipients pendant la cuisson à induction. Ici aussi, ceci est tout à fait normal et dépendra du type et de la forme des récipients utilisés.
Les éléments chauffants à induction s'allument et s'éteignent pendant la cuisson. Même si un foyer en marche semble s'éteindre et s'allumer, une chaleur constante continue d'être fournie au réseau de cuisson – ceci est tout à fait normal.
Conseils pour la cuisson avec minuterie
Si vous désirez cuire plusieurs plats simultanément, CHOISSEZ des plats nécessitant approximativement le même temps de cuisson. Cependant, la cuisson de certains plats peut être légèrement 'ralentie' en utilisant des petits plats de cuisson et en les recouvrant d'une feuille de papier aluminium, ou « accélérée » en utilisant de plus petites quantités ou des plats de cuisson plus grands.
Evitez d'utiliser des aliments rapidement périssables (poisson, porc, etc.) si vous prévoyez une longue période d'attente, surtout par temps chaud.
Ne placez pas des aliments chauds dans le four qui sera utilisé avec la fonction minuterie. N'utilisez pas un four déjà chaud avec la fonction minuterie. N'utilisez pas la fonction minuterie avec un four si le four adjacent est déjà chaud.
Décongelez complètement les volailles entières avant de les mettre au four. Assurez-vous que les viandes et volailles sont bien cuites avant de les servir.
Conseils généraux pour la cuisson au four
Veillez à ce que les grilles soient toujours insérées à fond dans le four.
Placez les plaques de cuisson, plats à rôtir, etc., à niveau, au centre des grilles du four. Placez les autres plats au centre sur les grilles. Éloignez les plaques et les plats de cuisson des bords du four, afin de ne pas trop dorer les alimentés.
Pour dorer un plat uniformément, il est recommandé d'utiliser une plaque de cuisson de dimensions maximales de 340 mm x 340 mm pour le four gauche (four principal) et de 232 mm x 321 mm pour le four droit (four haut).
Lorsque le four est en marche, NE laissez PAS la porte du four ouverte plus longtemps que nécessaire, afin dprévenir une surchauffe des boutons de commande.
- Laissez toujours un « doigt de largeur » entre des plats placés sur une grille de four. Ceci afin de faciliter la circulation de chaleur autour des plats. Pour réduire les projections grasses lorsque vous ajoutez des légumes dans la graisse chaude autour d'un roti, séchez soigneusement les légumes ou enduisez-les d'un peu d'huile à friture.
- Placez les plats susceptibles de bouillir et déborder pendant la cuisson sur une plaque de cuisson. Le four produit assez de chaleur pendant la cuisson pour réchauffer des assiettes placées dans l'enceinte du grill.
- Si vous souhaitez dorer un fond de tarte, préchauffez une plaque de cuisson pendant 15 minutes avant de placer le plat au centre de la plaque.
- Les panneaux internes autonettoyants (voir la section « Nettoyage de la cuisine ») sont plus efficaces lorsqu'on évite les projections grasses. Couvrez la viande pendant la cuisson.
4. Cuisson de la table
Les températures du four et les temps de cuisson sont fournis à titre indicatif uniquement. En fonction des goûts de chacun, les températures devront peut-être être modifiées dans un sens ou dans l'autre, pour obtenir les résultats que vous recherchez.
Dans un four ventilé, les plats sont cuits à une température plus basse que dans un four traditionnel. Lorsque vous suivez une recette, réduisez la température indiquée de 10°C et le temps de cuisson de 5-10 minutes. La température dans un four ventilé ne varie pas selon la position dans le four - vous pouvez donc utiliser n'importe quelle grille.
Haut Centre Base Position de grille
Température Four Position Température
Conventional ℃
de grille
Four Ventilé °C Temps de Cuisson Approximatif
H-Haut; C-Centre; B-Base
Vande
| Bœuf | 160 | C | 150 | 30-35 minutes par 500g +30-35 minutes. | Farci et roulé - Ajoutezapproximativement 10 minutes/500gaux temps de cuisson ci-dessus oufaites cuire à 200°C pendant 20minutes, puis à 160°C pendant lereste de la cuisson. |
| 200 | C | 190 | 20-25 minutes par 500g +20-25 minutes. | ||
| Agneau | 160 | C | 150 | 30-35 minutes par 500g +30-35 minutes. | |
| 200 | C | 190 | 20-25 minutes par 500g +20-25 minutes. | ||
| Porc | 160 | C | 150 | 35-40 minutes par 500g +35-40 minutes. | |
| 200 | C | 190 | 25-30 minutes par 500g +25-30 minutes. | ||
| Volatile | |||||
| Poulet | 160 | C | 150 | 20-25 minutes par 500g +20-25 minutes. | Volatile farcie - Cuisson à 200°C ou à200°C pendant 20 minutes, puis à160°C pendant le reste de la cuisson.Preémballée (fraîche ou congelée):Suiviè les temps de cuisson indiquéssur l'emballage.Avant la cuisson, decongelezcompletement les rotis et volaillescongeles. |
| 200 | C | 190 | 15-20 minutes par 500g +15-20 minutes. | ||
| Dinde | 160 | C | 150 | 25-30 minutes par 500g +25-30 minutes. | |
| 200 | C | 190 | 20 minutes par 500g +20 minutes. | ||
| Canard | 160 | C | 150 | 25-30 minutes par 500g. | |
| 200 | C | 190 | 20 minutes par 500g. | ||
| Plat braisé | 140-150 | C | 130-140 | 2-4 heures selon la recette. | |
| Poisson | |||||
| 190 | C | 180 | Filet 15-20 minutes. Morceau entier 15-20 minutes par 500g. | ||
| 190 | C | 180 | Morceau entier 10 minutes par 500g +10 minutes. | ||
| 190 | C | 180 | Steaks selon l'épaisseur. | ||
| Gâteau | Avec un four traditionnel : lorsque lacuisson est aux deux tiers, laissez au moins un espace de coullisse entre lestabletes.Placeze le plateau de cuisson avec lapartie antérieure à l'avant de la tablettedu four.Lors de la cuisson à deux étages, lesplaques doivent être inversées aprèsenviron la moitié du temps de cuisson. | ||||
| Cake 100% fruits confits | 140 | C/B | 130 | 45-50 minutes par 500g de pâté. | |
| Fruits 180mm | 150 | C/B | 140 | 2-2,5 heures. | |
| Fruits 230mm | 150 | C/B | 140 | 3,5 heures. | |
| Gâteau quatre quarts 180mm | 180 | C | 170 | 20-30 minutes. | |
| Desserts | |||||
| Tarte pâté brisée | 200 | C | 190 | 30-40 minutes. | |
| Tourtes aux fruits | 180 | C | 170 | 30-40 minutes permutation après 25 minutes. | |
| Tartelettes | 180 | C | 170 | 15-20 minutes. | Les trois tiers peuvent être cuits dansun four ventilé en même temps, maisveiliez laisser au moins un espace decouissé entre chaque tablettes surlaquelle vous faites cuire. |
| Pâté feuilletée | 220 | C | 210 | 20-40 minutes selon la taille. | |
| Meringues | 100 | C | 90 | 2-2,5 heures selon la taille. | |
| Pain | 220 | C | 210 | 20-30 minutes. | |
5. Nettoyage de la cuisinière
Avant un nettoyage complet, mettez la cuisinière hors tension. Laissez-la refroidir.
N'utilisez jamais de solvants pour peinture, de cristaux de soude, de nettoyants caustiques, de poudres biologiques, d'eau de Javel, de nettoyants chlorés, ni de produits abrasifs à gros grain ou de sel. Ne mélangez pas plusieurs produits nettoyants, car ils risquent de réagir entre eux et d'avoir des effets nocifs.
Toutes les parties de la cuisine ne peuvent être lavées à l'eau savonneuse chaude - mais veillez à prévenir toute infiltration d'eau dans l'appareil.
N'oubliez pas de mesurer l'électricité avant de réutiliser la cuisine.
Entretien quotidien
Vérifiez tout d'abord que tous les indicateurs de chaleur résiduelle sont éteints et que la table de cuisson a refroidi. Appliquez une petite quantité de nettoyant semi-liquide pour surface vitrocéramique au centre de chaque zone à nettoyer. À l'aide de papier essuie-tout propre et humide, étalez le produit nettoyant sur la surface de cuisson. Pour finir, essuyez la surface avec du papier essuie-tout propre et sec.
Nettoyage des débordements
En cas de déversement ou débordement accidentel pendant la cuisson, éteignez la cuisinière et essuyez autour de la zone chaude avec du papier essuie-tout propre. Si les aliments renversés (autres qu'une substance sucrée) se trouvent sur une zone chaude de la table de cuisson, attendez que celle-ci ait entièrement refroidi pour nettoyer et suivez les instructions ci-dessous (« Nettoyage des déversements brûlés »).
En cas de fonte accidentelle d'un objet ou de déversement d'aliments à force teneur en sucre (confiture, sauce tomaté, jus de fruit, etc.), ENLEVEZ IMMIEDIATEMENT les aliments déversés à l'aide d'un racloir à lame pendant que la table est encore chaude.
Important: utilisation d'un gant isolant pour ne pas se brûler.
Raclez le plus gros des aliments déversés ou de toute matière qui aurait fondu sur la zone de cuisson et poussez-les vers une zone froide. Mettez ensuite la cuisinière sur la position Arrêt [OFF] et laissez-la refroidir avant de continuer le nettoyage. Lorsque la surface de cuisson a refroidi et que les indicateurs de chaleur résiduelle sont éteints, suivez la procédure de nettoyage quotidien décrite plus haut.
Nettoyage des déversements brûlés
Vérifiez que les indicateurs de chaleur résiduelle sont éteints et que la table de cuisson a refroidi. Retirez toute matière brûlée à l'aide d'un racloir à lame simple. Tenez le racloir à un angle d'environ au-dessus de la surface et raclez pour éliminer les dépôts (Fig.5-1).

Fig.5-2
Fig.5-3
Fig.5-4
Fig.5-5
Fig.5-6
Lorsque le plus gros a été enlevé à l'aide du racloir, suivez la procédure de nettoyage quotidien décrite plus haut.
Gril coulissant
Lavez la lèchefrite et la grille à l'eau savonneuse chaude. Après les grillades de viandes ou d'aliments salissants, faites tremper dans l'évier pendant quelques minutes, immédiatement après la cuisson. Les taches tenaces sur la grille peuvent être enlevées à l'aide d'une brosse en nylon. La lèchefrite peut aussi être lavée au lave-vaisselle.

Avant de retirer des composants du grill pour les nettoyer, assurez-vous qu'ils ont refroidi ou protégez-vous avec des gants isolants.
Procédez comme suit pour retirer la lèchefrite à des fins de nettoyage. Pour retirer le support de la lèchefrite, tirez la lèchefrite vers l'avant (Fig.5-2).
Soulevez la lèchefrite du support. Le support est maintenu sur les glissières latérales par deux clips de chaque côté (Fig.5-3).
Pour chaque côté, soutenez la glissière latérale d'une main et, de l'autre, soulevez le support pour le dégager des clips latéraux (Fig.5-4).
Pour des raisons de sécurité, repoussez le plateau du grill dans la chambre de grillage.
Pour faciliter le nettoyage de l'enceinte du gril, vous pouvez retirer les glissières latérales en les décrochant des côtés de l'enceinte (Fig. 5-5) et essuyer les côtés avec un chiffon doux imbibé de détergent doux.

N'utilisez pas des produits nettoyants abrasifs.

NE LAVEZ PAS les glissières latérales au lave-vaisselle.
Après nettoyage, raccrochez les glissières latérales sur les côtes de l’enceinte du grill. Pour remonter le support, tirez les glissières latérales vers l’avant, et, pour chaque côté, soutenez la glissière et appuyez sur le support pour le réinsérer dans les glissières. Replacez la l’échefrite. Lors de la remise en place de la l’échefrite, assurez-vous que le bord large est à l’avant (Fig. 5-6).
Panneau de commande et portes
N'utilise pas des produits nettoyants abrasifs, y compris des produits nettoyants semi-liquides, sur les surfaces en acier inoxydable brossé. Les meilleurs résultats s'obtiennent avec des détergents liquides.
Le panneau et les boutons de commande doivent uniquement être nettoyés avec un chiffon doux imbibé d'eau savonnée chaude – mais prenez garde à ce qu'aucun excédent d'eau ne s'infiltre dans l'appareil. Essuyez avec un chiffon propre puis astiquez avec un chiffon sec.
Fours
Sur certains modèles, le panneau avant de la porte du four peut être retiré pour permettre le nettoyage des panneaux en verre. Avancez la cuisinière afin de pouvoir accéder aux parties latérales (veuillez lire la section 'Déplacement de la cuisinière' des présentes instructions).
Panneau de porte
Entrouvez la porte du four et retirez les vis de fixation du panneau avant des côtés de la porte (deux de chaque côté) (Fig. 5-7).
Soulevez le panneau de porte extérieur avec précaution. Vous pouvez à présent nettoyer la face intérieure des panneaux, en veillant à ne pas déplacer ni mouiller les joints d'étanchéité de la porte.
Remarque: Si la porte est dotée d'un triple vitrage, les panneaux intérieurs sont fixés ensemble et ne doivent pas être séparés. Après nettoyage, reposez le panneau de porte extérieur avec précaution et replacez les vis de fixation.

N'UTILISEZ PAS de produits nettoyants décapants et abrasifs ni de racloirs métalliques acérés pour nettoyer la surface en verre de la porte du four, afin de prévenir tout risque de rayures et de fissures du verre.
Panneaux autonettoyants du four
Les jours sont dotés de panneaux amovibles à revêtement émaillé qui sont partiellement autonettoyants. Ceci n'empêche pas complètement la formation de taches sur le revêtement, mais réduit le nettoyage manuel nécessaire.
Le nettoyage automatique des panneaux est plus efficace à une température supérieure à 200°C. Si, en général, vous utilisez le four à des températures inférieures, retirez occasionnellement les panneaux et essuyez-les avec un chiffon non pelucheux imbibé d'eau savonneuse chaude. Séchez et replacez les panneaux dans le four chauffé à 200°C pendant environ une heure. Ceci assurera un bon fonctionnement des panneaux autonettoyants.
Dépose des panneaux internes du four principal
Chaque panneau latéral est maintenu en place par quatre vis de fixation. Les panneaux peuvent être retirés sans avoir à enlever les vis. Soulevez chaque panneau latéral pour le décrocher des vis (Fig.5-8). Tirez-le ensuite vers l'avant.
Après retrait des panneaux internes, vous pouvez nettoyer l'intérieur émaillé du four.
N'utilisez pas de paille de fer ou tout autre matériel susceptible de rayer la surface.
Four haut
Pour nettoyer les parois du four, retirez les grilles, décrochez et retirez les supports latéraux (Fig. 5-9).



Tableau nettoyage
Les produits nettoyants indiqués sont en vente dans les supermarchés ou les magasins d'accessoires électriques. (Tableau 5-1).
Pour les surfaces émaillées, utilisez un produit nettoyant pour l'émail vitré.
Un nettoyage régulier est recommandé. Pour faciliter le nettoyage, essuyez les taches immédiatement.
Table de cuisson Tableau 5-1
| Composant | Finition | Méthode de nettoyage recommmandée |
| Surface de la table de cuisson | Email ou acier inoxydable | Eau savonneuse chaude, chiffon doux. FrottezDoucement avec un tampon à récurer en nylon pour éliminer les taches tenaces. |
| Table de cuisson céramique/induction | Verre tempé | Eau savonneuse chaude, nettoyant crème/tampon à récurer si nécessaire. |
| Plaque à griller (selon les modèles) | Surface antiadhésive | Laissez refroidir. Lavez à l'eau savonneuse chaude. N'utilise pas de produits nettoyants/tampons abrasifs. Lave-vaiselle. |
| Zone de réchauffage (selon les modèles) | Verre tempé | Eau savonneuse chaude, nettoyant crème/tampon à récurer si nécessaire. |
| Extrieur de la cusinière | ||
| Composant | Finition | Méthode de nettoyage recommmandée |
| Porte, pourtour de portet etextérieur du tiroir de rangement | Email ou peinture | Eau savonneuse chaude, chiffon doux. |
| Frottez doucement les tâches tenaces avec un détergent liquide. | ||
| Côtés et plinthe | Surface peinte | Eau savonneuse chaude, chiffon doux. |
| Dosseret / Grille arrêté | Email ou acier inoxydable | Eau savonneuse chaude, chiffon doux. Nettoyez soignement avec un produit nettoyant semi-liquide, si nécessaire. |
| Panneau de commande | Peinture, émail ou acier inoxydable | Eau savonneuse tiège. N'utilise pas de produits nettoyants abrasifs sur les caractères. |
| Boutons de commande/poignées et garnitures | Plastique/chrome ou cuivre | Eau savonneuse tiège, chiffon doux. |
| Laiton | Produit de polissage pour laiton (supermarché). | |
| Vitre de portedouf / Couvercleen verre | Verre tempé | Eau savonneuse chaude, nettoyant crème/tampon à récurer si nécessaire. |
| Four et Gril | ||
| Composant | Finition | Méthode de nettoyage recommmandée |
| Parois, sole et voute du four - PASles PANNEAUX AUTONETTOYANTS(voir ci-dessous) | Tout produit nettoyant pour four utilisable avec l'émail.AKTENTION: PRODUITS NETTYANTS CORROSIFS/CAUSTIQUESPOUR FOURIS : SUIVEZ LES INSTRUCTIONS DU FABRICANT.Evitez tout contact avec les éléments du four. | |
| Panneaux autonettoyants de four(selon les modèles) | Email spécial partiellementautonettoyant | Cette surface est autonettoyante à 200°C ou plus; vous pouze également retarder les panneaux et les nettoyer à l'eau savonneusechaude et avec une Brosse en nylon. |
| Grilles de four, Handyrack, grillede l'echefrite, Handygrill | Chrome | Tout produit nettoyant pour four utilisable avec le chrome.Tampon à récurer savonneux. Lave-vaiselle. |
| L'echefrite/Plat à viande (selon les modèles) | Eau savonneuse chaude. Tampon à récurer savonneux. Lave-vaiselle. | |
6. Dépannage

NE PAS faire effectuer de modifications ou de réparations de la table de cuisson par des personnes non qualifiées. N'essayez pas de réparer la table de cuisson ; vous risquez de vous blesser et d'endommager la table. Faites effectuer la réparation par une personne compétente.
Remarque: La table de cuisson à induction est dotée d'un système de diagnostic automatique et peut afficher ces diagnostics sur l'affichage des commandes de la table. Des codes d'erreur peuvent être affichés dans le cas d'un fonctionnement défectueux de la table de cuisson.
Les informations ci-dessous pourront vous être utiles pour remédier au problème en cas d'affichage d'un code d'erreur ou de fonctionnement défectueux de la cuisine.
Affichage du code d'erreur E2
L'unité électronique est trop chaude. Vérifiez l'installation de la cuisinière, pour vous assurer que la ventilation en place est suffisante. Dans des cas extrêmes, ce code d'erreur peut être affiché si un récipient de cuisson continue de fonctionner à sec après ébullition. En cas de doute, veuillez contacter votre installateur ou un réparateur qualifié.
Absence d'affichage
Surtension ou absence de tension d'alimentation de la cuisinière. En cas de doute, veuillez contacter votre installateur ou un réparateur qualifié.
Affichage du code d'erreur U400
La plaque/ la cuisine est mal branchée. L'écran de commande va s'éteindre au bout d'1 seconde environ et le code d'erreur s'affichera en continu.
Veuillez contacter votre installateur ou un réparateur qualifié.
Affichage du code d'erreur er suivi d'un chiffre
L'appareil présente un problème technique interne qui ne peut pas être rectifié par l'utilisateur. Veuillez contacter votre installateur ou un réparateur qualifié.
Le fusible saute ou le disjoncteur différentiel est déclenché fréquemment
Veuillez contacter votre installateur ou un réparateur qualifié.
La table de cuisson ne se met pas en marche
Votre système électrique domestique a-t-il fait sauter un fusible ou déclenché un disjoncteur différentiel?
La table de cuisson a-t-elle été connectée correctement à l'alimentation secteur?
La fonction verrouillage sécurité enfants a-t-elle été activée? Voir la section Verrouillage sécurité enfants pour plus d'informations sur cette fonction.
La table de cuisson à induction est bruyante
Lors de l'utilisation de la table de cuisson à induction, un « bruit » peut être audible au niveau des foyers. Ceci est normal et peut être plus audible dans le cas d'une cuisson aux puissances maximales ou de l'utilisation simultanée des cinq foyers. Le type de récipient de cuisson peut aussi contribuer à ce « bruit ».
Le ventilateur de refroidissement
La plaque à induction comprend un ventilateur de refroidissement. Le ventilateur est en action lorsque le grill ou le four sont allumés. Dans certaines conditions, le ventilateur peut rester en action lorsque le grill et le four sont éteints. Cela est normal et le ventilateur s'éteindra automatiquement.
Une fissure est visible sur la surface de la table de cuisson
Mettez immédiatement la cuisinière hors tension et faites-la réparer.
La table de cuisson est rayée
Utilisez toujours les méthodes de nettoyage recommandées dans les présentes instructions, et veillez à utiliser des récipients de cuisson à fond lisse et propre.
Les traces laissées par les dépôts minéraux dus à l'eau et aux aliments peuvent être éliminées à l'aide d'un produit nettoyant semi-liquide. Il n'est pas toujours possible d'éliminer les toutes petites rayures, mais celles-ci s'estomperont à la longue après plusieurs nettoyages.
Le ventilateur du four est bruyant
Le bruit du ventilateur peut changer pendant le chauffage du four. Ici, c'est tout à fait normal.
Le gril ne cuit pas correctement
Utilisez-vous la lèchefrite et la grille fournies avec la cuisinière ? Utilisez-vous la lèchefrite sur les glissières et non pas directement sur la surface inférieure de l'enceinte du grill ? La lèchefrite est-elle insérée à fond jusqu'à la butée arrière ?
Ceci est dû à la chaleur provenant du four ou du gril. Ne laissez pas la porte du four ouverte. Lorsque vous utilisez le gril, assurez-vous que la l’étagère du gril est bien insérée jusqu'à la butée arrête.
Laissez toujours la porte de l'enceinte du gril fermée pendant l'utilisation du gril.
En cas de problème concernant l'installation, si mon installateur d'origine ne peut pas venir résoudre le problème, à qui incombent les frais?
C'est à vous qu'incombent ces frais. Les sociétés d'entretien factureront leurs interventions si elles réparent une installation effectuée par votre installateur d'origine. Il est de votre intérêt de contacter votre installateur d'origine.
Panne de courant
En cas de panne de courant, n'oubliez pas de régler de nouveau l'horloge pour permettre le fonctionnement automatique du four.
Les alimentés cessent trop lentement, trop rapidement, ou brûlent
Les temps de cuisson peuvent être différents de ceux de votre ancien four. Vérifiez que vous utilisez les températures et positions de grilles de four recommandées. En fonction des goûts de chacun, les températures devront peut-être être modifiées dans un sens ou dans l'autre, pour obtenir les résultats que vous recherchez.
La cuisson au four n'est pas uniforme
N'utilise pas de plat ou de plaque de cuisson de dimensions supérieures à celles indiquées dans la section « Conseils généraux pour la cuisson au four »
Dans le cas d'un grand plat, vous devrez peut-être le tourner pendant la cuisson.
Si vous utilisez deux grilles, vérifiez qu'il y a assez de place pour permettre à la chaleur de circuler. Lorsque vous insérez une plaque de cuisson dans le four, veillez à la placer au centre de la grille.
Vérifiez que le joint d'étanchéité de la porte n'est pas endommagé et que le loquet de porte est réglé de façon à ce que la porte soit bien appuyée contre le joint.
Un réseau d'eau placé sur la grille doit avoir une profondeur uniforme. (S'il est plus profond à l'arrière, par exemple, l'arête de la cuisinière doit être levée ou l'avant de la cuisinière abaissé). Si la cuisinière n'est pas à niveau, demandez à votre fournisseur de la mettre à niveau.
Le four ne s'allume pas lorsqu'il est mis en marche manuellement
L'appareil est-il sous tension ? L'horloge est-elle éclairée ? Si ce n'est pas le cas, l'alimentation électrique est peut-être défectueuse. Le sectionneur de l'alimentation électrique de la cuisinière est-il sur la position Marche ?
L'heure a-t-elle été réglée?
Le symbole clé (†) s'affiche-t-il pour indiquer le verrouillage du four ? Reportez-vous à la section 'Horloge' des instructions pour un complément d'informations sur la fonction de verrouillage.
Le four ne s'allume pas avec la mise en marche automatique
Le bouton de commande du four a-t-il été laissé par erreur sur ARRET (OFF)? Est-ce que le four est verrouillé (voir ci-dessus)?
Si le fait de mettre le bouton de réglage sur une température inférieure n'a pas eu d'effet ou a eu un effet temporaire, vous devrez peut-être remplacer le thermostat. Cette intervention doit être effectuée par un spécialiste de l'entretien.
L'éclairage du four ne fonctionne pas
L'ampoule a probablement grillé. Vous pouvez acheter une ampoule de rechange (non couverte par la garantie) dans un magasin d'accessoires électriques. Demandez une ampoule à culot vissable Edison 15 W 240 V, POUR FOURS. Cette ampoule doit pouvoir résister à une température de 300°C (Fig. 6-1).
Avant de retirer l'ampoule usagée, mettez la cuisinière hors tension et assurez-vous que le four a refroidi. Ouvrez la porte du four et retirez les grilles du four.
Dévissez le couvercle de l'ampoule en tournant en sens anti-horaire (il peut être très difficile à dévisser) (Fig. 6-2).
Dévissez l'ampoule en tournant en sens anti-horaire, en vous protégeant les mains avec un gant pour ne pas vous blesser.
Vissez l'ampoule de rechange, puis révissez le couvercle de l'ampoule. Remettez l'appareil sous tension et contrôlez le fonctionnement de l'éclairage.
La porte du four est alignée mal
La charnière inférieure de la porte peut être ajustée afin de modifier l'angle de la porte (Fig.6-3). Desserrez les vis de fixation de la charnière inférieure, et utilisez le cran et un tournevis à lame plate pour changer la position de la charnière et la régler (Fig.6-4).
Resserrez les vis de la charnière.
Fig.6-1
Fig. 6-2 Fig. 6-3

Effet de l'ajustement de la charnière - exagéré pour plus de clarté
Ligne centrale de l'axe de charnière.
Installation
Une fois le travail terminé, vérifie que les alimentations d'électricité sont correctement rebranchées.
7. Installation
Avant de commencer l'installation, veuillez remplir la fiche ci-dessous. Ceci permettra à votre client de vous contacter facilement en cas de problème relatif à l'installation.
| Nom de l'installateur |
| Société de l'installateur |
| Numéro de telephone de l'installateur |
| Numéro de série d'appareils |
Mesures et règlements de sécurité

Cette cuisinière doit être installée conformément aux instructions appropriées des présentes et à la réglementation nationale et locale en vigueur, ainsi qu'aux prescriptions des compagnies de gaz et d'électricité locales.

Cet appareil doit être installé conformément à la réglementation en vigueur, et uniquement dans un endroit bien ventilé.

Lisez les instructions avant d'installer ou d'utiliser cet appareil.
Ventilation
Cet appareil n'est pas raccordé à un dispositif d'évacuation des produits de combustion. Prêtez particulièrement attention à la réglementation en vigueur concernant la ventilation.
Toutes les pièces nécessitent une fenêtre ouvrable ou un dispositif équivalent, et certaines pièces nécessitent une mise à l'air libre permanente en plus de la fenêtre ouvrable.
Emplacement de la cuisinière
La cuisinière peut être installée dans une cuisine/un salon-cuisine, mais PAS dans une pièce contenant une baignoire ou une douche.
Cet appareil est conçu uniquement pour un usage domestique. Toute autre utilisation n'engage ni la responsabilité, ni la garantie du fabricant.
L'installation de la cuisinière nécessitera l'emploi du matériel indiqué ci-dessous:
Multimètre: Pour les contrôles électriques
Vous aurez aussi besoin des outils suivants:
- Metre en acier
- Tournevis cruciforme
- Tournevis à lame plate
- Niveau à bulle
- Crayon
- Clé réglable
- Clé hexagonale
- Clé polygonale ou à douilles de 13 mm
Vérification des pièces:
| Lèchefrite et grille | 1 grille de four plate |
| 1 grille surbaissée | Handyrack |
| Plat à rôtir | Grilles et supports de grilles de four haut |
| Plinthe (Modèle 1-piece représentée) | Dosseret (Classic Deluxe) |
Positionnement de la cuisinière
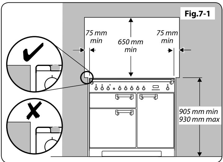
Le schéma indique les cotes minimales recommandées entre la cuisinière et les surfaces adjacentes (Fig. 7-1).
Ne placez pas la cuisinière sur un support.
Laissez un espace de 75 mm au-dessus du niveau de la table de cuisson entre chaque côté de la cuisinière et toute surface verticale adjacente.
Pour les surfaces non combustibles (telles que le métal non poreux ou les carrelages), cette cote peut être de 25 mm.
Laissez un espace de 650 mm au minimum entre la partie supérieure de la table de cuisson et une surface horizontalement combustible.
La Fig. 7-2 indique les dégagements recommandés au-dessus de la cuisinière.
- Toute hotte de cuisinière doit être installée conformément aux instructions du fabricant de hotte.
Les surfaces des meubles et des murs de chaque côté et à l’arrière de l’appareil doivent être résistantes à la chaleur, aux éclaboussures et à la vapeur. Certains types de meubles de cuisine en vinyle ou en stratifié sont particulièrement susceptibles aux risques de dommages thermiques et de décoloration. Nous déclinons toute responsabilité pour des dommages résultant d’une utilisation normale de la cuisinière et subis par des matériaux qui se décollent ou se décolorent à des températures de moins de 65°C au-dessus de la température ambiante.
Nous recommandons de laisser un espace de 1020 mm entre les unités pour permettre le déplacement de la cuisinière. La cuisinière ne doit pas être encastrée - elle doit pouvoir être déplacée vers l'avant et vers l'arrière pour le nettoyage et l'entretien.
Si la cuisinière est près d'un coin de la cuisine, un dégagement de 130 mm est nécessaire pour permettre l'ouverture des portes de jours (Fig. 7-3). La cote d'ouverture des portes est légèrement inférieure à ce dégagement, mais ceci inclut une marge de sécurité pour la protection des mains lors de l'ouverture de la porte.
Déplacement de la cuisinière

N'essayez jamais de déplacer la cuisinière lorsqu'elle-ci est sous tension.

La cuisinière est très lourde, faites très attention.
Nous recommandons de faire appel à deux personnes pour déplacer la cuisinière. Assurez-vous que le revêtement du sol est solidement fixé en place ou retirez-le afin de ne pas l'abîmer en déplaçant la cuisinière.
Deux galets arrière de mise à niveau et deux supports avant vissables facilitent le déplacement de la cuisinière.
Retirez le socle d'emballage en polystyrène. Depuis l'avant, inclinez la cuisinière vers l'avant et retirez la partie avant du socle d'emballage en polystyrène (Fig. 7-4). Répétez cette procédure à l'arrière et retirez la partie arrière du socle.




Installation
Une fois le travail terminé, vérifie que les alimentations d'électricité sont correctement rebranchées.
Fig.7-6

Fig.7-7
Baissez les deux galets arrière
Pour ajuster la hauteur de l'arrière de la cuisinière, mettre d'abord une clé à douille ou à crochet de 13 mm dans l'écrou hexagonal d'ajustement (Fig.7-5).
Tourner l'écrou dans le sens horaire pour soulever et dans le sens antihoraire pour baisser.
Effectuez 10 tours complets (360^) en sens horaire
Veillez à abaisser les DEUX GALETS ARRIERE.
Exécution du mouvement
Dépliez le bord (carton) arrêté du plateau d'emballage. Ouvrez la porte du grill et la porte du four croît afin d'avoir une bonne prise sur la partie inférieure du panneau de commande pour déplacer la cuisinière (Fig. 7-6).
Poussez la cuisinière vers l'arrière avec précaution pour la dégager de son socle d'emballage. Retirez le plateau d'emballage.
Poussez la cuisinière près de sa position finale, en laissant juste assez de place pour pouvoir avoir accès à l'arrière (Fig. 7-7).

N'utilise pas les poignées de portes ou les boutons de commande pour déplacer la cuisinière.
Repositionnement de la cuisinière après raccordement
Si vous devez déplacer la cuisinière après son raccordement, débranchez la cuisinière, agrippez-la sous le panneau de commande et levez légèrement l'avant de la cuisinière (Fig. 7-6), puis vérifiez à l'arrière de l'appareil que le câble d'alimentation n'est pas entravé.
Pendant le déplacement de la cuisine, assurez-vous que le cable n'est pas entravé.
Si la cuisinière est dotée d'une chaîne stabilisatrice, défaites-la pour pouvoir manœuvrer la cuisinière. N'oubliez pas de la remettre en place lorsque vous replacez la cuisinière.
Lors de la remise en place de la cuisinière, vérifie de nouveau que le câble électrique n'est pas entravé ou coincé.
Mise à niveau
Nous vous recommandons d'utiliser un niveau à bulle placé sur l'une des grilles de four pour vérifier le niveau.
Placez la cuisinière à l'emplacement prévu pour son installation, en veillant à ne pas exercer de force de torsion lorsque vous l'insérez entre les éléments de cuisine, pour ne pas l'endommager ou endommager les éléments.
Les supports avant et les galets d'arrêt réglables permettent la mise à niveau de la cuisine.
Pour régler la hauteur de l'arrière de la cuisinière, tourner les écrous de réglage aux coins avant inférieurs de l'appareil.
Pour régler les supports avant, tournez les socles pour lever ou abaisser.
Installation
Une fois le travail terminé, vérifie que les alimentations d'électricité sont correctement rebranchées.
Raccordement électrique
Cet appareil doit être installé par un électricien qualifié, conformément à la réglementation en vigueur et aux prescriptions de la Compagnie d'électricité locale.
Disjoncteurs différentiels
L'utilisation conjointe de votre cuisinière et d'autres appareils domestiques peut entraîner des disjonctions fortuites; par conséquent, nous recommandons de protéger la cuisinière par un disjoncteur différentiel.
EN CAS DE DOUTE, CONSULTEZ UN ELECTRICIEN QUALIFIE.

Mise en GARDE: cet appareil DOIT etre MIS a la TERRE.
Remarque: La cuisinière doit être raccordée à l'alimentation électrique correcte, indiquée sur l'étiquette de tension sur l'appareil, par le biais d'une unité de commande de cuisinière appropriée à interrupteur bipolaire (avec une séparation de contact de 3 mm au minimum entre les pôles).

Cette cuisinière ne doit pas être raccordée à une prise d'alimentation domestique ordinaire.
Pour accéder au bornier d'alimentation secteur, retirez le boîtier électrique sur le panneau arrière. Raccordez le câble d'alimentation secteur aux bornes correctes pour votre type d'alimentation électrique (Fig. 7-8 et Fig. 7-9). Vérifiez que les connecteurs sont montés correctement et que les vis des bornes sont bien serrées. Fixez le câble d'alimentation secteur à l'aide du serre-câble.
Contrôle plaque de cuisson
Contrôlez chaque foyer. Veillez à utiliser des récipients de cuisson recommandés et de diamètres appropriés.
Contrôle du grill
Tournez le bouton de commande du grill et vérifiez que le grill commence à chauffer.
Contrôle des jours
Réglez l'horloge conformément aux instructions données précédemment, et allumez les fours. Vérifiez que les ventilateurs des fours se mettent en marche et que les fours commencent à chauffer.


Installation
Une fois le travail terminé, vérifie que les alimentations d'électricité sont correctement rebranchées.





Montage des poignées et de la balustrade (classic deluxe)
Déposez les vis Allen 4 mm des portes à l'aide de la clé hexagonale (Fig. 7-10). Vissez les poignées de portes.
Les poignées doivent être au-dessus des fixations.
Retirez les vis Allen 4 mm des coins supérieurs du bandeau (Fig. 7-11). Montez la barre à torchons et fixez-la à l'aide des vis 4 mm.
Montage de la 1-piece socle (professional+)
Dévissez les trois vis le long du bord inférieur avant de la cuisine. Insérez l’encoche centrale en forme de trou de serrer sur la vis centrale. Tournez et insérez les encoches d’extrémités en trou de serrer sur leurs vis respectives. Vissez et fixez chaque encoche en forme de trou de serrer sur leurs vis respectives. Serrez les vis de fixation (Fig. 7-12).
Montage de la 2-PIECE socle (classic deluxe)
Montez la plinthe intérieure à l'avant inférieur de la cuisine à l'aide des cinq vis fournies (Fig.7-13).
Fixez la plinthe extérieure (une vis à chaque extrémité) à la plinthe intérieure. Grâce à l'encoche, vous pouvez ajuster la position de la plinthe extérieure en la faisant glisser vers le haut ou le bas (Fig.7-14).
Montage du dosseret (classic deluxe)
Placez le dosseret à l'arrière de la table de cuisson et fixez-le à l'aide des vis fournies.
Conseils à la clientèle
Veuillez inscrire les informations vous concernant dans les générées instructions. De même, indiquez à l'utilisateur comment faire fonctionner la cuisinière et remettez-lui les instructions.
Merci.

Le raccord indiqué sur le schéma de câblage est pour une alimentation monophasée. Les capacités nominales sont pour 230 V 50 Hz.
Key
| Code | Description |
| A1 | Commande de grill |
| A2 | Élement du grill gauche |
| A3 | Élement du grill droit |
| B1 | Thermostat de four Multifonctions gauche |
| B1a | Thermostat de four Multifonctions gauche (Interrupteur) |
| B2 | Gauche de commande du four multifonctions |
| B3 | Gauche élément de base four multifonction |
| B4 | Élement de gauche four multifonction haut (paire extérieure) |
| B5 | Élement gratineur de four gauche (Paire interieure) |
| B6 | Élement de ventilateur de four Multifonctions gauche |
| Code | Description |
| B7 | Gauche ventilateur du four multifonctions |
| C | Horloge |
| D1 | Thermostat du four droit |
| D2 | Le bouton de commande du four ventilé droit |
| D3 | Élement du four ventilé droit |
| D4 | Droite ventilateur four à ventilateur |
| G1 | Interrupteur d'éclairage du four |
| G2 | Eclairage de four |
| H | Protecteur thermique |
| K | Ventilateur de refroidissement |
| L | Relais induction |
| J | Néon |
| Code | Couleur |
| b | Bleu |
| br | Brun |
| bk | Noir |
| or | Orange |
| r | Rouge |
| v | Voilet |
| w | Blanc |
| y | Jaune |
| g/y | Vert / jaune |
| gr | Gris |
Professional+ schéma de câblage: four

Le raccord indiqué sur le schéma de câblage est pour une alimentation monophasée. Les capacités nominales sont pour 230 V 50 Hz.
| Code | Description |
| A1 | Commande de grill |
| A2 | Élement du grill droit |
| A3 | Élement du grill gauche |
| B1 | Thermostat du four gauche |
| B2 | Gauche contrôle four à chaleur tournante |
| B3 | Élement du four ventilé gauche |
| B4 | À gauche du ventilateur four à chaleur tournante |
| C | Horloge |
| D1 | Thermostat du four droit |
| D2 | Commandes à droite four à chaleur tournante |
| Code | Description |
| D3 | Elément du four ventilé droit |
| D4 | Ventilateur du four droit |
| F1 | Interrupteur d'éclairage du four |
| F2 | Eclairage de four |
| G | Néon |
| H | Protecteur thermique |
| I | Relais induction |
| J | Ventilateur de refroidissement |
| Code | Couleur |
| b | Bleu |
| br | Brun |
| bk | Noir |
| or | Orange |
| r | Rouge |
| v | Voilet |
| w | Blanc |
| y | Jaune |
| g/y | Vert / jaune |
| gr | Gris |
Induction schéma de câblage: table de cuisson

| Code | Description |
| 1 | Gaugue élément avant |
| 2 | Gaugue élément de fond |
| 3 | Droite élément de fond |
| 4 | Droite élément avant |
| 5 | Elément central |
| Code | Couleur |
| w/br | Blanc / Brun |
9. Fiche technique
A L'INTENTION DE L'INSTALLATEUR: Veuillez remettre les présentes instructions à l'utilisateur.
EMPLACEMENT DU BADGE TECHNIQUE: Arrière de la cuisinière, badge auxiliaire de numéro de série sous l'ouverture de la porte du four.
PAYS DE DESTINATION: GB/IE/FR/NL/BE/DE/AT/SE/LU
Raccordements
| Electricité | 220 - 240 V 50 Hz |
Dimensions
| Hauteur hors tout | minimale 905 mm | maximale 930 mm |
| Largeur hors tout | 994 mm | |
| Profondeur hors tout: Classic Deluxe | 614 mm (jusqu'à l'avant de la façade); 672 mm (au dessus des poignées) | |
| Profondeur hors tout: Professional+ | 610 mm (jusqu'à l'avant de la façade); 649 mm (au dessus des poignées) | |
Voir 'Positionnement de la cuisinière'.
Puisances
| Max: 1,85 kW | Max: 1,85 kW | Max: 1,85 kW |
| Haute puissance: 2,5 kW | Haute puissance: 3,0 kW | Haute puissance: 2,5 kW |

| Fours | Four principal | Four Haut | |
| Convection forçée | Multifonction | Convection forçée | |
| 2,5 kW | 3,7 kW | 2,5 kW | |
| Catégorie d'éfficacité énergétique: Sur une échelle de A (plus efficace) à G (moins efficace) | A | A | A |
| Consommation d'énergie basée sur une charge standard | 0,85 kWh | 0,90 kWh | 0,95 kWh |
| Volume utilisable (litres) | 69 | 69 | 81 |
| Taille | Grand | Grand | Grand |
| Temps de cuisson – charge standard | 38 minutes | 41 minutes | 49 minutes |
| Surface de cuisson | 1400 cm2 | 1400 cm2 | 1056 cm2 |
| Gril | 2,3 kW |
Charge électrique totale maximale à 230 V (total approximatif incluant ventilateur de four, etc.) :
Classic Deluxe: 16 kW
Professional+: 14,8 kW
Notice Facile