PRINCESSE 162903 AR - Hotte aspirante GODIN - Notice d'utilisation et mode d'emploi gratuit
Retrouvez gratuitement la notice de l'appareil PRINCESSE 162903 AR GODIN au format PDF.
| Type d'appareil | Hotte aspirante |
| Modèle | La Princesse |
| Référence | 162903 |
| Marque | Non précisé |
| Type d'installation | Murale |
| Matériau | Acier inoxydable |
| Type de filtration | Charbon actif et/ou filtre à graisse |
| Nombre de vitesses | 3 |
| Débit d'extraction | Non précisé |
| Niveau sonore | Non précisé |
| Éclairage | Oui, lampe intégrée |
| Commande | Manuelle ou électronique |
| Dimensions (L x P x H) | Non précisé |
| Puissance | Non précisé |
| Classe énergétique | Non précisé |
| Normes | CE |
FOIRE AUX QUESTIONS - PRINCESSE 162903 AR GODIN
Téléchargez la notice de votre Hotte aspirante au format PDF gratuitement ! Retrouvez votre notice PRINCESSE 162903 AR - GODIN et reprennez votre appareil électronique en main. Sur cette page sont publiés tous les documents nécessaires à l'utilisation de votre appareil PRINCESSE 162903 AR de la marque GODIN.
MODE D'EMPLOI PRINCESSE 162903 AR GODIN
Conseils de sécurité. page 3
Utilisation.. page 3
Entretien.. page 3
Réserve à l'installateur
Encombrement. page 4
Installation. page 5, 6 et 7
Vue éclatée. page 7
Scheme electrique.. page 8
Réserve à L'utilisateur
Utilisation.. page 9
Entretien. page 9 et 10
DEEE. page 10 et 11
Conformité CE. page 11
Garantie GODIN. page 12
Avant propos:
- Vous venez d'acquerir une hotte Princesse et nous vous remercions de cechioix, tímoignant ainsi de votre confiance.
- Cette hotte a eté étudiee, concu et realised en France, avec soin pour vous donner entière satisfaction.
- Il est important de bien dire cette notice en entier avant l'installation de votre hotte.
- Il est recommandé de conserver cette notice, même après installation de votre hotte.
À la réception de votre apparéil, assurez-vous que celui-ci est en bon état. Si des avaries dues au transport notamment, étaient visibles, signifiez les réserves au transporteur dés réception et confirmez les par lettuce recommandée, dans les 48 h après réception.
CONFIEZ L'INSTALLATION DE VOTURE APPAREIL À UN PROFESSIONNEL QUALIFIÉ, QUI POURRA PAR LA SUITE EFFECTUER LES OPÉRATIONS D'ENTRETIEN NÉCESSAIRES.
CONSEILS DE SECURITE
Pour une meilleure utilisation de votre apparéil, il est impératif de suivre les consignes afin d'éviter tout risque d'incendie, de chocoléctrique et de blessure.
- Lisez complètement cette brochure.
Assurez-vous que votre apparéil est correctement relié à la terre par un technicien qualifié. - Toujourns bien tener vous appeareil dans un etat d'entretien irreprochable.
- Faîtes effectuer les réglages et les réparations dés que nécessaire.
- La distance minimale de sécurité entre le plan de travail et la hotte doit être de 75 cm au dessus d'une table induction, de 65 cm au dessus de brûleurs gaz et de 60 cm au dessus d'une table de cuisson électrique.
- Connecter la hotte à l'aide d'un tuyau d'un diamètre de 150 millimétres.
Le parcours de tuyau doit être le plus court possible.
- Ne pas connecter le tubage de votre hotspot, avec un tubage d'évacuation de fumées (Chaudière, cheminée, etc...)
- L'air ne doit pas être evacué par un conduit qui est utilisé pour evacuer les fumées des apparèils qui brûlent du gaz d'autres combustibles.
- Il convient de surveiller les enfants pour s'assurer qu'ils ne jouent pas avec l'appareil.
- Les parties accessibles peuvent chauffer lorsqu'elles sont utilisées avec des apparêls de cuisson.
UTILISATION
- La hotte a eté concue pour l'usage domestique, dans le but d'éliminer les odeurs dans votre cuisine.
- Ne pas laisser les flammes libres à force intensité quand la hotte est en service
- Toujours régler les flammes afin d'eviter les sorties latérales de ces dernières par rapport au fond de votre marmite.
Surveiller les friteuses, car l'huile chaude peut s'enflammer - Ne jamais préparer d'aliments flambés sous votre注意到, risque d'incendie
Ne jamais laisser d'enfants sans surveillance lors du fonctionnement de votre注意到.
ENTRETIEN
- Avant toutes opérations, veuillez déconnecter la hotte du réseau électrique
- Effectuer un entretien régulier de votre hotte, évitant tout incendie
-
Nettoyer votre hotspot, simplement avec un chiffon humide
-
Si le cable d'alimentation est endommagé, il doit être remplace par le fabricant, son service après vente ou des personnes de qualification similaire afin d'éviter un danger.
ENCOMBREMENT

Vue de dessous

Vue de face

Vuedessus

Vue de côté
INSTALLATION
Percage de la paroi

- Tracer une ligne verticale allant du plafond, jusqu'au derrière de votre meuble ou de votre cuisinière (Cette ligne représenté le milieu de votre hotte) A.
- Tracer une ligne horizontale a 80 cm au dessus de votre plan de cuisson (Cette ligne represente le dessous de votre hotte) B.
- Par rapport aux deux lignes que vous venez de tracer, reportez les points de fixation à l'aide des côtes ci-dessus.
- Appliquer la petite rehausse au plafond et centree par rapport a suaive ligne verticale, puis marquer les centres des quatre troughs.
- Percer votre paroi.
- Insérer les chevilles que vous avez choisies en fonction de leur paroi.
Montage
- Fixer la petite rehausse
- Insérer les cinq vis dans les cinq chevilles que vous avez insérer précédemment. Ne pas les serrer, laisser environ 10 millimétres entre la paroi et la tête de vis.
- Enlever les filtres métalliques de la hotte
- Soulever la hotte et venir la suspendre à l'aide des vis qui ne sont pas serrées entiement.
- Vérifier que votre hotte soit de niveau, puis serrez les cinq vis de fixation.
Raccordement sortie extérieure
Dans le cas d'une sortie extérieure, raccorder la hotte via un tube rigide ou flexible de diamètre 150~mm .
Veillez à bien enforcer le tube sur la sortie du moteur.

Raccordement recyclage d'air
Insérer le répartiteur d'air comme ci-contre et veillez à ce que les sorties de ce dernier se situe bien en face des ouvertures dans la piece tôle.
S'assurez de la présence des filtres anti-odeur charbon actif. (Voir page 8).

Raccordement electrique
La hotte a etait conque pour fonctionner en 220-240 V et une frquence de 50Hz
Le raccordement électrique s'effectue avec le cordon fiches bipolaire+terre. Utiliser obligatoirement une prise murale avec terre.
La prise doit rester facilement accessible.
Le remplacement ou toutes interventions doit se faire par un installateur qualifié.
Montage de la rehausse
Mettre en place la rehausse centrale et la fixer avec les vis à tôle, de chaque coté de la hotte (Vis fournies avec la hotte).

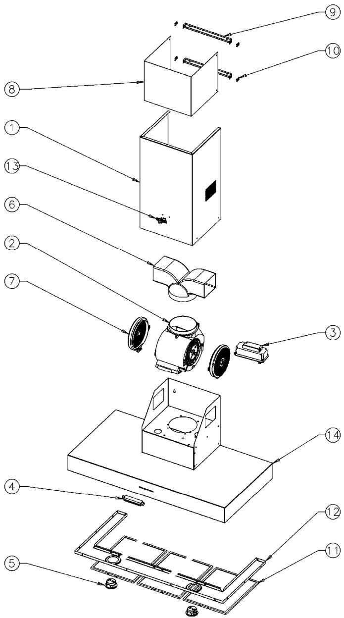
ECLATE DES COMPOSANTS
| N° | Nbre | Désignation | Codification |
| 1 | 1 | Rehausse centrale | 1 6117 162903 XXX |
| 2 | 1 | Moto ventilateur | 0000530820504 |
| 3 | 1 | Transformateur | 0000530820506 |
| 4 | 1 | Commande | 0000530820501 |
| 5 | 2 | Lampe | 0000530820503 |
| 6 | 1 | Répartiteur air | 0000530820505 |
| 7 | 2 | Filtre charbon | 0000530820502 |
| 8 | 1 | Rehausse de hotte | 1 0593 162903 XXX |
| 9 | 2 | T support de hotte | 1 0524 162903 000 |
| 10 | 4 | Ecrou rapide nut 0955 M5 | 00001304496 |
| 11 | 3 | Filtre hotte | 00001307907 |
| 12 | 1 | T devant carter | 1 1509 162903 000 |
| 13 | 1 | T écusson | 1 8501 034400 |
| 14 | 1 | Corps | 1 2507 162903 XXX |
XXX : coloris à préciser

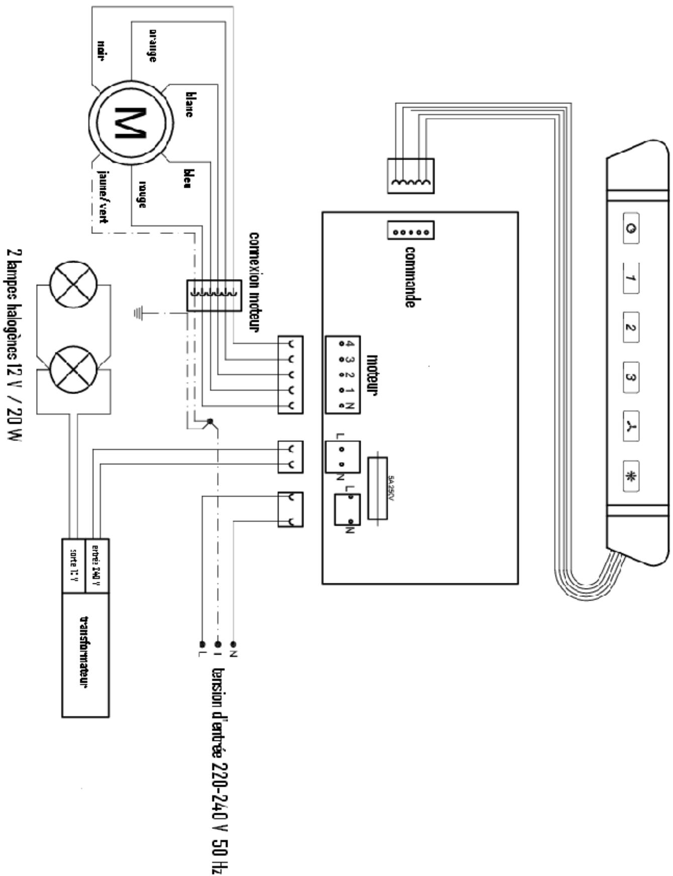
SCHEMA ELECTRIQUE

UTILISATION






clavier de commande

Fonction TIMER : retardé l'arrêt de la hotte de 10 minutes, ceci à n'importe qu'elle vitesse.

Vitesse 1:240m^3 /h 50 dB

Vitesse 2 : 340 m³/h 53 dB

Vitesse 3:470m^3/h 59 dB

Vitesse intensive : 780m³/h 70 dB
A n'utiliser qu'en cas de grosse odeur

Eclairage
Lorsque vous appuyer sur une touche, cette dernière s'éclaire d'une lumière rouge et est accompagnée d'un bip.
Pour allumer votre hotte, pressez simplement sur une touche de vitesse et faites de même pour l'eteindre.
Pour la fonction TIMER,CHOISISEZ VOIRE VITESSE DESIREE puis appuyER sur la touche TIMER. 10 minutes plus tard votre hotte s'eteint toute seule.(La touche TIMER clignote)
ENTRETIEN
Filtres àGRAISSÉMETALLIQUES:
Ils sont en INOX, donc vous pouvez les lavés au lave-vaisselle.
Enlevez les filtres les uns après les autres. Soutenez le filtré d'une main et tirez avec l'autre main la languette vers le bas.

Laver les filtres en évitant de les plier et faites les sécher avant remontage (Tout changement de couleur, susceptible de se produit avec le temps, ne nuit en rien à l'efficacité
Filtres à charbon actif:
Ils sont non lavables et non regénérable. Il faut les replacer tous les 9 à 12 mois.
Remplacement de ces filtres :
- Retirer les filtres métalliques
- Tirer sur les filtres à charbon comme indiqué ci-contre
- Mettre les nouveaux filtres en faisant attention qu'il soit bien accroché
- Remonter les filtres métalliques
Ces filtres ne sont à utiliser que dans la version recyclage d'air interieur

Eclairage:
Votre hotte est munie de deux lampes halogène de 20 watts, 12 volts. (Ampoule à broches).
Remplacement des lampes :
- Dévissez le cache inox comme indiqué ci-contre
- Extraire la lampe du support
- Remplacer par une nouvelle lampe ayant les mêmes caractéristiques, en faisant attention qu'elle soit bien brochée dans la douille.
- Remonter le cache inox

DEEE
L'éco-participation, un geste citoyen pour notre environnement

La parution du décret n°2005-829 du 20 juillet 2005 relat à la composition des équipements électriques et électroniques (directive 2002/95/CE) et à l'élimination des déchets issus de ces équipements (directive 2002/96/CE) a améliné la société GODIN à ajouter au prix de vente TTC du produit, depuis le 15 novembre 2006, la contribution environnementale perçue pour le compte de l'organisme chargeé du traitement et du recyclage des ancients apparèils.
Cette réglementation a pour objectif de limiter le gaspillage des matières premières et de protéger l'environnement et la santé humaine en évitant la dispersion dans la nature de substances contenues dans certains apparêls.
Ainsi, toute cusinifière poursuve du logo représentant une poubelle barrée (situé pres de la plaque signalétique) est soumise à l'éco-participation et doit donc, en fin de vie, être recyclée par un organismme agréé.
La société GODIN a choisi d'adhéRer à l'éco-organisme ECOLOGIC.
CONFORMITE (C
Ces apparêils sont conformes aux directives européennes :
- 2004/108/CE (Compatibilité Electro-Magnétique)
- 2006/95/ CE (Basse Tension)
-RESPONSABILITE
RESPONSABILITÉ
-
Nous vous rappelons que la responsabilité du constructeur se limite au produit tel qu'il est commercialisé et que l'installation et la mise en service sont sous la responsabilité entière de l'installateur qui devra intervenir selon les règles de l'art et suivant la prescription de la notice.
-
Afin d'améliorer constamment la qualité de ces produits, la Société GODIN se réserve le droit de modifier ses apparèils sans préavis.
GARANTIE CONTRACTUELLE GODIN
Tous nos apparèels bénéficient d'une garantie de 2 ans (sauf insert bois - foyers fermés bois) contre tout défaut à compter de leur date de vente aux utilisateurs, dans les limites du respect des conditions d'installation, d'utilisation, et d'entretien spécifiées sur la notice livrée avec l'appareil.
A l'exclusion des pieces en contact direct avec les températures importantes pouvant subir des déformations suite à des phénomènes d'usure qui sont garanties 1 an en échange standard, telles que :
- les plaques decor, les plaques de cotés lorsqu'elles sont démontables, les grilles et soles foyeres,
- les deflecteurs, les chicanes, les clapets, les chenets, le dendrier,
les briques réfractaires, - les mécanismes d'articulation, (Charnières de porte four des cusinières, poignées, Etc.)
- les mécanismes de releverage,
- les ventilateurs, les thermostats de surchauffe de nos apparéils équipés d'une soufflerie,
les organes de contrôle de températures, thermostats de four, résistances, ventilateurs chaleur tournante des cusinières gaz électricité, - les brûleurs, les catalyseurs, les anneaux de brûleur des apparils fioul,
- les bouilleurs des cusicentrals bois charbon.
Nos appareils sont concus spécialement pour que ces pieces puissant etre remplacées dans le cadre de l'entretien de votre apparéil.
Certaines pieces bénéficient d'une garantie de durée supérieure : 3 ans sur les corps de chauffe en fonte ou en acier de nos chaudières de chauffage central.
Les inserts bois (foyers fermés bois) bénéficient d'une garantie de 5 ans (Corps de chauffe de l'appareil uniquement, à l'exclusion des pieces en contact direct avec les températures importantes et soumises à usure, enumeratedes ci-dessus qui sont garanties 1 an).
Notre garantie se limite à l'échange de l'objet reconnu défectueux par notre Service Àpre S Vente. Elle exclut toute indemnité, dommages et intérêts, frais de main d'oeuvre et transport.
Au cas ou la réparation s'avérait trop onereuse par rapport au prix de l'appareil, la décision de changer ou de réparer l'appareil, appartient seule au Service Àpre S.A. GODIN.
Ne sont pas couvert par la garantie : LES VITRES DE NOS APPAREILS
En effet, en ce qui concerne les vitres vitrocéramiques, ces dernières peuvent résister à des chocs thermiques de l'ordre de 750^ . Les éventuelles casses ne pouvant provenir que d'un chic mécanique lors de l'utilisation, d'un remontage mal adapté ou de sa manutention, ces dernières ne pouvant être échangées dans le cadre de garantie.
De même que les joints qui sont considérés comme pieces d'usure sont exclus de la garantie.
La garantie ne prendra pas effet lorsque :
Les avaries qui résultataisent de l'utilisation de l'appareil avec un combustible autre que celui préconse dans nos notices ;
- Les déteriorations de pieces provenant d' éléments extérieurs (refoulement de cheminée, effets d'orages, humidité, pression ou dépression non conforme, chic thermique, etc.);
- Les anomalies, déteriorations ou accidents provenant de chute, chocolégnivalence, défaut de surveillance ou d'entretien de l'acheteur ;
L'utilisation ou usage anormal de l'appareil dans des conditions differentes de celles pour lesquelles il a ete construit ; c'est le cas par exemple du non respect de nos notices techniques (mauvais raccordement electrique, fonctionnement a sec d'une chaudiere, etc.)
Toutes modifications, toutes transformations ou toutes interventions effectuees par un personnel ou une entreprise non qualifiee ou realizedes avec des pieces de rechange non d'origine ou non agreees par le constructeur ;
L'installation, le montage, les frais de démontage et les conséquences de l'immobilisation de l'appareil, résultat des opérations de garantie n'incombent pas à la S.A. GODIN.
En conséquence, la S.A. GODIN ne peut tenu être responsable des dégats matériels ou des accidents de personnes, consécutifs à une installation non conforme aux dispositions légales et réglementaires ainsi qu'aux non respect des recommendations de la notice de l'appareil (par exemple, absence de raccordement à une prise de terre, mauvais tirage de cheminée, etc.).
Dans un souci constant d'améliorer nos fabrications, nous nous réservons le droit de modifier sans prévis nos apparèils. Toutes les dimensions et caractéristiquesannoncées sont sujéttes à variation en fonction des impératifs techniques.
En cas d'applen garantie, veuillez you munir obligatoirement d'une copie de la facture, du bon de garantie comportant les refierences de
l'appareil, le cachet du revendeur, la date de mise en service de l'appareil, et de contacter votre revendeur pour toute réclamation.
Chaudières - Cuisinières - Appareils de chauffage - Fonderie
GODIN S.A. - 532, rue Sadi Carnot - 02120 GUISE - France
Nous vous rappelons que le Service Avres Vente doit etre assure par le revendeur, ou linstallateur, responsable sur place, que nous ne traitons pas directement avec les particuliers.
Tout client particulier s'adressant directement à notre société, sera renvoyé automatiquement chez son revendeur, et devra s'adresser auprès de lui, pour tout problème de Service Àpre S'Vege ou commercial.
Notice Facile