SLEE6DD - Sèche-linge CONTINENTAL EDISON - Notice d'utilisation et mode d'emploi gratuit
Retrouvez gratuitement la notice de l'appareil SLEE6DD CONTINENTAL EDISON au format PDF.
| Type d'appareil | Sèche-linge |
| Capacité de séchage | Non précisé |
| Type de séchage | Condensation |
| Consommation énergétique | Non précisé |
| Nombre de programmes | Non précisé |
| Type de commande | Manuelle avec bouton rotatif |
| Affichage | Non précisé |
| Départ différé | Non précisé |
| Filtre à peluches | Oui |
| Type d'ouverture | Hublot frontal |
| Dimensions (HxLxP) | Non précisé |
| Poids | Non précisé |
| Niveau sonore | Non précisé |
| Sécurité enfant | Non précisé |
| Couleur | Blanc |
FOIRE AUX QUESTIONS - SLEE6DD CONTINENTAL EDISON
Téléchargez la notice de votre Sèche-linge au format PDF gratuitement ! Retrouvez votre notice SLEE6DD - CONTINENTAL EDISON et reprennez votre appareil électronique en main. Sur cette page sont publiés tous les documents nécessaires à l'utilisation de votre appareil SLEE6DD de la marque CONTINENTAL EDISON.
MODE D'EMPLOI SLEE6DD CONTINENTAL EDISON
Nous vous remercions d'avoir besoin notre sèchelinge. Veuillez lire attentivement ce manuel. Il fournit les instructions, sur l'utilisation et l'entretien. Conservez-le afin de pouvoir y revenir ultérieurement. Rappelez-vous du modele et du numéro de série de votre machine. Il faudra fournir cette information à votre revendeur si vous avez besoin d'une révision.
Les symboles suivants sont utilisés dans ce manuel :

Informations importantes concernant votre sécurité personnelle et les informations sur comment éviter d'endommager l'appareil.

Informations generales et conseils.

Informations environnementales.
Sommaire
Informations de sécurité 1
Description du produit 13
Panneau de contrôle 14
Utilisation 15
Conseils de séchage 20
Programmes de séchage 22
Soin et nettoyage 23
Problèmes de fonctionnement 24
Données techniques 25
Installation 27
Protection de l'environnement 31
Conditions de garantie 33
Schemeélectrique 35

AVERTISSEMENT
Il est important de dire soigneusement et de comprendre ces instructions de sécurité avant toute utilisation. Les éléments indiqués ici sont des précautions de sécurité très importantes, qui doivent être suivies attentivement. Le fabricant rejette toute responsabilité en cas de non respect de toutes ou parties de ces règles.
Cet apparéil peut être utilisé par des enfants à partir de 8 ans et plus et par des personnes ayant des capacité physiques, sensorielles ou mentales réduites ou un manque d'expérience et de connaissances à condition qu'elles aient reçu une supervision ou des instructions concernant l'utilisation de l' apparéil en toute sécurité et qu'elles comprehennent les dangers encourus. Les enfants ne doivent pas jouer avec l' apparéil. Le nettoyage et l'entretien par l'usager ne doivent pas été effectuels par des enfants sans surveillance.


Risques potentiels de chocs électriques
- La réparation ne peut être effectuee que par un personnel qualifié. La réparation, la modification ou le désassemblage ne peuvent être effectués par des personnes autres qu'un personnel d'entretien professionnel.
- Le système d'alimentation électrique domestique (courant, voltage, cable, fusible) doit etreCompatible avec les conditions d'utilisation du sèche-linge.
- La fiche secteur doit être branchée dans une prise murale appropriée, installée et mise à la terre en accord avec tous les codes et règles locaux.
- Si le cable d'alimentation est endommagé, il doit être remplace par le fabricant, son service après-vente ou des personnes de qualification similaire afin d'éviter tout danger.
- Ne pas déconnecter la fiche secteur en tirant sur le cable d'alimentation. Faire cela en tenant la prise

fermement et en la retardant directement hors du réceptacle.
- Ne pas utiliser le cable d'alimentation lorsque la connexion entre la prise d'alimentation et le cable d'alimentation est l'âche.
- Ne pas toucher l'appareil avec les mains et les pieds mouillés. Essuyez la poussière ou les gouttes d'eau autour de la prise de courant avec un chiffon sec.
- Ne pas poser l'appareil ou exercer une pression sur le cable d'alimentation.
- Ne pas utiliser le cable d'alimentation / la sortie de courant / ou la prise de courant si l'un de ceux-ci est endommagé ou cassé.

Risques potentiels d'explosions
- Ne pasmettre deliquide combustible comme de I'essence,de l'huile ou de I'alcool dans I'appareil ou autour.Nepas placer de vetements imbibes de ce genre deliquide dans I'appareil.
- Ne pas connecter / déconnecter la prise de courant lorsqu'une fuite de gaz ou d'autres types de gaz combustibles survient.



Risque d'incendie/court circuit ou problème électrique
- Ne pas installer l'appareil à proximé de sources de chaleur.
- Ne pas laisser de chandelieres ou cigarettes allumées sur l'appareil.
- Installez l'appareil de préférence à l'abri de l'humidité.

Informations de sécurité
Avant utilisation
- Ne pas installer le séche-linge dans un endroit en contact direct avec les rayons du soleil, pour éviter que les composants plastiques ou en caoutchouc ne s'usent prématurément.
- Ne pas utiliser de jet d'eau sur l'appareil lors de son nettoyage.
- Afin d'éviter tout risque d'incendie cause par un séchage excessif, ne pas utiliser l'ordinateil pour secher les objets suivants : les coussins, couettes et autres (cette type d'objets accumulent la chaleur).
- Les éléments qui ont été tachés ou imbibés par de l'huile de cuisson ou végétale constituent un risque d'incendie et ne doivent enaucun cas être place dans le sèche-linge.
- Si vous avez lavé votre linge avec un détachant, vous neces effectuer un cycle supplémentaire de rinceage avant de charger le linge dans votre sèche-linge.
- Veuillez vous assurer qu'aucun briquet ou boîte d'allumettes n'aient été accidentellement oubliés dans une poche d'un des vêtements àmettre dans l'appareil.
Avertissement : ne jamais interrompre un sèche-linge avant la fin du cycle de séchage à moins que tous les éléments soient alors rapidement retirés et éparpillés de façon à ce que la chaleur se dissipe.
-
Ce sèche-linge n'est pas destiné à être utilisé par des personnes (notamment des enfants) représentant des capacités physiques motrices ou mentales réduites, ou sans la surveillance d'une personne responsable de leur sécurité.
-
Cet apparéil n'est pas destiné à être utilisé par des jeunes enfants ou par des personnes infirmes sans supervision.
- Les matériaux d'emballage peuvent être dangereux pour les enfants.
- Placez tous les matériaux d'emballage (par exemple, les sacs en plastique) à un endroit hors d'atteinte des enfants.

Informations de sécurité
Avant utilisation
- Ne pas toucher le linge place dans le sèche-linge, avant que celui-ci ne soit complètement arrêté.
- Ne pas laisser des enfants ou des animaux pres d'un séche-linge en fonctionnement.
- Veuillez vérifier attentivement le tambour interne avant de fermer la porte. Des enfants ou animaux pourraient y'être piégé.

Autres instructions
- Cet apparéil est à usage domestique uniquement, il ne doit pas être utilisé à d'autres fins que celles pour lesquelles il a été consu.
- Ne laver que les tissus qui ont eté concus pour être séchés en machine. Suivre les instructions sur les étiquettes de chaque vêtement.
- Tous travaux électriques requis dans le cadre de l'installation de cet apparéil doivent être effectués par un électricien qualifié ou une personne compétente.
- Si la machine est située sur un sol à moquette, veuillez
ajuster les pieds de l'appareil afin de laisser circuler l'air librement sous l'appareil.
- Ne pas grimper sur le sèche-linge ou laisser des objets lourds, des apparciels chauffants ou encore des objets avec de l'eau ou ayant des fuites de liquides sur le sèche-linge, afin d'éviter les risques de déformation du plateau avant ou des composants plastiques.
- Tout objet comme les pièces, épingles, punaises, vis, pierres ou autre matières dures ou effilées peut entraîner des dommages considérables et ne doit pas être placé dans la machine.
- Àprous avoir installé l'appareil, vérifier qu'il n'y ait pas de pression ou d'obstruction sur le cable d'alimentation ou le tuyau d'évacuation.
- Les éléments tels que la mousse de caoutchouc (mousse de latex), les bonnets de bain, le textile étanche, les articles et vêtements renforcés de caoutchouc ou les oreillers replis de gomme de caoutchouc ne doivent pas être séchés à l'aide d'un sèche-linge.
Il faut tous jours débrancher l'ordinateil après usage, pour
nettoyage et révision.
- Ne pas surcharger l'appareil. Voir la section de referencia dans le manuel d'utilisateur.
- Les vêtements mouillés dégoulinants ne doivent pas être placés dans le sèche-linge.
- Les vêtements qui ont été en contact avec des produits pétroliers volatiles ne doivent pas être séchés en machine. Si desFluides nettoyants volatiles sont utilisés, il faut faire attention à ce que ces fluides aient été reliés de ce vêtement avant de le placer dans la machine.
- Ne jamais utiliser le sèche-linge si le cable d'alimentation, le panneau de contrôle, la surface de travail ou le bas a été endommagé ou si l'intérieur du sèche-linge n'est pas accessible.
- Le sèche-linge ne doit pas être utilisé si des produits chimiques industriels ont été utilisés pour le lavage.
- Il ne faut pas laisser les peluches s'accumuler dans le seche-linge.
- Ne pas secher de linge non lavé et sale dans l'appareil.
- Les adoucissants ou produits similaires doivent'être
utilisés comme spécifique dans les instructions de cet adoucissant.
- La partie finale d'un cycle de sèche-linge s'effectue sans aucune chaleur (cycle de refroidissement) afin de s'assurer que tous les éléments soient soumis à une température qui garantit qu'ils ne seront pas endommages.
- Les filtres doivent être nettoyés après chaque utilisation.
- Une bonne ventilation est nécessaire au bon fonctionnement du seche-linge. Son conduit d'évacuation ne doit strictement pas être placé à côté des autres tuyaux de conduit evacuant les matières combustibles (gaz, essence) des autres appareils. Cela entraînerait des risques d'incendie.
- L'appareil ne doit pas être installé derrière une porte à verrouillage, une porte coulissant ou une porte avec une charnière du côte opposé à celle du sèche-linge.
- Il convient que les articles qui ont été salis avec des substances telles que l'huile de cuisson, l'acétone, l'alcool, l'essence, le kérosène, les détachants, la
Informations de sécurité
Avant utilisation
terebenthine, la cire et les substances pour-retirer la cire soient lavés dans de l'eau chaude avec une quantité supplémentaire de détermagent avant d'être séchés dans le sèche-linge à tambour.
- MISE EN GARDE: ne jamais arrêté un séche-linge à tambour avant la fin du cycle de séchage, à moins que tous les articles ne soient逝és rapidement et étalés, de telle sorte que la chaleur soit dissipée.
- Le collecteur de bourre doit être nettoyé fréquement.
Avertissement : il convient que les articles qui ont etés salis avec des substances telles que l'huile de cuisson, l'acétone, l'alcool, l'essence, le kérosène, les detachants, la térébenthine, la cire et les substances pour retarder la cire soient lavés dans de l'eau chaude avec une quantité supplémentaire de détergent avant d'être séchés dans le sèche-linge.
Avertissement : pour les apparèils comportant des ouvertures de ventilation à leur base, les ouvertures ne doivent pas être obstruées par un tapis.
Avertissement : une ventilation appropriée doit être fournie
Informations de sécurité
Avant utilisation
afin d'éviter un refoulement de gaz, à l'intérieur de la pierce, provenant d'appareils brûlant d'autres combustibles, y compris les feuels ouverts.


- Panneau de contrôle
- Façade
- Filtre
- Pieds réglables
- Sortie ventilation arrêté
- Sortie ventilation latérale
- Couvercle tuyau ventilation
Panneau de contrôle
Méthode d'utilisation

- Cadran de seLECTION
- Indicateurs lumineux sequentiels
Sechage
Refroidissement
Fin
Filtre
- Départ/Pause
- Départ différé et indicateurs lumineux
- Délicat
- Rapide

Première utilisation
Assurez-vous que les raccordements électriques sont conformes à la notice d'installation.
Retirez le bloc de polystyrene et tout autre matériel à l'intérieur du tambour.
- Avant d'utiliser votre sèche-linge pour la première fois, nous vous recommendons de placer quelques chiffons humides à l'intérieur de l'appareil et de les faire sécher pendant 30 minutes. Il se peut qu'il y ait de la poussière à l'intérieur d'un tout nouveau sèche-linge.

Utilisation quotidienne

Connector l'appareil
Ouvrez la porte (voir image).
- Placez un à un nombre linge dans le tambour, afin de les disperser le plus possible.
- Fermez la porte. Veuillez vérifier que le linge ne soit pas coincide entre la porte et le contrôle.

Choisir le programme requis
Tournez le cadran sélecteur de programme sur le programme requis. L'indicateur lumineux Demarrer/Pause commence à clignoter. Le programme s'éteindra si vous n'avez pressé aucune touche dans les 10 minutes.



Séchage automatique contrôle
L'appareil détecte automatiquement l'humidité dans le tambour et ajusté le temps pour un séchage optimal. Il vous suffit juste de Sélectionner le programme correspondant au tissu. Ce système de séchage est parfaitement adapté pour les fonctions suivantes : « Coton», « Synthétique», « Intensif», « Fragile »
Temps de séchage contrôle
Peut être utilisé pour arrêter un programme de séchage. Sélectionnez un programme de 90 ou 60 minutes pour des vêtements en coton ou 30 minutes pour des vêtements synthétiques. Pour arrêter le programme en cours, tournez le cadran de sélection sur « O ». A la fin du séchage, tournez le cadran de sélection sur « O » pour éteindre la machine avant desteroler le linge.
Options de programmation
Selon le programme, différentes fonctions peuvent etre combinées. Elles doivent etre selectionnées après avoir choisi le programme souhaite et avant de relacher le bouton Depart/Pause. Lorsque ces boutons sont presses, les indicateurs lumineux correspondants s'allument. Lorsquils sont presses a nouveau, les indicateurs s'eteignent.
Choisir l'Alarme
Lorsque vous appuyez sur le bouton ALARME, son indicateur lumineux (diode ALARME) s'allumera et une sonnerie retentira pendant 15 secondes après la fin du programme.
Lorsque l'alarme est activée, si vous pressez la touche « Alarme » une nouvelle fois, l'alarme s'eteindra.
Selectionner la touche Rapide
Cette option peut être可以选择 dans les programmes suivants : « Extra sec », « Très sec », « Normal ». En relâchant cette touche, le temps de séchage sera réduit par 3-5 minutes. L'indicateur lumineux correspondant s'allumera.
Cette fonction ne peut pas etre choses avec l'option « delicat »
Alarme

Rapide


Sélection Délicat
Cette option peut être sélectionnée dans les sections suivantes : « Coton », « Synthétique ». Presseze cette touche pour effectuer le séchage à une température plus BASSE pour les éléments délicats. L'indicateur lumineux correspondant s'allume. Cette option peut également être utilisé pour le séchage à durée contrôle.
Sélection Départ différé
Cette touche vous permet de retarder le démarrage de votre programme, cela jusqu'à 12 heures au plus.
Cette option doit être可以选择 après avoir sélectionné le programme et avant de presser la touche « Départ/Pause » pour démarrer le programme.
Le programme peut être décalé de 3h, 6h ou 12h.
Delicat

Départ différé

《Retardement annulé →3→6→12》
L'option peut être可以选择 avant ou après avoir sélectionné un programme optionnel (rapide, délicat). Ce compte à rebours démarre après avoir pressé la touche « Départ/Pause » et l'indicateur lumineux correspondant s'allume.
Si vous avez sélectionné un temps de retard (3/6/12) par l'intermédiaire de la touche correspondante, le
voyant I'indique.
Le compte à rebours est calculé automatiquement lorsque vous appuyez sur la touche « Départ/Pause ». L'appareil commence alors le processus de départ différé.
Si vous
a. appuyez à nouveau sur « Départ/Pause », l'appareil ne se mettra pas en pause et commencer a le décompte.
b. tournez le bouton de rotation sur « O», le programme sera annulé.
c. souhaitez modifier le programme, vous doivent tournier le bouton sur « O», et effectuer à nouveau la sélection de programme.
Pressez cette touche pour démarrer le sèche-linge après avoir sélectionné le programme et les options. Si la porte de l'appareil est ouverte alors que le programme est en cours, il faut de nouveau appuyer sur ce bouton après avoir fermé la porte afin de redémarrer le programme depuis le point auquel il a été interrompu. Dans ce genre de situation l'indicateur lumineux Démarrer/Pause clignote pour vous rappeler que le bouton de démarrage, doit être pressé de nouveau.
Indicateurs lumineux
Ces indicateurs mettent en evidence les fonctions suivantes :
Indicateur « Sechage » Cet indicateur lumineux met en evidence le fait que l'appareil est en phase de sechage.
Indicateur « Refroidissement » Cet indicateur lumineux met en evidence le fait que l'appareil est en phase de refroidissement. A la fin du sechage, il y a une phase de refroidissement de 5 à 10 minutes pour refroidir le linge.
Indicateur « Fin » Cet indicateur s'allume à la fin du cycle de refroidissement, durant la phase de défoulage, qui a une action anti-froissage.
Indicateur « Filtre » Cet indicateur s'active à tous les cycles pour vous rappeler que le filtre doit être nettoyé à la fin du programme.
A la fin du programme
Tous les programmes de séchage terminant avec une phase de refroidissement de 5 à 10 minutes.
Pendant la phase de refroidissement, le témoin lumineux « Refroidissement » est allumé.
Si le linge n'est pas retiré 10 minutes après la fin de la phase de refroidissement, le sèche-linge executera une phase de défoulage anti-froissage (durée : 30 minutes maximum). L'écran affichera « O » et les témoins lumineux « Filtre » et « Fin » s'allumeront. (Lorsque le tímoin lumineux « Filtre » est allumé, cela peut dire qu'il faut nettoyer le filtre.)
A la fin de la phase de défoulage anti-froissage, le témoin lumineux « Filtre » restera allumé.
- A tout moment, vous pourrez arreter la phase de refroidissement ou la phase de défoulage en ouvrant la porte.
Lorsque you tournez le cadran de selection sur « O», tous les indicateurs lumineux s'eteindront.
Après chaque utilisation
Nettoyez le filtré.
Important!
Si le programme de séchage doit être arrêté avant son terme, nous vous recommendons de placer le sélecteur de programmes sur position « Air froid » et d'attendre jusqu'à la fin de la phase de refroidissement avant desterolir le linge. Cela evitera une concentration de chaleur trop importante dans l'appareil. Pour faire cela, il faut d'abord tourner le cadran sur « O » puis sur « Air froid » puis appuyer sur
la touche « Démarrer »
Modification du programme
Pour changer un programme qui est en cours, il faut d'abord l'annuler en tournant le cadran de selection sur « O ». Choiser le nouveau programme et presser la touche Demarrer.

Conseils de séchage
Avant de charger le linge
Ne jamais passer au sèche-linge ce qui suit : Les éléments particulièrement délicats comme les rideaux
maillés, en laine, en soie, en tissu avec des garnitures en métal, en nylon serré, les pièces encourbrantes
comme les anoraks, les couvertures, les duvets, les sacs de couchages, les couvettes ou tout autre élément contenant de la mousse de caoutchouc ou matières similaires.
Il faut always suive les instructions sur les étiquettes des vêtements :

Peut etre passé au sèche-linge

Séchage normal (haute température)

Séchage délicat (basse température)

Ne pas passer au sèche-linge
- Fermez les taies d'oreillers et couvertures à fermeture afin d'éviter que de petits éléments de linge ne se retrouvent emmélés avec. Fermez les boutons-pression, fermetures Eclair, crochets, lacets
Conseils de sechage
Méthode d'utilisation
ou ficelle de tabliers. Triez le linge en fonction du type et du degré de séchage requis.
- Ne pas secher exagérément le linge, cela évitera la formation de faux plis et economisera de l'énergie.
- Evitez de secher les vêtements de couleurs sombres avec les éléments de couleur claire et pelucheurs comme les serviettes, pour éviter demettre des peluches.
Le linge doit être essore consciencieusement avant d'être passé au sèche-linge.
Il faut également brievement essorer les éléments d'entretien facile avant de les sécher.
- Les articles tissés peuvent rétrécir un peu durant le séchage. Veuillez ne pas secher excessivement les articles de ce genre. Il est recommendé de prendre en compte une marge de rétrécissement durant le choix d'achats de nouveaux vêtements.
- Vous pouvez également placer des vêtements amidonnés dans votre sèche-linge. Cependant, pour Obtir l'effet amidonné désiré, désirsir le programme « Pré à repasser ». Pour-retirer les résidus d'amidon, nettoyez l'intérieur du tambour après le sèchage avec un chiffon humide puis le frotter au sec.
Pour éviter les charges statiques une fois le séchage terminé, utilisez soit un adouciissant lorsque vous lavez du linge, ou un conditionnéur de tissu spécialement concu pour sèche-linge.
Retirez le linge lorsque le sèche-linge a accompli le séchage.
Si certains éléments sont toujours humides après le séchage, configurez une durée post-sechage brève, mais d'au moins 30 minutes. Cela sera nécessaire, en particulier pour les éléments à couches multiples (par exemple les cols, les poches, etc.).
Assurez-vous qu'aucun objet en métal ne soit laissé dans le linge (par exemple les pince à cheveux, les épingle, les broches)
- Boutonnez les taires, fermez les fermétures Eclair, crochets et boutons-pression. Attachez les ceintures ou les longs rubans pour éviter que le linge ne s'emmele.
- Fermez les fermétures Eclair, boutonnez les draps de duvet et attachez les rubans lâches (par exemple pour les tabliers).
- Retournez les éléments à tissus double couche (par exemple pour un anorak en coton molletonné, la couche en coton doit être à l'extérieur). Ces tissus secheront alors mistroux.
Charges maximales
Les charges recommandées sont indiquées sur les chartes de programme :
Règles générales :
Coton, lin : le tambour est complètement rempli, mais pas trop étroitement.
Synthétique: le tambour ne peut, au maximum, être rempli que de moitié.
Lainage et tissus délicats : le tambour ne peut, au maximum, être rempli qu'au quart.
Essayez de charger au maximum des capacité de la machine du fait que les petites charges ne sont pas économiques.
Conseils de sechage
Méthode d'utilisation
Poids du linge
| Linge | Poids |
| Peignoir | 1200g |
| Serviette de table | 100g |
| Housse de couette | 700g |
| Draps | 500g |
| Taie d'oreiller | 200g |
| Nappe | 250g |
| Serviette de bain | 200g |
| Robe de nuit | 200g |
| Sous-vêtements | 100g |
| Chemise de travail | 600g |
| Chemise | 200g |
| Pyjama | 500g |
| Blouse | 100g |
| Chiffon | 100g |
Programmes de séchage
Méthode d'utilisation
| Section | Type | Charge Max. | Description du programme | Temps de programme |
| Coton | Extra sec | 6kg | Séchage des peignoirs de bains, serviettes de bains, jeans, vêtements de travail. | 150~170 |
| Très sec | 6kg | Séchage des peignoirs de bains, serviettes de bains, jeans, vêtements de travail. | 140~160 | |
| Standard | 6kg | Séchage des chemises, T-shirts, pantalons en coton. | 130~150 | |
| Humide | 6kg | Pour les lainages, les chemises en coton. | 110~130 | |
| Prêt à repasser | 6kg | Pour les couvertures, le linge de lit, le linge de table, le linge amidonné. | 105~125 | |
| Synthétique | Extra sec | 3kg | Pour les couvertures, les nappes, les textiles synthétiques. | 65~80 |
| Prêt à ranger | 3kg | Pour les textiles synthétiques. | 55~70 | |
| Prêt à repasser | 3kg | Pour les lainages, les chemises. | 45~60 | |
| Minuterie | 30' | 6kg | Tissus multicouches, serviettes de bains, torchons de vaisselles. | 30 |
| 60' | 6kg | Tissus multicouches, serviettes de bains, torchons de vaisselles. | 60 | |
| 90' | 6kg | Tissus multicouches, serviettes de bains, torchons de vaisselles. | 90 | |
| Spécial | Intensif | 3kg | Pour les textiles épais. | 115~135 |
| Fragile | 1.5kg | Pour les textiles délicats. | - | |
| Rafraîchir | 3kg | Pour rafraîchir les textiles. | 60~80 | |
| Air froid | 2kg | Pour rafraîchir ou nettoyer doucement les textiles. | - |
Remarques :
Le « programme coton - Standard » est le programme le plus ajusté pour secher du linge humide en coton.
Le temps de séchage réel dépendra de l'environnement local.
Durée pondérée pour le pro gramme de coton standard à pleine charge et à demi-charge : 105.9 min
Durée du programme de coton standard à pleine charge : 133 min
Durée du programme de coton standard à demi-charge : 86 min

Entretien et nettoyage
Vou desvez debrancher l'appareil, avant de pouvoir effectuer tout travail de nettoyage ou d'entretien.
Nettoyage extérieur
Utilisez du savon et de l'eau, puis séchez consciencieusement. Important: ne pas utiliser d'alcool à brûler, de diluants ou de produits similaires.
Nettoyage de la porte
Nettoyez périodiquement la partie interne de la porte et retiret toutes les peluches. Un nettoyage précis assure un séchage correct.

Nettoyage du filtré
Votre sèche-linge ne fonctionnera correctement que si le filtré est propre. Ce filtrtre collecte toutes les peluches qui s'accumulent durant le séchage et doit par conséquent être nettoyé à la fin de chaque programme, avant dePTRirer le linge, avec un chiffon humide.
Le filtre doit être retireur pour nettoyage. (Voir image)



Avertissement
Ne pas utiliser l'appareil sans filtré.
Problèmes de fonctionnement
Méthode d'utilisation
- Certains problèmes sont dus à un manque d'entretien ou de supervision simple, pouvant être facilement résolus sans avoir à appeler un ingénieur. Avant de contacter votre service après-venture, veillez parcourir la liste de vérification ci-dessous.
Durant le fonctionnement de cette machine, il est possible que l'indicateur lumineux « Départ/Pause » clignote pour indiquer que la machine ne fonctionne pas. Une fois que le problème a été éliminé, pressez la touche « Départ/Pause » pour redémarrer le programme. Si après toutes ces vérifications, le problème persiste, veillez contacter votre service après-vente local.
| Dysfonctionnement | Causes | Solutions |
| Le sèche-linge ne fonctionne pas. | • La prise d'alimentation n'est pas branchée. • La porte de chargement est ouverte. • Avez-vous pressé la touche « Départ/Pause »? | • Brancher le courant. • Fermer la porte de chargement • Presser la touche « Démarrer/Pause » à nouveau. |
| Les résultats de séchage ne sont pas satisfaisants. | • Le mauvais programme a été choisi. • Le filtré est obstrué. • Le volume du linge est incorrect. | • Choiser un programme différent au prochain séchage (voir la section « Programmes de séchage »). • Nettoyer le filtré à linge. • Respecter les volumes de chargement recommends. • L'utilisation de kit de condensation est déconseillée. |
| Le cycle de séchage s'arrête rapidement après le départ du programme. L'indicateur « Fin » s'illumine. | • Pas assez de linge chargeé ou le linge chargeé est trop sec pour le programme choisi. | • Choiser un niveau de séchage (Par exemple « Extra sec » au lieu de « Très sec »). |
| Le cycle de séchage durable un temps inhabituellement long. | • Le volume chargeé est trop important. | • Réduire le volume chargeé. |

Si vous étés incapable d'identifier ou de résoudre un problème, contactez le service après-vente. Avant d'appeler, prendre note : du modele, du numero de série et de la date d'achat de votre machine. Le service après-vente aura besoin de ces informations.
Données techniques
IMPORTANT :
Si vous souhaitez faire appel à un technicien pour résoudre l'un des problèmes cités dans la liste ou pour une réparation ayant pour origine une mauvaise utilisation, son intervention vous sera facturée même si l'appareil se trouve encore sous garantie.
Données techniques
| MARQUE | CONTINENTAL EDISON |
| REFERENCE DU MODELE | CESLEE6DD (DV-60Q5E) |
| CAPACITE NOMINALE EN KG DE COTON | 6 |
| CLASSE ENERGETIQUE | C |
| LE SECHE LINGE DOMESTIQUE EST UN SECHE-LINGE A EVACUATION | |
| CONSOMMATION D'ENERGIE ANNUELLE DU PROGRAMME COTON STANDARD | 425kWh |
| CONSOMMATION D'ENERGIE DU PROGRAMME COTON STANDARD EN PLEINE CHARGE | 3.32kWh |
| CONSOMMATION D'ENERGIE DU PROGRAMME COTON STANDARD EN DEMI CHARGE | 2.12kWh |
| CONSOMMATION DE PUISSANCE EN MODE "ARRET" DU PROGRAMME COTON STANDARD EN PLEINE CHARGE | 0.41W |
| CONSOMMATION DE PUISSANCE EN MODE "VEILLE" DU PROGRAMME COTON STANDARD EN PLEINE CHARGE | 0.42W |
| TEMPS MOYEN DE PROGRAMME POUR TOUS LES TESTS | 106min |
| TEMPS MOYEN DE PROGRAMME POUR TOUS LES TESTS STANDARD EN PLEINE CHARGE | 133min |
| TEMPS MOYEN DE PROGRAMME POUR TOUS LES TESTS STANDARD EN CHARGE PARTIELLE | 86min |
| NIVEAU SONORE DU PROGRAMME COTON STANDARD EN PLEINE CHARGE | 68dB(A) |
| TYPE D'INSTALLATION | A POSER |

Il est dangereux d'alterer les specifications ou d'essayer de modifier ce produit de chaque façon que ce soit.

Une attention particulière doit être accordée pour s'assurer que l'appareil ne soit pas posé sur un cable d'alimentation électrique.
Données techniques

Tout travail électric requis pour l'installation de l'appareil doit être effectué par un électricien qualifié ou une personne compétente.

IMPORTANT : l'appareil ne doit pas etre encastre.
- Déballage
Tous les éléments d'emballage doivent être retires avant tout usage de l'appareil.
Vérifier les accessoires
Ouvrez le sac des accessoires et vérifie les accessoires.
| Accessoires | Nom | Quantité |
| Tuyau de drainage | 1 | |
| Notice d'utilisation | 1 |

Si l'appareil do it être déplace, il doit être transporte verticallement.
Installation
Positionnement
Il est recommandé, pour votre comport, que la machine soit positionnée pres de votre machine à laver. Durant le séchage, le sèche-linge expulsera une certaine quantité de chaleur, d'air très humide, qui doit être expulsé de la pièce aussi vite que possible pour éviter la condensation. Dans une pièce extrémement bien ventilée ou pres d'une fenêtre ouverte, cela survendra naturellement. Cependant, en général, il est préféable d'évacuer les échéagements dehors via le tuyau de ventilation fourni avec cet apparéil en l'amenant temporairement à une fenêtre ouverte, ou de façon permanente en le fixant à une grille de ventilation, attachée à un mur ou une fenêtre externe.
Le sèche-linge doit être installé dans un endroit propre, ou la saleté ne s'accumule pas.
Assurez-vous qu'il n'y ait pas d'objet ou matière obstruant pres des lucarnes d'entree d'air fournies à l'arriere (par exemple papiers, chiffons, etc.). Pour reduire et maintainir au minimum les vibrations et les bruits lorsque le sèche-linge est en marche, il faut placer celui-ci sur une surface, solide et plane.
L'appareil étant doté de capteurs d'humidité, nous vous déconseillons afin de ne pas perturber son bon fonctionnement d'ajouter un kit de condensation.

Note
Si le plancher n'est pas régulier, ajuster les pieds réglibres. Ne pas placer de pieces de bois ou d'autres objets sous la base des pieds.
Ajustement du niveau
Lorsque vous appuyez sur les bords de la plaque du haut du sèche-linge de façon diagonale, la machine ne doit pas du tout bouger (verifiez dans les deux directions). Si la machine bouge lorsque vous appuyez sur les bords de la plaque du haut du sèche-linge de façon diagonale, ajustez les pieds à nouveau.

- Dévissez les contre-écrous.
- Ajustez les pieds régables : en tournant à droite pour abaiser le sèche-linge, en tournant à gauche pour le remonter.
Resserrez les contre-écrous après avoir régle le niveau du sèche-linge.

Note
Les contre-écrous doivent être resserrés après ajustement.
Tout desserrement peut provoquer des vibrations et des bruits.

Les pieds ne doivent être pas rétrés. Ne pas restreindre l'espace au sol avec des grosses piles de tapis, des plinthes de bois ou autres. Cela peut entraîner une accumulation de la chaleur qui générait le bon fonctionnement de l'appareil.
Installation

IMPORTANT :
L'air chaud émis par le sèche-linge peut atteindre des températures jusqu'à 60^ . Cet apparéil ne doit donc pas être installé sur des sols qui ne sont pas résistant à des températures élevées. Lors de l'utilisation du sèche-linge, la température de la piece ne doit pas être inférieure à +5^ , du fait que cela pourrait influer sur les performances de l' apparéil.
Ajustement du tuyau de ventilation

Pour simplifier l'installation, il y a un besoin possible entre différentes sorties de ventilation : une à l'arrière, l'autre sur le cotoé gauche.
Tenez l'extrémité du tube (A), avec la flèche dirigée en face de la flèche de la sortie d'air de l'appareil. Insérez l'extrémité du tube et vissez-le dans le sens des aiguilles d'une montre. L'orifice de ventilation non utilisé doit être maintainu scelled avec le couvercle à pression (B) fourni.


Conseil :
Si le tuyau s'avere trop long et que la température est basse, l'humidité peut se condenser dans le tuyau. C'est un phénomène naturel et inévitable. Pour éviter de laisser cette eau stagner dans le tuyau ou returner dans le sèche-linge, il est recommendé de percer un petit trou (dia. 3mm) au point le plus bas du tuyau et de placer un petit récipient en dessous. (Voir image, point C).
Une fois connecté au séche-linge, faire passer le tuyau de ventilation jusqu'àu point de sortie désiré, il ne faut pas qu'il y ait plus de deux courbes. Concernant la sortie elle-même, si vous avez décidé de fixer le tuyau à une grille murale/de fenêtre, un bon fournisseur d'équipment de construction devrait être à même de vous fournir les materiaux et les conseils d'installation nécessaires.

Installation

Il est important de ne pas connecter le tuyau de ventilation, par exemple, à une hotte, une inée ou un tuyau à gaz concu pour transporter les émanations d'un apparéil de chauffage.
Il est à noter qu'afin d'éviter les problèmes de condensation, il est essentiel que le sèche-linge soit branché avec le tuyau flexible pour transporter la vapeur au moins au-delà des appeareils de cuisines; de préférence hors de la cuisine.
Afin d'éviter la surchauffe de l'appareil, il est important que la chaleur expulsée ne soit pas obstruée. Si le sèche-linge est place pres d'appareils de cuisine, assurez-vous que le tuyau de ventilation ne soit pas écrasé. Si le tuyau est partiellement écrasé, l'efficacité de séchage sera diminuée, ce qui entrainera des temps de séchage plus long et une consommation d'énergie plus importante. Si le tuyau est complètement écrasé, le coupe-circuit de sécurité avec lequel la machine est équipée se mettra en marche.
Lors de l'utilisation du sèche-linge, la température de la pièce ne doit pas être inférieure à 5^ , du fait que cela pourrait influer sur les performances de l'appareil.
L'évacuation de l'air ne doit pas se faire via un conduit/carneau servant à évacuer la fumée provenant de la combustion (gaz, essence) des autres apparèils.
Le sèche-linge ne doit être enaucun cas place derrière ou a côté d'une porte. Le sèche-linge doit être place le long d'un mur.

Avertissement
Cet apparéil doit être relié à une prise de terre.
Emboitement
Inversion de la porte
Pour rendre le chargement et le déchargement du linge plus facile, le sens d'ouverture de la porte peut être inversé.
Cette opération doit être réalisée par un professionnel qualifié. Veuillez contactez notre service le plus proche. Cette option est facturable.
- Branchement électrique
Toute opération de branchement électrique pour installer cet apparéil doit être réalisé par un électricien qualifié ou par une personne compétente.
Installation

Le fabriquant decline toute responsabilité dans les cas de non-respect des mesures de sécurité.
Avant d'allumer l'appareil, assurez-vous que le taux de voltage de l'alimentation électrique soit le même que celui indiqué sur la plaque signalétique de l'appareil.
Si la prise doit être remplacee pour quelque raison qu'il soit, faites comme decrit ci-dessous.
Les fils des prises d'alimentation sont colorés en respect du code suivant :
Vert et Jaune - Terre
Bleu - Neutre
Marron ou noir - Phase
Les fils colorés en vert et jaune doivent être connectés au terminal marqué de la dette « 四 » ou par le symbole de terre ou encore coloré en vert et jaune.
Protection de l'environnement

Avertissement
- Une prise sectionnée insérée dans une fiche est un sérieux danger (par chic) à la sécurité.
Assurez-vous que la prise sectionnée soit détruite de façon sure. - Connexion permanente : Dans le cas d'une connexion permanente. Il est nécessaire que vous installiez un interrupteur électrique à deux pôles. L'interrupteur ne doit pas casser le fil de terre jaune ou vert en aucun point.

Matériaux d'emballage
- Les matériaux marqués par le symbole sont recyclables.
PE < = polyéthylène
PS < = polystyrene
PE < = polypropylene
Cela signifie qu'ils peuvent etre recyclés en se débarrassant d'eux dans des conteneurs de collecte appropriés.
Appareils usages
Utilisez des sites de dépôt agrêés pour vos apparéils usages. Aidez à maintainir votre pays propre !

Cet apparéil compte le symbole DEEE (Déchet d'Equipement Electrique et Electronique) signant qu'en fin de vie, il ne doit pas être jeté aux déchets menagers, maisdéposé au centre de tri de la localité. La valorisation des déchets permet de contribuer à préserver notre environnement.
PROTECTION DE L'ENVIRONNEMENT - DIRECTIVE 2002/96/CE
Afin de préserver notre environnement et notre santé, l'élimination en fin de vie des apparils électriques etlectroniques doit se faire selon des régles bien précises et nécessite l'implication de chacun, qu'il soit fournisseur ou utilisateur.
C'est pour cette raison que vous appeareil, tel que le signale le symbole apposé sur sa plaque signaletique ou sur l'emballage, ne doit en aucun cas etre jetedans une poubelle publique ou privée destinée aux ordures menagères.
L'utilisateur a le droit de déposer l'appareil dans des lieux publics de collecte procédant à un tri sélectif des déchets pour être soit recyclé, soit réutilisé pour d'autres applications conformément à la directive.
Protection de l'environnement
Le symbole indique un risque d'incendie.
Le linge touché d'essence, de kerosène ou d'huile de cuisson peut prendre feu instantanément, plus spécialement lorsqu'il est exposé à des sources de chaleur comme un sèche-linge. Le linge devient chaud, provoquant une oxydation de la substance. L'oxydation cree de la chaleur. Si la chaleur ne peut pas s'échapper, le linge peut revenir tellement chaud qu'il s'enflamme. Entasser, empiler ou stocker du linge touché par du petrole ou de l'huile peut empêcher la chaleur de s'échapper et ainsi créé un danger de feu. Il est inévitable de placer des vêtements faits de végétaux ou d'huile de cuisson ou qui ont été contaminé par des produits de soins pour les cheveux, dans le sèche-linge. Il faudrait les laver à l'eau chaude avec un détergent très puissant au préalable – cela réduirait le risque mais ne l'éliminerait pas.

Conseils ecologiques
Pour economiser de l'énergie et pour aider à préserver l'environnement, nous vous recommendons de suivre ces conseils :
- Essayez de charger à la capacité maximale de la machine, du fait que les petites charges ne sont pas économiques.
Evitez de secher le linge trop longtemps. - Sélectionnez le programme de séchage en fonction du type de linge et du degré de séchage requis.
- Nettoyez les filtres régulierement pour éviter des temps de séchage excessifs et une consommation d'énergie importante.
- Ventilez bien la pièce. La température de la pièce ne doit pas être inférieure à 5^ .
Conditions de garantie
Ce produit est garantie pour une periode de 1 an a partir de la date d'achat*, contre toute defaillance resultant d'un vice de fabrication ou de materiaiu.
Cette garantie ne couvre pas les vices ou les dommages resultant d'une mauvaise installation, d'une utilisation incorrecte ou de l'usure anormale du produit.
*sur presentation du ticket de caisse.
Conditions de garantie standard
Dans les 12 mois après l'achat de cet apparéil, nous nous engageons à le réparer ou le remplaçer, sans charge de matériel ni de main d'oeuvre, si et seulement si :
L'appareil a ete correctement installe et utilise quiequement avec le courant electrique precise sur la plaque signaletique de I'appareil.
L'appareil a ete utilise pour un usage domestique uniquement, en conformite avec les instructions du fabricant.
L'appareil n'a pas ete entretenu, reparé, demonté ou modifie par une personne non autorisée par le fabricant
- Cette garantie est une addition à vos droits.
Cette garantie ne couvre pas
- Les dommages ou problèmes résultat du transport, d'un usage inapproprié ou d'une négligence.
Le remplacement de toutes ampoules ou parties amovibles de plastique ou de verre. - Les apparèils déclarés comme étant utilisés dans un environnement commercial, plus ceux qui sont suiets à location.
- Les apparèils de notre usine qui ne sont pas vendus par nos moyens.
Conditions de garantie
REFERENCE: CESLEE6DD (DV-60Q5E)
ALIMENTATION:220-230V\~50Hz
PUISSANCE : 2000W
| V | Volt | ~ | Courant alternatively | |
| W | Walt | Hz | Hertz | |
| Sécurité testée | CE Agree Communauté Européenne | Risque d'accordie | ||
Importé par WESDER SAS
67 bis, rue de Seine
94140 Alfortville
France
Cette notice est aussi disponible sur le site suivant
www.fillony.com
Droits de reproduction réservés
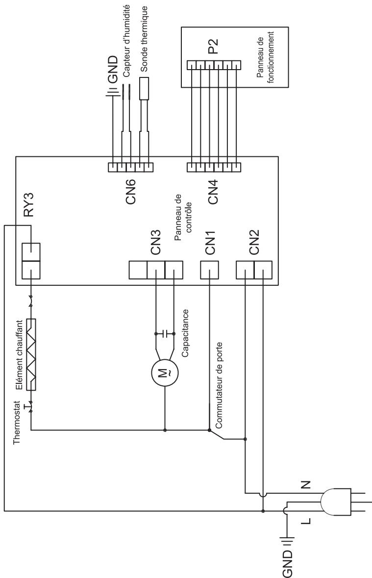
Schéma électrique
Annexes

Notice Facile