CESL7PCW - CESL7PCWV - Sèche-linge CONTINENTAL EDISON - Notice d'utilisation et mode d'emploi gratuit
Retrouvez gratuitement la notice de l'appareil CESL7PCW - CESL7PCWV CONTINENTAL EDISON au format PDF.
| Type d'appareil | Sèche-linge à condensation |
| Capacité de séchage | Non précisé |
| Consommation énergétique | Non précisé |
| Type de chargement | Chargement frontal |
| Nombre de programmes | Non précisé |
| Affichage | Écran digital |
| Départ différé | Oui |
| Fonction anti-froissage | Oui |
| Niveau sonore | Non précisé |
| Dimensions (HxLxP) | Non précisé |
| Poids | Non précisé |
| Type de filtre | Filtre à peluches |
| Système de sécurité | Verrouillage enfant |
| Couleur | Blanc |
| Garantie | Non précisé |
FOIRE AUX QUESTIONS - CESL7PCW - CESL7PCWV CONTINENTAL EDISON
Questions des utilisateurs sur CESL7PCW - CESL7PCWV CONTINENTAL EDISON
Si le mécanisme de la porte de votre sèche-linge Continental Edison CESL7PCW ou CESL7PCWV a glissé à l'intérieur et que vous pouvez le toucher mais pas le remettre en place, voici quelques étapes à suivre pour tenter de le réparer :
1. Ne pas forcer le mécanisme
Évitez de tirer ou de forcer le mécanisme, car cela pourrait causer des dommages supplémentaires à la porte ou aux composants internes.
2. Utiliser un outil adapté
Munissez-vous d'un outil fin et long, comme une pince à bec long ou un petit crochet, pour atteindre et saisir délicatement le mécanisme. Cela peut vous aider à le repositionner sans endommager les pièces environnantes.
3. Vérifier l'accès au mécanisme
Certains modèles de sèche-linge disposent de panneaux d'accès à l'arrière ou sur les côtés. Si c'est le cas, retirez-les pour avoir une meilleure visibilité et un meilleur accès au mécanisme de la porte.
4. Incliner légèrement l'appareil
Si possible, inclinez doucement le sèche-linge pour faciliter le repositionnement du mécanisme. Assurez-vous que l'appareil est stable et sécurisé pour éviter tout accident.
5. Faire appel à un professionnel si nécessaire
Si malgré ces précautions vous ne parvenez pas à remettre le mécanisme en place, il est recommandé de contacter un professionnel qualifié pour éviter d'endommager davantage votre sèche-linge.
Pour changer le sens d'ouverture de la porte de votre sèche-linge Continental Edison CESL7PCW ou CESL7PCWV, suivez ces étapes :
1. Sécurité avant tout
Débranchez toujours l'appareil de la prise électrique avant toute manipulation pour éviter tout risque d'électrocution.
2. Retrait de la porte
- Ouvrez la porte du sèche-linge.
- Repérez les vis qui fixent la porte à la charnière, généralement situées sur la charnière elle-même.
- Dévissez ces vis avec un tournevis adapté.
- Retirez délicatement la porte.
3. Changement de la charnière
- Dévissez la charnière du côté actuel.
- Fixez la charnière sur le côté opposé de la porte, en vous assurant qu'elle est bien positionnée.
4. Réinstallation de la porte
- Placez la porte sur la nouvelle charnière fixée au sèche-linge.
- Revissez solidement la porte.
- Vérifiez que la porte est bien alignée et qu'elle s'ouvre et se ferme correctement.
5. Vérification du verrouillage
Assurez-vous que le mécanisme de verrouillage fonctionne correctement dans la nouvelle position de la porte.
6. Remise en service
Rebranchez le sèche-linge et testez l'ouverture et la fermeture de la porte pour confirmer que tout fonctionne normalement.
Cette opération permet d'adapter l'ouverture de la porte selon votre préférence ou l'agencement de votre espace.
Téléchargez la notice de votre Sèche-linge au format PDF gratuitement ! Retrouvez votre notice CESL7PCW - CESL7PCWV - CONTINENTAL EDISON et reprennez votre appareil électronique en main. Sur cette page sont publiés tous les documents nécessaires à l'utilisation de votre appareil CESL7PCW - CESL7PCWV de la marque CONTINENTAL EDISON.
MODE D'EMPLOI CESL7PCW - CESL7PCWV CONTINENTAL EDISON
Veuillez dire attentivement cette notice d'utilisation avant d'utiliser votre sèche-linge.
Conservez-la pour toute future utilisation.
PREFACE
Nous vous remercions d'avoir besoin notre sèchelinge. Veuillez tire attentivement ce manuel. Il fournit les instructions, sur l'utilisation et l'entretien. Conservez-le afin de pouvoir y revenir ultérieurement. Rappelez-vous du modele et du nombre de série de votre machine. Il faudra fournir cette information à votre revendeur si vous avez besoin d'une révision.
Les symboles suivants sont utilisés dans ce manuel :

Informations importantes concernant votre sécurité personnelle et les informations sur comment éviter d'endommager l'appareil.

Informations generales et conseils.

Informations environnementales.
Sommaire
Informations de sécurité 1-4
Description du produit 4
1 Panneau de contrôle 5
Utilisation 6-11
Conseils de séchage 12-13
Programmes de séchage 14
Soin et nettoyage 15
Problèmes de fonctionnement 16
Données techniques 17-18
Installation 19-21
Protection de l'environnement 22-23
Conditions de garantie 24
2. Schema electrique 253
Informations de sécurité
Avant utilisation

AVERTISSEMENT
Il est important de dire soigneusement et de comprendre ces instructions de sécurité avant toute utilisation. Les éléments indiqués ici sont des précautions de sécurité très importantes, qui doivent être suivies attentivement. Le fabricant rejette toute responsabilité en cas de non respect de toutes ou parties de ces règles.
Cet apparéil ne doit pas être utilisé par des enfants ou des personnes aux capacités physiques, sensorielles ou mentales réduites, ou manquant d'expérience et de connaissance, sans la surveillance d'une personne responsable de leur sécurité ou sans instruction concernant l'utilisation de l' apparéil. Les enfants doivent être surveillés afin de s'assurer qu'ils ne jouent pas avec l' apparéil.


Risques potentiels de chocs électriques
- La réparation ne peut être effectue que par un personnel qualifié, la réparation, la modification ou le désassemblage ne peuvent être effectuels par des personnes autres qu'un personnel d'entretien professionnel.
- Le système d'alimentation électrique domestique (courant, voltage, cable, fusible) doit être compatible avec les conditions d'utilisation du sèche-linge.
- La fiche secteur doit être branchée dans une prise murale appropriée, installée et mise à la terre en accord avec tous les codes et règles locaux.
- Si le cable d'alimentation est endommagé, il doit être remplace par le fabricant, son service après vente ou des personnes de qualification similaire afin d'éviter un danger.
- Ne pas déconnecter la fiche secteur en tirant sur le cable d'alimentation. Faire cela en tenant la prise fermement et en la retardant directement hors du réceptacle.
- Ne pas utiliser le cordon d'alimentation lorsque la connexion entre la prise d'alimentation et le cordon d'alimentation est l'âche.
- Ne pas toucher l'appareil avec les mains et les pieds mouillés. Essuyez la poussière ou les gouttes d'eau autour de la prise de courant avec un chiffon sec.
- Ne pasposer l'appareil ou exercer une pression sur le cable d'alimentation.
- Ne pas utiliser le cordon d'alimentation/ la sortie de courant/ ou la prise de courant si l'un de ceux-ci est endommagé ou cassé.


Risques potentiels d'explosions
- Ne pasmettre de liquide combustible comme de l'essence,de l'huile ou de l'alcool dans l'appareil ou autour. Ne pas placer de vetements imbibes de ce genre de liquide dans l'appareil.
- Ne pas connecter/ déconnecter la prise de courant lorsqu'uneuite de gaz ou d'autres types de gaz combustibles survient.

Informations de sécurité
Avant utilisation

Risque d'incendie/court circuit ou problème électrique
- Ne pas installer l'appareil à proximé de sources de chaleur
- Ne pas laisser de chandelierles ou cigarettes allumées sur l'appareil.
- Installer l'appareil de préférence à l'abri de l'humidité.
- Ne pas installer le seche-linge dans un endroit en contact direct avec les rayons du soleil, pour éviter que les composants plastiques ou en caoutchouc ne s'usent prématurément.
- Ne pas utiliser de jet d'eau sur l'appareil lors de son nettoyage.
- Afin d'éviter tout risque d'incendie causé par un séchage excessif, ne pas utiliser l'appareil pour secher les objets suivants : les coussins, couettes et autres (ce type d'objets accumulant la chaleur).
- Les éléments qui ont été tâchés ou imbibés par de l'huile de cuisson ou végétale constituent un risque d'incendie et ne doivent enaucun cas être placés dans le sèche-linge.
- Si vous avez lavé votre linge avec un détachant, vous devez effectuer un cycle supplémentaire de rincege avant de charger le linge dans votre seche-linge.
- Veuiliez vous assurer qu'aucun briquet ou boîte d'allumettes n'avient été accidentellement oubliés dans une poche d'un des vêtements àmettre dans l'appareil.

Avertissement
Ne jamais interrompree un sèche-linge avant la fin du cycle de séchage à moins que tous les éléments soient alors rapidement rétrés et éparpillés de façon à ce que la chaleur se dissipe.
- Ce sèche-linge n'est pas destiné à être utilisé par des personnes (notamment des enfants) représentant des capacités physiques motrices ou mentales réduites, sans la surveillance d'une personne responsable de leur sécurité.
- Cet apparéil n'est pas destiné à être utilisé par des jeunes enfants ou par des personnes infirmes sans supervision.
- Les matériaux d'emballage peuvent être dangereux pour les enfants.
- Placez tous les matériaux d'emballage (par exemple les sacs en plastiques) à un endroit hors d'atteinte des enfants.
- Ne pas toucher le linge place dans le sèche-linge, avant que celui-ci ne soit complètement arrêté.
- Ne pas laisser des enfants ou des animaux pres d'un sèche-linge en marche.
- Veuillez vérifier attentivement le tambour interne avant de fermer la porte. Des enfants ou animaux pourraient y'être piéged.



Autres instructions
- Cet apparéil est à usage domestique uniquement, il ne doit pas être utilisé à d'autres fins que celles pour lesquelles il a été concu.
- Ne laver que les tissus qui ont eté concus pour etre sechés en machine. Suivre les instructions sur les étiquettes de chaque vêtement.
- Tous travaux électriques requis dans le cadre de l'installation de cet apparéil doivent être effectuels par un électricien qualifié ou une personne compétente.
Informations de sécurité
Avant utilisation
- Si la machine est située sur un sol à moquette, veuillez ajuster les pieds de l'appareil afin de laisser circuler l'air librement sous l'appareil.
- Ne pas grimper sur le séche-linge ou laisser des objets lourds, des apparciels chauffants ou encore des objets avec de l'eau ou ayant des fuites de liquides sur le séche-linge, afin d'eviter les risques de déformation du plateau avant ou des composants plastiques.
- Tout objet comme les pieces, épinges, punaises, vis, pierres ou autre matieres dures ou effilées peut entraîner des dommages considérables et ne doit pas être placé dans la machine.
- ÀpRES avoir installé l'appareil, vérifier qu'il n'y ait pas de pression ou d'obstruction sur le cable d'alimentation ou le tuyau d'évacuation.
- Les éléments tels que la mousse de caoutchouc (mousse de latex), les bonnets de bain, le textile étanche, les articles et vêtements renforcés de caoutchouc ou les oreillers replis degomme de caoutchounevidence pas été séché à l'aide d'un sèche-linge.
- Il faut toujours débrancher l'appareil après usage, pour nettoyage et révision.
- Ne pas surcharger l'appareil. Voir la section de reférence dans le manuel d'utilisateur.
- Les vêtements mouillés dégoulinants ne doivent pas être placés dans le sèche-linge.
- Les vêtements qui ont été en contact avec des produits pétroliers volatiles ne doivent pas être séchéés en machine. Si des fluides nettoyants volatiles sont utilisés, il faut faire attention à ce que ces fluides aient été retireés de ce vêtement avant de le placer dans la machine.
- Ne jamais utiliser le séche-linge si le cordon d'alimentation, le panneau de contrôle, la surface de travail ou le bas ont été endommagés de façon à ce que l'intérieur du séche-linge soit accessible.
- Le sèche-linge ne doit pas être utilisé si des produits chimiques industriels ont été utilisés pour le lavage.
- II ne faut pas laisser les peluches s'accumuler dans le seche-linge.
- Ne pas secher de linge non lavé et sale dans l'appareil.
- Les adoucissants ou produits similaires doivent être utilisés comme spécifique dans les instructions de cet adoucissant.
- La partie finale d'un cycle de sèche-linge s'effectue sans aucune chaleur (cycle de refroidissement) pour assurer que tous les éléments soient liassés à une température qui assure que les éléments ne sont pas endommages.
- Les filtres doivent être nettoyés après chaque utilisation.
- Une bonne ventilation est nécessaire au bon fonctionnement du sèche-linge. Son conduit d'évacuation ne doit strictement pas être place à côte des autres tuyaux de conduit evacuant les matières combustibles (gaz, essence) des autres appareils. Cela entrainerait des risques d'incendie.
L'appareil ne doit pas etre installederriere une porte a verrouillage,une portecoulissante ou une porte avec une charniere du cote opposé à celle du sèche-linge. - Il convient que les articles qui ont été salis avec des substances telles que l'huile de cuisson, l'acetone, l'alcool, l'essence, le kerosène, les detachants, la térébenthine, la cire et les substances pour retarder la cire soient lavés dans de l'eau chaude avec une quantité supplémentaire de détergent avant d'être séchés dans le sèche-linge à tambour.
- MISE EN GARDE: Ne jamais arrêté un sèche-linge à tambour avant la fin du cycle de séchage, à moins que tous les articles ne soient retrésrapidement et étales, de telle sorte que la chaleur soit dissipée.
Le collecteur de bourre doit être nettoyé fréquement.
Informations de sécurité
Avant utilisation

Avertissement
Il convient que les articles qui ont été salis avec des substances telles que l'huile de cuisson, l'acetone, l'alcool, l'essence, le kerosène, les detachants, la térébenthine, la cire et les substances pour-retirer la cire soient lavés dans de l'eau chaude avec une quantité supplémentaire de détergent avant d'être séchés dans le seche-linge.

Avertissement
Pour les apparèils comportant des ouvertures de ventilation à leur base, les ouvertures ne doivent pas été obstruées par un tapis.

Avertissement
Une ventilation appropriée doit être fournie afin d'éviter un refoulement de gaz, à l'intérieur de la pierce, provenant d'appareils brulants d'autres combustibles, y compris les feuels ouverts.
Description du produit
Avant utilisation

- Panneau de contrôle
- Façade
- Filtre
- Pieds réglables

- Sortie ventilation arrête
- Sortie ventilation latérale
- Couvercle tuyau ventilation
Panneau de contrôle
Méthode d'utilisation
Panneau de contrôle

- Cadran de selection
- Indicateurs lumineux séquentiels Sécchage
Refroidissement
Fin
Filtre
- Départ/Pause
- Départ différé et indicateurs lumineux
- Délicat
- Rapide
Utilisation
Méthode d'utilisation
i Première utilisation
Assurez-vous que les raccordements électriques sont conformes à la notice d'installation.
- Retirez le bloc de polystyrene et tout autre matériel à l'intérieur du tambour.
- Avant d'utiliser votre sèche-linge pour la première fois, nous vous recommendons de placer quelques chiffons humides à l'intérieur de l'appareil et de les faire secherpendant 30 minutes. Il se peut qu'il y ait de la poussière à l'intérieur d'un tout nouveau sèche-linge.
i Utilisation quotidienne
Connector l'appareil
Ouvrez la porte (voir image).
- Placez un à un nombre linge dans le tambour, afin de les disperser le plus possible.
- Fermez la porte. Veuillez vérifier que le linge ne soit pas coincide entre la porte et le contrôle.

Choisir le programme requis
- Tournez le cadran sélecteur de programme sur le programme requis. L'indicateur lumineux Demarrer/Pause commence à clignoter. Le programme s'éteindra si vous n'avez pressé aucune touche dans les 10 minutes.


Le cadran de selection :
Coton
Synthétique
- Minuterie
Spécial
Utilisation
Méthode d'utilisation
Sechage automatique contrôle
L'appareil détecte automatiquement l'humidité dans le tambour et ajusté le temps pour un séchage optimal. Il vous suffit juste de selectionner le programme correspondant au tissu. Ce système de séchage est parfaitement adapté pour les fonctions suivantes: « Coton», « Synthétique», « Intensif», « Fragile».
Temps de séchage contrôle
Peut être utilisé pour arrêter un programme de séchage. Sélectionnez un programme de 90 ou 60 minutes pour des vêtements en coton ou 30 minutes pour des vêtements synthétiques. Pour arrêter le programme en cours, tournez le cadran de sélection sur « O ». A la fin du séchage, tournez le cadran de sélection sur « O » pour éteindre la machine avant desterolir le linge.
Options de programmation
Selon le programme, différentes fonctions peuvent etre combinées. Elles doivent etre selectionnées apres avoir choisi le programme souhaite et avant de relacher le bouton Depart/Pause. Lorsque ces boutons sont pressés, les indicateurs lumineux correspondants s'allument. Lorsqu'ils sont presses a nouveau, les indicateurs s'eteignent.
Choisir l'Alarme
Lorsque vous appuyez sur le bouton ALARME, son indicateur lumineux (diode ALARME) s'allumera et une sonnerie retentira pendant 15 secondes après la fin du programme.
Lorsque l'alarme est activée, si vous pressez la touche « Alarme » une nouvelle fois, l'alarme s'eteindra.
Alarm
Sélectionner la touche Rapide
Cette option peut être可以选择 dans les programmes suivants : « Extra sec », « Très sec », « Normal ». En relachant cette touche, le temps de séchage sera réduit par 3-5 minutes. L'indicateur lumineux correspondant s'allumera. Cette fonction ne peut pas être可以选择 avec l'option « délicat ».
Rapide
Utilisation
Méthode d'utilisation
Sélection Délicat
Cette option peut être sélectionnée dans les sections suivantes : « Coton », « Synthétique » . Pressez cette touche pour effectuer le séchage à une température plus BASSE pour les éléments délicats. L'indicateur lumineux correspondant s'allume. Cette option peut également être utilisé pour le séchage à durée contrôle.

Sélection Départ différé
Cette touche vous permet de retarder le démarriage de votre programme, cela jusqu'à 12 heures au plus.
Cette option doit être可以选择 après avoir sélectionné le programme et avant de presser la touche « Départ/Pause » pour démarrer le programme.
Le programme peut etre decale de 3h,6h ou 12h.
《Retardement annulé →3→6→12》

L'option peut êtrecision avant ou après avoir selectionné un programme optionnel (rapide, délicat).
Ce compte à rebours démarre après avoir pressé la touche « Départ/Pause » et l'indicateur lumineux correspondant s'allume.
Si vous avez seLECTIONné un temps de retard (3/6/12) par l'intermédiaire de la touche correspondante, le voyant l'indique.
Le compte à rebours est calculé automatiquement lorsque vous appuyez sur la touche « Départ/Pause ». L'appareil commence alors le processus de départ différé.
Si vous
(a) appuyez à nouveau sur « Départ/Pause », l'appareil ne se mettra pas en pause et commencer la décompte.
(b) tournez le bouton de rotation sur « O », le programme sera annulé.
(c) souhaitez modifier le programme, vous devez tourner le bouton sur « O», et effectuer à nouveau la sélection de programme.
Utilisation
Méthode d'utilisation
Pressez cette touche pour démarrer le sèche-linge après avoir sélectionné le programme et les options. Si la porte de l'appareil est ouverte alors que le programme est en cours, il faut de nouveau appuyer sur ce bouton après avoir fermé la porte afin de redémarrer le programme depuis le point auquel il a été interrompu. Dans ce genre de situation l'indicateur lumineux Démarrer/Pause clignote pour vous rappeler que le bouton de démarrage, doit être pressé de nouveau.
Utilisation
Méthode d'utilisation
Indicateurs lumineux
Ces indicateurs mettent en evidence les fonctions suivantes :
Indicateur « Séchage »
Cet indicateur lumineux met en evidence le fait que l'appareil est en phase de sechage.
Indicateur « Refroidissement »
Cet indicateur lumineux met en évidence le fait que l'appareil est en phase de refroidissement.
A la fin du séchage, il y a une phase de refroidissement de 5 à 10 minutes pour refroidir le linge
- Indicateur « Fin »
Cet indicateur s'allume à la fin du cycle de refroidissement, durant la phase de défoulage, qui a une action anti-froissage.
Indicateur « Filtre »
Cet indicateur s'active à tous les cycles pour vous rappeler que le filtre doit être nettoyé à la fin du programme.
A la fin du programme
- Tous les programmes de séchage terminent avec une phase de refroidissement de 5 à 10 minutes.
Pendant la phase de refroidissement, le témoin lumineux « Refroidissement » est allumé.
Si le linge n'est pas retire 10 minutes après la fin de la phase de refroidissement, le sèche-linge exécutera une phase de défoulage anti-froissage (durée : 30 minutes maximum). L'écran affichera
« O » et les témoins lumineux « Filtre » et « Fin » s'allumeront. (Lorsque le témoin lumineux « Filtre » est allumé, cela peut dire qu'il faut nettoyer le filtre.)
A la fin de la phase de défoulage anti-froissage, le témoin lumineux « Filtre » restera allumé. - A tout moment, vous pourrez arreter la phase de refroidissement ou la phase de défoulage en ouvrant la porte.
Lorsque you tournez le cadran de selection sur « O », tous les indicateurs lumineux s'eteindront.
Utilisation
Méthode d'utilisation
Après chaque utilisation
Nettoyez le filtré.
Important!
Si le programme de séchage doit être arrêté avant son terme, nous vous recommendons de placer le sélectionur de programmes sur position « Air froid » et d'attendre jusqu'à la fin de la phase de refroidissement avant desterolir le linge. Cela evitera une concentration de chaleur trop importante dans l'appareil. Pour faire cela, il faut d'abord tourner le cadran sur « O » puis sur « Air froid » puis appuyer sur la touche « Demarrer »
Modification du programme
Pour changer un programme qui est en cours, il faut d'abord l'annuler en tournant le cadran de selection sur « O ». Choiser le nouveau programme et presser la touche Demarrer.
i Conseils de séchage
Avant de charger le linge
Ne jamais passer au sèche-linge ce qui suit : Les éléments particulièrement délicats comme les rideaux maillés, en laine, en soie, en tissu avec des garnitures en métal, en nylon serré, les pieces encourbrantes comme les anoraks, les couvertures, les duvets, les sacs de couchages, les couvettes ou tout autre élément contenant de la mousse de caoutchouc ou matières similaires.
- Il faut toujours suivre les instructions sur les étiquettes des vêtements :

Peut etre passé au sèche-linge

Sechage normal (haute température)

Sechage délicat (basse température)

Ne pas passer au sèche-linge
- Fermez les taies d'oreillers et couvertures à fermeture afin d'éviter que de petits éléments de linge ne se retrouvent emmélés avec. Fermez les boutons-pression, fermetures Eclair, crochets, lacets ou ficelle de tabliers. Triez le linge en fonction du type et du degré de séchage requis.
- Ne pas secher exagérément le linge, cela évitera la formation de faux plis et economisera de l'énergie
- Evitez de secher les vêtements de couleurs sombres avec les éléments de couleur claire et peluchex comme les serviettes, pour éviter demettre des peluches.
- Le linge doit être essore consciencieusement avant d'être passé au sèche-linge.
Conseils de séchage
Méthode d'utilisation
Il faut également brievement essorer les éléments d'entretien facile avant de les sécher.
- Les articles tissés peuvent rétrécir un peu durant le séchage. Veuillez ne pas secher excessivement les articles de ce genre. Il est recommendé de prendre en compte une marge de rétrécissement durant le choix d'achats de nouveaux vêtements.
- Vous pouvez également placer des vêtements amidonnés dans votre sèche-linge. Cependant, pour obtenir l'effet amidonné désiré,CHOISIR le programme « Repassage ». Pour-retirer les résidus d'amidon, nettoyez l'intérieur du tambour après le sèchage avec un chiffon humide puis le frottier au sec.
Pour éviter les charges statiques une fois le séchage terminé, utilisez soit un adoucissant lorsque vous lavez du linge, ou un conditionnéur de tissu spécialement concu pour sèche-linge.
- Retirez le linge lorsque le sèche-linge a accompli le séchage.
Si certains éléments sont toujours humides après le séchage, configurez une durée post-sechage brève, mais d'au moins 30 minutes. Cela sera nécessaire, en particulier pour les éléments à couches multiples (par exemple les cols, les poches, etc.).
Assurez-vous qu'aucun objet en métal ne soit laïssé dans le linge (par exemple les pince à cheveux, les épinges, les broches)
- Boutonnez les taires, fermez les fermétures Eclair, crochets et boutons-pression. Attachez les ceintures ou les longs rubans pour éviter que le linge ne s'emmèle.
- Fermez les fermétures Eclair, boutonnez les draps de duvet et attachez les rubans lâches (par exemple pour les tabliers).
- Retournez les éléments à tissus double couche (par exemple pour un anorak en coton molletonné, la couche en coton doit être à l'extérieur). Ces tissus sécheront alors mistréux.
Charges maximales
Les charges recommendées sont indiquées sur les chartes de programme :
Règles générales :
- Coton, lin : le tambour est complètement rempli, mais pas trop étroitement.
Synthétique : le tambour ne peut, au maximum, être repli que de moitié. - Lainage et tissus délicats : le tambour ne peut, au maximum, être rempli qu'au quart.
Essayez de charger au maximum des capacités de la machine du fait que les petites charges ne sont pas économiques.
Conseils de séchage
Méthode d'utilisation
Poids du linge
| Linge | Poids | Linge | Poids |
| Peignoir | 1200g | Robe de nuit | 200g |
| Serviette de table | 100g | Sous-vêtements | 100g |
| Housse de couette | 700g | Chemise de travail | 600g |
| Draps | 500g | Chemise | 200g |
| Taie d'oreiller | 200g | Pyjama | 500g |
| Nappe | 250g | Blouse | 100g |
| Serviette de bain | 200g | Chiffon | 100g |
Programmes de séchage
Méthode d'utilisation
Programmes de séchage
| Section | Type | Charge Max. | Description du programme | Temps de programme |
| Coton | Extra sec | 6kg | Séchage des peignoirs de bains, serviettes de bains, jeans, vêtements de travail. | 150~170 |
| Très sec | 6kg | Séchage des peignoirs de bains, serviettes de bains, jeans, vêtements de travail. | 140~160 | |
| Standard | 6kg | Séchage des chemises, T-shirts, pantalons en coton. | 130~150 | |
| Humide | 6kg | Pour les lainages, les chemises en coton. | 110~130 | |
| Prêt à repasser | 6kg | Pour les couvertures, le linge de lit, le linge de table, le linge amidonné. | 105~125 | |
| Synthétique | Extra sec | 3kg | Pour les couvertures, les nappes, les textiles synthétiques. | 65~80 |
| Prêt à ranger | 3kg | Pour les textiles synthétiques. | 55~70 | |
| Prêt à repasser | 3kg | Pour les lainages, les chemises. | 45~60 | |
| Minuterie | 30' | 6kg | Tissus multicouches, serviettes de bains, torchons de vaisselles. | 30 |
| 60' | 6kg | Tissus multicouches, serviettes de bains, torchons de vaisselles. | 60 | |
| 90' | 6kg | Tissus multicouches, serviettes de bains, torchons de vaisselles. | 90 | |
| Spécial | Intensif | 3kg | Pour les textiles épais. | 115~135 |
| Fragile | 1.5kg | Pour les textiles délicats. | - | |
| Rafraîchir | 3kg | Pour rafrailchir les textiles. | 60~80 | |
| Air froid | 2kg | Pour rafrailchir ou nettoyer doucement les textiles. | - |
Remarques :
- Le « programme coton - Standard » est le programme le plus ajusté pour secher du linge humide en coton.
- Le temps de séchage réel dépendra de l'environnement local.
Durée pondérée pour le programme de coton standard à pleine charge et à demi-charge : 105.9 min
Durée du programme de coton standard à pleine charge : 133 min
Durée du programme de coton standard à demi-charge : 86 min
Soin et nettoyage
Méthode d'utilisation

Entretien et nettoyage
Vous doivent débrancher l'appareil, avant de pouvoir effectuer tout travail de nettoyage ou d'entretien.

Nettoyage extérieur
Utilisez du savon et de l'eau, puis séchez consciencieusement. Important: ne pas utiliser d'alcool à brûler, de diluants ou produits similaires.

Nettoyage de la porte
Nettoyez périodiquement la partie interne de la porte etsteroler toutes les peluches.Un nettoyage précis assure un sechage correct.


Nettoyage du filtré
Votre sèche-linge ne fonctionnera correctement que si le filtre est propre. Ce filtre collecte toutes les peluches qui s'accumulent durant le séchage et doit par conséquent être nettoyé à la fin de chaque programme, avant de retarder le linge, avec un chiffon humide.

Le cadre doit être retiree pour nettoyage. (Voir image)


Avertissement
Ne pas utiliser l'appareil sans filtré.
Problèmes de fonctionnement
Méthode d'utilisation
Problèmes de fonctionnement
- Certains problèmes sont dus à un manque d'entretien ou de supervision simple, pouvant être facilement résolus sans avoir à appeler un ingénieur. Avant de contacter votre service après-vente, veillez parcourir la liste de vérification ci-dessous.
- Durant le fonctionnement de cette machine, il est possible que lumineux « Démarrer/Pause » clignote pour indiquer que la machine ne fonctionne pas. Une fois que le problème a été éliminé, pressez la touche « Démarrer/Pause » pour redémarrer le programme.
Si après toutes ces vérifications, le problème persiste, veuillez contacter votre service après-vente local.
| Dysfonctionnement | Cause | Solutions |
| Le sèche-linge ne fonctionne pas. | • La prise d'alimentation n'est pas branchée • La porte de chargement est ouverte • Avez-vous pressé la touche « Démarrer/Pause »? | • Brancher le courant. • Fermer la porte de chargement • Presser la touche « Démarrer/Pause » à nouveau. |
| Les résultats de séchage ne sont pas satisfaitsants. | • Le mauvais programme a été choisi. • Le filtrte est obstrué. • Le volume du linge est incorrect. | • Choiser un programme différent au prochain séchage (voir la section « Programmes de séchage ») • Nettoyer le filtrte à linge. • Respecter les volumes de chargement recommends. • L'utilisation de kit de condensation est déconseillée. |
| Le cycle de séchage s'accrête rapidement après le départ du programme. L'indicateur « Fin » s'illumine. | • Pas assez de linge chargeé ou le linge chargeé est trop sec pour le programme choisi. | • Choiser un niveau de séchage (Par exemple Extra sec au lieu de Très sec). |
| Le cycle de séchage durable un temps inhabituellement long. | • Le volume chargeé est trop important. | • Réduire le volume chargeé. |

Si vous étés incapable d'identifier ou de résoudre un problème, contactez notre centre de révision. Avant d'appeler, prendre note du modele, du numero de série et de la date d'achat de votre machine : le service après-vente aura besoin de cette information.
Données techniques
IMPORTANT :
Si vous souhaitez faire appel à un technician pour résoudre l'un des problèmes cités dans la liste ou pour une réparation ayant pour origine une mauvaise utilisation, son intervention vous sera facturée même si l'appareil se trouve encore sous garantie.
Données techniques
| MARQUE | CONTINENTAL EDISON |
| REFERENCE DU MODELE | CESLEE6DD (DV-60Q5E) |
| CAPACITE NOMINALE EN KG DE COTON | 6 |
| CLASSE ENERGETIQUE | C |
| LE SECHE LINGE DOMESTIQUE EST UN SECHE-LINGE A EVACUATION | |
| CONSOMMATION D'ENERGIE ANNUELLE DU PROGRAMME COTON STANDARD | 425kWh |
| CONSOMMATION D'ENERGIE DU PROGRAMME COTON STANDARD EN PLEINE CHARGE | 3.32kWh |
| CONSOMMATION D'ENERGIE DU PROGRAMME COTON STANDARD EN DEMI CHARGE | 2.12kWh |
| CONSOMMATION DE PUISSANCE EN MODE "ARRET" DU PROGRAMME COTON STANDARD EN PLEINE CHARGE | 0.41W |
| CONSOMMATION DE PUISSANCE EN MODE "VEILLE" DU PROGRAMME COTON STANDARD EN PLEINE CHARGE | 0.42W |
| TEMPS MOYEN DE PROGRAMME POUR TOUS LES TESTS | 106min |
| TEMPS MOYEN DE PROGRAMME POUR TOUS LES TESTS STANDARD EN PLEINE CHARGE | 133min |
| TEMPS MOYEN DE PROGRAMME POUR TOUS LES TESTS STANDARD EN CHARGE PARTIELLE | 86min |
| NIVEAU SONORE DU PROGRAMME COTON STANDARD EN PLEINE CHARGE | 68dB(A) |
| TYPE D'INSTALLATION | A POSER |

Il est dangereux d'alterer les specifications ou d'essayer de modifier ce produit de façon quelconque.

Une attention particulière doit être accordée pour s'assurer que l'appareil ne soit pas posé sur un cable d'alimentation électrique.

Tout travail électrique requis pour l'installation de l'appareil doit être effectué par un électricien qualifié ou une personne compétente.
Données techniques

IMPORTANT : L'appareil ne doit pas être intégré.
Déballage
Tous les éléments d'emballage doivent etre retirés avant tout usage de l'appareil.
Vérifiez les accessoires
Ouvrez le sac des accessoires et vérifie les accessoires.
| Accessoires | Nom | Quantité |
| Tuyau de ventilation | 1 | |
| Manuel | 1 |

Si l'appareil doit être déplace, il doit être transporte verticalément.
Installation
Positionnement
Il est recommandé, pour votre comport, que la machine soit positionnée pres de votre machine à laver. Durant le séchage, le sèche-linge expulsera une certaine quantité de chaleur, d'air très humide, qui doit être expulsé de la piece aussi vite que possible pour éviter la condensation. Dans une piece extrémement bien ventilée ou pres d'une fenêtre ouverte, cela survendra naturellement. Cependant, en général, il est préférende évacuer les échéagements dehors via le tuyau de ventilation fourni avec cet apparéil en l'amenant temporairement à une fenêtre ouverte, ou de façon permanente en le fixant à une grille de ventilation, attachée à un mur ou une fenêtre externe.
Le sèche-linge doit être installé dans un endroit propre, ou la saleté ne s'accumule pas. Assurez-vous qu'il n'y ait pas d'objet ou matière obstruant pres des lucarnes d'entrée d'air fournies à l'arrière (par exemple papiers, chiffons, etc.). Pour réduire et maintainir au minumum les vibrations et les bruits lorsque le sèche-linge est en marche, il faut placer celui-ci sur une surface, solide et plane.
L'appareil étant doté de capteurs d'humidité, nous vous déconseillons afin de ne pas perturber son bon fonctionnement d'ajouter un kit de condensation.

Note:
Si le plancher n'est pas régulier, ajuster les pieds réglibres. Ne pas placer de pieces de bois ou d'autres objets sous la base des pieds.
Ajustement du niveau
Lorsque you appuyez sur les bords de la plaque du haut du seche-linge de façon diagonale, la machine ne doit pas du tout bouger (verifiez dans les deux directions). Si la machine bouge lorsque you appuyez sur les bords de la plaque du haut du seche-linge de façon diagonale, ajustez les pieds à nouveau.

- Dévissez les contre-écrous.
- Ajustez les pieds réglables : en tournant à droite pour abaiser le sèche-linge, en tournant à gauche pour le remonter.
- Resserrez les contre-écrous après avoir régle le niveau du sèche-linge.

Les contre-écrous doivent être desserrés après ajustement. Tout desserrement peut provoquer des vibrations et des bruits.

Les pieds ne doivent être pas retirees. Ne pas restreindre l'espace au sol avec des grosses piles de tapis, des plinthes de bois ou autres. Cela peut entraîner une accumulation de la chaleur qui générait le bon fonctionnement de l'appareil.
Installation

IMPORTANT :
L'air chaud émis par le sèche-linge peut atteindre des températures jusqu'à 60^ . Cet apparéil ne doit donc pas être installé sur des sols qui ne sont pas résistant à des températures élevées. Lors de l'utilisation du sèche-linge, la température de la pièce ne doit pas être inférieure à +5^ , du fait que cela pourrait influer sur les performances de l'appareil.

Ajustement du tuyau de ventilation

Pour simplifier l'installation, il y a un besoin possible entre différentes sorties de la station : une à l'arrière, l'autre sur le côte gauche.
Tenez l'extrémité du tube (A), avec la flèche dirigeée en face de la flèche de la sortie d'air de l'appareil. Insérez l'extrémité du tube et vissez-le dans le sens des aiguilles d'une montre. L'orifice de ventilation non utilisé doit être maintainu scelled avec le couvercle à pression (B) fourni.


Conseil
Si le tuyau s'avere trop long et que la températe est basse, l'humidité peut se condenser dans le tuyau. C'est un phénomène naturel et inévitable. Pour éviter de laisser cette eau stagner dans le tuyau ou returner dans le séche-linge, il est recommendé de percer un petit trou (dia. 3mm) au point le plus bas du tuyau et de placer un petit récantient en dessous. (Voir image, point C).
Une fois connecté au séche-linge, faire passer le tuyau de ventilation jusqu'au point de sortie désiré, il ne faut pas qu'il y ait plus de deux courbes. Concemant la sortie elle-même, si vous avez décidé de fixer le tuyau à une grille murale/de fenêtre, un bon fournisseur d'équipement de construction devrait être à même de vous fournir les matérielles et les conseils d'installation nécessaires.

Installation
Il est important de ne pas connecter le tuyau de ventilation, par exemple, à une hotte, une cheminée ou un tuyau à gaz concu pour transporter les émanations d'un apparéil de chauffage.
Il est à noter qu'afin d'éviter les problèmes de condensation, il est essentiel que le sèche-linge soit branché avec le tuyau flexible pour transporter la vapeur au moins au-delà des appeareils de cuisines; de préférence hors de la cuisine.
Afin d'éviter la surchauffe de l'appareil, il est important que la chaleur expulsée ne soit pas obstruée. Si le sèche-linge est placé pres d'appareils de cuisine, assurez-vous que le tuyau de ventilation ne soit pas écrasé. Si le tuyau est partiellement écrasé, l'efficacité de séchage sera diminuée, ce qui entraînera des temps de séchage plus long et une consommation d'énergie plus importante. Si le tuyau est complètement écrasé, le coupe-circuit de sécurité avec lequel la machine est équipée se mettra en marche.
Lors de l'utilisation du sèche-linge, la température de la pièce ne doit pas être inférieure à 5^ , du fait que cela pourrait influer sur les performances de l'appareil.
L'évacuation de l'air ne doit pas se faire via un conduit/carneau servant à évacuer la fumée provenant de la combustion (gaz, essence) des autres apparèils.
Le sèche-linge ne doit être enaucun cas place derrière ou a côté d'une porte. Le sèche-linge doit être place le long d'un mur.

Avertissement
Cet apparéil doit être relié à une prise de terre.
Emboitement
Inversion de la porte
Pour rendre le chargement et le déchargement du linge plus facile, le sens d'ouverture de la porte peut être inversé.
Cette opération doit être réalisée par un professionnel qualifié. Veuillez contactez notre service le plus proche. Cette option est facturable.
- Branchement électrique
Toute opération de branchement électricque pour installer cet apparéil doit être réalisé par un électricien qualifié ou par une personne compétente.
Le fabriquant decline toute responsabilité dans les cas de non-respect des mesures de sécurité.
Avant d'allumer l'appareil, assurez-vous que le taux de voltage de l'alimentation électrique soit le même que celui indiqué sur la plaque signalétique de l'appareil.
Si la prise doit être remplacee pour quelque raison qu'il soit, faites comme decrit ci-dessous.
- Les fils des prises d'alimentation sont colorés en respect du code suivant
Vert et Jaune - Terre
Bleu - Neutre
Marron ou noir - Phase
Les fils colorés en vert et jaune doivent être connectés au terminal marqué de la dette
12 ou par le symbole de terre ou encore coloré en vert et jaune.
Protection de l'environnement

Avertissement
- Une prise sectionnée insérée dans une fiche est un sérieux danger (par chic) à la sécurité.
Assurez-vous que la prise sectionnée soit détruite de façon sure. - Connexion permanente : Dans le cas d'une connexion permanente. Il est nécessaire que vous installiez un interrupteur électrique à deux pôles. L'interrupteur ne doit pas casser le fil de terre jaune ou vert en aucun point.

Matériaux d'emballage
- Les matériaux marqués par le symbole sont recyclables.
PE < = polyéthylène
PS <= polystyrene
PE < = polypropylene
Cela signifie qu'ils peuvent etre recyclés en se débarrassant d'eux dans des conteneurs de collecte appropriés.
Appareils usages
Utilissez des sites de dépôt agrés pour vos apparciels usages. Aidez à maintainir votre pays propre !

Cet apparéil compte le symbole DEEE (Déchet d'Equipement Electrique et Electronique) significant qu'en fin de vie, il ne doit pas êtrejeta aux déchets menagers, mais déposé au centre de tri de la localité. La valorisation des déchets permet de contributor à préserver notre environnement.
PROTECTION DE L'ENVIRONNEMENT - DIRECTIVE 2002/96/CE
Afin de préserver notre environnement et notre santé, l'élimination en fin de vie des apparciels électriques etlectroniques doit se faire selon des régles bien précises et nécessite l'implication de chacun, qu'il soit fournisseur ou utilisateur.

C'est pour cette raison que votre appareil, tel que le signale le symbole apposé sur sa plaque signalétique ou sur l'emballage, ne doit en aucun cas être jeté dans une poubelle publique ou privée destinée aux ordures menagères.
L'utilisateur a le droit de déposer l'appareil dans des lieux publics de collecte procédant à un tri sélectif des déchets pour être soit recyclé, soit réutilisé pour d'autres applications conformément à la directive.
Protection de l'environnement
Le symbole indique un risque d'incendie.
Le linge touché d'essence, de kerosène ou d'huile de cuisson peut prendre feu instantanément, plus spécialement lorsqu'il est exposé à des sources de chaleur comme un sèche-linge. Le linge devient chaud, provoquant une oxydation de la substance. L'oxydation cree de la chaleur. Si la chaleur ne peut pas s'échapper, le linge peut revenir tellement chaud qu'il s'enflamme. Entasser, empiler ou stocker du linge touché par du petrole ou de l'huile peut empêcher la chaleur de s'échapper et ainsi créé un danger de feu. Il est inévitable de placer des vêtements faits de vegétaux ou d'huile de cuisson ou qui ont été contaminé par des produits de soins pour les cheveux, dans le sèche-linge. Il faudrait les laver à l'eau chaude avec un détergent très puissant au préalable – cela réduirait le risque mais ne l'éliminerait pas.

Conseils ecologiques
Pour economiser de l'énergie et pour aider à préserver l'environnement, nous vous recommendons de suivre ces conseils :
- Essayez de charger à la capacité maximale de la machine, du fait que les petites charges ne sont pas économiques.
- Evitez de secher le linge trop longtemps.
- Sélectionnez le programme de séchage en fonction du type de linge et du degré de séchage requis.
- Nettoyez les filtres régulierement pour éviter des temps de séchages excessifs et une consommation d'énergie importante.
- Ventilez bien la pierce. La température de la pierce ne doit pas être inférieure à 5^ .
Conditions de garantie
Ce produit est garantie pour une periode de 1 an a partir de la date d'achat*, contre toute defaillance resultant d'un vice de fabrication ou de materiaiu.
Cette garantie ne couvre pas les vices ou les dommages resultant d'une mauvaise installation, d'une utilisation incorrecte ou de l'usure anormale du produit.
*sur presentation du ticket de caisse.
Conditions de garantie standard
Dans les 12 mois après l'achat de cet apparéil, nous nous engageons à le réparer ou le remplaçer, sans charge de matériel ni de main, si et seulement si :
- L'appareil a ete correctement installe et utilise uniquement avec le courant ectrique precise sur la plaque signaletique de l'appareil.
- L'appareil a ete utilise pour un usage domestique uniquement, en conformite avec les instructions du fabricant.
L'appareil n'a pas ete entretenu, reparé, demonté ou modifie parquelconque personne non autorisée par le fabricant. - Cette garantie est une addition à vos droits.
Cette garantie ne couvre pas
- Les dommages ou problèmes résultat du transport, d'un usage inapproprié ou d'une néligence.
Le remplacement de toutes ampoules ou parties amovibles de plastique ou de verre. - Les apparils déclarés comme étant utilisés dans un environnement commercial, plus ceux qui sont sujets à location.
- Les apparêls de notre usine qui ne sont pas vendus par nos moyens.
REFERENCE: CESLEE6DD (DV-60Q5E)
ALIMENTATION:220-240V\~50Hz
PUISSANCE:2000W
Explication des symboles
| V | Volt | ~ | Courant alternatif | |
| W | Watt | Hz | Hertz | |
| Sécurité testée | Agrée Communauté Européenne | Risque d'incendie | ||
Importé par WESDER SAS
67 bis, rue de Seine
94140 Alfortville
France
Cette notice est aussi disponible sur le site suivant
www.fillony.com
Droits de reproduction réservés
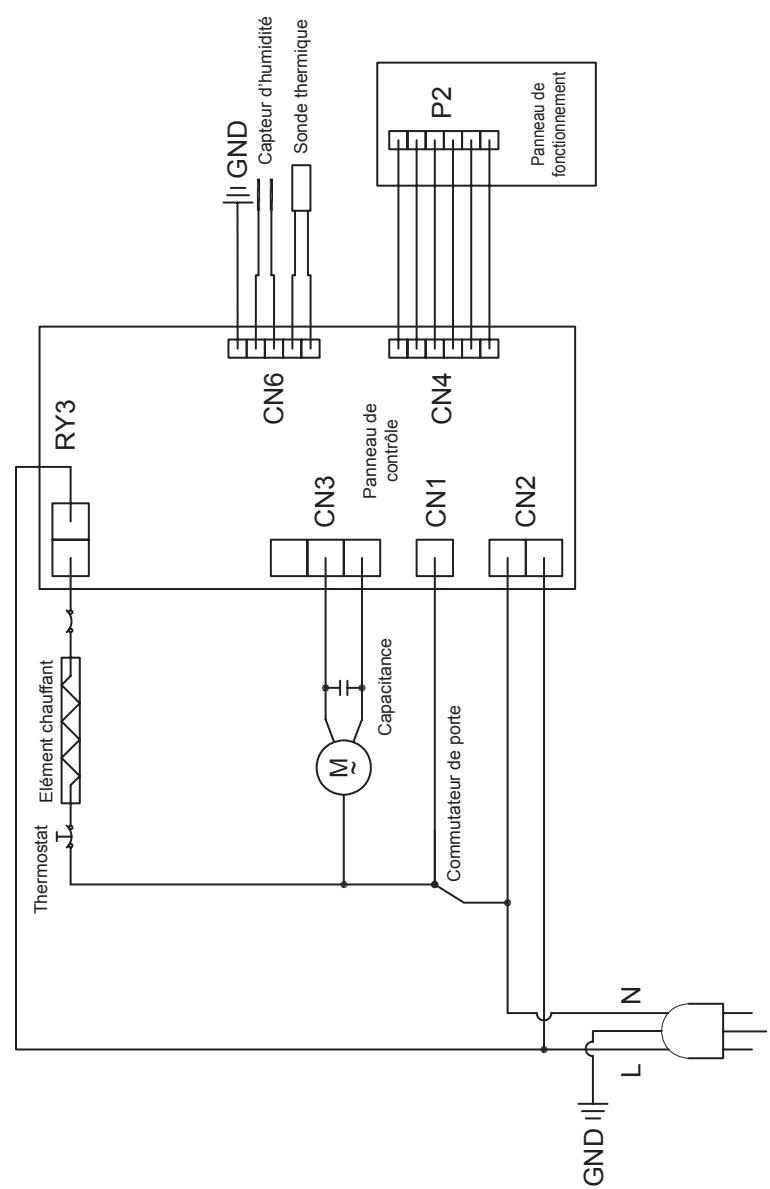
Schéma électrique
Annexes

Notice Facile