VH900JE1 - Lave-vaisselle BRANDT - Notice d'utilisation et mode d'emploi gratuit
Retrouvez gratuitement la notice de l'appareil VH900JE1 BRANDT au format PDF.
| Type d'appareil | Lave-vaisselle |
| Capacité | 12 à 15 couverts |
| Nombre de programmes | 5 à 7 programmes |
| Consommation d'eau | 10 à 15 litres par cycle |
| Consommation énergétique | Classe A à A++ |
| Niveau sonore | 45 à 50 dB |
| Type d'installation | Encastrable ou pose libre |
| Dimensions (HxLxP) | Non précisé |
| Type de séchage | Condensation |
| Type de commande | Électronique avec affichage |
| Protection anti-fuite | Oui |
| Panier supérieur réglable | Oui |
| Départ différé | Oui |
| Matériau intérieur | Acier inoxydable |
| Type de filtre | Auto-nettoyant |
| Alimentation électrique | 230 V / 50 Hz |
FOIRE AUX QUESTIONS - VH900JE1 BRANDT
Questions des utilisateurs sur VH900JE1 BRANDT
Les voyants présents sur le panneau de contrôle de votre lave-vaisselle BRANDT VH900JE1 indiquent différents états et fonctions de l'appareil. Voici comment les interpréter :
- Voyant de mise en marche : Signale que l'appareil est allumé et en fonctionnement.
- Voyant de cycle en cours : Indique que le lave-vaisselle est en train d'exécuter un programme de lavage.
- Voyant de fin de cycle : S'allume lorsque le programme de lavage est terminé et que vous pouvez ouvrir la porte.
- Voyant de sel régénérant : Signale que le niveau de sel adoucisseur est bas et qu'il faut le remplir pour éviter les dépôts calcaires.
- Voyant de liquide de rinçage : Indique que le réservoir de liquide de rinçage est vide et doit être rechargé pour assurer un séchage optimal.
- Voyant d'erreur : Peut clignoter ou s'allumer pour signaler un problème technique, comme un bouchon d'évacuation ou un problème d'arrivée d'eau.
Chaque voyant est généralement accompagné d'un symbole spécifique sur le panneau, ce qui facilite leur identification. En cas de doute sur un voyant particulier, vous pouvez me préciser lequel pour une explication plus ciblée.
Lorsque tous les voyants de votre appareil BRANDT VH900JE1 clignotent simultanément, cela indique généralement un problème technique ou un mode d'erreur. Voici les étapes à suivre pour identifier et potentiellement résoudre ce dysfonctionnement :
1. Vérification de l'alimentation électrique
- Assurez-vous que l'appareil est correctement branché à une prise fonctionnelle.
- Testez la prise électrique avec un autre appareil pour confirmer qu'elle fonctionne bien.
2. Réinitialisation de l'appareil
- Débranchez l'appareil de la prise électrique.
- Patientez environ 5 minutes pour permettre une réinitialisation complète.
- Rebranchez l'appareil et observez si les voyants continuent de clignoter.
3. Identification des codes d'erreur
Si votre appareil affiche un code d'erreur en plus des voyants clignotants, notez-le soigneusement. Ce code peut aider à diagnostiquer précisément la nature du problème.
4. Intervention technique
Si après ces étapes les voyants continuent de clignoter, il est probable qu'une intervention technique soit nécessaire. Dans ce cas :
- Contactez le service après-vente ou le support technique de BRANDT.
- Munissez-vous du modèle et de la référence de l'appareil (VH900JE1) ainsi que des éventuels codes d'erreur relevés.
Ces indications vous permettront d'obtenir une assistance adaptée et de résoudre efficacement le problème.
Téléchargez la notice de votre Lave-vaisselle au format PDF gratuitement ! Retrouvez votre notice VH900JE1 - BRANDT et reprennez votre appareil électronique en main. Sur cette page sont publiés tous les documents nécessaires à l'utilisation de votre appareil VH900JE1 de la marque BRANDT.
MODE D'EMPLOI VH900JE1 BRANDT
- Dimensions d'encastrement 04 Inventaire des pièces livrées 04 Raccordement à l'eau 05 Évacuation des eaux usées 06 Raccordement électrique 07
- Encastrement dans la niche 08
- Mise à niveau par le réglage des pieds 08 Montage du panneau de porte (Habillage un seul tenant) 09 Montage du panneau de porte (Habillage en deux parties) 10 Fixation dans la niche 11 Appareil encastré sous une table de cuisson 12
- Joints phoniques 11 Équilibrage de la porte (droite et gauche) 11 Remontage de la plinthe 12 Tableau pour découpe de la plinthe 12
Important :
Veuillez lire attentivement ce guide d'installation afin de respecter les consignes de mise en place et de montage de votre appareil.
Ce guide d'installation est valable pour plusieurs modèles. De légères différences de détails et d'équipements peuvent apparaître entre votre appareil et les descriptions figurant dans ce guide.
Important :
Important : Après déballage, vérifiez que votre appareil n'ait pas subi de dégâts pendant le transport. Ne branchez jamais un appareil endommagé. Si votre appareil est endommagé, adressez-vous à votre revendeur.
Danger :
DANGER : Dans le cas d'un mauvais fonctionnement de l'appareil, débranchez l'appareil (retirez la prise) ou coupez le circuit concerné et fermez le robinet d'arrivée d'eau. Prenez contact avec notre service après-vente.
Important :
Tous les travaux électriques et hydrauliques nécessaires à l'installation de l'appareil doivent être réalisés par un électricien et un plombier qualifiés.
- Assurez-vous, après avoir installé votre appareil, que celui-ci ne repose pas sur le câble d'alimentation ou sur les tuyaux d'arrivée et de vidange des eaux.
- Pendant toute l'installation, l'appareil doit être maintenu débranché du secteur.
- Vérifiez que le circuit de mise à la terre de votre installation électrique est conforme à la réglementation en vigueur.
- Les données de branchement électrique indiquées sur la plaque signalétique de votre appareil et celles du secteur doivent correspondre.
Important :
Pour votre sécurité, ne laissez pas la porte de votre lave-vaisselle entièrement ouverte après utilisation.
Au cas où l'installation de votre lave-vaisselle se fait sur un sol moquetté, veillez à régler les pieds afin de laisser un espace d'aération sous l'appareil.
Installation de votre lave-vaisselle
| P1 | 3 | Couilles de patin |
| P2 | 1 | Plaque anti-buée autocollante |
| P3 | 1 | Joint mousse d'insonération |
| P4 | 1 | Clé de réglage patin avant |
| P5 | 2 | Joints phoniques + autocollants de fixation (si besoin) |
| P6 | 2 | Vis inférieur de positionnement du panneau |
| P7 | 2 | Vis de fixation du panneau |
| P8 | 6 | Vis de fixation du panneau |
| P9 | 2 | Vis fixation de l'appareil au meuble |
| P10 | 1 | Collier de raccord vidange |
| P11 | 1 | Joint phonique |
Raccordement à l'eau
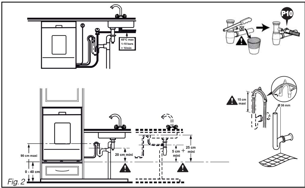
Ce lave-vaisselle peut être alimenté en eau froide ou chaude jusqu'à 60°C maximum. Pour une alimentation en eau chaude, vérifiez que votre tuyau d'origine permet le raccordement (marquage rouge sur le tuyau).
Nous vous recommandons cependant un raccordement à une arrivée d'eau froide.
Votre appareil est équipé d'un tuyau d'alimentation d'une longueur de 1,50 m.
Branchez le tuyau à un robinet à nez filtré, d'un diamètre de 20/27 (3/4" BSP).
Contrôlez que la pression de l'eau d'alimentation n'excède pas les valeurs ci-dessous :
Débit : 10 l/min (1 l/min minimum).
Pression : 1 bar à 10 bar (0,1 - 1 MPa).
Dans le cas d'une pression élevée, veuillez prévoir un régulateur de pression. Notre service des Eaux vous renseignera sur la pression des eaux de votre région.

Attention :
Si vous utilisez un robinet auto-perçant,
ceur, vérifiez que le débit d'eau est suffisant. Vérifiez la présence du joint d'étanchéité et le bon serrage du raccord.
N'utilisez pas pour le raccordement de tuyaux déjà employés précédemment.
Évitez toute pliure et/ou étranglement du tuyau qui pourrait empêcher ou ralentir le passage de l'eau, en particulier au moment d'encastrer l'appareil sous le plan de travail.
Si l'appareil est branché à des conduites neuves ou n'ayant pas été utilisées depuis un certain temps, laissez couler l'eau pendant quelques minutes avant de brancher le tuyau d'arrivée d'eau. Vous éviterez ainsi que des dépôts de sable ou de rouille puissent obstruer le filtre placé dans le tuyau d'arrivée d'eau.


DANGER : Le symbole vous indique que l'appareil est équipé d'un dispositif électrique permettant de couper l'arrivée d'eau (selon modèle). Ne laissez pas ce tuyau dans l'eau, ne le coupez pas.

Conseil : Tout raccordement sur une canalisation d'eau entraîne obligatoirement un risque de fuite, quelles que soient les précautions prises. Aussi, fermez toujours le robinet d'arrivée d'eau lorsque vous n'utilisez pas l'appareil.

Évacuation des eaux usées : fig. 2
Vous pouvez raccorder l'extrémité du tuyau d'évacuation soit :
- Sur un siphon ventilé
- Sur un siphon d'évier
Lors d'un raccordement sur un siphon, vous devez retirer l'obturateur du siphon. Emmanchez ensuite l'embout en caoutchouc à fond. Ajoutez un collier de serrage P10.
Vous pouvez augmenter la longueur du tuyau de vidange (3 m maximum). Dans ce cas, vérifiez que la vidange est correcte. Le tuyau doit reposer au sol et ne monter à la verticale qu'à proximité du système de vidange.
Pour les appareils installés en colonne, le système de vidange ne doit pas dépasser le dessus du lave-vaisselle et se situer à 20 cm minimum par rapport au bas de l'appareil.

Conseil :
Veillez à bien maintenir le tuyau de vidange au moyen d'un lien afin d'éviter toute inondation.
Le branchement pour l'évacuation doit se trouver à une hauteur comprise entre 0,40 m (minimum) et 0,90 m (maximum) du sol.
Veillez à respecter la dimension maximum d'emmanchement de la canne de vidange dans le tuyau du siphon.

Important :
Lors de la mise en place du tuyau, tirez progressivement afin de ne pas le plier. Évitez toute pliure ou étranglement du tuyau qui pourrait empêcher ou ralentir l'écoulement de l'eau.

Raccordement électrique
L'appareil doit être à l'arrêt au moment du branchement sur le circuit électrique.
Avant de brancher votre appareil, assurez-vous que :
- La tension du secteur indiquée sur la plaque signalétique de votre appareil correspond à la tension du secteur fournie par votre installation.
- Notre compteur et les fusibles doivent pouvoir supporter l'intensité de votre lave-vaisselle. Un fusible de 10 Ampères minimum est nécessaire.
Si vous devez brancher votre appareil à une tension d'alimentation différente de celle indiquée sur votre appareil, connectez un transformateur approprié.

Conseil :
Faites appel à un électricien qualifié pour faire les modifications ou assurez-vous de la conformité de votre installation électrique.
Cet appareil doit obligatoirement être raccordé directement à une prise de courant comportant une borne de mise à la terre.
Dans tous les cas, le branchement doit répondre aux normes en vigueur dans le pays concerné, ainsi qu'aux prescriptions supplémentaires de la Compagnie d'Électricité.
Attention :
La prise de courant doit rester accessible même après l'installation de votre appareil.
L'appareil ne doit pas être raccordé à l'aide d'une rallonge électrique, d'une prise multiple ou d'un programmateur électrique différé.

Notre responsabilité ne saurait être engagée en cas d'accidents ou d'incidents provoqués par une mise à la terre inexistante ou défectueuse.
Votre lave-vaisselle est conforme aux directives européennes 73/23/CEE (Directive basse tension), 89/336/CEE (Compatibilité électromagnétique) modifiées par la directive 93/68/CEE.
Danger : pour vous
Pour votre sécurité, cette opération doit impérativement être effectuée par le service après-vente du fabricant ou par une personne habilitée de qualifications similaires afin d'éviter tout danger.
Danger : Les fils d'alimentation
Les fils du câble d'alimentation de votre appareil sont colorés d'après les codes suivants :
- Vert et jaune
- Bleu
- Marron
Neutre
Phase
Dans le cas où les couleurs du câble ne correspondent pas à votre prise de courant, procédez comme suit : Le fil de couleur vert et jaune de votre prise de courant marqué de la lettre E, du symbole ou de couleur vert et jaune.
Le fil de couleur bleu marqué de la lettre N ou de couleur noire.
Le fil de couleur marron lettre L ou de couleur rouge.
Installation de votre lave-vaisselle
- ENCASTREMENT DANS LA NICHE
Collez l'anti-buée (Fig. 3.1). Collez la mousse d'encastrement (Fig. 3.1). Clippez les trois coupelles sous les patins pour faciliter le glissement du lave-vaisselle (Fig. 3.1).
Dans le cas d'un plan de travail en marbre ou matériau similaire, vous devez fixer le lave-vaisselle par des vis latérales ; pour ceci, avant la mise en niche, dépliez une patte de chaque côté des panneaux latéraux (Fig. 3.2).
- Retirez les supports tuyaux (Fig. 3.3). Glissez l'appareil, ATTENTION de ne pas plier les tuyaux.



- MISE À NIVEAU PAR LE RÉGLAGE DES PIEDS
Les pieds avant sont réglables, ajustez-les si nécessaire à l'aide de la clé fournie. Le pied central est réglable à l'aide de la molette rouge. (visseuse avec douille de 8, clé à pipe de 8 ou tournevis torx T20).
Une bonne mise à niveau est nécessaire pour une parfaite fermeture et étanchéité de la porte (Fig. 4).
Assurez-vous que la porte du lave-vaisselle se ferme correctement, sans frottements latéraux.

Montage du panneau de porte (Habillage en un seul tenant)
bas du panneau de porte du meuble adjacent (cote B, Fig. 5.1).
- Mesurez la distance entre le sol et le marquage au bas du panneau de porte (cote A)
- Calculez la cote **D = A - B**, tracez un trait à la cote **D** à l'a
- Positionnez les deux emplacements de vis à 262 mm de l'axe du panneau bois. Mettre les 2 vis (Fig. 5.2)
- Positionnez votre panneau de porte en engageant les 2 vis dans les trous de la porte du lave-vaisselle (Fig. 6.1)
- Si vous rencontrez un problème de vissage,
- Plaquez le panneau bois sur la porte (Fig. 6.2).
- Ouvrez la porte du lave-vais atéralement si besoin par rapport au bandeau. Mettez les 2 vis F7 et les 4 vis R (Fig. 6.2).

Attention :
Si le panneau de bois est très dur, veillez à faire un avant-trou avant le vissage.

Conseil :
Si votre appareil est livré avec une feuille d'isolation phonique, la coller avant l'installation du panneau de porte.




Montage du panneau de porte (Habillage en 2 parties)
- , voir le chapitre précédent " un seul tenant)" (Fig. 5.1 et 5.2).
- de la porte du lave-vaisselle (Fig. 6.1 bis).
- Si problème de vissage,
- Plaque le panneau bois sur la porte (Fig. 6.2 bis).
- Ouvrez la porte du lave-vais atéralement si besoin par rapport au bandeau. Mettez les 4 vis (Fig. 6.2 bis).
- Mesurez la distance entre le tiroir et le panneau de porte du meuble adjacent (Fig. 6.3).
- e (à l'aide d'une cale de bonne épaisseur).
- Ouvrez la porte du lave-vais éralement si besoin par rapport au panneau de porte. Mettez les 2 vis (Fig. 6.4).

Attention :
Si le panneau de bois est très dur, veillez à percer un avant-trou avant le vissage.

Attention :
Le poids total du panneau de porte et des tiroirs ne doit pas excéder 10 kg.





Danger :
Si votre plan de travail est équipé d'une table de cuisson située au-dessus de votre lave-vaisselle, il est impératif de rajouter une isolation thermique sur le dessus de votre lave-vaisselle. Vous pouvez vous procurer cet ensemble d'isolation auprès de votre revendeur. Pensez à aménager un espace entre le tuyau de gaz et le dessus de votre lave-vaisselle.
Fixation dans la niche
Fixez votre lave-vaisselle à l'aide des vis sous le plan de travail (voir Fig. 7) ou par les pattes que vous avez dépliées (Fig. 3.2).

Attention :
La vis fournie est prévue pour un panneau d'épaisseur minimum de 16 mm. Si l'épaisseur est inférieure à 16 mm, changez de vis ou raccourcissez-la.
Joints phoniques
Pour une meilleure insonorisation de l'appareil encastré, installez les joints d'insonorisation (selon modèle). (P5 Fig.8)
Éventuellement, dans le cas d'une niche plus grande, collez le joint à l'aide des adhésifs fournis.
Si l'appareil est fixé latéralement, il faut, à la pose des joints, échancrer le talon des joints pour le passage des pattes de fixation (tenailles).
Équilibrage de la porte (droite et gauche)
Ajustez la tension des ressorts, si nécessaire, pour compenser le poids du panneau d'habillage. Réglez de manière identique à droite et à gauche (Fig. 9).
La porte est correctement équilibrée si elle ne retombe pas lourdement à l'ouverture et si elle reste horizontale en position ouverte.



Remontage de la plinthe
Remontez la plinthe en la découpant si nécessaire suivant la cote P (voir tableau et Fig. 10.1).
Calcul de la cote P (Tableau en dernière page) :
- Reprenez la cote B de la Fig. 51, mesurez le jeu J entre le sol et le dessous du lave-vaisselle. Calculez B - J.
- Mesurez la cote de profondeur de plinthe E (Fig. 10.1) entre la plinthe du meuble et la façade du meuble. Relevez la valeur P dans le tableau en fonction de E et de B - J.
(ex. : Si E = 100 et B - J = 140, alors P = 23).
- Sur une largeur de 600 mm, découpez la plinthe sur une hauteur égale à la valeur de P.
Dans le cas d'une plinthe spécifique pour le lave-vaisselle, vous pouvez vous procurer auprès du SAV un kit (32X3252) de fixation indépendant. Dans ce cas, la hauteur de la plinthe sera H = B - P (Fig. 10.2).


Tableau pour découpe de la plinthe
| Hauteur de découvert P = | |||||||||||||
| B-J-E | 10 | 15 | 20 | 25 | 30-75 | 80 | 85 | 90 | 95 | 100 | 105 | 110 | 115 |
| 170 | 46 | 49 | 51 | 52 | 54 | 52 | 50 | 47 | 44 | 41 | 36 | 30 | 23 |
| 165 | 42 | 45 | 47 | 48 | 50 | 48 | 46 | 43 | 40 | 37 | 32 | 27 | 20 |
| 160 | 39 | 41 | 43 | 45 | 46 | 44 | 42 | 40 | 37 | 33 | 29 | 24 | 17 |
| 155 | 35 | 38 | 40 | 41 | 43 | 40 | 39 | 36 | 34 | 30 | 26 | 21 | 15 |
| 150 | 32 | 35 | 37 | 38 | 40 | 37 | 36 | 34 | 31 | 28 | 24 | 19 | 13 |
| 145 | 30 | 32 | 34 | 36 | 37 | 35 | 33 | 31 | 29 | 25 | 22 | 17 | 12 |
| 140 | 28 | 30 | 32 | 33 | 35 | 32 | 31 | 29 | 26 | 23 | 20 | 16 | 11 |
| 135 | 26 | 28 | 30 | 31 | 32 | 30 | 29 | 27 | 24 | 22 | 18 | 14 | 10 |
| 130 | 24 | 26 | 28 | 29 | 30 | 28 | 27 | 25 | 23 | 20 | 17 | 13 | 9 |
| 125 | 23 | 24 | 26 | 27 | 29 | 27 | 25 | 23 | 21 | 19 | 16 | 12 | 8 |
| 120 | 21 | 23 | 25 | 26 | 27 | 25 | 24 | 22 | 20 | 18 | 15 | 11 | 8 |
| 115 | 20 | 22 | 23 | 24 | 26 | 24 | 22 | 21 | 19 | 17 | 14 | 11 | 7 |
| 110 | 19 | 21 | 22 | 23 | 24 | 22 | 21 | 20 | 18 | 16 | 13 | 10 | 7 |
| 105 | 18 | 20 | 21 | 22 | 23 | 21 | 20 | 19 | 17 | 15 | 12 | 10 | 6 |
| 100 | 17 | 19 | 20 | 21 | 22 | 20 | 19 | 18 | 16 | 14 | 12 | 9 | 6 |
| 95 | 16 | 18 | 19 | 20 | 21 | 19 | 18 | 17 | 15 | 13 | 11 | 9 | 6 |
| 90 | 16 | 17 | 18 | 19 | 20 | 18 | 17 | 16 | 15 | 13 | 11 | 8 | 6 |
| 85 | 15 | 16 | 17 | 18 | 19 | 18 | 17 | 15 | 14 | 12 | 10 | 8 | 5 |
| 80 | 14 | 15 | 17 | 17 | 18 | 17 | 16 | 15 | 13 | 12 | 10 | 8 | 5 |
Notice Facile