DEVILLE

DMC 24 CF 24 KW - Chaudière gaz DEVILLE - Notice d'utilisation et mode d'emploi gratuit

Retrouvez gratuitement la notice de l'appareil DMC 24 CF 24 KW DEVILLE au format PDF.

📄 60 pages PDF ⬇️ Français FR 💬 Question IA 10 questions 🖨️ Imprimer
Notice DEVILLE DMC 24 CF 24 KW - page 3
Assistant notice
Powered by ChatGPT
En attente de votre message
Informations produit

Marque : DEVILLE

Modèle : DMC 24 CF 24 KW

Catégorie : Chaudière gaz

Type d'appareilChaudière murale gaz instantanée
AlimentationGaz naturel ou propane
InstallationMurale
Type de chauffageInstantané
UtilisationChauffage et eau chaude sanitaire
Contrôle de températureThermostat intégré
AffichageÉcran digital
Type de brûleurBrûleur à gaz modulant
RendementÉlevé, conforme aux normes CE
DimensionsCompacte, adaptée aux espaces réduits
PoidsNon précisé
ÉmissionsFaibles émissions polluantes
SécuritéDispositifs de sécurité intégrés
MaintenanceFacile d'accès pour entretien
GarantieNon précisé
NormesConforme CE

FOIRE AUX QUESTIONS - DMC 24 CF 24 KW DEVILLE

Quel est le type de combustible utilisé par le DEVILLE DMC 24 CF ?
Le DEVILLE DMC 24 CF utilise du bois comme combustible.
Quelle est la puissance nominale du DEVILLE DMC 24 CF ?
La puissance nominale du DEVILLE DMC 24 CF est de 24 kW.
Comment nettoyer le poêle DEVILLE DMC 24 CF ?
Pour nettoyer le poêle, il est recommandé d'enlever les cendres après chaque utilisation et de nettoyer les vitres avec un produit adapté au nettoyage des poêles.
Quelle est la capacité de chauffage du DEVILLE DMC 24 CF ?
Le DEVILLE DMC 24 CF est capable de chauffer des espaces allant jusqu'à 240 m², selon l'isolation de l'habitat.
Comment régler la température sur le DEVILLE DMC 24 CF ?
La température peut être réglée en ajustant l'air primaire et secondaire à l'aide des manettes situées sur le devant du poêle.
Est-ce que le DEVILLE DMC 24 CF nécessite un conduit de cheminée ?
Oui, le DEVILLE DMC 24 CF nécessite un conduit de cheminée pour évacuer les fumées.
Quelle est la fréquence de l'entretien du DEVILLE DMC 24 CF ?
Il est conseillé d'effectuer un entretien annuel par un professionnel pour assurer le bon fonctionnement et la sécurité de l'appareil.
Que faire si le poêle ne s'allume pas ?
Vérifiez que le combustible est sec, que les entrées d'air ne sont pas obstruées et assurez-vous que le conduit de cheminée est dégagé.
Comment augmenter l'efficacité du DEVILLE DMC 24 CF ?
Pour augmenter l'efficacité, utilisez du bois bien sec, maintenez le poêle propre et assurez-vous que le tirage est correct.
Quels sont les accessoires compatibles avec le DEVILLE DMC 24 CF ?
Les accessoires compatibles incluent des grilles, des cendriers et des kits de nettoyage spécifiques pour les poêles à bois.

Téléchargez la notice de votre Chaudière gaz au format PDF gratuitement ! Retrouvez votre notice DMC 24 CF 24 KW - DEVILLE et reprennez votre appareil électronique en main. Sur cette page sont publiés tous les documents nécessaires à l'utilisation de votre appareil DMC 24 CF 24 KW de la marque DEVILLE.

MODE D'EMPLOI DMC 24 CF 24 KW DEVILLE

Instantanées DMC 24 DMV 24 NOTICE Installateur / Utilisateur / Chauffagiste

Conformité du produit

CARACTERISTIQUES TECHNIQUES Données techniques

Dimensions d’encombrement 5-6 Vue d’ensemble des chaudières

Diagramme du circulateur

Schéma hydraulique de principe

INSTALLATION (technicien qualifié) Avertissement général

Fixation de la chaudière

Branchements électriques

Raccordements des conduits de fumées ventouse

Montage des diaphragmes d’air réglables

Règlage des diaphragmes d’air réglables

MISE EN SERVICE (technicien qualifié) Avertissements généraux

Remplissage de l’installation de chauffage

Mise en service de la chaudière

INDEX Pages REGLAGE DE LA CHAUDIERE (technicien qualifié) Tableau des paramètres

Programmation des paramètres

Réglage des pressions gaz

Tableau des données / pressions gaz

Transformation du type de gaz

ENTRETIEN (technicien qualifié) Avertissements généraux

Contrôle de l’appareil

Accès à la chaudière

Anomalies de fonctionnement

Avertissements généraux

Allumage de la chaudière, modes de fonctionnement, réglage températures

Remplissage de l’installation

Diagnostic – Codes d’erreur

Avertissements généraux L’installation de l’appareil doit se faire en conformité suivant les normes en vigueur, selon les instructions du constructeur et par du personnel professionnellement qualifié. Par personnel professionnellement qualifié, on désigne le personnel ayant les connaissances techniques en matière d’installation et d’entretien des composants de système de chauffage et de production d’eau chaude sanitaire de type civil et industriel. La mise en service de la chaudière et tout type d’intervention successive sur l’appareil doivent être effectués par un Centre d’Assistance Technique autorisé par la société DEVILLE THERMIQUE S.A., sous peine d’annulation de la garantie (voir certificat de mise en service). ATTENTION : Cet appareil devra être destiné à l’usage pour lequel il a été expressément construit : le chauffage et la production d’eau chaude sanitaire. Toute autre utilisation est à considérer impropre et par conséquent dangereuse. Le constructeur décline toute responsabilité aux termes du contrat et en dehors de ce dernier pour tout dommage causé aux personnes et aux biens par des erreurs d’installation ou d’usage, et dans tous les cas de non observation des normes nationales et locales en vigueur et des instructions données par le constructeur lui-même. Le manuel d’installation, usage et entretien constitue une partie intégrante et essentielle du produit et doit toujours être fourni avec l’appareil. Conserver ce manuel avec soin pour toute consultation future. En cas de vente de l’appareil ou de transfert de propriété à une autre personne, en cas de déménagement par exemple et si l’appareil reste dans l’immeuble où il a été installé, s’assurer que ce manuel reste avec l’appareil à la disposition du nouveau propriétaire et/ou de l’installateur. Les avertissements contenus dans ce chapitre sont destinés aussi bien à l’utilisateur qu’au personnel qui sera chargé de l’installation et de l’entretien du produit. L’utilisateur trouvera les informations concernant le fonctionnement et les limites d’utilisation d’usage dans ce manuel au chapitre « Instructions pour l’utilisateur » dont nous recommandons vivement la lecture. Cet appareil doit être utilisé exclusivement avec un système de chauffage central fermé muni d’un vase d’expansion. ■ Après avoir ôté tout emballage, s’assurer de l’intégrité du produit. En cas de doute, ne pas utiliser l’appareil et s’adresser au fournisseur. Aucun emballage (boîte en carton, bois, clous, agrafes, sachets en plastique, polystyrène expansé, etc.) ne doit être laissé à la portée des enfants car tout emballage constitue une source potentielle de dangers. ■ Avant d’effectuer toute opération de nettoyage ou d’entretien, débrancher l’appareil du réseau électrique en agissant sur l’interrupteur de l’installation et/ou au moyen des organes d’interruption spécifiques. ■ Ne pas obstruer les grilles d’aspiration ou d’évacuation. ■ Ne pas obstruer les embouts des conduits d’aspiration et/ou d’évacuation. ■ En cas de panne et/ou de mauvais fonctionnement de l’appareil, il convient de l’arrêter et de s’abstenir de tout essai de réparation ou d’intervention directe. S’adresser exclusivement à un personnel professionnellement qualifié. ■ Toute éventuelle réparation du produit doit être effectuée exclusivement par un centre d’assistance technique autorisé par le constructeur et en utilisant exclusivement des pièces détachées d’origine. Le non-respect des clauses ci-dessus peut compromettre la sécurité de l’appareil. Pour garantir la sécurité de l’appareil et son bon fonctionnement, il est indispensable que l’entretien périodique soit effectué par du personnel professionnellement qualifié s’engageant à respecter les indications du constructeur. ■ Si on décide de ne plus utiliser l’appareil, il faudra rendre inutilisables les parties susceptibles de représenter des sources potentielles de danger. ■ Pour tout appareil livré avec des options ou des kits (y compris les kits ou options électriques), seuls des accessoires originaux devront être utilisés.

INFORMATIONS GENERALES ■ En cas de décèlement de fuite de gaz dans les locaux où est installé l’appareil, ne pas actionner les interrupteurs électriques, téléphones ou tout autre appareil pouvant provoquer des étincelles. Ouvrir immédiatement les portes et les fenêtres pour créer un courant d’air. Fermer le robinet général du gaz (au compteur) ou la bonbonne de gaz, et demander l’intervention du service d’assistance technique. ■ S’abstenir d’intervenir personnellement sur l’appareil. ■ Les installations de chauffage munies de vannes thermostatiques doivent être équipées d’un by-pass. ■ Selon les normes en vigueur, ces appareils doivent être exclusivement installés par du personnel qualifié qui devra se conformer aux normes et mises à jour successives, ainsi qu’aux dispositions émanant des pompiers et de l’entreprise locale fournissant le gaz. Avant la mise en marche de la chaudière, il convient de contrôler que l’appareil est bien branché au réseau d’eau et au système de chauffage qui doivent être conformes aux prestations de la chaudière. Les locaux devront être aérés au moyen d’une prise d’air (voir Normes en vigeur). ■ L’air indirect provenant de locaux adjacents peut être utilisé dans la pièce à condition que la pression soit inférieure à la pression externe et qu’il n’y ait pas de cheminée à feu de bois ni de VMC. En cas de montage externe de la chaudière, par ex. : sur un balcon ou terrasse, s’assurer que cet espace n’est pas sujet aux agents atmosphériques afin d’éviter tout dommage aux composants, et l’annulation de la garantie que cela pourrait entraîner. Dans ce cas, il est conseillé de construire un espace thermique protégeant la chaudière des intempéries. ■ Vérifier que les données techniques reportées sur l’emballage et sur la plaque signalétique de la chaudière correspondent et que la chaudière est équipée pour fonctionner avec le gaz raccordé. ■ S’assurer que les tuyaux et les raccordements sont en parfait état d’étanchéité et qu’il n’y a aucune fuite de gaz. ■ Nous conseillons d’effectuer un nettoyage des tuyaux afin de retirer tout résidu pouvant compromettre le bon fonctionnement de la chaudière. ■ On peut vraiment parler de sécurité électrique de l’appareil uniquement quand celui-ci est correctement branché à la terre et de façon satisfaisante et efficace, conformément aux normes en vigueur concernant la sécurité. ■ Il faut vérifier que cet aspect fondamental de la sécurité soit satisfait. En cas de doute, demander un contrôle soigné de l’installation électrique par du personnel professionnellement qualifié, puisque le constructeur ne peut être tenu responsable pour tout dommage causé par le manque de mise à la terre de l’appareil. ■ Faire vérifier par du personnel professionnellement qualifié que l’installation électrique est adaptée à la puissance maximum absorbée par l’appareil, reportée sur la plaque signalétique ; et s’assurer en particulier que le diamètre des câbles de l’installation est suffisante pour la puissance absorbée par l’appareil. ■ Aucun adaptateur, prise multiples et/ou rallonges ne sont autorisés pour le branchement électrique de l’appareil. ■ Pour le branchement au réseau, il convient de prévoir un interrupteur bipolaire ayant une distance d’ouverture d’au moins 3 mm, conformément aux normes de sécurité en vigueur. ■ L’utilisation de tout composant faisant recours à l’énergie électrique comporte l’application de quelques règles fondamentales, telles que : ■ Ne pas toucher l’appareil avec les parties du corps mouillées ou humides et/ou pieds nus. ■ Ne pas tirer sur les câbles électriques. ■ Ne pas laisser l’appareil exposé aux agents atmosphériques (pluie, soleil, etc.) à moins que cela ne soit expressément prévu. ■ Interdire l’utilisation de l’appareil aux enfants et aux personnes peu expertes. ■ Le câble de l’alimentation de l’appareil ne doit pas être remplacé par l’utilisateur. ■ En cas de câble endommagé, arrêter l’appareil, et, pour son remplacement, contacter exclusivement un personnel professionnellement qualifié. ■ En cas de non utilisation de l’appareil pendant un certain temps, il convient de couper l’alimentation électrique générale de la chaudière.

INFORMATIONS GENERALES Conformité du produit La société DEVILLE THERMIQUE S.A. déclare que les chaudières DMC 24 – DMV 24 sont fabriquées dans les règles de l’art et qu’elles ont obtenu la certification CE. Les chaudières DMC 24 – DMV 24 sont en outre conformes aux directives suivantes : DIRECTIVE GAZ 90/396/CEE pour la conformité CE

DIRECTIVE COMPATIBILITE ELECTROMAGNETIQUE 89/336/CEE

Les matériaux utilisés tel le cuivre, le laiton, l’acier inox, créent un ensemble homogène et compact, mais surtout fonctionnel, facile à installer et simple à utiliser. De part sa simplicité, la chaudière murale est fournie avec tous les accessoires aux normes nécessaires pour en faire une vraie centrale thermique indépendante, aussi bien pour le chauffage domestique que pour la production d’eau chaude sanitaire. Toutes les chaudières sont soumises à des essais et sont accompagnées de certificat de qualité délivré par la personne chargée d’effectuer les essais ainsi que d’un certificat de garantie. Lire attentivement ce manuel, le conserver avec soin, et le laisser toujours à la disposition de l’utilisateur de la chaudière. La société DEVILLE THERMIQUE S.A ne pourra être tenue responsable de la non observation des instructions contenues dans le présent manuel ni des conséquences de toute intervention n’y étant pas spécifiquement décrite.

INFORMATIONS GENERALES CARACTERISTIQUES TECHNIQUES Données techniques DMC 24 DMV 24

3/4” M 3/4” M 1/2” M 1/2” M 3/4 ”M 3/4” M 3/4” M 1/2” M 1/2” M 3/4” M Modèles Certification CE Catégorie Type Débit calorifique nominal Débit calorifique minimal Puissance nominale Puissance minimale Rendement thermique à 100% Pn Rendement thermique à 30% Marquage rendement énergétique (Directive 92/42/CEE) Circuit de chauffage Température chauffage – Plage de réglage Température max. de service Capacité vase d’expansion installation Pression max. de service circuit chauffage Pression min. de service circuit chauffage Circuit sanitaire Température sanitaire – Plage de réglage Pression max. de service circuit sanitaire Pression min. dynamique circuit sanitaire Prélèvement continu eau mélangée avec t 30° Dimensions Largeur Hauteur Profondeur Poids Raccordements hydrauliques Entrée Retour Eau froide Eau chaude Raccord du gaz à la chaudière Raccordement du conduit d’évacuation des fumées Système coaxial horizontal Longueur max. coaxiale horizontale Système coaxial vertical Longueur max. coaxiale verticale Diamètre conduit Hauteur minimum conduit Alimentation gaz Méthane G20 - Gaz naturel Pression d’alimentation Débit combustible Méthane G25 - Gaz naturel Pression d’alimentation Débit gaz Propane G31 Pression d’alimentation Débit gaz Caractéristiques électriques Alimentation électrique Puissance électrique absorbée Degré de protection électrique

INFORMATIONS GENERALES Hauteur (kPa) Diagramme du circulateur : débit (l/h) / hauteur manométrique (kPa) Débit (l/h) Puissance disponible de pompe fonctionnant à vitesse max Perte pression de chaudière Schéma hydraulique de principe LEGENDE

INFORMATIONS GENERALES Carte électronique DIGITECH® série SM 20020 Caractéristiques techniques Réglages pour les techniciens

Température standard / réduite Protection anti coup de bélier Temporisation Chauffage (0-7,5 min) Temporisation Post-Circulation Chauffage Puissance chauffage mini Puissance chauffage maxi Réglages pour l’utilisateur Réglage Température Chauffage (30-80°C) – (25-40°C) Réglage Température Sanitaire (35-60°C) Fonction Été/ Hiver /Été- Hiver Affichage Alarme blocage chaudière Pression eau normale Sécurité manque d’eau Température Lorsque la chaudière est éteinte au moyen du bouton poussoir marche/arrêt situé sur le tableau de commande, l’écran affiche « OFF » et le système anti-gel reste actif sur le chauffage à la condition que la chaudière reste alimentée en gaz et électricité. Si la chaudière était en fonctionnement, elle s’éteint et les fonctions de post-ventilation, post-circulation, anti-blocage de la pompe et la vanne à trois voies restent actives. Le contrôle à distance, s’il est branché, reste actif et allumé. Tableau de commande LEGENDE COMMANDES

TOUCHE Si sonde extérieure raccordée : En chauffage = température eau chauffage Appui sur 4 = affichage température extérieure Puis en restant appuyé 5 secondes = température eau sanitaire Si pas de sonde extérieure : En chauffage = température eau chauffage Appui sur 4 = affichage de 2 tirets Puis en restant appuyé 5 secondes = température eau sanitaire Idem si chaudière en mode sanitaire

MISE EN SERVICE (technicien qualifié) INSTALLATION (technicien qualifié) Avertissement général - L’installation et la première mise en service de la chaudière, les branchements en eau, gaz et électricité doivent être réalisés par un installateur qualifié conformément aux règle de l’art et aux normes en vigueur. Déballage ■ Il est conseillé de déballer la chaudière peu avant son installation. La Société ne répond pas des dommages causés à la chaudière en cas de conservation incorrecte du produit. ■ L’emballage est réalisé à partir de matériaux recyclables individuellement. ■ Les éléments de l’emballage (sachets en plastique, polystyrène expansé, clous, etc.) ne doivent pas être laissés à la portée des enfants car ils constituent des sources potentiels de danger. Explications fig.1 A. Placer la chaudière emballée sur le sol suivant schéma.

Ôter les agrafes pour ouvrir le carton. B. Basculer le carton verticalement en maintenant la chaudière. C. Retirer le carton et les protections.

Fixation de la chaudière

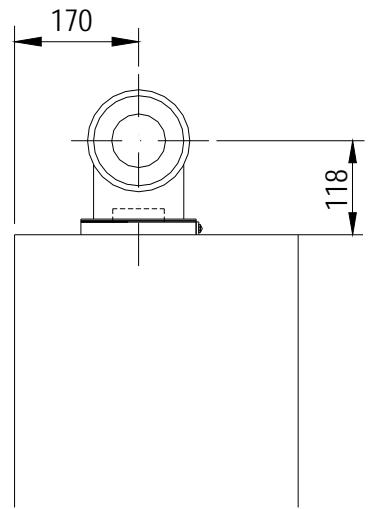
L’appareil doit être installé exclusivement sur un mur vertical et solide qui en supporte le poids. Pour pouvoir accéder à l’intérieur de la chaudière et effectuer les opérations d’entretien, il convient de respecter les distances minimum indiquées dans la fig. 2.

MISE EN SERVICE (technicien qualifié) Raccordements hydrauliques S’assurer que les tuyaux pour l’eau et le chauffage ne soient pas utilisés comme prise de terre pour l’installation électrique. Ils ne sont absolument pas adaptés à cet usage.

est recommandé nettoyer l’installation (à l’aide d’un produit désembouant) pour éliminer les impuretés provenant des tuyaux et des radiateurs (en particulier les résidus huileux ou gras) afin de préserver l’échangeur et le circulateur. Pour éviter vibrations et bruits dans les installations, ne pas employer de tuyaux de petits diamètres, de coudes à angle réduit et éviter les réductions de diamètre trop importantes.

Circuit sanitaire La pression de l’eau froide en entrée doit être comprise entre 1 et 6 bar.

RETOUR CHAUFFAGE Ø3/4” M Il est indispensable d’installer un réducteur de pression en amont de la chaudière si la pression d’alimentation est superieure à 6 bar.

ALIMENTATION GAZ Ø3/4” M La fréquence de nettoyage du serpentin d’échange sanitaire dépend de la dureté de l’eau d’alimentation et de la présence de résidus solides ou d’impuretés se trouvant souvent dans les nouvelles installations. En fonction des caractéristiques de l’eau d’alimentation, il est conseillé d’installer des appareils spécifiques pour le traitement de l’eau, alors que pour la présence d’éventuels résidus, il est conseillé d’installer un filtre en amont.

Ø1/2” M Circuit de chauffage Relier la soupape de sécurité du circuit chauffage à une évacuation. La société Deville Thermique n’est pas responsable de toute éventuelle inondation due à l’ouverture du clapet de sécurité en cas de surpression de l’installation. EAU FROIDE DEPART EAU CHAUDE RETOUR GAZ

MISE EN SERVICE (technicien qualifié) Raccordement gaz Le branchement doit être réalisé par du personnel professionnellement qualifié conformément aux normes en vigueur. Avant d’effectuer l’installation de la chaudière, vérifier les points suivants : ■ La tuyauterie doit avoir un diamètre adapté à sa longueur et au débit gaz de la chaudière ; elle doit également être équipée de tous les dispositifs de sécurité et de contrôle conformément aux normes en vigueur. ■ La fourniture de gaz doit être conforme aux normes et dispositions en vigueur. ■ Contrôler l’étanchéité interne et externe de l’installation d’entrée du gaz. ■ Installer un robinet de coupure du gaz en amont de la chaudière. ■ La tuyauterie d’alimentation du gaz doit avoir un diamètre supérieur ou égal à celui de la chaudière. ■ Avant l’allumage, vérifier que l’appareil soit bien alimenté par le type de gaz pour lequel il a été prévu (voir la plaque signalétique du type de gaz située à l’intérieur de la chaudière). ■ La pression de l’alimentation du gaz doit être comprise entre les valeurs reportées sur la plaque signalétique (voir la plaque signalétique du type de gaz située à l’intérieur de la chaudière). ■ Avant l’installation de l’appareil, il est nécessaire de s’assurer que le tuyau du gaz ne contienne pas de résidus. ■ La transformation gaz pour passer du gaz méthane au G.P.L. (et inversement) doit être effectuée par du personnel qualifié selon les normes en vigueur. N.B. Le branchement au gaz doit se faire au moyen d’un joint plat dont la taille et le matériau de construction sont adaptés au type de gaz fourni à la chaudière. Il est interdit d’utiliser du chanvre, du ruban en téflon ou autre de même nature.

MISE EN SERVICE (technicien qualifié) Branchements électriques Avertissements généraux ■ Le branchement doit être réalisé par du personnel professionnellement qualifié conformément à la réglementation en vigueur. ■ La chaudière fonctionne avec du courant alternatif de 230 V et 50 Hz et une puissance absorbée électrique maximum de 125 W. le branchement au réseau électrique doit être effectué au moyen d’un disjonteur différentiel adapté. Il faut impérativement respecter la polarité phase/neutre de ce branchement, dans le cas contraire la chaudière se mettra en défaut (voir éventuellement le schéma électrique générale de la chaudière) ■ L’appareil doit être raccordé à la terre suivant les normes de sécurité en vigueur (voir normes C15-100) ; il faut absolument vérifier que cette condition fondamentale de sécurité soit garantie. En cas de doute, faire contrôler l’ installation électrique par du personnel professionnellement qualifié, le constructeur ne pourra être tenu responsable de tout dommage éventuel causé par un manque de mise à la terre de l’installation. ■ Faire vérifier par du personnel professionnellement qualifié que l’installation électrique est adaptée à la puissance maximum absorbée par l’appareil, selon les indications reportées sur la plaque signalétique, en prêtant une attention particulière au diamètre des câbles qui doit être adapté à la puissance absorbée de l’appareil. ■ L’utilisateur ne doit en aucune façon remplacer le câble d’alimentation de l’appareil. En cas de dommage du câble, éteindre l’appareil, et, pour son remplacement, s’adresser exclusivement à du personnel professionnellement qualifié. ■ En cas de remplacement du câble électrique d’alimentation, utiliser exclusivement des câbles ayant les mêmes caractéristiques (HO5 VV-F 3x1) et un diamètre extérieur maximum de 1.5 mm. L’utilisation de tout composant électrique comporte l’application de quelques règles fondamentales, telles que : ■ ne pas toucher l’appareil avec des parties du corps mouillées et/ou humides et/ou à pieds nus ; ■ ne pas tirer sur les câbles électriques ; ■ ne pas laisser l’appareil exposé aux agents atmosphériques (pluie, soleil, etc.) à moins que cela ne soit expressément prévu ; ■ ne pas permettre que l’appareil soit utilisé par des enfants ou des personnes non expertes ; Accès aux branchements du tableau de commande Pour accéder aux branchements électriques du tableau de commandes, procéder comme suit (fig.3): retirer le panneau avant (voir paragraphe “Accès à la chaudiere“ page 38)

saisir simultanément les équerres du tableau de commandes et en les écartant (1), ouvrir le panneau en le faisant tourner vers le bas (2) dévisser les quatre vis capot (3) et retirer le

MISE EN SERVICE (technicien qualifié) Alimentation électrique Brancher les câbles au bornier se trouvant à l’intérieur du tableau de commande de la façon suivante :

Couper l’alimentation avec le bouton poussoir marche/arrêt

Câble de terre : de couleur jaune/vert à la borne portant le symbole de la terre “

Câble de neutre : de couleur bleu clair à la borne portant la lettre “N”

Câble de phase : de couleur marron à la borne reportant la lettre “L”

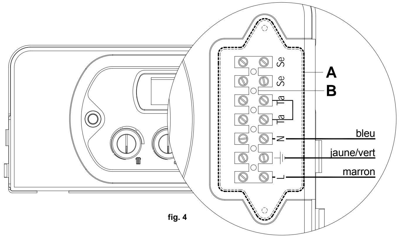
Les bornes marquées : Retirer le panneau avant de la chaudière Dévisser les vis et retirer le couvercle A (voir fig.4) Une fois le couvercle retiré, effectuer les branchements suivants sur le bornier B :

Ta Ta Se Se Après cette opération, remonter le couvercle et le panneau avant.

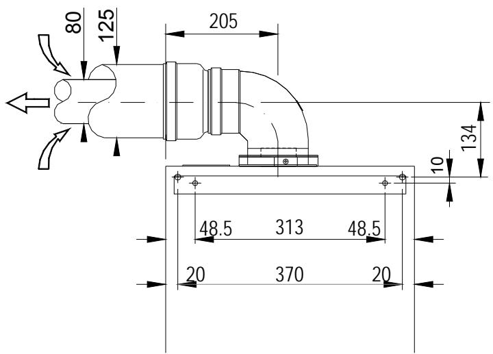
marron MISE EN SERVICE (technicien qualifié) Raccordements des conduits de fumées ventouse Avertissements généraux sur l’installation des conduits ■ Afin de garantir un fonctionnement parfait et une efficacité totale de l’appareil, il est indispensable de raccorder l’évacuation des fumées de la chaudière en utilisant les accessoires d’origine, spécifiques pour chaudières à ventouse. ■ En cas d’évacuation horizontale : le conduit coaxial (évacuation-aspiration) doit dépasser du mur extérieur de 18mm minimum permettant de positionner la rosace et d’éviter ansi les infiltrations d’eau. ■ La position du conduit doit respecter une pente minimum descendante vers l’extérieur de 1 cm par mètre de longueur. N.B. Il n’est pas possible d’utiliser les accessoires traditionnels de raccordement d’évacuation des fumées des chaudières à ventouse traditionnelle pour des chaudières à condensation et vice versa. Voir configurations et schémas d’évacuation des fumées pages 17-18-19-20.

MISE EN SERVICE (technicien qualifié) Implantation des terminaux de ventouse Pour l’implantation des terminaux ventouse, se conformer en tout état de cause aux normes en vigueur (DTU 61.1.P4) Exemples de distances minimales à respecter pour la mise en place des terminaux de ventouse (en mètres) Se référer au DTU 61.1 P4.

Sous un rebord de toit ou une gouttière

De tubes d’évacuation verticaux ou horizontaux

D’un angle de bâtiment

D’un mur en angle rentrant

Du sol avec terminal sans protection / avec protection (grille) *

Entre deux terminaux verticaux

Entre deux terminaux horizontaux

D’une haie ou plantation

  • Les terminaux débouchant directement sur une voie de circulation extérieure doivent être munis de déflecteur inamovible conférant aux produits de combustion évacués une direction la plus parallèle au mur possible. Les terminaux doivent être placés sur les murs extérieurs du bâtiment tout en respectant les distances minimales reportées dans le tableau ci-dessus. Il est indispensable de garantir que les gaz de combustion sortant de la ventouse ne soient pas refoulés dans le bâtiment ou dans un autre bâtiment adjacent par des ventilateurs, fenêtres, portes, infiltrations naturelles d’air ou climatiseurs. Si un de ces cas devait se vérifier, éteindre immédiatement la chaudière et appeler l’installateur.

Système d’évacuation des fumées coaxial horizontal Ø 60/100 orientable à 360°. Il permet d’évacuer les fumées et de prendre de l’air depuis le mur extérieur. Il est adapté uniquement aux chaudières à ventouse. Il permet d’évacuer les gaz de combustion et d’aspirer l’air pour la combustion au moyen de deux conduits coaxiaux, un conduit exterieur Ø100 pour l’aspiration de l’air et un conduit interieur Ø60 pour l’évacuation des fumées. Ce conduit peut évacuer les fumées directement à l’extérieur (sauf règlement local contraire) ou peut être raccordé à un conduit de fumée collectif. (3 CE) LONGUEUR MAXIMUM D’EVACUATION : 6 m. La longueur maximum d’évacuation (ou développement linéaire de référence) s’obtient en ajoutant la mesure des tubes linéaires et l’équivalent de chaque coude supplémentaire. Par développement linéaire de référence on désigne la longueur totale des tubes d’évacuation depuis le raccordement de l’appareil sur la chambre étanche à l’exclusion du premier coude. Pour chaque coude supplémentaire, il faut ajouter comme suit : coude Ø60/100 à 90° = 1 m coude Ø60/100 à 45° = 0,5 m

Système d’évacuation des fumées coaxial horizontal Ø 125/80. Il permet l’évacuation les fumées et la prise d’air du mur externe. Il est adapté uniquement pour les chaudières à ventouse. Il permet d’évacuer les gaz de combustion et d’aspirer l’air pour la combustion au moyen de deux conduits coaxiaux, un conduit extérieur Ø125 pour l’aspiration de l’air et un conduit intérieur Ø80 pour l’évacuation des fumées. Ce conduit peut évacuer les fumées directement à l’extérieur, sauf réglements locals, ou peut être raccordé à un conduit de fumée collectif (3CE). LONGUEUR MAXIMUM D’ÉVACUATION : 16 m La longueur maximum d’évacuation (ou développement linéaire de référence) s’obtient en ajoutant la mesure des tubes linéaires et l’équivalent de chaque coude supplémentaire. Par développement linéaire de référence, on désigne la longueur totale des tubes (évacuation + aspiration) depuis le raccordement de l’appareil sur la chambre étanche à l’exclusion du premier coude. Pour chaque coude supplémentaire, il faut ajouter comme suit : coude Ø125/80 à 90° = 1.0 m coude Ø125/80 à 45° = 0,5 m

THERMIQUE (Les fiches techniques de réglage se trouvent dans les kits fumées). MISE EN SERVICE (technicien qualifié) Evacuation coaxiale verticale – KIT

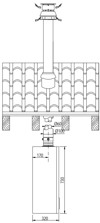
Système d’évacuation des fumées de type coaxial Ø 125/80. Permet d’évacuer les fumées et crée une prise d’air directe du toit. Il est adapté uniquement aux chaudières à ventouse. Il permet d’évacuer les gaz de combustion et d’aspirer l’air pour la combustion au moyen de deux conduits coaxiaux, un conduit extérieur Ø125 pour l’aspiration de l’air et un conduit intérieur Ø80 pour l’évacuation des fumées. LONGUEUR MAXIMUM D’EVACUATION : 16 m. La longueur maximum d’évacuation (ou développement linéaire de référence) s’obtient en ajoutant la mesure des tubes linéaires et l’équivalent de chaque coude supplémentaire. Par développement linéaire de référence on désigne la longueur totale des tubes d’évacuation depuis le raccordement de l’appareil sur la chambre étanche à l’exclusion du premier coude. Pour chaque coude supplémentaire, il faut ajouter comme suit : coude Ø80/125 à 90° = 1 m coude Ø80/125 à 45° = 0,5 m max. 16 m N.B.: POUR L’EVACUATION DES FUMEES ET L’ASPIRATION D’AIR, MONTER UNIQUEMENT DES

Système d’évacuation des fumées de type coaxial Ø 100/60. Permet d’évacuer les fumées et crée une prise d’air directe du toit. Il est adapté uniques chaudières à ventouse. il permet d’évacuer les gaz de combustion et d’aspirer l’air pour la combustion au moyen de deux conduits coaxiaux, un conduit extérieur Ø100 pour l’aspiration de l’air et un conduit intérieur Ø60 pour l’évacuation des fumées. LONGUEUR MAXIMUM D’EVACUATION : 6 m. La longueur maximum d’évacuation (ou développement linéaire de référence) s’obtient en ajoutant la mesure des tubes linéaires et l’équivalent de chaque coude supplémentaire. Par développement linéaire de référence on désigne la longueur totale des tubes (évacuation + aspiration) depuis le raccordement de l’appareil sur la chambre étanche à l’exclusion du premier coude. Pour chaque coude supplémentaire, il faut ajouter comme suit : coude Ø60/100 à 90° = 1,0 m coude Ø60/100 à 45° = 0,5 m max. 6 m N.B.: POUR L’EVACUATION DES FUMEES ET L’ASPIRATION D’AIR, MONTER UNIQUEMENT DES

MISE EN SERVICE (technicien qualifié) Montage des diaphragmes d’air réglables

Système coaxial (coaxial horizontal ou coaxial vertical) Les diaphragmes d’air réglables pour le système coaxial doivent être montés sur la flasque d’inspection des fumées. Pour le montage, procéder comme suit (voir fig.5) :

nettoyer la surface de la flasque d’inspection des fumées

placer le joint en néoprène en prenant soin de faire coïncider les trous pré-découpés du joint avec ceux de la flasque d’inspection des fumées

placer les diaphragmes réglables dans l’ordre suivant : d’abord le diaphragme inférieur avec l’échelle graduée, puis le diaphragme supérieur avec l’indice de référence

ajouter le coude ou le raccord coaxial selon le système coaxial d’évacuation adopté

fixer le tout au moyen des vis auto-taraudeuses fournies avec le kit fumées

terminer l’installation du système d’évacuation des fumées N.B. : Ne serrer à fond les vis qu’après avoir réglé les diaphragmes (voir pages 22-23).

MISE EN SERVICE (technicien qualifié) Réglage des diaphragmes

INDEX GRADUE DISQUE INFERIEUR LONGEUR D’EVACUATION (Développe linéaire de référence) chaudière DMV 24 de 0.5 à 2 m Pre-decoupes de 2 à 3 m de 3 à 5 m Retirer tous les prédécoupages N.B.: LES ELEMENTS PRE-DECOUPES SONT PRESENTS

DANS I DIAPHRAGMES SUPERIEUR ET INFERIEUR

de 5 à 6 m DIAPHRAGME SUPERIEUR Retirer tous les prédécoupages LONGEUR MAXIMALE D’EVACUATION DIAPHRAGME INFERIEUR

MISE EN SERVICE (technicien qualifié)

INDEX GRADUE DISQUE INFERIEUR LONGEUR D’EVACUATION (Développé linéaire de référence) chaudière DMV 24 de 0.5 à 1 m Pre-decoupes de 1 à 3 m de 3 à 5 m N.B.: LES ELEMENTS PRE-DECOUPES SONT PRESENTS

DANS I DIAPHRAGMES SUPERIEUR ET INFERIEUR

de 5 à 6 m DIAPHRAGME SUPERIEUR de 6 à 7 m de 7 à 9 m DIAPHRAGME INFERIEUR de 9 à 10 m Retirer tous les prédécoupages de 10 à 12 m Retirer tous les prédécoupages de 12 à 14 m Retirer tous les prédécoupages de 14 à 16 m Pas de diaphragmes LONGEUR MAXIMALE D’EVACUATION 16 m

MISE EN SERVICE (technicien qualifié) MISE EN SERVICE (technicien qualifié) Avertissements généraux Les opérations décrites ci-après doivent être effectuées par du personnel professionnellement qualifié conformément aux dispositions des normes en vigueur. La chaudière sort de l’usine après des réglages et des essais réalisés avec le gaz méthane ou G.P.L. Durant la phase du premier allumage, il faut vérifier que les données reportées sur la plaque signalétique correspondent bien au type de combustible qui l’alimente. A la fin des opérations de remplissage et de réglage, vérifier le serrage des vis des prises des pressions mesurées. Il faut également vérifier qu’il n’y a pas de fuite de gaz sur le circuit gaz, aussi bien dans la chaudière qu’en amont de celle ci. Dans le cas d’une nouvelle installation Gaz, l’air se trouvant dans la tuyauterie pourrait empêcher l’allumage de la chaudière dès le premier essai de mise en service. Dans ce cas, effectuer plusieurs essais d’allumage afin de purger l’air de la canalisation gaz. Opérations préliminaires A la mise en service de la chaudière il convient de contrôler son installation, réglage et fonctionnement, et en particulier : ■ S’assurer que le type du gaz soit le même que celui pour lequel la chaudière a été essayée et réglée (voir plaque signalétique). ■ Vérifier que les autres données reportées sur la plaque signalétique correspondent également (électricité, eau). ■ Vérifier la tension d’alimentation de 230 V – 50 Hz ainsi que la polarité phase/neutre , s’assurer que l’appareil ait une bonne mise à la terre. ■ Vérifier l’étanchéité de l’alimentation gaz. ■ Ouvrir le robinet du gaz de la chaudière et vérifier l’absence de fuite depuis les raccordements en amont de la chaudière (vérifier le raccordement du gaz au brûleur quand la chaudière fonctionne). ■ Vérifier que la capacité de l’installation de fourniture de gaz soit compatible avec la puissance nécessaire à la chaudière et que cette fourniture comprenne tous les dispositifs de sécurité et de contrôle prescrits par les normes en vigueur. ■ Vérifier que l’adduction de l’air comburant et l’évacuation des fumées et des condensats soient conformes aux normes nationales et locales en vigueur. ■ Vérifier que les ouvertures d’aération/ventilation permanentes soient présentes et de dimensions adéquates selon les normes s’appliquant aux appareils installés. ■ Vérifier que le conduit d’évacuation des fumées soit bien raccordé au conduit principal et que l’ensemble soit conforme aux normes nationales et locales s’appliquant aux appareils installés. ■ Vérifier que la système d’évacuation des fumées soit parfaitement étanche. ■ Contrôler qu’il n’y ait pas de liquides ou de matériaux inflammables à proximité de la chaudière. ■ S’assurer que toute éventuelle vanne placée sur l’installation de chauffage soit ouverte.

MISE EN SERVICE (technicien qualifié) Remplissage de l’installation de chauffage Afin de prévenir la formation de dépôts calcaires et tout dommage à l’échangeur sanitaire, l’eau d’alimentation sanitaire ne doit pas présenter une dureté inférieure à 10°fr et supérieure à 25°fr. Dans tous les cas, il est conseillé de contrôler les caractéristiques de l’eau et d’installer tout dispositif nécessaire au traitement de l’eau. Pour remplir l’installation, utiliser uniquement de l’eau propre du réseau. Après avoir effectué les raccordements hydrauliques, fermer le robinet du gaz et procéder au remplissage de l’installation comme suit :

contrôler que le circulateur ne soit pas bloqué ;

contrôler que le bouchon du purgeur du circulateur soit légèrement desserré pour permettre à l’air de sortir (fig.7) ;

ouvrir le robinet général d’entrée de l’eau sanitaire ;

ouvrir également le robinet de remplissage R (fig.8) ;

dévisser le bouchon du circulateur pour éliminer toute éventuelle bulle d’air et le refermer dès que l’eau en sort ;

purger le corps de chauffe de la chaudière à l’aide du purgeur situé en haut à gauche du corps de chauffe en dévissant légèrement le purgeur ; le refermer après la purge d’air ;

ouvrir les purgeurs des radiateurs et contrôler le processus d’élimination de l’air. Fermer les purgeurs des radiateurs dès que de l’eau en sort

au moyen du manomètre M (fig.8), contrôler que la pression de l’installation soit de 1 bar et que le code H20 n’apparaisse pas sur l’écran du tableau de commande;

si après les opérations décrites plus haut, on relève une baisse de pression, ouvrir à nouveau le robinet de remplissage R jusqu’à ce que la pression du manomètre indique 1 bar et que le code H20 disparaisse de l’écran du tableau de commande ;

fig. 8 à la fin de cette opération, s’assurer que le robinet de remplissage R soit bien fermé.

MISE EN SERVICE (technicien qualifié) Mise en service de la chaudière Une fois le remplissage effectué, procéder comme suit :

Contrôler que rien n’obstrue le conduit d’évacuation des fumées et que ce dernier soit bien branché au système d’évacuation des fumées (modèle DMC 24) ou que le conduit ventouse soit bien étanche (modèle DMV 24). Vérifier en priorité que le type de gaz alimentant la chaudière soit conforme au type de gaz indiqué sur la plaque signalétique de la chaudière (G20, G25, G31). Si tel n’est pas le cas, procéder à la transformation gaz (voir page 36).

Effectuer un contrôle de la pression gaz d’alimentation à l’aide d’un manomètre gaz :

mettre la chaudière en position arrêt (OFF) à l’aide du bouton poussoir 1.

ouvrir la prise de pression C (voir fig.9) du bloc gaz et y relier le manomètre.

ouvrir le robinet du gaz.

allumer la chaudière en appuyant sur le bouton poussoir n°1 et vérifier la pression d’alimentation gaz (G20 : 20 mbar – G25 : 25 mbar – G31 : 37 mbar).

arrêter la chaudière en appuyant sur le bouton poussoir 1(OFF).

fermer le robinet gaz, enlever le manomètre et fermer la prise de pression C (voir fig.9).

Procéder aux vérifications et réglages des paramètres (voir pages 27 à 34).

Appuyer sur le bouton poussoir 1 pour démarrer la chaudière.

Appuyer sur le bouton 6 pour sélectionner le mode ÉTÉ / HIVER.

Le système d’allumage automatique allumera le brûleur et par défaut, répétera l’opération 3 fois. Si la chaudière n’est toujours pas allumée à la fin de ces essais, affichage défaut E 01. Purger la canalisation gaz et répéter l’opération d’allumage. Pour répéter l’opération d’allumage, attendre environ trois minutes entre chaque essai, puis réarmer la chaudière avec le bouton poussoir 1 et répéter l’opération.

MISE EN SERVICE (technicien qualifié)

REGLAGE DE LA CHAUDIÈRE

Tableau des paramètres N° de paramètre Désignation paramètre P00 Sélection du type de gaz P01 Sélection de la température de départ chauffage P02 Protection anti-coup de bélier Temporisation chauffage (anti court cycle brûleur) P03 P04 Temporisation post-circulation pompe en mode chauffage Valeur de réglage Fonction de réglage Préréglage usine DMC 24 Préréglage usine DMV 24

naturel (méthane) G20 - G25

standard : 30°C à 80°C basse température: 25°C à 40°C

activée valeur 36 soit 3 min valeur 36 soit 3 min permet de choisir le temps d'arrêt du brûleur entre chaque arrêt et le démarrage suivant (anti court cycle réglable de 0 à 7,5 min) valeur 36 soit 3 min valeur 36 soit 3 min permet de modifier de 0 à 7,5 min la durée de post circulation de la pompe en mode chauffage si commande par thermostat ambiance

Pré réglé à 29 Pré réglé à 29 00 à 90 00 à 90 valeur exprimée en pas de 5 secondes exemple : 90(maxi) X 5 secondes = 450 secondes soit 7,5 minutes valeur exprimée en pas de 5 secondes exemple : 90(maxi) X 5 secondes = 450 secondes soit 7,5 minutes Réglage puissance mini mécanique Réglage puissance chauffage mini Réglage puissance chauffage maxi

Pré réglé à 29 Pré réglé à 29 Du mini gaz P06 jusque 99

Activation carte de gestion des zones

P05 P06 P07 P10 Activation de la commande téléphonique désactivée activée désactivée activée 00 = radiateurs 01 = plancher chauffant si protection activée, temporisation de 2 secondes avant activation flussostat voir abaque de réglage pression gaz (puissance chaudière) voir abaque de réglage pression gaz (puissance chaudière) voir abaque de réglage pression gaz (puissance chaudière REMARQUES :

En cas d’installations thermiques avec plusieurs zones, il est nécessaire installer une carte supplémentaire d’interface (en option, fournie séparément) sur la carte électronique et porter le paramètre P09 sur la valeur 01. Pour installer la commande téléphonique, il est nécessaire d’effectuer un branchement au moyen de conducteurs non polarisés en parallèle avec la commande à distance et mettre la valeur du paramètre de P10 à 01.

ENTRETIEN (technicien qualifié) Programmation des paramètres Pour modifier les valeurs pré-réglées des paramètres selon le tableau précédent, il faut accéder au menu de réglage des paramètres selon la procédure suivante :

1. Appuyer sur le bouton poussoir 1 pour obtenir

l’affichage « OFF ». OFF

2. Appuyer simultanément et maintenir les

touches « » et « » puis appuyer sur le bouton poussoir 1; attendre que « PL » s’affiche. P 00

3. Relâcher les touches « » et « ».

« P 00 » s’affiche alors (« P » clignotant et « 00 » fixe).

4. Appuyer et maintenir la touche « S » appuyée.

P 00 reste affiché fixe. Sélectionner le paramètre à modifier au moyen des touches « » et « » (paramètres P00 à P10). P 00

5. Une fois le paramètre choisi affiché, relâcher

la touche “S” (affichage « P » clignotant et numéro de paramètre fixe). Appuyer à nouveau sur la touche « S » et relâcher : l’afficheur visualisera la valeur du paramètre à modifier (affichage « + valeur du paramètre »). P 01

ENTRETIEN (technicien qualifié) Régler le paramètre en suivant la procédure décrite dans les pages suivantes. Pour entrer dans le menu de programmation des paramètres, suivre la procédure décrite ci-dessus (pas 1-5). Paramètre 00 – Sélection du type de gaz

6. Agir sur les touches «

» ou « » pour modifier la valeur du paramètre : 00 = Méthane 01 = GPL

7. Appuyer et relâcher la touche « S » pour confirmer. Le

numéro du paramètre P 00 (« P » clignotant et « 00 » fixe) s’affiche sur l’écran.

8. Pour régler un autre paramètre si besoin, réitérer les

étapes 4 et 5 (voir page 28). P00

Paramètre 01 – Réglage de la température du circuit de chauffage

6. Agir sur les touches «

» ou « » pour modifier la valeur du paramètre : 00 = standard (30-80°C) 01 = réduite (25-40°C) pour plancher chauffant

7. Appuyer et relâcher la touche « S » pour confirmer. Le

numéro du paramètre P 01 (« P » clignotant et « 01 » fixe) s’affiche sur l’écran.

8. Pour régler un autre paramètre si besoin, réitérer les

étapes 4 et 5 (voir page 28). P01

ENTRETIEN (technicien qualifié)

Paramètre 02 – Protection anti-coup de bélier

6. Agir sur les touches «

» ou « » pour modifier la valeur du paramètre : 00 = off 01 = on

7. Appuyer et relâcher la touche « S » pour confirmer. Le

numéro du paramètre P 02 (« P » clignotant et « 02 » fixe) s’affiche sur l’écran.

8. Pour régler un autre paramètre si besoin, réitérer les

étapes 4 et 5 (voir page 28).

Paramètre 03 – Temporisation chauffage (anti court cycle brûleur)

6. Agir sur les touches «

» ou « » pour modifier la valeur du paramètre comprise entre les valeurs limites : 00 = 0 x 5” = 0” 90 = 90 x 5” = 450” (7,5 min) La valeur par défaut est 36 = 180’’ = 3 min.

7. Appuyer et relâcher la touche « S » pour confirmer. Le

numéro du paramètre P 03 (« P » clignotant et « 03 » fixe) s’affiche sur l’écran.

8. Pour régler un autre paramètre si besoin, réitérer les

étapes 4 et 5 (voir page 28).

6. Agir sur les touches «

» ou « » pour modifier la valeur du paramètre comprise entre les valeurs limites : 00 = 0 x 5” = 0” 90 = 90 x 5” = 450” (7,5 min) La valeur par défaut est 36 = 180’’ = 3 min.

7. Appuyer et relâcher la touche « S » pour confirmer. Le

numéro du paramètre P 04 (« P » clignotant et « 04 » fixe) s’affiche sur l’écran.

8. Pour régler un autre paramètre si besoin, réitérer les

étapes 4 et 5 (voir page 28).

ENTRETIEN (technicien qualifié) REGLAGE DES PRESSIONS GAZ (PARAMETRES) Paramètre 05 – Réglage pression gaz mini mécanique Toutes les chaudieres sont pré-réglées en usine avec une pression gaz minimum mécanique de 1,7/1,8 mbar (DMV 24) et 2,2 mbar (DMC 24) pour le gaz naturel G20. A la mise en service, et obligatoirement en cas de remplacement de la vanne gaz, contrôler cette pression mini gaz à l’aide d’un manomètre à raccorder à la prise de pression B.

Effectuer les opérations suivantes pour vérifier cette pression :

1) ouvrir le robinet gaz

2) agir sur la vis D de la vanne gaz (mini mécanique)

- tourner la vis D dans le sens horaire jusqu'à arriver en butée - dévisser la vis D de 3 tours

3) mettre la valeur du paramètre P05 à 00 (voir page 28)

- agir sur la touche « » pour mettre la valeur du paramètre à 00 - appuyer et relâcher la touche « S » pour confirmer. Le numéro du paramètre P 05 (« P » clignotant et « 05 » fixe) s’affiche sur l’écran. - appuyer sur le bouton poussoir 1 pour obtenir l’affichage « OFF » fig.10 Fig. 1

4) rentrer de nouveau dans le paramètre P05 (voir page 28) ;

la chaudière va alors s’allumer pendant 5 secondes en pression d’allumage (5 à 6 mbar en G20) et se bloquer ensuite pendant 45 secondes en pression mini. Après l’étape d’allumage (5 secondes), procéder si nécessaire au réglage de la pression mini mécanique à l’aide de la vis D (visser pour diminuer la pression, dévisser pour augmenter la pression) pour obtenir 1,7/1,8 mbar (DMV 24) ou 2,2 mbar (DMC 24) en G20. Pour les autres types de gaz, voir tableau pression gaz (page 35). Au-delà de ces 50 secondes, le brûleur s’arrête et P05 apparaît sur l’écran. Si le réglage n’est pas terminé, recommencer l’opération en appuyant sur la touche « S ».

5) lorsque cette pression mini mécanique est réglée, mettre

la valeur du paramètre P05 à 29 en agissant sur la touche

Appuyer et relâcher la touche « S » pour confirmer. Le numéro du paramètre P 05 (« P » clignotant et « 05 » fixe) s’affiche sur l’écran. Pour régler un autre paramètre si besoin, réitérer les étapes 4 et 5 (voir page 28).

ENTRETIEN (technicien qualifié) Paramètre 06 – Réglage pression minimum chauffage (Réglage suivant tableau page 35)

6. Agir sur les touches «

» ou « » pour modifier si nécessaire la valeur du paramètre comprise entre les valeurs limites suivantes : 29 – 80. Le pré-réglage d’usine est 29.

7. Appuyer et relâcher la touche « S » pour confirmer. Le

numéro du paramètre P 06 (« P » clignotant et « 06 » fixe) s’affiche sur l’écran.

8. Pour régler un autre paramètre si besoin, réitérer les

étapes 4 et 5 (voir page 28).

Paramètre 07 - Réglage pression maximum gaz chauffage (Réglage suivant courbes page 35)

1) Agir sur la touche «

» pour mettre la valeur du paramètre 07à 99.

2) Appuyer et relâcher la touche « S » pour confirmer. Le

numéro du paramètre P 07 « P » clignotant et « 07» fixe) s’affiche sur l’écran. Toutes les chaudieres sont pré-réglées en usine avec une pression gaz maxi mécanique de 10.4 mbar (DMV 24) et

10.8 mbar (DMC 24) pour le gaz naturel G20 .

A la mise en service, et obligatoirement en cas de remplacement de la vanne gaz, contrôler cette pression maxi gaz à l’aide d’un manomètre à raccorder à la prise de pression B.

3) Réglage pression maxi mécanique

mettre la chaudière en position arrêt (OFF) à l’aide du bouton poussoir 1.

ouvrir la prise de pression B (voir fig.9 page 26) du bloc gaz et y relier le manomètre gaz.

allumer la chaudière en appuyant sur le bouton poussoir n°1.

ouvrir un robinet de puisage ECS de manière à faire fonctionner la chaudière au maximum ou mettre la chaudière en fonction « ramoneur » (appui sur touche « S » pendant 7 secondes) en prenant soin de vérifier que le paramètre P07 est à 99%, que tous les robinets des radiateurs soient ouverts et vérifier la pression gaz maxi (voir tableau des pressions gaz page 35).

si la pression maxi gaz n’est pas conforme, procéder au réglage en agissant comme suit : - dévisser le bouchon aluminium de protection repère A du bloc gaz (voir fig.9 page 26). - agir sur la vis de réglage en plastique située sous le bouchon aluminium de manière à obtenir la valeur indiquée dans le tableau page 35 - remettre le bouchon aluminium en place sur le bloc gaz

fermer le robinet de puisage ECS et arrêter la chaudière avec le bouton poussoir 1 (OFF).

ENTRETIEN (technicien qualifié)

4) A la fin de cette opération, régler de nouveau la valeur du paramètre 07 si nécessaire en fonction des

besoins chauffage de l’installation (voir diagramme pression / puissance page 35). Agir sur les touches « » ou « » pour régler la valeur du paramètre comprise entre les valeurs limites suivantes : valeur du paramètre mini P06 à 99. Le pré-réglage d’usine en gaz naturel G 20 est de 99 pour une puissance de 24 KW. Appuyer et relâcher la touche « S » pour confirmer. Le numéro du paramètre P 07 (« P » clignotant et « 07 » fixe) s’affiche sur l’écran. Arrêter la chaudière à l’aide du bouton poussoir 1 (OFF). Retirer le manomètre gaz et refermer la prise de pression B. Pour régler un autre paramètre si besoin, réitérer les étapes 4 et 5 (voir page 28).

ENTRETIEN (technicien qualifié) Paramètre 08 – Réglage pression allumage

6. Agir sur les touches « » ou « » pour modifier la valeur du

paramètre comprise entre les valeurs limites : 00 = minimum réglé sur la vanne gaz 99 = maximum, variable selon le modèle de chaudière La valeur par défaut est 46 pour gaz G 20.

7. Appuyer et relâcher la touche « S » pour confirmer. Le

numéro du paramètre P 08 (« P » clignotant et « 08 » fixe) s’affiche sur l’écran.

8. Pour régler un autre paramètre si besoin, réitérer les étapes

4 et 5 (voir page 28).

Paramètre 09 – Activation carte de gestion des zones

En cas d’installations avec vannes de zone, agir sur les touches « » ou « » pour modifier la valeur du paramètre : 00 = désactivation carte de zone 01 = activation carte de zone Ajouter une carte d’interface pour commander les vannes de zone.

7. Appuyer et relâcher la touche « S » pour confirmer. Le

numéro du paramètre P 09 (« P » clignotant et « 09 » fixe) s’affiche sur l’écran.

8. Pour régler un autre paramètre si besoin, réitérer les étapes 4

et 5 (voir page 28). Paramètre 10 – Activation commande téléphonique

6. Si une interface téléphonique est installée, activer la carte en

réglant le paramètre 10. Agir sur les touches « » ou « » pour modifier la valeur du paramètre : 00 = désactivation commande téléphonique 01 = activation commande téléphonique

7. Appuyer et relâcher la touche « S » pour confirmer. Le

numéro du paramètre P 10 (« P » clignotant et « 10 » fixe) s’affiche sur l’écran.

8. Pour régler un autre paramètre si besoin, réitérer les étapes 4

et 5 (voir page 28). N.B. Le branchement de l‘interface téléphonique au bornier doit se faire en parallèle avec la commande à distance au moyen de deux conducteurs non polarisés.

ENTRETIEN (technicien qualifié) Tableau des données gaz G20 Gaz Methane G25 Gaz Methane G31 Gaz Liquide Propane mbar

nbre x Ø (mm) injecteurs 12 x 1.30 12 x 1.30 12 x 0.77 Pression nominale d’alimentation

non Diagramme pression – puissance gaz DMC 24 DMV 24

ENTRETIEN (technicien qualifié) Transformation du type de gaz La transformation de la chaudière de gaz méthane en GPL (gaz liquéfié) ou vice versa doit être effectuée exclusivement par un technicien qualifié.

vanne gaz régulateur gaz prise de pression entrée bloc gaz prise de pression sortie bloc gaz tube sortie bloc gaz avec prise de pression collecteur gaz

9) électrode allumage

10) électrode de ionisation

11) vis de fixation collecteur (4)

Procéder de la manière suivante pour effectuer la transformation (voir fig.11):

couper l’alimentation électrique de la chaudière fermer le robinet d’arrivée gaz ôter les câbles des électrodes d’allumage et ionisation dévisser le raccord de la tubulure gaz 5 à l’aide d’une clé plate de 24 dévisser les 4 vis 11 fixant le collecteur 6 au brûleur 7 séparer le collecteur gaz 6 et les rampes brûleur 7 remplacer les injecteurs d’origine par les injecteurs fournis dans le kit de transformation gaz (clé de 7) retirer le diaphragme gaz situé en sortie du bloc gaz remonter le collecteur 6 sur le brûleur 7 et revisser le raccord 5 modifier le paramètre P00 pour sélectionner le nouveau type de gaz (voir tableau page 30) régler les pressions gaz suivantes (voir pages 34-35-36); - mini mécanique (paramètre P05) - maxi mécanique - paramètres P06 (mini chauffage), P07 (maxi chauffage), P08 (allumage) remplacer l’étiquette signalétique gaz par la nouvelle étiquette livrée avec le kit gaz m) contrôler la bonne étanchéité du circuit gaz

ENTRETIEN (technicien qualifié) ENTRETIEN (technicien qualifié) Avertissements généraux Les opérations d’entretien doivent être effectuées tous les ans par un technicien qualifié Pour garantir une durée de vie plus longue et un bon fonctionnement de l’appareil, n’utiliser que des pièces de rechange d’origine dans le cadre des travaux de dépannage ou d’entretien. Contrôle de l’appareil Pour que la chaudière soit toujours efficace en termes de fonctionnalité et de sécurité, nous recommandons de la faire contrôler par du personnel qualifié après chaque période de chauffage (tous les ans). Il est conseillé d’effectuer les opérations suivantes : ■ Contrôler l’étanchéité de raccords du gaz et au besoin, remplacer les joints. ■ Contrôler l’étanchéité de raccords de l’eau, et au besoin, remplacer les joints. ■ Contrôler l’aspect visuel de la flamme et de la chambre de combustion. ■ Démonter et nettoyer le brûleur. ■ Contrôler l’échangeur primaire, et au besoin, le nettoyer. ■ Contrôler les pressions max. et min. de modulation et verifier la modulation. ■ Contrôler l’état et le fonctionnement des systèmes d’allumage et de sécurité gaz. Au besoin, démonter et nettoyer les électrodes d’allumage et de détection de la flamme. ■ Contrôler les systèmes de sécurité de chauffage : thermostat de sécurité de surchauffe; soupapes de sécurité chauffage et sanitaire. ■ Contrôler le joint d’étanchéité de la chambre étanche qui doit être en bon état et bien en place. ■ Contrôler régulièrement et nettoyer le système d’évacuation des fumées, cheminée ou ventouse, et d’aspiration air neuf. ■ Contrôler les branchements électriques à l’intérieur du tableau de commandes. ■ Contrôler le débit et la température de l’eau sanitaire. RAPPEL : ■ Contrôler la présence, les bonnes dimensions et le bon fonctionnement des prises d’aération/ventilation permanentes qui doivent être adaptées aux appareils installés. Respecter les dispositions des normes nationales et locales en vigueur. ■ Contrôler les réglages de combustion et l’étanchéité des conduits :

1) étanchéité ventouse

-introduire la sonde de l’analyseur de combustion dans la prise d’air prévue sur la pièce de raccordement ou le coude conduit ventouse et vérifier que le taux d’oxygène soit de 21% . Sinon, vérifier le montage du conduit ventouse air et gaz brûlés.

2) contrôle combustion

-introduire la sonde de l’analyseur de combustion dans la prise de fumée prévue sur la pièce de raccordement ou le coude conduit ventouse et vérifier que le taux de CO² soit conforme au valeurs du tableau ci dessous et que le taux de CO soit inférieur à 100 ppm. Sinon, régler correctement les diaphragmes d’air pour obtenir les bonnes valeurs. Type de gaz G20 G25 G31 C02 % 6,7 à 7 5,8 7,2

ENTRETIEN (technicien qualifié) Accès à la chaudière Pour la plupart des opérations de contrôle et d’entretien, il faut démonter un ou plusieurs panneaux. Il faut d’abord retirer le panneau avant pour retirer les panneaux latéraux (fig.12). panneau avant :

Retirer les vis de fixation placées sur le bord inférieur du panneau Saisir le panneau par le bas, le tirer vers soi et l’extraire en le poussant vers le haut panneau latéral droit (ou gauche) : Retirer les 2 vis de fixation placées sur le bord inférieur du panneau latéral. Retirer les 2 vis de fixation placées sur le devant en haut et au milieu du panneau latéral.

Saisir la base du panneau ,écarter le panneau sur le coté et le retirer en le levant. fig.12 Pour accéder aux branchements électriques du tableau de commandes, procéder comme suit (fig.13): Retirer le panneau avant

Saisir simultanément les équerres du panneau de commandes (1) et, en les écartant, baisser le panneau en le faisant tourner vers le bas (2)

Dévisser les quatre vis de fixation et retirer le capot (3)

ENTRETIEN (technicien qualifié) Vidange de l’installation de chauffage Chaque fois qu’il sera nécessaire de vidanger l’installation de chauffage, procéder de la façon suivante : -Sélectionner le mode “HIVER“ et attendre l’allumage de la chaudière -Couper l’interrupteur général et attendre que la chaudière se refroidisse -Brancher un tuyau flexible à l’embout du robinet de vidange de l’installation et placer l’autre extrémité du tuyau dans une évacuation d’eau -Ouvrir le robinet de vidange de l’installation -Ouvrir les robinets placés sur les radiateurs en commençant par le plus haut placé et ainsi de suite jusqu’au plus bas -Quand toute l’eau s’est écoulée, fermer les robinets des radiateurs et le robinet de vidange fig.14 -Pour vidanger uniquement la chaudière, fermer les robinets départ/retour du circuit de chauffage. Ouvrir le robinet de vidange (fig.14) placé dans le collecteur de la pompe sur la partie inférieur de la chaudière. Vidange de l’installation sanitaire Chaque fois qu’il sera nécessaire de vidanger l’installation sanitaire, procéder de la façon suivante : -Fermer la vanne générale d’alimentation de l’eau froide sanitaire -Ouvrir tous les robinets des appareils sanitaires (eau chaude et eau froide) -ouvrir le robinet de vidange (fig.14) -en fin d’opération, fermer le robinet de vidange et tous les robinets d’eau ouvert précédemment Sécurite fumées La chaudière à tirage naturel est équipée d’un dispositif (fig.15) contrôlant l’évacuation correcte des gaz de combustion Le dispositif permet une sécurité maximum pendant le fonctionnement. Ce dispositif intervient en bloquant le flux des gaz au brûleur principal et met la chaudière en sécurité si le conduit de cheminée présente une obstruction partielle ou totale ou bien si la section n’est pas appropriée à l’évacuation des gaz de combustion. Avant de débloquer le dispositif, contrôler la section d’évacuation et vérifier s’il n’y a pas d’obstruction empêchant l’évacuation correcte des fumées. Interdiction absolue de faire fonctionner la chaudière en schuntant ce dispositif de sécurité. Remise en marche: Effectuer les opérations suivantes avant de débloquer le thermostat: mettre l’interrupteur été-hiver sur la position OFF, déconnecter l’alimentation électrique de la chaudière appuyer sur le bouton-poussoir placé entre les deux contacts électriques du thermostat des fumées fig.15 (voir fig.15), remettre la chaudière sous tension et mettre l’interrupteur été/hiver sur la position de fonctionnement souhaitée; En cas de nouvelles mises en sécurité, remplacer les pièces défectueuses uniquement par des pièces de rechange d’origine.

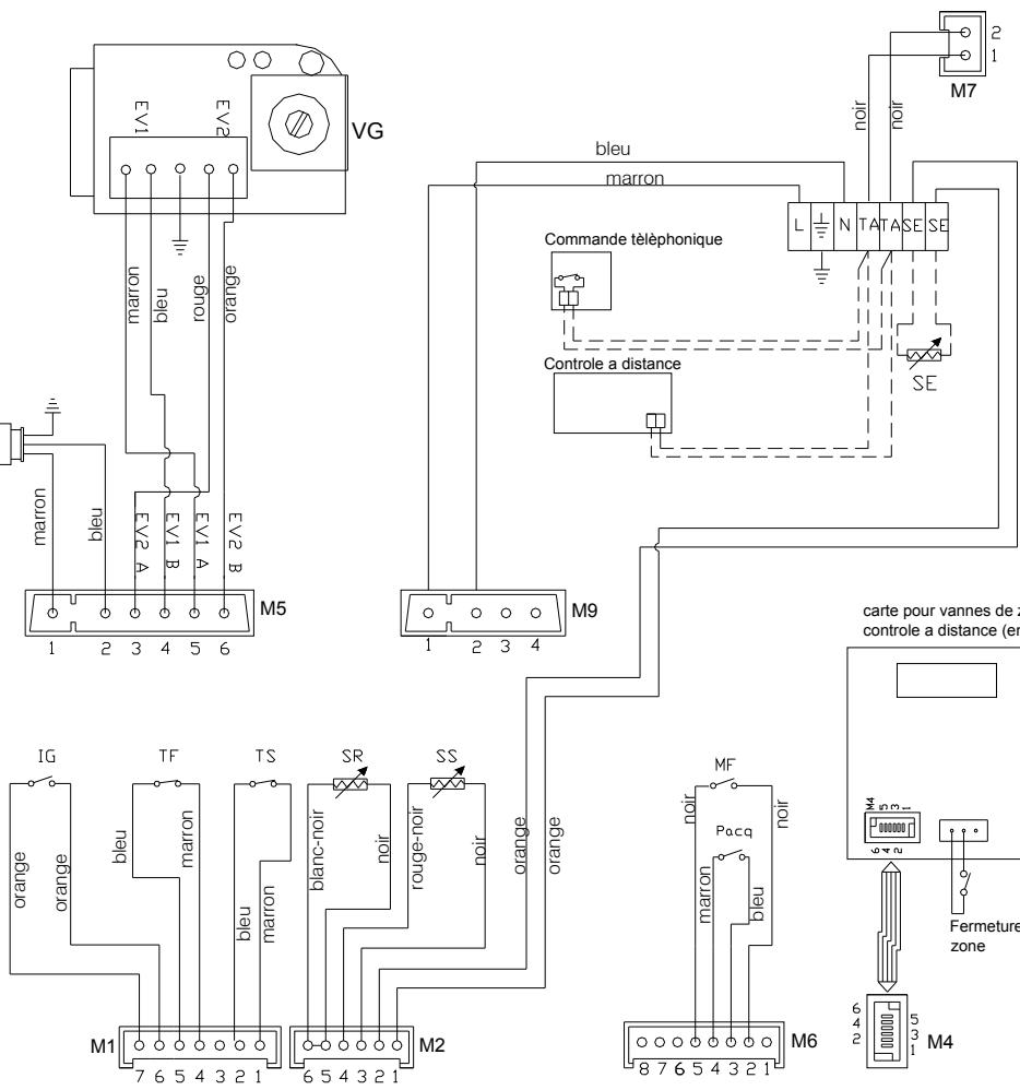
ENTRETIEN (technicien qualifié) Schéma électrique - Mod. DMC 24 CARTE BMBC c/DISPLAY DIGITECH - SM20020 COD. 76708LA Légende :

noir noir IG: Interrupteur tabl. com. TF: Sonde fumées TS: Thermostat sécurité SR: Sonde chauffage SS: Sonde sanitaire SE: Sonde extérieure (option) ER: Électrode détection EA: Électrode allumage TRA: Transformateur allumage C: Circulateur MF: Flussostat VG: Vanne gaz PACQ: Pressostat eau VD: Vanne 3 voie

carte pour vannes de zone et controle a distance (en option) M10

bleu noir noir marron orange noir orange noir rouge-noir blanc-noir bleu marron marron bleu orange noir noir orange Vanne de controle a Fermeture vanne de zone

ENTRETIEN (technicien qualifié) Schéma électrique - Mod. DMV 24

CARTE ELESTRON MODULATION - SM20020

COD. 76708LA Légende :

noir noir IG: Interrupteur Tabl. Com. PA: Pressostat Air TS: Thermostat Sécurité SR: Sonde Chauffage SS: Sonde Sanitaire SE: Sonde Externe (option) ER: Électrode Détection EA: Électrode Allumage EV: Ventilateur électrique TRA: Transformateur Allumage C: Circolateur MF: Microfluxostat VG: Vanne gaz PACQ: Pressostat eau

carte pour vannes de zone et controle a distance (en option) M10

bleu noir noir marron orange orange noir noir rouge-noir blanc-noir bleu marron marron bleu orange noir noir orange Vanne de controle a Fermeture vanne de zone

ENTRETIEN (technicien qualifié) Branchement du thermostat d’ambiance (en option) Brancher les câbles au bornier se trouvant à l’intérieur du tableau de commande de la façon suivante (voir fig.16) :

couper l’alimentation depuis l’interrupteur général. retirer le panneau avant de la chaudière. dévisser les vis et retirer le couvercle A. retirer le pont Ta -Ta du bornier B. brancher le thermostat d’ambiance aux bornes Ta. Après cette opération, remonter le couvercle A, puis le panneau avant.

fig.16 Branchement de la sonde extérieure (en option) Brancher les câbles au bornier se trouvant à l’intérieur du tableau de commande de la façon suivante (voir fig. 16) :

couper la tension depuis l’interrupteur général. retirer le panneau avant de la chaudière. dévisser les vis et retirer le couvercle A. brancher la sonde extérieure sur les contacts Se-Se du bornier B. Après cette opération, remonter le couvercle A, puis le panneau avant.

ENTRETIEN (technicien qualifié) Branchement du contrôle à distance et de la sonde extérieure (en option) Brancher les câbles

trouvant à l’intérieur du tableau de commande de la façon suivante (voir Ta Ta Se Se Éventuelle sonde externe fig.17): couper l’alimentation depuis l’interrupteur général. b. retirer le panneau avant de la chaudière. c. dévisser les vis et retirer le couvercle A. d. retirer le pont Ta-Ta du bornier. e. brancher le contrôle à distance. f. brancher la sonde extérieure sur les contacts Se-Se du bornier B. Contrôle à distance "OPEN THERM"

fig.17 Après cette opération, remonter le couvercle A, puis le panneau avant. Branchement du contrôle à distance et de la commande téléphonique (en option) Brancher trouvant les

Commande téléphonique commande de la façon suivante (voir fig. Ta Ta Se Se

couper l’alimentation depuis l’interrupteur général. b. retirer le panneau avant de la chaudière. c. dévisser les vis et retirer le couvercle A (voir fig. 18). d. retirer le pont Ta-Ta du bornier. e. brancher le contrôle à distance et la commande téléphonique. f. Activer la commande téléphonique au moyen du paramètre 10 (voir page 27 « Tableau des paramètres »). Contrôle à distance "OPEN THERM"

fig.18 Après cette opération, remonter le couvercle A, puis le panneau avant.

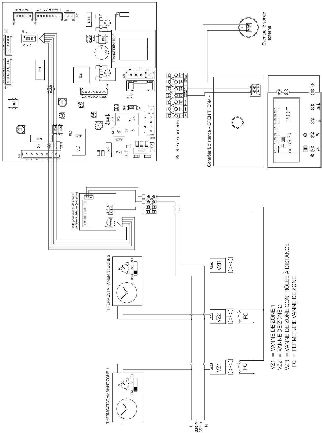
ENTRETIEN (technicien qualifié) Branchement avec contrôle à distance et Vannes de zone

Carte pour vannes de zone et contrôle à distance (en option)

M10 Contrôle à distance « OPEN THERM » Barette de connexion

Éventuelle sonde externe En cas d’installation d’une carte pour les vannes de zone, pour effectuer les branchements électriques, il faut accéder à la carte de modulation sur le tableau de commande de la chaudière (voir page 38 « Accès à la chaudière ») et activer le paramètre 09 (voir page 27 « Tableau des paramètres »)

Contrôle à distance « OPEN THERM » Barette de connexion TF2 M10 VZ1

THERMOSTAT AMBIANT ZONE 1

TRANSFORMATEUR Carte pour vannes de zone et contrôle à distance (en option)

Commande téléphonique

ENTRETIEN (technicien qualifié) Branchement avec contrôle à distance, Vannes de Zone et Commande Téléphonique ENTRETIEN (technicien qualifié) Modulation de la température d’entrée en fonction de la température extérieure Le branchement de la sonde extérieure se fait directement sur la carte électronique SM 20019. La gestion de la sonde peut donc se faire :

en cas d’installation de commande à distance + sonde extérieure, le réglage de la courbe de chauffe (pente) se fait par l’intermédiaire de la commande à distance (voir notice d’installation et d’instructions de la commande à distance).

en cas de branchement direct de la sonde extérieure sur la carte, le réglage de la courbe de chauffe (pente) se fait en agissant sur le bouton de réglage du chauffage. Tourner le bouton encadré (fig.20) pour visualiser la numération correspondant à la courbe du diagramme de la figure 19. La loi de correction est reportée dans le diagramme de la figure 19. Le choix de la courbe est fonction de la température maxi de départ Tm et de la température mini extérieure Te. N.B. Les valeurs en ordonnée des températures de départ Tm se réfèrent à des installations standard 80-30°C ou à des installations basse température 40-25°C. Le type d’installation peut être réglé au moyen de la programmation du paramètre 01 (voir page 29 « Paramètre 01 – Réglage de la température du circuit chauffage »). SONDE EXTERIEURE fig.19 LOI DE CORRECTION DE LA TEMPERATURE D'ENTREE EN FONCTION DE LA TEMPERATURE EXTERIEURE ET DE LA POSITION DE REGULATION PAR L'UTILISATEUR DE LA TEMPERATURE DE CHAUFFAGE

TM-MAX/MIN = Plage temp. Entrée sélectionnée Te = Température extérieure Tm = Température de l'eau de chauffage fig.20

-1 -2 -3 -4 -5 -6 -7 -8 -9 -10 -11 -12 -13 -14 -15 ENTRETIEN (technicien qualifié) Anomalies de fonctionnement Code défaut E 01 E fixe clignotant + symbole flamme barrée Anomalie Défaut flamme En phase d’allumage, le train d’étincelle fonctionne jusqu'à l’allumage de la flamme, plus 2 secondes, mais avec un maximum de 8 secondes. Au delà de ces 8 secondes la chaudière fait une nouvelle tentative d’allumage. 3 tentatives maxi. Si problème allumage, entre 2 allumages le ventilateur fonctionne pendant 20 secondes pour ventiler la chambre (DMV 24) Cause possible Solution Manque gaz -vérifier l’alimentation gaz (ouverture du robinet gaz). -purger la canalisation gaz. -vérifier la pression d’alimentation gaz sur prise de pression entrée bloc gaz. Polarité phase –neutre inversée -vérifier la polarité phase –neutre sur alimentation électrique chaudière Electrode allumage défectueuse ou débranchée Câble électrode défectueuse -vérifier la connexion des câbles d’allumage. -vérifier l’électrode d’allumage (électrode à la masse, ou mal réglée). -vérifier le réglage de l’électrode : entre électrode allumage et brûleur = 3 mm -remplacer l’électrode d’allumage. -remplacer le câble d’allumage. Sonde ionisation défectueuse ou débranchée -vérifier la connexion du câble d’ionisation. -vérifier l’électrode d’ionisation valeur décochage courant ionisation : 1.5 micro ampères -vérifier le réglage de l’électrode, écartement par rapport au brûleur = 5 mm. -remplacer l’électrode d’ionisation. -remplacer le câble d’ionisation. Mauvaise connexion électrique du transfo (fil coupé ou débranché) -vérifier l’alimention 230/240 V sur l’allumeur en phase d’allumage. ATTENTION : prendre impérativement la tension avec le câble de l’alimentation raccordée sur l’allumeur. Transfo allumage défectueux -remplacer le transfo d’allumage. Bloc gaz défectueux -vérifier la tension des électrovannes du bloc gaz. EV1: entre 4 (bleu) et 5 (marron) de M5, variable courant alternatif EV2 modulation: entre 3 (noir) et 6 (orange) de M5, 26 à 44 V continu -résistances des bobines électrovannes relevées sur fiches du bloc gaz : EV1 : 2.8 K ohms (entre fiches 4 et 5) EV2 : 1,6 K ohms (entre fiches 3 et 6) Ces valeurs varient légèrement en fonction de la température du bloc gaz. Mauvaise connexion électrique du bloc gaz (fil coupé ou débranché) Carte électronique principale défectueuse -vérifier la bonne connexion des fils 5 (marron) et 6 (orange) du connecteur M5. -si pas de tension ou tension incorrecte au bloc gaz, remplacer la carte électronique principale. Après élimination du défaut, appuyer sur le bouton 1 (marche/arrêt) pour reseter.

ENTRETIEN (technicien qualifié) Code défaut E 02 Anomalie Sécurité surchauffe 95°C E fixe clignotant symbole flamme barrée Cause possible Solution Déclenchement de la sécurité de surchauffe -présence d’air dans la chaudière, purger l’installation. -mauvaise circulation hydraulique. -pompe bloquée, débloquer la pompe. Sécurité surchauffe défectueuse ou câble sécurité coupé ou débranché. -vérifier la connexion des fils. -remplacer l’aquastat sécurité. -remplacer le câble de l’aquastat. Après élimination du défaut, appuyer sur le bouton 1 (marche/arrêt) pour reseter. E 03 Sonde fumée E fixe clignotant Uniquement modèle cheminée DMC24 H2O clignotant + symbole pression fixe Manque d’eau E fixe clignotant Sonde chauffage E fixe clignotant Sonde sanitaire E fixe clignotant Pressostat air (uniquement DMV 24) Mauvaise combustion, montée anormale de la température des gaz brûlés. -vérifier le réglage de combustion (CO2) ainsi que la fréquence du ventilateur. Obstruction du conduit de fumée -vérifier que le conduit de fumée ne soit pas obstrué. Sonde fumée défectueuse ou câble de la sonde coupé ou débranché. -vérifier la connexion des fils. -remplacer la sonde de fumée. -remplacer le câble de la sonde. Manque de pression d’eau dans le circuit chauffage. Pression inférieure à 0,3/0,4 bar. -remonter la pression d’eau à 1,1 bar mini. Pressostat eau défectueux ou câble du pressostat coupé ou débranché. -vérifier la connexion des fils. -remplacer le câble du pressostat. -remplacer le pressostat eau. Pas de reset à effectuer. -vérifier le contact de la sonde sur le tube chauffage. -vérifier la connexion des fils. -remplacer la sonde - CTN 10 Kohm à 25°. Pas de reset à effectuer. Sonde chauffage défectueuse ou câble de la sonde coupé ou débranché. Nota : si la sonde chauffage est défectueuse, plus de fonctionnement chauffage, ni sanitaire Sonde sanitaire défectueuse ou câble de la sonde coupé ou débranché -vérifier le contact sur la sonde au niveau de l’échangeur à plaques. -vérifier la connexion des fils. -remplacer la sonde - CTN 10 Kohm à 25°. Pas de reset à effectuer. Câble ventilateur coupé ou débranché -vérifier la connexion électrique du ventilateur : 230 V alternatif entre 4 (bleu) et 3 (marron) du connecteur M9 de la carte principale. Ventilateur défectueux -si tension correcte sur connecteur M9, remplacer le ventilateur Le ventilateur fonctionne en permanence, la chaudière ne s’allume pas - tubes silicone fendus ou cassés, remplacer les tubes - repère H du pressostat sur prise métallique en bas du ventilateur - repère L du pressostat sur fiche composite noire en haut du ventilateur Pressostat air défectueux -contrôler les pressions et dépressions suivantes : - H : dépression = -1.6 mbar - L : pression = +1.6 mbar - en différentiel = 3.2 mbar Si valeurs différentes, remplacer le pressostat Conduit ventouse obstrué -vérifier le conduit ventouse (sortie gaz brûlés et entrée air neuf) Venturi obstrué -vérifier l’état du venturi Câbles du pressostat air défectueux -vérifier et remplacer les câbles si nécessaire Après élimination du défaut, appuyer sur le bouton 1 (marche/arrêt) pour reseter. E 22 Demande

ENTRETIEN (technicien qualifié) Code défaut Anomalie Cause possible Solution -reprogrammation des paramètres de réglage. programmation paramètres Défaut sans affichage Plus d’indication sur l’écran du tableau Fusible de la carte principale défectueux -remplacer le fusible. Carte principale défectueuse -vérifier la connexion des fils 1(marron) et 2 (bleu) du connecteur M9 (tension 230 V), si alimentation correcte, remplacer la carte principale Afficheur défectueux - remplacer l’ensemble platine afficheur La chaudière s’arrête vers 47° et redémarre vers 40° sans anti court cycle du brûleur (DMV 24) Montée en température rapide puis arrêt de la chaudière ECS ne monte pas en température Problème sur le tube silicone H (+)du pressostat d’air (tube fendu, cassé ou déboîté) -Vérifier et remplacer le tube si nécessaire Pompe bloquée - Débloquer la pompe Plaquette sur flussostat montée à l’envers ou défectueuse -vérifier la position ou changer la plaquette si nécessaire Pointeau du flussostat bloqué ou défectueux -débloquer le pointeau, le changer si nécessaire Pour vérifier si le pointeau est bloqué ou défectueux, positionner un aimant sur la plaquette, l’ECS doit alors fonctionner.

ENTRETIEN (technicien qualifié) Diagnostic ■ Codes d’erreur : E01 E02 E03 H2O E05 E06 E14 E22 Défaut flamme Défaut sécurité surchauffe Défaut sonde fumées (DMC 24) Défaut pressostat eau ou manque d’eau Défaut sonde chauffage Défaut sonde sanitaire Défaut pressostat air (DMV 24) Demande programmation paramètres ■ Codes de signalisation Codes de signalisation Type de signalisation 07 clignotant Fonction Ramoneur 08 clignotant Fonction anti-gel chauffage 31 clignotant Contrôle à distance non compatible Description Chaudière en fonctionnement Appuyer sur la touche « service » pendant 7 secondes pour activer fonction « ramoneur ». Appuyer sur le bouton poussoir marche/arrêt pour désactiver cette fonction. Cette fonction permet de faire fonctionner la chaudière au maximum pendant 15 minutes, sans modulation, pour effectuer des essais et contrôles de combustion. Se met automatiquement en fonction quand la sonde de chauffage détecte une température de 5°C. La chaudière fonctionne à la pression de gaz mini en mode « hiver ». Elle se désactive quand la température d’eau du circuit chauffage atteint 30°C. Signale que le contrôle à distance branché à la chaudière n’est pas compatible avec la carte électronique installée sur la chaudière.

INSTRUCTIONS POUR L’UTILISATEUR : UTILISATION ET RÉGLAGE DE LA CHAUDIÈRE Avertissements généraux S’assurer que la fiche de garantie porte bien le cachet du technicien autorisé ayant effectué les essais de la chaudière. L’installation, le premier allumage, les réglages et les opérations d’entretien doivent être effectués exclusivement par du personnel qualifié (ex. les centres d’assistance technique autorisés par la société DEVILLE THERMIQUE S.A.). Une mauvaise installation peut provoquer des dommages aux personnes, animaux ou aux matériels, à l’égard desquels le constructeur ne pourra être tenu responsable. Pendant l’intervention, il est important que le technicien effectue les contrôles suivants : ■ Les données reportées sur la plaque signalétique doivent correspondre à celles des réseaux d’alimentation (électricité, eau, gaz). ■ Le réglage de la chaudière doit correspondre au besoin de l’installation. ■ Le système d’évacuation des gaz brûlés et l’aspiration de l’air comburant doivent être installés et fonctionner correctement. ■ En toute situation d’installation (intérieure, extérieure, dans une armoire, etc.), le système de ventilation et d’évacuation des fumées doit respecter les dispositions des normes nationales et locales en vigueur. Ne pas mettre la chaudière en service si vous n’êtes pas sûr que les essais aient été effectués par un technicien qualifié. Toutes les opérations d’entretien, manutention et changement du type de gaz DOIVENT ÊTRE EFFECTUÉES PAR DU PERSONNEL QUALIFIÉ ET AUTORISÉ conformément aux normes en vigueur. Contrôler que les ventilations hautes et basses de la pièce dans laquelle la chaudière est installée soient conformes aux normes en vigueur. Les chaudières peuvent être installées à l’air libre, dans des locaux partiellement protégés en conformité aux normes en vigueur et dans des conditions de température extérieure minimum d’utilisation de – 10°C ; la société ne pourra être tenue responsable pour des installations dans des locaux où la température est inférieure à –10°C. La chaudière est équipée d’un système anti-gel. Dans le cas d’installation comportant un risque de gel, le système anti-gel entre en fonction uniquement lorsque la chaudière est sous tension et lorsque le gaz est ouvert. Aucune responsabilité ne peut être engagée pour dommages à la chaudière causés par le nonrespect de la présente recommandation. En cas de gel de la chaudière, ne l’allumer pour aucune raison et appeler tout de suite le centre d’assistance. La chaudière fait partie intégrante d’une installation thermique. Par conséquent, toute installation doit être accompagnée par le livret dûment rempli, conformément aux dispositions des normes en vigueur et modifications successives. Toutes les opérations d’entretien ordinaire et extraordinaire, ainsi que les vérifications de la combustion doivent être reportées dans le livret avec le nom du responsable de l’entretien et, si c’est le cas, le nom du tiers responsable. La vérification de la combustion de l’appareil doit être effectuée tous les ans. Cette vérification consiste en un contrôle de l’efficacité du générateur et doit être réalisée par du personnel autorisé (ex. les centres d’assistance technique agréés). Ne pas obstruer les ouvertures d’aération de la pièce où est installé un appareil à gaz (chaudière, appareil de cuisson) afin d’éviter la présence de mélanges toxiques et explosifs.

Les chaudières à tirage naturel sont munies d’un dispositif qui contrôle l’évacuation des gaz de combustion et garantit ainsi le maximum de sécurité pendant le fonctionnement.

Si on détecte des odeurs de gaz …

Sonde extérieure raccordée : En chauffage = température eau chauffage Appui sur 4 = affichage température extérieure Puis en restant appuyé 5 secondes = température eau sanitaire En chauffage = température eau chauffage Pas de sonde extérieure : Appui sur 4 = affichage de 2 tirets Puis en restant appuyé 5 secondes = température eau sanitaire Idem si chaudière en mode sanitaire

Allumage de la chaudière

Ouvrir le robinet chaudière.

Appuyer sur le bouton marche/arrêt (fig.22).

La chaudière s’allume automatiquement avec réglage en mode HIVER à la condition que le thermostat s’ambiance soit en demande.

Vérifier que l’afficheur 8 ne signale aucun défaut; si la valeur H20 s’affiche, cela signifie que l’eau manque dans la chaudière et qu’il est nécessaire de remplir l’installation (voir indications page 25 « Remplissage de l’installation »). gaz placé sous

fig.22 Mode “ÉTÉ” – sanitaire seul Pour commuter la chaudière sur « ÉTÉ », agir sur la touche 6 (fig.22) et sélectionner ainsi la fonction sanitaire. En mode “ ÉTÉ ”, le symbole s’allume sur l’afficheur du tableau de commande. Le système d’allumage automatique allume le brûleur à chaque demande d’eau sanitaire et le symbole se met à clignoter sur l’afficheur du tableau de commande. Mode “HIVER” – chauffage seul Pour commuter la chaudière sur « HIVER», agir sur la touche 6 (fig.22) et sélectionner ainsi la fonction chauffage. En mode “HIVER”, le symbole s’allume sur l’afficheur du tableau de commande. Le système d’allumage automatique allume le brûleur à chaque demande d’énergie pour le chauffage de l’habitation et le symbole se met à clignoter sur l’afficheur du tableau de commande. Mode “ÉTÉ-HIVER” – chauffage + sanitaire Pour commuter la chaudière en fonctionnement ÉTÉ-HIVER, agir sur la touche 6 (fig.22) et sélectionner la fonction chauffage/eau chaude sanitaire. Le fonctionnement ÉTÉ-HIVER se reconnaît à l’allumage simultané des symboles sur l’afficheur du tableau de commande. Le système d’allumage automatique allume le brûleur à chaque demande d’énergie pour le chauffage de l’habitation ou demande d’eau chaude sanitaire ; les symboles se mettent à clignoter sur l’afficheur du tableau de commande. Réglage température chauffage Le réglage de la température s’effectue au moyen du bouton 2 (fig.22) :

Tourner vers la gauche pour diminuer la température.

Tourner vers la droite pour augmenter la température.

La plage de réglage de la température de chauffage est de 30°C à 80°C ou de 25°C à 40°C selon réglage des paramètres. Réglage température eau chaude sanitaire Le réglage de la température s’effectue au moyen du bouton 3 (fig.22) :

Tourner vers la gauche pour diminuer la température.

Tourner vers la droite pour augmenter la température.

La plage de réglage de la température de l’eau chaude sanitaire va d’un minimum de 35°C à un maximum de 60°C.

Remplissage de l’installation Contrôler la pression de l’eau sur le manomètre M (fig.23) placé sur la partie inférieure de la chaudière ; il ne doit pas descendre en dessous de 1 bar. Si l’eau vient à manquer dans la chaudière, le code « H20 » (voir page 25) s’allume sur l’afficheur du tableau de commande. Pour rétablir la pression de l’eau, ouvrir le robinet de remplissage R et contrôler au moyen du manomètre M que la pression de l’installation atteigne 1 bar. Une fois l’opération terminée, fermer le robinet de remplissage.

fig.23 Diagnostic – Codes d’erreur Dans ce paragraphe se trouve la liste des codes des erreurs pouvant être visualisés sur l’afficheur 8 ( voir page

52) avec les signalisations correspondantes et les opérations que l’utilisateur peut effectuer pour débloquer la

chaudière. _E01_ Défaut flamme Code E01 allumé sur l’afficheur. Contrôler que le robinet gaz soit bien ouvert. Éteindre et allumer la chaudière à l’aide du bouton poussoir marche/arrêt 1 du tableau de commande. Quand le code erreur s’éteint, la chaudière se remet en service. Si le défaut persiste, appeler le Centre Assistance Technique. _E02_ Intervention sécurité surchauffe Code E02 allumé sur l’afficheur. Appeler le Centre Assistance Technique. _E03_ Défaut sonde fumée (modèle DMC 24 uniquement) Code E03 allumé sur l’afficheur. Appeler le Centre Assistance Technique. _H2O_ Manque d’eau Code H20 allumé sur l’afficheur. Contrôler la pression d’eau dans l’installation du chauffage et vérifier que la pression indiquée sur le manomètre M (fig.23), se trouvant dans le bas de la chaudière, ne soit pas inférieure à 1 bar. Si la pression est inférieure à 1 bar, procéder au remplissage de l’installation selon les indications du paragraphe « Remplissage de l’installation ». La chaudière se remettra en marche automatiquement. Si le problème persiste, appeler le Centre Assistance Technique.

_E05_ Défaut sonde chauffage Code E05 allumé sur l’afficheur. Appeler le Centre Assistance Technique. _E06_ Défaut sonde sanitaire Code E06 allumé sur l’afficheur. Appeler le Centre Assistance Technique. _E14_ Défaut pressostat air (modèle DMV 24 uniquement) Code E14 allumé sur l’afficheur. Appeler le Centre Assistance Technique. _E22_ Demande programmation paramètres Code E22 allumé sur l’afficheur. Appeler le Centre Assistance Technique. N.B. En cas d’arrêt prolongé de la chaudière : Laisser la chaudière en mode « veille » pour maintenir la fonction « hors-gel » :

chaudière sous tension

alimentation gaz ouverte

boutons chauffage et sanitaire réglés au mini Mettre la chaudière en arrêt en débranchant l’alimentation électrique, en fermant l’alimentation gaz et en vidangeant totalement l’installation.