BX80 - Poêle à sauna HARVIA - Notice d'utilisation et mode d'emploi gratuit
Retrouvez gratuitement la notice de l'appareil BX80 HARVIA au format PDF.
| Type d'appareil | Poêle électrique |
| Usage | Sauna |
| Modèles | BX45, BX60, BX80, BX45E, BX60E, BX80E, BX90E |
| Alimentation | Électrique |
| Contrôle | Manuel (boutons) |
| Capacité en pierres | Non précisé |
| Matériau extérieur | Non précisé |
| Dimensions | Non précisé |
| Poids | Non précisé |
| Puissance | Non précisé |
| Installation | Murale ou au sol |
| Protection thermique | Oui (supposé) |
| Utilisation | Intérieur |
| Accessoires fournis | Non précisé |
| Garantie | Non précisé |
| Normes | Non précisé |
FOIRE AUX QUESTIONS - BX80 HARVIA
Questions des utilisateurs sur BX80 HARVIA
0 question sur cet appareil. Repondez a celles que vous connaissez ou posez la votre.
Poser une nouvelle question sur cet appareil
Téléchargez la notice de votre Poêle à sauna au format PDF gratuitement ! Retrouvez votre notice BX80 - HARVIA et reprennez votre appareil électronique en main. Sur cette page sont publiés tous les documents nécessaires à l'utilisation de votre appareil BX80 de la marque HARVIA.
MODE D'EMPLOI BX80 HARVIA
Ces consignes d'installation et d'utilisation sont destinées au propriétaire du sauna ou à la personne chargée de l'entretien, ainsi qu'à l'électricien responsable de l'installation électrique du poèle. Àpres l'installation du poèle, ces consignes seront remises au propriétaire du sauna ou à la personne chargée de son entretien. Lire attentivement les consignes d'utilisation avant la mise en service de l'appareil.
Ce poèle est prévu pour chauffer la cabine de sauna à la température ajustate. Il est interdit d'utiliser le poèle à d'autres fins. Les poèles à sauna dotés du marquage CE satisfont à tous les règlements relatifs aux installations de saunas. Le contrôle de leur respect est assure par les autorités compétentes.
Félicitations pour cet excellent choix!
Garantie :
- La période de garantie des poèles et de l'équipement de contrôle utilisés dans les saunas par des familles est de deux (2) ans.
- La période de garantie des poèles et de l'équipement de contrôle utilisés dans les saunas par les résidents d'appartements est d'un (1) an.
- La garantie ne couvreaucun défautresultant du non-respectdes instructions d'installation, d'utilisation ou de maintenance.
- La garantie ne couvreaucun défautresultant de l'utilisation de pierres non recommandees par le fabricant du poèle.
TABLE DES MATIÉRÉS
- MODE D'UTILISATION 3
1.1. Mise en place des pierres du poèle 3
1.1.1.Maintenance 3
1.2.Chauffage du sauna 4
1.3. Utilisation du poèle 4
1.3.1. Poèle allumé 4
1.3.2. Durée de pré-programmation (mise en routeprogrammée) 4
1.3.3. Poèle arrêté 5
1.3.4. Réglage de la température 5
1.4. Projection de I'eau de vapeur sur les pierres......... 5
1.5. Conseils pour la séance de sauna 6
1.6.Avertissements 6
1.7.Dépannage 6
2.CABINE DU SAUNA. 8
2.1. Structure de la cabine de sauna 8
2.1.1. Noirissement des murs du sauna 8
2.2. Ventilation de la cabine de sauna 9
2.3.Puissance des poèles 9
2.4.Hygiene de la cabine de sauna 9
- INSTRUCTIONS D'INSTALLATION 10
3.1. Avant l'installation 10
3.2. Fixation du poèle au mur 11
3.3.Raccordementelectrique 11
3.3.1. Résistance d'iso1ation du poèle électrique...... 12
3.4. Installation du centre de commande et du capteur (BX-E) 12
3.5. Réinitialisation de la sécurité surchauffe 13
- PIECES DÉTACHÉES 15
1.1. Mise en place des pierres du poèle
L'empilement des pierres du poèle a un impact important sur le fonctionnement du poèle (figure 1).
Informations importantes concernant les pierres du poèle :
- Le diamètre des pierres doit se situer entre 5 et 10 cm.
Utiliser uniquement des pierres angulaires fendues prévues pour etre utilisées dans un poèle. La péridotite, l'olivine et la dolérite olivine sont des pierres adaptées. - Ne jamais utiliser de « pierres » légères en céramique poreuse ou en stéatite molle dans le poèle. Elles n'absorbent pas suffisamment la chaleur et peuvent endommager les résistances.
- Dépoussiérer les pierres avant de les empiler dans le poèle.
Lors de la mise en place des pierres :
- Ne pas faire tomber de pierres dans le poèle.
- Ne pas coincer de pierres entre les résistances.
- Les pierres ne doivent pas etre entassees de façon trop serree, afin de ne pas empêcher la circulation d'air a travers le poèle.
- Empiler les pierres de manière à ce qu'elles se soutiennent entre-elles只不过 que de reposer sur les résistances.
- Ne pas former de haute pile de pierres sur le poèle.
- Aucun object susceptible de modifier la quantité ou la direction du flux d'air qui traverse le poèle ne doit être place à l'intérieur du compartment à pierres du poèle ni à proximité de ce dernier.
1. EKSPLOATACJA PIECA
Étant données les variations importantes de tempé rature, les pierres du poèle se désintègrent au fur et à mesure de leur utilisation. Remettre les pierres en place au moins une fois par an, voire plus si le sauna est utilisé féquèment. Dans le même temps, rétar tous les morceaux de pierre de la partie inférieure du poèle et replacer toutes les pierres désintégrées par des nuves. Ainsi, la capacité de chauffage du poèle reste optimale et le risque de surchauffe est évité.
1.1.1. Konserwacja
1.2. Chauffage du sauna
Pour éliminer les odeurs dégagées par le poèle et les pierres lors de la première utilisation, veiller à assurer une bonne ventilation du sauna.
Si la puissance du poèle est adaptée à la cabine de sauna, un sauna correctement isolé atteint la température adéquate en une heures environ (« 2.3.)). Les pierres du poèle chauffent généralement à bonne température en même temps que le sauna. La température appropriée pour les séances de sauna se situe entre 65 et 80^ .
1.3. Utilisation du poèle
Avant la mise en marche du poèle, vérifier qu'aucun objet n'est posé dessus ou à proximé. 1.6
- Les modeles de poèles BX45, BX60 et BX80 sont équipés d'un interrupteur hora et d'un thermostat. L'interrupteur hora permet de régler la durée de fonctionnement du poège et le thermostat de régler la température. 1.3.1.-1.3.4
- Les modèles BX45E, BX60E, BX80E et BX90E fonctionnent avec le centre de contrôle séparé. Voir les instructions d'installation et mode d'emploi du centre de contrôle.
Placer l'interrupteur hora sur la partie « marche » (section A de la figure 2, 0 à 4 heures). Le poèle se met en route immédiatement.
1.3.2. Durée de pré-programmation (mise en route programmée)

Placer l'interrupteur hora sur la partie « pré-programmation » (section B de la figure 2, 0 à 8 heures). Le poèle commence àchauffer lorsquel'interrupteur
est revenu sur la section « marche ». Ensuite, le poèle reste allumé pendant environ quatre heures.
Exemple : Vous souhaitez aller vous promener pendant trois heures et profiter ensuite d'une séance de sauna. Placez l'interrupteur hora sur le chiffre 2 de la section « pré-programmation »
La minuterie se met en marche. Au bout de deux heures, le poèle commence àCHAuffer. Comme le sauna est chauffé en une heures environ, il sera prét pour votre séance après environ trois heures, c'est-à-dire à votre retour de promenade.
1.3.1. Włęczanie pieca

Le poèle s'arrête lorsque l'interrupteur horsaire revient sur zéro. Il est possible d'éteindre le poèle à tout moment en plaçant soimème l'interrupteur horsaire sur zéro.
Éteindre le poèle après la séance de sauna. Il est parfois conseilé de laisser le poèle en route pendant un certain temps pour faire secher correctement les parties en bois de la cabine.
REMARQUE: Vérifier toujours que le poèle s'est étéint et a arrêté de chauffer lorsque la minuterie a replaced l'interrupteur hora sur zéro.
1.3.4. Réglage de la température
Le thermostat (figure 3) sert à dévelopir la température souhaitée dans la cabine de sauna. Proceder à des essais pour tracer le réglage qui convient le moyen.
Commencer les essais sur la position maximale. Si, pendant la séance de sauna, la température augmente trop, tourner légèrement l'interrupteur dans le sens inverse des aiguilles d'une montre. Remarque : même un petit décalage par rapport à la partie maximale modifiera considérablement la température du sauna.
1.4. Projection de l'eau de vapeur sur les pierres
L'air du sauna devient sec en chauffant. Pour obtenir une humidité convenable, il faut projeter de l'eau sur les pierres brûlantes du poële. La chaleur et la vapeur produit un effet différent d'une personne à l'autre - en procédant à des essais, on peut trouver le niveau de température et d'humidité qui convient le mieux.
REMARQUE: La contentance de la louche utilisée ne doit pas excéder 2 dl. Ne pas projeter ou verser une quantité d'eau plus importante en une seule fois. En effet, lors de l'évaporation, l'excédent d'eau bouillante pourrait éclabousser les personnes représentes dans le sauna. Veiller aussi à ne pas projeter d'eau sur les pierres lorsque celui un se trouve à proximé du poèle, la vapeur bouillante risquant de cause des brûlures.
REMARQUE: N'utiliser que de l'eau replissant les exigences de qualité de l'eau domestique (tableau 1). Pour aromatiser l'eau de vapeur, n'utiliser que des essences prévues à cet effet. Suivre les consignes figurant sur l'emballage.
1.5. Conseils pour la séance de sauna
- Commencer la séance de sauna en se lavant.
- S'asseoir dans le sauna et profiter de la vapeur aussi longtemps que cela reste/agréable.
- Oublier le stress et se détendre!
- Le code des bonnes manieres dans un sauna préconise de ne pas déranger les autres par un comportement bruyant.
- Ne pas faire fuir les autres occupants en projetant une quantité excessive d'eau de vapeur.
- Se rafraîchir la peau afin de la refroidir. Les personnes en bonne santé peuvent profiter d'une baignade rafraîchissante si cela est possible.
- Àprous la séance de sauna, se laver.
- Se reposer, puis se rhabiller. Boire un verre d'eau fraîche ou une boisson gazeuse pour rétablit son équilibre hydrique.
1.6. Avertissements
- Des séances prolongées dans un sauna chaud provoquent une élevation de la température du corps qui peut s'avérer dangereuse.
- Se tener éloigné des pierres et les parties métalliques du poèle. Elles risquent de provoquer des brûlures.
- Tenir les enfants éloignés du poèle.
- Les enfants, les handicapés et les personnes affaiblies ou en mauvaise santé doivent être'accompagnés lors des séances de sauna.
- Il est conseilé de consulter un médecin au cas où les séances de sauna seraient contre-indiquées.
- Discuter avec un pédiatre de la participation évientuelle d'enfants en bas âge aux séances de sauna (âge, température du sauna, durée des séances ?)
- Toujours se déplacer avec la plus grande prudence, les bancs et le sol pouvant être glissants.
- Ne pas prendre un sauna sous l'effet de produits narcotiques (alcohol, médicaments, drogues etc.).
- Ne jamais dormir dans un sauna chaud.
- L'air marin et humide est susceptible d'avoir une action corrosive sur les surfaces métalliques.
- Ne pas utiliser le sauna pour y faire sécher du linge sous peine de provoquer un incendie ou d'endommager les pièces électriques en raison de l'humidité excessive.
1.7. Dépannage
REMARQUE! Toutes les opérations d'entretien doivent étres réalisées par un professionnel de la maintenance.
Le poèle nechauffe pas.
- Vérifier que les fusibles du poèle sont en bon état.
- Vérifier que le cable de raccordement est branché (3.3.).
- Placer l'interrupteur hora sur la partie « marche » (1.3.1.).
- Augmenter le réglage du thermostat (1.3.4.).
- S'assurer que la sécurité-surchauffe est toujours en place. L'interrupteur horsaire fonctionne mais le poèle ne chauffe pas. (3.5.)
La cabine de sauna chauffe doucement. L'eau versée sur les pierres du poèle refroidit trop
- Vérifier que les fusibles du poèle sont en bon état.
- Vérifier que toutes les résistances s'allument lorsque le poèle est allumé.
Augmenter le réglage du thermostat (1.3.4.). - Vérifier que le poète est suffisamment puissant (2.3.).
- Vérifier les pierres du poèle (1.1.). Des pierres en piles trop serrées, le tassement progressif des pierres ou un type de pierres inadapté risquent de générer le flux d'air qui traverse le poèle et ainsi de limiter son efficacité.
- Vérifier que la ventilation de la cabine de sauna est adaptée (2.2.).
La cabine de sauna chauffe rapidement, mais la température des pierres reste insuffisante. L'eau versée sur les pierres passé à travers.
- Baisser le réglage du thermostat (1.3.4.).
- Vérifier que le poèle n'est pas trop puissant (2.3.).
- Vérifier que la ventilation de la cabine de sauna est adaptée (2.2.).
La cabine de sauna neCHAUFFE pas de façon uniforme.
- Vérifiez que le poèle a été installé à la bonne hauteur. Le poèleCHAFFE le moins le sauna lorsqu'il est installé à 100 mm du sol. La hauteurd'installation maximale est de 200 mm. (3.2.)
Le panneau ou les autres matériaux proches du poèle noircissant rapidement.
- Vérifier que les distances de sécurité sont respectées (3.1.).
- Vérifier les pierres du poèle (1.1.). Des pierres en piles trop serrées, le tassement progressif des pierres ou un type de pierres inadapté risquent de générer le flux d'air qui traverse le poèle et ainsi d'entrainer la surchauffe des matériaux environnants.
Voir également le paragraphe 2.1.1.
Une odeur se dégage du poèle.
Voir le paragraphe 1.2.
- Lorsqu'il est chaud, le poèle peut accentuer les odeurs générées dans l'air mais qui ne sont pas liées au sauna ni au poèle. Exemples : peinture, colle,GRAISE, assaisonnements.
Le poèle émet du bruit.
- BX: L'interrupteur horsire est un dispositif mécanique qui, en fonctionnement, émet le bruit d'un mécanisme d'horloge. Si l'interrupteur horsire émet ce bruit même lorsque le poèle est étéint, vérifie le câblage de l'interrupteur.
- Des détonations peuvent parfois se faire entendre ; elles sont vraisemblablement dues au craquement des pierres sous l'effet de la chaleur.
- La dilatation thermique des composants du poèle peut entraîner l'émission de bruits lorsque le poèle chauffe.
(2.3).
2.1. Structure de la cabine de sauna
A. Laine isolante, épaissur 50 à 100 mm. La cabine doit être soignement isolée, pour pouvoir mainer le poèle à une température assez BASSE.
B. Protection contre l'humidité, par ex., papier alumi-minium. Placer le côté brillant du papier vers l'intérieur du sauna. Assembler les raccords avec du ruban adhési-falumiain.
C. Espace d'aération d'environ 10 mm entre la protection contre l'humidité et le panneau (recomm
D. Lambris léger de 12 à 16 mm d'épaisseur. Avant d'installer les lambris, vérifier le câblage électrique et les renforts des murs, nécessaires à l'installation du poèle et des banquettes.
E. Espace d'aération d'environ 3 mm entre le mur et le panneau de plafond.
F. La hauteur du sauna est généralement de 2100 à 2300 mm. La hauteur minimale dépend du poèle (voir tableau 2). L'espace entre la banquette supérieure et le plafond ne doit pas dépasser 1 200 mm.
G. Utiliser des revêtements de sol en céramique et des joints en ciment sombres. Les particules dues à la désitégration des pierres du poèle et les impuretés contenues dans l'eau du sauna peuvent noircir et/ou endommager les revêtements de sol fragiles.
REMARQUE: demander aux autorités de lutte contre l'incendie quelles parties de la paroi-coupe feu peuvent être isolées. Les conduits de fumée utilisés ne doivent pas être isolés.
REMARQUE: les plaques de protection légères montées directement contre le mur ou le plafond représentent un risque d'incendie.
2.1.1. Noircissement des murs du sauna
Avec le temps, i est tout à fait normal que les surfaces en bois de la cabine de sauna noircissant. Ce noircissement peut être accéléré par
la lumiere du soleil
- la chaleur du poèle
- les agents de protection appliqués sur les murs (les agents de protection représentent un faisible niveau de résistance à la chaleur)
- les fines particules provenant des pierres du poèle qui sont soulevées par le flux d'air.
L'air de la cabine de sauna doit se renouveler six fois par heures. Le schéma 5 présente différentes options de ventilation de la cabine.
A. Emplacement de la bouche d'air. Pour une ventilation mecanique, placer la bouche d'air au-dessus du poèle. Pour une ventilation par gravité, placer la bouche d'air en dessous ou à côté du poèle. Le diamètre du conduit d'acciviée d'air doit être de 50 à 100 mm.
B. Bouche d'évacuation d'air. Placer la bouche d'évacuation d'air pres du sol, aussi loin que possible du poèle. Le diamètre du conduit d'évacuation d'air doit être le double de celui du conduit d'arrivée d'air. BX-E: Ne pas placer la bouche d'arrivée d'air de manière à ce que le flux d'air refroidisse le capteur de température (voir les instructions d'installation du capteur de température contenues dans les instructions d'installation de l'unité de contrôle) !
C. Bouche d'air facultative pour le séchage (fermée pendant le chauffage et les séances de sauna). Le sauna peut aussi être séché en laissant la porte ouverte après la séance.
D. Si la bouche d'évacuation d'air se trouve dans la salle de toilette, l'espace sous la porte de la cabine doit être au moins de 100~mm . La ventilation mécanique est obligatoire.
2.3. Puisance des poêles
Lorsque les murs et le plafond sont couverts de pan-neaux et que l'iso1ation derriere les panneaux est adap-tee, la puissance du poèle est definite en fonction du volume du sauna. Les murs non isolés (brique, bloc de verre, beton, tuiles, etc.) augmentent le besoin en puissance du poèle. Ajouter 1,2m^3 au volume du sauna pour chaque metre carré de mur non isolé. Par exemple, une cabine de 10m^3 Equipée d'une porte en verre nécessite un puissance équivalente à celle d'une cabine d'environ 12m^3 . Si la cabine est Equipée de murs en madriers, multiplier le volume du sauna par 1,5. Choiser la puissance de poèle adaptée dans le tableau 2.
2.4. Hygiène de la cabine de sauna
Utiliser des serviettes pour banc pendant la séance de sauna, pour éviter que la transpiration ne coule sur les banquettes.
Les banquettes, les murs et le sol du sauna doivent être soigneusement lavés au moins tous les six mois. Utiliser une brosse à recycler et du dédTergent pour sauna.
Essuyer la poussière et la saleté accumulées sur le poèle à l'aide d'un chiffon humide. Éliminer les traces de chaux générées sur le poèle avec une solution d'acide citrique à 10 % et rincer.
3.1. Avant l'installation
Avant de se lancer dans l'installation du poèle, bien dire les consignes et vérifier les points suivants :
- La puissance et le type du poèle à installer sont-ils adaptations au sauna en question? Le volume du sauna ne doit être ni inférieur ni supérieur à celui indiqué dans le tableau 2.
- La tension d'alimentation est-elle adaptée au poèle ?
- L'emplacement du poèle satisfait-il aux exigences de distances de sécurité minimales figurant dans la figure 6 et le tableau 2?
Ces valeurs doivent impérativement être respectées pour évider tout risque d'incendie. Le sauna ne doit être équipé que d'un seul poèle électrique.
3. INSTRUKCJA INSTALLACJI
3.1. Czynnosci wstepne
Tableau 2. Données d'installation
| Le poèle peut être installé dans un renforcement à condition que celui ait une hauteur de 1900 mm au minimum. Piecizrna zainstalować we wędce orysokość minimalnej 1900 milimetrów. | |||
| A min. De la surface latérale au mur, à la rambarde supérieure ou au banc supérieur. Od bocznej sciany obudowy do sciany pomieszczenia. | B min. | C min. De la surface avant au banc supérieur ou à la rambarde supérieurcy. Od przyodu do gornyego podestu. | |
| BX45/BX45E | 35 | 20 | 35 |
| BX60/BX60E | 50 | 30 | 50 |
| BX80/BX80E | 100 | 30 | 80 |
| BX90E | 120 | 40 | 100 |
3.2. Fixation du poète au mur
Voir figure 7.
- À l'aide des vis livrées avec le poèle, fixer la console d'installation du poèle sur le mur. NB! La présence derrière le lambris devant receivevoir les vis de fixation d'une piece de renfort, par exemple une planche supplémentaire, serait obligatoire, pour que les vis soient solidement fixées. Mais s'il n'y a pas de planches de renfort derrière le lambris, il est possible de fixer les vis solidement sur le lambris.
- Lors de la fermeture du couvercle du boîtier de connexion, veillez à ce que le rebord supérieur du couvercle soit bien en place. Si ce n'est pas le cas, de l'eau risque de pénétrer dans le boîtier de connexion.
- La droite ou la gauche du dominance asymétrique deCHAUFFAGE peut être changé également en l'installant sur le mur bâtie.
- Soulever le poèle sur la console fixée contre le mur de telle sorte que les crochets de fixation de la partie inférieure de la console s'encastrent derrière le bord du chassin du poèle et que la rainure de la partie supérieure du poèle se plaque contre la console d'installation. Bloquer le poèle à la hauteur du rebord supérieur contre la console à l'aide de la vis.

Figure 7. Fixation du poèle au mur (toutes les dimensions sont fournies en millimétrés)
Rys. 7. Mocowanie pièca na scianie (wymiary w milimetrach)
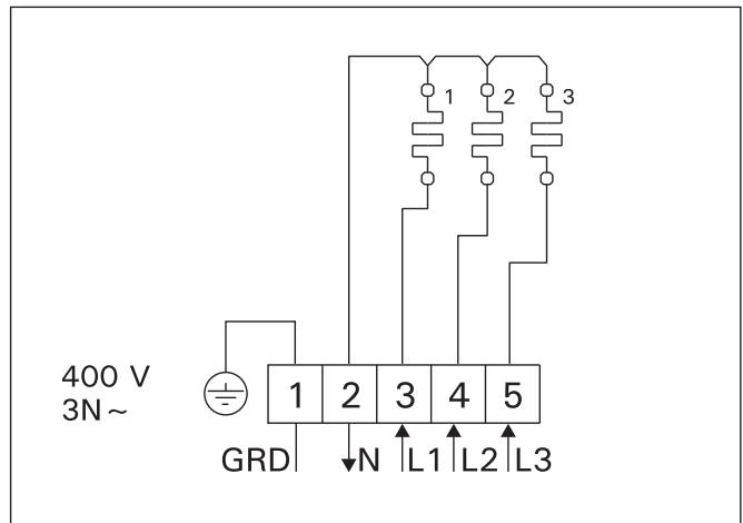
3.3. Raccordement électrique
Le raccordement du poèle au secteur ne doit être réalisé que par un électricien professionnel et conformément aux règlements en vigueur.
- Le poèle est connecté de façon semi-fixe au boîtier de jonction (figure 7: A)itué sur le mur du sauna. Le boîtier de jonction doit êtreétanche aux éclaboussures. Sa hauteur par rapport au sol ne doit pas dépasser 500~mm .
- Le cable de raccordement (figure 7: B) doit être un cable caoutchouté de type H07RN-F ou équivalent. NB! Le recours à un cable isolé en PVC comme cable de raccordement est interdit en raison de sa sensibilité à la chaleur.
- Les câbles de raccordement ou d'installation
arrivant dans le sauna ou dans les murs du sauna, à une hauteur supérieure à 1000 mm du sol, doit supporter, en charge, une température de 170^ au moins (par exemple SSJ). Les équipements électriques installés à une hauteur supérieure à 1000 mm du sol du sauna doivent être homologues pour une'utilisation à température ambiente de 125^ (marquage T125).
- Le centre de commande (poèle BX) est équiné, parallèment aux bornes de secteur, d'une borne (P) permettant le contrôle du chauffage électrique (figure 9). La commande de tension est transmise depuis le poèle lorsque ce dernier est allumé. Le cable de contrôle du chauffage électrique est relié directement au boîtier de jonction du poèle, d'ou il continue au moyen d'un cable de raccordement caoutchoute écais vers le connecteur à ligne du poèle.
3.3.1. Résistance d'isoation du poèle électricque
Lors de l'inspection finale des installations électriques, il est possible que la mesure de la résistance d'isolement du poèle révèle une « fuite », due à l'humidité ambiente qui a pu pénétrer dans la matière isolante des résistances de chauffage (pendant le stockage/transport). L'humidité disparaître des résistances quand le sauna aura été chauffé deux ou trois fois.
Ne pas raccarder l'alimentation du poèle électrique par le disjoncteur différentiel!
3.4. Installation du centre de commande et du capteur (BX-E)
Des consignes détaillées concernant la fixation sur le mur du centre de commande sont fournies avec ce dernier. Installer le capteur de température sur le mur du sauna au dessus du poèle, dans l'axe central de la largeur de ce dernier, à 100 mm du plafond. Figure 6.
Ne pas placer la bouche d'arrivée d'air de manière à ce que le flux d'air refroidisse le capteur de température. Figure 5.
3.5. Réinitialisation de la sécurité surchauffe
Si la température de la cabine de sauna devient dangereusement élevée, la sécurité-surchauffe coupe définitivement l'alimentation du poèle. Il est possible de remettre la sécurité-surchauffe à zéro lorsque le poèle a refroidi.
BX
Le bouton de remise à zéro se trouve dans le boîtier de raccordement du poèle (figure 8). Seule une personne habitée à effectuer des installations électriques peutaccomplir cette tâche.
La raison de l'arrêt doit être déterminé avant d'ap-puyer sur le bouton.
- Les pierres se sont-elles effritées et resserrées dans le compartment à pierres?
- Le poèle est-il resté longtemps sans être utilisé ?
- Le capteur du thermostat est-il mal place ou casseté?
- Le poèle a-t-il été soumis à un choc violent (par exemple durant le transport)?
BX-E
Voir les instructions d'installation du centre de contrôle.

Figure 10. Raccordements électriques du poèle (BX-E)
Rys. 10. Schemat elektryczny (BX-E)

Figure 11b. Centre de commande C90 et raccords électriques du poèle BX-E
Rys. 11b. Schemat elektryczny pieca typu BX-E i modulu sterujacego C90

Notice Facile