MF 140 C1 - Chauffage S.PLUS - Notice d'utilisation et mode d'emploi gratuit
Retrouvez gratuitement la notice de l'appareil MF 140 C1 S.PLUS au format PDF.
| Type d'appareil | Générateur d'air chaud |
| Combustible | Fioul |
| Modèles | MF 100 C1, MF 140 C1, MF 200 C1 |
| Tension d'alimentation | Tri 400 V + N + Terre |
| Fonctionnalités | Chauffage, ventilation, rafraîchissement |
| Usage | Usage domestique ou professionnel |
| Installation | Fixe |
| Type de ventilation | Forcée |
| Matériau du corps | Non précisé |
| Dimensions | Non précisé |
| Poids | Non précisé |
| Maintenance | Entretien régulier recommandé |
| Sécurité | Conforme aux normes électriques |
| Garantie | Non précisé |
| Fabricant | Non précisé |
FOIRE AUX QUESTIONS - MF 140 C1 S.PLUS
Téléchargez la notice de votre Chauffage au format PDF gratuitement ! Retrouvez votre notice MF 140 C1 - S.PLUS et reprennez votre appareil électronique en main. Sur cette page sont publiés tous les documents nécessaires à l'utilisation de votre appareil MF 140 C1 de la marque S.PLUS.
MODE D'EMPLOI MF 140 C1 S.PLUS
NB: Cet appareil fonctionne en TRI 400V + N + Terre.
Afin d'utiliser le générateur, nous vous prions de lire attentivement toutes les instructions pour l'emploi, mentionnées ci-après, et d'en suivre scrupuleusement les indications.
Le constructeur n'est pas responsable des dommages aux choses et/ou personnes dus à une utilisation impropre de l'appareil.
Ref. MFC1 2/102009/U
Notice destinée à l'utilisateur et à l'installateur
1.1 Risques dérivants d'une mauvaise utilisation de l'appareil 1.2 Instructions pour la sécurité 1.3 Précautions générales 1.4 Émissions 1.5 Prévention des risques 1.6 Utilisation de l'appareil 1.7 Précautions à prendre pour l'installation 1.8 Mesures
3 - Instructions pour l'utilisation
3.1 Allumage 3.2 Arrêt
1.1 Risques dérivants d'une mauvaise utilisation de l'appareil
Le générateur d'air chaud comprend des dispositifs de sécurité testés et approuvés. Une mauvaise utilisation de l'appareil peut être dangereuse pour l'utilisateur et pour les autres appareils branchés sur la même installation électrique. Les personnes s'occupant de l'installation, de l'utilisation et de l'entretien de l'appareil doivent suivre les instructions contenues dans ce manuel.
Attention!
Ceci indique une situation de danger possible. Le non-respect d'une instruction marquée de ce symbole peut entraîner des dommages aux personnes et aux objets.
Important!
Indique une instruction ou une série d'informations importantes pour un fonctionnement sur de l'appareil.
1.3 Précautions générales
Les générateurs d'air chaud avec cheminée peuvent être utilisés dans des locaux fermés où les personnes se trouvent en permanence. Les gaz d'échappement doivent être rejetés à l'extérieur par le biais d'une cheminée.
Attention!
Ne pas installer l'appareil dans des locaux contenant des produits explosifs ou à proximité d'une flamme
Attention!
Les gaz d'échappements chauds peuvent provoquer des incendies. Respecter les distances minimales de sécurité des matériaux inflammables.
1.4 Émissions
Le niveau de la pression acoustique de la gamme des générateurs d'air chaud est inférieure au 80 dB(A). Le contenu de CO dans les gaz d'échappement est inférieur aux valeurs maximales des normes en vigueur.
1.5 Prévention des risques
Le générateur d'air chaud brûle du gazole dans une chambre de combustion fermée. Les gaz d'échappement produits sont rejetés vers l'extérieur par le biais d'une cheminée. L'air chaud est soufflé à l'extérieur par un ventilateur hélicoidal ou centrifuge. Le ventilateur est protégé par une grille placée dans la section d'entrée de l'air. Le fonctionnement de l'appareil sans la grille peut provoquer des lésions ou dommages aux personnes ou aux objets qui sont en contact avec les ailes rotatives. La section d'entrée et de sortie de l'air doit être toujours dégagée pour éviter le surchauffage de l'appareil. Les gaz d'échappement chauds peuvent provoquer des incendies s'ils sont en contact direct avec des matériaux inflammables. Avant d'effectuer n'importe quelle intervention d'entretien ou de nettoyage, débranchez l'appareil. Ne jamais utiliser l'appareil pour une utilisation autre que celle pour laquelle il a été conçu (chauffage, ventilation).
1.6 Utilisation de l'appareil
Les générateurs d'air chaud doivent être utilisés seulement par des personnes compétentes et entrainées pour l'utilisation de ces appareils. Les utilisateurs doivent tout particulièrement lire et comprendre le contenu de ce manuel avant d'utiliser l'appareil.
1.7 Précautions à prendre pour l'installation
Les appareils doivent être installés en position stable sur un plan horizontal, à l'abri de tout choc.
Attention!
S'assurer que l'appareil soit installé d'une façon à ne pas obstruer les sections d'entrées/sorties d'air et contrôler qu'elles soient toujours dégagées durant le fonctionnement.
1.8 Mesures de protection
La grille postérieure sur la bouche d'aspiration d'air empêche les contacts accidentels avec les personnes ou les objets lorsque le ventilateur tourne.
Attention!
Durant le fonctionnement, le ventilateur peut tourner automatiquement. La grille postérieure doit être enlevée seulement par une personne qualifiée pour les interventions d'entretien ou de réparation. Lors de l'exécution de cette opération, l'appareil ne doit pas être sous tension.
Instructions pour l'installation
Attention!
Les générateurs d'air chaud sont projetés pour le fonctionnement avec brûleur à gasoil. Le brûleur doit être branché à l'appareil et au circuit d'alimentation du combustible par un installateur qualifié selon les instructions décrites sur le manuel du brûleur et les normes de sécurité en vigueur.
Attention!
Les gaz à échappement sont très nuisibles si ils sont émis dans un local fermé où se trouvent des personnes ou des animaux. Brancher tous les appareils à une cheminée pour le rejet des fumées à l'extérieur.
Attention!
Les gaz d'échappement chauds peuvent provoquer des incendies. Il est interdit d'utiliser l'appareil dans des locaux où il y a risque d'explosion ou à proximité d'une flamme.
Pour l'installation de l'appareil dans le domaine du bâti ment ou agricole, les lois en vigueur sur la sécurité et sur la protection contre les accidents doivent être respectées. Il est conseillé tout particulièrement de respecter les distances minimales de sécurité des produits inflammables comme suit :
Lateral :
côte entrée air: 0.60m
Supérieur:
2.00m
côté sortie d'air :
L'appareil peut être utilisé sans cheminée seulement dans des endroits à l'air libre.
3 - Utilisation de l'appareil
Avant d'utiliser l'appareil, contrôler tous si le câble d'alimentation n'est pas endommagé. Le câble d'alimentation pourra être changé seulement par une personne qualifiée.
3.1 Allumage
L'appareil peut être utilisé avec ou sans thermostat. S'il y a un thermostat, enlever le capuchon de la prise du thermostat et introduire la fiche de ce dernier dans la prise. Brancher le câble d'alimentation à une prise de courant. Pour les modèles avec moteur triphasé, une prise triphasée 400V avec fil neutre et fil mise à terre est nécessaire. Relier l'appareil à une cheminée ou à une tuyauterie pour le rejet des gaz d'échappement vers l'extérieur. S'assurer qu'il y a un tirage d'au moins 0.1 mbar. S'il y a un thermostat, le régler à la température désirée. Mettre le commutateur sur la position (chauffage). De cette manière, le brûleur s'allume et après un préchauffement de quelques secondes, le ventilateur se déclenche.
Ventilation.
Brancher le câble d'alimentation de l'appareil à une prise de courant. Mettre le commutateur sur la position (ventilation).
Chauffage
- Mettre le commutateur sur la position « 0 ». Le brûleur s'éteint, le ventilateur continue à tourner pour refroidir la chambre de combustion et s'arrête automatiquement.
Ventilation
Mettre le commutateur sur la position « 0 »
4 - Entretien
Les interventions d'entretien sur l'appareil doivent être exécutées exclusivement par une personne qualifiée. Une intervention de nettoyage complet de l'appareil doit être effectuée tous les 12 mois, plus fréquemment si l'appareil est utilisé dans des endroits poussiéreux.
Attention!
L'entretien de l'installation électrique est réservé au Service de l'Assistance Technique ou à une personne qualifiée.
| PROBLEME | CAUSE | SOLUTION |
| Le brûleur ne s'allume pas. | Fiche non introduite.Câble défectueux.Thermostat sur température basée.Capuchon prise thermostat non introduit.Intervention du thermostat de sécurité. | Introduire la fiche.Contrôler le cable.Régler sur une température plus haute.Introduire le capuchon.Essayer d'éliminer les causes du surchauffement et réarmer le thermostat. |
| Le brûleur démarre,la flamme ne s'allume pas, l'appareil sebloque. | Buse du brûleur bouchée.Electrode défectueuse.Dispositif contrôle de flammedéfectueux. | S'adresser au Service d'Assistance Technique.S'adresser au Service d'Assistance Technique.S'adresser au Service d'Assistance Technique. |
| Le brûleur démarreet s'allume, l'appareil sebloque. | Peu de gasoil dans le réservoir.La pompé gasoil ne donne pas de pression.Les tuyaux gasoil n'ont pas détanchéité, la pompe aspire l'air. | Remplir le réservoir.S'adresser au Service d'Assistance Technique.Serrer les raccords. |
| Le brûleur démarredémarre mais lacombustion n'estpas bonne. | Les tuyaux gasoil n'ont pas détanchéité, la pompé aspire l'air.La pompé gasoil donne peu de pression.La photocellule reçoit peu de lumière ou est défectueuse.Mauvais réglage de l'air. | Serrer les raccords.S'adresser au Service d'Assistance Technique.S'adresser au Service d'Assistance Technique.S'adresser au Service d'Assistance Technique. |
6 - CHARACTERISTIQUES TECHNIQUES
| Puisance kW | Rendement % | Débit d'air m 3/h | Pression disponible Vent. mm CE | Niveau sonore dba | Puisance électrique W | Tension électrique (50HZ) | Consommation fioul l/h | Intensité A | |
| MF 110 C1 | 103 | 90,3 | 8500 | 45 | 75 | 1200 | Mono 230 | 10,27 | 6,8 |
| MF 140 C1 | 145 | 90,3 | 11000 | 52 | 77 | 2300 | 400 V + N | 14,44 | 5,6 |
| MF 200 C1 | 195 | 90,3 | 14000 | 53 | 79 | 3100 | 400 V + N | 19,45 | 7,2 |
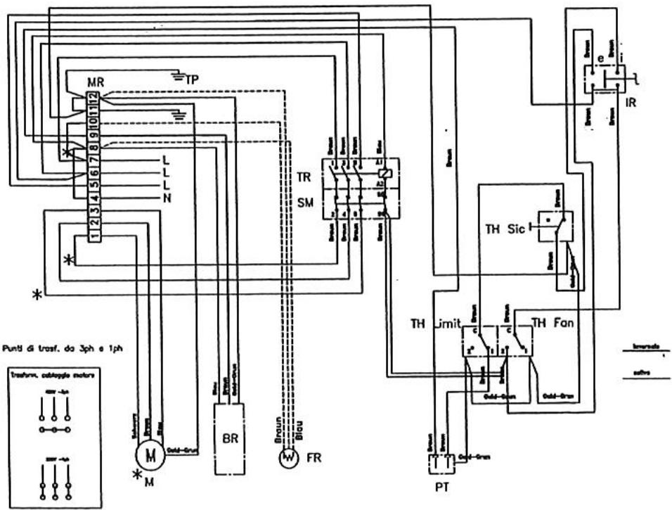
Brûleur Interrupteur Moteur ventilateur Barrette de raccordement Socle thermostat Protection thermique Thermostat "Limit" "Fan" Terre Contacter Antiparasite Condensateur
Transformation de Triphase à Monophasé
-Faire pont entre 3 et 4 - Monter un condensateur 80 MF et enlever les fils venant de SM brancher sur 1 et 3 - Enlever le pont entre 7 et 10 et le mettre entre 6 et 10 - Modifier barrettes moteur

BR Bruleur IR Interrupteur M Moteurventilateur MR Barrette de raccordement PT Socle prise thermostat SM Protection thermique TH Thermostat "Limit" "Fan" TP Témé TR Contacteur FR Antiparasite C Condensateur
Transformation de Triphase à Monophasé
- Connecter les 3 phases sur bornes 5-6-7
- Enlever le pont entre 3 et 4
- Enlever le condensateur 80 MF
- Connecter les câbles de SM sur 1 et 3
- Enlever le point entre 6 et 10 et le mettre entre 7 et 10
- Modifier barrettes moteur
Notice Facile