MF 100 C1 - Chauffage S.PLUS - Notice d'utilisation et mode d'emploi gratuit
Retrouvez gratuitement la notice de l'appareil MF 100 C1 S.PLUS au format PDF.
| Type d'appareil | Générateur d'air chaud |
| Combustible | Fioul |
| Modèles | MF 100 C1, MF 140 C1, MF 200 C1 |
| Tension d'alimentation | Tri 400 V + N + Terre |
| Fonctionnalités | Chauffage, ventilation, rafraîchissement |
| Utilisation | Intérieur |
| Type de montage | Non précisé |
| Puissance thermique | Non précisé |
| Débit d'air | Non précisé |
| Dimensions | Non précisé |
| Poids | Non précisé |
| Matériaux | Non précisé |
| Type de ventilation | Non précisé |
| Consommation énergétique | Non précisé |
| Maintenance | Manuel d'utilisation et d'entretien fourni |
| Sécurité | Respect des consignes d'utilisation |
FOIRE AUX QUESTIONS - MF 100 C1 S.PLUS
Téléchargez la notice de votre Chauffage au format PDF gratuitement ! Retrouvez votre notice MF 100 C1 - S.PLUS et reprennez votre appareil électronique en main. Sur cette page sont publiés tous les documents nécessaires à l'utilisation de votre appareil MF 100 C1 de la marque S.PLUS.
MODE D'EMPLOI MF 100 C1 S.PLUS
NB: Cet apparéil fonctionne en TRI 400V + N + Terre.
Afin d'utiliser le générateur, nous vous prions de dire attentivement toutes les instructions pour l'emploi, mentionnées ci-après, et d'en suivre scrupuleusement les indications.
Le constructeur n'est pas responsable pour les dommages aux choses et/ou personnes dus à une utilisation impropre de l'appareil.
Ref.MFC1 2/102009/U
Notice destinée à l'utilisateur et à l'installateur
1.1 Risques dérivants d'une mauvaise'utilisation de l'appareil
1.2 Instructions pour la sécurité
1.3 Précautions generales
1.4 Emissions
1.5 Prévention des risques
1.6 Utilisation de l'appareil
1.7 Précautions à prendre pour l'installation
1.8 Mesures
2 - INSTRUCTIONS POUR L'INSTALLATION
3 - INSTRUCTIONS POUR L'UTILISATION
3.1 Allumage
3.2 Arret
4-ENTRETIEN
5 -GUIDE ALA RESOLUTION DES PROBLEMES
6 - CHARACTERISTIQUES TECHNIQUES
1.1 Risques dérivants d'une mauvaise'utilisation de l'appareil
Le générateur d'air chaud comprend des dispositifs de sécurité testé et approvés.
Une mauvaise utilisation de l'appareil peut'être dangereuse pour l'utilisateur et pour les autres apparèils branchés sur la même installation électrique.
Les personnes s'occupant de l'installation, de l'utilisation et de l'entretien de l'appareil doivent suivre les instructions contenues dans ce manuel.
1.2 Instructions de sécurité
Attention!
Ceci indique une situation de danger possible. Le non respect d'une instruction marquee de ce symbole peut entrainer des dommages aux personnes et aux objets.
Important!
Indique une instruction ou une série d'informations importantes pour un fonctionnement sur de l'appareil.
1.3 Précautions generales
Les générateurs d'air chaud avec cheminée peuvent être utilisés dans des locaux fermés où les personnes se trouvent en permanence. Les gaz d'échéppement doivent être rejetés à l'extérieur par le biais d'une cheminée.
Attention!
Ne pas installer l'appareil dans des locaux contenant des produits explosifs ou a proximé d'une flamme
Attention!
Les gaz d'échéements chauds peuvent provoquer des incendies. Respecter les distances minimales de sécurité des matériaux inflammables.
1.4 Emissions
Le niveau de la pression acoustique de la gamme des générateurs d'air chaud est inférieure au 80 dB(A).
Le contenu de CO dans les gaz d'échévement est inférieur aux valeurs maximales des normes en vigueur.
1.5 Préventions des risques
Le générateur d'air chaud brule du gasoi dans une chambre de combustion fermée. Les gaz d'échévement produits sont rejetés vers l'extérieur par le biais d'une cheminée. L'air chaud est souffle à l'extérieur par un ventilateur helicoidal ou centrifuge.
Le ventilateur est protégé par une grille placée dans la section d'entrée de l'air. Le fonctionnement de l'appareil sans la grille arrêté peut provoquer des léasons ou dommages aux personnes ou aux objets qui sont en contact avec les ailes rotatives.
La section d'entrée et de sortie de l'air doit être toujours dégagée pour éviter le surchauffement de l'appareil.
Les gaz d'échévement chauds peuvent provoquer des incendies s'ils sont en contact direct avec des matériaux inflammables.
Avant d'effectuer n'importe qu'elle intervention d'entretien ou de nettoyage, débranché l'appareil.
Ne jamais utiliser l'appareil pour une'utilisation autre que celle pour lequel il a été concu (chauffage, ventilation).
1.6 Utilisation de l'appareil
Les générateurs d'air chaud doivent être utilisés seulement par des personnes compétentes et entrainées pour l'utilisation de ces apparêls. Les utilisateurs doivent tout particulièrement dire et comprendre le contenu de ce manuel avant d'utiliser l'appareil.
1.7 Précautions à prendre pour l'installation
Les apparèils doivent être installées en position stable sur un plan horizontal, à l'abri de tout choc.
Attention!
S'assurer que l'appareil soit installé d'une façon à ne pas obstruer les sections d'entrees/sortie d'air et contrôle qu'elles soient toujours dégagées durant le fonctionnement.
1.8 Mesures de protection
La grille postérieure sur la bouche d'aspiration d'air empêche les contacts accidentels avec les personnes ou les objets lorsque le ventilateur tourne.
Attention!
Durant le fonctionnement, le ventilateur peut tourner automatique. La grille postérieure doit etre enlevee seulement par une personne qualifie pour les interventions d'entretien ou de reparation. Lors de l'execution de cette operation, l'appareil ne doit pas etre sous tension.
2 - INSTRUCTIONS POUR L'INSTALLATION
Attention!
Les générateurs d'air chaud sont projetés pour le fonctionnement avec brûleur à gasoil. Le brûleur doit être branché à l'appareil et au circuit d'alimentation du combustible par un installateur qualifié selon les instructions décrites sur le manuel du brûleur et les normes de sécurité en vigueur.
Attention!
△ trouvent des personnes ou des animaux. Brancher always les appeareils a une cheminée pour le rejet des fumées à l'extérieur.
Attention!
Les gaz d'échévement chauds peuvent provoquer des incendies. Il est interdit d'utiliser l'appareil dans des locaux où il y a risque d'explosion ou à proximé d'une flamme.
Pour l'installation de l'apparéil dans le domaine du baliment ou agricole, les lois en vigueur sur la sécurité et sur la protection contre les accidents doivent être respectées. Il est conseillé tout particulièrement de respecter les distances minimales de sécurité des produits inflammables comme suit :
Lateral :
0.60 m
cote entrée air: 0.60m
Supérieur:
2.00m
côte sortie air:
2.00 m
L'appareil peut-etre utilise sans cheminée seulement dans des endroits à l'air libre.
3 - UTILISATION DE L'APPAREIL
> Important!
Avant d'utiliser l'appareil, contrcler tous si le cable d'alimentation n'est pas endommage.
Le cable d'alimentation pourra etre change seulement par une personne qualifie.
3.1 Allumage
L'appareil peut'être utilisé avec ou sans thermostat. S'il y a un thermostat, enlever le capuchon de la prise du thermostat et introduire la fiche de ce dernier dans la prise
Brancher le cable d'alimentation à une prise de courant.
Pour les modèles avec moteur triphasé, une prise triphasée 400V avec fil neutre et fil mise à terre est nécessaire.
Relier l'appareil à une cheminée ou à une tuyauterie pour le rejet des gaz d'échéppement vers l'extérieur. S'assurer qu'il y a un tirage d'au moins 0.1 mbar. S'il y a un thermostat, le régler à la température désirée.
Mettre le commutateur sur la position (chauffage). De cette manière, le brûleur s'allume et après un préchauffement de quelques secondes, le ventilateur se déclenché.
Ventilation.
Brancher le cable d'alimentation de l'appareil à une prise de courant. Mettre le commutateur sur la position * (ventilation).
3.2 Arrêt
Chauffage
- Mettre le commutateur sur la position « 0 ». Le brûleur s'éteint, le ventilateur continue à tourner pour refroidir la chambre de combustion et s'arrête automatiquement.
Ventilation
Mettre le commutateur sur la position 0
4 - ENTRETIEN
> Important!
Les interventions d'entretien sur l'appareil doivent etre executees exclusivement par une personne qualifiee.
Une intervention de nettoyage complet de l'appareil doit être effectue tous les 12 mois, plus frequently si l'appareil est utilisé dans des endroits poussiereux.
5 - RESOLUTION DES PROBLEMES
Attention!
A
L'entretien de l'installation électrique est réservé au Service de l'Assistance Technique ou à une personne qualifiée.
| PROBLEME | CAUSE | SOLUTION |
| Le brûleur ne s'allume pas. | Fiche non introduite.Câble défectueux.Thermostat sur température basée.Capuchon prise thermostat non introduit.Intervention du thermostat de sécurité. | Introduire la fiche.Contrôler le cable.Régler sur une température plus haute.Introduire le capuchon.Essayer d'éliminer les causes du surchauffement et réarmer le thermostat. |
| Le brûleur démarre,la flamme ne s'allume pas, l'appareil sebloque. | Buse du brûleur bouchée.Electrode défectueuse.Dispositif contrôle de flammedéfectueux. | S'adresser au Service d'Assistance Technique.S'adresser au Service d'Assistance Technique.S'adresser au Service d'Assistance Technique. |
| Le brûleur démarreet s'allume, l'appareil sebloque. | Peu de gasoil dans le réservoir.La pompe gasoil ne donne pas de pression.Les tuyaux gasoil n'ont pas détanchéité, la pompe aspire l'air. | Remplir le réservoir.S'adresser au Service d'Assistance Technique.S'adresser les raccords. |
| Le brûleur démarredémarre mais lacombustion n'estpas bonne. | Les tuyaux gasoil n'ont pas détanchéité, la pompe aspire l'air.La pompe gasoil donne peu de pression.La photocellule reçoit peu de lumière ou est défectueuse.Mauvais réglage de l'air. | S'adresser au Service d'Assistance Technique.S'adresser au Service d'Assistance Technique.S'adresser au Service d'Assistance Technique. |
6 - CHARACTERISTIQUES TECHNIQUES
| Puisance kW | Rendement % | Débit d'air m 3/h | Pression disponible Vent. mm CE | Niveau sonore dba | Puisance électrique W | Tension électrique (50HZ) | Consommation fioul l/h | Intensité A | |
| MF 110 C1 | 103 | 90,3 | 8500 | 45 | 75 | 1200 | Mono 230 | 10,27 | 6,8 |
| MF 140 C1 | 145 | 90,3 | 11000 | 52 | 77 | 2300 | 400 V + N | 14,44 | 5,6 |
| MF 200 C1 | 195 | 90,3 | 14000 | 53 | 79 | 3100 | 400 V + N | 19,45 | 7,2 |
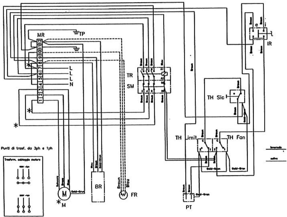
BR Bruleur
IR Interrupteur
M Moteur ventilateur
MR Barrette de raccordement
PT Socle pristhermostat
SM Protection thermique
TH Thermostat "Limit" "Fan"
TP Terre
TR Contacteur
FR Antiparasite
C Condensateur
Transformation de Triphase à Monophasé
-Faire pont entre 3 et 4
- Monter un condensateur 80 MF et enlever les fils venant de SM brancher sur 1 et 3
- Enlever le pont entre 7 et 10 et le mettre entre 6 et 10
- Modifier barrettes moteur

BR Bruleur
IR Interrupteur
M Moteurventilatour
MR Barrette de raccordement
PT Socle prisethermostat
SM Protection thermique
TH Thermostat "Limit""Fan"
TP Teme
TR Contacteur
FR Antiparasite
C Condensateur
Transformation de Triphase à Monophasé
- Connecter les 3 phases sur bornes 5-6-7
- Enlever le pont entre 3 et 4
- Enlever le condensateur 80 MF
- Connecter les cables de SM sur 1 et 3
- Enlever le point entre 6 et 10 et leMETRE entre 7 et 10
- Modifier barrettes moteur
Notice Facile