ELP 9 - Chauffage électrique S.PLUS - Notice d'utilisation et mode d'emploi gratuit
Retrouvez gratuitement la notice de l'appareil ELP 9 S.PLUS au format PDF.
| Type d'appareil | Chauffage électrique portable |
| Modèles | ELP 3, ELP 9, ELP 15 |
| Puissance | Non précisé |
| Alimentation | Électrique |
| Fonctionnalités | Chauffage, ventilation, rafraîchissement |
| Commandes | Manuelles (boutons rotatifs) |
| Type de chauffage | Électrique par résistance |
| Mobilité | Portable avec poignée de transport |
| Protection | Grille de sécurité avant |
| Utilisation | Intérieur |
| Ventilation | Incluse |
| Dimensions | Non précisé |
| Poids | Non précisé |
| Type de prise | Standard électrique |
| Sécurité | Non précisé |
| Garantie | Non précisé |
FOIRE AUX QUESTIONS - ELP 9 S.PLUS
Questions des utilisateurs sur ELP 9 S.PLUS
0 question sur cet appareil. Repondez a celles que vous connaissez ou posez la votre.
Poser une nouvelle question sur cet appareil
Téléchargez la notice de votre Chauffage électrique au format PDF gratuitement ! Retrouvez votre notice ELP 9 - S.PLUS et reprennez votre appareil électronique en main. Sur cette page sont publiés tous les documents nécessaires à l'utilisation de votre appareil ELP 9 de la marque S.PLUS.
MODE D'EMPLOI ELP 9 S.PLUS
Notice d'utilisation
Avant d'utiliser cet apparéil, lisez attentivement les instructions contenues dans cette notice.
Notice destinée à l'installateur et à l'utilisateur
I - GÉNÉRALITÉS
Les aérothermes ELP fonctionnent en triphase 400V avec prise de terre (ELP 9 - ELP 15) ou monophasé avec prise de terre pour le modele ELP 3.
L'aerotherme ELP 9 - ELP 15 fonctionne sans neutre, il peut etre utilise sur une installation avec ou sans neutre.
Vérifiez l'etat et le fonctionnement de l'appareil lors du déballage, seuils les defaults d'origine sont couverts par la garantie. S.PLus n'assume aucune responsabilité due a un mauvais fonctionnement ou a une panne provoqués par une utilisation inadéquate de l'appareil ou par une installation non conforme à ces instructions.
Instructions d'utilisation
Avant de brancher votre apparéil, vérifier que la tension et la puissance de votre installation électrique permette le fonctionnement de votre apparéil. Vérifier que les protections en tête de ligne soient adaptées, conformément aux normes en vigueur (C15100 notamment).
II - MISE EN MARCHE
- Avant de brancher l'appareil au réseau électrique, placer les commandes-sélecteurs et thermostat en position 0.
- Brancher votre apparéil.
- Sélectionner selon les besoini la position de fonctionnement à l'aide du sélecteur.
- Placer la commande thermostat sur la position désirée.
- A la demande du thermostat, les résistances chauffent et le ventilateur démarre.


Sélecteur de fonctionnement
ELP 3 Position 1 = Ventilationseule(mettrelthermostatau maxi)
Position 2 = Puissance 12 + Ventilation
Position 3 = Puissance maxi + Ventilation
Position 0 = Arrêt
ELP 9 Position 1 = Puissance 12 + Ventilation reduite
ELP 15 Position 2 = Puissance maxi + Ventilation reduite Position 3 = Puissance maxi + Ventilation reduite Position 4 = Ventilation seule (mettre le thermostat au maxi) Position 0 = Arrêt
III - DISPOSITION DE SECURITE CONTRE LES SURCHAUFFES
Les aérothermes sont munis d'un thermostat de surchauffe à réarmement manuel qui arrête automatiquement l'appareil en cas de surchauffe.
En cas d'arrêt dû à une surchauffe, le moteur de ventilation continue de fonctionner pendant une minute environ afin d'éliminer les calories. ÀpRES un arrêt par surchauffe, procédér comme suit pour remettre l'appareil en marche :
Laisser refroidir l'appareil.
Vérifier qu'il n'y ait pas d'accumulation sur les grilles et, si nécessaire, les nettoyer après avoir débranché l'appareil ou éliminer les causes de surchauffe (obstacle à l'avant ou à l'arrête par exemple).
Appuyer sur le bouton de réarmement manuel à l'aide d'une pointe, l'appareil redémarre.
Si le problème persiste, contacter votre Service Àprous Vente.
Thermostat

Bouton de réarmement du thermostat de surchauffe
IV-CARACTERISTIQUES TECHNIQUES
| Tension | Ampérage | Puisance kW | Dimensions L + P + H | Poids kG | Débit au m3/h | ΔT°C | |
| ELP 3 | Mono 230 V | 14 | 1,5 / 3 | 270 × 350 × 380 | 7,6 | 400 | 22 |
| ELP 9 | Tri 400 V | 14 | 4,9 / 9 | 440 × 350 × 480 | 12,2 | 620 / 670 | 37 |
| ELP 15 | Tri 400 V | 23 | 7,5 / 15 | 480 × 410 × 530 | 16,8 | 1110 / 1350 | 58 |
V - RECOMMANDATIONS SECURITE
- Avant toute connexion, vérifier que la tension du réseau correspond bien à cette indiquée sur la plaque signalétique.
L'appareil doit être installé/utilisé conformément aux normes en vigueur.
Le reseau electrique devra etre muni d'une prise de terre. - Placer l'appareil à l'abri des projections d'eau dans une zone bien dégagée et laisser libre l'avant et l'arrière de l'appareil pour permettre une bonne circulation de l'air, et éviter une mise en sécurité par surchauffe.
L'appareil doit être placé de telle façon que la prise électrique soit accessible. - Débrancher l'appareil avant toute intervention de dépannage.
Le cable electrique ne devra pas etre situé dans la veine de soufflage de l'appareil ou au contact d'un mur. - Ne pas placer l'appareil directement sous une prise de courant.
- En utilise "mobile", ne pas utiliser l'appareil à proximé d'une baignoire, d'une douche ou d'une piscine.
- En utilisation "murale", les boutons de commande ou l'interrupteur de ligne ne devront pas etre accessibles depuis une baignoire.
- Ne jamais débrancher ou priver de courant un apparéil en fonctionnement. Attendre le refroidissement de l' apparéil soit environ 5 minutes avant de le débrancher.
- Ne pas toucher les commandes de l'appareil avec les mains mouillées.
- Ne pas couvrir l'appareil.
- Ne pas placer l'appareil à proximé de matérielux combustibles ou dangereux.
- Ne pas placer l'appareil sous une étagère.

Avant toute intervention d'entretien, débrancher l'appareil
VI-ENTRETIEN
Nettoyer l'appareil à l'aide d'un chiffon doux, légarement humide. Ne pas utiliser des produits agressifs ou un nettoyant haute pression.
Nettoyer les pales du ventilateur et la grille d'aspiration si nécessaire (air comprimé, pinceau ...).
Vérifier l'etat du cable d'alimentation et de la prise, les replacer eventuellement par un cable de même section et de même longueur. Cette opération doit être executée par un personnel qualifié.
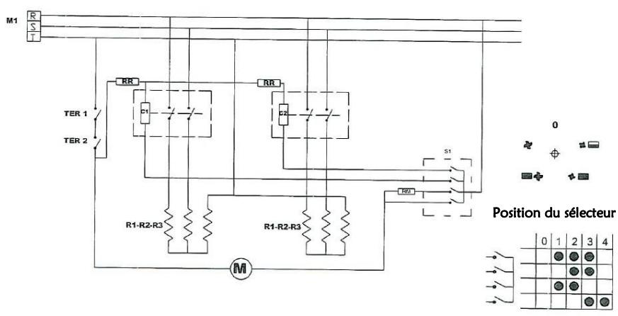
VII - SCHEMAS ÉLECTRIQUES


| ELP 3 (230 V) | |
| M | Moteur ventilation |
| TER1 | Thermostat sécurité à réarmement |
| TER2 | Thermostat d'ambiance |
| S1 | Sélecteur 4 positions |
| R1-R2 | Résistances |

| ELP 9 (Tri 400 V) | |
| M | Moteur ventilation |
| TER1 | Thermostat sécurité à réarmement |
| TER2 | Thermostat d'ambiance |
| S1 | Sélecteur 5 positions |
| RR | Résistances / Relais |
| RM | Résistances / Moteur |
| R1-R2-R3 | Résistances |
| C1 | Relais de puissance |

| ELP 15 (Tri 400 V) | |
| M | Moteur ventilation |
| TER1 | Thermostat sécurité à réarmement |
| TER2 | Thermostat d'ambiance |
| S1 | Sélecteur 5 positions |
| RR | Résistances / Relais |
| RM | Résistances / Moteur |
| R1-R2-R3 | Résistances |
| C1 | Relais de puissance |
Notice Facile