GKC/54.1RC - Plaque de cuisson vitrocéramique THERMA - Notice d'utilisation et mode d'emploi gratuit
Retrouvez gratuitement la notice de l'appareil GKC/54.1RC THERMA au format PDF.
| Type de plaque | Vitrocéramique |
| Nombre de foyers | 4 |
| Commandes | Manettes rotatives |
| Puissance totale | Non précisé |
| Dimensions (L x P) | Non précisées |
| Couleur | Gris clair |
| Matériau de surface | Verre céramique |
| Type d'installation | Encastrable |
| Sécurité | Arrêt automatique |
| Indicateur de chaleur résiduelle | Oui |
| Alimentation | Électrique |
| Fonction booster | Non précisé |
| Protection contre la surchauffe | Oui |
| Nettoyage | Facile, surface lisse |
| Garantie | Non précisée |
FOIRE AUX QUESTIONS - GKC/54.1RC THERMA
Questions des utilisateurs sur GKC/54.1RC THERMA
0 question sur cet appareil. Repondez a celles que vous connaissez ou posez la votre.
Poser une nouvelle question sur cet appareil
Téléchargez la notice de votre Plaque de cuisson vitrocéramique au format PDF gratuitement ! Retrouvez votre notice GKC/54.1RC - THERMA et reprennez votre appareil électronique en main. Sur cette page sont publiés tous les documents nécessaires à l'utilisation de votre appareil GKC/54.1RC de la marque THERMA.
MODE D'EMPLOI GKC/54.1RC THERMA
Plan de cuisson vitrocéramique
Nous vous remercions d'avoir besoin une table de cuisson vitrocéramique THERMA. Avec ce produit, vous avez opté pour l'innovation, la qualité et la durabilité.
Ce manuel d'utilisation vous permet de faire progressivement connaissance avec votre table de cuisson vitrocéramique, et d'en exploiter toutes les possibilités de manière optimale. Avant derialcder à la premiere mise en service, nous vous prions de dire attentivement le chapitre «Règles de sécurité importantes»
Nous vous recommendons de conserver le manuel d'utilisation à proximité de la table de cuisson, afin que vous l'ayez immédiatement sous la main en cas d'incertitude.
Tables des matières
Règles de sécurité importantes 20
La sécurité au niveau électrique 20
Utilisation et manipulation 20
Nettoyage 21
Elimination 21
La table de cuisson vitrocéramique à encastrer 22
Vue de dessus de l'appareil 22
Avant la première utilisation 22
Nettoyage initial 22
Chauffage initial 22
L'utilisation du plan de cuisson 23
Surface de cuisson vitrocéramique 23
Enclenchement/déclenchement et régulation 23
Zone de cuisson à deux circuits 23
Indicateur de chaleur résiduelle 23
La batterie de cuisine appropriée 24
Consommation d'énergie judicieuse 24
Casseroles et poêles 24
Nettoyage et soins 25
Nettoyer après chaque utilisation 25
Eliminer les taches 25
Que faire en cas de défectuosité? 27
28
GKC/54.1 RC 28
Instructions d'installation 29
Déballage 29
Emballage 29
Encastrement dans un plan de travail de cuisine 29
Cotes de montage 30
Montage 31
Demontage du table de cuisson vitrocéramique 31
Raccordement electrique 32
Service après-vente 50
Vento des pieces de rechange 50
Garantie 50
ThermaPhon 51
Veuillez vous familiariser avec le manuel d'utilisation, avant d'utiliser la table de cuisson pour la première fois. Veuillez en particulier observer les conseils de sécurité marqués d'un .
Vous éviterez ainsi qu'il y ait des dommages, aussi bien sur les personnes que sur la table de cuisson. Conservez soigneusement ce manuel d'utilisation, et transmettez-le le cas échéant au prochain utilisateur.
Votre apparail a ete concu pour un usage culinaire uniquement, à l'exclusion d'autres fins. Il est conforme aux prescriptions de sécurité et aux normes de qualite internationales. Les mesures de sécurité existantes n'excluent par les risques d'accident.
La sécurité au niveau électrique
L'appareil doit être raccordé par un installateur électricien qualifié. Pour assurer la sécurité au niveau électrique, les apparciels à encastrer doivent être montés dans des armoires pour éléments à encastrer/plans de travail appropriés et conformes aux normes.
N'utilisez la table de cuisson que seulement lorsque celle-ciaura ete installee. Vous serez ainsi assure de ne pas toucher accidentellement des composants electriques.
La table de cuisson vitrocéramique à encastrer ne peut être combinée qu'avac des fours encastrables, des réchauds encastrables, des boîtes de commande encastrables, ou avec une commande électronique, au moyen du système de connexion spécifique (câble adaptateur), voir instructions d'installation). Observe également les indications dans le manuel d'installation et d'utilisation.
Il n'est pas permitted de raccorder des tables de cuisson endommagées, quiprésent des fissures ou des cassures sur la surface vitrocéramique.
Pour des raisons de sécurité, les réparations sur l'appareil, en particulier sur les éléments conducteurs de courant, ne peuvent être effectuées que par des spécialistesElectriciens ou des techniciens formés du service après-venture, sinon il pourrait en résultat des risques importants pour l'utilisateur. En cas de dérangement, adressez-vous directement à notre service après-venture.
Utilisation et manipulation
Empêchez que les petits enfants puissant toucher les zones de cuisson vitrocéramiques lorsque celles-ci fonctionnent. D'une manière générale, ils devraient etre tenus à l'ecart des foyerasini que des casseroles et des poëles. Les enfants peuvent également se brûl er en faisant tomber une casserole ou une poële.
Les champs de cuisson deviennent rapidement chauds des qu'ils sont allumés. C'est pourquoit vous ne devez les enclencher qu'aupres avoir mis dessus un représentant de cuisson. Ainsi, vous évitez également de gaspiller de l'énergie.
En cas de manoeuvres inattentives, il y a risque de brûlure sur les zones de cuisson.
En cas de coupure de courant, tous les réglages et afficheurs sont effacés. Dès que le courant est revenu, la prudence s'impose car les plaques chauffées avant la panne de courant ne sont plus saisies par l'afficheur.
Si vous utilisez une prise de courant à proximé du champ de cuisson, veillez à ce que le cable de l'appareil électrique ne viennent pas toucher le foyer.
N'enclenchez les zones de cuisson que lorsqu'une casserole ou une poèle se trouve dessus. Les éléments de cuisson et les fonds de recipient de cuisson doivent être secs et propres.
Les zones de cuisson se détiorent, si elles sont utilisées sans récipient de cuisson ou avec récipient vide, ou si on utilise des récipients inappropriés, par ex. avec un fond déformé ou ayant un trop petit diamètre.
Ne pas conserveur de produits sensibles à la tempéra-ture ou inflammables (par ex. produits de nettoyage, bombes de spray) dans le tiroir ou les casiers situés sous l'appareil à encastrer.
Le plan de cuisson ne doit pas etre utiliser comme surface de depôt ou de travail.
Lorsque vous travailliez avec des huiles ou des graisses, il ne faudrait pas laisser le champ de cuisson sans surveillance, en raison du risque d'incendie.
N'utilise pas de recipients en matière synthétique ou en feuille d'aluminium. Ceux-ci fonderaient aux températures élevées et pourraient endommager la plaque vitrocéramique.
Le sucre sous forme solide ou liquide, ainsi que les matières synthétiques, ne doivent pas parvenir sur le champ de cuisson chaud. Lors du refroidissement, des fissures ou des cassures pouraient se former sur la plaque vitrocéramique. Si du sucre ou des matières synthétiques devaient par inadvertance parvenir sur le champ de cuisson chaud, n'arrêtez celui-ci eneldom cas, et éliminez plutôt les résidus de sucre ou de matière synthétique au moyen d'un racloir spécial. Protégéz votre main des brûlures.
N'utilisez sur les champs de cuisson vitrocéramiques que des recipients de cuisson à fond plat, n'ayant ni bord ni arêtes. Dans le cas contraire, il pourrait y avoir des rainures irrémédiables.
La surface de cuisson vitrocéramique résiste aux chocs thermiques. Elles est insensible aussi bien au froid qu'au chaud. Evitez toutefois de laisser tomber des objets sur le champ de cuisson. Un chic d' à une forme pointue, comme par exemple la chute d'un flacon de condiments, peut, dans des cas défavorables, provoquer des fissures ou des éclats dans la plaque vitrocéramique.
Les alimentés débordants lors de la cuisson peuvent parvenir à travers les endroits défectueux jusqu'àux parties conductrices de courant du champ de cuisson.
Lorsque des fêlures, éclats ou fissures apparaissent sur votre table vitrocéramique, arrêtez immédiatement le champ de cuisson et coupez l'appareil du réseau. Pour cela, déclenchez le coupe-circuit ou retirez la prise de courant, et avisez ensuite le service après-venture.
Suivez les instructions relatives aux soins et au nettoyage de la plaque vitrocéramique. Nous déclinons toute responsabilité en cas de traitement inapproprié.
Après l'utilisation, contrôlez si l'appareil a été mis hors tension. Tous les boutons tournants doivent se trouver sur la position ARRET.
Nettoyage
Durant le nettoyage, aucun élément de chauffe ne doit être mis sous tension. Veiliez à ce que les zones de cuisson se soient suffisamment refroidies (qu'après l'extinction du témoin de chaleur résiduelle), pour que vous puissiez les toucher sans risque.
Tenez la surface vitrocéramique toujours propre.
Pour des raisons de sécurité au niveau électrique, il n'est pas permitted d'utiliser pour le nettoyage des apparreils de nettoyage à vapeur ou à haute pression.
Elimination

Veuillez éliminer correctement les anciens appar
pareils. Observe s.v.p. les réglementations
nationales et régionales, et respectez le mar
quage des matériaux (separation des maté
riaux, collecte des déchets, dépôts pour maté
riaux de valeur).

Stop!
Ce symbole rend attentif sur de graves dangerees de blessure. Il faut impereativement en tener compte.

Attention!
Ce symbole indique un information, dont l'inobservation peut conduire à la mise en péril de personnes et/ou causeur des dommages matériels importants. Ces consignes de sécurité doit être absolument respectées.

Indication
Ce symbole renvoie à une information complument des renseignements important relatifs à l'utilisation de l'appareil. La non-observation de celui-ci peut provoquer des dérangements.
La table de cuisson vitrocéramique à encastrer
Vue de dessus de l'appareil
- Zone de cuisson Ø 180/115 mm, 1700/700 W à deux circuits
- Zone de cuisson 180 mm, 1700 W
- Zone de cuisson 210 mm, 2100 W
- Zone de cuisson 145 mm, 1200 W
- Témoins de chaleur résiduelle

Avant la première utilisation
Nettoyage initial
Pour éliminer d'eventuelles traces de fabrication, la table de cuisson doit être nettoyée avant l'utilisation.
Laver la surface vitrocéramique et le cadre à l'eau chaude, avec du produit de lavage et un chiffon ne rayant pas, puis essuyer jusqu'à ce qu'ils soient secs.
Chauffage initial
Contrôler chaque zone de cuisson, en les enclenchant brievement l'une après l'autre.

Lors de la première utilisation, il peut y avoir un léger dégagement d'odeur.

Surface de cuisson vitrocéramique
La surface de cuisson se compose d'une vitrocéramine éprouvée. La surface est exemple de porosités et, de surcroit, insensible aux variations rapides de température. Par conséquent, les casseroles peuvent être déplacées d'une zone chaude à une zone froide.
Un ronronnement audible bref peut survenir dans le corps de chauffe, à l'enclementment des zones de cuisson. Ce bruit est dû à des raisons physiques. Il n'a aucune répercussion négative sur le fonctionnement de l'appareil, et disparaitès que la zone de cuisson est suffisamment chaude.

Tenez à l'écart de la surface de cuisson tous les objets et matériaux pouvant fondre, par ex. les matières synthétiques, les feuilles d'alu ou feuilles de sole.
La prudence s'impose pour les préparations au sucre ou pour les alimentes et liquides contenant du sucre. Siquelque chose a eté répandu par inadvertance sur la surface vitrocéramique, cela devra etre immediatement nettoyé - pendant que c'est encore chaud - au moyen d'un racloir de nettoyage, puis essuyé proprement, pour éviter d'endommager la surface.
Enclenchement/déclenchement et régulation
Les zones de cuisson sont enclenchées, déclenchées ou régulées au moyen des 4 réguleurs d'énergie montés sur un four encasable, un réchaud encasable ou une boîte de commande encasable, ou au moyen d'une commande électronique.
Zone de cuisson à deux circuits
La zone de cuisson derrière gauche est équipée de deux circuits de chauffe. Le petit circuit de chauffe peut être enclenché séparément du grand circuit de chauffe ou en parallelle avec celui-ci.
Veuillez observer les instructions dans le manuel d'utilisation séparé.
Four encastrable, réchaud encastrable, boîte de commande encastrable ou commande électronique.
Indicateur de chaleur résiduelle
L'indicateur de chaleur résiduelle est composé de 4 voyants se trouvant entre les 2 zones de cuisson avant. Ceux-ci s'allument quand la température des zones de cuisson enclenchées augmente, et signalement le risque d'un contact irréflechi. Meme lorsque la zone de cuisson a été mise hors tension, levoyant correspondant ne s'éteint que lorsqu'il n'y a plus de risque de brûlure (à environ 60^ - 75^ ).




Consommation d'énergie judicieuse
Pour economiser de l'énergie, vous devriez . . .
- n'utiliser que des recipients de cuisson et de friture au fond lisse et plat.
- plusieurs déposer les casseroles et poêles sur la zone de cuisson avant de l'enclencher.
- dans la mesure du possible, toujours fermer les cassetoles ou les poèles au moyen du couvercle.
- déclencher la zone de cuisson quelques minutes avant la fin de la cuisson, afin d'utiliser la chaleur résiduelle.
- utiliser la chaleur résiduelle des zones de cuisson pour tener au chaud les alimentés ou faire fondre.
- Poser les casseroles ou les poêles au centre.
Casseroles et poèles
Les casseroles et les poêles ne doivent pas'être plus petites que la zone de cuisson et, dans la mesure du possible, ne pas dépasser de plus de 10-15 mm le diamètre de la zone de cuisson.
N'utiliser que des batteries de cuisine complRentant des recipients au fond lisse et plat.
Le fond doit toujours être propre et sec. Toutjours mijoter avec le couvercle fermé.
Veiller à ce que les fonds soient lisses et intacts, car les fonds de casserole avec des arêtes ou des bords aux arêtes vives générent des rayures sur la surface vitrocéramique.
Les rayures peuvent être également dues à des grains de sable (provenant par ex. d'un nettoyage préalable de légumes), qui sont tirés par la casserole sur la surface de cuisson, ou encore à des arêtes ou à des bords de fond de casserole ou de poèle.
Les reçipients au fond en aluminium ou en cuivre peuvent laisser des traces de décoloration métallique sur la surface vitrocéramique, lesquelles ne peuvent alors être éliminées que difficilement ou pas du tout.
Pour éviter d'avoir des rayures disgracieuses sur la surface de cuisson vitrocéramique, il faudrait ne pas pousser les casseroles ou les poêles pour les déplacer mais只会只不过 les soulever.
A l'etat froid, les fonds de casseroles sont en général légèrement bombés vers l'intérieur (concaves) d'environ 01-05 mm. Ils ne doivent enaucun cas être bombés vers l'estérieur (convexes).

Vérifiez, après utilisation, si la table de cuisson a été mise hors tension. Tous les boutons tournants et touches doivent se couver sur la position ARRET.





convex

conkav
Nettoyage et soins
Pour nettoyer la vitrocéramique, il faut appliquer les mêmes critères que pour les surfaces en verre.

Ne jamais utiliser de produits de nettoyage récurants ou agressifs, de la poudre à récurer, ou des éponges etc. à surface rugueuse.
Il y a des produits de nettoyage spéciaux et des grattoirs à lame dans les grandes surfaces, les commercés spécialisés en matériel électrique, les commercés de droguerie, ainsi que les commercés d'alimentation.
Nettoyer après chaque utilisation
- Les salissures légères et non incrustées s'en-lévent lorsqu'elles sont froides, au moyen d'un chiffon humide ou d'un chiffon absorbant, sans employer de produits de nettoyage.
Si vous utilisez des produits de lavage, des décor-olorations bleuâtres peuvent apparaitre. Ces taches résistantes ne peuvent pas toujours etre éliminées lors du premier nettoyage, et/ou seulement avec du produit de nettoyage pour vitrocéramique. - Les salissures à force adhérence peuvent être enlevées à froid, au moyen d'un produit de nettoyage pour vitrocérément et d'un racloir à lame. Ensuite, essuyer la surface de cuisson à l'aide d'un chiffon humide (nettoyage ultérieur).
Eliminer les taches
- Les taches claires de couleur nacre (résidus d'aluminium) peuvent être éliminées de sur la table de cuisson refroidie, au moyen d'un produit de nettoyage pour vitrocéramique. Les traces de calcaire (dues par ex. à un débordement d'eau surchauffée) peuvent être éliminées avec du vinaigre de nettoyage ou avec un produit de nettoyage pour vitrocéramique.
Pour éliminer du sucre, des alimentés contenant du sucre, de la matière synthétique ou de la feuille d'aluminium, la zone de cuisson concernée ne doit pas être mise hors tension!
Eliminez immidiatement et à fond les restes (à l'état chaud) de sur la zone de cuisson chaude, au moyen d'un racloir à lame. Protégez vos mains des brûlures. Une fois la salissure éliminée, la zone de cuisson peut être éteinte, puis nettoyée de nouveau au moyen d'un produit de nettoyage pour vitrocéramique lorsque qu'elle sera redevenue froide.




- N'appliquez pas les produits de nettoyage pour vitrocéramique sur une zone de cuisson chaude. Le mieux est de laisser secher le produit de nettoyage, puis de l'essuyer en humidifiant. S'il devait rester des résidus de produits de nettoyage, élimineç ceux-ci en les essuyant à l'aide d'un chiffon humide (nettoyage ultérieur) avant de chauffer de nouveau. Sinon, ceux-ci pourrait devenir corrosifs.
| Problèmes particuliers | |
| .. si un produit de nettoyage chimique ne suffit pas | Voyez si vous n'arrivez pas plus vite à vos fins avec le grattoir de nettoyage. |
| .. si des taches sommes sont apparues | Si le nettoyage au moyen du racloir de nettoyage et d'un produit de nettoyage pour acier inox n'apporte pas d'amélioration, il s'agit+vraisemblablement d'un décor qui a été abrasé à cause d'un produit de nettoyage inapproprié ou de fonds de casserole tremblotants. La capacité de fonctionnement de la table de cuisson ne s'en trouve pas algérie. |
| .. si des décolorations métalliques apparaisent sur les zones de cuisson | Des casseroles ou des poèmes au fond inadapté, ou surtout des produits de nettoyage inappropriés, ont été utilisés. A créé, ces décolorations ne peuvent être éliminées qu'avac peine, à l'aide d'un produit de nettoyage pour vitrocéramique ou acier inox. |
| .. si la surface présente des rayures ou des cavités | Ces défauts d'aspect dus à des objets abrasifs ou ayant fondu, ne peuvent plus être éliminés. La capacité de fonctionnement de la table de cuisson ne s'en trouve pas algérie. |
Nous déclinons toute responsabilité en cas de traitement inapproprié de la surface de cuisson vitrocéramique!
Que faire en cas de défectuosité?

Mettre les interrupteurs de foyer ou les touches sur la position ARRET.
Mettez les coupe-circuit automatiques hors tension, resp. retarder les fusibles.
Annoncez vous réclamation à votre électricien ou au service après-venture compétent.
- Si la table de cuisson avaitopsisner une cassure dans le verre, veuillez alors indiquer au point de service après-vente le numero a trois chiffres se trouvant sur la plaque en verre.

Important!
Veuillez toujours indiquer le numéro de produit, le número de série et la désignation de modulo de la table de cuisson vitrocéramique, pour:
- faire appel au service après-vente
- commander des pieces de rechange ou des accessoires
- demander des précisions techniques
Le numéro de série doit être reporté dans la plaque signalétique de ce manuel d'installation et d'utilisation, avant de proceder à l'installation de la table de cuisson.
La plaque signalétique d'origine se trouve sur l'habillage inférieur de la table de cuisson vitrocéramique, et de ce fait n'est plus accessible après le montage.

éristiques techniques
GK C/54.1 RC
Dimensions extérieures longueur: 552 mm
largeur: 512 mm
hauteur: 43 mm
Dimensions l'ouverture longueur: 540 mm
largeur: 500 mm
rayon R3
Puissance installée
Tension 400 V ~ 50 Hz
Corps de chauffe 6.7 kW

L'appareil ne doit être raccordé que par un électricien qualifié.
Lors du montage et en cas de révision, le four encastrable, le rechaud encastrable, la boîte de commande encastrable, ou la commande électronique, doit être coupé du réseau en mettant les coupe-circuits hors tension ou en retardant les fusibles.
Les directives générales sur l'exploitation des apparciels électriques, les prescriptions du fournisseur d'électricité compétent, ainsi que les indications contenues dans le manuel d'in installation, doivent être scrupuleusement observées.

Il n'est pas permitted de raccorder des tables de cuisson vitrocéramiques endommagées et compteant des fissures ou des cassures sur la surface vitrocéramique.
Déballage
Veuillez vérifier si la table de cuisson vitrocéramique a été livrée dans un état intact. Il n'est pas permis de raccorder de raccorder une table de cuisson vitrocérôme représentant des dommages évidents.
Emballage

Tous les éléments d'emballage sont recyclables, et les feuilles ainsi que les éléments en caoutchouc dur ont ete marqués de maniere appropriee. Veuillez eliminer correctement le matériel d'emballage.
Respecter s. v. p. les réglementations nationales et régionales, et tener compte du marquage des matériaux (separation des matériaux, collecte de déchets, dépôts pour matériaux valables).
Encastrement dans un plan de travail de cuisine

La sécurité au niveau électrique doit être assu- rée par un montage approprié.
La protection contre les contacts accidentels et la sécurité électrique conforms aux dispositions ASE/VDE doivent être assurées par un montage correct de la table de cuisson vitrocéramique, dans des plans de travail de cuisine adaptés. Cela s'applique également à l'armoire inférieure. La table de cuisson vitrocéramique ne doit pas être accessible à partir du dessous. Les armoires à encastrer doivent être montées et fixées de façon à prévenir un renversement.
Notez le numéro de série de la plaque signalétique de la table de cuisson vitrocéramique, sur la page 27 du manuel d'installation et d'utilisation. Ce número est indisponible pour faire appel au service après-vente.
La table de cuisson vitrocéramique à encastrer ne peut être combinée qu'avac un four encastrable, un rechaud encastrable, une boite de commande encastrable, ou à une commande électronique du système de connexion approprié (câble adaptateur).
Si vous utilisez d'autres jours encastrables, réchauds encastrables, boîtes de commande encastrables ou d'autres commandes électroniques, l'homologation qui a été accordée deviendra caduque, et le fabricant déclinera toute responsabilité.
Normalement, les tables de cuisson vitrocéramiques à encasster sont montées au-dessus d'un four encastrable, d'un réchaud encasstrable, d'une boîte de commande ou d'une commande électronique. En cas d'in-stallation avec un réchaud, une boîte de commande ou une commande électronique, il faut impérativement monter un fond intermédiaire servant de protection contre les contacts accidentels.
Cotes de montage
L'ouverture dans le plan de travail de cuisine et l'armoire inférieure doit correspondre aux cotes usuelles. Vous trouvrez les informations nécessaires dans le schéma dimensionnel.
- Il doit y avoir un espace libre d'au moins 20 mm sous la table de cuisson vitrocéramique (fig. 1). Les tiroirs ne peuvent etre montés sous la table de cuisson qu'vec une tole de protection (fig. 2) (N^oAB - GK374242400 / 9 , accessoire de montage vitrocéramique).
- L'espacement létal de la table de cuisson par rapport à une armoire haute et à la paroi arrêté, doit être d'au moins 50 mm (fig. 1).
En ce qui concerne la protection contre les risques d'incendie, l'appareil est conforme au type Y (C.E.I. 335-2-6). Seuls des apparciels de ce type doivent etre installés a coté d'éléments de cuisine hauts ou muraux.

Fig.1

Montage
- Découper l'ouverture dans le plan de travail en fonction des cotes d'ouverture prescrites (Fig.3). Les tolérances ne doivent pas être dépassées. Scier exactement selon la ligne tracée. Recommendation: tracer l'ouverture au moyen d'une pointe à tracer. Appliquer de la colle sur la ligne pour éviter que le revêtement ne s'écaille lors de la coupe. Sceller la surface de l'ouverture dans le plan de travail contre l'umidité avec du vernis approprié
- Bien nettoyer le plan de travail au niveau de l'ouverture.
- Sur les surfaces de travail carrelées, les jointures au niveau du support du plan de cuisson, doivent être intégralement remplies de matériel de jointolement.
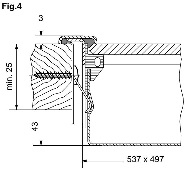
- Ensuite, fixer les ressorts à déclic (détail A) au moyen des vis (fig.4) dans l'ouverture et aux positions marquées. La courbure des ressorts sert de butée sur le plan de travail. S'il s'agit de plans de travail en pierre naturelle, artificielle ou en céramique, les ressorts peuvent être collés avec de la colle à pierre SK, N° art. 374 0710-02/9 (accessoire de montage pour champs de cuisson vitrocéramiques).
- Déposer le plan de cuisson dans l'ouverture, en l'introduisant par le haut, centrer, puis presser énergiquement jusqu'à ce que les ressorts s'engagent.
- Contrôler si le joint dans le cadre d'appui repose correctement et s'il ne présente pas de brèches. Veuillez ne pas appliquer de matériel d'étanchéité en silicone en plus; car, en cas de démontage du plan de cuisson vitrocéràmique, le joint pourrait d'un côté s'endommager et d'un autre côté, la surface de recouvrement également.
Le fabricant n'est pas responsable du dommage resultant d'un mauvais montage.
Demontage du table de cuisson vitrocéramique
- Mettre hors tension la table de cuisson vitrocérémique, le four encastrable, le réchaud encastrable, la boîte de commande ou la commande électronique.
- Placer une spatule propre comme protection sur la tôle de protection, latéralement, au niveau des ressorts de fixation; puis passer alors avec le sachet sous le cadre et soulever.


Contrairement aux prescriptions d'installation domestiques de l'ASE, chiffre 47330.1, la table de cuisson vitrocérément à encastrer peut être intégrée dans un matériel combustible. Les éléments, parois laterales, listedaux de renforcement etc. dépassant dans l'espace situé au-dessous de la zone de cuisson, doivent être fabriqués dans une matière incombustible.
Délimation de cet espace: largeur 550 mm, hauteur 20 mmès le plan de cuisson, profondeur 560 mm depuis l'arrête avec une profondeur de table de 600 mm.Les parois et plafonds combustibles doivent, au-dessus de plans de cuisson, être revétus de matériel au coupe-feu, d'après les directives de l'organe cantonal de lutte contre les incendies responsable de la région concen-nee.
Raccordement électrique
Avant de procéder au raccordement, il faut contrôler si la tension indiquée sur la plaque signalétique - c.- à-d. la tension nominale de l'appareil - concorde avec la tension du réseau existant et la tension nominale de l'appareil combiné. La plaque signalétique se trouve sur l'habillage inférieur de la table de cuisson vitrocérôme.
La tension des corps de chauffe est de 400 VAC. L'appléil fonctionné également sans problème avec les ancients réseaux à 380 VAC.
Le raccordement au réseau, du four encastrable, du réchaud encastrable, de la boîte de commande encastrable ou de la commande électronique, doit être réalisé de façon à ce qu'il y ait une possibilité de coupure sur tous les pôles, avec largeur d'ouverture de contact d'au moins 3 mm, par ex.. disjoncteur automatique, disjoncteur différentiel ou coupe-circuit.
Relier le faisceau de câbles aux deux connecteurs compacts à 14 pôles (câble adaptateur) avec son pendant du four encasable, réchaud encasable, de la boîte de commande encasable ou de la commande électronique.
Veiller à ce que les connecteurs soient bien engagés (Le système de construction des connecteurs à 14 pôles empêche toute confusion).
Presser le cable de liaison latéralement, contre le couvercle du four.
Retirer les feuilles de protection éventuellesment existantes, de sur la surface de cuisson vitrocéramique.

Après avoir procédé au raccordement à l'alimentation électrique, il faut enclencher l'une après l'autre toutes les zones de cuisson sur la position maximale, pour un bref moment (env. 30 secondes), afin d'en tester le bon fonctionnement.
ThermaPhon
Le service d'information téléphonique de Thermo
Lundi à vendredi de 09.00 - 12.00 Uhr
Pour renseignements, conseils et «astuces» concernant l'utilisation de vos apparèils menagers.
Une prestation de service à votre disposition chaque jour pour toutes questions touchant aux apparciels menagers.
Appelez ThermoPhon par exemple pour:
- renseignements rapides concernant l'utilisation des apparèils
- conseils judicieux pour l'entretien et les soins à apporter aux apparèils menagers
«astuces» utiles pour la cuisson en général, la cuisson au four, le lavage de vaisselle ou pour laver/ secher le linge - conseils compétents pour le choix d'un apparéil correspondant à vos désirs
Notice Facile