EJ1G - Régulateur de température OMRON - Notice d'utilisation et mode d'emploi gratuit
Retrouvez gratuitement la notice de l'appareil EJ1G OMRON au format PDF.
| Tension d'alimentation | 24 V c.c. |
| Plage de tension de fonctionnement | 85 à 110 % de la tension nominale |
| Consommation | 4 à 5 W maxi. (selon modèle) |
| Nombre de points d'entrée | 2 ou 4 (selon modèle) |
| Nombre de points de contrôle | 2 ou 4 (selon modèle) |
| Sorties de contrôle | Sortie tension 12 V c.c. ±15 %, Sortie transistor PNP (selon modèle) |
| Entrées | Thermocouple, résistance platine, capteur température infrarouge, entrée analogique |
| Impédance d'entrée | Entrée courant : 150 Ω maxi., entrée tension : 1 MΩ mini. |
| Méthode de réglage | Via les communications |
| Plage de température ambiante | Fonctionnement : -10°C à 55°C, stockage : -25°C à 65°C |
| Plage d'humidité ambiante | Fonctionnement : 25 à 85 % (sans condensation) |
| Fonctions | Régulation par gradient, 2 PID indépendants, alarme dysfonctionnement élément chauffant |
| Type d'entrée | Thermocouple, thermomètre à résistance platine, tension analogique et courant analogique sélectionnables |
| Bornier | Bornes M3 ou bornes à ressort selon modèle |
| Communication | Port de connexion G3ZA : RS-485 |
| Sortie auxiliaire | Aucun ou sortie transistor 2 à 4 points (PNP) selon modèle |
FOIRE AUX QUESTIONS - EJ1G OMRON
Questions des utilisateurs sur EJ1G OMRON
0 question sur cet appareil. Repondez a celles que vous connaissez ou posez la votre.
Poser une nouvelle question sur cet appareil
Téléchargez la notice de votre Régulateur de température au format PDF gratuitement ! Retrouvez votre notice EJ1G - OMRON et reprennez votre appareil électronique en main. Sur cette page sont publiés tous les documents nécessaires à l'utilisation de votre appareil EJ1G de la marque OMRON.
MODE D'EMPLOI EJ1G OMRON
Régulateur de température modulaire pour la régulation de température par gradient
EJ1G
Régulation de la température par gradient pour obtenir une température constante
- Effectue une régulation de la température par gradient sur 2 à 32 canaux.
- Effectue une régulation de la température par gradient de 2 canaux de 16 groupes au maximum ou une régulation de la température par gradient de 32 canaux de 2 groupes au maximum.
- La régulation de température par gradient ou 2 PID est définie indépendamment pour chaque groupe.
- Réduit le temps de programmation des automates programmables, avec des connexions sans programme (la même fonction que les modèles pour régulation standard EJ1).
- Connexion directe du contrôleur de puissance multi-canal G3ZA en utilisant un contrôle de cycle optimal pour un contrôle haute précision avec un minimum de bruit.

Reportez-vous aux "Précautions de sécurité" page 18.

C∈Us NEW
Références pour la commande
■ Régulateurs de température
Régulation de la température par gradient
| Nom | Tension d'ali-menta-tion | Nbre de points de contrôle | Sorties de contrôle 1 et 2 | Sorties de contrôle 3 et 4 | Sortie auxiliaire | Fonctions | Fonctions de communica-tion | Type d'entrée | Bornier | Modèle | |
| Alarmé de dysfon-c-tionne-ment d'élement chauffant | En-trées d'éve-nement | ||||||||||
| Unité de base (régu-lation de tempéru-itre par gra-dient)(voir remarque 1) | 24 Vc.c. foumie par l'unité de fin | 2 | Sortie de tension : 2 points (pour pilota-ge de relais statique) (voir remarque 2) | Sortie transistor : 2 points (PNP) | Aucun | 2 (voir re-marque 3) | Aucun | Port de connexion G3ZA : RS-485 De l'unité de fin : Port A : RS-485 | Thermocouple, thermomètre à résistance plati-ne, tension analogue et courant analo-gique sélection-nables pour chaque canal. | Bormes M3 | EJ1G-TC2A-QNH |
| 4 | Sortie tension : 2 points (pour pilotage de relais statique) (voir remarque 2) | Aucun | Bormes à dessort | EJ1G-TC2B-QNH | |||||||
| Bormes M3 | EJ1G-TC4A-QQ | ||||||||||
| Bormes à dessort | EJ1G-TC4B-QQ | ||||||||||
| HFU (régulation de la tempé-rature par graient) (voir remarque 1) | Aucun | Aucun | Aucun | Sortie transistor : 4 points (PNP) | 4 | De l'unité de fin : Port A : RS-485 Port C : RS-485 ou RS-232C. | Pas d'entrée | Bormes M3 | EJ1G-HFUA-NFLK | ||
| Bormes à dessort | EJ1G-HFUB-NFLK | ||||||||||
| De l'unité de fin : Port A : RS-485 Port C : RS-422 | Bormes M3 | EJ1G-HFUA-NFL2 | |||||||||
| Bormes à dessort | EJ1G-HFUB-NFL2 | ||||||||||
| Unité de fin (voir remarque 1) | 24 Vc.c. | Sortie transistor : 2 points (PNP) | Aucun | Port A : RS-485 Connecteur : Port A | Bormes M3 | EJ1C-EDUA-NFLK | |||||
Remarque : 1. Une unité de fin est nécessaire pour la connexion d'une HFU à l'unité de base. Vous doivent utiliser une unité HFU de régulation de température par gradient et une unité de base de régulation de température par gradient pour Obtir un régulation de la température par gradient. L'unité HFU de régulation de température par gradient et l'unité de base de régulation de température par gradient sont utilisées uniquement pour la régulation de la température par gradient. L'unité de fin est la même que celle utilisée pour les modèles de régulation standard EJ1.
L'unité de base ne peut pas communiquer en externe par elle-même.
2. La régulation chaud/froid n'est pas prise en charge pour la régulation de température par gradient.
3. En cas d'utilisation de l'alarme de dysfonctionnement de l'élement chauffant, untilisez un transformateur de courant (E54-CT1 ou E54-CT3) (vendu séparément).
Reportez-vous au manuel suivant pour connaître les précautions de sécurité et obtenir toutes les informations nécessaires à l'utilisation du EJ1G :
Manuel d'utilisation du régulateur de température EJ1G (Cat. No. H143).
■ Accessoires (à commander séparément)
Transformateur de courant
| Diamètre | Modèle |
| 5,8 de dia. | E54-CT1 |
| 12,0 de dia. | E54-CT3 |
Câble de connexion G3ZA
| Longueur de câble | Modèle |
| 5 m | EJ1C-CBLA050 |
Equipement de montage sur rail
| Nom | Modèle |
| Montage sur rail | PFP-100N |
| PFP-50N |
Logiciel de support CX-Thermo ver. 3.1
| Modèle |
| EST2-2C-MV3 |
Remarque: La version 3.2 (disponible très bientôt) du logiciel de prise en charge CX-Thermo est nécessaire pour programmer le régulateur de température EJ1G pour la régulation de température par gradient.
Câble de conversion USB-série
| Modèle |
| E58-CIFQ1 |
Caracteristiques
| Type | EJ1G-TC4 | EJ1G-TC2 | |
| Tension d'alimentation | 24 Vc.c. | ||
| Plage de tension de fonctionnement | 85 à 110 % de la tension nominale | ||
| Consommation | 5 W maxi. (avec une charge maximale) | 4 W maxi. (avec une charge maximale) | |
| Entrée (voir remarque) | Thermocouple: K, J, T, E, L, U, N, R, S, B, W, PLII Capteur de température infrarouge ES1B: 10 à 70°C, 60 à 120°C, 115 à 165°C, 140 à 260°C Entrée analogique: 4 à 20 mA, 0 à 20 mA, 1 à 5 V, 0 à 5 V, 0 à 10 V Sonde platine: Pt100, JPt100 | ||
| Impédance d'entrée | Entrée de courant: 150 Ω maxi., entrée de tension: 1 MΩ mini. | ||
| Sorties de contrôle | Sortie tension | Tension de sortie: 12 Vc.c. ±15 %, courant de charge maxi.: 21 mA (modèles PNP avec protection contre les courts-circuits) | |
| Sortie transistor | --- | Tension de fonctionnement maxi.: 30 V, courant de charge maxi.: 100 mA | |
| Nombre de points d'entrée et de points de contrôle | Points d'entrée: 4, Points de contrôle: 4 | Points d'entrée: 2, Points de contrôle: 2 | |
| Méthode de réglage | Via les communications | ||
| Plage de température ambiente | Fonctionnement: -10°C à 55°C, stockage: -25°C à 65°C (sans givrage ni condensation) | ||
| Plage d'humidité ambiente | Fonctionnement: 25 à 85 % (sans condensation) | ||
Remarque : Les entrées sont entiennent multi-entre . C'est pourquoi il est possible de selectionner les entrées de thermometre a resistance platine, de thermocouple, de capteur de température infrarouge et entrées analogiques.
■ Caracteristiques
| Précision d'indication | Entrées thermocouple / Entrée thermomètre à résistance platine (la valeur la plus élevé de ±0,5 % de la valeur indiquée (PV) ou ±1°C) ±1 chiffre maxi. (voir remarque 1) Entrée analogique: ±0,5 % pleine échelle ±1 chiffre maxi. Entrée CT: ±5 % pleine échelle ±1 chiffre maxi. | |
| Influence des variations de température (voir remarque 2) | Entrée thermocouple (R, S, B): (±1 % de la valeur indiquée (PV) ou ±10°C, selon la valeur la plus élevé) ±1 chiffre maxi. Autres entrées de thermocouple: (±1 % de la valeur indiquée (PV) ou ±4°C, selon la valeur la plus élevé) ±1 chiffre maxi. Thermocouple K à -100°C maxi.: ±10°C maxi. Sonde platine: (±1 % de la valeur indiquée (PV) ou ±2°C, selon la valeur la plus élevé) ±1 chiffre maxi. Entrée analogique: ±1 % pleine échelle ±1 chiffre maxi. | |
| Influence des différences de tension (voir remarque 2) | ||
| Bande proportionnelle (P) | 0,1 à 999,9 EU (par unité de 0,1 EU) (voir remarque 3) | |
| Temps intégral (I) | 1 à 3999 s (par pas de 1 s) | |
| Temps dérivé (D) | 0,0 à 999,9 s (par pas de 0,1 s) | |
| Période de contrôle | 0,5 s, 1 à 99 s (par pas de 1 s) | |
| Plage de réglage de l'alarme de sortie | -1999 à 9999 (la position de la décimale dépend du réglage) | |
| Période d'échantillonnage | 250 ms | |
| Influence de la résistance source du signal | Thermocouple: 0,1°C (0,2°F)/Ω maxi. (100 Ω maxi. par ligne) (voir remarque 4) Sonde platine: 0,4°C (0,8°F)/Ω maxi. (10 Ω maxi. par ligne) | |
| Résistance d'isolement | 20 MΩ min. (à 500 Vc.c.) | |
| Rigidité diélectrique | 600 Vc.a., 50/60 Hz pendant 1 min entre des bornes conductrices de polarité différente | |
| Résistance aux vibrations | 10 à 55 Hz, 20 m/s² de 2 heures chacune dans les directions X, Y et Z | |
| Résistance aux chocs | 150 m/s² maxi., 3 fois dans 6 directions | |
| Poids | 180 g | |
| Classe de protection | Boîtier arrêté: IP20, section bornier: IP00 | |
| Protection de la mémoire | EEPROM (mémoire non volatile) (nombre d'écritures: 100 000) | |
| Normes | Normes approuvees | UL61010C-1, CSA C22.2 n°1010-1 |
| Conformité | EN61010-1 (CEI 61010-1): norme antipollution 2, surtension de catégorie II | |
| Directive concernant la compatibilité electromagnétique (EMC) | IEM: EN61326 IEM émise: EN55011 groupe 1, classe A IEM transmise par conduction: EN55011 groupe 1, classe A EMS: EN61326 Immunité aux décharges electrostatiques: EN61000-4-2 Immunité du champ electromagnétique émis: EN61000-4-3 Immunité aux bruits / bruits en créèaux: EN61000-4-4 Immunité aux parasites effectué: EN61000-4-6 Immunité aux surtensions: EN61000-4-5 Immunité de fréquence commerciale: EN61000-4-8 Immunité aux baisses de tension/interruptions de tension: EN61000-4-11 | |
Remarque : 1. L'indication des thermocouples K dans la plage -200 à 1300^ , des thermocouples T et N a une temperture de -100^ ou moins et des thermocouples U et L a n'importe qu'elle temperture est de ± 2^± 1 chiffre maximum. L'indication des thermocouples B a une temperture de 400^ ou moins est illimitee. L'indication des thermocouples R et S a une temperture de 200^ ou moins est de ± 3^± 1 chiffre maximum. W = (±0,5 % de la valeur indiquée (PV) ou ± 3^ , en fonction de la valeur la plus elevée) ± 1 chiffre maxi. PLII = (±0,5 % de la valeur indiquée ou ± 2^ , en fonction de la valeur la plus elevée) ± 1 chiffre maxi.
2. Température ambiente: -10^ à 23^ à 55^
Plage de tension : –15 % à +10 % de la tension nominale
3. "EU" signifie "Unité technique" (Engineering Unit). La position de la virgule dépend du réglage de la position de la virgule décimale à la position B. Cependant, lorsque la décimale est définie sur 0 (*), elle est traitée comme si elle était sur 1 (.).
4. Capteurs B, R et S: 0,2^ / maxi. (100 maxi.)
- Caracteristiques des communications
| Borne du port A / Connecteur du port A(voir remarque 1) | Port de connexion G3ZA(voir remarque 2) | |
| Connexion de communication | RS-485 (multipoint) | |
| Méthode de communication | RS-485 (deux fils, semi-duplex) | |
| Méthode de synchronisation | Synchronisation Marche/Arrêt | |
| Vitesse de transmission | 38,4 kbps fixes | 57,6 kbps fixes |
| Code de transmission | ASCII | |
| Longueur de bits de données | 7 bits | |
| Longueur du bit d'arrêt | 2 bits | |
| Détection d'erreur | Parité verticalie (paire) | |
| Somme de vérification de bloc (BCC) : avec CompoWay/F | ||
| Contrôle de flux | Aucun | |
| Interface | RS-485 | |
| Fonction de répétition | Aucun | |
| Délai d'attente réponse communication | 1 à 99 ms (1 ms par défaut) | --- |
| Nombre d'unités pouvant être raccordées en parallelle (voir les remarques 3 et 4) | 16 unités (références avec TC4 : 64 canaux, références avec TC2 : 32 canaux) Connexion de communications via le port A sur l'unité de terminaison | 8 unités (connexion de communications via le port G3ZA sur l'unité de base) |
Remarque:1. Connexion à partir de EJ1C-EDU
2. Vous doivent acceder un cable spécial (EJ1C-CBLA050) (vendu séparation) pour la connexion G3ZA.
3. Pour connaître le nombre d'unités pouvant être raccordées, veuillez vous reporter aux "Précautions pour les connexions" page 9.
4. Lors de la régulation de la température par gradient, le nombre de canaux de contrôle est limité par le paramétrage de groupe. Pour plus d'informations, voir "Configuration du groupe par gradient" page 11.
Valeur nominale du transformateur de courant (TC)
| Rigidité diélectrique | 1 000 Vc.a. pendant 1 mn |
| Résistance aux vibrations | 50 Hz, 98 m/s2 |
| Poids | E54-CT1 : environ 11,5 g ; E54-CT3 : Environ 50 g |
| Accessoires (E54-CT3 uniquement) | Armatures (2), fiches (2) |
- Caracteristiques de l'alarme de dysfonctionnement d'objetment chauffant et de l'alarme de court-circuit de l'objetment chauffant (modèles TC2 uniquement)
| Courant maxi-mum dans l'élement chauffant | 100 A c.a. |
| Précision de l'indication du courant d'en-trée | ±5 % pleine échelle ±1 chiffre maxi. |
| Plage de sé-lection de l'alarme de dysfonction-nement d'élement chauffant | 0,1 à 99,9 A (par unité de 0,1 A)0,0 A : La sortie de l'alarme de dysfonctionnement de l'élement chauffant est désactivée.100,0 A : La sortie de l'alarme de dysfonctionnement de l'élement chauffant passée ON.Temps ON minimum de détention : 100 ms (voir remarque 1) |
| Plage de sé-lection de l'alarme de court-circuit de l'élement chauffant | 0,1 à 99,9 A (par unité de 0,1 A)0,0 A : La sortie de l'alarme de court-circuit de l'élement chauffant passée ON.100,0 A : La sortie de l'alarme de court-circuit de l'élement chauffant passée OFF.Temps OFF mini.de détention : 100 ms (voir remarque 2) |
Remarque : 1. Lorsque le temps ON de la sortie de contrôle est de 100 ms ou moins, la détction de dysfonctionnement de l'élément chauffant et la mesure du courant de l'élément chauffant ne sont plus réalisées.
2. Lorsque le temps OFF de la sortie de contrôle est de 100 ms ou moins, l'alarme de court-circuit de l'élément chauffant et la mesure du courant de fuite ne sont pas exécutées.
Plages des entrées
Les entrées de capteur sont des multi-entrées complètes. C'est pourquoit il est possible de selectionner les entrées de thermomètre à résistance platine, de thermocouple, de capteur de température infrarouge et entrées analogiques. Il est possible de régler les entrées de chaque canal en utilisant les multi-entrées.
| Type d'entrée | Thermomètre à résistance de platine | ||||
| Nom | Pt100 | JPt100 | |||
| Plage de tem-péra-ture (°C) | 2300 | ||||
| 1800 | |||||
| 1700 | |||||
| 1600 | |||||
| 1500 | |||||
| 1400 | |||||
| 1300 | |||||
| 1200 | |||||
| 1100 | |||||
| 1000 | |||||
| 900 | |||||
| 800 | |||||
| 700 | |||||
| 600 | |||||
| 500 | |||||
| 400 | |||||
| 300 | |||||
| 200 | |||||
| 100 | |||||
| 0 | |||||
| -100,0 | |||||
| -200,0 | |||||
| -200 | -199,9 | -199,9 | |||
| Numéro config. | 0 | 1 | 2 | 3 | 4 |
| Type d'entrée | Thermocouple | Capteur de températe à infrarouge ES1B | Entrée analogue | ||||||||||||||||||||||||
| Nom | K | J | T | E | L | U | N | R | S | B | W | PLII | 10 à 70 °C | 60 à 120 °C | 115 à 165 °C | 140 à 260 °C | 4 à 20 mA | 0 à 20 mA | 1 à 5 V | 0 à 5 V | 0 à 10 V | ||||||
| Plage de tem-péra-ture (°C) | 2300 | 2300 | Une des plages suivantes, par la mise à l'échelle : -1999 à 9999 -199,9 à 999,9 -19,99 à 99,99 -1,999 à 9,999 | ||||||||||||||||||||||||
| 1800 | 1800 | ||||||||||||||||||||||||||
| 1700 | 1700 | 1700 | |||||||||||||||||||||||||
| 1600 | |||||||||||||||||||||||||||
| 1500 | |||||||||||||||||||||||||||
| 1400 | |||||||||||||||||||||||||||
| 1300 | 1300 | 1300 | |||||||||||||||||||||||||
| 1200 | |||||||||||||||||||||||||||
| 1100 | |||||||||||||||||||||||||||
| 1000 | |||||||||||||||||||||||||||
| 900 | 850 | 850 | |||||||||||||||||||||||||
| 800 | |||||||||||||||||||||||||||
| 700 | |||||||||||||||||||||||||||
| 600 | 600 | ||||||||||||||||||||||||||
| 500 | 500,0 | ||||||||||||||||||||||||||
| 400 | 400,0 | 400 | 400,0 | 400 | 400,0 | ||||||||||||||||||||||
| 300 | 260 | ||||||||||||||||||||||||||
| 200 | 120 | 165 | |||||||||||||||||||||||||
| 100 | 90 | ||||||||||||||||||||||||||
| 0 | 100 | ||||||||||||||||||||||||||
| -100,0 | 0 | 0 | 0 | 0 | 0 | 0 | 0 | 0 | |||||||||||||||||||
| -200,0 | -20,0 | -100 | -20,0 | -100 | |||||||||||||||||||||||
| -200 | -200 | -199,9 | -200 | -199,9 | -200 | ||||||||||||||||||||||
| Numéro config. | 5 | 6 | 7 | 8 | 9 | 10 | 11 | 12 | 13 | 14 | 15 | 16 | 17 | 18 | 19 | 20 | 21 | 22 | 23 | 24 | 25 | 26 | 27 | 28 | 29 | ||
Les normes applicables par type d'entrée sont:
K, J, T, E, N, R, S, B: JIS C1602-1995, CEI 584-1
L: Fe-CuNi, DIN 43710-1985
U: Cu-CuNi, DIN 43710-1985
W: W5Re/W26Re, ASTM E988-1990
PL II: Selon le tableau des puissances electromotives Platinel II de Engelhard Corp.
JPT100: JIS C 1604-1989, JIS C 1606-1989
Pt100: JIS C 1604-1997 IEC 751
Les valeurs sur fond gris correspondent aux valeurs par défaut.
■ Valeurs nominales
| Tension d'alimentation | 24 Vc.c. | |
| Plage de tension de fonctionnement | 85 à 110 % de la tension nominale | |
| Consommation | 2 W maxi. (avec une charge maximale) | |
| Sorties auxiliaires(voir remarque 1) | Sorties | 4 |
| Sorties transistor | Tension de fonctionnement maxi.: 30 Vc.c., courant de charge maxi.: 50 mA | |
| Entrée d'événement(voir remarque 2) | Entrées | 4 |
| Entrées avec contacts | ON: 1 kΩ maxi., OFF: 100 kΩ mini. | |
| Entrées sans contact | ON: Tension résiduelle 1,5 V maxi., OFF: Courant de fuite de 0,1 mA maxi. | |
| Courant de court-circuit: 4 mA (par point) environ | ||
| Connexion sans programme | Téléchargement sans programmation (EJ1G écrit les données vers un API) | Nombre de paramètres que vous pouvez régler: 300 |
| Exportation sans programmation (EJ1G lit les données de l'API) | Nombre de paramètres que vous pouvez régler: 300 | |
| API utilisables | OMRON: SYSMAC série CS/CJ, Mitsubishi Electric: série MELSEC-Q/QnAS | |
| Méthode de régulation | Régulation 2 PID (avec autotuning), régulation de température par gradient (avec fonction de réglage par gradient) | |
| Autres fonctions | Décalage d'entrée 2 points, rampe SP, variable manipulée manuelle, limiteur de variable manipulée, ajustement de dépassement d'interférences, alarmé dysfonctionnement élémentchauffant, RUN/STOP, banques, affectation des E/S, etc. | |
| Plage de températures ambantes | Fonctionnement: -10°C à 55°CStophage: -25°C à 65°C (sans givrage ni condensation) | |
| Plage d'humidité ambiente | Fonctionnement: 25 à 85 % (sans condensation) | |
Remarque: 1. Les sorties auxiliaires peuvent etre affectees en utilisant les affectations de sorties auxiliaires.
2. Affectedes en utilisant la fonction d'affection des entrées numériques.
■ Caracteristiques
| Résistance d'isolement | 20 MΩ min. (à 500 Vc.c.) | |
| Rigidité diélectrique | 600 Vc.a., 50/60 Hz pendant 1 min entre des bornes conductrices de polarité différente | |
| Résistance aux vibrations | 10 à 55 Hz, 20 m/s2de 2 heures chacune dans les directions X, Y et Z | |
| Résistance aux chocs | 150 m/s2maxi., 3 fois dans 6 directions | |
| Poids | 160 g | |
| Classe de protection | Boîtier arrêté : IP20, Section bornier : IP00 | |
| Protection de la mémoire | EEPROM (mémoire non volatile) (nombre d'écritures : 100 000) | |
| Normes | Normes approuviées | UL61010C-1, CSA C22.2 n°1010-1 |
| Conformité | EN61010-1 (CEI 61010-1) : norme antipollution 2, surtension de catégorie II | |
| Directive concernant la compatibilité électromagnétique (EMC) | Reportez-vous à la section page 3. | |
- Caracteristiques de communication Port C
Les communications ne sont pas possibles à partir du port B de l'unité de terminaison. Une connexion est établie entre les ports B lors de l'utilisation du positionnement réparti.
| Connexion de communication | RS-485/RS-422 : Multipoint, RS-232C : Point-à-point (voir remarque 1) |
| Méthode de communication | RS-485/RS-422 (deux fils, semi-duplex), RS-232C |
| Méthode de synchronisation | Synchronisation Marche/Arrêt |
| Vitesse de transmission | 9,6, 19,2, 38,4, 57,6 ou 115,2 kbps |
| Code de transmission | ASCII |
| Longueur de bits de données | 7 ou 8 bits |
| Longueur du bit d'arrêt | 1 ou 2 bits |
| Détection d'erreur | Parité verticalie (aucune, paire ou impaire) |
| Caractère de contrôle par blocs (BCC) avec CompoWay/F | |
| Contrôle de flux | Aucun |
| Interface | RS-485, RS-422, RS-232C (voir remarque 1) |
| Fonction de répédition | Aucun |
| Délai d'attente ↔ réponse communication | 1 à 99 ms (5 ms par défaut) |
| Nombre d'unités pouvant être raccordées en parallax (voir les remarques 2 et 3) | 16 unités (références avec TC4 : 64 canaux, références avec TC2 : 32 canaux) |
Remarque : 1. Il est possible de permuter entre RS-485 et RS-232C. Utilisez un autre modèle pour les communications avec RS-422.
2. Pour connaître le nombre d'unités pouvant être raccordées, veuillez vous reporter aux "Précautions pour les connexions" page 9.
3. Lors de la regulation de température par gradient, le nombre de canaux de contrôle est limite par le parametraque de groupe. Pour plus d'informations.
voir "Configuration du groupe par gradient" page 11.
Unité de terminaison / EJ1C-EDU
■ Valeurs nominales
| Tension d'alimentation | 24 Vc.c. | |
| Plage de tension de fonctionnement | 85 à 110 % de la tension nominale | |
| Sortie auxiliaire | Sorties | 2 |
| Sorties transistor | Tension de fonctionnement maxi.: 30 Vc.c., courant de charge maxi.: 50 mA | |
| Plage de température ambiente | Fonctionnement: -10°C à 55°C Stockage: -25°C à 65°C (sans givrage ni condensation) | |
| Plage d'humidité ambiente | Fonctionnement: 25 à 85 % (sans condensation) | |
- Caracteristiques
| Résistance d'isolement | 20 MΩ min. (à 500 Vc.c.) | |
| Rigidité diélectrique | 600 Vc.a., 50/60 Hz pendant 1 min entre des bornes conductrices de polarité différente | |
| Résistance aux vibrations | 10 à 55 Hz, 20 m/s² de 2 heures chacune dans les directions X, Y et Z | |
| Résistance aux chocs | 150 m/s² maxi., 3 fois dans 6 directions | |
| Poids | 70 g | |
| Classe de protection | Boîtier de l'unité de terminaison: IP20, section bornier: IP00 | |
| Normes | Normes approvées | UL61010C-1, CSA C22.2 n°1010-1 |
| Conformité | EN61010-1 (CEI 61010-1): norme antipollution 2, surfension de catégorie II | |
| Directive concernant la compatibilité electromagnétique (CEM) | Comme pour l'unité de base. Reportez-vous à la section page 3. | |
Communications
| Port A | Communications avec l'unité de base (voir “Caractéristiques des communications” page 4) |
| Connecteur du port A (voir remarque) | E58-CIFQ1 |
Remarque : Il n'est pas possible d'utiliser des communications de connecteur du port A et des communications de borne du port A en meme temps.
■ Configuration de base pour la régulation de température par gradient
- Il est possible de creer des systèmes avec des API hote en utilisant des communications sans programmation.
- Un positionnement réparti est possible en utilisant plusieurs unités de terminaison EJ1C-EDU.

La configuration de base pour la connexion à des contrôleurs de puissance multi-canal G3ZA.
Il est possible de connecter jusqu'à 8 contrôleurs G3ZA sur chaque unité de base.

■ Précautions pour les connexions
Définition du numéro de nœud
Il est possible d'utiliser les numérodes de nœud 0 à 31 pour les HFU et les unités de base.
Restriction du nombre d'unités
Restrictions pour les HFU
- Une seule EJ1G-HFU peut:gérer jusqu'à 16 unités de base (EJ1G-TC4/TC2).
- Il est possible de raccorder jusqu'à 16 unités côte-à-côte, y compris l'EJ1G-HFU. L'unité de terminaison n'est pas incluse dans les 16 unités.
Remarque :Lors de la régulation de la température par gradient, le nombre de canaux de contrôle est limité par le paramétrage de groupe. Pour plus d'informations, voir "Configuration du groupe par gradient" page 11.

Restrictions en cas de connexion avec G3ZA
- Il est possible de raccorder jusqu'à 8 contrôleurs de puissance multi-canal G3ZA sur une unité de base (EJ1G-TC4/TC2).

Il est possible de connecter jusqu'à 8 contrôleurs de puissance G3ZA sur une unité de base.
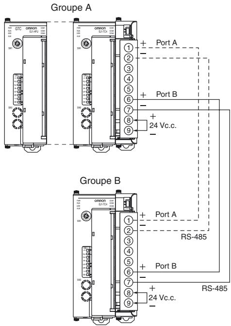
Câblage pour des positionnements répartis

Remarque : Câblez la ligne en pointillés lorsque les paramètres pour tous les EJ1G sont définis à partir d'un connecteur du port A.
Si les lignes en pointillés ne sont pas câblés, vous devez paramétrer le groupe A en utilisant le connecteur du port A et paramétrer le groupe B en utilisant le connecteur du port A.
Restrictions sur les positionnements répartis
Connectez toujours HFU à gauche de l'unité de base.

■ Blocs d'iso1ation
Comme le montre les schémas suivants, chaque unité EJ1G est isolée électricquement pour chaque bloc de fonction.
L'isoation des fonctions est appliquée entre les sections alimentation electrique, entree, sortie et borne de communication.
Si you avez besoin d'une isolation double renforcée, utilisez les alimentations electriques qui respectent la norme CEI 60664 pour isolation double renforcée pour l'alimentation externe de EJ1G et pour les alimentations raccordees à EJ1G.
EJ1G-TC2
| Alimentation électrique | Entrée 1 |
| Entrée 2 | |
| Communications (port A, port B, G3ZA) | |
| Sorties de transistor 3 et 4 | |
| Sorties de tension 1 et 2 |
Isolation fonctionnelle
EJ1G-TC4
| Alimentation électrique | Entrée 1 |
| Entrée 2 | |
| Entrée 3 | |
| Entrée 4 | |
| Sorties de tension 1 à 4 | |
| Communications (port A, port B, G3ZA) |
Isolation fonctionnelle
EJ1G-HFU
| Alimentation électrique | Sorties de transistor 1 à 4 |
| Communications (port A, port C) |
Isolation fonctionnelle
EJ1C-EDU
| Alimentation électrique | Sorties de transistor 1 à 2 |
| Communications (port A, port B) |
Isolation fonctionnelle
Il est possibles d'exécuter les communications avec les API d'Omron (SYSMAC séries CS/CJ) et Mitsubishi Electric (série MELSEC-Q/QnAS) sans programmation par schéma contact.
L'utilisation de communication sans programmation permet de surveiller et de modifier les paramètres pour EJ1G en lisant et en écrivant simplement dans la mémoire de l'API.
EJ1G exécuté automatiquement les communications avec l'API, ce qui réduit le temps de programmation pour les communications de l'API vers l'EJ1G.

Periphériques connectables
SYSMAC séries CS/CJ
| Nom | Référence | Ports de communication | |
| Port 1 | Port 2 | ||
| Carte de communications série | CJ1W-SCU21-V1 | RS-232C | RS-232C |
| CJ1W-SCU41-V1 | RS-422A/485 | RS-232C | |
| CS1W-SCU21-V1(voir remarque) | RS-232C | RS-232C | |
| Carte de communications série | CS1W-SCB21-V1(voir remarque) | RS-232C | RS-232C |
| CS1W-SCB41-V1(voir remarque) | RS-232C | RS-422A/485 | |
| UC | Série CJ1 | --- | RS-232C |
| Série CS1 | --- | RS-232C | |
Remarque: Utilisez uniquement les produits fabriqués après le 20 décembre 1999.
Pour plus de détails, veuillez vous reporter au manuel d'utilisation des cartes de communication série des séries CS/CJ (cat. n° W336).
Série MELSEC-Q/QnAS
| Nom | Référence | Ports de communication | |
| Canal 1 | Canal 2 | ||
| Carte de communication série compatible Q | QJ71C24N | RS-232C | RS-422/485 |
| QJ71C24 | |||
| QJ71C24R2 | RS-232C | RS-232C | |
| QJ71C24R2 | |||
| QJ71C24N-R4 | RS-422/485 | RS-422/485 | |
| Carte de communication série compatible QnAS | A1SJ71QC24N | RS-232C | RS-422/485 |
| A1SJ71QC24N-R2 | RS-232C | RS-232C | |
Remarque:1. Reportez-vous au manuel d'utilisation pour MELSEC de Mitsubishi Electric.
2. Les connexions directes à EJ1G sont possibles avec les ports RS-232C et RS-422.
3. Meme lorsque vous utilisez RS-422, il n'est pas possible de connecter plusieurs unités à l'API. Des tests ont montrés que EJ1G peut être raccordé aux modèles Mitsubishi Electric indiqués dans la liste ci-dessus. Cependant, toute modification de la conception ou tout autre facteur peuvent gérer les raccordements. Vérifiez les raccordements avant de monter le système.
Réglage de la régulation de la température par gradient
■ Configuration du groupe par gradient
La configuration du groupe par gradient est réalisée sur HFU comme indiqué ci-dessous.
| 0 | 1 | 2 | 3 | 4 | 5 | 6 |
| HFU | TC2 | TC2 | TC2 | TC2 | TC2 | TC2 |
HFU:Unité avancée
TC2:Unitede base 2 canal
EDU:Unité de terminaison
Exemple : Dans cet exemple, la régulation de température par gradient 3 canaux est réalisée par des blocs d' éléments de chauffage dans trois endroits.
- La régulation de température par gradient est divisé en trois groupes.
- Un canal de régulation 2 PID est utilisé pour chaque bloc d'élement de chauffage (pour un total de trois canaux).
- Tous les canaux sont régés pour détecter les dysfonctionnements de l'élement de chauffage.

Elément de chauffage inférieur (régulation de la température par gradient exécutée pour trois éléments de chauffage)
Pour la configuration du groupe, les éléments de chauffage sont d'abord divisés en sous-groupes et on decide ensuite si chaque groupe utilise la régulation de température par gradient ou la régulation 2 PID. Dans cet exemple, il y a trois groupes de régulation de température par gradient pour trois canaux et un groupe de régulation 2 PID pour trois canaux. Les groupes sont divisés comme suit.
Division de groupe en régulation de la température par gradient et régulation 2 PID

La configuration du groupe se fait avec les paramètres suivants.
| Paramètre | Description |
| Nombre de groupes actifs | Règle le nombre total de groupes, consistant en l'exécution de la régulation de la température par gradient et en l'exécution de la régulation 2 PID. |
| N° de l'unité de communication initiale | Définit le numéro d'unité de communication pour le canal initialedu groupe. |
| Canal initial | Définit le canal initialedu numéro d'unité de communication initiale. |
| Nombre de canaux actifs | Définit le nombre de canaux qui exécutent une régulation de la température par gradient ou uneregulation 2 PID. |
| Type de régulation | Définit si le groupe exécute une régulation de la température par gradient ou une régulation 2 PID. |
Remarque : Lorsque la configuration du groupe est modifiée après une régulation de température, les paramètres de la régulation ne sont pas initiaisés. Pour rétablit la configuration du groupe après une régulation, prenez garde d'initialiser les paramètres de configuration avant de modifier la configuration du groupe.
Dans cet exemple, la configuration du groupe est comme indiqué c- dedssous.
| Type de variable | Adresse | Paramètre | Valeur de paramètre | |
| F1 (B1) | 0000 | Nombre de groupes activés | 4 | |
| 0100 | Groupe 1 | N° de l'unité de communication initiale | 1 | |
| 0101 | Canal initial | 0 | ||
| 0102 | Nombre de canaux activés | 3 | ||
| 0103 | Type de régulation | 0 : Régulation de la température par gradient | ||
| 0200 | Groupe 2 | N° de l'unité de communication initiale | 2 | |
| 0201 | Canal initial | 1 | ||
| 0202 | Nombre de canaux activés | 3 | ||
| 0203 | Type de régulation | 0 : Régulation de la température par gradient | ||
| 0300 | Groupe 3 | N° de l'unité de communication initiale | 4 | |
| 0301 | Canal initial | 0 | ||
| 0302 | Nombre de canaux activés | 3 | ||
| 0303 | Type de régulation | 0 : Régulation de la température par gradient | ||
| 0400 | Groupe 4 | N° de l'unité de communication initiale | 5 | |
| 0401 | Canal initial | 1 | ||
| 0402 | Nombre de canaux activés | 3 | ||
| 0403 | Type de régulation | 1 : Régulation 2 PID | ||
HFU gère toutes les opérations pour la régulation de la température par gradient et la régulation 2 PID. Le nombre maximum de canaux actifs qui peuvent être contrôlés est sélectionné au niveau de la HFU (4, 8, 16 ou 32 canaux) et ce nombre de canaux est attribué pour le nombre le nombre de groupes utilisés.
Dans cet exemple, le nombre maximum de canaux actifs est de trois, la HFU attribue donc des groupes par unité de quatre canaux chacun. HFU reconnait les canaux suivants pour l'unité de base.
Attribution de canaux à l'intérieur de HFU

| Canaux HFU | Groupes |
| 1 | 1 |
| 2 | |
| 3 | |
| 4 | Non utilisable |
| 5 | 2 |
| 6 | |
| 7 | |
| 8 | Non utilisable |
| 9 | 3 |
| 10 | |
| 11 | |
| 12 | Non utilisable |
| 13 | 4 |
| 14 | |
| 15 | |
| 16 | Non utilisable |
HFU peut contrôr jusqu'à 64 canaux mais le nombre maximum de canaux actifs est différent de 4, 8, 16 ou 32 canaux. Les canaux non utilisables donnent le résultat indiqué dans notre exemple. Cela limite le nombre de canaux contrôlables et d'unités connectables.
L'exemple utilisé ici donne les résultats suivants dans la division de groupe et la connexion de l'élement de chauffage.

Remarque : Les connexions pour les blocs d'elément de chauffage 2 et 3 ont ete occultes ci-dessus.
■ Opérations de régulation de la température par gradient
HFU gère toutes les opérations pour la régulation de la température par gradient.
L'entrée de température est reçue par les unités de base (TC2 ou TC4), calculée par HFU, et ensuite sortie des unités de base (TC2 oz TC4) comme des variables manipulées.
Flux général des opérations de gradient

■ Agencement des capteurs de régulation de la température par gradient
Agencez les capteurs en séquences pour maximiser les performances de régulation dans les groupes de régulation de la température par gradient.
Exemples d'agencements linéaires des éléments de chauffage
Bon example

Mauvais exemple

Exemples d'agencements plats des éléments de chauffage
Bon example

Mauvais exemple

■ Connexion externe
- Les sections entre E/S et l'alimentation d'entrée sont isolées par isolation fonctionnelle. Pour une isolation renforcée, connectez les bornes d'entrée et de sortie aux apparciels dépourvus de parties conductrices de courant exposées ou aux apparciels équipés d'une isolation renforcée adaptée à la tension de service maximale des sections d'E/S de l'alimentation.
- Pour respecter les normes de tension de borne parasite de classe A dans EN 61326, installez un filtr (Densei Lamda MXB-1206-33 ou équivalent) sur la connexion d'alimentation c.c. aussi pres que possible du régulateur de température.
- Utilisez une alimentation SELV. Un circuit SELV est un circuit séparé de l'alimentation par une double isolation ou une isolation renforcée, qui dépasse une tension de sortie de 30 V r.m.s. et un pic de 42,4 V ou 60 Vc.c. maxi. Nous vous recommendons l'alimentation Omron série S8VS.

EJ1G-TC4

EJ1G-TC2

EJ1G-HFU
EJ1C-EDU

Remarque : 1. Pour connecter G3ZA, branchez un cable de connexion de G3ZA (EJ1C-CBLA050, vendu séparément) au port de connexion G3ZA (CN1) sur EJ1.
2. Pour une connexion à un ordinateur en utilisant un connecteur du port A, utilisez un cable de conversion USB de série E58-CIFQ1 (venu séparation). Il est possible de brancher un régulateur de température à un ordinateur en utilisant une connexion USB.
3. Les bornes A10 et B10 ne sont pas utilisées sur les modèle dotés de bornes à ressort. Ne connectez rien à ces bornes inutilisées.
Câblage interne

Circuit 1

Circuit 3

Circuit 2
Paramétrages de nomenclature et de spécification

■ Nomenclature
Voyants de fonctionnement :
EJ1G-TC2/TC4
| Voyants de fonctionnement : | Signification |
| PWR (vert) | S'allume lorsque l'alimentation est ON. |
| RUN | (il n'y a pas d'indiction qui s'affiche dans l'unité de base) |
| ERR (rouge) | S'allume ou clignote quand une erreur se produit. |
| ALM (rouge) | S'allume lorsqu'une alarme se déclenché. |
| COM 1 (orange) | Clignote pendant les communications via le port A sur l'unité de terminaison. |
| COM 2 (orange) | Clignote lorsque EJ1G est en marche. |
| COM 3 (orange) | Clignote pendant les communications avec G3ZA. |
EJ1G-HFU
| Voyants de fonctionnement : | Signification |
| PWR (vert) | S'allume lorsque l'alimentation est ON (voir remarque). |
| RUN (vert) | S'allume pendant le fonctionnement. |
| ERR (rouge) | S'allume ou clignote quand une erreur se produit. |
| ALM (rouge) | S'allume lorsqu'une alarme se déclenché. |
| COM 1 (orange) | Clignote pendant les communications via le port A sur l'unité de terminaison. |
| COM 2 (orange) | Clignote lorsque le système EJ1G est en marche. |
| COM 3 (orange) | Clignote pendant les communications via le port C. |
Remarque: Un certain temps est nécessaire avant que les indicateurs ne s'allument après la mise sous tension.
Paramètres de spécification
Commutateurs
- Vérifiez que EJ1G est hors tension avant de modifier la position des commutateurs. Les réglages ne sont lus qu'au moment de la mise sous tension.
- Réglez les commutateurs avec un petit tournevis plat. Ne place pas les commutateurs en demi-position entre les réglages.
- SW1 est régée sur 1 et les broches SW2 sont toutes régées sur OFF dans la configuration par défaut.

SW1

SW2
Configuration du numéro d'unité
SW1 et SW2 doivent être utilisées ensemble pour configurer le numéro d'unité entre 00 et 31. Le réglage usine est 01.
| SW2 | SW1 | |||||||||||||||
| 1 | 0 | 1 | 2 | 3 | 4 | 5 | 6 | 7 | 8 | 9 | A | B | C | D | E | F |
| OFF | 00 | 01 | 02 | 03 | 04 | 05 | 06 | 07 | 08 | 09 | 10 | 11 | 12 | 13 | 14 | 15 |
| ON | 16 | 17 | 18 | 19 | 20 | 21 | 22 | 23 | 24 | 25 | 26 | 27 | 28 | 29 | 30 | 31 |
Paramètres du SW2
EJ1G-TC2/TC4
| SW2 | Signification |
| 2 à 6 | Non utilisé (OFF) |
| 7 | ON : G3ZA est utilisé. |
| 8 | A utiliser lorsque les unités sont distribuées (se reporter au manuel d'utilisation pour de plus amples informations). |
EJ1G-HFU
| SW2 | Signification |
| 2 à 7 | Non utilisé (OFF) |
| 8 | • EJ1G-HFU□-NFLK OFF: RS-485 est scélectionné. ON: RS-232C est scélectionné. • EJ1G-HFU□-NFL2 Non utilisé (OFF) |
Dimensions
Remarque : Toutes les unités sont en millimètres, sauf indication contraire.
Régulateur de température
Unités de base
EJ1G-TC
HFU
EJ1G-HFU


(bornes à vis)

(bornes à ressort)

Unités de terminaison
EJ1C-EDU


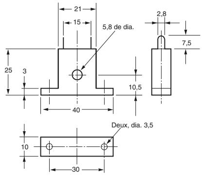
■ Options
Transformateur de courant (vendu séparément)

E54-CT1


E54-CT3

Accessoires E54-CT3

- Armature

Exemple de connexion

Fiche
Equipement de montage de rail (à commander séparément)

Remarque: Les valeurs entre parentesces concement le PFP-50N.
Plaque terminale

PFP-M

Remarque : Deux vis sont livrées avec EJ1C-EDU pour la plaque de terminaison.
Attachez toujours les plaques de terminaison de chaque côté.

■ Exemples de régulateurs de température de série EJ1G raccordés aux capteurs de température et relais statiques
ATTENTION
Ne touchez pas les bornes lorsque l'appareil est sous tension. Risque de blessure légère causée par une électrocution.

Utilisez une alimentation qui répond à l'isolement renforcée indiquée dans CEI 60664 pour alimentation externe ou une alimentation connectée à EJ1G. Si vous utilisez d'autres alimentations, des décharges dangereuses peuvent se produit.

Ne laisses pas de pieces métalliques, morceaux de fil de fer, copeaux métalliques fins ou copeaux résultat de l'installation pénétrer dans l'appareil. Cela peut être à l'origine d'une électrocution, d'un incendie ou d'un mauvais fonctionnement.

N'utilisez pas le produit dans des endroits en contact avec des gaz inflammables ou explosifs. Des blessures dues à une explosion peuvent se produit.

Ne démontez, modifiez ou répAREZ jamais le produit et ne touche aucune partie interne. Des décharges électriques, incendies ou dysfonctionnements mineurs peuvent se produit.

Serrez les vis des bornes à un couple compris entre 0,40 et 0,56 N·m. Un mauvais serrage des vis peut être à l'origine d'un incendie.

Réglez les paramètres du produit en fonction du système contrôle. S'ils ne sont pas régés correctement, des dysfonctionnements peuvent se produir et engendrer des dégats matériels ou des accidents.

Un dysfonctionnement du produit peut parfois rendre les opérations de contrôle impossible ou empêcher l'activation des alarmes, avec pour conséquence des dégats matériels. Pour assurer la sécurité en cas de dysfonctionnement du produit, prenez les mesures de sécurité appropriées en installerant par exemple un dispositif de surveillance sur une ligne distincte.

Les réguleurs de température par gradient régulent la température moyenne de plus d'un canal. Si un dysfonctionnement de l'objet de chauffage se produit pendant une régulation de température par gradient et si la température du canal baisse, il est possible que des dommages physiques se produisent car la température des autres canaux baisse aussi. Lorsque vous utilisez une régulation de la température, prenez les mesures de sécurité correspondantes pour l'ensemble du système en utilisant des alarmes de dysfonctionnement de l'objet de chauffage ou de l'information de température pour les différents canaux.

■ Précautions d'utilisation
Pour garantir la sécurité de fonctionnement du produit, respectez les instructions suivantes.
-
Le produit est destiné à un usage en interieur uniquement. N'utilise pas l'appareil à l'extérieur ou dans les endroits suivants :
-
les endroits soumis à la chaleur directe d'appareils de chauffage
- les endroits exposés aux éclaboussures de liquide ou aux projections d'huile
- les endroits exposés à la lumière directe du soleil
- les endroits poussiéaux ou représentant des gaz corrosifs (en particulier, le gaz sulfureux ou le gaz ammoniac)
- les endroits soumis à des variations de température importantes
- les endroits exposés au givre ou à la condensation
-
les endroits soumis à des vibrations ou à des chocs importants.
-
Utilisez et stockez le produit dans les plages de température et de taux d'humidité spécifiées. Organisez un refroidissement force le cas échéant.
-
Laissez un espace autour de l'appareil pour permettre à la chaleur de s'échapper. N'obstruez pas les trouss d'aération de l'appareil.
- Vérifiez le câblage et la polarité des bornes.
- Utilisez des cosses de la taille spécifiée (M3, 5,8 mm de large ou moins) pour le cablage. Pour connecter des fils nus au bornier, utilisez des fils de cuivre tressés ou rigides de calibre AWG22 à AWG14 (ce qui correspond à une section de 0,326 à 2,081 mm²) pour des lignes d'alimentation et un calibre de AWG28 à AWG16 (ce qui correspond à une section de 0,081 à 1,309 mm²) (la longueur dénudée est comprise entre 6 et 8 mm). Il est possible d'insérer deux fils de même section et de même type ou deux bornes serties maximum dans une seule borne.
- Ne cablez pas les bornes qui n'ont pas de fonction définie.
- Gardez le plus d'espace possible entre le régulateur de température et les apparciels générant une haute fréquence ou des pointes de tension élevées. Séperez les lignes à haute tension et à force consommation de courant des autres lignes et évitez les raccordements commun avec les lignes d'alimentation lors du câblage des bornes.
- Utilisez ce produit dans la plage de charge et d'alimentation nominale.
- Assurez-vous que la tension nominale est établie dans les deux secondes qui seront la mise sous tension.
- Pour garantir l'affichage correct de la température, assurez-vous que le produit dispose de 30 minutes ou plus pour pouvoirCHAuffer après la mise sous tension avant de commencer les opérations de contrôle.
- Le commutateur ou le disjoncteur doit être place à portée de main de l'opérateur et doit être renseigné comme étant un moyen de déconnecter l'appareil.
- N'utilise pas de diluant pour peinture ou de produit chimique similaire pour le nettoyage. Utilisez de l'alcool standard.
- Concevez le système (le tableau de commande par exemple) de façon à permettre une dérivation de temporisation nécessaire avant de valider les sorties du produit après la mise sous tension du produit.
- Ne touchez jamais aux composants électroniques, aux connecteurs ou aux schémas des cartes avec les mains nues. Tenez toutes le produit par le boîtier. Une manipulation inappropriée du produit peut endommager les composants internes en raison de l'électricité statique.
- Utilisez un interrupteur, un relais ou tout autre périhérique avec des contacts pour coupe l'alimentation rapidement. Une baisse de l'alimentation par paliers peut provoquer des sorties incorrectes ou des erreurs de mémorisation.
- Ne touche pas aux composants électriques avec les mains ou ne les cognez pas lors de la dépose du bornier.
- Connectez uniquement le nombre spécifique de produits, uniquely dans la configuration spécifique.
- Montez le produit sur un rail DIN posé à la verticale par rapport au sol.
19.Coupez toujours l'alimentation avant de cabler ou de replacer le produit ou de modifier la configuration du produit. - Attachez le joint de couvercle fourni sur l'ouverture du connecteur sur la partie gauche du produit pendant l'installation.
21.N'utilise pas le port B sur le produit de terminaison lorsque vous utilisez le port C sur HFU.
22.Installez le produit uniquement après lecture du manuel fourni avec l'unité de terminaison.
■ Précautions d'utilisation
Durée de vie
- Utilisation de l'appareil dans les plages de température et d'humidité suivantes :
Température: -10^ à 55^ (sans givrage ni condensation)
Humidité: 25 à 85 %
Lorsque le régulateur de température est intégré dans un tableau de commande, vérifie que la température ambiente du régulateur (et non pas celle du tableau de commande) ne dépasse pas les 55^ .
- La durée de vie des apparèils électroniques tels que les régulates de température dépend non seulement du nombre de commutations des relais, mais aussi de la durée de vie des composants électroniques. La température ambiente influe sur la durée de vie des composants : plus la température est élevée, plus la durée de vie diminue. Plus la température est faible, plus la durée de vie augmente. Ainsi, vous pouvez rallonger la durée de vie en baissant la température du régulateur.
- Le montage groupé de deux ou plusieurs réguleurs de température ou le montage superposé de réguleurs de température peut provoquer l'accumulation de chaleur à l'intérieur des réguleurs, ce qui réduit leur durée de vie. Si les réguleurs de température sont superposés ou montés côte-à-côte, installez un refroidissement par ventilateurs ou par d'autres moyens de ventilation d'air pour refroidir les réguleurs de température. Vérifie que vous ne refroidisse pas que les bornes. Vous risquez sinon de provoquer des erreurs de mesure.
Garantir l'exactitude des mesures
- Lorsque vous prolongez ou connectez la cable d'alimentation des thermocouples, voirlez à bien utiliser des cables de compensation correspondant aux types de thermocouples.
- Lorsque vous prolongez ou connectez le cable d'alimentation du thermomètre à résistance platine, utilisez des cables à résistance faible en veillant à ce que la résistance soit la même pour les trois cables.
- Montez le régulateur de température pour qu'il soit placé à l'horizontal.
- Si les mesures ne sont pas suffisamment précises, vérifie si le décalage d'entrée est régle correctement.
Précautions d'utilisation
- Un certain temps est nécessaire pour l'activation des sorties à partir du moment où la tension est mise. Tenez bien compte de ce délié lorsque vous incorporez les réguleurs de température dans un circuit de séquence.
- Cela prend 30 minutes entre le moment où le produit est mis sous tension et la température correcte est indiquée. Veillez toujours à mettre le régulateur sous tension au moins 30 minutes avant de lancer la régulation de la température.
- Evitez d'utiliser le régulateur de température à proximé d'une radio, d'une télévision ou d'un équipement sans fil. Vous risquez sinon de constater des dysfonctionnements.
Installation
Raccordement des unités
- Alignez les connecteurs et reliez les unités entre elles. Branchez une unité de terminaison sur l'extrémité de droite (il est possible de raccorder jusqu'à 16 unités côte-à-côte).

Remarque: 1. Ne raccordez pas d'unité de terminaison directement sur une HFU.
2. Connectez toujours une unité de terminaison sur le côte droit de l'unité de base.
- Faites glisser les glissoirs jaunes en haut et en bas des unités jusqu'à ce qu'elles s'enclenchent.

- Attachez le joint de couvercle sur le connecteur sur l'unité sur le côte gauche de EJ1G.

Dépose du bornier.
- Enonceze le levier du bornier.

- Tirez le bornier.

Montage sur rail DIN
Montage
Attachez le crochet en haut de l'unité dans le rail DIN et appuyez sur l'unité jusqu'à ce qu'elle s'enclenche.

(2) Attachez le crochet supérieur
sur le rail DIN.

(4) Vérifiez que l'unité s'est
enclenchée correctement.
Démontage
Tirez sur le crochet avec un tournevis plat et le relevez sur l'unité.

Tournevis plat
Montez une plaque de terminaison de chaque côte du EJ1C-EDU (les plaques de terminaison PFP-M sont fournies avec les unités de terminaison).

PFP-M
Montez le rail DIN à la verticale par rapport au sol.


Correct

Incorrect
Horizontal
Verticalment
Rail DIN applicable (vendu séparation) :
PFP-100N (100 cm).
PFP-50N (50 cm)
Câblage des borniers à bornes à ressort
Il existe deux trous pour chaque borne. Le trou de croite correspond au trou de service et le trou de gauche au trou de câblage. Insérez le tournevis plat de 2,5 mm largeur dans le trou de service puis insérez les câbles dans le trou de câblage. Les câbles sont fixés lorsqu'vous retirez le tournevis.
Utilisez, pour le câblage, des bornes serties qui correspondent avec les sections du matériel de câblage.
Nous you recommendons d'utiliser les bornes serties suivantes :
Gaines H Weidmuller series

Connexion à G3ZA (EJ1G-TC)

Branchez le cable de raccordement de G3ZA au connecteur CN1 en bas de l'unité TC.

Branchez la ligne noire avec la bande blanche sur le borne 7 du G3ZA et la ligne noire sans bande sur la borne 8.
EJ1C-CBLA050
(a commander séparément)
(câble de 5 m)
Reportez-vous au "Manuel d'instructions de G3ZA" pour le câblage.
Reportez-vous au manuel suivant pour connaître les précautions de sécurité et obtenir toutes les informations nécessaires
à l'utilisation du EJ1G :
Manuel d'utilisation du régulateur de température EJ1G (Cat. No. H143).
Remarques relatives à la garantie et aux applications
| Prenez soit de dire et de bien comprendre ce catalogue. |
| Veuillez dire attentivement et comprendre ce catalogue avant d'acheter les produits. Consultez votre revendeur Omron si vous avez des questions ou des commentaires. |
| Garantie et limitations de responsabilité |
| GARANTIE La garantie Omron prend en charge les défauts de matériaux ou de main-d'oeuvre du produit pour une période de un an (ou toute autre durée spécifique) à compter de la date de la vente par Omron. OMRON NE DONNE AUCUNE GARANTIE, NI NE DECLARE, EXPRESSEMENT OU IMPLICITEMENT, QUE LE PRODUIT EST EXEMPT DE CONTREFACON, QU'IL A UNE VALEUR COMMERCIALE OU QU'IL CONVIENT A UN USAGE PARTICULARIER. TOUT ACHETEUR OU UTILISATEUR RECONNAIT QUE SEUL L'ACHETEUR OU L'UTILISATEUR PEUT DETERMINER SI LES PRODUITS REPONDENT CONVENABLEMENT A L'USED AUXQUELS ILS SONT DESTINES. OMRON REJETTE Toute AUTRE GARANTIE, EXPLICITE OU INDUITE. |
| LIMITATIONS DE RESPONSABILITE OMRON NE SERA PAS TENU POUR RESPONSABLE DES DOMMAGES SPECIFIQUES, INDIRECTS, DES PERTES D'EXPLOitation OU DES PERTES COMMERCIALES EN QUELCONQUE RAPPORT AVEC LES PRODUITS, QUE LES DOMMAGES AIENT UN FONDEMENT CONTRACTUEL, QU'ILS SOIENT FONDES SUR LA GARANTIE, LA NEGLIGENCE OU LA STRICTE RESPONSABILITE. Enaucun cas, la responsabilité d'Omron ne saurait exceder le prix de vente unitaire du produit pour lequel la responsabilité est invoquée. EN AUCUN CAS, OMRON NE SERA RESPONSABLE DE LA GARANTIE, DE LA REPARATION OU AUTRE DEMANDE CONCERNANT DES PRODUITS, A MOINS QUE L'ANALYSE D'OMRON NE CONFIRME QU'ILS ONT ETE MANIPULES, STOCKES, INSTALLLES ET ENTRETENUS CORRECTEMENT ET N'ONT PAS FAIT L'OBJET DE CONTAMINATIONS, D'UNE UTILISATION ANORMALE OU D'UNE MAUVAISE UTILISATION OU DE MODIFICATIONS OU REPARATIONS INAPPROPRIEEES. |
| Considérations sur les applications |
| ADEQUATION AU BESOIN Omron ne garantit pas la conformité de ses produits aux normes, codes ou réglementations applicables en fonction de l'utilisation des produits par le client. Il apparait à l'opérateur de prendre les mesures nécessaires pour s'assurer de l'adéquation des produits aux systèmes, machines et équipements avec lesquels ils seront utilisés. Informez-vous de toutes les interdictions d'utilisation de ce produit applicables et respectez-les. NE JAMAIS UTILISER LES PRODUITS POUR DES APPLICATIONS PRESENTANT DES DANGERS DE MORT OU D'ENDOMMAGEMENT DES BIENS SANS VOUS ASSURER QUE LE SYSTEME DANS SON ENSEMBLE A ETE CONçu POUR PRENDRE EN COMPTE CES RISQUES ET QUE LES PRODUITS OMRON SONT CORRECTEMENT CALIBRES ET INSTALLLES POUR L'USED PREVU DANS L'ÉQUIPEMENT OU LE SYSTEME COMPLET. |
| Dénégations de responsabilité |
| DONNEES TECHNIQUES Les données techniques indiquées dans leprésent catalogue ne visent qu'à guider l'utilisateur et ne constituent pas une garantie. Elles représentent le résultat des tests dans des conditions d'essai d'Omron et les utilisateurs doivent les corréler aux besoin de leur application. Les performances réelles sont assujetties aux dispositions de la Garantie et des limitations de responsabilité d'Omron. |
| MODIFICATION DES CARACTERISTIQUES Les caractéristiques et accessoires des produits peuvent changer à tout moment pour motifs d'amélioration des produits ou pour d'autres raisons. Prenez contact avec votre représentant Omron pour obtenir confirmation des caractéristiques des produits achétés. |
| DIMENSIONS ET POIDS Les dimensions et les poids sont nominaux et ne doivent pas été utilisés à des fins de fabrication, même si les tolérances sont indiquées. |
Le produit étant sans cette amélioré, ces caractéristiques peuvent être modifiées sans préavis.
FRANCE
Omron Electronics S.A.S.
14, rue de Lisbonne
93110 ROSNY SOUS BOIS
N°Indigo
0825825679
316 853 332 R.C.S. BOBIGNY
Tél. : +33 156 63 70 00
Fax: +33 148 55 90 86
www.industrial.omron.fr
BELGIQUE
Omron Electronics N.V./S.A.
Romanel Tél. : +41 (0) 21 643 75 75
316 832 353 000 BOBIGY TAI. +83 15 66700
Ben que nos nous c.s. U.S. c.s. ence t'attempter la peurance
Omron Europe eveu les sices et partnerees d'innemont
Europe eiveu les sices et partnerees d'infectie
Poune ou neus c.s. ence t'attemperant
Poune ou neus c.s. ence t'attemperant
Poune ou neus c.s. ence t'attemperant
Poune ou neus c.s. ence t'attemperant
Poune ou neus c.s. ence t'attemperant
Poune ou neus c.s. ence t'attemperant
Poune ou neus c.s ence t'attemperant
Poune ou neus c.s. ence t'attemperant
Notice Facile