EJ1 - Régulateur de température OMRON - Notice d'utilisation et mode d'emploi gratuit
Retrouvez gratuitement la notice de l'appareil EJ1 OMRON au format PDF.
| Type d'appareil | Régulateur de température modulaire |
| Montage | Monté en panneau |
| Conception | Modulaire flexible |
| Structure | Compacte |
| Entrées | Thermocouple, thermomètre à résistance platine, analogique |
| Sorties de contrôle | Sorties transistor 2 points (NPN) ou courant 2 points |
| Sorties auxiliaires | Aucun ou transistor 2 à 4 points (NPN) |
| Nombre de points de contrôle | 2 à 4 |
| Tension d'alimentation | 24 V c.c. ou non précisé |
| Fonctions de communication | Port de connexion G3ZA : RS-485 |
| Type d'entrée | Thermocouple, thermomètre à résistance platine, tension analogique |
| Bornier | Borne M3 ou bornes à ressort |
| Fonctions supplémentaires | Alarme de dysfonctionnement de l'élément chauffant, entrées d'événement |
| Compatibilité | Connexion avec API sans programmation spécifique |
| Applications | Régulation de température pour systèmes industriels |
| Précision | Haute précision avec minimum de bruit |
FOIRE AUX QUESTIONS - EJ1 OMRON
Questions des utilisateurs sur EJ1 OMRON
0 question sur cet appareil. Repondez a celles que vous connaissez ou posez la votre.
Poser une nouvelle question sur cet appareil
Téléchargez la notice de votre Régulateur de température au format PDF gratuitement ! Retrouvez votre notice EJ1 - OMRON et reprennez votre appareil électronique en main. Sur cette page sont publiés tous les documents nécessaires à l'utilisation de votre appareil EJ1 de la marque OMRON.
MODE D'EMPLOI EJ1 OMRON
Régulateur de température modulaire EJ1
Régulateur de température monté en panneau avec une conception modulaire flexible pour une meilleure intégration dans les périphériques hôtes
- La structure modulaire compacte permet de réaliser des systèmes de régulation de température optimaux pour les applications.
- Il est possible de réaliser des connexions avec des API sans programmation particulière, réduisant ainsi le nombre d'étapes nécessaires à la conception de programmation en schéma contacts.
- Une unité multi-entrée complète comprend une entrée thermocouple, thermomètre à résistance platine et analogique pour une sélection rapide et des besoin de pieces de rechange réduits.
- Connectez directement le contrôleur de puissance multi-canal G3ZA en utilisant un contrôle de cycle optimal pour une régulation haute précision avec un minimum de bruit.
- Fonctionnalité améliorée pour permettre le raccordement de plus de périhériques avec des communications sans programmation Connexion de plusieurs contrôleurs à un seul API.

Reportez-vous aux Précautions de sécurité page 21


C US
Modèles avec sorties de courant supplémentaires Fonctionnalité améliorée pour les unités de base et les HFU
Références pour la commande
■ Régulateur de température Modèles de contrôle standard
| Nom | Tension d'almen-tation | Nbre de points de con-trole | Sorties de contrôle 1 et 2 | Sorties de contrôle 3 et 4 | Sortie auxiliaire | Fonctions | Fonctions de communication | Type d'entrée | Bornier | Modèle | |
| Alarmé de dys-fonctionnement de l'élement-ment chauffant | Entrées d'éché-ment | ||||||||||
| Unité de base (régulation de la tempé-rature) (voir remar-que 1) | Alimenta-tion 24 Vc.c. four-nie par l'unité de terminai-son | 2 | Sortie de tension : 2 points (pour pilotation de relais stati-que) (voir re-marque 2) | Sortie transistor : 2 points (NPN) | Aucun | 2 (voir re-marque 3) | 2 | Port de connexion de G3ZA : RS-485 De l'unité de terminaison : Port A ou port B : RS-485 | Thermocouple, thermomètre à résistance plati-ne, tension analogi-que et courant analogi-que sélectionna-bles pour chaque canal. | Borne M3 | EJ1N-TC2A-QNHB |
| 4 | Sortie tension : 2 points (pour pilotation de re-lais statique) (voir remarque 2) | Aucun | Aucun | Borres à dessort | EJ1N-TC2B-QNHB | ||||||
| 2 | Sortie courant : 2 points | Sortie transistor : 2 points (NPN) | 2 | Borne M3 | EJ1N-TC4A-QQ | ||||||
| Borres à dessort | EJ1N-TC4B-QQ | ||||||||||
| HFU (voir remar-que 1) | Aucun | Aucun | Aucun | Sortie transistor : 4 points (NPN) | 4 (voir re-marque 4) | De l'unité de terminaison : Port A : RS-485 Port C : RS-485 ou RS-232C | Pas entrée | Borne M3 | EJ1N-TC2A-CNB NEW | ||
| De l'unité de terminaison : Port A : RS-485 Port C : RS-422 | Borres à dessort | EJ1N-HFUB-NFLK | |||||||||
| Unité de ter-minaison (voir remar-que 1) | 24 Vc.c. | Sortie transistor : 2 points (NPN) | Aucun | Port A ou B : RS-485 Connecteur : Port A | Borne M3 | EJ1N-HFUB-NFL2 | |||||
| Borres à dessort | EJ1N-HFUB-NFL2 | ||||||||||
Remarque : 1 . Une unité de terminaison est always nécessaire pour la connexion à une unité de base ou une HFU . Une HFU ne peut fonctionner sans unité de base . Les communications externes ne peuvent être réalisées quand on utilise une seule unité de base .
2. Pour les applications de régulation de chauffage / de refroidissement, les sorties de contrôle 3 et 4 sur les modèles à 2 points sont utilisés pour les sorties de régulation de
refroidissement ou de chaudiage. Sur les modeles à 4 points, la régulation de chaudiage / de refroidissement est réalisée pour deux points d'entrée.
3. En cas d'utilisation de l'alarme de dysfonctionnement de l'élement chauffant, achetez un transformateur de courant (E54-CT1 ou E54-CT3) (vendu séparation).
4. Il y a trois instructions de service que vous pouze envoyer aux unités connectées à une HFU.
Mises à jour des fonctions
Pour plus d'informations, reportez-vous à la section page 17.
Les fonctions mises à jour sont reprétabes à "V1.1".
Reportez-vous au manuel suivant pour connaître les précautions de sécurité et Obtirer toutes les informations nécessaires à l'utilisation du EJ1 :
Manuel d'utilisation du régulateur de température EJ1 (Cat. No. H142).
■ Accessoires (à commander séparément)
Transformateur de courant
| Diamètre | Modèle |
| 5,8 de dia. | E54-CT1 |
| 12,0 de dia. | E54-CT3 |
Câble de connexion G3ZA
| Longueur de câble | Modèle |
| 5 m | EJ1C-CBLA050 |
Equipement de montage sur rail DIN
| Nom | Modèle |
| Montage sur rail | PFP-100N |
| PFP-50N |
Logiciel de support CX-Thermo ver. 3.2
| Modèle |
| EST2-2C-MV3 |
Câble de conversion USB-série
| Modèle |
| E58-CIFQ1 |
Caracteristiques
Unité de base / EJ1N-TC
■ Valeurs nominales
| Type | EJ1N-TC4 | EJ1N-TC2 | |
| Tension d'alimentation | 24 Vc.c. | ||
| Plage de tension de fonctionnement | 85 à 110 % de la tension nominale | ||
| Consommation | 5 W maxi. (avec une charge maximale) | 4 W maxi. (avec une charge maximale) | |
| Entrée (voir remarque) | Thermocouple: K, J, T, E, L, U, N, R, S, B, W, PLIIThermo-capteur infrarouge ES1B: 10 à 70 °C, 60 à 120 °C, 115 à 165 °C, 140 à 260 °CEntrée analogue: 4 à 20 mA, 0 à 20 mA, 1 à 5 V, 0 à 5 V, 0 à 10 VThermomètre à résistance platine: Pt100, JPt100 | ||
| Impédance d'entrée | Entrée de courant: 150 Ω maxi., entrée de tension: 1 MΩ mini. | ||
| Sorties de contrôle | Sortie tension | Tension de sortie: 12 Vc.c. ±15 %, courant de charge maxi. : 21 mA (modèles PNP avec protection contre les courts-circuits) | |
| Sortie transistor | --- | Tension de fonctionnement maxi. : 30 V, courant de charge maxi. : 100 mA | |
| Sortie courant | --- | Plage de la sortie courant: 4 à 20 mA ou 0 à 20 mA c.c.Chaige: 500 Ω maxi. (y compris la sortie transfert)(résolution: 2800 env. pour 4 à 20 mA c.c., 3500 env. pour 0 à 20 mA c.c.) | |
| Entrées d'événements | Points d'entrée | --- | 2 |
| Entrée contact | --- | ON: 1 kΩ maxi., OFF: 100 kΩ mini. | |
| Entrée sans contact | --- | ON: Tension résiduelle: 1,5 V maxi.,OFF: Courant de fuite: 0,1 mA maxi. | |
| --- | Courant de sortie: 4 mA env. par point | ||
| Nombre de points d'entrée et de points de contrôle | Points d'entrée: 4, Points de contrôle: 4 | Points d'entrée: 2, Points de contrôle: 2 | |
| Méthode de réglage | Par les communications | ||
| Méthode de contrôle | Contrôle ON/OFF ou 2 PID (avec réglage automatique) | ||
| Autres fonctions | Décalage d'entrée 2 points, filtre d'entrée numérique, SP distant, rampe SP, variable manipulée manuelle, limiter de variable manipulée, ajustement de dépassement d'interférence, alarme dysfonctionnement de boucle, RUN/STOP, banques, attributions des E/S, etc. | ||
| Plage de température ambiente | Fonctionnement: -10 °C à 55 °C, stockage: -25 °C à 65 °C (sans givre ni condensation) | ||
| Plage d'humidité ambiente | Fonctionnement: 25 à 85 % (sans condensation) | ||
Remarque : Les entrées sont toutes multi-entrées. C'est pourquoit il est possible de selectionner les entrées de thermomètre à résistance platine, de thermocouple, de capteur de température infrarouge et entrées analogiques.
■ Caracteristiques
| Précision d'indication | Entrées thermocouple / Entrée thermomètre à résistance platine (la valeur la plus élevé de ±0,5 % de la valeur indiquée (PV) ou ±1 °C) ±1 chiffre maxi. (voir remarque 1) Entrée analogue: ±0,5% pleine échelle ±1 chiffre maxi. Entrée CT: ±5% pleine échelle ±1 chiffre maxi. | |
| Hystérisis | 0,1 à 999,9 EU (par unité de 0,1 EU) (voir remarque 2) | |
| Bande proportionnelle (P) | 0,1 à 999,9 EU (par unité de 0,1 EU) (voir remarque 2) | |
| Temps intégral (I) | 0 à 3999 s (par pas de 1 s) | |
| Temps dérivé (D) | 0,0 à 999,9 s (par pas de 0,1 s) | |
| Période de contrôle | 0,5 s, 1 à 99 s (par pas de 1 s) | |
| Valeur de réinitialisation manuelle | 0,0 à 100 % (par unité de 0,1 %) | |
| Plage de réglage de l'alarme de sortie | -1999 à 9999 (la position de la virgule dépend du type d'entrée) | |
| Période d'échantillonnage | 250 ms | |
| Influence de la résistance source du signal | Thermocouple: 0,1 °C (0,2 °F)/Ω maxi. (100 Ω maxi. par ligne) (voir remarque 3) Thermomètre à résistance platine: 0,4 °C (0,8 °F)/Ω maxi. (10 Ω maxi. par ligne) | |
| Résistance d'isolement | 20 MΩ min. (à 500 Vc.c.) | |
| Rigidité diélectrique | 600 Vc.a., 50/60 Hz pendant 1 min entre des bornes conductrices de polarité différente | |
| Résistance aux vibrations | 10 à 55 Hz, 20 m/s² de 2 heures chacune dans les directions X, Y et Z | |
| Résistance aux chocs | 150 m/s² maxi., 3 fois dans 6 directions | |
| Poids | 180 g | |
| Classe de protection | Boîtier arrêté: IP20, section bornier: IP00 | |
| Protection de la mémoire | EEPROM (mémoire non volatile) (nombre d'écritures: 100 000) | |
| Normes | Normes approvées | UL61010C-1, CSA C22.2 n°1010-1 |
| Conformité | EN61010-1 (CEI 61010-1): norme antipollution 2, surtension de catégorie II | |
| Directive concernant la compatibilité electromagnétique (EMC) | IEM: EN61326 IEM émise: EN55011 groupe 1, classe A IEM transmise par conduction: EN55011 groupe 1, classe A EMS: EN61326 Immunité aux décharges électrostatiques: EN61000-4-2 Immunité du champ electromagnétique émis: EN61000-4-3 Immunité aux bruits / bruits en créèaux: EN61000-4-4 Immunité aux parasites effectué: EN61000-4-6 Immunité aux surtensions: EN61000-4-5 Immunité de fréquence commerciale: EN61000-4-8 Immunité aux baissses de tension/interruptions de tension: EN61000-4-11 | |
Remarque : 1. L'indication des thermocouples K dans la plage de -200 à 1300 °C, des thermocouples T et N à une température de -100 °C au plus et des thermocouples U et L à n'importe que l'extémpérature est de ±2 °C ±1 chiffre maximum. L'indication des thermocouples B à une température de 400 °C au plus est illimitée. L'indication des thermocouples R et S à une température de 200 °C ou moins est de ±3 °C ±1 chiffre maximum. W = (±0,5 % de la valeur indiquée (PV) ou ±3 °C, en fonction de la valeur la plus élevé) ±1 chiffre maxi. PLII = (±0,5 % de la valeur indiquée ou ±2 °C, en fonction de la valeur la plus élevé) ±1 chiffre maxi.
2. "EU" signifie "Unite technique" (Engineering Unit). La position de la virgule dépend du type de capteur utilisé. Si la décimale est définie sur 0 (^*) , elle est traitée comme si elle était sur 1 (^*,) .
3. Capteurs B, R, Set W: 0,2^ / maxi. (100 maxi.)
■ Caracteristiques des communications
| Port B(voir remarque 1) | Borne du port A / Connecteur du port A (voir remarque 1) | Port de connexion G3ZA(voir remarque 2) | |
| Connexion de communication | RS-485 (multipoint) | ||
| Méthode de communication | RS-485 (deux fils, semi-duplex) | ||
| Méthode de synchronisation | Synchronisation Marche/Arrêt | ||
| Protocole de communications | CompoWay/F, Modbus (voir remarque 4)V1.1 | CompoWay/F | |
| Vitesse de transmission | 9,6, 19,2, 38,4, 57,6 ou 115,2 kbps | 38,4 kbps fixes | 57,6 kbps fixes |
| Code de transmission | CompoWay/F : ASCII, Modbus : RTU | ||
| Longueur de bits de données | 7 ou 8 bits | 7 bits | |
| Longueur du bit d'arrêt | 1 ou 2 bits | 2 bits | |
| Détection d'erreur | Parité verticalie (aucune, paire ou impaire) | Parité verticalie (paire) | |
| Caractère de vérification de bloc (BCC) : avec CompoWay/F, CRC-16 : (avec Modbus) | |||
| Contrôle de vitesse | Aucun | ||
| Interface | RS-485 | ||
| Fonction de répétition | Aucun | ||
| Décai d'attente réponse communication | 0 à 99 ms (5 ms par défaut) V1.11 à 99 ms (5 ms par défaut) (ver. 1.0) | 1 à 99 ms (1 ms par défaut) | --- |
| Nombre d'unités pouvant être raccordés en parallele (voir remarque 3) | 64 unités (références avec TC4 : 256 canaux, références avec TC2 : 128 canaux)Connexion de communications via le port B sur l'unité de terminaison | 64 unités (références avec TC4 : 256 canaux, références avec TC2 : 128 canaux)Connexion de communications via le port A sur l'unité de terminaison | 8 unités (connexion de communications via le port G3ZA sur l'unité de terminaison) |
Remarque: 1. Connexion à partir de EJ1C-EDU
2. Vous doivent acceder un cable spécial (EJ1C-CBLA050) (vendu séparation) pour la connexion G3ZA.
3. Pour connaître le nombre d'unités pouvant être raccordées, veuillez vous reporter aux Précautions pour les connexions page 11.
4. Le protocole Modbus peut etre utilise avec l'unité de base version 1.1 ou supérieure.
Valeur nominale du transformateur de courant (TC)
| Rigidité diélectrique | 1 000 Vc.a. pendant 1 mn |
| Résistance aux vibrations | 50 Hz, 98 m/s2 |
| Poids | E54-CT1 : environ 11,5 g ; E54-CT3 : Environ 50 g |
| Accessoires (E54-CT3 uniquement) | Armatures (2), fiches (2) |
- Caracteristiques de l'alarme de dysfonctionnement d'objetment chauffant, de l'alarme de panne de relais statique et de l'alarme de surintensité de l'objetment chauffant (modèles TC2-QNHB uniquement)
| Courant maxi-mum dans l'élementment chauffant | 100 Vc.a. |
| Precision de l'in-dication du cou-rant d'entrée | ±5% pleine échelle ±1 chiffre maxi. |
| Plage de selec-tion de l'alarme de dysfonction- nement d'élement-ment chauffant | 0,1 à 99,9 A (par unité de 0,1 A)0,0 A : La sortie de l'alarme de dysfonctionnement de l'élement-ment chauffant est désactivée.100,0 A : La sortie de l'alarme de dysfonctionnement de l'élement-ment chauffant est activée.Temps ON minimum de détéction : 100 ms (voir remarque 1) |
| Plage de config-guration de l'alarme de pan-ne du relais stati-que | 0,1 à 99,9 A (par unité de 0,1 A)0,0 A : La sortie de l'alarme de panne du relais statique est activée.100,0 A : La sortie de l'alarme de panne du relais statique est désactivée.Temps OFF mini. de détéction : 100 ms (voir remarque 2) |
| Plage de config-guration de l'alarme de su-rintensité d'élement-ment chauffant | 0,1 à 99,9 A (par unité de 0,1 A)0,0 A : La sortie de l'alarme de surintensité de l'élementmentchauffant est activée.100,0 A : La sortie de l'alarme de surintensité de l'élementmentchauffant est désactivée.Temps ON minimum de détéction : 100 ms (voir remarque 1) |
Remarque: 1. Lorsque le temps ON de la sortie de contrôle 1 est inférieur à 100 ms, la détction de dysfonctionnement de l' éléments chauffant et la mesure du courant de l' éléments chauffant ne s'effectuant pas.
2. Lorsque le temps OFF de la sortie de contrôle est inférieur à 100 ms, l'alarme de panne du relais statique et la mesure du courant de fuite ne sont pas effectuées.
Plages des entrées
Les entrées de capteur sont des multi-entrées complètes. C'est pourquoit il est possible de selectionner les entrées de thermomètre à résistance platine, de thermocouple, de capteur de température infrarouge et entrées analogiques. Il est possible de régler les entrées de chaque canal en utilisant les multi-entrées.
| Type d'entrée | Thermomètre à résistance de platine | ||||
| Nom | Pt100 | JPt100 | |||
| Plage de tem-péra-ture (°C) | 2300 | ||||
| 1800 | |||||
| 1700 | |||||
| 1600 | |||||
| 1500 | |||||
| 1400 | |||||
| 1300 | |||||
| 1200 | |||||
| 1100 | |||||
| 1000 | |||||
| 900 | 850 | ||||
| 800 | |||||
| 700 | |||||
| 600 | |||||
| 500 | |||||
| 400 | |||||
| 300 | |||||
| 200 | |||||
| 100 | |||||
| 0 | |||||
| -100,0 | |||||
| -200,0 | |||||
| -200 | -199,9 | -199,9 | |||
| Numéro config. | 0 | 1 | 2 | 3 | 4 |
| Type d'entrée | Thermocouple | Capteur de température à infrarouge ES1B | Entrée analogue | |||||||||||||||||||||||
| Nom | K | J | T | E | L | U | N | R | S | B | W | PLII | 10 à 70 °C | 60 à 120 °C | 115 à 165 °C | 140 à 260 °C | 4 à 20 mA | 0 à 20 mA | 1 à 5 V | 0 à 5 V | 0 à 10 V | |||||
| Plage de tem-péra-ture (°C) | 2300 | 2300 | Une des plages suivantes, par la mise à l'échelle : -1999 à 9999 -199,9 à 999,9 -19,99 à 99,99 -1,999 à 9,999 | |||||||||||||||||||||||
| 1800 | 1800 | |||||||||||||||||||||||||
| 1700 | 1700 | 1700 | ||||||||||||||||||||||||
| 1600 | ||||||||||||||||||||||||||
| 1500 | ||||||||||||||||||||||||||
| 1400 | ||||||||||||||||||||||||||
| 1300 | 1300 | 1300 | ||||||||||||||||||||||||
| 1200 | ||||||||||||||||||||||||||
| 1100 | ||||||||||||||||||||||||||
| 1000 | ||||||||||||||||||||||||||
| 900 | 850 | 850 | ||||||||||||||||||||||||
| 800 | ||||||||||||||||||||||||||
| 700 | ||||||||||||||||||||||||||
| 600 | 600 | |||||||||||||||||||||||||
| 500 | 500,0 | |||||||||||||||||||||||||
| 400 | 400,0 | 400 | 400,0 | 400 | 400,0 | |||||||||||||||||||||
| 300 | 260 | |||||||||||||||||||||||||
| 200 | 120 | 165 | ||||||||||||||||||||||||
| 100 | 90 | |||||||||||||||||||||||||
| 0 | 100 | |||||||||||||||||||||||||
| -100,0 | -20,0 | -100 | -20,0 | -100 | 0 | 0 | 0 | 0 | 0 | 0 | 0 | 0 | 0 | |||||||||||||
| -200,0 | -200 | -200 | -199,9 | -200 | -199,9 | -200 | ||||||||||||||||||||
| Numéro config. | 5 | 6 | 7 | 8 | 9 | 10 | 11 | 12 | 13 | 14 | 15 | 16 | 17 | 18 | 19 | 20 | 21 | 22 | 23 | 24 | 25 | 26 | 27 | 28 | 29 | |
Les normes applicables par type d'entrée sont:
K, J, T, E, N, R, S, B: JIS C1602-1995, IEC584-1
L: Fe-CuNi, DIN 43710-1985
U: Cu-CuNi, DIN 43710-1985
W: W5Re/W26Re, ASTM E988-1990
PL II: Selon le tableau des forces électro-motrices Platinel II de Engelhard Corp.
JPt100:JIS C 1604-1989,JIS C 1606-1989 Pt100:JIS C 1604-1997 IEC 751
Les valeurs sur fond gris correspondant aux valeurs par défaut.
Unité HFU / EJ1N-HFU
■ Valeurs nominales
| Tension d'alimentation | 24 Vc.c. | |
| Plage de tension de fonctionnement | 85 à 110 % de la tension nominale | |
| Consommation | 2 W maxi. (avec une charge maximale) | |
| Sorties auxiliaires(voir remarque 1) | Sorties | 4 |
| Sorties transistor | Tension de fonctionnement maxi. : 30 Vc.c., courant de charge maxi. : 50 mA | |
| Entrées d'événement(voir remarque 2) | Entrées | 4 |
| Entrées de contact | ON: 1 kΩ maxi., OFF: 100 kΩ mini. | |
| Entrées transistor | ON: Tension résiduelle de 1,5 maxi. : Courant de fuite de 0,1 mA maxi. | |
| Courant de court-circuit: 4 mA (par point) environ | ||
| Connexion sansprogramme | Transfert sans programmation(EJ1 lit les données de l'API) | Nombre de paramètres que vous pouvez régler: 600 V1.1300 (ver. 1.0) |
| Transfert sans programmation(EJ1 écrit les données sur unAPI) | Nombre de paramètres que vous pouvez régler: 600 V1.1300 (ver. 1.0) | |
| API utilisables | OMRON: SYSMAC séries CS/CJ/CP1H Mitsubishi Electric: MELSEC-An/AnS/FX3UC Series V1.1 Mitsubishi Electric: MELSEC-Q/QnA/QnAS Series (ver. 1.0) | |
| Plage de température ambiente | Fonctionnement: -10 °C à 55 °CStoughage: -25 °C à 65 °CSans condensation, ni givrage) | |
| Plage d'humidité ambiente | Fonctionnement: 25 à 85 % (sans condensation) | |
Remarque: 1. Les sorties auxiliaires peuvent etre attribuées en utilisant les attributions de sorties numériques. 2. Les entrées d'événements peuvent etre attribuées en utilisant les attributions de sorties numérici
- Caracteristiques
| Résistance d'isolation | 20 MΩ min. (à 500 Vc.c.) | |
| Rigidité diélectrique | 600 Vc.a., 50/60 Hz pendant 1 min entre des bornes conductrices de polarité différente | |
| Résistance aux vibrations | 10 à 55 Hz, 20 m/s² de 2 heures chacune dans les directions X, Y et Z | |
| Résistance aux chocs | 150 m/s² maxi., 3 fois dans 6 directions | |
| Poids | 160 g | |
| Classe de protection | Boîtier arrêté : IP20, section bornier : IP00 | |
| Protection de la mémoire | EEPROM (mémoire non volatile) (nombre d'écritures : 100 000) | |
| Normes | Normes approvées | UL61010C-1, CSA C22.2 n°1010-1 |
| Conformité | EN61010-1 (CEI 61010-1) : norme antipollution 2, surfension de catégorie II | |
| Directive CEM | Reportez-vous à la section page 3. | |
- Caracteristiques de communication Port C
Quand you utilisez HFU, il est possible d'utiliser le port B sur la plaque finale pour les positionnements répartis uniquement.
| Connexion de communication | RS-485/RS-422 : Multipoint, RS-232C : Point-à-point (voir remarque 1) |
| Méthode de communication | RS-485/RS-422 (deux fils, semi-duplex), RS-232C |
| Méthode de synchronisation | Synchronisation Marche/Arrêt |
| Protocole de communications | • Protocole des API OMRON (API connectables : SYSMAC série CS/CJ/CP1H) • Commandes communes UC AnA/AnU (API connectables : MELSEC-An/AnS/FX3UC Series) V1.1 • Protocole MC (forme 5) (API connectables : MELSEC-Q/QnA/QnAS Series) |
| Vitesse de transmission | 9,6, 19,2, 38,4, 57,6 ou 115,2 kbps |
| Code de transmission | Binaire |
| Longueur de bits de données | 8 octets |
| Longueur du bit d'arrêt | 1 bit |
| Détection d'erreur | Dépend du protocole sélectionné pour les protocoles de communications sans programmation. |
| Contrôle de vitesse | Aucun |
| Interface | RS-485, RS-422, RS-232C (voir remarque 1) |
| Fonction de répétition | Disponible |
| Délai d'attente réponse communication | 0 à 99 ms (5 ms par défaut) V1.1 1 à 99 ms (5 ms par défaut) (ver. 1.0) |
| Nombre d'unités de base pouvant être raccordées en parallèle (voir remarque 2) | 16 unités (numérodes modèles avec TC4 : 64 canaux, numérodes modèles avec TC2 : 32 canaux) |
| Nombre de HFU pouvant être raccordées V1.1 | • API SYSMAC série CS/CJ : 8 (EJ1-HFU□-NFLK) • API MELEC Q/QnA/QnAS Series : 8 (EJ1-HFU□-NFL2) |
Remarque : 1. Il est possible de permuter entre RS-485 et RS-232C. Utilisez un autre modèle pour les communications RS-422. 2. Pour connaître le nombre d'unités pouvant etre raccordées, veuillez vous reporter aux Précautions pour les connexions page 11.
Unité de terminaison/EJ1C-EDU
■ Valeurs nominales
| Tension d'alimentation | 24 Vc.c. | |
| Plage de tension de fonctionnement | 85 à 110 % de la tension nominale | |
| Sorties auxiliaires(voir remarque) | Sorties | 2 |
| Sorties transistor | Tension de fonctionnement maxi.: 30 Vc.c., courant de charge maxi.: 50 mA | |
| Plage de température ambiente | Fonctionnement: -10 °C à 55 °CStockage: -25 °C à 65 °C (sans condensation, ni givrage) | |
| Plage d'humidité ambiente | Fonctionnement: 25 à 85 % (sans condensation) | |
Remarque : La sortie auxiliaire peut etre attribuée en utilisant une attribution de sortie de bus pour chaque unité de base.
- Caracteristiques
| Résistance d'isolement | 20 MΩ min. (à 500 Vc.c.) | |
| Rigidité diélectrique | 600 Vc.a., 50/60 Hz pendant 1 min entre des bornes conductrices de polarité différente | |
| Résistance aux vibrations | 10 à 55 Hz, 20 m/s2de 2 heures chacune dans les directions X, Y et Z | |
| Résistance aux chocs | 150 m/s2maxi., 3 fois dans 6 directions | |
| Poids | 70 g | |
| Classe de protection | Boîtier de l'unité de terminaison: IP20, section bornier: IP00 | |
| Normes | Normes approvées | UL61010C-1, CSA C22.2 n°1010-1 |
| Conformité | EN61010-1 (CEI 61010-1): niveau de pollution 2, surfension de catégorie II | |
| Directive CEM | Comme pour l'unité de base. Reportez-vous à la section page 3. | |
Communications
| Port B (voir remarque 1) | Communications avec l'unité de base (voir Caractéristiques des communications page 4) |
| Port A | Communications avec l'unité de base (voir Caractéristiques des communications page 4) |
| Connecteur du port A (voir remarque 2) | E58-CIFQ1 |
Remarque : 1. Les communications du port B pour l'unité de terminaison ne peuvent pas etre utilisées lorsque vous utilisez les communications du port C pour les HFU. 2. Il n'est pas possible d'utiliser des communications de connecteur du port A et des communications de borne du port A en meme temps.
■ Configuration minimale
Petits systèmes avec les communications 2 canaux ou 4 canaux avec les péripériques hôtes via RS-485 (CompoWay / Protocole F)
- Les alarmes peuvent etre attribuées à la sortie auxiliaire pour l'unité de base.
- Il est possible d'utiliser les sorties G3ZA.

■ Plusieurs unités sans EJ1N-HFU
Mise en place de systèmes de communication avec les périphériques hôtes, tels que API, IHM ou ordinateurs via le port RS-485 (CompoWay / Protocole F)
- Les 2 sorties d'alarme auxiliaires (sorties de transistor) fournies sur l'unité de terminaison peuvent être utilisées pour les systèmes d'alarme intégrés.
- Il est possible d'utiliser les sorties G3ZA.
- Un positionnement réparti est possible en utilisant plusieurs unités de terminaison EJ1C-EDU.

■ Plusieurs unités avec EJ1N-HFU
Mise en place des systèmes de communication 1:1 avec un API avec des communications sans programmation
- Il est possible d'utiliser les 2 sorties auxiliaires (sorties transistor) fournies sur l'unité de terminaison.
- En plus des 2 sorties d'alarme auxiliaires fournies avec l'unité de terminaison, il est possible d'utiliser les 4 entrées d'événement / les 4 sorties auxiliaires (sorties de transistor) de HFU.
- Il est possible d'utiliser les sorties G3ZA.
- Un positionnement réparti est possible en utilisant plusieurs unités de terminaison EJ1C-EDU.

Mise en place des systèmes de communication 1:N avec des API pour des
- Il est possible de raccorder jusqu'à 8 HFU à un port sur l'API.
- Pour raccorder plus d'une HFU, il faut utiliser des API spécifiques et les modèles EJ1. Reportez-vous à la section Connexion des contrôleurs EJ1 1:N à un API page 13.

Remarque: Reglez EJ1N-TC sur un numero d'unité de communication qui n'est pas utilisé par EJ1N-HFU.
■ Précautions pour les connexions
Définition du numéro de nœud
- Il est possible d'utiliser de 1 à 16 nœuds sur les EJ1☐-HFU. Le nœud 0 est attribué aux périhériques hôtes pour les communications sans programmation.
- Il est possible d'utiliser de 0 à 63 nœuds pour les unités de base.
Restriction du nombre d'unités pouvant etre raccordées
Restrictions pour les HFU
- Une seule EJ1N-HFU peut:gérer jusqu'à 16 unités de base (EJ1NTC4/TC2).
- Il est possible de raccorder jusqu'à 16 unités côte-à-côte, y compris EJ1N-HFU. L'unité de terminaison n'est pas incluse dans les 16 unités.

Restrictions en cas de connexion avec G3ZA
- Il est possible de raccarder jusqu'à 8 contrôleurs d'alimentation multi-canal G3ZA sur une unité de base (EJ1N-TC4/TC2).

Il est possible de connecter jusqu'à 8 contrôleurs d'alimentation G3ZA sur une unité de base.
Restrictions pour les unités de base
- Lorsque le système est configuré sur des unités de base uniquement (EJ1N-TC4/TC2), il est possible de raccorder jusqu'à 64 unités.
- Un positionnement réparti est possible en utilisant des unités de terminaison (EJ1C-EDU).
- Il est possible de raccorder jusqu'à 16 unités côte-à-côte. L'unité de terminaison n'est pas incluse dans les 16 unités.

Il est possible de raccarder jusqu'à 64 unités de base en utilisant les positionnements répartis.
En utilisant les modeles EJ1□-TC4: 4 canaux x 64 unités = 256 canaux
En utilisant les modeles EJ1-TC2: 2 canaux x 64 unites = 128 canaux
Remarque : Les unités de terminaison ne sont pas comprises dans les unités pouvant etre raccordées.
Écrire pour des positionnements répartis

Remarque : Câblez la ligne en pointillés lorsque les paramètres pour toutes les unités réparties sont définis à partir d'un connecteur du port A.
Si les lignes en pointillés ne sont pas câblés, paramétrz la configuration du groupe A en utilisant le connecteur du port A pour le groupe A et paramétrz le groupe B en utilisant le connecteur du port A pour le groupe B.
Restrictions sur les positionnements répartis
Connectez toujours HFU à gauche de l'unité de base.
Ne raccordez pas d'unité de terminaison directement sur une HFU. Connectez toujours une unité de base sur une unité de terminaison.


■ Blocs d'iso1ation
Comme le montrent les schémas suivants, chaque unité EJ1 est isolée electromiquement pour chaque bloc de fonction.
L'isoation des fonctions est appliquée entre les sections alimentation électrique, entree, sortie et borne de communication.
Si vous avez besoin d'une isolation double renforcée, utilisez les alimentations électriques qui respectent la norme CEI 60664 pour isolation double renforcée pour l'alimentation externe de EJ1 et pour les alimentations raccordées à EJ1.
EJ1N-TC2

Isolation fonctionnelle
EJ1N-TC4

Isolation fonctionnelle
Remarque: Non fourni sur les modèles avec sorties de courant.
EJ1N-HFU

Isolation fonctionnelle
EJ1C-EDU

Isolation fonctionnelle
Il est possibles d'executer les communications avec les API d'OMRON (SYSMAC séries CS/CJ/CP1H) et Mitsubishi Electric (MELSEC-Q/QnA/QnAS/An/Ans/FX3UC Series) sans programmation par schéma contact.
L'utilisation de communication sans programmation permet de surveiller et de modifier les paramètres pour EJ1 en lisant et en écrivant simplement dans la mémoire de l'API.
EJ1 exécute automatiquement les communications avec l'API ce qui réduit le temps de programmation pour les communications de l'API vers l'EJ1.

Péripétriques connectables
Connexion d'un contrôleur EJ1 1:1 à un API SYSMAC séries CS/CJ
| Nom | Référence | Ports de communication | |
| Port 1 | Port 2 | ||
| Cartes de communications série | CJ1W-SCU21-V1 | RS-232C | RS-232C |
| CJ1W-SCU31-V1 | RS-422A/485 | RS-422A/485 | |
| CJ1W-SCU41-V1 | RS-422A/485 | RS-232C | |
| CS1W-SCU21-V1 (voir remarque) | RS-232C | RS-232C | |
| CS1W-SCU31-V1 | RS-422A/485 | RS-422A/485 | |
| Cartes de communications série | CS1W-SCB21-V1 (voir remarque) | RS-232C | RS-232C |
| CS1W-SCB41-V1 (voir remarque) | RS-232C | RS-422A/485 | |
| UC | Série CJ1 | --- | RS-232C |
| Série CS1 | --- | RS-232C | |
| Série CP1H | Il est possible d'utiliser RS-232C ou RS-422A/485 en ajoutant une carte en option. | ||
Remarque: Utilisez uniquement les produits fabriqués après le 20 décembre 1999.
Pour plus de détails, veuillez vous reporter au manuel d'utilisation des cartes de communication en série des séries CS/CJ (Cat.No. W336).
Série MELSEC-Q/QnA/QnAS
| Nom | Référence | Ports de communication | |
| Canal 1 | Canal 2 | ||
| Unité de communication série compatible Q | QJ71C24N | RS-232C | RS-422/485 |
| QJ71C24 | |||
| QJ71C24N-R2 | RS-232C | RS-232C | |
| QJ71C24-R2 | |||
| QJ71C24N-R4 | RS-422/485 | RS-422/485 | |
| Unité de communication série compatible QnA | AJ71QC24N | RS-232C | RS-422/485 |
| AJ71QC24N-R2 | RS-232C | RS-232C | |
| AJ71QC24N-R4 | RS-422 | RS-422/485 | |
| Unité de communication série compatible QnAS | A1SJ71QC24N | RS-232C | RS-422/485 |
| A1SJ71QC24N-R2 | RS-232C | RS-232C | |
Remarque: 1. Reportez-vous à la documentation des API Mitsubishi Electric pour plus d'informations sur les API MELSEC.
2. Les connexions directes à EJ1 sont possibles uniquement avec les ports RS-232C ou RS-422
3. Il n'est pas possible de raccorder plus d'un contrôleur EJ1 à un API, même avec des communications RS-422. Reportez-vous à Connexion des contrôleurs EJ1 1:N à un API ci-dessous pour les combinaisons de produits qui prennet en charge les connexions 1:N.
4. La connectivité a ete controllee pour les modeles MELSEC ci-dessus. Des modifications de conception et d'autres facteurs peuvent cependant empcher un raccordement normal. Confirmez always les operations a l'avance.
| Nom | Référence | Ports de communication |
| Unité de liaison d'ordinateur compatible AN | AJ71UC24 | RS-232C ou RS-422/485 |
| Unité de liaison d'ordinateur compatible AnS | A1SJ71UC24-R2 | RS-232C |
| A1SJ71UC24-R4 | RS-422/485 | |
| A1SJ71UC24-PRF | RS-232C |
Remarque:Utilisez une UC AnA/AnU.
MELSEC-FX _3UC Series V1.1
| Nom | Référence | Ports de communication |
| Adaptateur de communication | FX3U-232ADP | RS-232C |
| FX3U-485ADP | RS-485 | |
| Carte de fonction | FX3U-232-BD | RS-232C |
| FX3U-485-BD | RS-485 |
Connexion des contrôleurs EJ1 1:N à un API V1.1
Les combinaisons d'API et de HFU pouvant être connectés en 1:N sont indiqués dans la liste ci-dessous.
SYSMAC série CS/CJ
| Nom | Référence |
| Cartes de communications série | Port 1 sur CJ1W-SCU31-V1 Port 1 sur CJ1W-SCU41-V1 Port 1 sur CS1W-SCU31-V1 |
| Carte de communications série | Port 1 sur CS1W-SCB41-V1 |
| EJ1N-HFU | EJ1N-HFUA-NFLK EJ1N-HFUB-NFLK |
Remarque: Reportez-vous à la documentation des API Mitsubishi Electric pour plus d'informations sur les API MELSEC.
■ Connexion externe
- Les sections entre E/S et l'alimentation d'entrée sont isolées par isolation fonctionnelle. Pour une isolation renforcée, connectez les bornes d'entrée et de sortie aux apparciels dépourvus de parties conductrices de courant exposées ou aux apparciels équipés d'une isolation renforcée adaptée à la tension de service maximale des sections d'E/S de l'alimentation.
- Pour respecter les normes de tension de borne parasite de classe A dans EN 61326, installez un filtré (Densei Lamda MXB-1206-33 ou équivalent) sur un fil d'alimentation c.c. aussi pres que possible du régulateur de température.
- Utilisez une alimentation SELV. Un circuit SELV est un circuit séparé de l'alimentation par une double isolation ou une isolation renforcée, qui dépasse une tension de sortie de 30 V r.m.s. et un pic de 42,4 V ou 60 Vc.c. maxi. Nous vous recommendons d'utiliser l'alimentation Omron S8VS Series.

EJ1N-TC4

EJ1N-TC2

EJ1N-HFU

EJ1C-EDU
Remarque: 1. Pour connecter G3ZA, achetez un cable de connexion de G3ZA (EJ1C-CBLA050) (vendu séparément) et branche- le au port de connexion G3ZA (CN1) sur EJ1.
- Pour une connexion à un ordinateur en utilisant un connecteur du port A, utilisez un cable de conversion USB de série E58-CIFQ1 (vendu séparation). Il est possible de brancher un régulateur de température à un ordinateur en utilisant une connexion USB.
- Les modèles avec des bornes à ressort ont des bornes (A10 et B10) non utilisées. Ne connectez rien à ces bornes.
Câblage interne
Circuit 1

*Modèles avec sorties à impulsion)

Circuit 2

Circuit 3
Paramétrages de nomenclature et de spécification
■ Nomenclature

Voyants de fonctionnement :
EJ1N-TC2/TC4
| Voyants de fonctionnement : | Signification |
| PWR (vert) | S'allume à la mise sous tension. |
| RUN (vert) | S'allume pendant le fonctionnement. |
| ERR (rouge) | S'allume ou clignote quand une erreur se produit. |
| ALM (rouge) | S'allume lorsqu'une alarme se déclenché. |
| COM 1 (orange) | Clignote pendant les communications via le port A sur l'unité de terminaison. |
| COM 2 (orange) | Clignote pendant les communications via le port B sur l'unité de terminaison. |
| COM 3 (orange) | Clignote pendant les communications avec G3ZA. |
EJ1N-HFU
| Voyants de fonctionnement : | Signification |
| PWR (vert) | S'allume à la mise sous tension. (voir remarque) |
| RUN (vert) | --- |
| ERR (rouge) | S'allume ou clignote quand une erreur se produit. |
| ALM (rouge) | S'allume lorsqu'une alarme se déclenché. |
| COM 1 (orange) | Clignote pendant les communications via le port A sur l'unité de terminaison. |
| COM 2 (orange) | Clignote lorsque le système EJ1 est en marche. |
| COM 3 (orange) | Clignote pendant les communications via le port C. |
Remarque : Un certain temps est nécessaire avant que les indicateurs ne s'allument après la mise sous tension.
Paramètres de spécification
Commutation
- Vérifie que EJ1 est hors tension avant de modifier un commutateur. Les réglages ne sont lus qu'au moment de la mise sous tension.
- Réglez les commutateurs avec un petit tournevis plat. Ne placez pas les commutateurs entre les réglages.
- SW1 est régée sur 1 et les autres broches SW2 sont toutes régées sur OFF dans la configuration par défaut.
SW1

SW2

Configuration du numéro d'unité
SW1 et SW2 doivent être utilisées ensemble pour configurer le numéro d'unité entre 00 et 63. Le réglage usine est 01.
| SW2 | SW1 | ||||||||||||||||
| 1 | 2 | 0 | 1 | 2 | 3 | 4 | 5 | 6 | 7 | 8 | 9 | A | B | C | D | E | F |
| OFF | OFF | 00 | 01 | 02 | 03 | 04 | 05 | 06 | 07 | 08 | 09 | 10 | 11 | 12 | 13 | 14 | 15 |
| ON | OFF | 16 | 17 | 18 | 19 | 20 | 21 | 22 | 23 | 24 | 25 | 26 | 27 | 28 | 29 | 30 | 31 |
| OFF | ON | 32 | 33 | 34 | 35 | 36 | 37 | 38 | 39 | 40 | 41 | 42 | 43 | 44 | 45 | 46 | 47 |
| ON | ON | 48 | 49 | 50 | 51 | 52 | 53 | 54 | 55 | 56 | 57 | 58 | 59 | 60 | 61 | 62 | 63 |
Paramètres du SW2
EJ1N-TC2/TC4
| SW2 | Signification |
| 3 à 6 | Non utilisé (OFF) |
| 7 | ON: G3ZA est en marche. |
| 8 | Utilisation quand HFU est utilisée et des unités ont été attribuées (se reporter au manuel d'utilisation pour de plus amples informations). |
EJ1N-HFU
| SW2 | Signification |
| 3 à 7 | Non utilisé (OFF) |
| 8 | • EJ1N-HFU□-NFLK OFF: RS-485 a été sélectionné. ON: RS-232C a été sélectionné. • EJ1N-HFU□-NFL2 OFF (non utilisé) |
Les repères suivants sont utilisés pour indiquer les descriptions des fonctions mises à jour : V1.1
Les mises à jour sont :
Unités de base (EJ1N-TC4/2)
- Il est possible d'utiliser les communications Modbus sur le port B.
- Il est possible d'utiliser la version 2 du logiciel du contrôleur de puissance multi-canal G3ZA.
Remarque :ll est aussi possible d'utiliser la version 2 du logiciel du contrôleur de puissance multi-canal G3ZA avec la version 1.0 de EJ1.
HFU (EJ1N-HFU)
- Les communications sans programmation peuvent être utilisées avec les connexions 1:N.
- Le nombre maximum de paramètres, que vous pouvez spécifique pour la configuration haut/bas sans programmation, a été augmente à 600 pour chaque.
- Connexion désormais possible aux API MELSEC-QnA/An/AnS/FX3uc-series.
- Une nouvelle opération de lecture des paramêtres a été ajoutée aux communications sans programmation. Lecture de paramêtres 2.
- La vitesse des communications sans programmation a été augmentée.
- Il est possible de seLECTIONner "continuer" ou "arrêter" lorsque des erreurs se produit dans les communications sans programmation.
Logiciel de support
Utilisez la version 3.20 ou une version supérieure du CX-Thermo lorsque vous utilise les fonctions mises à jour.
Identification des modèles mis à jour
La nouvelle fonctionnalité peut être utilisée avec la version 1.1 (V1.1). Contrôlez l'étiquette du régulateur de température ou le boitier pour définir la version. Les modèles non repérés par "Ver. 1.1" ont la version 1.0.

Etiquette du boitier
Etiquette du régulateur de température

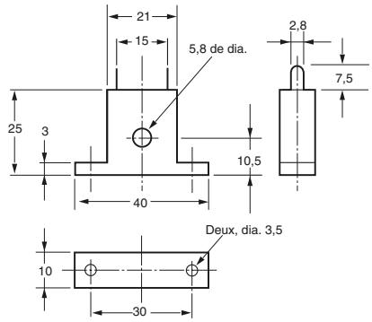
Remarque : Toutes les unités sont en millimètres, sauf indication contraire.
■ Régulateur de température
Unités de base
EJ1N-TC
HFU
EJ1N-HFU


Modèles dotés de
bornes à ressort

Modèles dotés de
bornes à ressort

Unités de terminaison
EJ1C-EDU



■ Options
Transformateur de courant (vendu séparément)

E54-CT1


E54-CT3


Accessoires E54-CT3
- Armature

Exampie de connexion

Fiche
Equipement de montage de rail (à commander séparément)

Remarque: Les valeurs entre parentheses concernnet le PFP-50N.
Plaque terminale

PFP-M

Remarque: Deux vis sont livrées avec EJ1C-EDU pour la plaque de terminaison. Attachez toujours les plaques de terminaison de chaque côte.
■ Exemples de régulateurs de température série EJ1/ de péripériques de sortie


PRECAUTION
Ne touche pas les bornes lorsque l'appareil est sous tension. Risque de blessure légère causée par une électrocution.

Utilisez une alimentation qui répond à l'isolement renforcée indiquée dans CEI 60664 pour alimentation externe EJ1 ou une alimentation connectée à EJ1. Si vous utilisez d'autres alimentations, des électrocutions peuvent se produit.

Ne laisses pas de pieces métalliques, morceaux de fil de fer, copeaux métalliques fins ou copeaux résultat de l'installation pénétrer dans l'appareil. Cela peut être à l'origine d'une électrocution, d'un incendie ou d'un mauvais fonctionnement.

N'utilise pas le produit dans des endroits en contact avec des gaz inflammables ou explosifs. Des blessures dues à une Explosion peuvent se produit.

Ne démonTZ, modifiez ou réparez jamais le produit et netouche aucune partie interne. Des décharges électriques, incendies ou dysfonctionnements mineurs peuvent seproduire.

Serrez les vis des bornes à un couple compris entre 0,40 et 0,56 N·m. Un mauvais serrage des vis peut être à l'origine d'un incendie.

Réglez les paramètres du produit en fonction du système contrôle. S'ils ne sont pas régés correctement, des dysfonctionnements peuvent se produit et engendrer des dégats matériels ou des accidents.

Un dysfonctionnement du produit peut parfois rendre les opérations de contrôle impossible ou empêcher l'activation des alarmes, avec pour conséquence des dégats matériels. Pour assurer la sécurité en cas de dysfonctionnement du produit, prenez les mesures de sécurité appropriées en installerant par exemple un dispositif de surveillance sur une ligne distincte.

■ Précautions d'utilisation
Pour garantir la sécurité de fonctionnement du produit, respectez les instructions suivantes.
- Le produit est destiné à un usage en interieur uniquement. N'utilise pas l'appareil à l'extérieur ou dans les endroits suivants :
- les endroits soumis à la chaleur directe d'appareils de chauffage
- les endroits exposés aux éclaboussures de liquide ou aux projections d'huile
- les endroits exposés à la lumière directe du soleil
- les endroits poussiereux ouPRESENTANT des gaz corrosifs (en particulier les gaz sulfureux ou les gaz ammoniacaux)
- les endroits soumis à des variations de température importantes
- les endroits exposés au givre ou à la condensation
- les endroits soumis à des vibrations ou à des chocs importants.
- Utilisez et stockez le produit dans les plages de températures et les taux d'humidité spécifiés. Veillez à un refroidissementforcé le cas échéant.
- Laissez un espace autour de l'appareil pour permettre à la chaleur de s'échapper. N'obstruez pas les trouss d'ération de l'appareil.
- Contrôlez le câblage et la polarité des bornes.
- Utilisez des cosses de la taille spécifiée (M3, 5,8 mm de large ou moins) pour le cablage. Pour connecter des fils nus au bornier, utilisez des fils de cuivre tressés ou rigides de calibre AWG22 à AWG14 (ce qui correspond à une section de 0,326 à 2,081 mm²) pour des lignes d'alimentation et un calibre de AWG28 à AWG16 (ce qui correspond à une section de 0,081 à 1,309 mm²) (la longueur de dénudage est comprise entre 6 et 8 mm).
-
Ne cablez pas les bornes qui n'ont pas de fonction définie.
-
Gardez le plus d'espace possible entre le régulateur de température et les apparciels générant une haute fréquence ou des pointes de tension élevées. Séparez les lignes à haute tension et à force consommation de courant des autres lignes et évitez les raccordements commun avec les lignes d'alimentation lors du cablage des bornes.
- Utilisez ce produit dans la plage de charge et d'alimentation nominale.
- Assurez-vous que la tension nominale est établie dans les deux secondes qui seront la mise sous tension.
- Cela prend 30 minutes entre le moment où le régulateur de température est mis sous tension et la température actuelle s'affiche. Veillez toujours à mettre le régulateur sous tension au moins 30 minutes avant de lancer la régulation de la température.
- Le commutateur ou le disjoncteur doit être place à portée de main de l'opérateur et doit être renseigné comme étant un moyen de déconnecter l'appareil.
- N'utilise pas de diluant pour peinture ou de produit chimique similaire pour le nettoyage. Utilise de l'alcool standard.
- Agencez le système (le tableau de commande par exemple) de façon à permettre une dérivation de temporisation nécessaire avant de valider les sorties du produit après la mise sous tension du produit.
- Ne touchez jamais aux composants électroniques, aux connecteurs ou aux schémas des cartes avec les mains nues. Tenez toujours le produit par le boîtier. Une manipulation inappropriée du produit peut endommager les composants internes en raison de l'électricité statique.
- Utilisez un interrupteur, un relais ou tout autre périhérique avec des contacts pour couper l'alimentation rapidement. Une baisse de l'alimentation par paliers peut provoquer des sorties incorrectes ou des erreurs de mémorisation.
- Ne touche pas aux composants électriques avec les mains ou ne les cognez pas lors de la dépose du bornier.
- Connectez uniquement le nombre spécifique de produits, uniquely dans la configuration spécifique.
18.Montez le produit sur un rail DIN posé à la verticale par rapport au sol.
19.Coupez toujours l'alimentation avant de cabler ou de replacer le produit ou de modifier la configuration du produit. - Attachez le joint de couvercle fourni sur l'ouverture du connecteur sur la partie gauche du produit pendant l'installation.
21.N'utilise pas le port B sur le produit de terminaison lorsque vous utilisez le port C sur HFU.
22.Installez le produit uniquement après lecture du manuel fourni avec l'unité de terminaison.
■ Précautions d'utilisation
Installation
- Ne raccordez pas d'unité de terminaison directement sur une HFU.
- Connectez une unité de terminaison sur le côté droit de l'unité de base.
- Connectez HFU à gauche des unités de base.
- La connexion à l'API série CJ1 n'est pas possible.
- Utilisez EJ1G-□□ pour la régulation de température par gradient. Utilisez EJ1N-□□ lorsque vous n'utilisez pas de régulation de température par gradient.
- Vérifiez que l'unité neue est du même type que celle qui doit être replacée lors du retrait du bornier pour replacer l'unité.
Durée de vie
- Utilisez l'appareil dans les plages de températures et d'humidité suivantes :
Temperature: -10^ à 55^ (sans givrage ni condensation)
Humidité: 25 à 85%
Lorsque le régulateur de température est intégré dans un tableau de commande, vérifie que la température ambiente du régulateur (et non pas celle du tableau de commande) ne dépasse pas les 55^ .
- La durée de vie des apparèils électroniques tels que les réguleurs de température dépend non seulement du nombre de commutations des relais, mais aussi de la durée de vie des composants électroniques. La température ambiente influe sur la durée de vie des composants : plus la température est élevée, plus la durée de vie diminue. Plus la température est faible, plus la durée de vie augmente. Ainsi, vous pouvez rallonger la durée de vie en baissant la température du régulateur.
- Le montage groupede de deux ou plusieurs régulateurs de température ou le montage superposé de régulateurs de température peut provoquer l'accumulation de chaleur à l'intérieur des régulateurs, ce qui réduit leur durée de vie. Si les régulateurs de température sont superposés ou montés côte-à-côte, installez un refroidissement par ventilateurs ou par d'autres moyens de ventilation d'air pour refroidir les régulateurs de température. Vérifie que vous ne refroidissez pas que les bornes. Vous risquez sinon de provoquer des erreurs de mesure.
Garantir l'exactitude des mesures
- Lorsque vous prolongez ou connectez la cable d'alimentation des thermocouples, veillez à bien utiliser des câbles de compensation correspondant aux types de thermocouples.
- Lorsque vous prolongez ou connectez le cable d'alimentation du thermomètre à résistance platine, utilisez des cables à résistance faible en veillant à ce que la résistance soit la même pour les trois cables.
- Montez le régulateur de température pour qu'il soit placé à l'horizontal.
- Si les mesures ne sont pas suffisamment précises, vérifie si le décalage d'entrée est régle correctement.
Précautions d'utilisation
- Un certain temps est nécessaire pour l'activation des sorties à partir du moment où la tension est mise. Tenez bien compte de ce délié lorsque vous incorporez les réguleurs de température dans un circuit de séquence.
- Cela prend 30 minutes entre le moment où le régulateur de température est mis sous tension et la température actuelle s'affiche. Veillez toujours à mettre le régulateur sous tension au moins 30 minutes avant de lancer la régulation de la température.
- Evitez d'utiliser le régulateur de température à proximé d'une radio, d'une télévision ou d'un équipement sans fil. Vous risquez sinon de constater des dysfonctionnements.
Câblage des bornes à ressort

Il existe deux trous de câblage dans chacune des bornes.Le trou de droite correspond au trou de service et le trou de gauche au trou de câblage.
Insérez le tournevis plat de 2,5 mm largeur dans le trou de service, insérez le cable dans le trou de câblage puis retirez le tournevis. Le câbles est alors fixé.
Pour le câblage, utilisez des bornes serties qui correspondent avec les sections de câblage.
Raccordement des unités
- Alignez les connecteurs et reliez les unités entre elles. Branchez une unité de terminaison sur l'extrémité de droite

Remarque: 1. Ne raccordez pas d'unité de terminaison directement sur une HFU.
2. Connectez une unité de terminaison sur le côté droit de l'unité de base.
- Faites glisser les glissoirs jaunes en haut et en bas des unités jusqu'à ce qu'elles s'enclenchent.

- Attachez le joint de couvercle sur l'ouverture du connecteur de l'unité sur le côté gauche de EJ1.

Retrait du bornier.
- Enonceze le levier du bornier.

- Tirez le bornier.

Montage sur rail DIN
Montage
Attachez le cochet en haut de l'unité dans le rail DIN et appuyez sur l'unité jusqu'à ce qu'elle s'enclenche.


Démontage
Tirez sur le crochet avec un tournevis plat et le relevez sur l'unité.

Montez une plaque de terminaison de chaque côte du EJ1C-EDU (les plaques de terminaison PFP-M sont fournies avec les unités de terminaison).

Montez le rail DIN à la verticale par rapport au sol.

Verticalment

Horizontalalement
Rail DIN applicable (vendu séparation) : PFP-100N (100 cm), PFP-50N (50 cm)
Connexion à G3ZA (EJ1N-TC)

Branchement de G3ZA Branchez le cable au connecteur CN1 en bas de l'unité TC.

Reportez-vous au "Manuel d'instructions de G3ZA" pour le câblage.
Garantie et remarques relatives à l'application
| Prenoz soit de dire et de bien comprendre ce catalogue. |
| Veuillez dire attentivement et comprendre ce catalogue avant d'acheter les produits. Consultez votre revendeur Omron si vous avez des questions ou des commentaires. |
| Garantie et limitations de responsabilité |
| GARANTIE La garantie Omron prend en charge les défauts de matériaux ou de main-d'oeuvre du produit pour une période de un an (ou toute autre durée spécifique) à compter de la date de la vente par Omron. OMRON NE DONNE AUCUNE GARANTIE, NI NE DECLARE, EXPRESSEMENT OU IMPLICITEMENT, QUE LE PRODUIT EST EXEMPT DE CONTREFACON, QU'IL A UNE VALEUR COMMERCIALE OU QU'IL CONVIENT A UN USAGE PARTICULARIER. TOUT ACHETEUR OU UTILISATEUR RECONNAIT QUE SEUL L'ACHETEUR OU L'UTILISATEUR POT DETERMINER SI LES PRODUITS REPONDENT CONVENABLEMENT A L'USAGE AUXQUELS ILS SONT DESTINES. OMRON REJETTE TOUTE AUTRE GARANTIE, EXPLICITE OU INDUITE. |
| LIMITATIONS DE RESPONSABILITE OMRON NE SERA PAS TENU POUR RESPONSABLE DES DOMMAGES SPECIFIQUES, INDIRECTS, DES PERTES D'EXPLOitation OU DES PERTES COMMERCIALES EN QUELCONQUE RAPPORT AVEC LES PRODUITS, QUE LES DOMMAGES AIENT UN FONDEMENT CONTRACTUEL, QU'ILS SOIENT FONDES SUR LA GARANTIE, LA NEGLIGENCE OU LA STRICTE RESPONSABILITE. Enaucun cas, la responsabilité d'Omron ne saurait exceder le prix de vente unitaire du produit pour lequel la responsabilité est invoquée. EN AUCUN CAS, OMRON NE SERA RESPONSABLE DE LA GARANTIE, DE LA REPARATION OU AUTRE DEMANDE CONCERNANT DES PRODUITS, A MOINS QUE L'ANALYSE D'OMRON NE CONFIRME QU'ILS ONT ETE MANIPULES, STOCKES, INSTALLLES ET ENTRETENUS CORRECTEMENT ET N'ONT PAS FAIT L'OBJET DE CONTAMINATIONS, D'UNE UTILISATION ANORMALE OU D'UNE MAUVAISE UTILISATION OU DE MODIFICATIONS OU REPARATIONS INAPPROPRIEEES. |
| Considérations sur les applications |
| ADEQUATION AU BESOIN Omron ne garantit pas la conformité de ses produits aux normes, codes ou réglementations applicables en fonction de l'utilisation des produits par le client. Il apparait à l'opérateur de prendre les mesures nécessaires pour s'assurer de l'adéquation des produits aux systèmes, machines et équipements avec lesquels ils seront utilisés. Informez-vous de toutes les interdictions d'utilisation de ce produit applicables et respectez-les. NE JAMAIS UTILISER LES PRODUITS POUR DES APPLICATIONS PRESENTANT DES DANGERS DE MORT OU D'ENDOMMAGEMENT DES BIENS SANS VOUS ASSURER QUE LE SYSTEME DANS SON ENSEMBLE A ETE CONçu POUR PRENDRE EN COMPTE CES RISQUES ET QUE LES PRODUITS OMRON SONT CORRECTEMENT CALIBRES ET INSTALLLES POUR L'USAGE PREVU DANS L'ÉQUIPEMENT OU LE SYSTEME COMPLET. |
| Dénégations de responsabilité |
| DONNEES TECHNIQUES Les données techniques indiquées dans leprésent catalogue ne visent qu'à guider l'utilisateur et ne constituent pas une garantie. Elles représentent le résultat des tests dans des conditions d'essai d'Omron et les utilisateurs doivent les corréler aux besoin de leur application. Les performances réelles sont assujetties aux dispositions de la Garantie et des limitations de responsabilité d'Omron. |
| MODIFICATION DES CARACTERISTIQUES Les caractéristiques et accessoires des produits peuvent changer à tout moment pour motifs d'amélioration des produits ou pour d'autres raisons. Prenez contact avec votre représentant Omron pour obtenir confirmation des caractéristiques des produits achetés. |
| DIMENSIONS ET POIDS Les dimensions et les poids sont nominaux et ne doivent pas été utilisés à des fins de fabrication, même si les tolérances sont indiquées. |
Le produit étant sans cette amélioré, ces caractéristiques peuvent être modifiées sans préavis.
FRANCE
Omron Electronics S.A.S.
- rue de Lisonne
93110 ROSNY SOUS BOIS
N°Indigo
015E TTC/ML 216852322D.C.S.ROBINSON
T65 33.156.63700
Fax:+33148559086
www.industrial.omron.fr
BELGIQUE
Omon Electronics N.V./S.A.
| 316 853 332 R.C.S. BOJIGNY TEL.: +33 156 6370 00Beno que nous esofcions d'atteindre la perfection, Omron Europe BV et/ou ses filiales et parténaires n'offrent aucune garantie et n'assument a cuneur responsabilité pour l'ouverture de la société à l'achat des solutions fournies dans ce document. Nous nos réservés le droit de modifier son contentu au tout moment et sans prévisions. |
Notice Facile