REVOX A77 - Enregistreur audio à bande STUDER - Notice d'utilisation et mode d'emploi gratuit
Retrouvez gratuitement la notice de l'appareil REVOX A77 STUDER au format PDF.
| Type de produit | Magnétophone à bande stéréo |
| Caractéristiques techniques principales | Enregistrement et lecture à 2 pistes, vitesse de bande de 19 cm/s, 9,5 cm/s, 4,75 cm/s |
| Alimentation électrique | 220-240 V, 50 Hz |
| Dimensions approximatives | 430 mm x 320 mm x 150 mm |
| Poids | Environ 10 kg |
| Compatibilités | Compatible avec les bandes audio de 1/4 pouce |
| Fonctions principales | Enregistrement, lecture, retour rapide, avance rapide, arrêt automatique |
| Entretien et nettoyage | Nettoyage régulier des têtes de lecture et d'enregistrement, lubrification des mécanismes |
| Pièces détachées et réparabilité | Pièces disponibles auprès de revendeurs spécialisés, réparabilité modérée |
| Sécurité | Utiliser dans un environnement sec, éviter les chocs électriques, ne pas exposer à l'humidité |
| Informations générales utiles | Produit vintage, apprécié pour sa qualité sonore, idéal pour les audiophiles et les collectionneurs |
FOIRE AUX QUESTIONS - REVOX A77 STUDER
Questions des utilisateurs sur REVOX A77 STUDER
0 question sur cet appareil. Repondez a celles que vous connaissez ou posez la votre.
Poser une nouvelle question sur cet appareil
Téléchargez la notice de votre Enregistreur audio à bande au format PDF gratuitement ! Retrouvez votre notice REVOX A77 - STUDER et reprennez votre appareil électronique en main. Sur cette page sont publiés tous les documents nécessaires à l'utilisation de votre appareil REVOX A77 de la marque STUDER.
MODE D'EMPLOI REVOX A77 STUDER
Nosusyouremercionsde laconfianceque younsousavez temoignee par l'achat du magnetophone stereophonique REVOX A77.
Avant demettre en service votre apparreil pour la première fois,veuillage consulter les "Avis importants" ainsi que l'introduction".
Les informations contenues dans les chapitres 1 à 4 vous permettront de vous familiariser avec les différents organes de commande. Aux pages 4 à 7 se trouve le repertoire avec les nombres de chapitres.
Vous trouverez l'appendice technique à la fin du mode d'emploi.
Wichtige Hinweise
Protégez votre apparéil de la chaleur et de l'humidité.
Avant toute intervention à l'intérieur de l'appareil, il est impératif de retarder la fiche se-teur. Nous vous rappelons à ce sujet les clauses de garantie.
Pendant le bobinage rapide, veilles à ne pas toucher les bobines tournant à grande vitesse.
Le magnétophone A77 ne peut être alimenté qu'en courant alternatif.
Garantie
Pour tous les apparèils vendus en Belgique, RFA, France et Suisse, vous trouvez, soit à l'intérieur de l'emballage soit dans unePOCHETte plastique fixée à l'extérieur, un formulaire de demande de garantie. Si ce dernier avait manquer, votre fournisseur ou l'agent officiel du pays d'achat se feront un plaisir de vous le procurer.
Envoyez le formulaire à l'agence officielle du pays d'achat, vous recèverez en retarder toute carte de garantie dans les plus brefs déliés.
La garantie n'est valable que dans le pays où a lieu l'achat. Nous vous rendons attentif au fait que toute intervention non autorisée dans l'appareil nous libre de toute obligation.
Inhaltsverzeichnis
- Introduction 7
1.1. Avant de mesure sous tension 7
1.2. Mise sous tension 8
1.3. Vitesse de défilament 8
1.4. Mise en place de la bande 8
1.5. Compteur 9
1.6. Fonctions mécaniques 9
- Entrées - pupitre de mélange 12
2.1. Raccordement des entrées 12
2.2. Selecteur d'entrée 13
2.3. Réglage des entrées 14
2.4. Niveau de modulation 14
3.Sorties 16
3.1.Sorties haut-parleur 16
3.2.Sorties OUTPUT 16
3.3.Sortie RADIO 17
3.4.Sortie casque PHONES 17
- Lecture - Ecoute 18
4.1. Commutateur lecture/direct 18
4.2. Selecteur du mode de reproduction 18
4.3. Volume d'écoute 20
4.4. BALANCE 20
4.5. Fonction: lecture 20
- Enregistrement 22
5.1. Enregistrement monophonique 22
5.2. Enregistrement stéréophonique 23
5.3. Touche d'enregistrement REC 24
5.4. Ecoute de contrôle 24
-
Lecture 25
-
Arrêt automatique 26
7.1. Arrêt par rupture de bande 26
7.2. Arrêt programme 26 -
Effets spéciaux 27
8.1. Généralités 27
8.2. Duopoly 28
8.3. Enregistrement simultané 29
8.4. Multiplay 30
8.5. Echo 33

-
Sonderausführungen 36
9.1. HS-Ausführung (19/38 cm/s) der A77 36
9.2. Dolby-Ausfuhrung der A77 36 -
Tonband-Montagen 41
- Fernsteuerung 41
- Diasteuerung 42
- Wartung 42
-
Pflege der Tonbander 43
-
Technischer Anhang 44
-
Special versions 36
9.1. High-speed version (19/38 cm/s) of the model A77 36
9.2. Dolby version of the model A77 36 -
Tape editing 41
- Remote control 41
- Slide synchronization 42
- Maintenance 42
- Handling and storage of magnetic recording tape 43
-
Technical annex 44
-
Executions speciales 36
9.1. Execution A77 HS (19/38 cm/s) 36
9.2. Execution A77 Dolby B 36 - Montage de la bande 41
- Commande à distance 41
- Synchronisation de diapositives 42
- Entretien 42
- Soins des bandes magnétiques 43
- Appendice technique 44

| A | Laufwerk | A | Tape transport mechanism | A | Mécanisme |
| 1 | Linker Wickelteller | 1 | Left hand reel support | 1 | Bobine gauche |
| 2 | Vierstelliges Bandzährwerk | 2 | Four digit tape counter | 2 | Compteur à 4 chiffres |
| 3 | Zählwerk-Rückstell taste | 3 | Counter reset button | 3 | Touché de mise à zéro du compteur |
| 4 | Rechte Wicketteller | 4 | Right-hand reel support | 4 | Bobine droite |
| 5 | Abdeckklappe, versenkbar | 5 | Front cover, hinged | 5 | Cache escamtable |
| 6 | Betriebsanzeige | 6 | Pilot light | 6 | Lampe témoin de mise sous tension |
| 7 | Schalter für Netz, Bandgeschwindigkeit, Spulengrösse | 7 | POWER switch, selects tape speed and tape tension | 7 | Commutateur de mise sous tension, du besoin de la vitesse et du diamètre des bobines |
| 8 | Kopfhörer-Ausgang | 8 | Headphone jack | 8 | Sortie stéréophonique pour casque |
| 9 | Mikrofoneingang Kanal I | 9 | MICrophone input channel I | 9 | Entrée micro (canal I) |
| 10 | Mikrofoneingang Kanal II | 10 | MICrophone input channel II | 10 | Entrée micro (canal II) |
| B | Reglerfeld | B | Operating controls | B | Réglage |
| 11 | Lautstärkeregler | 11 | VOLUME control | 11 | Potentiomètre de volume |
| 12 | Wiedergabe-Funkts-Schalter | 12 | MONO/STEREO mode selector | 12 | Sélecteur du mode de reproduction |
| 13 | Balanceregler | 13 | BALANCE control | 13 | Balance |
| 14 | Vor-Hinterband-Schalter | 14 | Before/after tape monitor switch | 14 | Commutateur lecture/direct |
| 15 | Aufnahmeregler Kanal I | 15 | Record LEVEL CONTROL channel I | 15 | Potentiomètre d'enregistrement canal I |
| 16 | Eingangswahlschalter Kanal I | 16 | Input selector channel I | 16 | Sélecteur d'entrée canal I |
| 17 | Aufnahmeregler Kanal II | 17 | Record LEVEL CONTROL channel II | 17 | Potentiomètre d'enregistrement canal II |
| 18 | Eingangswahlschalter Kanal II | 18 | Input selector channel II | 18 | Sélecteur d'entrée canal II |
| C | Laufwerklasten | C | Tape motion controls | C | Touches du mécanisme |
| 19 | Rückspulen, schnell | 19 | Fast rewind | 19 | Rebobinage |
| 20 | Vorspulen, schnell | 20 | Fast forward | 20 | Avance rapide |
| 21 | Wiedergabe | 21 | Replay | 21 | Lecture |


| 22 | Stop | 22 | Stop | 22 | Stop |
| 23 | Aufnahme (gleichzeitig mit Taste 21) | 23 | Record (in conjunction with button 21) | 23 | Enregistrement (simultanément avec la touche 21) |
| D | Anschlussleiste | D | Connector strip | D | Panneau de raccordement |
| 24 | Blindstecker Fernsteuerung | 24 | Dummy plug for remote control socket | 24 | Fiche court-circuit commande à distance |
| 25 | Laufwerk-Fernsteueranschluss | 25 | REMOTE CONTROL socket | 25 | Prise pour commande à distance |
| 26 | Lautsprecher-Ausgänge, DIN | 26 | SPEAKER output sockets as per DIN | 26 | Sorties haut-parleurs DIN |
| 27 | Universal-Eingang, Cinch | 27 | AUXILIARY inputs via phono sockets | 27 | Entrée auxiliaire, CINCH |
| 28 | Mikrofon-Eingang, Cinch | 28 | MICrophone inputs via phono sockets | 28 | Entrée micro, CINCH |
| 29 | DIN-Ein- und -Ausgang RADIO | 29 | RADIO in- and outputs via DIN socket | 29 | Prise normalisée 5 pôles (entrée et sortie stéréo) |
| 30 | Ausgangs-Buchsen, Cinch | 30 | OUTPUTS via phono sockets | 30 | Sortie CINCH |
| 31 | Netz-Apparatesteckdose | 31 | Receptacle for electric mains input | 31 | Prise pour cable secteur |
| E | Aufnahmekontrolle | E | Record controls | E | Commandes d'enregistrement |
| 32 | Aufnahmeverwahltaste Kanal I | 32 | Record preselector button CHANNEL I | 32 | Présélection d'enregistrement canal I |
| 33 | Aussteuerungsinstrument Kanal I | 33 | Volume-Unit meter channel I | 33 | Contrôle de niveau canal I |
| 34 | Aussteuerungsinstrument Kanal II | 34 | Volume-Unit meter channel II | 34 | Contrôle de niveau canal II |
| 35 | Aufnahmeverwahltaste Kanal II | 35 | Record preselector button channel II | 35 | Présélection d'enregistrement canal II |
| F | Kopfträger | F | Magnetic head assembly | F | Support de têtes |
| 36 | Bandzug-Ausgleichshebel | 36 | Tape tension compensating feeler | 36 | Tendeur de bande |
| 37 | Linke Umlenkrolle (Kugellager) | 37 | Left-hand guide roller (ball bearing) | 37 | Guide de bande gauche (rotatif) |
| 38 | Löschkopf | 38 | Erase head | 38 | Tête d'effacement |
| 39 | Aufnahmekopf | 39 | Recording head | 39 | Tête d'enregistrement |
| 40 | Wiedergabekopf | 40 | Playback head | 40 | Tête de lecture |
| 41 | Tonwelle (Bandantrieb) | 41 | Capstan shaft | 41 | Axe de cabestan (entraînement de la bande) |

42 Guide de bande droit (fixe)
43 Touche de déclenchement des amplificateurs du haut-parleurs
44 Touche de déclenchement des moteurs de bobinage
45 Lampe d'arrêt automatique (photo-electrique)
46 Glissiere de collage
47 Guide de bande central (fixe)
48 Galet presseur
49 Levier de montage
1. Einführung
L'introduction décrit les organes de commande, leurs fonctions, ainsi que les états d'utilisation de l'appareil.
Le magnétophone peut fonctionner en position verticale, horizontally ou inclinée.
Il est possible d'enlever les pieds de l'appareil en position horizontale.
Pour profiter pleinement de cette notice, nous vous conseillons de la dire en effetuant les manipulations correspondantes sur la machine.
1.1. Avant de mesure sous tension
Le selecteur de tension sur le panneau arriré, doit indiquer la tension du réseau local. (Volet carre au dos de l'appareil.) Une piece de monnaie permet, si nécessaire, une correction. Ne pas oublier de changer leFuse.
Valeurs du fusible secteur:
220.250V 0,5AT
110...150V 1AT


1.2. Einsatzen
1.2. Switching on
1.2. Mise sous tension
Dérouler le cable secteur et le relier à la prise. La mise sous tension de l'appareil s'effectue à l'aide du commutateur (7). (Vitesse de défillement de la bande.)
1.3. Vitesse de défilament
Selectionner la vitesse désirée avec le commutateur 7
(Exécution normale) à gauche 9,5 cm/s (3 3/4 ips) à droite 19 cm/s (7 1/2 ips)
(Exécution spéciale) à gauche 4,75 cm/s (1 7/8 ips) à droite 9,5 cm/s (3 3/4 ips)
(Exécution A77 HS) à gauche 19 cm/s (7 1/2 ips) à droite 38 cm/s (15 ips)
La tension de bande depends du diametre des bobines: pour les grandes bobines jusqu'à 26,5 cm : premier cran O pour les petites bobines jusqu'à 18 cm : second cran o
1.4. Mise en place de la bande
1.4.1. Bobines à trois encoches
Mettre une bobine vierge sur le plateau gauche 1 et une bobine vide sur le plateau droit 4.Assurer le verrouillage des bobines en soulevant la tige d'arret et en la faisant pivoter de 60^
1.4.2. NAB-Spule
1.4.2. NAB reels
1.4.2. Bobines NAB
Ces bobines nécessitent l'emploi de deux adaptateurs qui se fixent comme les bobines à trois encoches. Placer ensuite les bobines et les blo

quer en tournant la partie supérieure de l'adaptateur dans le sens des aiguilles d'une montre jusqu'au blocage.
Dans les deux cas la fixation des bobines est assuree aussi bien en position horizontale que verticale de I'appareil.
Rabattre le cache escamtable 5 vers I'avant.Placer la bande derriere la tige du tendeur 36, devant les tetes, et assurer l'amorce par quelques tours sur la bobine de droite.
1.5. Zahlwerk
Par une pression sur la touche 3,le compteur 2 est amené en position "0000".Ultérieurement,la referrerce du compteur permet de retrouver facilement la position recherche sur la bande.
1.6. Fonctions mécaniques
Les fonctions mécaniques de l'appareil sont commandées par les touches à impulsion du clavier. Essayer sans crainte les différentes fonctions, afin d'acquerir une bonne assurance dans le maniement de l'appareil.
1.6.1. Fiche de court-circuit de la prise de commande à distance
En utilisant l'appareil sans commande à distance, la fiche de court-circuit 24 doit être branchée sur la prise 25; sans cela les fonctions mécaniques ne sont pas prises en mémoire.

En appuyant sur la touche PLAY 21 la bande est entraineee par le cabestan a la vitesse chosesie.
(Si la bobine droite ne tourne pas, libreer par une pression la touche REEL MOTORS OFF 44 située sous le cache escamtable.)
1.6.3. STOP
La touche STOP 22 annule toute fonction pré-alablement可以选择 (par exemple PLAY); le galet presseur se retire, la bande s'arrête.. L'arrêt automatique optique en fin de bande a le même effet que la touche STOP.
La touche d'avance rapide 20 permit le transport de la bande de la bobine gauche sur la bobine droite.
La touche STOP 22 annule cette fonction.
La touche de rebobinage ≤slant 19 ramene la bande de la bobine droite sur la bobine gauche.
La touche STOP 22 annule cette fonction.
Attention: pendant le bobinage rapide, la touche PLAY (21) est verrouilléelectroniquement. Ce n'est qu'après avoir appuyé sur la touche STOP (22) et attendu l'arrêt complet des bobines que cette touche pourra à nouveau être utilisée.

Le changement de direction en bobinage rapide peut se faire directement sans aucun risque.
1.6.6. Aufnahme REC
1.6.6. Enregistrement REC
Enfonce les touches de préselection REC CH I 32 et REC II 35.
Le mode d'enregistrement est déterminé par ces touches:
MONO: Une seule touche est enforcée Touche REC CH I 32, enregistrement du canal gauche Touche REC CH II 35, enregistrement du canal droit
STEREO: Les deux touches sont enfoncées. Enregistrement sur les canaux gauche et droit.
Pour un enregistrement, les touches REC 23 et PLAY 21 doivent etre enforcées simultanement. Le point rouge dans le VU-metre du canal selectionné s'allume.
Les touches de préselection sont une sécurité supplémentaire: si ces touches ne sont pas enforcées, aucun enregistrement, et de ce fait aucun effacement accidentel n'est à craindre.
L'enregistrement est interrompu par la touche STOP 22
1.6.7.CUE-Funktion
A l'arrêt du magnétophone, le canal de lecture est interrompu et la bande écartée des têtes. Pour repérer l'endetroit à couper, tirer le levier 49 vers la droite. Celui-ci reprend sa position normale en appuyant la touche PLAY 21
En bobinage rapide le levier de montage doit toujours etre libre (usure des tetes).

2. Entrées - Pupitre de melange
Le magnétophone A77 est composé d'un étage d'entrée stéreophonique qui permet entre autres, le réglage individuel de deux micros (stéreo) ou leur mélange (mono). On veillera à respecter l'attribution des canaux: canal gauche = CH I, canal droit = CH II.
2.1. Raccordement des entrées
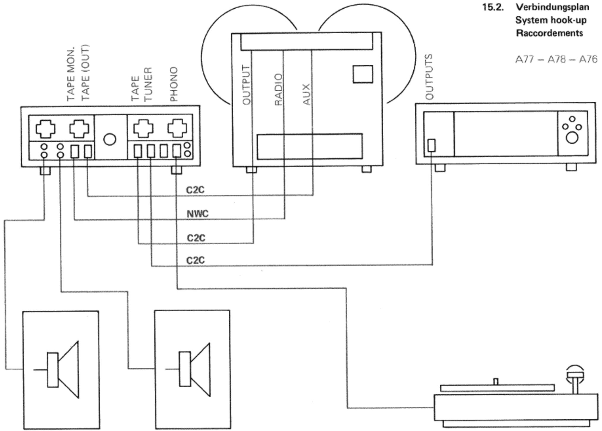
A l'exception des entrées micro, toutes les entrées se trouvent à l'arrête de l'appareil.
Aux entrees AUX 27, on reliera normalement un amplificateur ou un tuner (par exemple la sortie TAPE OUTPUT 29 du REVOX A78). Toute autre source a haut niveau est possible: table de lecture avec préamplificateur correcteur, magnétophone, console de mélange, etc.
La prise à 5 pôles d'entrée RADIO (29) permet la liaison aller et retour avec un récepteur radio stéréophonique. (Par un cable NWAN 420 par ex.).

Les entrées MIC INPUT à l'arrête de l'appareil 28 ou sur la plaque frontale 9 et 10 permettent le raccordement de microphones à haute ouasse impédance. Ces deux entrées CH I et CH II se commutent séparément par les selecteurs d'entrée 16 et 18. On veillera à bien enforcer les fiches.
Les prises 9 et 10 sont prevues pour des microsymétriques ou asymétriques.
| 2.2. Eingangswahlschalter | 2.2. Input selector | 2.2. Séllecteur d'entrée | |||
| Die beiden Eingangswahlschalter (16) (Kanal I/CH I) und (18) (Kanal II/CH II) erlauben die Anzahl der entsprechenden Eingangs-Buchsen. Die Eingangswahlschalter können fol-gende Eingänge anwahlen: | The input selectors (16) (for channel I) and (18) (for channel II) permit selection of the following input sockets: | Les deux selectseurs d'entrée (16) (canal I/CH I et (18) canal II/CH II déterminent la mise en ser-vice de leurs entrées respectives: | |||
| MIC (LO) | für niederohmige Mikrofone (ohne Übertrager) mit niedrigem Ausgangspiegel | MIC (LO) | for low impedance low level microphones (without transform-mer) | MIC (LO) | pour des micros à basse impé-dance et à faible niveau de sortie |
| MIC(HI) | für hochohmige Mikrofone mit hohem Ausgangspiegel | MIC (HI) | for high impedance high level microphones | MIC (HI) | pour des micros à haute impé-dance et à haut niveau de sortie |
| Eingangsbuchsen (9), (10) und (28) | Input sockets (9), (10) and (28) | Entrée: (9), (10) et (28) | |||
| RA (Radio) | Für Stereo-Rundfunkempfänger oder Tuner (mit DIN-Buchsen) | RADIO | for stereophonic receivers or tuners when equipped with a 5-pin DIN connector. | RA (radio) | pour liaison avec un poste de radio stéropheonique ou tuner |
| Eingangsbuchse (29) | Input socket (29) | Entrée: (29) | |||
| I→II (II→I) | Schaltstellung für Multiplay- und Echobetrieb (Spurüber-spielung) | I→II (II→I) | switch position for multiplayer re-cording and echo effects (track to track transfers). | I→II (II→I) | Position pour le multiplayer et l'écho (passage d'une piste à l'autre) |
| AUX | für andere (hochpegelige) Ge-räte, z.B. HiFi-Verträker, Tuner und Mischpulte | AUX | for other high level signal sources, such as a hi-fi amplifier, tuner or an audio mixing desk. | AUX | pour d'autres sources à haut niveau telles que: tuner, amplifi-cateur HiFi et console de mé-lange |
| Eingangsbuchsen (27) | Input sockets (27) | Entrée: (27) | |||
| Die entsprechenden Buchsen liegen auf der Rückseite des Gerätes im Anschlussfeld. Als | The respective sockets are located on the connector strip at the back of the recorder. | Ces diverses prises se trouvent à l'arrière de l'appareil, à l'exclusion des prises micro Jack | |||

situées sur la plaque frontale (prises parallées aux prises micro CINCH du panneau arrêté).
2.3. Eingangsregler
2.3. Réglage des entrées
Chaque entrée est régiable. Le potentiametre LEVEL (15) pour le sélecteur d'entrée (16) et le potentiametre LEVEL (17) pour le sélecteur d'entrée (18). Ces réglages d'entrée ont une fonction de balance et ne doivent pas obligatoirement se trouver au même niveau; de toute façon, pour le réglage exact on se réferera aux indications des VU-métres.
2.4. Niveau de modulation
Son but est d'obtenir le meilleur niveau d'enregistrement. L'etroite tolerance des instruments permet la lecture des rapportes de niveau de modulation.
Ces instruments comportent une échelle logarithmique graduée en dB et une échelle linéaire en pour-cent. L'action des réglages doit amener les passages les plus forts à 0 dB (100%). Dans les passages fortissimi, une déviation des aiguilles dans la partie rouge de l'échelle n'est pas critique. En enregistrement stéreophonique, l'instrument correspond au canal gauche et l'instrument au canal droit.
(Si aucune des touches de préselection REC CH I 32 et REC CH II 35 n'est enforcée, les VU-mêtres sont inversés par rapport aux canaux I et II).
Le niveau maximum est definite et correspond a 0 VU + 6 dB. (Pour les apparueils A77 Dolby B, le niveau maximum est 0 VU + environ 4 dB.) La réserve entre le 100% du VU-metre et le niveau maximum s'appele le "Lead".
Il est normal que les VU-mêtres — selon leurs caractéristiques normalisées — ne puisent announcer des impulsions de très courte durée. En revanche, un instrument précis tel que celui du A77 à faible tolerance, donne de précieux renseignements sur le rapport des valeurs moyennes de modulation.


3. Ausgabe
Le magnétophone A77 possè de différents types de sorties. Pour les apparèils équipés d'étages de puissance, des haut-parleurs peuvent se raccorder directement. (Le modele en valise compte déja des haut-parleurs.)
Pour les versions sans etage de puissance, les haut-parleurs sont a raccorder au magnetophone par l'intermediaire d'un amplificateur ou d'un etage final.
En lecture, le selecteur du mode de reproduction (12), le réglage du volume (11) et la balance (13) sont en service. Le commutateur (14) détermine l'écoute du signal avant ou après bande.
3.1. Sorties haut-parleur
Des haut-parleurs d'une impedance comprise entre 4 et 16 ohms peuvent etre raccordes aux prises SPEAKERS (26). Ces deux prises de sortie disposent chacune d'une puissance de sortie de 10 watts (a 8 ohms).
Le modele en valise comporte deux haut-parleurs par canal qui se déconnectent automatiquement lors du branchement d' Haut-parleurs séparés. Dans le cas d'un raccordement du magnétophone à une installation stéreophonique, l'écoute sur haut-parleur peut être mise hors service par la touche SPEAKERS OFF 43
3.2. Ausgabe OUTPUT
Normalement on désira les sorties OUTPUT 30 pour le raccordement à une installation stéréophonique. Le choix du canal sera fait sur le magnétophone par le/selecteur du mode reproduction 12. De ce fait, l'amplificateur pourra rester en permanence sur la position STEREO. (Cable de raccordement du type C2C 220.)

La basse impédance de ces sorties permé des liaisons avec des cables de raccordement relativement longs. La tension de sortie dépend du potentiamètre de volume (maximum: 2,5 V /600 ohms).
3.3. RADIO-Ausgang
La prise 5 pôles RADIO (29) est utilisé pour une liaison aller et return avec un récepteur radio stéréophonique ou une installation HiFi. Câble NWAN 420.
3.4.Sortie casque PHONES
La prise PHONES 8 est prévue pour le raccordement de casques à haute ou basse impédance, équipés de fiches Jack stéreo. (Adaptation optimale: 200 . . . 400 ohms.)

4. Wiedergabe - Abhoren
Tous les commutateurs et les réglages de la partie gauche MONITOR sont actifs et influencent toutes les sorties.
La position direct: INPUT du commutateur 14, correspond à l'écoute du signal à enregistrer à l'entrée du magnétophone.
La position lecture: NAB, correspond à l'écoute du signal enregistré sur la bande. On peut ainsi comparer directement l'enregistrement à l'original. On se rappelera qu'il y a un décalage entre les deux signaux; ceci est du au temps que met la bande, à parcourir la distance séparant la tête d'enregistrement de la tête de lecture.
Remarque: si ce contrôle est possible au niveau de l'amplificateur sépare, on laissera le commutateur en position NAB.
En version normale du magnétophone A77, la lecture des bandes enregistrées selon la norme CCIR ou sur un ancien appeareil REVOX, sera réalisée en mettant le commutateur 14 en position IEC.
En version A77 Dolby B, la position CAL met en service un générateur de calibrage (voir instructions au chapitre 9.2.).
4.2. Selecteur du mode de reproduction
Le selecteur:STEREO-I-II-MONO 12,
determinant le mode de reproduction, permit les fonctions suivantes:
| 4.2.1. STEREO | 4.2.1. STEREO | 4.2.1. STEREO |
| Beide Kanäle werden getrennt verständr und stehen an den Ausgängen getrennt zur Verfügung. | Left and right channels are amplified separately and will appear separately at their respective outputs. | Les deux canaux sont amplifiés séparément et reliés à leurs sorties respectives. |
| 4.2.2. I | 4.2.2. I | 4.2.2. I |
| Wiedergabe von Kanal I (linker Stereo-Kanal) ist auf alle Ausgänge geschlossen. | The signal of channel I appears on all outputs. | Seul le canal I (canal gauche) peut être écoute sur toutes les sorties. |
| Verwendungszweck: Abhören des linken Kanals einer Stereoufannahme, Abhören des ersten Kanals bei Parallel-spur-Aufzeichnung, Abhören von monobeseielen Bändern (bei Viertelspurgeräten: Spuren 1 und 4). | Application: Check-listening to the left channel of a stereo-phonic recording, monitoring of channel I of a parallel recording on both tracks, and listening to monophonically recorded tapes. (On quarter track recorders: tracks 1 and 4). | Application: Ecoute du canal gauche d'un enregistrement stérophephonique, d'un enregistrement à pistes paralleles ou d'un enregistrement monopho-nique. (Dans le cas d'un apparil à 4 pistes: pistes 1 et 4.) |
| 4.2.3. II | 4.2.3. II | 4.2.3. II |
| Wiedergabe von Kanal II (rechte Stereokanal) ist auf alle Ausgänge geschlossen. | The signal of channel II (right stereo channel) appears on all outputs. | Seul le canal II (canal droit) peut être écoute sur toutes les sorties. |
| Verwendungszweck: Abhören des rechten Kanals einer Stereoufannahme, Abhören des zweiten Kanals bei Parallel-spur-Aufzeichnung. (Bei Viertelspurgeräten: Abhören von monobeseielen Bändern, Spuren 2 und 3.) | Application: Check-listening to the right channel of a stereophonic recording, monitoring of channel II of a parallel recording on both tracks. (On quarter track recorders: listening to monophonically recorded tapes, tracks 2 and 3). | Application: Ecoute monophonique d'un enregistrement stérophephonique, d'un enregistrement à pistes paralleles ou d'un enregistrement monopho-nique. (Dans le cas d'un apparil à 4 pistes: pistes 2 et 3.) |
| 4.2.4. MONO | 4.2.4. MONO | 4.2.4. MONO |
| Beide Kanäle sind zusammengeschaltet auf allen Ausgängen | Both stereo channels are connected together and appear on all outputs. | Les deux canaux sont réunis et aménés à toutes les sorties. |
| Verwendungszweck: | Application: | Application: |
| Monowiedergabe einer Stereoaufnahme und Kontrolle der Kompatibilität (Mono-Tauglichkeit) einer Stereoaufzeichnung. | Monophonic playback of a stereo recording, checking the mono compatibility of a stereophonie recording. | Écoute monophonique d'un enregistrement stéréophonique et contrôle de la compatibilité mono/stéréo d'un enregistrement stéréophonique. |

4.3. Wiedergabe-Lautstärke VOLUME
Le potentiometre stereo VOLUME 11 déterminé sur les deux canaux, la puissance disponible sur toutes les sorties.
Lors d'un raccordement avec une installation, tourner ce potentiemetre de façon a obtenir le même volume d'ecoute qu'avac les positions habituelles de votre amplificateur ou recepteur de radio.
Par la prise de sortie OUTPUT 30 d'une impédance de studio de 600 ohms, une utilisation professionnelle de l'appareil est possible en faisant sur le potentiamètre un repère correspondant à une tension de sortie définie. (Par exemple: 1,55V = +6dBm .)
4.4. BALANCE-Regler
Par le réglage de la BALANCE (13), il est possible de modifier l'amplification relative d'un canal par rapport à l'autre. Ceci permet en sté réophonie comme en monophonie, de compenser une asymétrie. Normalement ce bouton reste en position mediane.
4.5. Fonction: lecture
4.5.1. Commutateur POWER 7 sur la vitesse désirée en tenant compte du diamètre des bobines.
4.5.2. Commutateur lecture/direct 14 sur NAB
4.5.3. Balance en position mediane (voir repere).
4.5.4. Selecteur du mode de reproduction 12 sur:
STEREO
pour lecture en stéréophonie
1
pour lecture en monophonie, piste 1 (ou 2) version 2 pistes, piste 1 (ou 4) version 4 pistes.

11
pour lecture en monophonie, piste 2 pour un enregistrement parallele, piste 2 ou 3 en version 4 pistes.
MONO
pour la lecture en monophonie d'un enregistrement stéréophonique.
4.5.5. Réglage du volume (11) sur 5 (pré-réglage)
4.5.6.Enfoncer la touche PLAY 21

5. Aufnahme
5. Recording
- Commutateur POWER⑦ sur la vitesse désirée en tenant compte du diamètre des bobines.
Tonband einlagen
5.1. Enregistrement monophonique
Dans le cas d'un enregistrement monophonique, l'appareil n'utilise que la piste supérieure. La normalisation prescrit que le premier passage se fera sur la piste supérieure (touche de priselection d'enregistrement REC CH 32). Avec ce premier passage, la bande se trouve sur la bobine de droite. On tournera alors la bobine pleine sur elle-même et on la placera à gauche. La bobine vide se retrouve à droite et on gardera la touche de priselection d'enregistrement REC CH 32 enforcée, du fait qu'elle correspondment maintainant à l'enregistrement de la partie inférieure de la bande.
Dans le cas d'un apparéil à 4 pistes, on pourra après ces deux passages acceder aux pistes 2 et 3 en reproduisant la manoeuvre, mais cette fois en libérant la touche de préselection d'enregistrement REC CH I (32), et en pressant la touche de préselection d'enregistrement REC CH II (35).
Dans le cas d'un enregistrement à pistes paralleles, on rebobine après le premier passage et on enregistre la seconde information dans le même sens sur la partie inférieure de la bande (touche de préselection d'enregistrement REC CH II 35).
Ce mode d'enregistrement a l'avantage de permettre le passage direct de I'ecoute de I'un a I'autre des enregistements.
En technique 4 pistes, après le deuxième enregistrement, on returne les bobines sur elles-même et l'on procède de la même manière (piste 2 - touche 35, piste 4 - touche 32).
- Relier les sources sonores à leurs prises respectives.
- Mettre les selecteurs d'entree canal I(16)
et/ou canal II 18 sur les positions correspondantes.
Enfonce la touche de preselection d'enregistrement REC CH I 32 ou REC CH II 35 de façon à déterminer la piste qui doit être enregistrée.
Les deux entrées sélectionnées sont ainsi mélangées dans un seul canal en fonction de la position des potentiometres d'entrée LEVEL 15 et 17. Si l'un des selecteurs d'entrées n'est pas utilisé, le potentiemetre d'entrée correspondant doit rester fermé.
Le niveau de modulation est indiqué par le VU-metre se trouvant à côte de la touche de préselection d'enregistrement enforcée. Si les deux selecteurs d'entrée sont en service (2 sources sonores mélangees), c'est la somme des niveaux qu'indique le VU-metre.
Les potentiometres d'entrée sont régles de façon à obtenir aux fortissimi le 0 dB (100%) du VU-metre.
Une longue surmodulation ou une très force pointe de niveau provoquent de la distortion à l'enregistrement; par contre un signal trop faible fera ressortir le souffle de la bande. Ceci est encore plus important lors de copie de bande car tous ces bruits de fond s'additionnent.
Suite au chapitre 5.3.
5.2. Enregistrement stéréophonique
Pour un enregistrement stéréophonique toute la largeur de la bande est utilisé dans un seul passage.
La version 4 pistes permet un nouveau passage en returnant simplement la bande sans modifier les commutations.
- Relier les sources sonores à leurs prises respectives.
- Mettre les selecteurs d'entree canal I 16 et canal II 18 sur les positions correspondantes.
Enfonce les touches de preselection d'enregistrement REC CH I 32 et REC CH II 35.
Les entrées I opèrent sur le canal gauche et les entrées II sur le canal droit.
Les potentiometres d'entrees sont regles

de façon à obtenir aux fortissimi le 0 dB (100%) du VU-metre. (Balance: voir 2.3.) Une longue surmodulation ou une très forte pointe de niveau provoquent de la distorsion à l'enregistrement; par contre un signal trop faible fera ressortir le souffle de la bande. Ceci est encore plus important lors de copie de bande car tous ces bruits de fond s'additionnent.
5.3. Touche d'enregistrement REC
Appuyer simultanément sur la touche de lecture PLAY (21) et sur la touche d'enregistrement REC (23). Le point rouge dans le VU-metre des canaux choisis s'allume. Un ancien enregistrement sur la piste correspondante est automatiquement efface.
5.4. Ecoute de contrôle
5.4.1. Raccorder casque ou amplificateur aux prises correspondantes
5.4.2. Mettre le commutateur lecture/direct 14 sur la position desirable.
5.4.3. Placer le selecteur du mode de reproduction (12) sur la position correspondant au type d'enregistrement effectué
5.4.4. Les réglages du volume (11) et de la balance (13) influencent individuellement les signaux de sortie.
6. Wiedergabe
6.1. Commutateur POWER 7 sur la vitesse désirée en tenant compte du diamètre des bobines.
6.2. Placer la bande a écouter.
6.3. Raccorder casque ou amplificateur aux prises correspondantes.
6.4. Commutateur lecture/direct (14) sur position NAB.
6.5. Placer le sélecteur du mode reproduction 12 sur la position correspondant au type d'enregistrement effectué.
6.6. Appuyer sur la touche PLAY (21).
6.7. Les réglages du volume (11) et de la balance (13) influencent individuellement les signaux de sortie.
Raccordé à un amplificateur stéreophonique, celui-ci peut rester en permanence en position STEREO.
Pour les trucages qui suivent, on a choisi un schéma bloc illustrant les organes de commande de l'appareil. Il permet à certains qui s'intérêssent à la technique de retrouver les principes de l'effet à obtenir.
Les chiffres rengoient aux éléments décrits dans la première partie et dans le texte: - s'il s'agit d'un potentiametre, il faudra l'ouvrir (les éléments non mentionnés resteront en position "0").
-
s'il s'agit d'une touche, elle sera enforcée (non mentionnée elle restera relevée).
-
s'il s'agit d'une prise, elle devra etreraccardé à l'équipment auxiliaire correspondant.
Le schéma bloc choisi représenté endessous de la bande les fonctions d'enregistrement et en-dessus celles de lecture.
8.1. Allgemeines
Indépendamment des commandes normales de l'enregistrement et de la lecture, le REVOX A77 permet de nombreux trucages. La séparation des pistes, tant à l'enregistrement qu'à la lecture, un grand nombre de combinaisons sont alors possibles. C'est pourquoi les éléments suivants ne sont à considérer qu'à titre d'examples. D'autre part, les manipulations types de l'appareil (par ex. touches PLAY et REC pour l'enregistrement) ne seront pas répetées.

8.2. Duplay
Dans l'étude de langues, copier tout d'abord sur le canal I l'information à travailler (par ex. un disque). Ensuite, simultanément à l'écoute du canal I, enregistrer les réponses sur le canal II. Ensuite, écouter le résultat obtenu en comparant les deux enregistrents.
Fonctions:
Ecoute du canal I (par ex. un disque enregistré); Enregistrement du canal II
8.2.1. Selécteur du mode de reproduction ⑫ sur CH I.
8.2.2. Ouvrir le réglage du volume (11)
8.2.3. Commutateur lecture/direct 14 sur NAB. Ecoute au casque du canal I (prises PHONES8).
8.2.4. Microphone raccorde à l'entrée MIC CH II
8.2.5. Selecteur d'entree 18 sur MIC (LO respect. HI).
8.2.6. Préselecteur d'enregistrement REC CH II (35) enforcé (enregistrement canal II), (touche I (32) relevante).
8.2.7. Ouvrir le réglage d'enregistrement LEVEL II (17)
8.2.8. Le VU-metre 11 (34) indique le niveau d'enregistrement (sa propre voix).
8.2.9. Pour l'écoute,mettre le sélecteur du mode de reproduction 12 en position I (questions) ou II (réponses).
8.2.10. Pour l'écoute simultanées des deux pistes (écouteur gauche: questions; écouteur droit: réponses)mettre le sélecteur du mode de reproduction 12 en position STEREO.

8.3. Enregistrement simultané
Pour les exercices de traduction simultanee, on peut enregistrer à la fois l'original sur la piste 1 et l'interprétation sur la piste 2.
Fonctions:
Enregistrement du canal I 32 Ecoute de contrôle du canal I 14 Enregistrement du canal II 35
8.3.1. Raccordement à la source sonore de l'original (par ex. tuner, table de lecture etc., à la prise AUX CHI ou RADIO).
8.3.2. Selecteur d'entrée CH 1 (16) sur AUX ou RA
8.3.3. Potentiomètre d'enregistrement LEVEL I (15) pour le réglage de l'original
8.3.4. Commutateur lecture/direct (14) sur INPUT
8.3.5. Selecteur du mode de reproduction 12 sur I. Par le casque, on peut entendre directement l'original sans decalage. (Couper les haut-parleurs par la touche SPEAKERS OFF 43).
8.3.6. Microphone pour la traduction à la prise MIC CH II.
8.3.7. Selecteur d'entrée CH II 18 sur MIC (LO respect. HI)
8.3.8. Potentiomètre d'enregistrement LEVEL II (17) pour le réglage de la traduction
8.3.9. Préselecteurs d'enregistrement REC CH I 32 et REC CH II 35 enfoncés (comme pour un enregistrement stérophe)
8.3.10. Le VU-metre I (33) indique le niveau de la voix originale, le VU-metre II (34) indique le niveau de la traduction.
8.3.11. Pour écouter l'enregistrement effectué,mettre le commutateur lecture/direct 14 sur position NAB.
8.3.12. En lecture, le sélecteur du mode de reproduction (12) par les positions CH I et CH II permet de comparer les enregistrements. En position STEREO, on entend les deux pistes à la fois; au casque l'écouteur gauche: canal I et l'écouteur droit: canal II.

8.4. Multiplayback-Technik
Cette technique permet I'addition successive de voix ou d'instruments de musique. Ceux-ci sont a chaque passage de la bande, melangés à l'enregistrement precedent de manière synchrone et simultanement enregistrres sur la piste libre. Cette operation permet d'obtenir plusieurs voix à partir d'une seule. Le proceden'est limite que par I'addition du souffle de la bande, qui devient audible après un certain nombre de copies successives.
Si le magnétophone se fouve dans le local où se fait l'enregistrement, le contrôle se fera avec un casque. Dans le cas d'un local séparé pour le magnétophone, l'écoute pourra se faire sur haut-parleurs. Ci-après, un exemple typique d'enregistrement multiplay.
1. Copie en playback
Fonctions:
Copie du canal I sur canal II et mixage du nouveau signal.
8.4.1. Enregistrer tout d'abord l'original (mélo-die de base, voix conductrice, rythme,...) sur la piste 1. Rechercher un niveau aussi haut-que possible.
8.4.2. Raccorder le microphone à l'entrée MIC CH II.
8.4.3. Selecteur d'entrée canal II (18) sur MIC (LO respect. HI)
8.4.4. Le potentiametre d'enregistrement LEVEL II 17 détermine la quantité du nouveau signal.
8.4.5. Selecteur d'entrée canal 1 (16) sur position I II.
8.4.6. Le potentiametre d'enregistrement LEVEL I 15 regle transfert du canal I sur le canal II.
8.4.7. Enforcer la touche de préselection d'enregistrement REC CH II 35 (Libérer la touche REC CH I.) Le niveau de modu

lation apparaisant sur le VU-metre II 34 indique la somme de la copie et du microphone. Rechercher un niveau aussi haut que possible.
8.4.8. Selecteur du mode de reproduction 12 sur STEREO.
8.4.9. Commutateur lecture/direct (14) sur NAB. (Sur INPUT pour contrôle)
8.4.10. Le haut-parleur d'écoute dans le local où se trouve le micro est raccordé à la prise haut-parleur gauche LEFT 26 . Pour un amplificateur sépare, la liaison s'effectue par la sortie OUTPUT CH I 30 L'écoute au casque s'opère par la prise haut-parleur LEFT, ou par la prise Jack PHONES 8 mais dans ce cas, n'écouter que l'écouteur gauche. (Boucher ou re-tourner l'écouteur droit)
8.4.11. L'écoute et le contrôle de l'enregistrement se fait par le haut-parleur droit. Pour un amplificateur sépare, la liaison s'effectue par la sortie OUTPUT CH II 30. L'écoute au casque par la prise Jack PHONES: n'écouter que l'écouteur droit.
8.4.12. L'écoute et le contrôle du volume d'enregistrement s'effectuent par le réglage du volume (11).
8.4.13. Le rapport entre l'écoute et le contrôle du volume peut être équilibré par le réglage de la balance 13
2. Copie en playback
Fonctions: Copie du canal II sur canal I et mixage du nouveau signal. La première copie playback se trouve sur le canal II. Au moment de la copie sur le canal I, le premier enregistrement (original) sera effacé. De ce fait la première copie playback qui se trouve sur le canal II doit être définitive, car elle ne pourrait plus être modifiée sans tout recommencer.
8.4.14. Raccorder le microphone à l'entrée MIC
8.4.15. Selecteur d'entrée canal I (16) sur MIC (LO respect. HI)


8.4.16. Le potentiametre d'enregistrement LE-VEL I (15) détermine le niveau de la troisième voix.
8.4.17. Selecteur d'entree canal II 18 sur position I - I.
8.4.18. Le potentiametre d'enregistrement LEVEL II 17 rgle le transfert du canal Il sur le canal I.
8.4.19.Enfoncer la touche de preselection REC CH I 32.Liberer la touche REC CH II.) Le niveau de modulation apparaisant sur le VU-metre I 33 indique la somme de la copie et du microphone. Rechercher un niveau aussi haut que possible.
8.4.20. Selecteur du mode de reproduction (12) sur STEREO.
8.4.21. Commutateur lecture/direct 14 sur NAB. (Sur INPUT pour contrôle).
8.4.22. Le haut-parleur d'écoute dans le local où se trouve le micro est raccordé à la prise haut-parleur droit (26). Pour un amplifieur sépare, la liaison s'effectue par la sortie OUTPUT CH II (30). L'écoute au casque par la prise Jack PHONES (8): n'écouter que l'écouteur droit.
8.4.23. L'écoute et le contrôle de l'enregistrement se fait par le haut-parleur gauche. Pour un amplificateur sépare, la liaison s'effectue par la sortie OUTPUT I 30. L'écoute au casque par la prise Jack PHONES: n'écouter que l'écouteur gauche.
8.4.24.L'ecoute et le contrôle du volume d'enregistrement s'effectuent par le réglagedu volume 11. Le rapport entre I'ecoute et le contrôle du volume peut être équilibré par le réglage de la balance 13
3. Copie et suivantes
Le résultat de la deuxième copie se trouve sur le canal I et peut être repris selon les paragraphs 8.3.2. à 8.3.13., et ainsi de suite. On admet en général jusqu'à 6 copies successives, dans la mesure où l'on dispose d'une modulation optime de l'enregistrement et d'une bande de haute qualité.

Le séparation des têtes d'enregistrement et de lecture permet des effets d'echo sans accessoire supplémentaire. Pendant l'enregistrement, la tête de lecture recoit le signal avec un retard. Si ce signal est réinjecté sur la tête d'enregistrement, il sera réenregistré avec ce même retard.
La fréquence de répétition de l'echo est fonction de la vitesse de la bande:
Vitesse Retard
4,75 cm/s (version spéciale) 0,70 s
9.5 cm/s 0,35 s
19 cm/s 0,175 s
38 cm/s (version HS) 0,087 s
Pour un effet de réverbération on désira de préférence les plus grandes vitesses, tandis que les petites vitesses seront utilisées pour des effets spéciaux.
8.5.1. Raccorder un microphone à l'entrée MIC CH II
8.5.2. Selecteur d'entrée canal II (18) sur MIC (LO respect. HI)
8.5.3. Le potentiemetre d'enregistrement LEVEL II (17) agit sur l'enregistrement direct. Il se regle au maximum possible, tout en restant avec I'echo à la limite de saturation.
8.5.4. Selecteur d'entrée canal I (16) sur I ▷ II.
8.5.5. Enforcer la touche de préselection d'enregistrement REC CH ③2. Libérer la touche REC CH II.)
8.5.6. Le potentiationetre d'enregistrement LEVEL I (15) détermine l'importance de l'echo. A faible niveau, si le signal de retard devient égal ou plus élevé que celui du microphone, l'echo est ainsi trop fort, et produit des sifflements et grondements. (Peut être utilisé parfois pour des effets spéciaux.)


8.5.7. Commutateur direct/lecture 14 sur NAB.
8.5.8. Selecteur du mode de reproduction 12 sur I.
Pour un enregistrement avec écho sur le canal II, raccorder le microphone à l'entrée MIC CH I. Le sélecteur d'entrée canal II (18) sur II - I. Les réglages d'enregistrement seront les mêmes, mais inversés: les potentiétres d'enregistrement LEVEL I (15) pour le micro, et LEVEL II (17) pour l'écho. Enconcer la touche de préselection d'enregistrement REC CH II (35) et commuter le sélecteur du mode de reproduction (12) sur II.
Echo sur un enregistrement existant
8.5.9. Cet enregistrement se trouvant sur le canal I, doit etre copie sur le canal II.
8.5.10. Sélecteur d'entrée canal I (16) sur I - II.
8.5.11. Le potentiametre d'enregistrement LEVEL I (15) agit sur le transfert de l'enregistrement. Il se regle au maximum possible, tout en restant avec I'echo à la limite de saturation.
8.5.12. Selecteur d'entree canal II 18 sur II-1.
8.5.13. Le potentiametre d'enregistrement LE-VEL II (17) détermine l'importance de l'echo.
8.5.14. Enforcer la touche de presélection d'enregistrement REC CH II 35. (Libérer la touche REC CH I.)
8.5.15. Commutateur direct/lecture ⑭ sur NAB.
8.5.16. Selecteur du mode de reproduction ⑫ sur II.
Pour un transfert avec I'echo de la piste inférieure sur la piste supérieure,mettre le selecteur d'entree canal II 18 sur Il-1.
Les réglages d'enregistrement seront les mêmes, mais inversés: les potentiometres d'enregistrement LEVEL I (15) pour l'echo et LEVEL II (17) pour le transfert de l'enregistrement. Enforcer la touche de préselection d'enregistrement REC CH I (32) (libérer la touche REC CH II), et commuter le/selecteur du mode de reproduction (12) sur I.

-
Sonderausführungen
-
Special versions
-
Executions speciales
9.1. REVOX A77-HS
A part les vitesses de défilament de la bande qui sont de 19~cm / s et 38~cm / s , l'exécution et les caractéristiques techniques correspondant au mode standard. Cependant le commutateur lecture/direct compte les inscriptions INPUT (écoute directe) et TAPE (écoute de la bande) et la correction est selon la norme IEC ou NAB. (En tournant le commutateur complètement à droite, on obtient également la fonction TAPE.)
Ce magnétophone est équipé d'un circuit de réduction du bruit de fond du type Dolby B. Pour cet équipement, quelques explications des manipulations supplémentaires, sont nécessaires. Ce système ne peut pas être incorpore ultérieurement.
9.2.1. Indexzahlen
9.2.1. Index numériques
Les index numériques 50 a 53 concernnent les éléments de commande supplémentaires du mode Dolby. Les autres index se rapportent au mode d'emploi du modele standard, avec toutes les dérogations suivantes:
Standard-Ausführung
SPEAKERS OFF 43
REEL MOTORS
OFF 44
Vor-Hinterband
Schalter (14)
DOLBY-Ausfuhrung
nichtvorhanden
nichtvorhanden
placee par CAL, elle
a une autre fonction
Schaltstellung NAB
Schaltstellung IEC
entspricht TAPE
9.2.2. Fonctionnement sans Dolby
Mettre le commutateur Dolby 50 en position OUT. Le magnétophone fonctionne alors comme le modele standard, sans réduction du bruit de fond.
9.2.3. Remarques importantes
Pour bénéficier du maximum de réduction du bruit de fond avec le système Dolby, il faut observer les prescriptions suivantes:
Rapport signal/bruit de la source sonore
Le système Dolby réduit seulement le bruit de fond qui prend naissance à l'enregistrement et n'agit donc sur le bruit de la bande. Il est impossible d'atténuer le bruit de fond d'une sonore, s'il est déjàprésent à l'entrée de l'amplificateur d'enregistrement. Il est donc très important de n'enregistrer que des sources sonores de haute qualité, ayant un bruit de fond aussi faible que possible.
Concordance entre les niveaux d'enregistrement et de lecture
Le système Dolby utilise un filtré dynamique, à caractéristique variable en fonction de la valeur instantanée du niveau de la source sonore. Pour que le système travaille selon une caractéristique inverse parfaitement symétrique à la lecture, il faut que les niveaux d'enregistrement et de lecture concordent exactement.
Afin de compenser non seulement la différence de sensibilité des diverses bandes, mais aussi la différence pouvant exister entre plusieurs bobines d'une même sorte de bande, le système Dolby compte un dispositif de calibrage (RECORD CALIBRATION).
9.2.4. Calibrage avant l'enregistrement
Le calibrage doit etre effectue avant I'enregistrement.
- Mettre l'appareil sous tension,CHOISIR la vitesse et placer la bande

- Le commutateur DOLBY (50) en position IN.
- Tourner les potentiometres d'enregistrement LEVEL I (15) et LEVEL II (17) complètement à gauche (fermée).
- Enforcer les touches de préselection d'enregistrement REC CH I 32 et (ou) REC CH II 35
- Commutateur lecture/direct (14) en position CAL.
- Demarrer en enregistrement.
- Les VU-mêtres indiquent une valeur quelconque; tourner les boutons de calibrage RECORD CALIBRATION (51) et 52 afin d'obtenir sur les VU-mêtres la valeur de 0 dB (100%)
Bouton (51) (CH I) = calibrage du canal I, VU-metre (33)
Bouton 52CH II calibrage du canal II, VU-metre 34
- Avec le calibrage, remetre le commutateur lecture/direct 14 sur position TAPPE.
Ne plus modifier le réglage des boutons de calibrage (51) et (52).
Le magnétophone est alors pré à enregistrer selon le procédé Dolby.
La position INPUT du commutateur lecture/direct (14) est pour le contrôle des VUMétres à l'arrêt de la bande. Cette position peut être utilisée en enregistrement lorsque le retard provoqué par l'écoute après bande devient génant (surtout en petite vitesse).
9.2.5. Enregistrement
Avant d'enregistrer, effectuer le calibrage de l'appareil selon le point 9.2.4.
Attention: en enregistrement, le commutateur lecture/direct 14 ne doit plus se couver en position CAL, sinon le signal test de calibrage s'enregistre également.

Aussteuerung
Niveau d'enregistrement
Le réglage des niveaux pour un enregistrement Dolby est pareil à celui d'un enregistrement normal.
Effets speciaux
Tous les effets spéciaux réalisables avec le modele standard (echo, multiplayer, etc...) le sont aussi avec le modele Dolby, car le procede Dolby est applique a l'enregistrement et a la lecture, separement pour chaque canal.
Le modele Dolby se prete particulierement bien au multiplayerback: la reduction du bruit de fond permet de réaliser des copies successives importantes et plus nombreuses. (Revoir les remarques sur le rapport signal/bruit de la source sonore.)
Filtre multiplex
Pour enregistrer un programme stéreophonique à partir d'un tuner FM,mettre le commutateur FILTER53 sur IN: un filtre multiplex, dans chaque canal d'enregistrement, elimine les restes de sous-porteuse et de signal pilote qui pourraient perturber les circuits Dolby.
Ce filtré multiplex peut rester en action, même pendant les enregistements effectuels sans système Dolby; il empêche les interférences avec la fréquence de prémagnetisation. (Egalement pour l'enregistrement d'orgues电子iques.)
9.2.6. Lecture
- Pour la lecture d'un enregistrement réalisé avec le système Dolby,mettre le commutateur DOLBY (50) sur IN.
- Le commutateur lecture/direct 14 sur position TAPE.
- La position du commutateur FILTER 53 est sans importance, de meme que celle des boutons de calibrage 51 et 52


Lecture normale d'un enregistrement réalisé avec le système Dolby
Si le commutateur DOLBY (50) est en position OUT, les passages à faible niveau sont plus brillants, avec suraccentuation des aigus.
Lecture avec le système Dolby d'un enregistrement normal
Si le commutateur DOLBY (50) est en position IN, les passages à faible niveau sont plus sourds, les aigus étant attenués. Cet effet peut être utilisé lorsqu'un enregistrement normal est complagné d'un léger souffle.
DOLBY et SYSTEME DOLBY sont des noms de marque déposés par Dolby Laboratories Inc.


10. Montage de bande
Pour les travaux de montage et d'entretien, on peut enlever le capot de protection des têtes en le tirant vers le haut. Pour déterminer l'endetroit à couper, tirer le levier de montage 49 vers la droite et faire avancer la bande en tournant les bobines à la main. Avec la version normale du A77 on peut libérer les freins en,enfantant tout d'abord la touche REEL MOTORS OFF 44 puis la touche de rebobinage 19
Pour passer en position normale de lecture, appuyer la touche STOP 22, libérer la touche REEL MOTORS OFF 44 par une nouvelle pression et ensuite appuyer la touche PLAY 21.
Pour couper la bande pres de la tete de lecture, utiliser des ciseaux antimagnétiques.
Le collage de bande est plus aisé en utilisant la glissière se trouvant sur le capot de protection des têtes.
11. Fernsteuerung
11. Remote control
11. Commande à distance
Enlever la fiche de court-circuit (24) de la prise REMOTE CONTROL (25) et y raccorder la commande a distance.
La commande à distance permet la commande de toutes les fonctions y compris celle de lecture et d'enregistrement. L'arrêt automatique en fin de bande reste en fonction.
Le raccordement d'une commande à distance: départ - arrêt - rebobinage, pour la dictée de protocole (audiotypistes) est possible.
Si la commande a distance n'est plus en service, remetre la fiche de court-circuit.
Pour la commande par un interrupteur horsaire voir le chapitre 15.6.

12. Diasteuerung
12. Slide synchronization
12. Synchronisation de diapositives
Le REVOX A77 permit par l'intermédiaire du synchronisateur SLIDE-O-MATIC, la commande automatique d'un projecteur de diapositives. Le système est commandé par des impulsions qui sont enregistrées et lues sur le deuxième canal par les têtes d'enregistrement et de lecture du magnétophone.
Le SLIDE-O-MATIC comporte entre autres un relais pour courant fort avec des contacts de travail et de repos permettant par un cable de commande à 3 pôles une liaison universelle avec tous les modèles de projecteurs.
Le synchronisateur de diapositives se raccorde à la prise REMOTE CONTROL (25)
La conception du magnétophone A77 - paliers bronze et roulements à billes graissés pour toute leur durée de vie - lui donne sa longévité.
De ce fait, les opérations d'entretien se limitent au nettoyage des parties mécaniques entrant en contact avec la bande. Ce travail a toute son importance afin de garantir un bon défiling de la bande et une qualité d'enregistrement et de reproduction parfaite.
A cet effet, on utilisera la garniture de nettoyage REVOX ou a défaut et en cas d'encrassement excessif, un batonnet ouaté imbibé d'alcool. Ne jamais utiliser d'objets durs ou metalliques. Unsoon tout particulier sera donné aux têtes magnétiques. Le galet presseur et l'axe d'entrainment seront autant que possible nettoyés à sec. Le magnétophone A77 ne doit jamais être lubrifié.
14. Soins des bandes magnétiques
D'une manière générale, la bande magnétique est un porteur peu critique à l'entretien. Ce qui ne dispense pas de respecter quelques régles fondamentales:
N'utiliser que des bandes de haute qualite - du type "HiFi-Low-Noise". Nous recommandons tout spécialement la bande REVOX, pour laquelle le A77 a ete regle. (La version REVOX A77 HS est regle a la vitesse de 38 cm/s pour la bande PER 525.)
Ne laisser pas inutillement la bande sur le magnétophone, mais la remette dans son emballage, afin de la réserve de la pouissère. Pour un stockage prolongé, on tiendra compte de la température et de l'humidité de l'air ambient: de préférence 20^ et 40-60% d'humidité relative. Une température trop élevé augmente l'effet de copie, c'est-à-dire le passage de l'enregistrement d'une spire à l'autre. On recommande également de bobiner une fois la bande avant l'emploi si elle a été longtemps stockée. Il est préféable de garder les bandes originales sur la bobine de droite telles qu'elles se trouvent après écoute; la régularité de l'enroulement ainsi obtenue favorise leur conservation. Les bandes sont à protégger des champs magnétiques parasites tels que ceux rayonnés par un microphone dynamique, haut-parleur ou transformateur en service.
15.1. Caracteristiques techniques
Performances minimales garanties par REVOX pour les apparciels à deux et quatre pistes (sauf autres indications). Mesures effectuees avec la bande magnétique REVOX professionnelle 601.
Laufwerk
Antriebsprinzip:
à trois moteurs avec réglage électronique de la vitesse du moteur de cabestan
Vitesse de défilament:
19 cm/s et 9,5 cm/s, commutéelectronique. ment. Tolerance de la vitesse nominale ± 0,2%
Taux de pleurage:
pondéré
à 19 cm/s mistroux que ± 0,08 %
à 9,5 cm/s mistroux que ± 0,1 %
Derive:
Inférieure à 0,2%
Diametre des bobines:
jusqu'à 26,5 cm (10 1/2") de diamètre. Diamètre minimum du noyau: 6 cm
Durée d'écoute sans interruption:
avec une bande longue durée de 1100 m: 3 h 12 min. à 9,5 cm/s, 1 h 36 min. à 19 cm/s
Positions de fonctionnement:
horizontal, vertical ou inclinee
Commande à distance:
commande à impulsion pour toutes les fonctions
| Elektronik | Electronics | Electronique |
| Bestückung:54 Transistoren, 32 Dioden, 4 Silizium-Gleich-richter, 1 Fotowiderstand, 4 Relais | Semi Conductor complement:54 transistors, 32 diodes, 4 silicon rectifiers, 1 light dependent resistor, 4 relays | Equiplement:54 transistors, 32 diodes, 4 redresseurs au sili-cium, 1 photorésistance et 4 relais |
| Verträker: auf steckbaren Leiterplatten | Amplifier: plug-in printed circuit boards | Amplificateurs: plaquettes enchancements |
| Frequenzgänge: über Band gemessen bei 19 cm/s30 Hz bis 20000 Hz + 2/-3 dB50 Hz bis 15000 Hz ± 1,5 dBbei 9,5 cm/s30 Hz bis 16000 Hz + 2/-3 dB50 Hz bis 10000 Hz ± 1,5 dB | Frequency response: measured via tape at7 1/2 ips 30-20.000 Hz + 2/-3 dB50-15.000 Hz ± 1,5 dB3 3/4 ips 30-16.000 Hz + 2/-3 dB50-10.000 Hz ± 1,5 dB | Courbe de réponse: enregistrement-lecture à 19 cm/s30 Hz à 20000 Hz + 2/-3 dB50 Hz à 15000 Hz ± 1,5 dBà 9,5 cm/s30 Hz à 16000 Hz + 2/-3 dB50 Hz à 10000 Hz ± 1,5 dB |
| Entzurrung: bei Aufnahme nach NAB*; bei Wiedergabe nach NAB* oder IEC umschaltbar *(DIN 45 513/H) | Equalization: recording as per NAB*, playback as per NAB* or IEC (switchable) * (consistent with DIN 45513/H) | Corrections: Enregistrement NAB: lecture commutable NAB ou IEC (Norme DIN 45513/H) |
| Klirrfaktor: über Band gemessen und Vollaussteuerung bzw. Aussteuerung 0 VU (1000 Hz)bei 19 cm/s better als 2 % bzw. 0,6 %bei 9,5 cm/s better als 3 % bzw. 1 % | Distortion: measured via tape at 1 kHz peak level and 0 VU respectivelyat 7 1/2 ips, less than 2 % or 0,6 % respectivelyat 3 3/4 ips, less than 3 % or 1 % respectively | Distorsion harmonique: à 1000 Hz au niveau 0 VU à 19 cm/s: max 0,6 %à 9,5 cm/s: max 1 % |
| Gerauschspannungsabstände: über Band gemessen, bewertet nach ASA-A bei 19 cm/s better als 66 dB4-Spur better als 62 dBbei 9,5 cm/s better als 63 dB4-Spur better als 59 dB | Signal to noise ratio: measured via tape, weighted as per ASA-A at 7 1/2 ips, better than 66 dB4-track better than 62 dBat 3 3/4 ips, better than 63 dB4-track better than 59 dB | Rapport signal/bruit en enregistrement: pondéré ASA-A à 19 cm/s: min 66 dB4 pistes min. 62 dBà 9,5 cm/s: 63 dB4 pistes min. 59 dB |
| Übersprechdämpfung: bei 1000 Hz und Mono-Betrieb better als 60 dB, Stereo-Betrieb better als 45 dB | Crosstalk: at 1000 Hz for monophonic operation, better than 60 dB, stereophonic operation, better than 45 dB | Recul de diaphonie: à 1000 Hz en mono min. 60 dB, en stéreo min. 45 dB |
| Ossillatorfrequenz: 120 kHz (Gegentaktoszillator) | Oscillator frequency: 120 kHz (push-pull oscillator) | Fréquence de l'oscillateur: 120 kHz (oscillateur push-pull) |
| Übersteuerungssicherheit der Eingänge 40 dB | Overload margin for each input: 40 dB | Taux de surcharge: des entrées 40 dB |
| Eingänge pro Kanal | Inputs per channel | Entrées par canal |
| Mikrofon(umschaltbar für hoch- und niederohmige Mikrofone):Empfindlichkeit für niederohmige Mikrofone 50 bis 600 Ohm: 0,15 mV, max. 15 mV, Eingangsimpedanz 2,2 kOhm.Empfindlichkeit für hochohmige Mikrofone bis 100 kOhm: 2,5 mV, maximal 250 mV, Eingangsimpedanz 220 kOhm.Eingangsstecker, Cinch und Klinken | Microphone(switchable for high and low impedance microphones): Sensitivity for 50-600 ohms low impedance microphones: 0.15 mV, maximum 15 mVInput impedance 2.2 kohmsSensitivity for high impedance microphones up to 100 kohms: 2.5 mV, maximum 250 mV.Input impedance: 220 kohmsInput connectors RCA-phono sockets and phone jacks | Microphone(commutableasse ou haute impédance):Sensibilité pour basse impédance de 50 à 600 ohms 0,15 mV, max. 15 mVImpédance d'entrée 2,2 kohmsSensibilité pour haute impédance jusqu'à 100 kohms 2,5 mV, max. 250 mVImpédance d'entrée 220 kohmsPrises d'entrée Cinch et Jack |
| Radio:Empfindlichkeit 2,5 mV, maximal 250 mV, Eingangsimpedanz 33 kOhm.Eingangsstecker, Spolig nach DIN | Radio:sensitivity 2.5 mV, maximum 250 mV, input impedance 33 kohmsInput connector 5-pin DIN socket | Radio:sensibilité 2,5 mV, maximum 250 mV, impédance d'entrée 33 kohmsPrise d'entrée 5 pôles DIN |
| Zusatzeingang (Auxiliary):Empfindlichkeit 35 mV, maximal 3,5 V, Eingangsimpedanz 1 MOhm. Eingangsstecker, Cinch | Auxiliary input:sensitivity 35 mV, maximum 3,5 V, input impedance 1 MohmInput connectors RCA-Phono sockets | Aux.:sensibilité 35 mV, maximum 3,5 V, impédance d'entrée 1 mégohmPrise d'entrée Cinch |
| Ausgänge pro Kanal | Outputs per channel | Sorties par canal |
| Ausgang für Veränderker:Ausbgangsspannung maximal 2,5 V, Innenwiderstand 600 Ohm. Ausgangsstecker, CinchAusgang für Radio:Ausbgangsspannung maximal 1,2 V, Innenwiderstand 2,5 kOhm.Ausbgangstecker, Spolig nach DINAusgang für Kopfhörer:Impedanz 200 Ohm und höher, Lautstärke re-gelbar.Ausbgangsstecker, Klinkenstecker | Output for amplifier: maximum output voltage 2.5 V, source impedance 600 ohmsOutput connector RCA-phono socketOutput for radio: maximum output voltage 1.2 V, internal impedance 2.5 kohmsOutput connector 5-pin DIN socketOutput for headphones: recommended load impedance 200 ohms or higher, volume adjustableOutput connector phone jack | Sortie pour amplificateur:tension de sortie maximum 2,5 V, impédance 600 ohmsPrise de sortie CinchSortie pour radio:tension de sortie maximum 1,2 V, impédance 2,5 kohmsPrise de sortie 5 pôles DINSortie pour casque:volume régiable, impédance minimum 200 ohms. Prise de sortie Jack |
| Endveränderker:zusätzlich steckbar, entsprechen in allen Punkten den Forderungen der DIN 455002 x 10 Watt Musikleistung, 2 x 8 Watt Sinus-Dauertonleistung, gemessen bei 8 Ohm Be-lastungswiderstand und 1% maximalem Klir-faktor.Es können Laufsprecher von 4 bis 16 Ohm Nennimpedanz angeschlossen werden. | Power output stages:optional plug-in amplifiers, all performance characteristics conform to DIN 455008 watts continuous average power per channel, measured with a load impedance of 8 ohms at a maximum total harmonic distortion of 1%. Loudspeakers having a nominal impedance of 4 to 16 ohms may be connected. | Amplificateurs de haut-parleurs:supplémentaires et enchancements, répondant en tout point aux normes DIN 455002 x 10 watts de puissance musicae et 2 x 8 watts de puissance nominaleMesure effectuees avec une charge de 8 ohms et un taux de distorsion maximum de 1 %Des haut-parleurs d'une impédance entre 4 et 16 ohms peuvent être raccordés. |
Laufsprecher
(exécution valise: 2 haut-parleurs par canal): sont automatiquement déconnectés lors du branchement de haut-parleurs séparés Prise de sortie DIN
Alimentation:
stabilisation electronique.
Tension du réseau commutable: 110, 130, 150 220, 240 et 250 V. Fréquence du réseau de 50 à 60 Hz sans modification. La consommation est environ 70 watts sans les amplificateurs de haut-parleurs et de 70 à 100 watts avec les amplificateurs de haut-parleurs.
Fusible secteur de 0,5 AT pour 200 à 250 V; de 1 AT pour 110 à 150 V.
Poids:
environ 15 kilos
Dimensions en mm:
| Normal | valise | |
| Largeur | 415 | 514 |
| Hauteur | 359 | 380 |
| Profondeur | 180 | 224 avec couvercle |
Avec bobines de 26,5 cm (toutes les executions): largeur maximum 539, hauteur maximum 442
Sous toute réserve de modifications dues à une amélioration technique.
15.2. Verbindungsplan
System hook-up
Raccordements

A77-A78-A76
A77-A720-A722

15.3. Verbindungsplan
System hook-up
Raccordements


15.5. Block schematic A77 audio section


15.7. Câblage des prises
PHONES 8
Notice Facile