ARMEN - Poêle à granulés DEVILLE - Notice d'utilisation et mode d'emploi gratuit
Retrouvez gratuitement la notice de l'appareil ARMEN DEVILLE au format PDF.
| Type d'appareil | Poêle à granulés de bois |
| Modèles disponibles | Faraman, Kermorvan, Armen, Cordouan, Cordouan Céramique |
| Alimentation | Granulés de bois |
| Installation | Raccordement obligatoire à un conduit d'évacuation des fumées |
| Utilisation | Chauffage domestique |
| Matériau principal | Non précisé |
| Puissance thermique | Non précisé |
| Capacité du réservoir | Non précisé |
| Consommation de granulés | Non précisé |
| Dimensions | Non précisé |
| Poids | Non précisé |
| Type de conduit | Conduit d'évacuation des fumées |
| Sécurité | Non précisé |
| Garantie | Non précisé |
| Normes | Non précisé |
FOIRE AUX QUESTIONS - ARMEN DEVILLE
Questions des utilisateurs sur ARMEN DEVILLE
Le message d'erreur "puro ari4" affiché sur l'écran de votre poêle à granulés DEVILLE ARMEN indique un défaut spécifique lié à l'appareil. Voici plusieurs étapes à suivre pour tenter de résoudre ce problème :
1. Redémarrage de l'appareil
- Éteignez complètement le poêle.
- Attendez environ 5 minutes pour permettre à l'appareil de se réinitialiser.
- Rallumez le poêle et vérifiez si le message d'erreur persiste.
2. Vérification des granulés
- Assurez-vous que les granulés utilisés sont de bonne qualité, sans humidité ni poussière excessive.
- Contrôlez que le réservoir à granulés n'est pas bloqué ou obstrué.
- Vérifiez que le système d'alimentation des granulés fonctionne correctement et qu'aucun élément n'empêche leur passage.
3. Nettoyage de l'appareil
- Nettoyez le conduit d'évacuation des fumées et l'échangeur de chaleur pour éviter toute obstruction.
- Retirez les cendres et résidus pouvant gêner le fonctionnement.
4. Contrôle des connexions électriques
- Vérifiez que toutes les connexions électriques sont bien fixées et en bon état.
- Inspectez les câbles pour détecter d'éventuels dommages ou déconnexions.
Si après ces vérifications le message d'erreur "puro ari4" continue d'apparaître, il est conseillé de contacter un professionnel qualifié ou le service client DEVILLE pour une assistance technique approfondie.
Téléchargez la notice de votre Poêle à granulés au format PDF gratuitement ! Retrouvez votre notice ARMEN - DEVILLE et reprennez votre appareil électronique en main. Sur cette page sont publiés tous les documents nécessaires à l'utilisation de votre appareil ARMEN de la marque DEVILLE.
MODE D'EMPLOI ARMEN DEVILLE
POÉLES À GRANULES DE BOIS :
FARAMAN
C07734.06-DA
KERMORVAN
C07735.06-DA
ARMEN
C07736.06-DA
CORDOUAN
C07737.06-DA
CORDOUAN Céramique
C07737.03-DA
Un Poèle à Granulés ne peut enaucun cas fonctionner sans etre raccordé à un conduit d'évacuation des fumées (voir chapitre Raccordement à la cheminée).
SOMMAIRE
- Régles générales de sécurité page 3
- Caracteristiques techniques Faraman page 4
- Caracteristiques techniques Kermorvan page 5
- Caracteristiques techniques Armen - Cordouan - Cordouan Céramique page 6
- Installation page 7
Raccordement à la cheminée pages 7-8-9 - Ventilation du local où l'appareil est installé page 9
- Distance de sécurité - côtes d'encombrement page 10
Raccordement electrique page 11 - Combustible à utiliser page 11
- Mise en service et arrêt du poèle pages 11-12-13
Utilisation de la télécommande page 14 - Réglage duprogrammateur pages 14-15
Les alarmes page 16
Signification des alarmes page 16 - Diagnostics de pannes pages 17-18
- Schéma de câblage de la carte électronique page 19
Nettoyage et entretien page 20
Ramonage et entretien périodique page 20 - Montage des céramiques "Cordouan Céramique" page 21
- Conditions generales de Garantie page 22
- Conditions particulieres de vente DEVILLE page 23
Granulés GRANIX
RÉGLES GÉNÉRALES DE SECURITÉ
ATTENTION !!! Lire attentivement, et au complet, le texte de la notice afin de tirer le meilleur usage et la plus grande satisfaction de votre apparéil DEVILLE :
L'appareil doit être installé par un professionnel qualifié.
- Le non respect des instructions de montage, d'installation et d'utilisation entraîne la responsabilité de celui qui les effectue.
- Cet apparéil doit être installé conformément aux spécifications des D.T.U. en vigueur.
- Toutes les réglementations locales et nationales, ainsi que les normes européennes, doivent être respectées lors de l'utilisation de l'appareil.
- Enaucn cas, l'appareil ne doit être modifié. Seules les pièces de rechange DEVILLE doivent être utilisées.
- L'appareil est équipé d'un allumage automatique, il est interdit d'essayer de l'allumer avec un produit inflammable.
- Lorsque l'appareil fonctionne, les surfaces extérieures de l'appareil sont chaudes, rundout ne pas toucher le verre et prendre toutes les précautions nécessaires avant de toucher le poèle.
- L'appareil dégage par rayonnement à travers le vitrage, une importante chaleur: ne pas placer de matériaux ni d'objects sensibles à la chaleur à une distance inférieure à 1.5 m de la zone vitrée.
- Eviter de laisser des enfants seuls aux abords du poèle allumé, toutes les parties chaudes de ce dernier peuvent provoquer de graves brûlures.
- Ne jamais jeter d'eau pour êtreindre le feu.
- En cas de feu de cheminée,mettre l'appareil hors tension.
- Contrôler et toujours s'assurer que la porte de la chambre de combustion soit bien fermée durant l'allumage et le fonctionnement du poêle.
- Ne pas effectuer d'interventions sur le poèle autres que celles prévues pour uneutilisation normale ou conseillée dans ce manuel. Pour résoudre un probleme, a chaque fois, debrancher la prise de courant avant d'intervenir.
- En particulier, même protégés, n'essayez pas d'insérer les doigs entre l'hélice et le tuyau de la vis sans fin quand celle-ci est en mouvement, ils pourraient être malencontreusement écrasés ou tranchés. Si vous devez juste enlever ou déplacer un corps étranger eventuèlement coince, rappelez-vous de tousjours débrancher la prise d'alimentation. Le poèle pourrait demarrer en mode automatique s'il est placé sur ce mode de fonctionnement.
- En cas de conditions climatiques défavorables, privilégier le fonctionnement en petite puissance.
CHARACTERISTIQUES TECHNIQUES POÉLE À GRANULES DE BOIS FARAMAN
| Capacité de la trémie | 25 Kg |
| Puisance calorifique : réduite - nominale | 3 - 9 KW |
| Rendement : réduite - nominale | 77,3 - 81,4 % |
| Autonomie | 28 - 10 h |
| Consommation de granulés de bois : réduite - nominale | 0,87 - 2,3 Kg/h |
| Température moyenne des fumées | 190 °C |
| Débit massique des fumées | 11 g/s |
| Tirage minimal du conduit de fumée : réduite - nominale | 10 - 12 Pa |
| CO à 13 % d'O2: réduite - nominale | 0,03 - 0,02 % |
| Distance minimale de sécurité par rapport à des matériaux combustibles : arrêté / latérale | 15 / 14 cm |
| Volume chauffé indicatif * | 340 m³ |
| Poids | 115 Kg |
| Dimension sortie de fumée | Ø 80 mm |
| Dimension prise d'air | Ø 30 mm |
| Alimentation électrique | 230 V 50 Hz |
| Consommation électrique : allumage / en régime | 260 / 91 Watt |
| Fréquence télécommande | Infrarouge |
| Batterie télécommande | 12 V type MN21 - E23A - GP23 |
| Protection sur alimentation générale | Fusibles 5x20/3,5 A |
| Protection sur circuit électronique | Fusibles 5x20/3,5 A |
- Vous pouvez effectuer ce calcul sur le site www.deville.fr avec vos données personalisées
EQUIPMENT
- Sonde d'ambiance
- Programmateur hebdomadaire, deux plages de fonctionnement par jour
- Télecommande
- Régulation 5 niveaux de puissance
- Régulation thermostat d'ambiance
Vitre autonettoyante
Tiroir cendrier - Pressostat de tirage minimum
CHARACTERISTIQUES TECHNIQUES POÉLE À GRANULES DE BOIS KERMORVAN
| Capacité de la trémie | 36 Kg |
| Puisance calorifique : réduite - nominale | 5,4 - 9,1 KW |
| Rendement : réduite - nominale | 75,6 - 78 % |
| Autonomie | 24 - 15 h |
| Consommation de granulés de bois : réduite - nominale | 1,48- 2,4 Kg/h |
| Température moyenne des fumées | 238,2 °C |
| Débit massique des fumées | 11,7 g/s |
| Tirage minimal du conduit de fumée : réduite - nominale | 10 - 12 Pa |
| CO à 13 % d’O2: réduite - nominale | 0,02 - 0,01 % |
| Distance minimale de sécurité par rapport à des matériaux combustibles : arrêté / latérale | 15 / 14 cm |
| Volume chauffé indicatif * | 340 m3 |
| Poids | 98 Kg |
| Dimension sortie de fumée | Ø 80 mm |
| Dimension prise d’air | Ø 60 mm |
| Alimentation électrique | 230 V 50 Hz |
| Consommation électrique : allumage / en régime | 480 / 133 Watt |
| Fréquence télécommande | Infrarouge |
| Batterie télécommande | 12 V type MN21 - E23A - GP23 |
| Protection sur alimentation générale | Fusibles 5x20/3,5 A |
| Protection sur circuit électronique | Fusibles 5x20/3,5 A |
- Vous pouze effectuer ce calcul sur le site www.deville.fr avec vos données personalisées
EQUIPMENT
- Sonde d'ambiance
Programmateur hebdomadaire, deux plages de fonctionnement par jour - Télecommande
- Régulation 5 niveaux de puissance
- Régulation thermostat d'ambiance
Vitre autonettoyante
Tiroir cendrier - Pressostat de tirage minimum
CHARACTERISTIQUES TECHNIQUES
POÉLES À GRANULES DE BOIS :
① ARMEN - ② CORDOUAN - ③ CORDOUAN Céramique
| Capacité de la trémie | 20 Kg |
| Puisance calorifique : réduite - nominale | 4,1 – 11 KW |
| Rendement : réduite - nominale | 91,3 – 90,6 % |
| Autonomie | 22 - 8 h |
| Consommation de granulés de bois : réduite - nominale | 0,9 - 2,43 Kg/h |
| Température moyenne des fumées | 155,3 °C |
| Débit massique des fumées | 8,7 g/s |
| Tirage minimal du conduit de fumée : réduite - nominale | 10 - 11 Pa |
| CO à 13 % d’O2: réduite - nominale | 0,028 – 0,003 % |
| Distance minimale de sécurité par rapport à des matériaux combustibles : arrêté / latérale | 15 / 14 cm |
| Volume chauffé indicatif * | 436 m3 |
| Poids | ①105 Kg ②107 Kg ③120 Kg |
| Dimension sortie de fumée | Ø 80 mm |
| Dimension prise d’air | Ø 35 mm |
| Alimentation électrique | 230 V 50 Hz |
| Consommation électrique : allumage / en régime | 260 / 91 Watt |
| Fréquence télécommande | Infrarouge |
| Batterie télécommande | 12 V type MN21 – E23A – GP23 |
| Protection sur alimentation générale | Fusibles 5x20/3,5 A |
| Protection sur circuit électronique | Fusibles 5x20/3,5 A |
- Vous pouvez effectuer ce calcul sur le site www.deville.fr avec vos données personalisées
EQUIPMENT
- Sonde d'ambiance
Programmateur hebdomadaire, deux plages de fonctionnement par jour - Télecommande
- Régulation 5 niveaux de puissance
- Régulation thermostat d'ambiance
Vitre autonettoyante
Tiroir cendrier - Pressostat de tirage minimum
INSTALLATION
Pour facilititer la distribution uniforme de la chaleur et avoir un rendu optimal, nous conseillons d'installer l'appareil au point le plus central possible par rapport au volume à rechauffer. Eviter les pieces trop petites.
Avant la mise en place de l'appareil, il faut s'assurer que la capacité portante du sol est suffisante pour supporter la charge du poèle.
Pour protégger le sol, dans le cas d'un revêtement inflammable de type parquet ou moquette, il faut placer sous l'appareil une plaque de protection. Celle ci doit déborder de 30 cm sur l'avant de l'appareil.
Il faut respecter un écart au feu de 15 cm par rapport aux matériaux combustibles sur les cotsés de l'appareil.
L'appareil ne doit pas etre encastré, ni adossé au mur, pour permettre l'accès lors des opérations d'entretien, de ramonage et de raccordement.
RACCORDEMENT A LA CHEMINEE
L'appareil doit être obligatoirement raccordé à un conduit de fumée.
Quelques préconisations générales :
Le poèle ne doit pas etre raccordé sur un conduit desservant un autre appareel.
- Un bon conduit doit être construit en matériaux peu conducteurs de chaleur pour qu'il puisse rester chaud :
Il doit être absolument étanche, sans rugosité et stable.
O Il ne doit pas composer de variations de section brusques : pente par rapport à la verticale inférieure à 45^
Il doit deboucher à 0,4 m au moins au-dessus du faîte du toit et des toits voisins.
O Il doit deboucher dans la piece ou sera instalé l'appareil sur une hauteur d'auto moins 50 mm.
o Les boisquaux doivent etre montes partie male vers le bas afin d'eviter le passage de coulures a l'extérieur.
Le conduit ne doit pas composer plus de deux dévoiements (c'est à dire plus d'une partie verticale).
- Dans le cas où le conduit de raccordement est horizontal, une pente de 5 cm par mètre doit exister (ne jamais dépasser 2 metres de partie horizontale).
Il convient également d'éviter le recours excessif aux coudes (2 au maximum). - Il est fortement recommandé d'installé un T d'inspection ( comme sur les croquis) pour recueillir la condensation et les cendres (Réf. Deville : C07002).
- Enaucn cas le diametre de raccordement du conduit ne doit etre réduit par rapport à la buse de raccordement du poèle.
- Le conduit doit être visible sur tout son parcours et r ammonable de façon mécanique. Sa dilatation ne doit pas nuire à l'étanchéité des jonctions amont et aval ainsi qu'à sa bonne tenue mécanique et à celle du conduit de fumée. Sa conception et, en particulier, le raccordement avec le conduit de fumée doit empêcher l'accumulation de suie, notamment au moment du ramonage.
- Il faut s'assurer que le tirage minimal est garantie pour le bon fonctionnement de l'appareil.
Raccordement sur un conduit extérieur

030-60
080
fig. 1
Raccordement sur un conduit maçonné
fig. 2

030-60
080
Cas d'un conduit existant :
L'installateur prend à son compte la responsabilité des parties existantes. Il doit vérifier l'état du conduit et y apporter les aménagements nécessaires pour son bon fonctionnement et la mise en conformité avec la règlementation.
Ramoner le conduit puis proceder à un examen sérieux pour vérifier :
. La compatibilité du conduit avec son utilisation
La stabilité
La vacuité et l'étanchéité
Si le conduit n'est pas compatible, réaliser un tubage à l'aide d'un procédé titulaire d'un Avis Technique favorable ou mettre en place un nouveau conduit.
Cas d'un conduit neuf :
Utilisation des matériaux suivants :
- Boisseaux de terre cuite conformes à la NF P 51-311.
Boisseaux en beton conformes à la NF P 51-321. - Conduits métalliques composites conformes aux NF D 35-304 et NF D 35-303.
- Briques en terre cuite conformes à la NF P 51-301.
- Briques réfractaires conformes à la NF P 51-302.
L'utilisation de matérielaux isolés d'origine permet d'éviter la mise en place d'une isolation sur le chantier, notamment au niveau des parois de la souche.
Section minimale du conduit :
Boisseaux carrés ou rectangulaires : section minimale 2,5 dm².
Conduits circulaires : diamètre minimal 153 mm.
REMARQUE : On peut utiliser des conduits de diamètre plus petit (sans être inférieur au diamètre de la buse du poèle) s'ils disposent d'un Avis Technique et que le dimensionnement le permet.
VENTILATION DU LOCAL OU L'APPAREIL EST INSTALLE
- Le fonctionnement de l'appareil nécessite un apport d'air supplémentaire à celui nécessaire au renouvellement d'air réglementaire. Cette aménée d'air est obligatoire.
- La prise d'amnéée d'air doit être située directement à l'extérieur, soit dans un local ventilé sur l'extérieur, et être protégée par une grille.
- L'amnéée d'air doit être située le plus pres possible de l'appareil. Pendant le fonctionnement de l'appareil il faut s'assurer qu'elle soit libre de toute obturation.
- La section d'entrée d'air doit être au minimum égale au quart de la section du conduit de fumée avec un minimum de 50~cm^2
- Une partie de l'air combustant peut être prélevée directement à l'extérieur ou dans un vide sanitaire (ventilé) et raccordée directement à l'appareil. Avec cette solution il faut néanmoins conserver une ventilation du local.
- Pour les implantations des prises d'amnéée d'air frais, il faut tener compte des vents dominants qui peuvent perturber le bon fonctionnement de l'appareil.
Distance de sécurité – côtes d'encombrement






| A | B | C | 1 | 2 | ||
| FARAMAN | C07734.06-DA | 578,6 | 540 | 1032 | 177,8 | 182 |
| KERMORVAN | C07735.06-DA | 550 | 550 | 1051 | 129 | 234 |
| ARMEN | C07736.06-DA | 420 | 530 | 1030 | 115 | 200 |
| CORDOUAN | C07737.06-DA | 532 | 540 | 1030 | 115 | 200 |
| CORDOUAN Céramique | C07737.03-DA | 532 | 540 | 1030 | 115 | 200 |
RACCORDEMENT ELECTRIQUE
- L'appareil est muni d'un cable d'alimentation, à raccorder au circuit 230 V monophasé avec mise à la terre obligatoire. Ce raccordement peut être par fiche ou fixe.
- Nous rappelons que la sécurité électrique de l'appareil n'est atteinte que si celui-ci est connecté correctement à une installation avec une mise à la terre efficace, réalisée selon les normes de sécurité en vigueur pour les installations électriques.
- S'assurer durant l'installation que le fil de raccordement au réseau électrique, ne soit pas en contact avec des parties chaudes du poèle.
N.B.: L'alimentation électrique du poèle est protégée par deux fusibles, l'un est placé dans l'interrupteur général qui se trouve à l'arrière du poèle et l'autre dans la carte électrique à l'intérieur du poèle.
Mettre le poèle hors tension avant d'effectuer toute intervention d'entretien et/ou de contrôle !
COMBUSTIBLE À UTILISER
Le granulé de bois est un combustible qui se présente sous forme de petits cylindres d'un diamètre d'environ 6 mm, obtenus en assemblant de la sciure de bois, des chutes de bois moulu, sans ajout d'additifs, de colorants et d'autres matériaux étrangers.
Caracteristiques du granulé de bois :
Diametre 6 millimetres
- Longueur maximum 25 mm
- Humidité maximum 8%
- Pouvoir calorifique 5 KWh/Kg environ
N.B.: L'utilisation de granulés de bois ayant des caractéristiques différentes de celles indiquées ci-dessus modifie les performances du poèle, rendant nécessaire la modification des paramètres de combustion et d'alimentation.
Le bon fonctionnement du poèle n'est plus garantie.
Mise en service et arrêt du poêle
Remplissage de la trémie :
Lors du replissage de la trémie, bien prendre toutes les précautions pour éviter demettre du plastique du sac de granulés ou tout autre corps étranger qui pourrait bloquer la vis sans fin.
Il est recommandé de faire le replissage de la trémie pendant une période d'arrêt.
En cas de problème, ne jamais mettre les mains dans la trémie si l'appareil n'est pas hors tension.
L'appareil ne doit pas etre utilise comme un incinérateur, a part les granulés de bois,
aucun autre combustible ne doit etre utilise.
Note pour le 1^er allumage :
Quand la trémie est replie pour la première fois, la vis sans fin est vide. Il est donc nécessaire, d'introduire à la main une poignée de granulés directement dans le creuset avant demettre en marche le poèle.
Pourmettre en service le poèle :
Appuyer sur la touche (4) et la maintainir enforcée jusqu'à ce que l'affichage indique le message “FAN CAND”. C'est le premier des trois cycles de la phase d'allumage, préchauffage de la résistance d'allumage pendant environ 2 min.
Après ce cycle, apparait le message "LOAD WOOD" la vis sans fin envoie les granulés suivant un début prédéfini (ajustable dans les paramètres techniques).
Les granulés, en tombant dans le creuset, entraçont en contact avec l'air chauffé par la résistance d'allumage qui entre-temps est devenue incandescente, et s'enflammeront.
Quand la sonde de température de l'extracteur de fumée detecte une variation de température suffisante, le poèle passé dans le dernier cycle de la phase d'allumage avec affichage du message "FIRE ON" stabilisation de l'allumage.
Le ventilateur de convection se met en marche quand la température prédéfinie dans les paramètres techniques est atteinte.
A la fin de la phase d'allumage qui dure environ 15 min, l'appareil se positionne sur la dernière puissance calorifique selectionnée. Il affiche sur l'écran supérieur la puissance par ex. "ON 1" ou "ON 2" à "ON 5" et sur la partie inférieure la température mesurée par la sonde d'ambiance.
Dans le cas où la température d'ambiance sélectionnée est inférieure à celle mesurée, l'appareil passse automatiquement en mode économique (petite puissance) et affiche "ECO" sur l'écran.
N.B.: Si les granulés ne se sont pas allumés, le poèle relancera une seconde fois la phase d'allumage. Si la deuxième tentative d'allumage échoue, l'appareil passé en défaut avec affichage de l'alarme "ALARM NO FIRE".
Réglage de la puissance :
La puissance est modifiable manuellement en agissant sur les touches (5) et (6) du clavier ou de la télécommande.
Réglage de la température ambiente :
Le poèle est équipé d'une sonde d'ambiance (sur la partie arrêté de l'appareil).
Pour modifier la température de consigne que l'on peut atteindre, il faut appuyer, sur la touche (3) du clavier et ajuster la température avec les touches (2) et (1) symbole thermomètre ou directement sur les touches de la télécommande.
Après quelques secondes, l'appareil quitte automatiquement le mode (SET) de réglage de température.
IMPORTANT :
Quand la température de consigne est atteinte, le poèle passé automatiquement en mode économique (petite puissance) et affiche "ECO" sur l'écran.
ATTENTION :
La sonde de température ambiente est située sur la partie basse à l'arrière de l'appareil, il est fortement conseillé de la décrocher du poèle et de la mesure un peu plus loin. En fonction de la position du poèle par rapport au volume de la piece, la sonde d'ambiance peut être influencée par celui-ci, il faut dans ce cas augmenter la consigne de quelques degrès pour obtenir votre température de comfort souhaitée.
En cas de fausse manoeuvre, poèle étéint involontairement :
S'il y a encore du feu dans le creuset, on peut réduire la phase d'allumage. Pour cela il suffit d'appuyer pendant environ 2 secondes sur la touche (4), après l'affichage de "FAN CAND" et appuyer pendant 2 à 3 secondes sur la touche (6).
Arrêt du poèle :
Appuyer pendant quelques secondes sur la touche (4), jusqu'à l'affichage de "OFF". Le ventilateur de convection et l'extracteur de fumée poursuivront leur fonctionnement jusqu'à la température de consigne de la sonde de fumée, puis s'arrêtont.
Nettoyage automatique du creuset :
Périodiquement le message "STOP FIRE" s'affiche, cela correspond à la phase de nettoyage du creuset. L'alimentation en granulé est interrompu momentanément, pour éviter une trop grande accumulation dans le creuset.

UTILISATION DE LA TELECOMMANDE
La télécommande fournie permet d'exécuter les fonctions suivantes :
Allumer et teedeire le poele:
Pointer la télécommande sur l'appareil et appuyer simultanément sur les touches supérieures (1) et (6).
- Changer la puissance :
Agir sur les touches marquées du symbole du feu touche (6 + ) et (5 -).
- Régler la température du thermostat d'ambiance :
Appuyer sur la touche marquee du symbole du thermomètre touche (1 + ) et (2 -).

RéGLAGE DU PROGRAMMATEUR
Le poèle est équipé d'un programmateur, qui permet le réglage de deux plages de fonctionnement par jour. Elles peuvent être activées ou désactivées pour chaque jour de la semaine (du lundi au dimanche). Il est également possible d'enlever totalement la programmation et de rester en mode manuel permanent ou temporairement sans avoir à modifier la programmation.
A partir du tableau de commande, en appuyant sur la touche SET (3) deux fois, on accede au mode UT "configuration des paramètres utiliser".
N.B.: On peut à tout moment sorting de la programmation en appuyant sur la touche ON/OFF (4).
L'écran supérieur indique la série en cours de réglage ou consultation (ex. UT01, UT02...).
L'écran inférieur indique la valeur de la série (ex. day 1, day 2 etc... ou l'heure).
Le changement de séquence se fait en appuyant sur la touche SET (3) et la modification de la valeur par les touches (1) et (2) symbole thermomètre.
CONFIGURATION DES PARAMÉTRES UTILISATEUR :
UT01 : Programmation du jour de la semaine ou l'on se trouve, day1 pour lundi... day7 pour dimanche ou OFF pour passer en mode manuel (désactivation de la programmation). A l'aide de la touche (1) ou (2) on selectionne le jour de la semaine ou le mode OFF. Quand la sélection est terminée, on appuie sur la touche SET (3) et on passé à la séquence suivante.
UT02 : Mise à l'heure de l'appareil. Touche (1) ou (2) puis (3)
UT03 : Ajustement des minutes. Touche (1) ou (2) puis (3)
UT04: Clé d'accès aux paramètres techniques. Touche (3) Exclusivement réservés aux professionnels.
UT05 : Sélection de l'heure de démarriage de la première plage de fonctionnement (AM). Réglage par pas de 10 min. Touche (1) ou (2) puis (3)
UT06: Réglage de l'heure d'arrêt de la première plage de fonctionnement (AM). Réglage par pas de 10 min. Touche (1) ou (2) puis (3)
UT07 : Pour chaque jour de la semaine, on configure si on désire que le poèle fonctionne pendant la première plage que l'on vient de programmer. Avec la touche (1), on fait défiler les jours de la semaine. Avec la touche (2), on choses l'etat : ON pour activer la première plage de fonctionnement et OFF pour la désactiver. Quand la configuration de chaque jour de la semaine est terminée, on appuie sur la touche (3)
UT08 : Sélection de l'heure de démarrage de la deuxième plage de fonctionnement (PM). Réglage par pas de 10 min. Touche (1) ou (2) puis (3)
UT09: Réglage de l'heure d'arrêt de la deuxième plage de fonctionnement (PM). Réglage par pas de 10 min. Touche (1) ou (2) puis (3)
UT10 : Pour chaque jour de la semaine, on configure si on désire que le poèle fonctionne pendant la deuxième plage que l'on vient de programmer. Avec la touche (1), on fait défilier les jours de la semaine. Avec la touche (2), on choses l'objet : ON pour activer la第二种ophage de fonctionnement et OFF pour la désactiver. Quand la configuration de chaque jour de la semaine est terminée, on appuie sur la touche (3)
LES ALARMES
En cas d'anomalie de fonctionnement, le défaut s'affiche sur l'écran.
En appuyant sur la touche (4), on efface l'information affichée.
| ALARME | AFFICHAGE |
| Sonde température de fumée HS ou température de fumée trop élevé | ALARM SOND FUMI |
| Echec allumage ou arrêt pendant la phase de chauffe | ALARM NO FIRE |
| Sonde température d'ambiance défectueuse | ON T |
| Pressostat ou thermostat de sécurité (*) | ALARM SIC FAIL (*) |
| Extracteur de fumée (*) | ALARM FAN FAIL (*) |
SIGNIFICATION DES ALARMES
Alarme Sonde température de fumée ou température de fumée trop élevé
Si la sonde température de fumée est cassée ou déconnectée ou que la sonde température de fumée mesure une température supérieure à 280^ . Affichage du message "ECO" pendant une minute et message "ALARM SOND FUMI". Pendant l'alarme, la vis sans fin n'est plus alimentée (plus d'alimentation de granulé) et l'extracteur de fumée et le ventilateur de convection fonctionnent au maxi pendant 10 minutes.
Alarme Echec allumage ou baisse de la température de fumée pendant une phase de chauffe
L'alarme intervient lors d'une tentative d'allumage ratée (la sonde de température de fumée n'a pas détesté d'élévation de température suffisante pendant la phase d'allumage) ou si pendant la phase de chauffe, la sonde de température de fumée descend sous le seuil de température minimum. Affichage du message “ALARM NO FIRE”. comme dans le cas précédent, le poèle entame la procédure d'arrêt. Àpès 10 minutes, l'arrêt est complet.
Alarme Sonde température d'ambiance
Si la sonde température d'ambiance est cassée ou déconnectée. Affichage du message "ON T". La régulation ne prend plus en compte la température ambiente, plus de régulation (pas de passage en mode "ECO"). L'appareil peut fonctionner, il n'y a pas de verrouillage.
Alarme Pressostat ou thermostat de sécurité (*)
Si la dépression n'est pas suffisante ou que la température est trop élevé. Affichage du message "ALARM SIC FAIL". La vis sans fin n'est plus alimentée et l'extracteur de fumée et le ventilateur de convection fonctionnent au maxi pendant 10 minutes avant le verrouillage de l'appareil.
Alarme Extracteur de fumée. (^*)
Si la relecture de la rotation de l'extracteur de fumée est défaillante. Affichage du message "ALARM FAN FAIL". La vis sans fin n'est plus alimentée et l'extracteur de fumée et le ventilateur de convection fonctionnent au maxi pendant 10 minutes avant le verrouillage de l'appareil.
(*) Uniquement sur les modèles ARMEN, CORDOUAN et CORDOUAN Céramique.
DIAGNOSTICS DE PANNES
| DéFAUTS | CAUSES POSSIBLES | REMÈDES |
| Levoyant de l'interrupteur marche/arrêt ne s'allume pas | Pas de courant sur la prise.Fusible de l'alimentation générale. | Contrôler que le cable.d'alimentation est bien branché.Changer le fusible. |
| Affichage étèint et touches ne fonctionnent pas | Fusible de la carte électronique. | Appeler votre dépanneur. |
| Télécommande inopérante | Distance excessive du poële.Piles de la télécommande. | S'approcher du poële.Controler et changer les piles. |
| Echec allumageArrêt pendant la phase de chauffeALARM NO FIRE | Plus assez de granulé dans la trémie.Vis sans fin sans granulé.Accumulation d'imbrûlés dans le creuset.Le creuset est remonté à l'envers.L'av里程碑 d'air sous le creuset est obturée.Les granulés de bois sont trop humides ou de mauvaise qualité.La résistance ne rougit pas.La vis sans fin ne fonctionne plus.L'extracteur de fumée ne fonctionne plus.Le pressostat ne fonctionne plus ou défaut de tirage.Le thermostat de sécurité de la vis sans fin ne fonctionne plus ou est coupé. | Réfaire le plein de la trémie.Plein trop tardif, voir protocole d'allumage.Nettoyer le creuset.Respecter le sens de montage, le trou dans le creuset doit communiquer avec la résistance d'allumage.Manque d'entretien, nettoyer sous le creuset et déboucher l'av里程碑 d'air comburant si nécessaire.II faut vider la trémie et changer de granulés.Appeler votre dépanneur.La vis sans fin est peut être bloquée par les granulés, démonter la vis et la nettoyer ou faire appel à votre dépanneur.Appeler votre dépanneur.Appeler votre dépanneur.Appeler votre dépanneur!Avant toute intervention, il faut débrancher la prise de courant! |
| Modèles Armen, Cordouan et Cordouan céramiqueDépressioninsuffisanteTempérature tropforte(thermostat de sécurité)ALARM SIC FAIL | • Diminution du tirage due aux conditions climatiques.Appareil ou conduit encrassé.Mauvais paramétrage (débit d'extraction trop faible).Pressostat défaillant ou tube de pression bouché ou coupé.Mauvais paramétrage (trop d'air ou trop de combustible).Élevation accidentelle de la température. | • Favoriser le fonctionnement en puissance 2 ou 3.Faire ramoner le conduit, nettoyer l'appareil.Faire intervenirVote installateur.Faire intervenirVote installerur.Faire intervenirVote installerur.Réarmer le thermostat, si le défaut se reproduit, appeler votre installerur. |
| Modèles Armen, Cordouan et Cordouan céramiqueALARM FAN FAIL | • Extracteur de fumée défectueux.Problème de câblage. | • Faire intervenirVote installerur. |
| Le creuset reempli et ne brûle pas tout ou dégradation de la combustion | • L'arrivée d'air sous le creuset est obturée.Trop de suie dans le conduit de fumée.Les granulés de bois sont trop humides ou de mauvaise qualité.Caracteristiques différentes des granulés de bois.Arrivée d'air de combustion insuffisante. | • Nettoyer sous le creuset et déboucher l'arrivée d'air comburant si nécessaire.Faire ramoner la cheminée.II faut vider la trémie et changer de granulés.Faire intervenirVote installerur pour réajuster les paramètres de combustion.Faire intervenirVote installerur. |
| Pour tous les autres défauts, il faut impérativement l'intervention d'un technicien qualifié. | ||
Réarmement du thermostat de sécurité
Sur l'arrière de l'appareil :
- Retirer le capuchon de protection.
- Appuyer sur l'axe, il faut entendre un clic lors du réarmement, remonter le capuchon de protection.

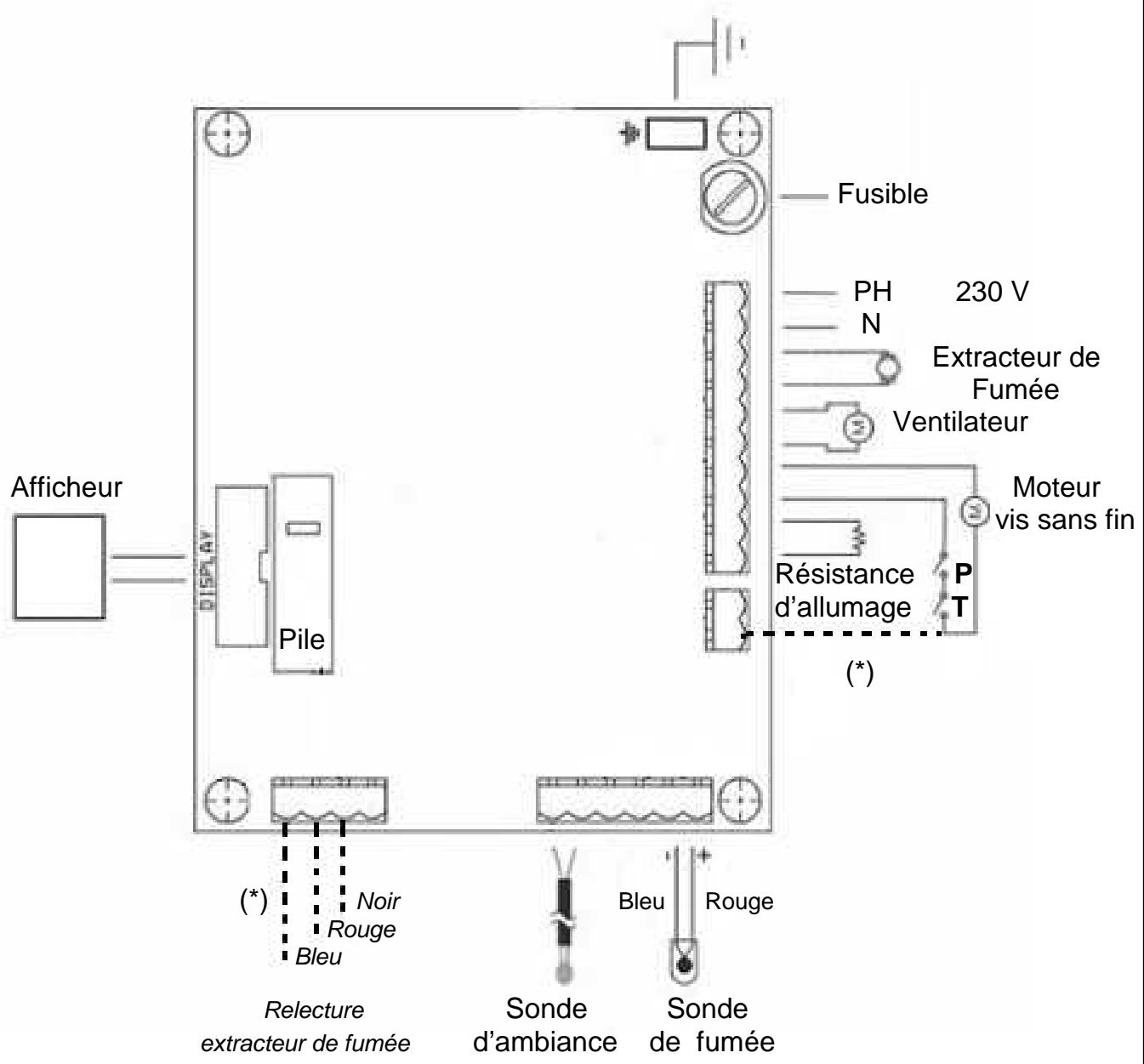
Scheme de câblage de la carte électronique

P:Pressostat
T: Thermostat de sécurité à réarmement manuel (à côté de l'interrupteur marche arrêt)
(*) - - - Relecture extracteur de fumée et fil P et T, uniquement sur les modèles ARMEN, CORDOUAN et CORDOUAN Céramique.
NETTOYAGE ET ENTRETIEN
Nettoyage et entretien par le client
Le poèle doit être à l'arrêt et froid
Ouvrir la porte.
Vider le tiroir cendrier.
Enlever le creuset, le vider et eventuellesment nettoyer les trous.
- Aspirer le compartment du creuset.
- Remetre le creuset en place, en respectant le sens de montage, le trou doit coïncider avec la résistance d'allumage et il doit bien être en appui sur son siège.
- Remetre le tiroir cendrier en place.
- Nettoyer la vitre avec un chiffon humide (toujours quand le poèle est froid).
- Fermer la porte.
N.B.: Utiliser un aspirateur sans sac, il peut y avoir des cendres incandescentes si l'appareil n'est arrêté que depuis quelques heures.
RAMONAGE ET ENTRETIEN PERIODIQUE PAR LE PROFESSIONNEL
Ramonage :
Le ramonage mécanique du conduit de fumée est obligatoire, il doit être réalisé deux fois par an dont une fois au moins pendant la saison de chauffe. Un certificat doit être remis par le ramoneur.
Entretien par le professionnel :
- Nettoyage soigné et désincrustation du creuset et de son compartment.
- Nettoyage, inspection et désincrustation de la résistance d'allumage et de son compartment.
- Nettoyage des ventilateurs, vérification mécanique des yeux et fixations.
- Nettoyage de l'échangeur et du circuit de fumée de l'appareil.
- Nettoyage du tableau synoptique et de la télécommande.
Inspection visuelle des fils électriques, des connexions et du cable d'alimentation. - Nettoyage de la trémie et vérification des produits de l'ensemble vis sans fin/motoréducteur.
- Essai fonctionnel, chargement vis sans fin, allumage et vérification du tirage de la cheminée.
N.B.: L'opération d'entretien par le professionnel doit avoir lieu une ou deux fois par an en fonction de l'utilisation de l'appareil.
MONTAGE DES CERAMIQUES “ Cordouan Céramique”
Livraison :
Le poèle Cordouan Céramique est livré avec les pieces de fixation des céramiques et le couvercle pré monté.
Les céramiques sont livrées dans un colis séparé.
Attention :
Il est recommandé de manipuler avec précaution l'emballage et les céramiques au cours des phases du montage afin d'éviter tout endommagement.
Procedure de montage :
Ouvrir le couvercle arrêté du réservoir à granulés (1).
- Dévisser les 4 vis qui fixent le couvercle supérieur au poèle, enlever ce couvercle (2).
- Dévisser et enlever les fixations supérieures des deux côtés du poèle (3).
- Insérer la céramique inférieure dans les étriers de fixation prévus à cet effet, enPNANT SOIN DE FAIRE correspondre exactement les orifices prevus dans la céramique avec les chevilles des étriers (4).
- Insérer la céramique supérieure de la même façon (5).
Fixer l'etrier supérieur en insererant la cheville dans l'orifice prevu sur la ceramique (3).
Répéter les opérations ci-dessus pour l'autre côté du poële.
Fixer les équres arrières situées sur les côts du poèle afin d'aligner correctement les céramiques (6).
- Àprous avoir vérifié l'assemblage correct des céramiques, visser le couvercle supérieur à l'aide des 4 vis de fixation prévues à cet effet (2).

Fig.1

CONDITIONS GENERALES DE GARANTIE
1. MODALITES
En dehors de la garantie legale, a raison des vices cachés, DEVILLE garantit le matériel en cas de vices apparents ou de non-conformité du matériel livré au matériel commandé.
Sans prejudice des dispositions a prendre vis-à-vis du transporteur, les reclamations lors de la reception du matériel sur les vices apparents ou la non-conformite, doivent etre formulées aprres de DEVILLE par l'acheteur dans les cinq jours de la constatation du vice par voie de lettuce recommandee avec demande d'avis de reception. Il apparient a l'acheteur de fournir toute justification quant a la réalite des vices ou des anomalies constatées. L'acheteur doit, par ailleurs, laisser a DEVILLE toute facilité pour proceder à la constatation de ces vices ou anomalies et pour y porter remede. De meme l'acheteur doit tener les matériels non conformes à la disposition de DEVILLE, selon les instructions de cette derniere. Tout retour du matériel doit faire I'objet d'un accord préalable.
2. ETENDUE
La garantie de DEVILLE couvre, à l'exclusion de toute indemnité ou dommages-intérêts, le remplacement gratuite ou la réparation du matériel ou de l'élement reconnu défectueux (hors pieces d'usure) par ses services à l'exclusion des frais de main-d'oeuvre, de déplacement et de transport. Sur les apparèils émailés, les craquelures ne sont jamais considérées comme un défaut de fabrication. Elles sont la conséquence de différence de dilatation tôle-email ou fonte-email et ne modifiient pas l'adhérence. Les pieces de rechange fournies à titre onereux sont garanties six mois à partir de la date de facture ; toute garantie complémentaire consentie par un revendeur de DEVILLE n'engage pas DEVILLE. La presentation du certificat de garantie portant le cachet à date du revendeur DEVILLE est rigoureusement exigée lorsque la garantie est invoquée. Ce certificat doit être représenté lors de la demande de réparation de l'appareil sous garantie, ou bien un talon ou un volet détachable de ce certificat doit, selon l'organisation propre à DEVILLE, être returné à celle-ci dans les délais impartis. A défaut, la date figurant sur la facture émise par DEVILLE ne peut être prise en considération. Les interventions au titre de la garantie ne peuvent avoir pour effet de prolonger celle-ci.
3. DUREE
La durée de la garantie contractuelle assurée par DEVILLE est de deux années à compter de la date d'achat de l'appareil par l'usager, sous réserve que les réclamations prévues au titre des modalités ci-dessus aient été formulées dans les déliés impartis. La réparation, le remplacement ou la modification de pieces pendant la période de garantie ne peut avoir pour effet de prolonger la durée de cette-ci, ni de donner lieu en aucun cas à indemnité pour frais divers, retard de livraison, accidents ou préjudices quelconques.
4. EXCLUSION
La garantie ne s'applique pas dans les cas suivants, sans que cette liste soit exhaustive: Installation et montage des apparêls dont la charge n'incombe pas à DEVILLE. En conséquence, DEVILLE ne peut être tenue pour responsable des dégats matériels ou des accidents de personne consécutifs à une installation non conforme aux dispositions légales et réglementaires (par exemple l'absence de raccordement à une prise de terre ; mauvais tirage d'une installation); Usure normale du matériel ou utilisation ou usage anormal du matériel, notamment en cas d'utilisation industrielle ou commerciale ou employe du matériel dans des conditions différentes de celles pour lesquelles il a été construit. C'est le cas par exemple du non-respect des conditions prescrites dans la notice DEVILLE: exposition à des conditions extérieures affectant l'appareil telles qu'une humidité excessive ou variation anormale de la tension électrique; Anomalie, détériolation ou accident provenant de chic, chute, néligence, défaut de surveillance ou d'entretien de l'acheteur; Modification, transformation ou intervention effectuee par un personnel ou une entreprise non agrée par DEVILLE ou réalisée avec des pieces de rechange non d'origine ou non agréeses par le constructeur.
5. CONDITIONS PARTICULIERES DE GARANTIE
Ces conditions complètent et précisent les conditions générales de garanties ci-dessus et ont primauté sur celles-ci, se reporter aux « Conditions Particulières de Vente DEVILLE – Garantie »
CONDITIONS PARTICULIERES DE VENTE DEVILLE
GARANTIE - GAMME MENAGER ET CHEMINEE
I/GENERALITES
Les presentes Conditions Particulieres de Vente portent sur les conditions de garantie et pièces détachées, complètent et précisé les Conditions Générales de Vente qui sont reproduites dans les tarifs de vente de DEVILLE ainsi que sur factures.
Dès lors, il est expressément stipulé que ces Conditions Particulières ont primauté sur celles des conditions générales qui seraient différentes.
Ces Conditions Particulieres, ainsi que les Conditions Generales de Vente, prevalent sur toutes conditions d'achat de l'acheteur.
Le fait de passer commande directement ou indirectement, par un représentant ou par un intermédiaire désigné par DEVILLE, implique l'adhésion entière et sans réserve de l'acheteur aux prsentes conditions.
II/DATE DE DEPART DE LA GARANTIE
La durée de garantie s'exprime à compter de la date d'achat de l'appareil par l'usager mais, au plus tard, douze (12) mois après la date de facturation DEVILLE.
III/ EXCLUSION DE LA GARANTIE
En complément de l'article V / 4 des Conditions Générales de Vente, la liste ci-après, non exhaustive, de Pièces d'Usure qui n'entrent pas dans le cadre de la garantie :
- Porto fonte,
Grillefonte,
Plaques d'âtre,
Chenet, -
Joints,
Deflecteur,
Briques réfractaires, -
Anneaux fonte,
Tube diffuseur,
Mèche,
Allumeur, - Ampoule électrique,
Voyant.
Les verres sont également exclus du cadre de la garantie, leur bris ne pouvant etre du qu'a un chic mecanique.
IV/ DUREE DE GARANTIE DES PRODUITS GAMME MENAGER ET CHEMINEE
| MATERIAL | CORPS DE CHAUFFE | AUTRES PIECES | PIECES D'USURE |
| FIOUL | |||
| CUISINIERE | 2 ANS | NON GARANTIES | |
| POELE | 2 ANS | NON GARANTIES | |
| BOIS / CHARBON / GRANULES | |||
| CUISINIERE | 2 ANS | NON GARANTIES | |
| POELE | 2 ANS | NON GARANTIES | |
| BARBECUE | 2 ANS | NON GARANTIES | |
| BOIS | |||
| PRETE A POSER | 5 ANS | 2 ANS | NON GARANTIES |
| FOYER ACIER | 5 ANS | 2 ANS | NON GARANTIES |
| INSERT ACIER | 5 ANS | 2 ANS | NON GARANTIES |
| FOYER FONTE | 5 ANS | 2 ANS | NON GARANTIES |
| INSERT FONTE | 5 ANS | 2 ANS | NON GARANTIES |
| CHEMINEE PIERRE(habillage, poutre et hotte) | 2 ANS | 2 ANS | |
| CHAMOTTE | 5 ANS | 2 ANS | NON GARANTIES |
| ELECTRIQUE | |||
| CLIMATISEUR | 2 ANS | NON GARANTIES | |
| DESHUMIDIFCATEUR | 2 ANS | NON GARANTIES | |
| CHAUFFAGE APPOINT | 2 ANS | NON GARANTIES | |
| PLANCHA | 2 ANS | NON GARANTIES | |
| GAZ | |||
| RADIATEUR GAZ | 2 ANS | NON GARANTIES | |
| INSERT GAZ | 2 ANS | NON GARANTIES | |
| BARBECUE | 2 ANS | NON GARANTIES | |
| PLANCHA | 2 ANS | NON GARANTIES | |
| PARASOL CHAUFFANT | 2 ANS | NON GARANTIES | |
| PETROLE | |||
| POELE A PETROLE A MECHE | 2 ANS | NON GARANTIES | |
| POELE A PETROLE ELECTRONIQUE | 2 ANS | NON GARANTIES | |
| GAZ / ELECTRIQUE | |||
| CUISINIERE | 2 ANS | NON GARANTIES | |
NOTES :
deville
Granix
Granix - les granulés de bois haut rendement sélectionnés pour vous par Deville.
Deville met sur le marché des granulés de qualité, compatibles avec la performance de ses apparèils.
Les granulés Deville ont été testés selon un cahier des charges et des normes très précises : caractéristiques, dimensions et calibrage, teneurs, taux d'hygrométrie, etc...
Ils proviennent de fournisseurs connus.
C'est dans le but de vous offrir la plus grande performance en combustible pour ses poèles à granulés de bois que Deville a sélectionné ses fabricants parmi de nombreux producteurs.
Ils ont ete retenus en fonction de criteres de qualite, de regularite, et de performance au feu. Une rigueur de selection et de conformite qui leur ont permis l'attribution du label norme DIN+. C'est le moins que I'on puisse faire pour nos clients.
COMMANDEZ VOS GRANIX ET DEVILLE VOUS LIVRE CHEZ VOUS !
Le service Deville Granulés à domicile : accessible uniquement par le site www.deville.fr.
Vous pouvez commander vos granulés Granix de Deville, en vous inscrivant à la rubrique Granix « commandez vos granulés ».
(Conditions de Vente Générales et Conditions Particulières de Vente en ligne accessibles sur le site www.deville.fr).
Attention : règlement par carte bancaire uniquement.
Livraison chez vous dans lesassageis#.
Deville, la marque n°1 sur le marché des poêles à g ranulés.
« 100% naturel, 100% résineux »
Bon à savoir. Contrairement à ce que certains disent, il vaut mistréux utiliser des granulés de bois provenant de bois résineux, pour un allumage rapide et pour une combustion optimale avec moins de résidus dans le creuset.
Les 4 points essentiels pour un bon fonctionnement quotidien de votre poèle à granulés.
ALIMENTATION D'AIR - EVACUATION DE FUMEE OMBUSTIBLE DE QUALITE - ENTRETIEN REGULIER
Important : L'utilisation correcte d'un poèle à granulés nécessite obligatoirement l'installation d'un conduit d'évacuation des fumées de la combustion (voir chapitre Raccordement à la cheminée).
deville
Les descriptions et caractéristiques figurant sur ce document sont données à titre d'information et non d'engagement. En effet, socieux de la qualité de nos produits, nous nous réservons le droit d'effectuer, sans préavis, toute modification ou amélioration.
***
Société Anonyme au capital de 6.404.454 € R.C CHARLEVILLE-MEZIERES 787 020 080 B - Sirene 787 020 080 00018
SIEGE SOCIAL 76 rue Forest - 08013 CHARLEVILLE-MEZIERES CEDEX www.deville.fr - contact@deville.fr
Notice Facile